空调系统现场查验的执行表格
- 格式:docx
- 大小:77.80 KB
- 文档页数:44
空调系统安装检查验收表1. 安装前检查- 检查工作人员:确认安装人员的技术资质和工作证件。
检查工作人员:确认安装人员的技术资质和工作证件。
- 检查材料:确认所使用的空调设备、管道和配件是否符合规范要求。
检查材料:确认所使用的空调设备、管道和配件是否符合规范要求。
- 检查施工图纸:核对施工图纸与实际安装情况是否一致。
检查施工图纸:核对施工图纸与实际安装情况是否一致。
2. 安装过程检查- 安装位置:确认空调主机和出风口的位置是否符合设计要求。
安装位置:确认空调主机和出风口的位置是否符合设计要求。
- 管道安装:检查管道连接是否牢固,无渗漏现象。
管道安装:检查管道连接是否牢固,无渗漏现象。
- 电气连接:检查电气线路是否正确连接,无短路和漏电问题。
电气连接:检查电气线路是否正确连接,无短路和漏电问题。
- 控制系统:测试控制系统的功能和操作是否正常。
控制系统:测试控制系统的功能和操作是否正常。
3. 测试与调试- 系统测试:启动空调系统,检查各个部件是否正常工作。
系统测试:启动空调系统,检查各个部件是否正常工作。
- 温度调节:测试温度调节功能,确保按要求调节温度。
温度调节:测试温度调节功能,确保按要求调节温度。
- 风量调节:测试风量调节功能,确保按要求调节风速。
风量调节:测试风量调节功能,确保按要求调节风速。
- 噪音测试:测试空调运行时的噪音水平是否符合规范要求。
噪音测试:测试空调运行时的噪音水平是否符合规范要求。
- 能效测试:测试空调系统的能效指标是否符合要求。
能效测试:测试空调系统的能效指标是否符合要求。
4. 安全与清洁- 安全措施:确认安装过程中是否采取了必要的安全措施。
安全措施:确认安装过程中是否采取了必要的安全措施。
- 清洁工作:检查安装后的空调系统和周边环境是否清洁整洁。
清洁工作:检查安装后的空调系统和周边环境是否清洁整洁。
5. 验收与记录- 验收标准:根据相关规范制定验收标准,确保安装质量。
验收标准:根据相关规范制定验收标准,确保安装质量。
完整版)空调系统验收记录表项目信息项目名称: [项目名称]项目地点: [项目地点]验收日期: [验收日期]验收人员验收人员1: [姓名]验收人员2: [姓名]验收人员3: [姓名]验收内容空调系统安装情况: [满足要求/不满足要求]空调系统运行状态: [正常运行/存在问题]空调温度调节情况: [有效/无效]空调风速调节情况: [有效/无效]空调节能性能: [满足要求/不满足要求]空调噪音情况: [符合标准/超出标准]空调过滤器清洁情况: [干净/需要清洁]空调控制系统操作情况: [正常操作/存在问题]其他问题或建议: [详细描述其他问题或提出建议]验收结果空调系统验收结果: [合格/不合格]备注: [填写备注信息]验收人员签名验收人员1: _______________________验收人员2: _______________________验收人员3: _______________________审核审核人: [姓名]审核日期: [日期]请将上述信息填入相应的方框中并进行实际验收情况的记录和评估。
验收人员需要仔细检查空调系统的各项功能和性能,并在验收记录表中准确记录结果。
若发现不符合要求的情况,应详细描述问题并提出相应的建议。
验收结果和备注栏需要根据实际情况进行填写。
完成验收后,验收人员需要在相应的签名栏上签名确认。
填写完整后,将本表格交由审核人进行审核。
注意:如有需要,可根据实际情况自行添加或修改表格内容。
Full n: ___ FormProject nProject Name: [Project Name]___: [Project n]___ Date: [Acceptance Date]______ 1: [Name]___ 2: [Name]___ 3: [Name]___ Contentn of Air ning System: [___ Requirement]n Status of Air ning System: [Normal n/Issues Detected] ___ of Air ning: [Effective/Ineffective]Fan ___: [Effective/Ineffective]___: [___ Requirement]Noise Level of Air ning: [___/Exceeds Standard]___ Filters: [Clean/Requires Cleaning]n of Air ning Control System: [Normal n/Issues Detected] Other Issues or ns: [___ ns]______: [___]Remarks: [Provide remarks if necessary]___Personnel 1: _______________________Personnel 2: _______________________Personnel 3: _______________________ReviewReviewer: [Name]Review Date: [Date]。
制冷及空调系统安全管理检查表背景介绍在当前的社会现状下,气候变化的逐渐加剧和环境污染的日益加重,提高了各种气候的高温、冷冻、干燥等需求。
为了满足人们的需求,使工厂、商场、医院、学校和民居等公共场所的环境控制得到更好的质量保障,制冷及空调系统是必不可少的设备。
然而,在采用制冷及空调系统的同时,我们也必须重视它们的安全管理,防范和预防可能出现的意外事故。
安全管理检查以下是针对制冷及空调系统的安全管理检查表,以保证设备的可靠运行和操作人员的安全:设备安装1.制冷及空调系统的安装位置是否符合设计要求?2.是否进行了地基处理,确保设备的稳固性和平衡性?3.是否按照规定要求进行了电缆敷设和管道布置?4.设备的进出风口是否畅通,通风是否良好?设备保养1.设备的滤网是否定期更换或清洗?2.设备运行时是否有异常声响或振动现象?3.制冷剂是否处于正常水平,是否需要补充或更换?4.热交换器管路是否存在腐蚀或渗漏现象?异常情况处理1.设备出现故障时,是否及时停机排查并进行修理?2.设备出现异常响声或气味是,是否进行检查排除?3.异常气味是否会对操作人员或周围环境造成影响?4.设备损坏或报警时,是否按照操作手册进行正确的应对措施?职工安全管理1.操作人员对设备的正确定位和使用方法是否清楚明确?2.是否制定了应急情况处理流程,并培训了操作人员?3.操作人员是否佩戴安全防护设备,如手套、眼镜、呼吸器等?4.指派了专人负责管理、维护和修复设备吗?结语制冷及空调系统是当前社会必不可少的设备,但在使用过程中,我们必须重视对它的安全管理。
一个安全、稳定、可靠的制冷及空调系统,不仅能够提高人们生活和工作的舒适度,也是为保障员工和设备的安全运行,保障企业发展的重要手段。
因此,我们必须建立和完善制冷及空调系统的安全管理机制,检查各种问题并适时进行解决,为使用者和操作人员提供更安全、更舒适的环境。
风管与配件制作检验批质量验收记录表(金属风管)GB50243-2002
(Ⅰ)
风管与配件制作检验批质量验收记录表(非金属、复合材料风管)GB50243-2002
(Ⅱ)
风管部件与消声器制作检验批质量验收记录表
风管系统安装检验批质量验收记录表(送、排风,防排烟,除尘系统)GB50243-2002
(Ⅰ)
风管系统安装检验批质量验收记录表(空调系统)GB50243-2002
(Ⅱ)
风管系统安装检验批质量验收记录表(净化空调系统)GB50243-2002
(Ⅲ)
通风机安装检验批质量验收记录表
GB50243-2002
通风与空调设备安装检验批质量验收记录表(通风系统)GB50243-2002
(Ⅰ)
通风与空调设备安装检验批质量验收记录表(空调系统)GB50243-2002
(Ⅱ)
通风与空调设备安装检验批质量验收记录表(净化空调系统)GB50243-2002
(Ⅲ)
工程系统调试验收记录表GB50243-2002。
空调系统平行检验记录表
日期:[填写日期]
项目:[填写项目名称]
检验人员信息
姓名:[填写姓名]
职务:[填写职务]
检验对象
品牌:[填写空调品牌]
型号:[填写空调型号]
检验内容
1. 对空调系统的各项功能进行检验,并记录检验结果。
- 制冷功能检验
- 温度设定为:[填写设定温度]
- 检验结果:[填写制冷功能是否正常,如正常则填写“正常”,否则填写具体问题]
- 制热功能检验
- 温度设定为:[填写设定温度]
- 检验结果:[填写制热功能是否正常,如正常则填写“正常”,否则填写具体问题]
- 通风功能检验
- 风速设定为:[填写设定风速]
- 检验结果:[填写通风功能是否正常,如正常则填写“正常”,否则填写具体问题]
- 除湿功能检验
- 湿度设定为:[填写设定湿度]
- 检验结果:[填写除湿功能是否正常,如正常则填写“正常”,否则填写具体问题]
2. 对空调系统的能效进行检验,并记录检验结果。
- 能效检验
- 检验结果:[填写能效是否达标,如达标则填写“达标”,否则填写具体问题]
检验结论
根据以上检验结果,空调系统经检验合格,并能满足所需功能和能效要求。
备注
[填写备注信息,如对系统的任何特殊情况或存在的问题进行备注]。
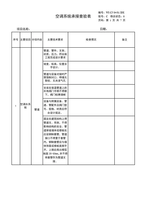
第二部分空调系统现场查验的执行表格执行表格目录表 K-1 建设单位提供的空调系统资料登记表表 K-2 现场查验小组成员及安全交底会签表表 K-3 空调系统现场查验计划表表 K-4 空调系统设备随机图纸、资料及备品备件查验表表 K-5-1 蒸汽压缩式冷水机组(螺杆、离心)的现场查验表表 K-5-2 溴化锂吸收式冷水机组的现场查验表表 K-5-3 锅炉--燃煤锅炉的现场查验表表 K-5-4 锅炉-燃气锅炉的现场查验表表 K-5-5 锅炉-电锅炉的现场查验表表 K-5-6 板式热交换器的现场查验表表 K-5-7 (冷冻/冷却)循环水泵的现场查验表表 K-5-8 冷却塔设备的现场查验表表 K-5-9 空调水系统管线及附件的现场查验表表 K-5-10 空调通风管道及附件的现场查验表表 K-5-11 软水处理设备的现场查验表表 K-5-12 水处理设备的现场查验表表 K-5-13 新风机、空调机的现场查验表表 K-5-14 通风机(普通)的现场查验表表 K-5-15 消防通风系统的现场查验表表 K-5-16 风机盘管的现场查验表表 K-5-17 散热器的现场查验表表 K-5-18 空调房间空调效果检测的记录表表K-1 建设单位提供的空调系统资料登记表序号资料内容份数备注1空调系统设施设备清单2竣工图蓝图电子图3图纸会审记录4设计变更5主要设备材料仪表的合格证及进场检验报告6工程设备、风管、管道系统安装及检验记录7隐蔽工程检查验收记录8管道试验记录9设备单机试运转记录10系统无负荷联合试运转与调试记录11分部(子系统)工程质量验收记录12观感质量综合检查记录13安全、能耗、环保和功能检查资料的检查记录14系统负荷综合能效的测定和调整报告的检查记录15设备与系统运行使用、维护保养、修理改造与专业检查记录16设备的质量保证书或维保合同171819表K-2 现场查验小组成员及安全交底会签表现场查验小组成员组长建设方爱玛客设备厂家施工单位安全交底书安全目标:人身安全设备设施安全1、小组成员应穿工装,戴安全帽;2、进入现场应注意安全,谨防触电、碰伤、烫伤、高空坠落等事故;3、在临边、临洞操作前,必须先做好防护措施;4、登高作业时应采用合格的梯子,并有专人进行看护;5、严格按相关的操作规程对各设备、各系统的进行操作,且操作人员必须是相关的设备厂家技术人员、安装单位的技术人员或经培训合格的专业人员,其他人员禁止随意操作。
会签表K-3 空调系统现场查验计划表序号子分部工程分期工程计划时间1冷热源主机制冷机组主机2锅炉主机与辅机3热交换器4冷媒水系统水处理设备5冷媒水循环泵6管道、容器与附件7冷却水系统冷却水循环泵8管道、容器与维修附件9冷却塔10空气处理单元空调机组(新风机组、风柜)11风机盘管12通风机13散热器14地板辐射采暖15空调房间空调效果检测表K-4 空调系统设备随机图纸、资料及备品备件查验表物业项目:查验日期:编号:建设单位:参加人员:物业服务企业:参加人员:序号项目内容配置标准查验实际备注123412341图纸资料品名依据设备出厂装箱单与有关合同型号页数说明书2备品备件名称型号规格数量完好程度3专业工具名称型号规格数量完好程度使用说明4防护用品名称型号规格数量完好程度使用说明5其他记录人:时间:审核人:表 K-5-1 蒸汽压缩式冷水机组(螺杆、离心)的现场查验表基本型号品牌台数额定制冷/热量KW输入功率KW参数检查项目检查结果备注相关资料检查1.机组的安装设计图2.制冷机安装操作手册3.产品合格证书4.性能检验报告5.调试运行记录静态查验1.基础及管道、附件连接正确2.机组外表应无损伤,密封性良好。
机组无严重锈蚀现象,铭牌清晰。
3.机组的保温是否严密,保温层的厚度是否符合规范。
4.减震措施完好及地脚螺栓紧固良好。
5.过滤器的滤网完好无杂物。
6.各水路阀门安装是否正确,阀门启闭是否灵活、可靠;7.外部管路的重量是否由吊/支架承担(外部管路的重量不应由机组承担)。
8.控制柜、电缆、接地符合标准9检查自控系统、仪表无损坏现象。
10.检查系统阀门、管线无渗漏现象。
11.机组运行前冷冻水、冷却水水质应符合设计或设备要求。
动态1.检查系统阀门、管路无渗漏现象。
2.检查机组的油温、油位。
冷媒压力,冷媒温度在额定范围内。
查验3.安全阀及保护装置灵敏有效4.设备无异常震动与声响运行参数查验内容标准实际备注1.冷凝压力(kpa)2.蒸发压力(kpa)3.冷凝温度(℃)4.蒸发温度(℃)5.油压(kpa)6.油温(℃)冷媒水进口温度(℃)压力(MPa)出口温度(℃)压力(MPa)冷却水进口温度(℃)压力(MPa)出口温度(℃)压力(MPa)存在问题表 K-5-2 溴化锂吸收式冷水机组的现场查验表基本参数型号品牌台数额定制冷/热量KW输入功率KW 检查项目检查结果备注相关资料检查1.机组的安装设计图2.制冷机安装操作手册3.产品合格证书4.性能检验报告5.调试运行记录静态查验1.基础及管道、附件连接正确2.机组外表应无损伤,密封性良好。
机组无严重锈蚀现象,铭牌清晰。
3.机组的保温是否严密,保温层的厚度是否符合规范。
4.减震措施完好及地脚螺栓紧固良好。
5.过滤器的滤网完好无杂物。
6.各水路阀门安装是否正确,阀门启闭是否灵活、可靠;7.外部管路的重量是否由吊/支架承担(外部管路的重量不应由机组承担)。
8.控制柜、电缆、接地符合标准9热源(气源)、溶液泵、真空泵符合标准10.检查系统阀门、管线无渗漏现象。
11.机组运行前冷冻水、冷却水水质应符合设计或设备要求。
动态查验1.检查系统阀门、管路无渗漏现象。
2.燃烧机运行正常、排烟系统正常3.安全阀及保护装置灵敏有效4.设备无异常震动与声响5.真空度符合设计要求运行参数查验内容标准实际备注1.冷凝压力(kpa)2.蒸发压力(kpa)3.浓溶液温度(℃)4.稀溶液发温度(℃)5.真空度(kpa)6.耗气(汽)量(M3/h)冷媒水进口温度(℃)压力(MPa)出口温度(℃)压力(MPa)冷却水进口温度(℃)压力(MPa)出口温度(℃)压力(MPa)存在问题表 K-5-3 锅炉--燃煤锅炉的现场查验表基本参数型号品牌台数额定蒸发量T/h额定热功率MW检查项目检查结果备注1.锅炉图纸(包括总图、安装图和主要受压部件图)。
2. 设备材料的出厂合格证3. 土建移交的基础交接记录相关资料检查4. 锅炉、省煤器的承压试验记录5. 机械炉排冷态试运行记录6.省煤器安装检验记录7.泵、风机试运转,轴承温度测试记录8.敞口水箱、罐的满水试验和密封箱罐水压试验记录9.安全阀、减压阀检查调试记录10.管道试压记录11.锅炉烘炉记录12.锅炉煮炉记录13.专业主管部门出具的验收合格证书锅炉本体查验1.锅炉本体外观无影响正常运行的损伤,保温外壳无破损,各传感器及传感线齐全、无破损、断裂现象2.各人孔、手孔道门密封良好无漏泄,观火镜玻璃无破损。
3. 锅炉本体上金属铭牌完好,各种技术参数(数据)清晰完整安全附件查验1.安全阀校验铅封完好,手动开启安全阀试验正常,试验后安全阀关闭严密无泄漏2.压力表、水位计齐全且指示正常,校验铅封完好。
3.低水位报警及应急停炉保护装置工作可靠阀门1. 各阀门安装位置便于操作,开关灵活、无漏泄、标识清楚2. 与锅炉连接的管道法兰密封良好无漏泄,管道支架设置合理。
管道烟囱查验3. 金属烟囱钢板厚度符合设计规范及厂家技术文件要求。
4. 烟囱的防爆活门儿、凝水排放管安装位置符合厂家技术文件的要求。
5. 烟气挡板开关灵活且指示方向清晰,锁紧螺母无锈死。
6. 烟囱的保温严密、无破损,烟囱吊架固定牢固。
燃烧装置查验1.燃烧器外观无破损,铭牌清晰,各元、部件齐全。
与锅炉本体连接螺栓无松动。
2. 燃烧器点火程序正常,运行中负荷转换可靠,熄火保护装置动作可靠。
3.风门执行机构各连接杆连接无松动。
4. 燃烧充分、火色正常无黑烟。
5. 燃气阀门组及各连接部位无燃气泄漏。
附属设备查验1.软化水装置工作正常,出水水质符合低压锅炉水质要求。
2. 锅炉给水泵工作正常,给水止回阀关闭严密无倒流现象。
3. 热水循环泵工作稳定,运行主泵与备用泵能够正常切换。
4. 附属设备的各种指示仪表(温度计、压力表)工作正常,数据指示正确,压力表校验铅封/标签完好。
凝水回收装置工作正常。
分汽缸查验1.分汽缸压力容器制造生产、安装验收、检验资料齐全。
2. 分汽缸上各阀门标识清楚、启闭灵活、关闭严密,阀体、阀杆密封部位无泄漏;与管道连接法兰处密封良好。
3.分汽缸外壳保温完整无破损,铭牌外露,技术数据清晰。
4. 分汽缸疏水器安装合理,运行中工作正常。
锅炉房查验1. 锅炉房通过消防验收,燃气报警装置及消防验收记录完整。
2.锅炉房门窗玻璃完整无破损,五金件齐全。
3. 锅炉房的照明灯具及电气开关符合设计要求,灯具无丢失、损坏。
4.锅炉房的送、排风设备工程施工结束并通过竣工验收,防爆风机能够正常运行。
5.锅炉房室内的排水明沟排水通畅,明沟篦子无缺失及破损。
6.锅炉房室内隔音工程已完工,隔音材料与墙体连接牢固、无破损。
动态查验1.检查系统阀门、管线无渗漏现象。
2.在设计规定的时间内锅炉出力、温度、压力达到设计要求3.检查各部仪表(温度、流量、压力)显示正常,各部自动控制和保护装置灵敏有效。
4.燃烧机运行正常,排烟系统正常。
5.设备无异常震动和声响运行参数额定出力(T或KW/h)额定压力(Mpa)额定温度(℃)额定炉膛温度(℃)额定炉排温度(℃)额定耗煤量(T/h)存在问题表 K-5-4 锅炉-燃气锅炉的现场查验表基本参数型号品牌台数额定蒸发量T/h额定热功率MW 检查项目检查结果备注相关资料检查1.锅炉图纸(包括总图、安装图和主要受压部件图)。
2. 设备材料的出厂合格证3. 土建移交的基础交接记录4. 锅炉的承压试验记录5.泵、风机试运转,轴承温度测试记录6.敞口水箱、罐的满水试验和密封箱罐水压试验记录7.安全阀、减压阀检查调试记录8.管道试压记录9.锅炉烘炉记录10.锅炉煮炉记录11.专业主管部门出具的验收合格证书锅炉本体查验1.锅炉本体外观无影响正常运行的损伤,保温外壳无破损,各传感器及传感线齐全、无破损、断裂现象2.各人孔、手孔道门密封良好无漏泄,观火镜玻璃无破损。
3. 锅炉本体上金属铭牌完好,各种技术参数(数据)清晰完整安全附件查验1.安全阀校验铅封完好,手动开启安全阀试验正常,试验后安全阀关闭严密无泄漏2.压力表、水位计齐全且指示正常,校验铅封完好。
3.低水位报警及应急停炉保护装置工作可靠阀门管道烟囱查验1. 各阀门安装位置便于操作,开关灵活、无漏泄、标识清楚2. 与锅炉连接的管道法兰密封良好无漏泄,管道支架设置合理。