石渣回填施工质量验收评定表
- 格式:doc
- 大小:28.00 KB
- 文档页数:2
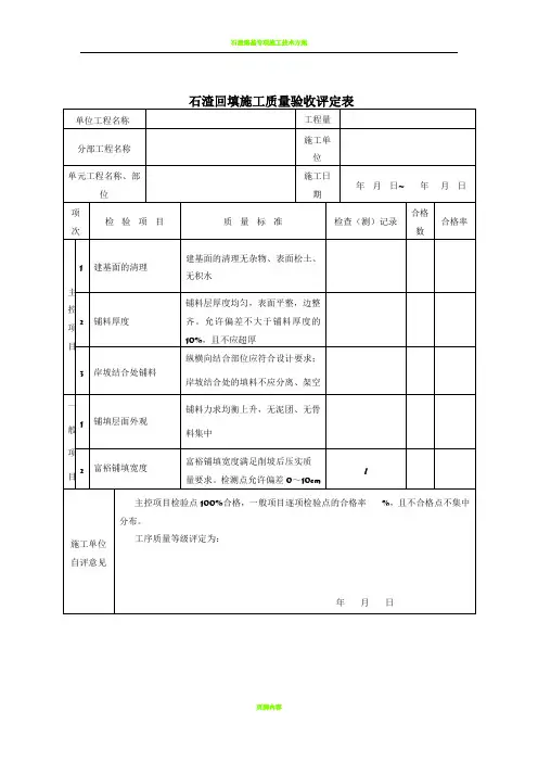
土石方回填压实工序质量评定表水利、水电工程路基清理、沟槽开挖单元工程质量评定表单位工程名称会理县西河堤文化桥至实验中学段整治工程单元工程量m分部工程名称施工单位会理县建筑工程承包有限责任公司单元工程名称部位检验日期年月日项目名称质量标准检验记录评定检查项目1 基底清理基槽底土必须符合设计要求,无拢动符合设计要求,无拢动合格2一般地基处理地基上的坑、塘洞穴已按要求处理符合设计要求,合格3地基平整密实表面无凹凸不平,无松土,无弹簧土表面无凹凸不平,无松土,无弹簧土合格检测项目1要求高程沟渠基槽,路基+0,-5(cm),挖方,填土(土地整理)+-10符合设计要求合格2长度、宽度(由中心线向两边量)排水沟,+10,-0渠基槽、土地整理-0总测点数合格点数合格率合格%3 表面平整田面、路基面+-5CM总测点数合格点数合格率合格%评定意见工序质量等级保证项目符合质量标准,基本项目质量:施工单位会理县建筑工程承包有限责任公司:项目经理:年月日建设监理单位攀枝花市红叶工程项目管理咨询有限责任公司会理分公司监理工程师:月日水利、水电工程土石方回填压实工序质量评定表单位工程名称会理县西河堤文化桥至实验中学段整治工程单元工程量m分部工程名称施工单位会理县建筑工程承包有限责任公司单元工程名称检验年部位日期月日项次保证项目质量标准检验记录1 回填料含水量高于或低于含水量的上下限值时,行含水量调整工艺试验,施工压实时必须严格控制压实参数和操作规程符合规范要求2 基槽填土从低洼处开始,保持填土面始终高出地下水水面,靠近岸坡结构物边角处的填土用水刑或轻型机具压实,当填土具有足够的长宽厚度时,可用大型压实机具采用人工夯实且压实度符合要求基本项目质量标准检验记录质量等级合格优良1 压实后的干密度(干溶重)合格率大于等于80%,不合格样不得集中,最小值不低于设计干密度的0。
90倍合格率大于等于90%,不合格样不得集中,最小值不低于设计干密度的0。
堆石料填筑单元工程施工质量验收评定表填表要求填表时必须遵守“填表基本规定”,并应符合下列要求:1.堆石料的材料质量指标应符合设计要求。
堆石料在铺填前,应进行碾压试验,以确定碾压方式及碾压质量控制参数。
2.单元工程划分:宜以设计或施工铺填区段划分,每一区、段的每一铺填层划分为一个单元工程。
3.单元工程量填写堆石料填筑工程量(m3)。
4.堆石料铺填施工单元工程宜分为堆石料铺填、压实2个工序,其中堆石料压实工序为主要工序,用△标注。
本表是在表1.8.1、表1.8.2工序施工质量验收评定合格的基础上进行。
5.单元工程施工质量验收评定应提交下列资料:(1)施工单位应提交单元工程中所含工序(或检验项目)验收评定的检验资料。
(2)各项实体检验项目的检验记录资料。
(3)监理单位应提交对单元工程施工质量的平行检测资料。
6.单元工程质量标准:(1)合格等级标准:各工序施工质量验收评定应全部合格;各项报验资料应符合SL 631—2012的要求。
(2)优良等级标准:各工序施工质量验收评定应全部合格,其中优良工序应达到50%及以上,且主要工序应达到优良等级;各项报验资料应符合SL 631—2012的要求。
________________________工程表1.8.1 堆石料铺填工序施工质量验收评定表填表要求填表时必须遵守“填表基本规定”,并应符合下列要求:1.单位工程、分部工程、单元工程名称及部位填写应与表1.8相同。
2.各检验项目的检验方法及检验数量按表A-15的要求执行。
3.工序施工质量验收评定应提交下列资料:(1)施工单位各班(组)初检记录、施工队复检记录、施工单位专职质检员终检记录,工序中各施工质量检验项目的检验资料。
(2)监理单位对工序中施工质量检验项目的平行检测资料。
4.工序质量标准:(1)合格等级标准:1)主控项目,检验结果应全部符合SL 631—2012的要求。
2)一般项目,逐项应有70%及以上的检验点合格,且不合格点不应集中分布。
表4.4.2土料吹填工序施工质量验收评定表
填表说明
填表时必须遵守“填表基本规定”,并符合以下要求。
1.单位工程、分部工程、单元工程名称及部位填写要与表4.4相同。
2.检验(测)方法及数量。
3.工序施工质量验收评定应提交下列资料。
(1)施工单位各班(组)的初检记录、施工队复检记录、施工单位专职质检员终检记录,工序中各施工质量检验项目的检验资料。
(2)监理单位对工序中施工质量检验项目的平行检测资料。
4.工序质量标准。
(1)合格标准。
1)主控项目,检验结果应全部符合SL634—2012的要求。
2)一般项目,逐项应有70%及以上的检验点合格,且不合格点不应集中。
3)各项报验资料应符合SL634—2012的要求。
(2)优良标准。
1)主控项目,检验结果应全部符合SL634—2012的要求。
2)一般项目,逐项应有90%及以上的检验点合格,且不合格点不应集中。
3)各项报验资料应符合SL634—2012的要求。
水利水电工程
表4.4.2 结合部填筑工序施工质量验收评定表。
路基清理、沟槽开挖单元工程质量评定表土石方回填压实工序质量评定表水利、水电工程机耕路单元工程质量评定表水利、水电工程混凝土沟渠单元工程质量评定表单元工程施工质量报验单合同名称:会理县烟基设施建设内东乡潭溪河村田型调整项目说明:本表一式 4 份,由承包人填写。
监理机构审签后,承包人水利水电工程水泥砂浆砌石体单元工程质量评定表合同名称:会理县西河堤文化桥至实验中学段整治工程合同编号:水利、水电工程水泥砂浆砌石体单元工程质量评定表水利水电工程表7.16—3 水泥砂浆砌石体浆砌石体层面处理水利、水电工程混凝土预制件沟渠单元工程质量评定表水利、水电工程单位工程施工质量评定表水利水电工程分部工程施工质量评定表注分部工程质量在施工单位质检部门自评的基础上,由监理单位复核其质量等级,报质量监督机构核备.大型水利枢纽工程主体建筑物的分部工程质量,在施工单位自评,监理单位复核后,需报质量监督机构核定其质量等级。
分部工程开工申请表([]合开工号)合同名称:会理县西河河堤文化桥至实验中学整治工程合同编号:施工竣工总结报告一、工程概况会理县南阁乡南阁村烟水配套工程23标段位于会理县南阁乡南阁村内,主要工程为渠道砌筑及渠系工程。
二、施工质量的控制我公司自2009年10月12日进入施工现场,首先进行了四等水准测量,并经过严格的复核检查合格后,才进行渠道的土方开挖施工。
在是施工中进行了严格高程控制,减少超挖和欠挖的现象出现。
至2009年12月12日全部工程竣工。
在开工前进行材料的组织,所进场材料均进行严格的抽样检查,合格后方可进入施工现场。
完成了全段的施工,整个渠体的浇筑分为两部分:边墙和底板,在砌筑渠体的边墙时,首先进行基础的清基,并经过自检合格后报建设单位及监理工程师验收合格后,才能进行下一道施工工序,在浇筑的过程中严格以高程控制边墙基底及顶面,防止边墙出现“吊脚楼"的情况,在砂浆搅拌过程中,严格按照规范标准和设计砂浆配合比的计量标准配料,砌筑时采用坐浆法分层浇筑,铺浆厚度在3~5cm,随铺浆随浇筑。