锚杆抗拔力
- 格式:doc
- 大小:520.00 KB
- 文档页数:4
锚杆抗拔力检测管理规定一、锚杆抗拔力检测总体要求1、根据GB50086-2001《锚杆喷射混凝土支护技术规范》,锚杆支护必须进行强度检测,一般采取锚杆抗拔力试验。
2、锚杆抗拔力试验的目的是判定巷道围岩的可锚性、评价锚杆、树脂、围岩锚固系统的性能和锚杆的锚固力。
3、试验必须在现场进行,使用的材料和设备与巷道正常支护相同。
检测结果必须如实填写,严禁弄虚作假。
二、锚杆抗拔力检测试验要求1、操作人员必须认真学习安全规程、作业规程的有关内容,熟悉锚杆支护施工工艺,具有一定的现场施工经验。
2、锚杆抗拔力试验操作人员应了解拉力计的结构性能,熟练掌握其使用方法。
3、锚杆抗拔力检测机具采用LDZ-400型锚杆拉力计。
4、巷道掘进每安装300根(含300根以下)锚杆必须进行一组(3根)锚固力检测,设计变更或材料变更时另作一组抗拔力测试。
做锚杆抗拔力试验时由工程科、监理、施工单位参加,区队技术员现场指挥,参加检测人员不少于3人,一人操作,一人监视、一人记录。
5、锚杆必须随机进行抽检,每组抽检不得少于3棵,顶板一棵,两帮各一棵;同时不得抽检连续相邻的多棵锚杆,以免造成顶帮支护削弱及锚杆大面积失效。
6、所测的锚固力不小于120kN(21MPa, 1MPa=5.8kN),同组锚杆锚固力或拉拔力的平均值,应大于或等于设计值。
同组单根锚杆的锚固力或抗拔力,不得低于设计值的90%7、锚杆抗拨力达到规定要求,如无特殊需要,不得进行破坏性试验,拉拔到设计拉力即停止加载。
LDZ-400型锚杆拉力计技术参数三、速度:双速泵,排量21ml/次重量:无需承压套筒,重15kg复位:弹簧作用自动复位行程:>80mm油泵:额定压力:40MPa ,质量:5kg排油量:21ml/次15kg质量:,406kN 千斤顶:拉力:拉出锚杆最大距离80mm管路:两根二层钢丝编织液压支架胶管四、拉拔试验操作步骤1、检查油量逆时针方向打开拉力计手压泵的卸荷阀,使千斤顶中的液压油回到手压泵的油筒中,拧开油筒端的堵头,抽出油标检查。
锚杆抗拔力检测管理规定一、锚杆抗拔力检测总体要求1、根据GB50086-2001《锚杆喷射混凝土支护技术规范》,锚杆支护必须进行强度检测,一般采取锚杆抗拔力试验。
2、锚杆抗拔力试验的目的是判定巷道围岩的可锚性、评价锚杆、树脂、围岩锚固系统的性能和锚杆的锚固力。
3、试验必须在现场进行,使用的材料和设备与巷道正常支护相同。
检测结果必须如实填写,严禁弄虚作假。
二、锚杆抗拔力检测试验要求1、操作人员必须认真学习安全规程、作业规程的有关内容,熟悉锚杆支护施工工艺,具有一定的现场施工经验。
2、锚杆抗拔力试验操作人员应了解拉力计的结构性能,熟练掌握其使用方法。
3、锚杆抗拔力检测机具采用LDZ-400型锚杆拉力计。
4、巷道掘进每安装300根(含300根以下)锚杆必须进行一组(3根)锚固力检测,设计变更或材料变更时另作一组抗拔力测试。
做锚杆抗拔力试验时由工程科、监理、施工单位参加,区队技术员现场指挥,参加检测人员不少于3人,一人操作,一人监视、一人记录。
5、锚杆必须随机进行抽检,每组抽检不得少于3棵,顶板一棵,两帮各一棵;同时不得抽检连续相邻的多棵锚杆,以免造成顶帮支护削弱及锚杆大面积失效。
6、所测的锚固力不小于120kN(21MPa, 1MPa=5.8kN),同组锚杆锚固力或拉拔力的平均值,应大于或等于设计值。
同组单根锚杆的锚固力或抗拔力,不得低于设计值的90%7、锚杆抗拨力达到规定要求,如无特殊需要,不得进行破坏性试验,拉拔到设计拉力即停止加载。
三、LDZ-400型锚杆拉力计技术参数速度:双速泵,排量21ml/次重量:无需承压套筒,重15kg复位:弹簧作用自动复位行程:>80mm油泵:额定压力:40MPa ,质量:5kg排油量:21ml/次千斤顶:拉力:406kN ,质量:15kg拉出锚杆最大距离80mm管路:两根二层钢丝编织液压支架胶管四、拉拔试验操作步骤1、检查油量逆时针方向打开拉力计手压泵的卸荷阀,使千斤顶中的液压油回到手压泵的油筒中,拧开油筒端的堵头,抽出油标检查。
锚杆(索)抗拔力试验安全技术措施为了规范锚杆(索)抗拔力试验工作,确保锚杆(索)抗拔力试验安全操作,特制定如下安全技术措施:一、试验前的准备1、检查锚杆拉力计、锚索涨拉仪泵内油质、油量,油质较脏或油量较少的,需更换或加上32#或46#抗磨液压油。
2、检查仪表是否完好、管路是否漏油,并对现场组合的张拉机具,应空载往复行走几次,排除液压系统中的空气后方可使用。
3、准备好登高所用的梯子、保险带,必要时需搭好脚手架。
4、找尽活矸危岩,对下沉或破碎严重的顶板要打托棚、点柱加固。
5、试压锚杆托板不能紧贴煤(岩)壁的,要先对锚杆加托板,使锚杆外露既保证能够上满连接头丝扣又要达到锚杆外露长度+锚杆拉力计千斤顶所运行行程+连接头长度二分之一总和小于锚杆拉力计套筒行程。
6、如果锚杆拉力计上套筒内径小于被试验锚杆螺母最大外直径,需把锚杆螺母缷下。
二、试验顺序(一)锚杆抗拔力试验顺序1、当煤(岩)坚硬,煤(岩)被压缩量较小,首次试验就能达规定值时的试验顺序:上紧锚杆拉力计连接头及拉力杆→套上套筒(LDZ200型的无需套筒)→上千斤顶→在拉力杆外端上紧固千斤顶的螺母→设警戒(锚杆拉力计后方450范围内严禁有人)→关闭油动泵截止阀→一人压动油压泵手柄(另一人观察顶板状况)→压力表达规定值→打开油动泵截止阀卸压→撤除警戒→卸下拉力杆外端紧固千斤顶的螺帽→取下千斤顶→取下套筒→卸下连接头及拉力杆→上紧被拉锚杆垫板→试验结束。
2、当煤(岩)较软,煤(岩)被压缩量较大,在试验过程中煤(岩)被压缩量大于千斤顶行程或套筒行程运行完,试验顺序:在上述正常情况试验中千斤顶行程已伸完或套筒行程运行完→打开油动泵截止阀卸压→卸下拉力杆外端紧固千斤顶的螺母→取下套筒(LDZ200型的无需套筒)→取下千斤顶→卸下连接头及拉力杆→卸下锚杆螺母→在原托板外加适当锚杆托板,使锚杆外露长度+锚杆拉力计千斤所运行行程+连接头长度二分之一总和小于拉力计套筒行程,然后按上述第1条顺序进行试验, 直至试验成功。
锚杆抗拔力检测管理规定为了能够及时掌握锚杆支护巷道锚杆锚固力的情况质量标准化的要求一、锚杆抗拔力检测总体要求1、根据GB50086-2001《锚杆喷射混凝土支护技术规范》行强度检测2、锚杆抗拔力试验的目的是判定巷道围岩的可锚性、评价锚杆、树脂、围岩锚固系统的性能和锚杆的锚固力。
3、试验必须在现场进行果必须如实填写作假。
二、锚杆抗拔力检测试验要求1、操作人员必须认真学习安全规程、作业规程的有关内容施工工艺2、锚杆抗拔力试验操作人员应了解拉力计的结构性能法。
3、锚杆抗拔力检测机具采用LDZ-400型锚杆拉力计。
4、巷道掘进每安装300根300根以下3根固力检测工程科、监理、施工单位参加参加检测人员不少于3人一人操作5、锚杆必须随机进行抽检3棵棵效。
6、所测的锚固力不小于120kN21MPa, 1MPa=5.8kN拉拔力的平均值低于设计值的90%7、锚杆抗拨力达到规定要求到设计拉力即停止加载。
三、LDZ-400型锚杆拉力计技术参数速度21ml/次重量15kg复位行程80mm油泵额定压力40MPa 质量5kg排油量21ml/次千斤顶406kN 质量15kg拉出锚杆最大距离80mm管路四、拉拔试验操作步骤1、检查油量逆时针方向打开拉力计手压泵的卸荷阀的油筒中检查。
如油量不足20#机械油或20#液压油2、设备连接用高压软管两端的快速接头配合专用卡子将千斤顶和手压泵连接起来。
连接时应检查接头处是否有污物3、排气液压油路系统连接好以后比千斤顶稍高的地方缩回压。
4、连接拉力计安装拉拔设备时套上支承套及千斤顶杆连接起来。
设备与锚杆同心5、拉力测试将手压泵的卸荷阀顺时针拧紧当压力表的读数达到21MPa的数值后停止6、拆卸拉力计检测完毕后必须先卸载。
逆时针方向缓慢松开卸荷阀零位近将千斤顶卸下。
五、安全注意事项1、锚杆拉力试验时帮问顶、摘掉活石在顶帮围岩完好的地段进行。
2、锚杆杆尾直径一旦出现缩径时3、高压软管应定期进行打压试验4、锚杆拉力试验时杆不小于3m5、在使用锚杆拉力计时免影响密封和正常工作。
(隧道工程研究所)锚杆抗拉拔力试验主要检测项目:锚杆拉拔力目录1 适用范围 (1)2 遵循的标准文件及技术要求 (1)3 试验目的 (2)4 试验原理 (2)5 仪器设备 (2)6 试验准备 (2)7 现场测试 (3)8 资料整理分析 (4)9 报告内容 (4)1 适用范围适用于工业与民用建筑、公路、铁路、水力、电力、港口等基坑、边坡、井巷、隧道、隧洞和各类洞室等工程。
用于岩石、岩土层及土层锚杆(索)抗拔试验。
2 遵循的标准文件及技术要求(1)中华人民共和国国家标准《建筑地基基础设计规范》(GB50007-2002);(2)中华人民共和国国家标准《建筑边坡工程技术规范》(GB50330-2002);(3)中华人民共和国国家标准《建筑基坑支护技术规程》(JGJ120-99);(4)国家标准《锚杆喷射混凝土支护技术规范》(GB50086-2002);(5)行业标准《岩土锚杆(索)技术规程》(CECS22:2005);(6)行业标准《公路隧道施工技术规范》(JGT F60-2009);(7)行业标准《公路工程质量检验评定标准》(JTG F80/1-2004)。
3 试验目的通过对锚杆(管、索)抗拔试验。
确定锚杆(管、索)的极限抗拔承载力,是否满足设计要求,作为设计和工程验收的依据,确定锚固体与岩土层间粘结强度特征值、锚杆设计参数和施工工艺。
4 试验原理用锚杆拉力机(穿心油压千斤顶)加载,锚杆锚头采用百分表测量。
根据试验所得的荷载——位移的曲线确定抗拔极限承载力。
5 仪器设备根据设计预估的最大抗拔力选择、配备锚杆拉力计,锚杆锚头用百分表测量,记录采用人工读数,所用的锚杆拉力计、百分表在标定期内。
6 试验准备6.1 收集资料(1)仔细了解合同内容或任务书的要求,明确委托方的具体要求。
(2)收集岩土工程勘察报告、设计资料、施工记录。
(3)了解掌握试验地点、场地状况、最大试验荷载、测试内容等。
由项目负责人根据合同、任务书作好事先策划或编写实施方案。
锚杆抗拔力检测管理规定为了能够及时掌握锚杆支护巷道锚杆锚固力的情况根据锚杆支护巷道安全质量标准化的要求特制定此规定一、锚杆抗拔力检测总体要求1、根据GB50086-2001《锚杆喷射混凝土支护技术规范》锚杆支护必须进行强度检测一般采取锚杆抗拔力试验。
2、锚杆抗拔力试验的目的是判定巷道围岩的可锚性、评价锚杆、树脂、围岩锚固系统的性能和锚杆的锚固力。
3、试验必须在现场进行使用的材料和设备与巷道正常支护相同。
检测结果必须如实填写严禁弄虚作假。
二、锚杆抗拔力检测试验要求1、操作人员必须认真学习安全规程、作业规程的有关内容熟悉锚杆支护施工工艺具有一定的现场施工经验。
2、锚杆抗拔力试验操作人员应了解拉力计的结构性能熟练掌握其使用方法。
3、锚杆抗拔力检测机具采用LDZ-400型锚杆拉力计。
4、巷道掘进每安装300根含300根以下锚杆必须进行一组3根锚固力检测设计变更或材料变更时另作一组抗拔力测试。
做锚杆抗拔力试验时由工程科、监理、施工单位参加区队技术员现场指挥参加检测人员不少于3人一人操作一人监视、一人记录。
5、锚杆必须随机进行抽检每组抽检不得少于3棵顶板一棵两帮各一棵同时不得抽检连续相邻的多棵锚杆以免造成顶帮支护削弱及锚杆大面积失效。
6、所测的锚固力不小于120kN21MPa, 1MPa=5.8kN同组锚杆锚固力或拉拔力的平均值应大于或等于设计值。
同组单根锚杆的锚固力或抗拔力不得低于设计值的90%7、锚杆抗拨力达到规定要求如无特殊需要不得进行破坏性试验拉拔到设计拉力即停止加载。
三、LDZ-400型锚杆拉力计技术参数速度双速泵排量21ml/次重量无需承压套筒重15kg复位弹簧作用自动复位行程80mm油泵额定压力40MPa 质量5kg排油量21ml/次千斤顶拉力406kN 质量15kg拉出锚杆最大距离80mm管路两根二层钢丝编织液压支架胶管四、拉拔试验操作步骤1、检查油量逆时针方向打开拉力计手压泵的卸荷阀使千斤顶中的液压油回到手压泵的油筒中拧开油筒端的堵头抽出油标检查。
锚杆抗拔力测试规定
据锚杆支护巷道质量标准化的要求,每300支锚杆必须进行一次抗拔力测试,每次测试不少于3支。
根据《作业规程》要求,岩部加设的锚杆抗拔不得低于100KN(33MPA),煤部加设的锚杆不得低于60KN(18MPA),为了能够及时的掌握每支锚杆支护巷道锚杆锚固力的情况,特制定此制度:
一、开拓巷道为5.2×4.1米的每次初喷验收前必须进行一组锚杆抗拔力测试,一组不少于3支锚杆。
二、掘进巷道为2.4×2.0米的每28-30米必须进行一组锚杆抗拔力测试,一组不少于3支锚杆。
三、锚杆抗拔力测试与工作掘进掌头的距离控制在10-12米左右。
四、锚杆抗拔力测试时由工程督查员组织,跟面安全员、队组派出的负责人参加。
五、测试后必须及时如实填写《锚杆抗拔力现场测试记录表》,且三方人员现场签字(表附后),查员出井后及时填写锚杆抗拔力测试台帐。
六、锚杆测试时,参加测试的人员必须站在合适的位置,无关人员必须远离测试范围,防止发生意外伤害。
二〇一〇年十月一日。
锚杆抗拔力试验
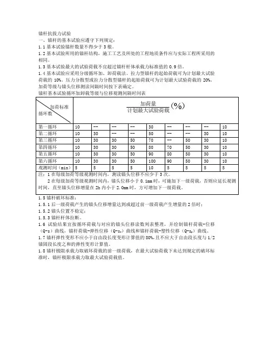
一、锚杆的基本试验应遵守下列规定:
1.1基本试验锚杆数量不得少于3根。
1.2基本试验所用的锚杆结构,施工工艺及所处的工程地质条件应与实际工程所采用的相同。
1.3基本试验最大的试验荷载不宜超过锚杆杆体承载力标准值的0.9倍。
1.4基本试验应采用分级循环加、卸荷载法。
拉力型锚杆的起始荷载可为计划最大试验荷载的10%。
压力分散型或拉力分散型锚杆的起始荷载可为计划最大试验荷载的20%。
加荷等级与锚头位移测读间隔时间按下表确定。
1.5锚杆破坏标准:
1.5.1后一级荷载产生的锚头位移增量达到或超过前一级荷载产生增量的2倍时;
1.5.2锚头位置不稳定;
1.5.3锚杆杆体拉断。
1.6试验结果宜按循环荷载与对应的锚头位移读数列表整理,并绘制锚杆荷载-位移(Q-s)曲线,锚杆荷载-弹性位移(Q-s e)曲线和锚杆荷载-塑性位移(Q-s p)曲线。
1.7锚杆弹性变形不应小于自由段长度变形计算值的80%,且不应大于自由段长度与1/2锚固段长度之和的弹性变形计算值。
1.8锚杆极限承载力取破坏荷载的前一级荷载,在最大试验荷载下未达到规定的破坏标准时,锚杆极限承载力取最大试验荷载值。
精心整理锚杆抗拔力检测管理规定一、锚杆抗拔力检测总体要求1、根据GB50086-2001《锚杆喷射混凝土支护技术规范》,锚杆支护必须进行强度检测,一般采取锚杆抗拔力试验。
2、锚杆抗拔力试验的目的是判定巷道围岩的可锚性、评价锚杆、树脂、围岩锚固系统的性能和锚杆的锚固力。
3、试验必须在现场进行,使用的材料和设备与巷道正常支护相同。
检测结果必须如实填写,严禁弄虚作假。
二、锚杆抗拔力检测试验要求1、操作人员必须认真学习安全规程、作业规程的有关内容,熟悉锚杆支护施工工艺,具有一定的现场施工经验。
2、锚杆抗拔力试验操作人员应了解拉力计的结构性能,熟练掌握其使用方法。
3、锚杆抗拔力检测机具采用LDZ-400型锚杆拉力计。
4、巷道掘进每安装300根(含300根以下)锚杆必须进行一组(3根)锚固力检测,设计变更或材料变更时另作一组抗拔力测试。
做锚杆抗拔力试验时由工程科、监理、施工单位参加,区队技术员现场指挥,参加检测人员不少于3人,一人操作,一人监视、一人记录。
5、锚杆必须随机进行抽检,每组抽检不得少于3棵,顶板一棵,两帮各一棵;同时不得抽检连续相邻的多棵锚杆,以免造成顶帮支护削弱及锚杆大面积失效。
6、所测的锚固力不小于120kN(21MPa,1MPa=5.8kN),同组锚杆锚固力或拉拔力的平均值,应大于或等于设计值。
同组单根锚杆的锚固力或抗拔力,不得低于设计值的90%7、锚杆抗拨力达到规定要求,如无特殊需要,不得进行破坏性试验,拉拔到设计拉力即停止加载。
三、LDZ-400型锚杆拉力计技术参数速度:双速泵,排量21ml/次重量:无需承压套筒,重15kg复位:弹簧作用自动复位行程:>80mm油泵:额定压力:40MPa,质量:5kg排油量:21ml/次千斤顶:拉力:406kN,质量:15kg拉出锚杆最大距离80mm管路:两根二层钢丝编织液压支架胶管四、拉拔试验操作步骤1、检查油量逆时针方向打开拉力计手压泵的卸荷阀,使千斤顶中的液压油回到手压泵的油筒中,拧开油筒端的堵头,抽出油标检查。
K P a、K N、吨之间关系换算P=F/S F=Mg牛是力的单位吨是质量单位帕是压强单位他们之间必须定义一个单位面积(比如一平方米)才可以换算,否则无法换算牛这个单位通常为质量乘重力常数,即千克乘9.8(地球重力常数)获得的值。
即F=Mg吨就是质量单位,他是一个物体体积与密度乘积得到的,M=V*密度帕,就是一个压力作用于某一单位面积上得到的比值,P=F/S兆帕是M P a,而K P a是千帕,两者相差1000倍。
另外注意大小写,帕的P必须大写,a必须小写,前面的前缀单位如果是正位,也就是倍数为正10倍整数的,那么用大写,比如M[兆(一百万倍)]K[千(一千倍)]而如果是负10的倍数的,则用小写,比如d[分(10份之一)]c[厘(百份之一)]吨是个质量单位1吨就是1000千克,帕是个压力单位(原来叫压强),即单位面积的压力,1M P a既10的6次方牛在1平方米上的压力,一千牛等于0.1吨在1平方米上的压力!你说1MP=10的6次方牛在1平方米上的压力,那么请问1MP=????公式:1Pa=1N/平方米压强的定义:单位面积上所受到的力.力-重力---千克力-k g f(非法定计量单位)牛顿-N(法定计量单位),1kgf=9.81N压力-压强----1kgf/cm2=9.80665*10的4次方Pa.N---力的单位t---重量单位Pa--压力单位杨家寨煤矿锚杆抗拔力检测管理规定为了能够及时掌握锚杆支护巷道锚杆锚固力的情况,根据锚杆支护巷道安全质量标准化的要求,特制定此规定:一、锚杆抗拔力检测总体要求1、根据GB50086-2001《锚杆喷射混凝土支护技术规范》,锚杆支护必须进行强度检测,一般采取锚杆抗拔力试验。
2、锚杆抗拔力试验的目的是判定巷道围岩的可锚性、评价锚杆、树脂、围岩锚固系统的性能和锚杆的锚固力。
3、试验必须在现场进行,使用的材料和设备与巷道正常支护相同。
检测结果必须如实填写,严禁弄虚作假。
隧道锚杆抗拔力设计值
隧道锚杆抗拔力设计值是根据隧道施工中所受到的荷载和地质条件来确定的。
设计隧道锚杆抗拔力的目的是确保锚杆能够承受预期的荷载,确保隧道的稳定性和安全性。
锚杆抗拔力的设计值一般需要考虑以下几个方面的因素:
1. 隧道施工荷载:包括地表荷载、地震荷载、水平荷载等。
这些荷载将作用在锚杆上,设计值需要确保锚杆能够抵抗这些荷载的影响。
2. 地质条件:不同地质条件下锚杆的抗拔力要求不同。
例如,在岩石地层中,抗拔力要求相对较高;而在松散土层中,抗拔力要求相对较低。
3. 锚杆类型和材料:不同类型和材料的锚杆的抗拔力性能不同。
在设计值中需要考虑锚杆的类型、尺寸和材料特性等因素。
4. 安全系数:为了确保隧道的安全性,设计值一般会设置一个安全系数。
安全系数是指设计值与实际需要的抗拔力之间的比值,一般为1.5到2之间。
因此,隧道锚杆抗拔力的设计值需要综合考虑上述因素,并根据具体的工程要求和地质条件进行计算和确定。
设计工程师需要对相关技术规范和经验进行参考,在合理范围内确定适当的设计值。
边坡锚杆抗拔力设计值边坡锚杆抗拔力设计值是指在边坡工程中使用的锚杆在抵抗土体移动和稳定边坡的过程中所需具备的抗拔能力。
边坡工程中,锚杆的抗拔力设计值是一个至关重要的参数,直接关系到工程的安全稳定性和实际施工效果。
本文将对边坡锚杆抗拔力设计值进行全面分析和阐述,探讨其计算方法、影响因素以及实际应用。
一、边坡锚杆抗拔力设计值计算方法1. 基本原理边坡锚杆抗拔力设计值的计算需根据具体的边坡情况和工程要求进行。
一般来说,可采用静力学原理进行计算,考虑边坡的荷载作用、土体的性质、锚杆的力学特性等因素。
通常,边坡抗拔力设计值可根据以下公式进行计算:\[ P = c \times A + q \times B \]P为边坡锚杆抗拔力设计值,c为土体的抗剪强度参数,A为锚杆的周长,q为土体的等效剪切力,B为锚杆的有效长度。
2. 计算步骤- 确定边坡的设计参数,包括坡角、土体性质、设计荷载等;- 根据边坡的特性计算土体的抗剪强度参数c;- 确定锚杆的周长A以及有效长度B;- 根据边坡的实际情况计算土体的等效剪切力q;- 将以上参数代入公式,得到边坡锚杆抗拔力设计值P。
以上是一般情况下的计算方法,实际工程中可能还需考虑地质条件、水文情况、地下水位等因素,以及结合相应的地质勘察和试验数据进行详细分析和计算。
二、边坡锚杆抗拔力设计值的影响因素边坡锚杆抗拔力设计值的大小取决于多种因素,包括土体性质、锚杆的特性、边坡的设计要求等。
以下是一些主要影响因素:1. 土体性质土体的抗剪强度参数c对边坡锚杆抗拔力设计值有重要影响。
不同性质的土体,其抗剪强度参数c值会有所不同,需根据实际情况进行评估和计算。
2. 锚杆特性锚杆的周长A和有效长度B是决定抗拔力设计值的重要参数,不同的锚杆类型和材质会对这些参数产生影响,需要根据实际情况进行合理选择。
3. 边坡设计要求边坡的设计要求包括坡角、设计荷载、稳定性要求等,这些都会直接影响锚杆的抗拔力设计值。
锚杆抗拔承载力标准值
锚杆抗拔承载力的标准值是根据具体工程的要求和设计参数来确定的,常见的标准值如下:
1. GB 50007-2011《建筑地基基础设计规范》中规定了不同类型锚杆的抗拔承载力标准值。
2. JGJ 145-2013《楼宇深基坑锚杆支护技术规程》中规定了楼宇深基坑锚杆的抗拔承载力标准值。
3. JTJ 270-2010《公路工程岩土桩基技术规程》中规定了公路工程锚杆的抗拔承载力标准值。
需要注意的是,不同类型的锚杆在不同工程中的抗拔承载力标准值可能会有所不同,具体应根据实际情况进行设计和选型。
同时,标准值只是参考值,实际设计时需要考虑到地质条件、结构体形式、土体性质等因素,进行合理的工程设计。
锚杆抗拔力检测管理规定一、锚杆抗拔力检测总体要求1、根据GB50086-2001《锚杆喷射混凝土支护技术规范》,锚杆支护必须进行强度检测,一般采取锚杆抗拔力试验。
2、锚杆抗拔力试验的目的是判定巷道围岩的可锚性、评价锚杆、树脂、围岩锚固系统的性能和锚杆的锚固力。
3、试验必须在现场进行,使用的材料和设备与巷道正常支护相同。
检测结果必须如实填写,严禁弄虚作假。
二、锚杆抗拔力检测试验要求1、操作人员必须认真学习安全规程、作业规程的有关内容,熟悉锚杆支护施工工艺,具有一定的现场施工经验。
2、锚杆抗拔力试验操作人员应了解拉力计的结构性能,熟练掌握其使用方法。
3、锚杆抗拔力检测机具采用LDZ-400型锚杆拉力计。
4、巷道掘进每安装300根(含300根以下)锚杆必须进行一组(3根)锚固力检测,设计变更或材料变更时另作一组抗拔力测试。
做锚杆抗拔力试验时由工程科、监理、施工单位参加,区队技术员现场指挥,参加检测人员不少于3人,一人操作,一人监视、一人记录。
5、锚杆必须随机进行抽检,每组抽检不得少于3棵,顶板一棵,两帮各一棵;同时不得抽检连续相邻的多棵锚杆,以免造成顶帮支护削弱及锚杆大面积失效。
6、所测的锚固力不小于120kN(21MPa, 1MPa=5.8kN),同组锚杆锚固力或拉拔力的平均值,应大于或等于设计值。
同组单根锚杆的锚固力或抗拔力,不得低于设计值的90%7、锚杆抗拨力达到规定要求,如无特殊需要,不得进行破坏性试验,拉拔到设计拉力即停止加载。
三、LDZ-400型锚杆拉力计技术参数速度:双速泵,排量21ml/次重量:无需承压套筒,重15kg复位:弹簧作用自动复位行程:>80mm油泵:额定压力:40MPa ,质量:5kg排油量:21ml/次千斤顶:拉力:406kN ,质量:15kg拉出锚杆最大距离80mm管路:两根二层钢丝编织液压支架胶管四、拉拔试验操作步骤1、检查油量逆时针方向打开拉力计手压泵的卸荷阀,使千斤顶中的液压油回到手压泵的油筒中,拧开油筒端的堵头,抽出油标检查。
锚杆抗拔力计算公式
锚杆是一种用于地下工程中的支撑结构,其主要作用是固定地下结构以防止其移动或坍塌。
锚杆的抗拔力是指锚杆固定地下结构时所能承受的最大拉力。
锚杆抗拔力的计算公式如下:
F = π/4 ×d^2 ×σy ×n
其中,F为锚杆的抗拔力,d为锚杆的直径,σy为材料的屈服强度,n为锚杆的数量。
例如,一组由10根直径为25mm的锚杆组成的锚固结构,使用屈服强度为400MPa的钢材料,则其抗拔力计算公式为:
F = π/4 ×25^2 ×400 ×10 = 78.54 kN
因此,这组锚杆的抗拔力为78.54 kN,可以承受这个范围内的拉力,从而保证地下结构的稳定性。
锚杆抗拔极限承载力1. 介绍锚杆是一种常用于加固和支撑结构的材料,其抗拔极限承载力是评估锚杆质量和设计合理性的重要指标。
本文将深入探讨锚杆抗拔极限承载力的相关概念、测定方法以及影响因素。
##2. 锚杆抗拔极限承载力的定义锚杆抗拔极限承载力是指锚杆在承受抗拔负荷时所能承受的最大力矩或最大拉力。
它代表了锚杆在工程实际应用中的使用极限。
通常情况下,锚杆的抗拔极限承载力需要满足相关标准和规范的要求,以确保结构的稳定性和安全性。
3. 锚杆抗拔极限承载力的测定方法3.1 静载试验法静载试验法是测定锚杆抗拔极限承载力的常用方法。
该方法通过在锚杆上施加静载,观察锚杆变形和荷载响应,进而确定抗拔极限承载力。
静载试验法通常使用大型试验设备,对于较大规模的锚杆工程具有较高的精度。
同时,该方法还可以用于确定锚杆的受力性能和应力-应变关系。
3.2 数值模拟法数值模拟法是一种基于计算机模拟的方法,可以通过对锚杆-土体相互作用进行数值计算,预测锚杆抗拔极限承载力。
该方法通常需要建立适当的数学模型和边界条件,并通过有限元或离散元方法进行计算。
数值模拟法具有较高的灵活性和效率,对于锚杆设计和优化具有重要的参考价值。
4. 影响锚杆抗拔极限承载力的因素锚杆抗拔极限承载力受多种因素的影响,包括材料特性、几何参数、环境条件等。
以下是一些主要影响因素的简要介绍:4.1 锚杆材料特性锚杆的材料特性直接影响其抗拔极限承载力。
常见的锚杆材料包括钢材、复合材料等。
不同材料具有不同的强度和韧性特性,因此其抗拔性能也存在差异。
4.2 锚杆几何参数锚杆的几何参数,如直径、长度、锚固长度等,对抗拔极限承载力起着重要作用。
较大的直径和长度可以提高锚杆的抗拔能力,而适当的锚固长度可以增强锚杆与周围土体的粘结性能。
4.3 与土体的相互作用锚杆与周围土体之间的相互作用也对抗拔极限承载力有显著影响。
土体的黏聚力、内摩擦角以及锚杆与土体之间的摩擦力都会对锚杆的抗拔性能产生影响。
粘结型锚杆的抗拔力(粘结力)
1 计算方法和原理
1.1 基本原理
对于粘结型锚杆,其粘结力一般考虑3个部分: 1) 锚杆钢筋的屈服应力s R ;
2) 锚杆钢筋与周围灌浆料(砂浆锚固体)之间的粘结力b R ; 3) 孔道灌浆料(砂浆锚固体)与岩体之间的粘结力g R ; 取其中的小值作为锚杆承载力的设计值。
1.2 计算方法
1) 锚杆钢筋的屈服应力s R ;
y
s y
s s f d n f nA R ⋅⋅⋅⋅=⋅⋅=22
24
ξπξ (5-1-1) 其中,n :钢筋、钢绞线的根数;
s A 、s d :锚杆钢筋截面面积、直径;
2ξ:锚筋抗拉工作条件系数,永久性锚杆取为0.69,临时性锚杆取为0.92。
y f :锚筋抗拉强度设计值或标准值;
2) 锚杆钢筋与周围灌浆料(砂浆)之间的粘结力b R ;
b b b s b L f d n R ⋅⋅⋅⋅⋅=ξξπ3 (5-1-2)
其中,n :钢筋、钢绞线的根数;
s d :锚杆钢筋或钢绞线的直径;
3ξ:工作条件系数,永久性锚杆取为0.60,临时性锚杆取为0.72。
b ξ:粘结强度折减系数,两根钢筋点焊成束时,取0.85,三根钢筋点焊
成束时,取0.70。
b L :锚杆钢筋、钢绞线与砂浆锚固体间的锚固长度;
b f :锚筋或钢绞线与砂浆锚固体间的粘结强度特征值,可参考下表:
表5-1-1 锚杆与砂浆锚固体间的粘结强度特征值(KPa )
3) 孔道灌浆料(砂浆锚固体)与岩体之间的粘结力g R ;
g rb g L f D R ⋅⋅⋅⋅=1ξπ (5-1-3)
其中,D :锚固体的直径,可取为孔道的内径;
1ξ:工作条件系数,永久性锚杆取为1.00,临时性锚杆取为1.33。
g L :锚杆砂浆锚固体与地层间的锚固长度;
rb f :砂浆锚固体与地层间的粘结强度特征值,可参考表5-1-2、5-1-3:
表5-1-2 岩石与锚固体间的粘结强度特征值(KPa ),M30砂浆
表5-1-3 土体与锚固体间的粘结强度特征值(KPa ),M30砂浆
2不同规范间的计算方法的对比
总表
表5-2-1 现行规范对全长粘结岩石锚杆承载力验算规定汇
《建筑边坡工程技术规范》、《公路路基设计规范》、《铁路路基支挡结构设计规范》对于全长粘结岩石锚杆承载力计算的规定是针对于不稳定岩石边坡的加固处理,需验算钢筋承载力、钢筋与砂浆的粘结力、砂浆与岩体间的粘结力。
《建筑地基基础设计规范》和《溢洪道设计规范》则是通过锚杆的作用由岩体向建筑物提供拉力;
《建筑地基基础设计规范》指出应验算砂浆与岩体间的粘结力,对设计等级为甲级的建筑物还应通过现场实验确定;
测试系统中,对各个粘结力分项进行了计算和标识,用户可根据所处的行业加以选取。
3相关设备
岩锚多功能检测仪SRB-MATS-S
在本系统中,根据相应的规范和在检测结果的基础上,集成了粘结型锚杆的抗拔力(粘结力)的计算模块。
3.1特点
1)集成度高
在本套测试设备SRB-MATS中,集成了多种测试技术,可相互补充、印证,而且具有丰富的图形处理和快速成像机能;
2)测试精度、客观性高、测试盲区少:其中,采用多次激振信号的统计及合成处
理,可以有效地提高测试的客观性;
3)综合了“住建规程”和“水电规程”的优点,并完全满足两种规程的强制要求;
4)测试内容丰富
SRB-MATS不仅能够测试锚杆的长度、灌浆密实度,还能够测试锚杆、锚索的张力。