基础实验cm调制与解调实验
- 格式:docx
- 大小:725.65 KB
- 文档页数:10
第1篇一、实验目的1. 了解普通调制解调的基本原理和过程。
2. 掌握模拟调制和解调的基本方法。
3. 学习调制解调设备的使用和调试方法。
4. 培养实际操作能力和分析问题的能力。
二、实验原理调制解调是一种将数字信号转换为模拟信号,或将模拟信号转换为数字信号的通信技术。
调制是将数字信号转换为模拟信号的过程,解调是将模拟信号转换为数字信号的过程。
调制解调的基本原理如下:1. 模拟调制:将数字信号转换为模拟信号的过程称为模拟调制。
模拟调制分为调幅(AM)、调频(FM)和调相(PM)三种。
2. 数字调制:将模拟信号转换为数字信号的过程称为数字调制。
数字调制分为调幅键控(ASK)、调频键控(FSK)和调相键控(PSK)三种。
3. 解调:将模拟信号转换为数字信号的过程称为解调。
解调分为模拟解调和数字解调。
三、实验器材1. 模拟调制解调设备:调幅(AM)、调频(FM)、调相(PM)调制器和解调器。
2. 数字调制解调设备:调幅键控(ASK)、调频键控(FSK)、调相键控(PSK)调制器和解调器。
3. 信号发生器:产生模拟信号和数字信号。
4. 示波器:观察调制解调信号波形。
5. 连接线:连接实验器材。
四、实验步骤1. 调制实验(1)调幅(AM)调制实验1)将信号发生器产生的模拟信号接入AM调制器。
2)调整调制器的调制频率和调制指数。
3)观察示波器上的调制信号波形,记录波形数据。
(2)调频(FM)调制实验1)将信号发生器产生的模拟信号接入FM调制器。
2)调整调制器的调制频率和调制指数。
3)观察示波器上的调制信号波形,记录波形数据。
(3)调相(PM)调制实验1)将信号发生器产生的模拟信号接入PM调制器。
2)调整调制器的调制频率和调制指数。
3)观察示波器上的调制信号波形,记录波形数据。
2. 解调实验(1)调幅(AM)解调实验1)将调制信号接入AM解调器。
2)调整解调器的解调频率和解调指数。
3)观察示波器上的解调信号波形,记录波形数据。
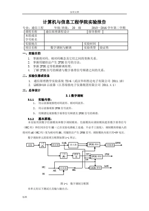
计算机与信息工程学院实验报告一、实验目的1.掌握绝对码、相对码概念及它们之间的变换关系。
2.掌握用键控法产生2FSK信号的方法。
3.掌握2FSK过零检测解调原理。
4.了解2FSK信号的频谱与数字基带信号频谱之间的关系。
二、实验仪器或设备1.通信原理教学实验系统 TX-6(武汉华科胜达电子有限公司 2011.10)2.LDS20410示波器(江苏绿扬电子仪器集团有限公司 2011.4.1)三、总体设计3.1数字调制3.1.1实验内容:1、用示波器观察绝对码波形、相对码波形。
2、用示波器观察2FSK信号波形。
3、用频谱仪观察数字基带信号频谱及2FSK信号的频谱。
3.1.2基本原理:本实验用到数字信源模块和数字调制模块。
信源模块向调制模块提供数字基带信号(NRZ码)和位同步信号BS(已在实验电路板上连通,不必手工接线)。
调制模块将输入的绝对码AK(NRZ码)变为相对码BK、用键控法产生2FSK信号。
调制模块内部只用+5V电压。
数字调制单元的原理方框图如图1-1所示。
图1-1 数字调制方框图本单元有以下测试点及输入输出点:• CAR 2DPSK 信号载波测试点 • BK相对码测试点• 2FSK2FSK 信号测试点/输出点,V P-P >0.5V用1-1中晶体振荡器与信源共用,位于信源单元,其它各部分与电路板上主要元器件对应关系如下: • ÷2(A ) U8:双D 触发器74LS74 • ÷2(B ) U9:双D 触发器74LS74 • 滤波器A V6:三极管9013,调谐回路 • 滤波器B V1:三极管9013,调谐回路• 码变换U18:双D 触发器74LS74;U19:异或门74LS86 • 2FSK 调制 U22:三路二选一模拟开关4053 • 放大器 V5:三极管9013• 射随器V3:三极管90132FSK 信号的两个载波频率分别为晶振频率的1/2和1/4,通过分频和滤波得到。
班级通信1403 学号201409732 姓名裴振启指导教师邵军花日期基础实验6 PCM调制与解调实验一、实验目的1.掌握PCM编译码原理与系统性能测试;2.熟悉PCM编译码专用集成芯片的功能和使用方法;3.学习PCM编译码器的硬件实现电路,掌握它的调整测试方法。
二、实验仪器1.PCM/ADPCM编译码模块,位号:H2.时钟与基带数据产生器模块,位号:G3.20M双踪示波器1台4.低频信号源1台(选用)5.频率计1台(选用)6.信号连接线3根7.小平口螺丝刀1只三、实验原理脉冲编码调制(PCM)是把一个时间连续、取值连续的模拟信号变换成时间离散、取值离散的数字信号在信道中传输。
脉冲编码调制是对模拟信号进行抽样,量化和编码三个过程完成的。
PCM通信系统的实验方框图如图6-1所示。
图6-1 PCM通信系统实验方框图在PCM脉冲编码调制中,话音信号经防混叠低通滤波器后进行脉冲抽样,变成时间上离散的PAM脉冲序列,然后将幅度连续的PAM脉冲序列用类似于“四舍五入”办法划归为有限种幅度,每一种幅度对应一组代码,因此PAM脉冲序列将转换成二进制编码序列。
对于电话,CCITT规定抽样率为8KHz,每一抽样值编8位码(即为28=256个量化级),因而每话路PCM编码后的标准数码率是64kB。
本实验应用的单路PCM编、译码电路是TP3057 芯片(见图6-1中的虚线框)。
此芯片采用a律十三折线编码,它设计应用于PCM 30/32系统中。
它每一帧分32个时隙,采用时分复用方式,最多允许接入30个用户,每个用户各占据一个时隙,另外两个时隙分別用于同步和标志信号传送,系统码元速率为2.048MB。
各用户PCM编码数据的发送和接收,受发送时序与接收时序控制,它仅在某一个特定的时隙中被发送和接收,而不同用户占据不同的时隙。
若仅有一个用户,在一个PCM 帧里只能在某一个特定的时隙发送和接收该用户的PCM编码数据,在其它时隙没有数据输入或输出。
1.熟悉LM566单片集成电路的组成和应用。
2.掌握用LM566单片集成电路实现频率调制的原理和方法。
3.了解调频方波、调频三角波的基本概念。
4.掌握用LM565单片集成电路实现频率解调的原理,并熟悉其方法。
5.了解正弦波调制的调频方波的解调方法。
6.了解方波调制的调频方波的解调方法。
二、实验准备1.做本实验时应具备的知识点:• LM566单片集成压控振荡器• LM566组成的频率调制器工作原理• LM565单片集成锁相环• LM565组成的频率解调器工作原理2.做本实验时所用到的仪器:•万用表•双踪示波器• AS1637函数信号发生器•低频函数发生器(用作调制信号源)•实验板5(集成电路组成的频率调制器单元)三、实验内容1.定时元件R T、C T对LM566集成电路调频器工作的影响。
2.输入调制信号为直流时的调频方波、调频三角波观测。
3.输入调制信号为正弦波时的调频方波、调频三角波观测4.输入调制信号为方波时的调频方波、调频三角波观测。
5.无输入信号时(自激振荡产生)的输出方波观测。
6.正弦波调制的调频方波的解调。
7.方波调制的调频方波的解调。
四、实验步骤1.实验准备⑴在箱体右下方插上实验板5。
接通实验箱上电源开关,此时箱体上±12V、±5V电源指示灯点亮。
⑵把实验板5上集成电路组成的频率调制器单元右上方的电源开关(K5)拨到ON位置,就接通了±5V电源(相应指示灯亮),即可开始实验。
2.观察R T、C T对频率的影响(R T = R3+W l、C T = C1)⑴实验准备① K4置ON位置,从而C1连接到566的管脚⑦上;②开关K3接通,K1、K2断开,从而W2和C2连接到566的管脚⑤上;③调W2使V5=3.5V(用万用表监测开关K3下面的测试点);④将OUT1端接至AS1637函数信号发生器的INPUT COUNTER来测频率。
⑵改变W1并观察输出方波信号频率,记录当W1为最小、最大(相应地R T为最小、最大)时的输出频率,并与理论计算值进行比较,给定:R3 =3kΩ,W1=1kΩ,C1=2200pF。
实验8 调制与解调(设计型实验)一、实验目的1) 加深理解信号调制和解调的基本原理2) 从时域和频域分析信号幅度调制和解调的过程 3) 掌握幅度调制和解调的实现方法 二、实验原理与方法 1. 调制与解调在通信系统中,信号传输之前通常需要在发送端将信号进行调制,转换成为适合传输的信号,在接收端则需要进行解调,将信号还原成原来的信息。
在实际应用中,有多种调制方法,最常用的模拟调制方式是用正弦波作为载波的幅度调制、频率调制和相位调制3种方式,其中幅度调制(AM )属于线性调制,这里重点介绍AM 调制的基本原理。
正弦幅度调制和解调的原理框图如下:x(t)为调制信号,cos(w 0t)为载波,g(t)为已调信号。
调制信号与载波信号相乘可以得到已调信号,即g(t)=x(t)* cos(w 0t) 载波频谱为00()()()P ωπδωωπδωω=-++ 有频域卷积定理g(t)=x(t)* cos(w 0t)的频谱为0011G()[X()P()][X()()]22X ωωωωωωωπ=*=-++ 在调制过程中信号的所有信息X(w)均被保留了下来,,只是被移到了较高的频率上。
为使G()ω中两个非零部分不重叠,应满足0m ωω>。
解调过程中,将g(t)乘以本振信号cos(w 0t)得r(t),本振信号的频率与调制过程中载波信号频率相同,这种方法称为同步解调。
200011(t)g(t)cos(t)(t)cos (t)(t)(t)cos(2t)22r x x x ωωω=*==+ 从频域上看,根据频域卷积定理可以求出(t)g(t)p(t)r =的频谱为00()[X(2)]/4X()/2[X(2)]/4R ωωωωωω=-+++将r(t)通过一定的低通滤波器滤除频率为02ω的分量,则可恢复出原始信号。
已调信号g(t)=x(t)* cos(w 0t)的频谱只含上下边带成分,抑制了载波分量,称为抑制载波双边带(DSB-SC )调幅;而具有s(t)=[A+x(t)]cos(w 0t)形式的已调信号频谱中包含载波和上下边带,称为双边带(DSB )调幅2. 低通滤波器的MATLAB 实现解调过程中需要使用低通滤波器恢复原始信号,MATLAB 和Simulink 都提供了强大功能用于滤波器的设计。
基础实验6 P C M 调制与解调实验一、实验目的1.掌握PCM 编译码原理与系统性能测试;2.熟悉PCM 编译码专用集成芯片的功能和使用方法;3.学习PCM 编译码器的硬件实现电路,掌握它的调整测试方法。
二、实验仪器1.PCM/ADPCM 编译码模块,位号:H 2.时钟与基带数据产生器模块,位号:G 3.20M 双踪示波器1台 4.低频信号源1台(选用) 5.频率计1台(选用) 6.信号连接线3根 7.小平口螺丝刀1只三、实验原理脉冲编码调制(PCM )是把一个时间连续、取值连续的模拟信号变换成时间离散、取值离散的数字信号在信道中传输。
脉冲编码调制是对模拟信号进行抽样,量化和编码三个过程完成的。
PCM 通信系统的实验方框图如图6-1所示。
PAM 脉每一种幅度对应8KHz ,每一抽样值编8系统中。
它每一各占据一个时隙,另外两个时隙分别用于同步和标志信号传送,系统码元速率为。
各用户PCM 编码数据的发送和接收,受发送时序与接收时序控制,它仅在某一个特定的时隙中被发送和接收,而不同用户占据不同的时隙。
若仅有一个用户,在一个PCM 帧里只能在某一个特定的时隙发送和接收该用户的PCM编码数据,在其它时隙没有数据输入或输出。
本实验模块中,为了降低对测试示波器的要求,将PCM 帧的传输速率设置为64Kbit/s或128Kbit/s两种,这样增加了编码数据码元的宽度,便于用低端示波器观测。
此时一个PCM 帧里,可容纳的PCM编码分别为1路或2路。
另外,发送时序FSX与接收时序FSR使用相同的时序,测试点为34TP01。
实验结构框图已在模块上画出了,实验时需用信号连接线连接34P02和34P03两铆孔,即将编码数据直接送到译码端,传输信道可视为理想信道。
另外,TP3057芯片内部模拟信号的输入端有一个语音带通滤波器,其通带为200HZ~4000HZ,所以输入的模拟信号频率只能在这个范围内有效。
四、各测量点的作用34TP01:发送时序FSX和接收时序FSR输入测试点,频率为8KHz的矩形窄脉冲;34TP02:PCM线路编译时钟信号的输入测试点;34P01:模拟信号的输入铆孔;34P02:PCM编码的输出铆孔;34P03:PCM译码的输入铆孔;34P04:译码输出的模拟信号铆孔,波形应与34P01相同。
实验六频率调制与解调一、实验目的1.掌握变容二极管调频器电路的原理。
2.掌握集成电路频率解调器的基本原理。
3.了解调频器调制特性及测量方法。
4.掌握MC3361用于频率解调的调试方法。
5.掌握调频与解调系统的联测方法二、实验内容:1.测试变容二极管的静态调制特性2.观察调频波波形3.观察调制信号振幅对频偏的影响4、观察寄生调幅现象三、基本原理:调频即为载波的瞬时频率受调制信号的控制。
其频率的变化量与调制信号成线性关系,常采用变容二极管实现调频。
该调频电路即为实验三所做振荡器电路,将S2置于“1”为Lc振荡电路,从J1处加入调制信号,改变变容二极管反向电压即改变变容二极管的结电容,从而改变振荡器频率。
R1,R 3和VR1为变容二极管提供静态时的反向直流偏置电压。
实验电路见图6-l。
图6—1 变容二极管调频电路图6—2 MC3361构成鉴频电路解调电路如图6-2所示,它主要完成二次混频和鉴频。
MC3361广泛用于通信机中完成接收功能,用于解调窄带调频信号,功耗低。
它的内部包含振荡、混频、相移、鉴频、有源滤波、噪声抑制、静噪等功能电路。
该电路工作电压为十5V。
通常输入信号频率为10.7MHZ,内部振荡信号为10.245MHZ。
本实验电路中根据前端电路信号频率,将输入信号频率定为6.455MHZ,内部振荡频率为6MHZ,二次混频信号仍为455KHZ。
集成块16脚为高频6.455MHZ信号输入端。
通过内部混频电路与6M HZ本振信号差拍出455KHZ中频信号由3脚输出,该信号经过F LI陶瓷滤波器(455KHZ)输出455K HZ中频信号并经5脚送到集成电路内部限幅、鉴频、滤波。
MC3361的鉴频采用如图6-3所示的乘积型相位鉴频器,其中的相移网络部份由M C3361的8脚引出在组件外部(由CP4移相器)完成。
实验八调制与解调实验一、实验原理(实验指导书P26)在需要信号变换与处理的系统中,例如通信系统、电力电子电路等电子线路中的信号变换和传输中,调制与解调是实现信号传递必不可少的重要手段。
所谓调制就是用一个信号去控制另一个信号的某个参量,产生调制信号。
解调则是调制的相反过程,而从调制的信号中恢复出原信号。
通信系统中的应用:信号从发送端到接受端,为了实现有效可靠和远距离传输信号,都要用到调制与解调技术。
我们知道,所有要传送的信号都只占据有限的频带,且都位于低频或较低的频段内。
而作为传输的通道(架空明线,电缆、光缆和自由空间)都有其最合适于传输信号的频率范围,它们与信号的频带相比,一般都位于高频或很高的频率范围上,且实际信道有用的带宽范围通常要远宽于信号的带宽。
利用调制技术能很好的解决这两方面的不匹配问题。
傅氏变换中的调制定理是实现频谱搬移的理论基础,形成了正弦波幅度调制,即一个信号的幅度参量受另一个信号控制的一种调制方式。
只要正弦信号(载波)的频率在适合信道传输的频率范围内就在信道内很好的传输。
将频谱相同或不相同的多个信号调制在不同的频率载波上,只要适当安排多个载波频率,就可以使各个调制信号的频谱互不重叠,这样在接收端就可以用不同的带通滤波器把它们区分开来,从而实现在一个信道上互不干扰地传送多个信号,这就是多路复用的概念与方法。
用正弦信号作为载波的一类调制称为正弦波调制,它包含正弦波幅度调制(AM),正弦波频率调制(FM)和相位调制(PM)用非正弦波周期信号作为载波的另一类调制称为脉冲调制,用信号去控制周期脉冲序列的幅度称为脉冲幅度调制(PAM),此外,还有脉冲宽度调制(PWM)和脉冲位置调制(PPM)等。
脉冲宽度调制的最典型的应用:现代电力电子电路中正弦波输出的逆变器。
电路输出的正弦波是依靠电路中的电力电子开关器件的交替通断工作,将直流输入电压逆变成方波电压,再经过低通滤波器滤波成为高次谐波含量少的正弦波而实现的。
调制解调实验报告实验四常规双边带调幅与解调实验(AM )⼀、实验⽬的1、掌握常规双边带调幅与解调的原理及实现⽅法。
2、掌握⼆极管包络检波法原理。
3、了解调幅信号的频谱特性。
4、了解常规双边带调幅的优缺点。
⼆、实验内容1、完成常规双边带调幅,观测 AM 信号的波形及其频谱。
2、采⽤⼆极管包络检波法,解调 AM 信号。
三、实验仪器1、信号源模块⼀块2、模拟调制模块⼀块3、模拟解调模块⼀块4、20M 双踪⽰波器⼀台5、带话筒⽴体声⽿机⼀副五、实验步骤1、将信号源模块、模拟调制模块、模拟解调模块⼩⼼地固定在主机箱中,确保电源接触良好。
2、插上电源线,打开主机箱右侧的交流开关,再分别按下三个模块中的电源开关,对应的发光⼆极管灯亮,三个模块均开始⼯作。
(注意,此处只是验证通电是否成功,在实验中均是先连线,后打开电源做实验,不要带电连线)3、AM 调幅(1)信号源模块“DDS-OUT”测试点输出 2KHz 正弦波信号,调节“DDS 调幅”旋转电位器,使其峰峰值为 1V 左右。
同时,调节“384K 调幅”旋转电位器,使“384K 正弦载波”输出峰峰值为 3.6V 左右。
(2)实验连线如下:(3)调节“调制深度调节 1”旋转电位器,⽤⽰波器观测“调幅输出”信号波形。
这⾥也可采⽤“相乘调幅 2”电路完成同样过程。
(4)⽰波器双踪观测模拟调制模块“基波输⼊”与“调幅输出”信号时,将⽰波器两通道幅度单位调到同⼀档,例如均为“1V/格”档位,理解基波信号是 AM 调幅信号的“包络”这⼀概念。
4、AM 解调(包络检波法)将 AM 调幅信号送⼊模拟解调模块中包络检波法“调幅输⼊”测试点,观测“检波输出”与“解调输出”测试点波形,并对⽐模拟信号还原的效果。
5、模拟语⾳信号 AM 调幅与解调⽤信号源模块模拟语⾳信源输出的“T-OUT”话⾳信号代替 2K 正弦信号送⼊模拟调制模块中,模拟解调模块还原的“解调输出”信号送回信号源模拟语⾳信源“R-IN”测试点,⽿机接收话筒语⾳信号,完成模拟语⾳信号 AM 调幅与解调的整个过程。
实验三、模拟调制与解调一、实验目的1、学习用MATLAB 进行模拟调制与解调的方法。
2、理解各种模拟调制解调系统的性能。
3、掌握幅度调制和角度调制的仿真方法。
二、实验设备与器件1、 计算机2、 MATLAB 软件三、实验原理与步骤一)、调幅1、AM 信号的仿真与解调项目1、给定消息信号)4sin()2cos()(t e t t x tππ-+=,100≤≤t ,使用该信号以AM 方式调制一个载波频率为300Hz ,幅度为1的正弦载波,试求:(1)消息信号的频谱和已调信号的频谱。
(2)消息信号的功率和已调信号的功率。
clear allts=0.001;t=0:ts:10-ts;fs=1/ts;df=fs/length(t);msg=randint(100,1,[-3,3],123);msg1=msg*ones(1,fs/10);msg2=reshape(msg1.',1,length(t));Pm=fft(msg2)/fs;f=-fs/2:df:fs/2-df;subplot(2,1,1)plot(f,fftshift(abs(Pm))) ;xlabel('李啊兴');title('消息信号频谱')A=1;fc=300;Sam=(A+msg2).*(cos(2*pi*fc*t)+exp(-t).*sin(4*pi*fc*t));Pam=fft(Sam)/fs;subplot(2,1,2)plot(f,fftshift(abs(Pam))); xlabel('李啊兴');title('AM 信号频谱')axis([-500 500 0 23])Pc=sum(abs(Sam).^2)/length(Sam)Ps=Pc-A^2/2eta=Ps/PcPc =2.3077Ps =1.8077eta =0.7833项目2、用Simulink 重做项目1。
通信系统综合实验报告实验报告一、实验目的本次通信系统综合实验的目的在于深入了解通信系统的基本原理和关键技术,通过实际操作和测试,掌握通信系统的设计、搭建、调试和性能评估方法,提高对通信工程专业知识的综合应用能力。
二、实验设备本次实验所使用的主要设备包括:信号发生器、示波器、频谱分析仪、通信实验箱、计算机等。
信号发生器用于产生各种不同频率、幅度和波形的信号,作为通信系统的输入源。
示波器用于观测信号的时域波形,帮助分析信号的特性和变化。
频谱分析仪则用于测量信号的频谱分布,了解信号的频率成分。
通信实验箱提供了通信系统的硬件模块和接口,便于进行系统的搭建和连接。
计算机用于运行相关的通信软件,进行数据处理和分析。
三、实验原理1、通信系统的基本组成通信系统通常由信源、发送设备、信道、接收设备和信宿组成。
信源产生需要传输的信息,发送设备将信源输出的信号进行调制、编码等处理,使其适合在信道中传输。
信道是信号传输的媒介,会对信号产生各种干扰和衰减。
接收设备对接收的信号进行解调、解码等处理,恢复出原始信息,并将其传递给信宿。
2、调制与解调技术调制是将原始信号的频谱搬移到适合信道传输的频段上的过程。
常见的调制方式有幅度调制(AM)、频率调制(FM)和相位调制(PM)等。
解调则是从已调信号中恢复出原始信号的过程,解调方式与调制方式相对应。
3、编码与解码技术编码是为了提高通信系统的可靠性和有效性,对原始信号进行的一种变换处理。
常见的编码方式有信源编码(如脉冲编码调制 PCM)和信道编码(如卷积码、循环码等)。
解码是编码的逆过程,用于恢复原始信号。
4、信道特性信道对信号的传输会产生衰减、延迟、噪声和失真等影响。
了解信道的特性对于设计和优化通信系统至关重要。
四、实验内容1、模拟通信系统实验(1)AM 调制与解调实验使用信号发生器产生正弦波信号作为原始信号,经过 AM 调制后,在信道中传输。
在接收端,使用解调电路恢复出原始信号,并通过示波器观察调制前后和解调后的信号波形,分析调制深度对信号质量的影响。
实验一:调制与解调实验一、实验目的1、了解QPSK 调制解调的原理及特性。
二、实验器材1、 主控&信号源模块、10号、11号模块 各一块2、 双踪示波器 一台3、 连接线 若干三、实验原理1、实验原理框图QPSK 调制10# 软件无线电调制模块QPSK 调制框图QPSK/OQPSK 解调框图2、实验框图说明QPSK 调制实验框图中,基带信号经过串并变换处理,输出NRZ -I 和NRZ -Q 两路信号;然后分别经过码型变换(将单极性码变成双极性码)处理,形成I -OUT 和Q -out 输出;再分别与10.7M 正交载波相乘后叠加,最后输出QPSK 调制信号。
QPSKQPSK/OQPSK 解调11# 软件无线电解调模块调制可以看作是两路BPSK信号的叠加。
两路BPSK的基带信号分别是原基带信号的奇数位和偶数位,两路BPSK信号的载波频率相同,相位相差90度。
OQPSK与QPSK 相比,是两路BPSK调制基带信号的相位上的区别,QPSK两路基带信号是完全对齐的,OQPSK两路基带信号相差半个时钟周期。
QPSK解调实验框图中,接收信号分别与正交载波进行相乘,再经过低通滤波处理,然后将两路信号进行并串变换和码元判决恢复出原始的基带信号。
其中,解调所用载波是由科斯塔斯环同步电路提取并处理的相干载波。
3、实验原理说明四相相移调制是利用载波的不同相位差来表征输入的数字信息,是四进制相移键控。
QPSK是在M=4时的调相技术,它规定了四种载波相位,分别是A方式的0˚、90˚、180˚、270˚和B方式的45˚、135˚、215˚、315˚,下文中我们主要以B 方式为例进行介绍。
B方式星座图调制器输入的数据是二进制数字序列,为了能和四进制的载波相位配合起来,则需要把二进制数据变换为四进制数据,这就是说需要把二进制数字序列中每两个比特分成一组,共有四种组合,即00,01,10,11,其中每一组称为双比特码元。
信号调制与解调技术实验在通信领域中,信号调制与解调技术扮演着至关重要的角色。
通过对信号的调制与解调过程,可以实现信号的传输和接收。
本文将介绍信号调制与解调技术的基本原理及其在实验中的应用。
一、引言信号调制与解调技术是指将用于传输的数字或模拟信号转换为适合传输介质的调制信号,并在接收端将其解调还原为原始信号的过程。
它是实现信号传输的关键环节,广泛应用于无线通信、有线通信以及多媒体通信等领域。
二、信号调制技术1. 调制的概念调制是指将原始信号通过改变某些特定参数的方式,将其转换为适合传输的调制信号。
常见的调制方式包括频率调制、振幅调制和相位调制。
2. 频率调制频率调制是通过改变信号的频率来实现调制。
常见的频率调制方式有频移键控调制(FSK)、频率调制(FM)和最小频移键控调制(MSK)等。
在实验中,可以通过调节信号的频率来模拟频率调制的过程,并观察信号在传输过程中的变化。
3. 振幅调制振幅调制是通过改变信号的振幅来实现调制。
常见的振幅调制方式有调幅(AM)和双边带调幅(DSB-AM)等。
在实验中,可以通过改变信号的振幅来模拟振幅调制的过程,并观察信号在传输过程中的变化。
4. 相位调制相位调制是通过改变信号的相位来实现调制。
常见的相位调制方式有调相(PM)、相移键控调制(PSK)和四相相移键控调制(QPSK)等。
在实验中,可以通过改变信号的相位来模拟相位调制的过程,并观察信号在传输过程中的变化。
三、信号解调技术1. 解调的概念解调是指将经过调制后的信号恢复为原始信号的过程。
通过解调技术,可以将信号从传输介质中提取出来,并还原为原始信号。
2. 直接解调技术直接解调技术是指将调制信号直接进行解调。
常见的直接解调方式有包络检波和相干解调等。
在实验中,可以通过直接解调技术来还原经过调制后的信号,并观察解调效果。
3. 相干解调技术相干解调技术是指利用与原始信号保持相干的参考信号,进行解调的过程。
常见的相干解调方式有相干解调和相关解调等。
实验四光源及光调制解调实验
一、实验目的:
了解光调制解调的原理
二、基本原理:
请自己补充
三、需用器件与单元:
光调制解调实验模板、主机箱、光发射管、光接收管
四、实验步骤:
1 可见光的脉冲调制
(1)按照图9—1接线:在光脉冲调制实验部分,将光发射管探头的两个插孔与光电器件实验模板的光发射的输入插孔相
连,光接收探头的两个插孔与实验模板的光接收输入口相
连。
再将实验模板的Vcc+5V电源和“⊥”插孔与主机箱的
+5V电源和“⊥”的插孔相连。
图4-1 光脉冲调制
(2)打开主机箱电源,将两个探头(发射和接收探头)对准,可以看到实验模板上的输入脉冲指示和输出脉冲指示一起
发亮。
如果两个探头中间被挡住或没有对准,不同时发光。
2用声音调制可见光
按图4—2接线:将光脉冲实验的接线相应的移到光音频调制实验上,对准发射管和接收管的光路,对准实验模板上的话筒讲话,调节音频调制强度和灵敏度电位器旋扭,使模板上的扬声器发出说话声实现了光调制,灯干扰或其它光线干扰时,需要加上遮光筒挡住外界的杂散光的干扰。
若用纸或手挡住光路,再对着话筒讲话时,模板上的扬声器不发出声音,调制中止。
图4-2 声音调制
*试分析光的脉冲调制和声调制改变光波电场强度什么参数?。
基础实验c m调制与解调实验集团标准化办公室:[VV986T-J682P28-JP266L8-68PNN]基础实验6 PCM调制与解调实验一、实验目的1.掌握PCM编译码原理与系统性能测试;2.熟悉PCM编译码专用集成芯片的功能和使用方法;3.学习PCM编译码器的硬件实现电路,掌握它的调整测试方法。
二、实验仪器1.PCM/ADPCM编译码模块,位号:H2.时钟与基带数据产生器模块,位号:G3.20M双踪示波器1台4.低频信号源1台(选用)5.频率计1台(选用)6.信号连接线3根7.小平口螺丝刀1只三、实验原理脉冲编码调制(PCM)是把一个时间连续、取值连续的模拟信号变换成时间离散、取值离散的数字信号在信道中传输。
脉冲编码调制是对模拟信号进行抽样,量化和编码三个过程完成的。
PCM通信系统的实验方框图如图6-1所示。
在PCM脉冲编码调制中,话音信号经防混叠低通滤波器后进行脉冲抽样,变成时间上离散的PAM脉冲序列,然后将幅度连续的PAM脉冲序列用类似于“四舍五入”办法划归为有限种幅度,每一种幅度对应一组代码,因此PAM脉冲序列将转换成二进制编码序列。
对于电话,CCITT规定抽样率为8KHz,每一抽样值编8位码(即为28=256个量化级),因而每话路PCM编码后的标准数码率是64kB。
本实验应用的单路PCM编、译码电路是TP3057芯片(见图6-1中的虚线框)。
此芯片采用a律十三折线编码,它设计应用于PCM 30/32系统中。
它每一帧分32个时隙,采用时分复用方式,最多允许接入30个用户,每个用户各占据一个时隙,另外两个时隙分别用于同步和标志信号传送,系统码元速率为。
各用户PCM编码数据的发送和接收,受发送时序与接收时序控制,它仅在某一个特定的时隙中被发送和接收,而不同用户占据不同的时隙。
若仅有一个用户,在一个PCM 帧里只能在某一个特定的时隙发送和接收该用户的PCM编码数据,在其它时隙没有数据输入或输出。
本实验模块中,为了降低对测试示波器的要求,将PCM 帧的传输速率设置为64Kbit/s或128Kbit/s两种,这样增加了编码数据码元的宽度,便于用低端示波器观测。
此时一个PCM 帧里,可容纳的PCM编码分别为1路或2路。
另外,发送时序FSX与接收时序FSR使用相同的时序,测试点为34TP01。
实验结构框图已在模块上画出了,实验时需用信号连接线连接34P02和34P03两铆孔,即将编码数据直接送到译码端,传输信道可视为理想信道。
另外, TP3057芯片内部模拟信号的输入端有一个语音带通滤波器,其通带为200HZ~4000HZ,所以输入的模拟信号频率只能在这个范围内有效。
四、各测量点的作用34TP01:发送时序FSX和接收时序FSR输入测试点,频率为8KHz的矩形窄脉冲;34TP02:PCM线路编译时钟信号的输入测试点;34P01:模拟信号的输入铆孔;34P02:PCM编码的输出铆孔;34P03:PCM译码的输入铆孔;34P04:译码输出的模拟信号铆孔,波形应与34P01相同。
注:一路数字编码输出波形为8比特编码(一般为7个半码元波形,最后半个码元波形被芯片内部移位寄存器在装载下一路数据前复位时丢失掉),数据的速率由编译时钟决定,其中第一位为语音信号编码后的符号位,后七位为语音信号编码后的电平值。
五、实验内容及步骤1.插入有关实验模块:在关闭系统电源的条件下,将“时钟与基带数据发生模块”、“PCM/ADPCM 编译码模块”,插到底板“G、H”号的位置插座上(具体位置可见底板右下角的“实验模块位置分布表”)。
注意模块插头与底板插座的防呆口一致,模块位号与底板位号的一致。
2.加电:打开系统电源开关,底板的电源指示灯正常显示。
若电源指示灯显示不正常,请立即关闭电源,查找异常原因。
3.PCM的编码时钟设定:“时钟与基带数据产生器模块”上的拨码器4SW02设置“01000”,则PCM 的编码时钟为64KHZ(后面将简写为:拨码器4SW02)。
拨码器4SW02设置“01001”,则PCM的编码时钟为128KHZ。
4.时钟为64KHZ,模拟信号为正弦波的 PCM编码数据观察:(1)用专用铆孔导线将P03、34P01,34P02、34P03相连。
(2)拨码器4SW02设置“01000”,则PCM的编码时钟为64KHZ。
(3)双踪示波器探头分别接在测量点34TP01和34P02,观察抽样脉冲及PCM编码数据。
DDS信号源设置为正弦波状态(通常频率为2KHZ),调节W01电位器,改变正弦波幅度,并仔细观察PCM编码数据的变化。
特别注意观察,当无信号输入时,或信号幅度为0时,PCM编码器编码为或为01010101,并不是一般教材所讲授的编全0码。
因为无信号输入时,或信号幅度为0经常出现,编全0码容易使系统失步。
此时时钟为64KHZ,一帧中只能容纳1路信号。
注意:(4)双踪示波器探头分别接在34P01和34P04,观察译码后的信号与输入正弦波是否一致。
5.时钟为128KHZ,模拟信号为正弦波的PCM编码数据观察:上述信号连接不变,将拨码器4SW02设置“01001”,则PCM的编码时钟为128KHZ。
双踪示波器探头分别接在测量点34TP01和34P02,观察抽样脉冲及 PCM编码数据。
DDS信号源设置为正弦波状态(通常频率为2KHZ),调节W01电位器,改变正弦波幅度,并仔细观察PCM编码数据的变化。
注意,此时时钟为128KHZ,一帧中能容纳2路信号。
本PCM编码仅一路信号,故仅占用一帧中的一半时隙。
用示波器观察34P01和34P04两点波形,比较译码后的信号与输入正弦波是否一致。
6.关机拆线:实验结束,关闭电源,拆除信号连线,并按要求放置好实验模块。
六、实验报告要求1.观察正弦波的编码波形,读出正弦波的峰峰值、编码数据;记录有关数据并做分析,得出你的结论。
PCM的Matlab仿真结果实验室演示的图形抽样脉冲和PCM编码原始信号和恢复信号2.写出本次实验的心得体会,以及对本次实验有何改进意见。
根据仿真的波形图和输出的量化。
、编码值可以得到以下结论:均匀量化输出波形图清晰的显示出均匀量化的特征,每个量阶都是均匀分布的,每个间隔都是相等的。
由于量化级数是64,所以从图中可看到结果不是那么明显,和输入波形相比几乎没啥变化。
将A率非均匀量化的结果和A率13折线近似量化进行比较,两者压缩特性很接近。
13折线输出的码组序列也符合要去。
通过实验,我深入地理解了PCM编码。
也认识到PCM的瓶颈,量化噪声是平均分布在全部频段,就算极大地提高精度和采样率,也难以减小噪声对信号的损失。
我认为PCM是损失较小的有损压缩。
建议:希望更换实验设备,实验设备过于老旧,增加一些现在新技术的实验设备。
附录PCM的Matlab程序n=input('请输入量化级数,k=[8]');if isempty(n),n=8; endendtime = 2; dt = ;t = 0:dt:endtime;a = zeros(size(t));for tt=1:1/dta(tt+[0:endtime/2-1]*(2/dt))=t(tt);endfor tt=1/dt+1:2/dta(tt+[0:endtime/2-1]*(2/dt))=2-t(tt);end;%A率非线性A = ;amax=max(abs(a));c = zeros(size(a));for i = 1:length(a);if((a(i)/amax)<=1/A)c(i) =A*a(i)/(1+log(A));endif((a(i)/amax)>1/A)c(i) =(1+log(A*a(i)))/(1+log(A));endend%均匀量化c_quan=c;b_quan=c_quan;d=1/n;%量化间隔q=d.*[1:n];q=q-d/2;%量化电平for i=1:n%定位第i个量化间隔码子c_quan(find((q(i)-d/2<=c_quan) &(c_quan<=q(i)+d/2)))=...q(i).*ones(1,length(find((q(i)-d/2<=c_quan)&(c_quan<=q(i)+d/2)) ));%赋值为相应的量化电平b_quan(find(c_quan==q(i))) =(i-1) .*ones(1,length(find(c_quan==q(i)) ));endnu=ceil(log2(n));%编码code=zeros(length(a),nu);for i=1:length(a)for j=nu:-1:0if(fix(b_quan(i)/(2^j))==1)code(i,(nu-j))=1; b_quan(i)=b_quan(i)-2^j;endendend%A率非线性的逆运算for i = 1:length(c_quan);if( (c_quan(i)) <=1/(1+log(A)) )a_quan(i) =(1+log(A))*c_quan(i)/A;endif((c_quan(i))>1/A)a_quan(i) = exp((1+log(A))*c_quan(i)-1)/A; endendsqnr=20*log10(norm(a)/norm(a-a_quan));%求量化信噪比disp('量化信噪比')disp(sqnr)disp('量化误差')disp(a - a_quan)disp('编码结果')disp(code)plot(t,a,'r-')hold on;plot(t,a_quan,'.b') %plot(t,a_quan,'b-') %axis([0 1 0 1])。