园林绿化景观工程施工准备与总平面布置及管理措施图文详细版
- 格式:doc
- 大小:73.00 KB
- 文档页数:7
公园园林绿化工程施工部署及现场总平面布置1.施工准备1.1现场交接准备我公司如中标本工程后,将在收到中标通知书后在规定的时间内派有关人员进驻施工现场,进行现场交接的准备,其重点是对各控制点、控制线、标高等进行验收和复核,对目前的施工现场进行调整准备,以使整个现场能符合我公司的布置原则及要求,这些工作拟在正式进场前全部完成。
1.2技术准备自进场之日起立即着手技术准备,组织施工人员学习施工规范、会审图纸、纪要和施工组织设计,并要熟练掌握施工技术。
一方面使有关人员能仔细阅读施工图纸,了解设计意图及相关细节,另一方面开展有关钢筋翻样、木工翻样、图纸会审、技术交底等技术准备工作,同时根据施工需要编制更为详尽的施工作业指导书,使工程开始就受控于技术管理,从而确保工程质量。
1.3材料进场计划准备我公司将根据翻样单等及时提供钢筋用量及水泥用量,报送物资部门进行采购工作,及时组织前期的周转材料进场,以确保顺利施工。
1.4人员准备在接到中标通知书后在规定的时间内项目班子及相关人员立即进场,作好前期施工准备工作及承担起施工承包管理职责。
开工后3天,所有施工管理人员将全部就位,而施工人员将根据现场需要分批进场,并在公司内部备足各类专业的施工操作人员。
1.5施工过程布置⑴本工程涉及景观、水、电、绿化、铺装、建筑与结构工程等多种专业,结合本工程特点在施工队伍的组织上考虑各种专业队伍同时进场。
⑵施工时以土建施工队的施工顺序为主线,各专业配合,详见施工进度计划表。
具体原则先地下,后地上;先做水、电埋设,再做铺装。
⑶人员住宿、办公:根据工程实际情况,在本工程现场解决住地及生活、生产设施问题,具体见施工总平面图。
⑷加强现场协调工作:每天下午在项目经理主持下召开生产协调会,协调材料、劳动力、机械设备、各工种、各工序以及土建同安装、绿化之间关系,检查当日计划执行情况,布置次日作业计划。
每周一上午抽半小时召开施工现场职工大会,讲上周的工程形象进度、质量、安全执行情况,布置本周各项任务,落实各项措施,明确施工目标。
施工总进度表和施工总平面布置图
1.现场总平面布置
根据施工需要,结合现场条件,本着场地布置合理,有利于现场管理即文明施工的原则,施工总平面布置见图及临时设施布置及临时用地表。
2.总平面管理办法
(1)以清晰、标准化的视觉显示信息,落实施工平面布置。
现场各种物品的堆码和运送要实现标志化、制度化,严格按总平面设计图堆放材料1。
(2)在施工现场上,应按施工平面布置图的要求,采用清晰、标准化的标示,将各区域、通道、各种物品的摆设位置鲜明的标示出来。
施工机械设备和工具、安全标志牌均要运用标志颜色,不得任意涂抹。
(3)与施工现场密切相关的规章制度和工种标准要上墙公布,并展示清楚。
如岗位责任制、操作程序图、工艺卡等,并要保持完整、齐全、正确、洁净。
(4)生产任务和完成情况的公开化、图表化。
(5)按工期下达的计划指标要定期层层分解,按班组和个人落实,并列表
粘贴在墙上或用小黑板将该小组生产指标、质量要求以及关键点要写挂在作业场所,做到有的放矢。
实际完成情况要定期公布,并用图表
表示,使项目所有人员都能看到各项施工指标的问题,发展趋势及完成情况。
(6)严格文明施工,当天作业完后及时清理干净。
3.施工进度总计划表
下附:《临时设施布置及临时用地表》及《施工总平面布置图》《李家壕园林绿化景观工程施工总进度计划表》
临时设施布置及临时用地表。
园林绿化景观工程进度计划及工期保证措施详细版目录1.1工程施工计划 (2)1.2工期保证措施 (2)1.3进度控制办法 (3)1.1工程施工计划本工程属改造工程,主要内容包括拆除工程、园林建筑、园林绿化、安装工程。
本工程施工进度计划是根据业主提供的合同总工期120天为依据进行编制。
确定本工程总工期为120天(包括进场准备工作),开工日期为:2017年5月15日,竣工日期为:2017年9月10日,工程竣工验收后即进入养护期。
具体进度计划安排见附图表2:施工总进度计划表。
1.2工期保证措施1、投入方面⑴配备足够的施工机械,缩短分段工期,提高工效。
⑵增加工作人数、增加工作班次,充分利用时间进行施工。
⑶配备两台150KVA柴油发电机,以保证出现故障时不致停电影响工期。
2、组织施工方面⑴由公司主要领导担任项目指挥,选调优秀管理人员组成“霸王城综合服务点项目经理部”,对工程实行计划、组织、协调、控制、监督和指挥职能,同时派出技术过硬,吃苦的施工队伍,确保高标准地完成本工程的施工任务。
⑵在施工中以业主一级进度计划为控制,以合同二级进度为依据,编制详细施工计划,细划各分项工程控制完工日期,运用企业内外部的有利条件,采取动态管理,使施工组织科学化、合理化,确保阶段计划按期或提前完成。
⑶推行全面计划管理,认真编写切实可行的工程总进度计划和相应的月、旬、周施工作业计划,使施工生产上下协调,长短计划衔接,坚持日平衡,周调度,确保月计划的实施,从而保证总工期的实现。
⑷为了加快施工进度,采取措施,合理安排穿插施工作业,保证施工科学地有次序地进行,创造条件保证工期。
⑸充分做好开工前的各项准备工作。
①认真做好图纸会审工作。
②及早做出材料、苗木、设备、工具、购配件的计划,并按进度计划安排进场。
⑹采用新技术、新工艺。
⑺建立各级责任制,实行重奖重罚。
⑻建立甲、乙双方联合例会制度,例会每半月一次,检查半月计划实施情况,研究解决影响工程进度的关键,安排下半月的工作。
园林绿化工程施工前准备工作及施工方案一、施工前的准备工作1.现场勘察与测量施工前,要对现场进行详细的勘察和测量。
了解地形地貌、土壤状况、水源分布、气候特点等,为后续施工提供基础数据。
同时,要对现场现有的植被、建筑等进行评估,为保护和利用提供依据。
2.设计方案根据勘察结果,结合甲方需求,制定出科学、合理、美观的设计方案。
方案中要包括园林布局、植被配置、景观小品、照明系统等,同时考虑与周边环境的协调。
3.施工图纸在方案确定后,绘制详细的施工图纸。
图纸中应包括地形、地貌、植物、建筑、道路、水系等元素,以及施工工艺、施工顺序、施工要求等。
4.施工队伍选拔一支技术精湛、经验丰富的施工队伍,进行技术培训和安全教育,确保施工质量和安全。
5.材料设备提前筹备施工所需的各种材料,如苗木、土建材料、园林设施等。
同时,准备相应的施工设备,如挖掘机、推土机、洒水车等。
6.施工许可证办理施工许可证,确保施工合法合规。
二、施工方案1.施工顺序(1)土建工程:包括地形改造、道路铺设、水系建设等,为后续植被种植创造条件。
(2)植被种植:按照设计方案,进行植被的种植。
注意植物的选择、配置和间距,确保成活率和景观效果。
(3)景观小品:在植被种植的基础上,进行景观小品的设置,如凉亭、雕塑、喷泉等。
(4)照明系统:安装照明设备,营造优美的夜景效果。
2.施工工艺(1)土建工程:采用机械化施工,提高效率。
同时,注意保护现场原有植被和设施。
(2)植被种植:采用科学的种植方法,确保植物成活率。
对特殊植物进行特殊处理,如移植、修剪等。
(3)景观小品:结合现场实际情况,采用合适的施工工艺,确保景观小品的稳定性和美观性。
(4)照明系统:采用节能环保的照明设备,合理布局,营造舒适、优美的夜景。
3.施工要求(1)施工过程中,严格遵守国家相关法律法规,确保施工安全。
(2)尊重和保护环境,减少施工对现场原有植被和设施的破坏。
(3)提高施工质量,确保园林工程的美观、实用和可持续性。
本工程工程量较大,施工环境宽敞,地质情况复杂,工程项目较多,为加强全面施工生产管理,实现工期目标,公司组织并成立了以有多年丰富施工组织管理经验的项目经理为首的项目管理班子,并做好如下施工生产部署工作。
(一)施工总体部署1、确定工程整体施工顺序确定施工顺序,首先要确定施工范围、掌握施工内容、分解施工任务、确定施工班组,然后根据工程工期要求、工程特点、施工难度、各部位主要施工方法确定主要施工顺序和各分项工程的工期计划。
本工程整体施工顺序的原则为:先土方施工后绿化,先乔木后灌木地被及草坪等。
1.1技术交底各单位工程、分项工程开展施工前,严格按有关技术程序组织三级技术交底。
第一级由项目部总工程师组织,邀请设计单位工程师、监理单位工程师向项目经理部施工员、技术员进行设计交底和施工技术交底;第二级由项目经理部项目负责人和技术员向班组交底,做到项目部全体人员均熟悉本工程的技术要点、设计意图和施工技术规范的内容,第三级由施工班组长向具体施工小队长、主要技术工进行技术交底。
1.2测量放线复核工作开工前,组织技术人员、放线员进行现场实地现场勘查,复核设计主要控制轴线和高程。
我项目部与业主、设计单位做好测量控制点的交接,按规范进行复测,立即建立测量控制网,测量各主要施工项目的位置和标高,为大面积开展施工奠定基础。
1.3研究分析、确定施工方法施工前由项目负责人、技术员、施工员、班组长就即将施工的分项工程施工方法进行研究、分析、敲定,老工艺做到精品,新工艺力争做到一次达到合格标准。
保证施工过程不返工、不返修,以保证工程进度目标。
1.4根据施工流程部署,编制详细的施工进度总计划,再根据施工进度总计划分别编制更加详细的月进度计划、周进度计划。
1.5根据施工进度计划,编制科学、准确的劳动力、施工机械、主要材料进场计划,并在施工过程中,根据施工进展、天气情况、季节、业主需求及时调整计划。
1.6根据劳动力、施工机械设备、主要材料进场计划,编制科学的、准确的资金使用计划。
工程施工组织设计公司日期:Ⅰ、施工组织设计目录一、编制依据二、工程概况三、主要施工方法(一)施工准备(二)施工方案1、放线工程2、土方工程3、绿化种植工程4、道路铺装工程5、水景工程6、室外景观照明工程7、小品工程四、施工机械设备及主要施工机械进场计划五、施工部署、劳动力安排计划六、质量保证措施七、安全与文明施工措施八、管理目标Ⅱ、施工组织设计一、编制依据1、建设单位提供的图纸及相关标准图集2、本工程概预算工程量资料3、国家有关标准规范规程4、本企业内部质量文件、管理制度5、其他有关手册及参考文件资料二、工程概况本工程为工程。
建设地点位于,施工工程内容包括小区内园林绿化种植、园林道路(广场)铺装工程、水景工程、室外景观照明工程、园林小品工程等.工程拟定于年月日开工,工期为个日历天。
三、主要施工方法(一)施工准备1、现场交接准备:进入现场前,需对现场实况进行交接,如对现场的平面和竖向控制、标高等与设计要求是否相符进行复验。
2、技术准备:1)组织有关专业技术人员和管理人员分析审核图纸,掌握设计意图,做到对图纸内容熟练掌握、吃透,在此基础上做好图纸会审及设计交底工作,及时解决图纸中的问题。
工长、技术员以上人员参加。
2)针对本工程特点进行质量策划,编制工程质量计划制定特殊工序。
3)组织落实放大样,制定成品,半成品的加工定货计划,加工定货计划单应准确可靠,并交由技术负责人审批,特殊材料的加工定货、采购按甲方要求进行。
4)做好物资采购计划、选择合格的供应商及劳务采购工作。
5)工程施工前,由技术负责人组织有关人员进行施工组织设计交底工作,交底要着重施工方案过程控制、质量目标及工程进度。
6)根据质量检查和试验计划配制足够的测量、试验、质量检测工具。
制定施工测量方案,进行工程定位、作控制桩。
3、施工现场准备1 )清除现场的障碍物,实现水、电、道路、通讯畅通和场地平整。
2 )根据平面图报请甲方安排现场的办公及材料堆放场地。
景观平台园林绿化工程施工部署总平面布置景观平台园林绿化工程施工部署及总平面布置一、施工部署为”安全、优质、按期、有序”地完成本标段项目工程,确保兑现承包合同,以精品工程回报业主,制定施工指导思想为:精心组织、强化管理、科技引路、技术先行、严控质量、兑现工期、注重环保、安全文明。
精心组织成立组织精干、高效的项目经理部,公司上下协调一致,确保合同的兑现。
强化管理以”保工期、保安全、创鲁班”为目标,以合同为依据,强化企业的各项管理,精心组织,以人为本,充分挖掘各生产要素的潜力,确保各项目标的实现。
科技引路在项目总工程师的领导下,全体技术人员共同努力,针对工程的重点、难点,积极开展QC活动,攻克技术难关,大力推广新技术、新材料、新设备,并争取在施工技术上有突破。
技术先行学习新规则、新工艺,制定详细的工艺流程,配备精良的机械设备、试验设备和计算机设备,确保新技术的实施。
严控质量借鉴我公司类似工程质量管理的成功经验,把ISO9002的质量管理和质量保证模式贯穿施工全过程,严格执行技术标准,配备足够的专职质检人员,对项目施工的全过程实施严谨科学的质量监控,多出精品。
降低成本合理地组织流水作业和资源的调配,进行项目成本分析,降低成本。
注重环保施工过程中严格控制施工废水和生活污水排放;保护植被;采取洒水、遮盖等方法,控制施工扬尘,做好周边农田、农作物的环境保护,减少噪声污染。
安全文明搞好工地安全建设,配足安全检查人员,加强现场检查力度,确保施工和人身安全;公司派出医护人员驻工地,做好卫生防疫工作,保护好施工人员的健康;做到驻地建设和施工场地景观化,施工操作规范化。
二、总平面布置1.驻地建设通过考察现场,临时驻地及生产用房拟利用河道内滩面平台未建设的娱乐场空地搭建临设,用房不足部分可租借部分民房解决。
施工现场埋设排污管道,搭设水冲厕所。
2.施工便道本标段场外运输利用现有道路解决,场内运输采用修建临时施工便道的方法来解决。
园林绿化工程施工程序图文一、前期准备阶段1. 项目准备进行园林绿化工程前,首先需要进行项目准备工作。
确定园林绿化工程的具体范围和要求,进行初步勘察和设计,编制施工方案和施工图纸。
2. 资料准备搜集项目所需的相关资料,包括土地权属证明、土壤检测报告、项目审批文件等,确保项目的合法性和可行性。
3. 设备准备准备所需的施工设备和工具,包括挖掘机、推土机、植物园艺工具等,确保施工能够顺利进行。
4. 人员准备招募具有相关经验的园林工程师、园艺工人等专业人员,组建施工团队,确保施工人员具备相关的技术水平和经验。
5. 安全准备进行安全评估,确保施工过程中的安全措施齐全,为施工人员提供安全培训,确保施工过程中的安全性和稳定性。
二、施工准备阶段1. 土地清理开始施工前,首先需要对施工地进行土地清理工作,清除杂草、垃圾等障碍物,确保施工地的干净整洁。
2. 基础建设根据设计图纸进行基础建设工作,包括挖掘土坑、填充土壤、浇筑混凝土等,确保园林绿化工程的基础稳固。
3. 设备调试对施工设备进行调试和检验,确保设备功能正常,为施工做好最后的准备工作。
4. 材料准备准备植物苗木、园林材料等必须的材料,根据设计要求合理分配和储备,确保施工的顺利进行。
5. 施工组织制定详细的施工计划和施工方案,对施工过程进行周密安排,制定施工任务分工和时间节点,确保施工工作有序进行。
三、施工阶段1. 植物布局根据设计方案,对植物进行布局和摆放,根据植物的特性和需求进行合理的植物配置,确保植物的生长环境和美观效果。
2. 园林绿化进行园林绿化工作,包括修剪整形、绿地铺设、花坛种植等,根据设计要求进行园林美化工作,打造出一个美丽的园林景观。
3. 灌溉施工进行灌溉系统的施工工作,根据需要安装灌溉设备和管道,确保植物的正常生长所需的水源供应。
4. 照明工程进行园林照明工程的施工,安装照明设备和照明控制系统,为园林景观提供夜间照明效果,增加园林的美观度。
5. 绿化养护进行园林绿化的养护工作,包括草坪修剪、植物浇水、除草除虫等,保持园林景观的整洁和健康。
园林景观硬景工程施工总平面布置图
一、临时设施的布置
本工程施工临设办公区主要布置现场,办公室、值班室在附近租赁。
生活区根据现场实地考查,所有施工人员住宿、生活区在附近租赁。
施工现场临时设施一览表
二、施工现场临时用水、用电
1、施工临时供电
通过现场电网接入。
施工前将在施工范围内架设三相五线动力线路,装设统一的配电箱,保证工程用电畅通安全。
2、临时供水
施工用水主要是生活、生产用水,经计算,采用DN50主管可满足供水要求,并将用电、用水引向施工营地、制作场和施工现场。
3、临时通讯
项目经理部设程控电话及传真机各一台,管理人员均配备对讲机。
4、施工便道
总的原则是充分利用既有道路进场,按现有道路系统,并新修部分局部引入便道,注意在施工过程中加以维护。
园林绿化景观工程铺装及园路分项施工方法图文详细版目录一、铺装、园路 (2)(一)施工顺序 (2)(二)施工准备 (2)(三)场地平整与找坡 (3)(四)基层处理 (4)(五)施工各结构层 (4)(六)侧石安装 (4)(七)板材铺装施工 (4)1、湿法铺筑 (5)2、干法铺筑 (5)3 、地面镶嵌与拼花 (6)4、嵌草路面的铺筑 (6)5、切石板铺地 (7)6、汀步 (8)(八)园林铺装质量标准 (9)一、铺装、园路在园林中,铺地以线或面的形式形成贯穿全园的交通网,它即是划分和联系各景区和景点的纽带,也是组成园林风景的造景要素,作为园林空间的一个重要界面,不仅为人们提供舒适的游览交通条件,同时它又能参与保护环境和改善原有的小气候。
(一)施工顺序放线——→基层挖土并整平夯实——→中间工序(按设计图纸)——→安放侧石——→放样——→铺装板材1、根据施工图纸对所有的中心控制桩进行测量、核实,并放出园路中心线及边线。
2、布设临时水准点:根据本工程特点,广场、道路设置水准点,作出标志,并会同监理及甲方对放样位置及临时水准点复测认可。
(二)施工准备由于广场上还往往存在着花坛、草坪、水池等地面景物,因此,它又比一般的道路工程内容更复杂。
1、材料准备准备施工机具、基层和面层的铺装材料、以及施工中需要的其它材料;清理施工现场。
2、场地放线按照广场设计图所绘施工坐标方格网,将所有坐标点测设到场地上并打桩定点。
然后以坐标桩点为准,根据广场设计图,在场地地面上放出场地的边线,主要地面设施的范围线和挖方区、填方区之间的零点线。
3、地形复核对照广场竖向设计图,复核场地地形。
各坐标点、控制点的自然地坪标高数据,有缺漏的要在现场测量补上。
(三)场地平整与找坡1、挖方与填方施工挖、填方工程量较小时,可用人力施工;工程量较大时,应该进行机械化施工。
预留作草坪、花坛及乔灌木种植地的区域,可暂时不开挖。
水池区域要同时挖到设计深度。
填方区的堆填顺序,应当是先深后浅;先分层填实深处,后填浅处。
园林绿化工程施工现场总平面布置管理
园林绿化工程施工现场总平面布置及管理
一、根据施工场区实际情况,在总平面布置时,充分考虑下面5个因素
1.1充分利用施工空地、避开拟筑物、构筑物,减少二次性临建费用;
1.2施工道路与总平面规划道路力求一致,减少施工道路费用,并能缩短总平面规划道路施工时间;
1.3平面布置必须实用、方便、快捷;
1.4混凝土搅拌场布置见施工现场平面布置图;
1.5沙、石、钢筋堆场便于运输。
具体情况见施工平面布置图。
二、混凝土搅拌搅拌场及沙石料场的布置
2.1混凝土搅拌搅拌场及沙石料场的布置见施工总平面布置图
2.2现场道路及临时设施布置:
施工现场内校南大门主干道与向北贯通全场。
另外我方主干道增设简易碎石路与材料堆场相连。
2.3现场办公室布置为满足现场办公需要,在现场布置一栋二层办公楼,建筑面积300m2。
2.4临电、临水及场区排水平面布置
2.5根据业主提供的现场内的供水管、排水口、供电电源,确定现场内供水、供电、排水的走向。
本施工方案暂布置内部水电系统走向,待入场后该系统与业主提供的水电源相连接,详细布置见附图。
按临时给排水平面图及系统图的要求,在施工现场设置一个施工用水蓄水池,采用高压水泵送至使用部位。
施工现场的生产排水必须经沉积后才能进入城市的排水管网,厕所的排污必须经过地区级化粪池处理方可进入城市管网。
2.6加强对施工现场平面布置的管理,合理利用有限的空间是工程顺利有序进行的关键。
现场临时办公用房、宿舍、食堂、机修、厕所在施工中根据现场实际情况予以确定。
施工总平面布置见附图。
2.7施工临时用地表
感谢您的阅读!。
园林绿化工程施工现场总平面布置管理一. 简介园林绿化工程施工现场总平面布置管理是指在园林绿化项目建设过程中,对施工现场进行全面、细致的规划和组织,以确保施工工作的顺利进行和项目的高品质完成。
本文档介绍了园林绿化工程施工现场总平面布置管理的主要内容和要点。
二. 施工现场总平面布置管理的重要性园林绿化工程施工现场总平面布置管理是一个重要的环节,它涉及到项目进度、施工质量、安全管理等方面。
合理的总平面布置可以提高施工效率,避免资源浪费,并有效地保障施工人员和现场设备的安全。
三. 施工现场总平面布置管理的内容1. 现场布置方案设计在开展施工前,必须制定合理的现场布置方案。
该方案应包括施工工区划分、人员活动区域划定、设备摆放区域、临时道路布置、材料堆放区、消防设备摆放等。
同时,根据工程的复杂程度和规模大小,应充分考虑施工设备的数量和类型,并确保布局合理,提高施工效率。
2. 现场道路和施工区域划分合理的现场道路和施工区域划分是保障施工流程的关键。
施工现场应设立主干道、支路和临时停车场等,以确保施工人员、设备和材料的顺畅通行。
施工区域划分应遵循工序顺序和施工安全要求,确保施工作业的连贯性和高效性。
3. 设备和材料的摆放与储存现场设备和材料的摆放与储存直接影响到施工的顺利进行。
应根据工序和施工流程,合理布置设备和材料,确保施工作业的连续性和效率。
同时,为了保障材料的安全和质量,应采取相应的措施,例如做好防雨、防潮、防盗措施等。
4. 安全设施的设置施工现场的安全设施设置是确保工程施工安全的重要保障措施。
包括但不限于警示标识、安全警戒线、防护栏杆、安全通道等。
同时,还应配备消防设施,并设置逃生通道,以保障施工人员的人身安全。
5. 环境保护措施园林绿化工程施工现场应加强环境保护工作,实施噪音、粉尘、废水等污染物的防控措施。
应采取相应的措施,例如建立垃圾分类处理区域、固定垃圾收集点、避免水土流失等,以减少对周边环境的影响。
景观绿化工程施工管理措施景观绿化工程施工管理措施是指在进行景观绿化工程施工过程中,为了保证施工质量、效率和安全而采取的各项管理措施。
下面将从施工前准备、施工组织、施工技术、安全措施和环保措施等方面详细介绍景观绿化工程施工管理措施。
一、施工前准备1.制定详细的施工方案,包括施工顺序、工期计划、施工方法等内容。
2.对施工现场进行详细勘测,了解地形、土壤、水文等情况,为后续施工提供准确的参考数据。
3.制定施工组织设计,明确施工队伍、材料、设备等的配置和管理安排。
4.研究并采取有效的施工措施,以减少对周围环境和生态的影响。
二、施工组织1.施工队伍应配备相应的技术人员和工人,并保证技术人员具备相关资质证书。
2.制定安全生产责任制,明确各责任单位和责任人。
3.设立现场指挥部,明确各负责人的职责和权限,保证施工工序能够有序进行。
4.建立施工记录和档案,包括施工进度、施工质量等内容,以备后续审查和监管。
三、施工技术1.按照相关规范和标准,选择适宜的施工材料和工艺。
2.保证施工过程中的质量控制,包括土壤改良、植物选择、绿化结构等方面。
3.技术人员应不断进行施工过程的监督和检查,及时解决施工中出现的问题。
四、安全措施1.制定安全生产管理制度,明确施工现场的安全责任和安全防护措施。
2.安排专人负责施工安全,进行培训和教育,提高工人的安全意识和操作技能。
3.施工现场应设立警示标志,并配备必要的防护设施,确保施工人员的人身安全。
五、环保措施1.严格控制施工过程中噪音、粉尘、废水等污染物的排放,采取相应的防治措施。
2.合理使用水资源,减少用水量,采取集水、蓄水和循环利用等措施。
3.确保施工过程中不破坏周围的生态环境和生物多样性。
以上是景观绿化工程施工管理措施的一些常见内容,通过合理的施工管理措施,能够有效保障景观绿化工程施工的质量和安全,同时也减少了对生态环境的影响。
但是在实际施工中还需根据具体情况进行调整和补充,以确保施工的顺利进行。
某园林景观绿化工程施工总平面布置及平面管理方案目录1.施工总平面布置 (2)1.1现场临建布置 (2)1.2临水、临电布置 (2)2.施工平面管理 (2)由于本工程的工程量较大,工期紧,因此需要投入大量的人力、物力,为减少料具的场内二次搬运距离,最大限度地发挥机械设备的效率,搞好现场文明施工,现场必须要有科学合理的总平面布置。
为此,我公司通过现场观察,根据现场实际情况,拟作如下施工平面布置。
1.施工总平面布置1.1现场临建布置根据招标人提供绿化工程总图及招标文件,结合工程施工的实际需要,特别是此工程处在土建跟园林同步进行,我们把某某家园三期的一块空地做为现场临建占地,设置会议室、库房、食堂及其它用地。
1.2临水、临电布置临水、临电根据业主指定部位安装搭设,符合施工现场安全文明施工标准。
2.施工平面管理2.1由于本工程土建与园林绿化存在交叉施工,工程量大,现场施工人员多,园林绿化大多为地下开挖项目较多二次倒运频次高的特点,故除在施工总平面布置上要有一个合理的布置外,还要有严密科学的管理。
2.2建立现场施工总平面管理班子,建立健全管理规章制度,施工平面管理由项目经理负责,由工长及材料部门组织实施,按计划分片包干管理。
2.3现场临设、道路应有排水沟,且必须保持道路,排水沟的畅通。
2.4现场主要入口处设出入制度,场容管理条例,工程简介、安全管理制度等。
2.5施工设备。
材料按施工进度计划分批进场,凡进入现场的设备、材料必须按平面布置图指定的位置堆放整齐,做好标识工作,不得任意卸置。
2.6施工现场水准点、轴线控制点、埋地电缆、架空电线应有醒目标志,并加以保护,不得损坏或移动。
2.7各施工队伍要遵守统一的平面管理,施工忙而不乱。
2.8现场配置门卫,加强现场材料、物资等的保卫工作和维护正常的施工秩序。
2.9现场切实做到工完场清,减少材料浪费,并定期检查。
2.10现场的施工垃圾要采取及时清理,集中堆放,专人管理、统一搬运,保持现场干净整洁。
园林绿化景观项目工程施工部署与施工准备措施目录第一节、施工部署 (2)1.1部署原则 (2)1.2 组织机构 (2)1.3施工流水段划分 (3)1.4施工准备 (4)1.5施工现场准备 (6)第二节、施工总平面布置及平面管理 (6)2.1施工总平面布置 (6)2.2施工平面管理 (7)2.3施工现场总平面布置图 (8)第一节、施工部署1.1部署原则施工部署是指导本工程施工的纲要,根据总工期要求和现场情况及工程特点,充分利用现场的有利条件,合理安排作业面和进度,并在人力、机械设备、材料、技术上提供有力保证,以做到集中优势、合理布置,达到保质、按期完成施工任务的目标。
施工部署包括组织机构、施工设备、主要方案的选择、施工流程及施工段的划分,工期控制及管理目标等。
1.2 组织机构1.2.1 我公司对本工程高度重视,为保证本工程达到优质工程并按期顺利完工,以树立公司良好形象,公司对项目经理部的人员进行精选,组织精干、具有理论和施工经验的园林工程技术人员及参与全面的项目及施工管理工作。
1.2.2 项目部组建:项目经理由具有一级资质的项目经理担任,技术负责人由公司科技部高级工程师担任。
组建的项目部下设技术质控部、工程部、材料设备部、经营部、安保部、财务部、综合办公室,做到各部室及专业管理人员都具有相应的资质证书,持证上岗,在项目经理统一指挥下负责工程的全面管理工作。
1.2.3施工队伍:组织专业性强技术突出的绿化、土建、道路、水电各专业施工队,以“分工明确、责任到人”为原则,由项目经理部按进度计划统一指挥安排、密切协作,保证优质、安全、快速、高效地完成所赋予的施工任务。
1.3施工流水段划分1.3.1根据现场情况初步确定,现场将分两个流水段,以出入口景观大道为界,分为东西两个流水段。
每个流水段分为三个阶段,第一阶段为地下管线铺设、土方平衡、第二阶段为景观结构、土壤处理、选苗。
种植;第三阶段园路、景观装饰、水电联动试运、苗木初期养护、检查、调整、养护等。
园林绿化景观工程施工准备与总平面布置及管理措
施图文详细版
目录
第一节、施工准备工作及管理 (2)
l、制定施工准备工作计划 (2)
2、技术准备 (3)
3、物资准备 (4)
4、劳动力组织 (5)
5、施工现场准备 (6)
第二节、施工总平面布置 (6)
第一节、施工准备工作及管理
l、制定施工准备工作计划
工程项目施工准备分为技术准备、物资准备、劳动力组织准备和施工现场准备。
为了落实各项施工准备工作,加强对其检查、必须根据各项施工准备的内容时间和人员,编制施工准备工作计划。
见下表1-1《施工准备工作计划表》
表1-1 施工准备工作计划表
2、技术准备
技术准备是施工准备的核心,任何技术的差错或隐患都可能引起人身安全和质量事故,造成人、财、物的损失,因此必须认真细致地做好技术准备工作。
具体有以下内容:
⑴施工图纸会审:组织技术人员认真学习设计施工图,掌握施工图纸的全部内容,熟悉设计目的、设计意图、领会设计效果,提出合理化建议。
⑵会同有关单位搞好现场接收工作:现场交接的重点是施工测量与有关资料的移交,熟悉场地情况,包括场地构筑物、管线埋设、种植条件等。
⑶编制施工图预算:依据设计施工图,招投标文件,合同条款编写详细施工图预算,它是签订合同、工程结算、进度拨款、成本核算、材料计划编制、加强经营管理的重要依据。
⑷编制施工组织设计及方案:它是指导施工现场全部生产活动的技术经济文件,阐明施工工艺和主要项目的施工方法、劳动力组织和工程进度、质量、安全、文明施工的保证措施,收集以前施工的各种经验,针对本工程的特点和难点,以及建设单位的要求,编制切实可行的施工方案。
⑸技术交底:在工程开工前,工程技术负责人应组织参加施工的人员进行技术交底,应结合具体工程内容、施工现场、关键工序和施工难点的质量要求、操作要点及注意事项,验收标准等进行交底。
技术交底采取“双层三级制”,交底后施工人员认真反复学习,贯彻执
行。
3、物资准备
物资准备工作包括村料准备,施工机具准备和安全防护用品的准备。
⑴材料准备
①对主要建筑材料,应根据实际情况做好材料采购计划,分批进场,对各种材料的入库、检验、保管和出库应严格遵守公司质量文件的规定,同时加强防盗、防火的管理。
②植物材料的准备
按种植设计所要求的苗木种类、规格、数量编制苗木所需量计划。
对公司苗圃地自有的苗木,依工程进度安排好起苗、运苗、栽植的时间、方法;对于需购买的苗木,提前选好供货商,选好苗木,签订供购合同;安排好运输、栽植方案。
③种植材料准备:包括种植土、机肥、农药及生长剂等辅助材料,根据工程内容确定需用量,确定好货源,签订购买合同,据进度要求制订进场计划,组织好运输。
④施工机具准备:根据施工工艺的需要,编制施工机械使用计划,工程进度要求,确定进退场的时间,对公司自有的机械设备,提前检修,保养好,对于需租赁的大型设备,提前签好租赁合同。
⑤安全防护用品的准备:
主要安全防护用品需用量计划详如表5-2《安全防护用品计划表》
4、劳动力组织
施工组织机构在前面已有详述,本项目的施工队伍均由本公司具有丰富园林施工、绿化管养、圆建施工、电器安装经验的职工带班。
依工程要求,拟成立园林绿化施工班、绿化管养班、圆建施工、电器安装等四个施工班组,四个班组合计投入施工人员80人。
劳动力组织还必需做到:
⑴按照开工日期和工程进度要求,组织劳动进场。
⑵对职工进行安全,防火和文明施工等方面的教育,并安排好职工生活。
⑶向施工班组、工人进行施工组织设计进度计划、质量、安全等方面的技术交底。
建立健全各项管理制度,规范职工行为。
表5-2 安全防护用品计划表
5、施工现场准备
会同各有关单位做好现场的移交、接收工作,重点是项目场地红线,测量控制点交接桩,施工测量放线点,施工场地等。
安排好施工道路,施工出入口。
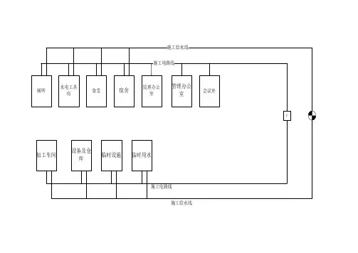
按施工现场总平面布置图布置施工平面(施工总平面布置图见附图表3):安排好生活、办公场所,材料堆场,成品、半成品仓库等用地(临时用地见下页表5-3)。
积极与业主、监理单位就工程项目施工管理方面接洽。
第二节、施工总平面布置
为了减少各种材料的运距,避免无效劳动,有效地组织现场的平面交叉作业,更好地利用场地,确保做到文明施工,施工平面管理工作设有专业人负责分片分项包干管理,未经工地负责人同意,任何人不得任意改变。
表5-3临时用地表
1、设立现场领导小组,现场领导小组是现场施工生产的指挥中心,办公室内备各工种进度控制图,做到现场施工有条不紊,高质量、高速度、高效率的运转。
2、现场临时设施,我们在使用方面希望得到甲方的许可,以及与其它相关单位之间的相互协调,管理人员要经常检查督促,有问题出现时,要及时解决问题。
3、施工现场的水准点及座标点应有明显标志;并加以妥善保护,任何人不得损坏。
4、所有临时设施必须甲方的规划要求办,按质量要求办,不能马虎凑合降低标准,一定要保证运输道路畅通无阻。
5、对整个现场的布置和保持,管理人员要经常督促并落实到实处。