泰州市城市房屋拆迁区位划分体系
- 格式:doc
- 大小:69.50 KB
- 文档页数:6
泰州市农村宅基地管理办法的有关规定是怎样的经批准移建使⽤宅基地的建房农户,应在新房建成后3个⽉内将原宅基地交还原集体经济组织另⾏安排利⽤,并⾃⾏拆除原有⽼房。
不按期拆除的,其原宅基地按违法⽤地处理。
市管理办法的有关规定是怎样的《泰州市农村宅基地管理办法》第⼀条为加强全市管理,规范农村村民建房⽤地⾏为,切实提⾼⼟地利⽤率,根据《中华⼈民共和国⼟地管理法》、《省⼟地管理条例》以及市委、市政府《关于加快城市化进程的决定》,结合本地实际,制定本暂⾏办法。
第⼆条全市范围内农村村民⾃建居住房屋(含附房)使⽤宅基地,包括新建、移建、翻建和扩建房屋使⽤宅基地,均适⽤本暂⾏办法。
第三条宅基地的选址必须符合城市总体规划、⼟地利⽤总体规划和村庄、集镇建设规划。
第四条市和县级市⼈民政府及其国⼟资源部门具体负责辖区内宅基地的审批管理⼯作。
第五条市、县级市(区)城市规划区内,镇规划区以及国家级、省级开发区内的农村村民申请使⽤宅基地,⼀律采取预办法,预先按拆迁规定进⾏补偿,并⽤定销房进⾏安置。
第六条市、县级市(区)城市规划区外,镇规划区以及国家级、省级开发区外的农村村民建住宅,必须依法申请使⽤⼟地利⽤总体规划确定的建设⽤地区域内原有的宅基地、村内空闲地和已办理农⽤地转⽤⼿续的⼟地。
第七条市、县级市(区)城市规划区内,镇规划区内因城市建设需要,使⽤宅基地的,⼀律按有关规定进⾏,⽤定销房进⾏安置。
对市、县级市(区)城市规划区外,镇规划区外因社会公共事业和经济建设需要,成⽚开发使⽤宅基地的,通过建造定销房(农民公寓)进⾏安置。
第⼋条对已规划整体搬迁的农民居住区村庄进⾏建设开发的,由⼟地储备机构对宅基地进⾏收购储备,由政府置换或征为国有⼟地后统⼀规划建设。
第九条加强对进城农民原宅基地及房屋的产权管理,切实维护进城农民的合法权益。
(⼀)进城农民的住宅可以出售给符合宅基地享受条件的本集体经济组织的农民;符合规划的也可以将宅基地征为国有,由⼈补办出让⼿续并按⼟地评估价的40%向政府补缴后⼊市交易。
国有土地上房屋征收与补偿条例EH322379186CS顺丰:592240017890EA727200367CN泰兴市城市新区征收集体土地房屋拆迁补偿安置实施细则为规范城市新区征收集体土地房屋拆迁补偿安置行为,切实维护被拆迁人的合法权益,推进城市新区建设,根据《泰兴市征收集体土地房屋拆迁补偿安置暂行办法、《泰兴市宅基地管理办法》等文件规定,制定本细则。
一、适用范围泰兴市城市新区本次拆迁范围为:东至东三环路;西至济川路 (南二环路北侧 )、羌溪河 (南二环路南侧 );南至南三环路;北至中兴大道。
凡在上述范围内征收集体土地上的房屋拆迁补偿安置均适用本细则。
二、拆迁安置方式拆迁安置的方式为货币补偿、产权调换 (成套住宅房、复式住宅房 )和自拆自建。
三、拆迁安置位置l、产权调换成套住宅房安置地点在南二环路北侧、学院路西侧地块和人事局南侧、跃进河北侧地块。
复式住宅房安置地点在济川路南延西侧、跃进河南侧地块。
2、自拆自建自拆自建的安置地点在东三环东侧、南二环路东延北侧规划范围内。
四、拆迁安置方式的选择条件(一 )农村集体经济组织成员拆迁安置方式的选择l、农村集体经济组织成员的认定按《泰兴市征地补偿和被征地农民基本生活保障暂行办法》第七条、第八条的规定执行。
2、农村集体经济组织成员可以从货币补偿、产权调换和自拆自建三种安置方式中选择一种安置方式。
拆迁安置中,复式住宅房安置户数控制在被拆迁地块总拆迁户数的 30%以内;自拆自建户数控制在被拆迁地块总拆迁户数的 20%以内。
3、选择复式住宅房和自拆自建的被拆迁户人口数必须达到 4人以上 (含 4人 ),被拆迁房屋必须具备合法产权,且面积超过 140平方米口被拆迁户人口数的确定按《泰兴市宅基地管理办法》第十一条、第十二条的规定执行。
拆迁安置中,复式住宅房安置户数和自拆自建户数实行限量安排,由先签约、腾房交钥匙的被拆迁人先行选择,选完为止。
(二)非农村集体经济组织成员拆迁安置方式的选择1、非农村集体经济组织成员只能从货币补偿和产权调换两种安置方式中选择一种安置方式。
泰兴2024拆迁计划书1. 引言随着城市化的快速发展,泰兴市的拆迁工作成为推动城市更新的重要一环。
为了促进城市的可持续发展和提升居民的生活质量,泰兴市政府制定了2024年的拆迁计划。
本文档将详细介绍泰兴市2024拆迁计划的背景、目标、计划执行步骤以及相关法律政策。
2. 背景泰兴市作为江苏省重要的经济中心之一,自近年来经济发展迅速。
然而,城市化进程中的规划和资源配置问题逐渐凸显出来,给城市的可持续发展带来了一定的压力。
为了协调城市的发展和居民的利益,泰兴市政府决定制定2024年的拆迁计划,以解决城市用地调整、棚户区改造和老旧房屋易地安置等问题,推进城市更新和提升城市的宜居性。
3. 目标泰兴市2024拆迁计划的主要目标包括:•优化土地资源配置,提高城市用地的效益;•完善城市基础设施,促进城市的可持续发展;•改善棚户区和老旧房屋的居住条件,提升居民的生活质量;•加强社区建设,提升城市的宜居性。
4. 计划执行步骤泰兴市2024拆迁计划的执行步骤如下:4.1 调查评估首先,市政府将组织相关部门对拆迁范围内的土地、房屋和设施进行全面的调查评估。
通过评估结果,确定拆迁范围、拆迁规模和拆迁补偿标准等重要信息。
4.2 制定拆迁方案基于调查评估结果,市政府将制定详细的拆迁方案。
拆迁方案包括拆迁时间表、拆迁程序、拆迁补偿政策和拆迁后的土地用途规划等内容。
4.3 征收拆迁根据拆迁方案,市政府将启动拆迁工作。
拆迁工作将由相关部门负责组织,并确保拆迁工作的顺利进行。
同时,市政府将加强与居民的沟通和协商,确保居民的合法权益得到有效保护。
4.4 用地规划与建设完成拆迁工作后,市政府将根据拆迁后的土地用途规划,进行合理的用地规划与建设。
新的土地用途包括城市公共设施建设、住宅建设和商业用地建设等。
4.5 居民安置在拆迁过程中,市政府将为被拆迁居民进行合理的安置。
安置措施包括提供新房屋、支付过渡性补贴和加强社区建设等。
5. 法律政策支持泰兴市2024拆迁计划的实施将依据相关的法律政策进行。
泰州市人民政府办公室关于印发泰州市保障性租赁住房发展实施意见的通知文章属性•【制定机关】泰州市人民政府办公室•【公布日期】2022.09.04•【字号】泰政办发〔2022〕40号•【施行日期】2022.09.04•【效力等级】地方规范性文件•【时效性】现行有效•【主题分类】住房保障正文市政府办公室关于印发泰州市保障性租赁住房发展实施意见的通知各市(区)人民政府,泰州医药高新区管委会,市各有关部门、单位:《泰州市保障性租赁住房发展实施意见》已经市政府第8次常务会议讨论通过,现予印发,请认真遵照执行。
泰州市人民政府办公室2022年9月4日泰州市保障性租赁住房发展实施意见为有效解决新市民、青年人等群体的住房困难,不断完善住房保障管理服务体系,根据《国务院办公厅关于加快发展保障性租赁住房的意见》(国办发〔2021〕22号)和《省政府办公厅关于加快发展保障性租赁住房的实施意见》(苏政办发〔2021〕101号),结合本市实际,制定本意见。
一、指导思想以习近平新时代中国特色社会主义思想为指导,全面贯彻党的十九大和十九届历次全会精神,认真贯彻落实习近平总书记对江苏工作重要指示精神,全面贯彻新发展理念,坚持以人民为中心,坚持房子是用来住的、不是用来炒的定位,突出住房的民生属性,扩大保障性租赁住房供给,完善以公租房、保障性租赁住房、共有产权房为主体的住房保障体系,全力解决在我市稳定就业的新市民、青年人的住房困难。
二、目标任务将发展保障性租赁住房作为我市住房保障体系建设的重点任务,多主体、多渠道增加保障性租赁住房供给,“十四五”期间,全市新增保障性租赁住房供应套数不低于4000套(间),有效缓解新市民、青年人住房困难。
三、保障对象和标准(一)保障对象。
保障性租赁住房主要解决在本市生活和工作的无房新市民和青年人住房困难,优先保障其中从事基本公共服务行业的人员,不设收入线门槛。
(二)房源筹集。
坚持“谁投资、谁所有”,通过盘活、改建、新建等方式,将符合条件的存量闲置住房作为保障性租赁住房使用和管理,符合条件的人才房、公租房、集中租赁住房等纳入保障性租赁住房管理。
第三部分规划说明书第一章项目背景泰州市医药高新区野徐镇西片区位于泰州市医药高新区的东南部,随着中国(泰州)医药城建设成全国最大的医药加工制造基地、长三角地区医药物流信息中心、医药研发中心、全国重要的医药成果转化基地和出口基地,医药城的发展将为整个泰州提供源源不断的强劲动力。
野徐镇西片区是医药城发展的高端配套服务的核心地区,未来随着医药城的快速东进发展,该地区将进入整合和调整阶段,为促使该地区持续有效的发展,特编制本规划,保障野徐西片区土地的有序建设,指导该地区空间的科学规划。
第二章规划范围与基地认知一、规划范围规划范围:北至姜高路,南至健康大道,东至鼓楼路,西至泰州大道,规划范围内总用地面积约4.92平方公里。
二、现状及发展条件分析1、地理位置野徐镇位于泰州市主城区南部,是医药高新区唯一的一个乡镇。
该镇距泰州市主城区不到5公里,距高港区10公里,北靠周山河新城,西临医药产业园区,南接高港高新区,地理位置适中,区域优势明显,鼓楼路、健康大道等快速路穿越该地区,地理位置优越、交通运输便捷。
2、自然环境特征野徐镇属北亚热带湿润气候地区,以海洋性气候为主;四季分明,雨水充沛,光照较足,无霜期长,年平均气温14.7摄氏度,主导风向为南偏东,年平均降雨量1037.8毫米。
基地内地势平坦,属长江三角洲冲积平原,地面标高4.7-5.6米左右,区域内不存在地震断裂带等其它地质灾害,地耐力一般在120千帕,建筑抗震设防烈度为7度。
三、土地利用现状现状城乡用地中,包含城市建设用地(H11)170.89公顷,村庄建设用地13.34公顷,水域及农林用地307.77公顷。
具体见下表:表2-1 现状用地构成表用地代码用地名称用地面积(ha) 占建设用地比例R 居住用地45.69 26.74%其中R1一类住宅用地13.55 7.93%R2二类住宅用地19.19 11.23%RB商住混合用地 4.56 2.67%R21住宅用地8.39 4.91%A 公共管理与公共服务用地35.25 20.63%其中A1行政办公用地9.86 5.77%A22文化活动设施用地25.39 14.86%B 商业服务业设施用地19.29 11.29%其中B13餐饮用地 2.80 1.64%B29金融保险业用地16.49 9.65% M 工业用地22.73 13.30%其中M2二类工业用地22.73 13.30% S 道路与交通设施用地38.82 22.72%其中S1城市道路用地35.54 19.40%S42社会停车场用地 3.28 1.92%G 绿地与广场用地9.11 5.33%其中G2防护用地9.11 5.33%城市建设用地合计170.89 100.00% H14 村庄建设用地13.34E 非建设用地307.77其中E1水域69.31E2农林用地238.46总用地合计492.001、居住用地现状居住用地面积45.69公顷,占建设用地面积的26.74%。
目录第一章总则 (1)第二章发展目标、定位和规模 (2)第三章规划用地布局 (2)第一节布局结构 (2)第二节工业用地 (3)第二节居住用地 (3)第三节公共设施用地 (4)第四章道路系统规划 (5)第五章绿化景观规划 (8)第六章市政基础设施规划 (9)第七章环境保护规划 (13)第八章防灾规划 (14)第九章规划实施措施和建议 (16)第十章附则 (1)第一章总则第1条随着泰州市城市建设的需要,泰州市进行了新一轮城市规划总体规划的修编。
在此背景下,编制江苏省泰州经济开发区高新技术园区分区规划,对高新技术园区的用地范围及布局作相应的调整、修改。
第2条规划依据(1)《泰州市城市总体规划》(2002-2020年)(2)《中华人民共和国城市规划法》(3)建设部《城市规划编制办法》(2006年4月1日实施)(4)《城市用地分类与规划建设用地标准》GBJ137-90第3条规划期限近期:2006年至2010年。
远期:2011年至2020年。
第4条规划区范围在原有高新技术园区的基础上,向南跨越周山河拓展至姜高路,东面则以泰高路作为边界,西面至引江河,总面积为31.23平方公里。
第5条规划指导思想1.以泰州市城市总体规划以及高新技术园区已有规划为依据,结合现状发展情况及发展条件,对各项用地和设施作更进一步的定性、定量、定位分析与规划。
2、打破单一工业区的模式积极探索创新,积极发展生产、生产服务、生活、配套等功能,不断实现向现代化综合高新技术产业园发展的目标,提升开发区作为城市新区的形象功能。
3.建设社会主义新农村,加速区内城市化进程,推动土地的集约使用。
4.按可持续发展的空间与环境特点规划空间形态。
第二章发展目标、定位和规模第6条发展目标将高新技术区建设成为有活力的、有魅力的、安全的、生态的现代化城市新区。
第7条发展定位高新技术园区发展的综合定位:泰州市制造业和高新技术产业的主要聚集区,城市新区的重要组成部分。
泰州市人民政府关于印发泰州市城市规划区村民个人建房规划管理办法(试行)的通知文章属性•【制定机关】泰州市人民政府•【公布日期】2010.08.19•【字号】•【施行日期】2010.08.19•【效力等级】地方规范性文件•【时效性】失效•【主题分类】城乡规划正文泰州市人民政府关于印发泰州市城市规划区村民个人建房规划管理办法(试行)的通知海陵区、高港区人民政府,市各委、办、局,市各直属单位:《泰州市城市规划区村民个人建房规划管理办法》(试行)已经市政府第32次常务会议讨论通过,现印发给你们,希认真贯彻执行。
二〇一〇年八月十九日泰州市城市规划区村民个人建房规划管理办法(试行)第一条为了规范城市规划区村民建房管理,引导村民相对集中居住,保障城乡规划实施,依照《中华人民共和国城乡规划法》、《中华人民共和国土地管理法》和《江苏省城乡规划条例》等相关法律法规,结合本市实际,制定本办法。
第二条在本市城市规划区内的村民使用集体土地进行住房建设的,适用本办法。
第三条本办法所称村民是指城市规划区内农村集体经济组织成员。
第四条市规划行政主管部门负责泰州市城市规划区内村民住房建设的规划管理工作,市规划局各分局具体承办此项工作;市国土、住建、城管等部门和所在镇人民政府(涉农街道办事处)按照各自分工负责村民住房建设的相关管理工作。
市规划行政主管部门可以根据情况,委托相关镇人民政府负责规划验线、核实规划条件等工作。
第五条村民住房建设应当根据城市总体规划和土地利用总体规划,实行统一规划、一户一宅、节约用地、依法建设。
(一)城市规划建设用地范围内原则上不得批建单家独院住宅和低层联排住宅,应按照城市居住小区标准规划建设多层、中高层或高层村民公寓;(二)建制镇规划建设用地范围内原则上不得批建单家独院住宅,应按照城市居住小区标准规划建设低层联排住宅、多层、中高层或高层村民公寓;(三)城市、建制镇规划建设用地范围外的村民建房应当严格按照镇村布局规划和村庄建设规划进行建设,提倡和鼓励农村村民联合、成片、配套建设住宅。
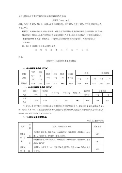
关于调整泰州市市区拆迁房屋基本重置价格的通知
泰建发〔2009〕26号
海陵、高港区建设局、物价局,市国土资源局海陵分局、高港分局、开发区分局,市经济开发区拆迁办,各有关单位:
根据现行国家规定的建筑工程定量标准,对我市拆迁房屋基本重置价格经测算后进行调整,现予公布。
城市规划区外国有土地上的房屋拆迁以及城市规划区内集体土地上的房屋拆迁,可参照本通知执行。
本通知自2009年3月1日起执行。
本通知执行前已批准实施的拆迁项目,仍按原规定执行。
特此通知。
附:泰州市市区拆迁房屋基本重置价格表
二○○九年二月二十七日
附件:
泰州市市区拆迁房屋基本重置价格表
一、住宅房屋重置价格(元/M2)
2
注:住宅、非住宅用房(不包括工业及仓储用房)所列房屋的层高为: 钢砼结构3.6米,砖混结构2.8米,砖木结构2.7米。
房屋层高每增减0.2米,重置价格相应增减2%,房屋层高为地坪面与上层板顶面之间的高度,前后檐高不等的,以平均高度计算。
三、工业及仓储用房重置价格
单位:元/建筑平方米。
的补充内容(2015-1-11 23:36):51 泰兴市长征路北延地块2015年300 40000 150 15052 泰兴市拱极路及周边(南极机械厂宿舍区)地块2015年36 5000 18 1853 泰兴市根思路西延、拱极路及周边地块2015年194 48500 105 8954 泰兴市羌溪路北延及周边地块2015年94 23500 94 055 泰兴市龙河路及周边地块2015年76 22000 76 056 泰兴市龙河路(园林路-济川路)2015年7 1750 7 057 泰兴市银杏路及周边地块2015年115 28750 55 6058 泰兴市银杏路北侧地块2015年178 44500 78 10059 泰兴市如泰运河及周边地块2015年26 6500 26 060 泰兴市原公交公司南侧地块2015年75 18800 75 061 泰兴市根思路东延地块2015年45 11250 45 062 泰兴市跃进河北侧、润泰路西侧地块2015年94 23500 94 063 泰兴市文昌路西延地块2015年23 5750 23 064 泰兴市金沙路地块2015年56 14000 56 065 泰兴市金城路及周边地块2015年8 2000 8 066 泰兴市庆云禅寺扩建地块2015年28 7000 28 067 泰兴市园林路地块2015年21 5000 21 068 泰兴市两泰官河地块2015年36 8500 36 069 泰兴市镇海路北延2015年121 30000 51 7070 泰兴市龙河湾东侧2号地块2015年329 98700 200 12971 泰兴市南天门及周边地块2015年443 190000 220 22372 泰兴市同德路地块2015年120 36000 50 7073 泰兴市镇海路东侧(新334省道北侧)2015年51 15300 51 074 泰兴市金沙路(如泰运河-阳江路)2015年65 19500 65 075 泰兴市文江北路东侧、龙河路南侧地块2015年61 19500 61 076 泰兴市乐城地块2015年278 53700 58 22077 泰兴市园区地块2015年294 69392 0 29478 泰兴市城黄路北侧地块2015年297 55300 19 27879 泰兴市过船老镇区2015年643 197750 454 18980 泰兴市中港小区2015年520 114800 0 52081 泰兴市沿江大道周边地块2015年609 243600 609补充内容(2015-1-11 23:38):序号地区/单位棚户区改造项目名称年度拆迁户数拆迁面积(㎡) 其中:货币安置补偿(户) 其中:实物安置补偿(户)补充内容(2015-1-11 23:41):127 泰兴市沿江大道周边地块2016年550 220000 550128 泰兴市泰兴大桥北西侧地块(如泰运河北侧)2016年50 14000 50 0129 泰兴市澄江路南侧地块(羽惠河东侧)城郊村拆迁改造工程2016年269 65000 120 149130 泰兴市北辅东路北侧、兴燕路东侧地块2016年190 58300 100 90131 泰兴市振兴路北侧、济川路西侧地块2016年65 13900 65 0132 泰兴市三阳村地块2016年1065 319500 200 865133 泰兴市根思路以北、振兴路以南地块2016年400 96000 100 300134 泰兴市兴南路南侧、羌溪河西侧地块2016年300 75000 50 250135 泰兴市东阳路以东、城黄路以南地块2016年300 80926 50 250136 泰兴市东三环以东、兴南路以南地块2016年400 160000 50 350补充内容(2015-1-11 23:41):176 泰兴市老华燕集团地块2017年20 1800 5 15177 泰兴市沿江大道周边地块2017年391 156400 391178 泰兴市根思路以北、振兴路以南地块2017年100 24000 50 50179 泰兴市兴南路南侧、羌溪河西侧地块2017年100 25000 20 80180 泰兴市东阳路以东、城黄路以南地块2017年85 22929 15 70181 泰兴市东三环以东、兴南路以南地块2017年130 52000 20 110182 泰兴市保安公司周边地块2017年100 25000 10 90183 泰兴市城北影剧院及周边地块2017年120 30000 50 70184 泰兴市老燕头政府及周边地块2017年180 42000 80 120185 泰兴市金东花苑东侧地块2017年420 70000 220 200来源:泰兴·羌溪花园论坛原文地址:/thread-1289070-1-1.html。
《泰安市城市房屋拆迁管理办法》202x年09月13日09:31政府令【第93号】第一章总则第一条为加强城市房屋拆迁管理,规范拆迁活动,维护拆迁当事人的合法权益,根据国务院《城市房屋拆迁管理条例》、《山东省城市房屋第二条凡在泰安市城市规划区内国有土地上实施房屋拆迁,需要对被第三条城市房屋拆迁必须符合城市规划,有利于城市建设和居住环境的改善,保护第四条拆迁人应当依照本办法的规定,对被拆迁人给予补偿安置;被第五条本办法所称拆迁人,是指依法取得《房屋拆迁许可证》的单位。
第六条市建设行政主管部门负责城市房屋拆迁的监督管理工作;市城市计划、规划、国土资源、公安、物价、文物、工商行政管理等部门应当按照各自的职责,配合做好城市房屋拆迁管理工第二章拆迁管理第七条实施城市房屋拆迁的单位,应持下列资料向市拆迁办提出申请:(一)(二)(三)(四)(五)符合条件的,市建设行政主管部门在接到申请之日起30日内颁发《房屋拆迁许可证》,按规定收取拆迁管理费;不符合条件的,应书面通知申第八条(二第九条市建设行政主管部门在发放《房屋拆迁许可证》的同时,应当将《房屋拆迁许可证》所载明的拆迁人、拆迁范围、拆迁期限、补偿安置政策等事项,以公告的形式予以公布,并做好有关政策和拆迁事项的第十条(二)改变房市建设行政主管部门应当就以上所列事项,书面通知有关部门暂停办理第十一条拆迁人应当在《房屋拆迁许可证》确定的拆迁范围和期限内,确需延长拆迁期限的,拆迁人应当在拆迁期限届满15日前向市建设行政主管部门提出延期申请;市建设行政主管部门应自收到申请之日起10日第十二条拆迁人可以委托具有拆迁资格的单位拆迁,也可自行拆迁。
自行拆迁的,必须经市建设行政主管部门同意。
第十三条拆迁人委托拆迁的,应当向被委托的拆迁单位出具委托书,并签订拆迁委托合同。
拆迁人应当自拆迁委托合同签订之日起15日内,拆迁人应当支付委托拆迁费。
委托拆迁费参照拆迁安置补偿费3%-6%的标准,由双方协商确定。
市区城市房屋拆迁补偿评估技术细则第一章 拆迁评估总则第一条 制订依据:根据《中华人民国城市房地产管理法》、国务院《城市房屋拆迁管理条例》(国务院第305号令)、《省城市房屋拆迁管理条例》、《市城市房屋拆迁管理暂行办法》(市政府令第58号)、《房地产估价规(GB /T50291-1999)》以及《城镇土地估价规程》等有关规定,参照《城市房屋拆迁估价指导意见》制定本细则。
第二条 适用围:在市区行政区域的国有土地上,从事房屋拆迁补偿估价(以下简称拆迁评估)的房地产评估机构和评估人员的评估技术行为应当符合本细则的要求。
第三条 估价机构:进行拆迁评估的房地产评估机构应具备三级及以上房地产评估资质,并已列入向社会公布的市城市房屋拆迁评估机构名录。
第四条 估价人员:承担房屋拆迁评估的房地产评估专业人员应该是符合本细则第三条规定的评估机构中的注册房地产估价师。
第五条 估价对象:房屋拆迁围,经现场查产认定的被拆迁房屋及其附属物(含其占用围的国有土地使用权)。
第六条 估价目的:统一为“房屋拆迁补偿估价”。
第七条 估价时点:被拆迁房屋的拆迁许可证颁发之日。
第八条 价值标准:被拆迁房屋在估价时点完全产权下最可能达成的公开市场价值(含政府根据公开市场价值所确定并公布的拆迁补偿保障标准和优惠标准),不考虑被拆迁房屋所受抵押、租赁等权利限制情形。
第九条 拆迁区位分区:根据市城市房屋拆迁区位划分体系,按住宅、非住宅非营业用房、营业用房三种情况,将市区主城区和经济开发区划分为三类拆迁区位及分区分等,作为拆迁补偿评估依托的技术基础。
第十条 房屋拆迁评估价格构成:是被拆迁房屋(含一般装修)拆迁补偿的房地产市场评估价格,室装饰装修容不列入被拆迁房屋评估容而另行专项评估,也不包含房屋拆迁中的搬迁补助费、过渡补助费和拆迁非住宅房屋造成停产、停业的损失补助费等。
第十一条 评估程序:1.接受评估委托,明确基本事项;2.验收查产资料,开展前期调查;3.拟订作业方案,进行现场勘察;4.按照技术细则,进行评估测算;5.确认测算结果,撰写评估报告;6.汇总相关资料,提交评估报告;7.现场咨询答疑,评估材料存档。