液压油的基础知识介绍(20200517120259)
- 格式:pdf
- 大小:1011.01 KB
- 文档页数:9
第一讲:液压油基础知识
一、液压油的分类:
抗磨液压油(YB)
机械油
低温液压油(YC)
汽轮机油
石油型液压——导轨油
普通液压油
高粘度指数液压油(YD)
专用液压油
其它专用液压油
乳化型:水包油乳化液(YRA)、油包水乳化液(YRB)
合成型
合成型:水——乙二醇液(YRC)、磷酸脂液(YRD)、其它二、液压油的特性:
石油型的液压油以机械油为基料,精炼后按需要加入适当的添加剂而成。
这种液压油的润滑性好,但抗燃性差。
机械油是一种工业用润滑油,价格虽然较低,但物理化学性能较差,使用时易产生粘稠胶质,堵塞元件,影响系统的性能。
压力越高,问题越严重,一般只在压力较低和要求不高的场合中使用。
汽轮机油和机械油相比,使用寿命长,与水混合后能迅速分离,纯净度高。
普通液压油中加有抗氧化、防锈和抗泡等的添加
剂,在液压系统中使用最广。
我公司一般使用46号普通液压油。
专用液压油与难燃型液压油用于要求比较高的液压系统中。
液压油的9大基本知识要点针对首次接触液压油、抗磨液压油产品的人来说,怎样才能迅速的了解液压油的基本和本质,便于开展工作呢?以下是整理的基本常识,供参考!1、什么是液压油和液力传动油?液压油是借助处在密闭容积内的液体压力来传递能量或动力的工作介质。
液力传动油是借助于处在密闭容积内的液体动能来传递能量或动力的工作介质。
2、液压油、液力传动油的作用是什么?一方面实现能量传递、转换和控制的工作介质,一方面同时起润滑、防锈、冷却、减震等作用。
3、液压油应具备哪些主要性质?适宜粘度好的粘温性、优良润滑抗磨抗乳化性、优良热/氧化/水解/剪切安定性、良好防锈抗腐性、良好抗泡/空气释放性、良好密封材料适应性、良好清洁性和过滤性4、我国矿物油型和合成烃型液压油的产品标准是什么?包括哪些品种?标准GB11118.1-94,包括HL、HM、HG、HV、HS五个品种的技术规格。
5、国内液压油有几种?较常用液压油有L-HL液压油、L-HM抗磨液压油、L-HV低温抗磨液压油、L-HS低凝抗磨液压油、L-HG液压导轨油、抗燃液压油。
6、液压油粘度牌号有哪些?常用的有几种?我国液压油粘度等级分10、15、22、32、46、68、100、150等八种,常用粘度等级为32、46、68三种。
粘度牌号均以40℃粘度划分7、抗磨液压油主要有哪些类型?其特点是什么?按添加剂成分:锌型抗磨液压油(有灰型)抗磨剂主要是二烷基二硫代磷酸锌;无灰型抗磨液压油主要是S、P型抗磨剂。
8、同种类、同粘度、不同厂家生产的液压油能否混存、混用?不可以混存、混用。
最好经混存、混用试验后,再决定。
即便种类一样,黏度一样,但不同厂家生产的产品化学组成上未必完全相同。
盲目混用将加大潜在风险,影响质量和效果。
9、含锌抗磨液压油又细分为高锌、低锌,区别在何处?细分标准:以锌含量0.03%为界。
>0.03%为高锌抗磨液压油。
小于则为低锌抗磨液压油。
区别:国标情况下高锌油抗磨性更好,其他性能一般;低锌油其他性能较好,抗磨性一般。
液压油基础知识用于流体静压(液压传动)系统中的工作介质称为液压油,而用作流体动压(液力传动)系统中的工作介质则称为液力传动油,通常将二者统称为液压油。
液压油与发动机油相比较,液压油除具有发动机油的基本性能外,还具有良好的抗乳化性、抗磨性、水解安定性、可滤性、抗泡性和空气释放性。
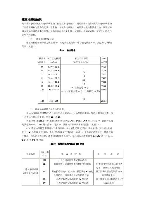
一. 液压油的粘度分级液压油粘度新的分级方法是用40 ℃运动粘度的第一中心值为粘度牌号,共分为八个粘度等级,见表18。
表18 粘度牌号二. 液压油的质量分级及应用范围国际标准化组织(ISO)把液压油用字母H来表示,分为易燃烃类油、抗燃烃类油两大类,每一大类又再分为若干类,见表19、表20。
国家标准GB7631.2—87把液压系统用油分为L-HH、L-HL、L-HM等15个品种,把液力系统用油分为L-HA、L-HL两个品种,见表21。
液压油产品举例和应用范围,见表22。
L-HL液压油原称通用型机床工业润滑油,属抗氧化防锈液压油。
试验表明,其各项性能都优于L-AN全损耗系统用油,寿命比全损耗系统用油高一倍以上。
该系列产品适用于一般机床的主轴箱、液压站和齿轮箱,或类似的机械设备的中、低压液压系统的润滑(2.5 MPa以下为低压,2.5~8.0 MPa为中压)。
表19 易燃的烃类液压油ISO分类表20 抗燃液压油ISO分类L-HM液压油(抗磨液压油)较HL液压油有突出的抗磨性,适用于压力大于10 MPa的高压和超高压的叶片泵、柱塞泵等。
L-HM液压油通常分为含锌型(或称有灰型)和无灰型两类。
含锌型抗磨液压油,加了含锌的抗磨剂,无灰型不加含锌的抗磨添加剂。
无灰型性能较好,但价格较高,故常用含锌型。
表21 液压油分类表22 液压油各组产品的举例和主要应用(参考件)* 特殊要求是指更好的低温性能、防锈性、抗乳化性和空气释放能力等。
L-HV、L-HS属低温液压油,前者适用于寒冷地区的工程机械液压系统和其他液压设备;后者适用于极寒地区的工程机械液压系统和其他液压设备。
液压油技术知识液体传动,是用液体作为介质,利用液体的压力能和动能来传动能量。
通常将利用压力能的液压系统所使用的液压介质称为液压油(液);将利用液体动能的液力传动系统(变矩器)使用的介质成为液力传动油。
液压油[1]就是利用液体压力能的液压系统使用的液压介质,在液压系统中起着能量传递、系统润滑、防腐、防锈、冷却等作用。
对于液压油来说,首先应满足液压装置在工作温度下与启动温度下对液体粘度的要求,由于油的粘度变化直接与液压动作、传递效率和传递精度有关,还要求油的粘温性能和剪切安定性应满足不同用途所提出的各种需求。
另外,液压油要对液压系统金属和密封材料有良好的配伍性,良好的过滤性;具有抗腐蚀能力和抗磨损能力以及抗空气夹带和起泡倾向;热稳定性及氧化安定性要好;具用破乳化必性;对于某些特殊用途,还应具有耐燃性和对环境不造成污染(如易于生物降解和无毒性)。
液压油根据用途和特性一般分为矿油型液压油、合成烃液压油、抗燃液压油、清净液压油、可生物降解液压油等类型。
以下是各类液压油的基本情况:矿油/合成烃液压油-- 产品符号组成和特性我国标准参照标准--- HH 精制矿物油,不含添加剂DIN51517-79 BS4475-75 ---HL 精制矿物油,并改善其防锈性和抗氧化性VICKERS I-286-S HM HL油,并改善其抗磨性Milacron p-68/69/70 HG HM油,并具有粘滑性GB11118.1-94 DIN51524(Ⅱ)—1985 HV HM油,并改善其粘温性,聚烯烃合成油为基础油NFE48-603-1983 HS 无特定难燃性的合成液,聚烯烃合成油为基础油-- 抗燃液压油主要用于冶金、采矿、电厂、机加工等行业的接近或临近火源、热源的液压系统,分为水基液压油(HFAE、HFB、HFC)、磷酸脂型(HFDR)和其它合成型(HFDS、HFDU)三种。
清净液压油用于含有电液四氟阀及其它精密元件的液压系统。
液压油基础知识液压油是利用液体压力能的液压系统使用的液压介质,在液压系统中起着能量传递、系统润滑、防腐、防锈、冷却等作用1、减摩抗磨,降低摩擦阻力以节约能源,减少磨损以延长机械寿命,提高经济效益;2、冷却,要求随时将摩擦热排出机外;3、密封,要求防泄漏、防尘、防串气;4、抗腐蚀防锈,要求保护摩擦表面不受油变质或外来侵蚀;5、清净冲洗,要求把摩擦面积垢清洗排除;6、应力分散缓冲,分散负荷和缓和冲击及减震;7、动能传递,液压系统和遥控马达及摩擦无级变速等。
一、液压油采用统一的命名方式,其一般形式如下:L Hv 22其中:L--类别(润滑剂及有关产品,GB7631.1)HV--品种(低温抗磨)22--牌号(粘度级,GB3141)二、液压油的性质1.粘度和粘温特性:粘度是液压油的主要指标,对系统的平稳工作有着重要影响。
粘度过小时,润滑表面容易产生磨损,从而使液压元件的内漏和外漏增加,泵容积效率降低,油温上升。
而粘度过大时,泵吸油困难,流动过程能量损失增加,系统的发热增加,油温也升高。
因此,必须具有合适的粘度。
在多数情况下,液压油一般用40℃运动粘度11.0-60.0mm2/s。
由于工程机械一般在露天工作,油温随着气温的变化而变化,所以为了保证液压系统稳定工作,要求油品的粘度指数越大越好。
一般抗磨液压油的粘度指数要求不低于90,低温液压油不低于130。
2.低温性:液压油的低温性包括三个方面:1)低温流动性。
2)低温启动性。
3)低温泵送性。
后两种性能主要与油品低温粘度有关。
因此,各种液压泵的生产厂家对出厂的液压泵规定了所用液压油最低的冷启动粘度。
3.氧化安定性:液压油要求具有良好的氧化安定性,以减少氧化变质形成酸性物质和沉淀物对液压设备产生不良影响,并延长油品换油期。
通常要求酸值达到2mgKOH/g的时间不少于100h。
4.防锈性和防腐性:液压系统在运转过程中,不可避免地要混入一些空气和水分,这些空气和水分会造成金属表面的锈蚀,影响液压元件的精度。
液压油一、液压油的分类与命名液压油的分类方法过去主要有以下几种:按用途分类:航空液压油、舰船液压油、数控机床液压油,特种液压油等。
按使用温度范围分类:普通、高温、低温液压油,宽温范围液压油。
按组成分类:无添加剂型、防锈抗氧型、抗磨型、高粘度指数液压油型等。
按使用特性分类:易燃、难燃、环保型等。
按使用压力分类:普通、高压液压油等。
按添加剂类型分类:无灰、有灰,锌型、无锌、低锌、高锌液压油等。
1982年国际标准化组织ISO发布了液压系统分类标准ISO 6743.4-82,1987年我国等效采用ISO标准制定了润滑剂和有关产品(L类)的分类——第2部分H组(液压系统)的分类标准GB 7631.2-87,1999年ISO出台了新的液压油分类标准ISO 6743.4-1999,与1982年版本相比增加了四种环保型液压液,删除了两种对环境有害的难燃液压油。
开发生物降解型液压油,保护环境,是顺应社会发展的需要。
我国目前正等效ISO 6743.4-1999对原标准GB 76312-87进行修订。
增加环境可接受的液压液HETG、HEPG、HEES、HEPR四种,取消对身体有害的难燃压液HFDS和HFDT两种。
新的液压油分类标准见下表。
液压液的分类GB/T 7631.2—87注:1) 每个品种的基础液的最小含量应不少70%;2)这类液体也可以满足HE品种规定的生物降解性和毒性要求。
根据其应用场合分为流体静压系统用油和流体动力系统用油,流体静压系统用油包括四部分:矿油型和合成烃型液压油(HH、HL、HM、HR、HV、HS);环境可接受的液压液(HETG、HEPC、HEES、HEPR);液压导轨系统用油(HG);难燃液压液(HFAE、HFAS、HFB、HFC、HFDR、HFDU)共十七个品种。
流体动力系统用油包括自动传动液(HA)和联轴节和转换器(HN)两部分共两个品种。
目前,在GB 11118.1-94矿物油型和合成烃型液压油产品标准中对液压油产品名称进行了统一的规范化的标记,标记示例:液压油L-HM46(优等品),其中“L”表示润滑剂类别,“HM”表示抗磨液压油,“46”表示粘度等级(按GB 3141-82规定),“优等品”表示产品质量符合GB 11118.1中所规定的质量等级的档次。
液压油主要成分液压油是液压系统中不可或缺的重要组成部分,其主要成分对液压系统的性能和工作效果有着重要影响。
液压油主要由基础油和添加剂组成,下面将详细介绍液压油的主要成分及其功能。
一、基础油基础油是液压油的主要成分,它占据液压油的大部分比例。
基础油的选择对液压系统的运行效果和寿命至关重要。
基础油通常是由石油加工得到的,也可以使用合成方法制得。
不同类型的基础油有不同的特性和适用范围。
1. 矿物油基础油:矿物油是最常见的液压油基础油,它具有良好的润滑性和导热性能,能够有效降低摩擦和磨损。
然而,矿物油在高温和高压下容易氧化和分解,导致液压系统故障。
2. 合成油基础油:合成油是通过化学合成或物理合成方法得到的,具有较高的抗氧化性和抗热性能。
合成油可以在更宽的温度范围内工作,并且具有更长的使用寿命。
然而,合成油的成本较高,不适用于所有液压系统。
3. 生物油基础油:生物油是一种可再生的液压油基础油,由植物油或动物脂肪经过酯化等化学反应得到。
生物油具有良好的生物降解性和环境友好性,但其抗氧化性和抗热性能相对较差。
二、添加剂为了提高液压油的性能和适应不同工况下的需求,通常需要添加一定的添加剂。
1. 抗氧化剂:抗氧化剂可以延长液压油的使用寿命,抑制液压油在高温和氧气环境下的氧化反应,防止油品的劣化和沉积物的生成。
2. 抗磨剂:抗磨剂可以减少摩擦和磨损,提高液压系统的工作效率和寿命。
常见的抗磨剂有磷酸酯类和硫醇类。
3. 抗泡剂:抗泡剂可以防止液压油在高速流动时产生气泡,保持液压系统的工作稳定性。
4. 清洁分散剂:清洁分散剂可以防止油品中的杂质和沉积物在系统中积累,保持液压系统的清洁。
5. 抗腐蚀剂:抗腐蚀剂可以防止液压油在潮湿环境中与金属接触产生腐蚀,延长液压系统的使用寿命。
6. 极压剂:极压剂可以在液压系统中形成一层保护膜,减少金属表面的接触和磨损,提高工作效率和寿命。
总结:液压油的主要成分包括基础油和添加剂,基础油是液压油的主体,具有润滑和导热功能,而添加剂则能够提高液压油的性能和适应不同工况的需求。
液压油的分类及基本知识(共5页)--本页仅作为文档封面,使用时请直接删除即可----内页可以根据需求调整合适字体及大小--液压油一、液压油的分类与命名液压油的分类方法过去主要有以下几种:按用途分类:航空液压油、舰船液压油、数控机床液压油,特种液压油等。
按使用温度范围分类:普通、高温、低温液压油,宽温范围液压油。
按组成分类:无添加剂型、防锈抗氧型、抗磨型、高粘度指数液压油型等。
按使用特性分类:易燃、难燃、环保型等。
按使用压力分类:普通、高压液压油等。
按添加剂类型分类:无灰、有灰,锌型、无锌、低锌、高锌液压油等。
1982年国际标准化组织ISO发布了液压系统分类标准ISO ,1987年我国等效采用ISO标准制定了润滑剂和有关产品(L类)的分类——第2部分H组(液压系统)的分类标准GB ,1999年ISO出台了新的液压油分类标准ISO ,与1982年版本相比增加了四种环保型液压液,删除了两种对环境有害的难燃液压油。
开发生物降解型液压油,保护环境,是顺应社会发展的需要。
我国目前正等效ISO 对原标准GB 76312-87进行修订。
增加环境可接受的液压液HETG、HEPG、HEES、HEPR四种,取消对身体有害的难燃压液HFDS和HFDT两种。
新的液压油分类标准见下表。
液压液的分类GB/T —87注:1) 每个品种的基础液的最小含量应不少70%;2)这类液体也可以满足HE品种规定的生物降解性和毒性要求。
根据其应用场合分为流体静压系统用油和流体动力系统用油,流体静压系统用油包括四部分:矿油型和合成烃型液压油(HH、HL、HM、HR、HV、HS);环境可接受的液压液(HETG、HEPC、HEES、HEPR);液压导轨系统用油(HG);难燃液压液(HFAE、HFAS、HFB、HFC、HFDR、HFDU)共十七个品种。
流体动力系统用油包括自动传动液(HA)和联轴节和转换器(HN)两部分共两个品种。
目前,在GB 矿物油型和合成烃型液压油产品标准中对液压油产品名称进行了统一的规范化的标记,标记示例:液压油L-HM46(优等品),其中“L”表示润滑剂类别,“HM”表示抗磨液压油,“46”表示粘度等级(按GB 3141-82规定),“优等品”表示产品质量符合GB 中所规定的质量等级的档次。
液压油技术知识液体传动,是用液体作为介质,利用液体的压力能和动能来传动能量。
通常将利用压力能的液压系统所使用的液压介质称为液压油(液);将利用液体动能的液力传动系统(变矩器)使用的介质成为液力传动油。
液压油[1]就是利用液体压力能的液压系统使用的液压介质,在液压系统中起着能量传递、系统润滑、防腐、防锈、冷却等作用。
对于液压油来说,首先应满足液压装置在工作温度下与启动温度下对液体粘度的要求,由于油的粘度变化直接与液压动作、传递效率和传递精度有关,还要求油的粘温性能和剪切安定性应满足不同用途所提出的各种需求。
另外,液压油要对液压系统金属和密封材料有良好的配伍性,良好的过滤性;具有抗腐蚀能力和抗磨损能力以及抗空气夹带和起泡倾向;热稳定性及氧化安定性要好;具用破乳化必性;对于某些特殊用途,还应具有耐燃性和对环境不造成污染(如易于生物降解和无毒性)。
液压油根据用途和特性一般分为矿油型液压油、合成烃液压油、抗燃液压油、清净液压油、可生物降解液压油等类型。
以下是各类液压油的基本情况:矿油/合成烃液压油-- 产品符号组成和特性我国标准参照标准--- HH 精制矿物油,不含添加剂DIN51517-79 BS4475-75 ---HL 精制矿物油,并改善其防锈性和抗氧化性VICKERS I-286-S HM HL油,并改善其抗磨性Milacron p-68/69/70 HG HM油,并具有粘滑性GB11118.1-94 DIN51524(Ⅱ)—1985 HV HM油,并改善其粘温性,聚烯烃合成油为基础油NFE48-603-1983 HS 无特定难燃性的合成液,聚烯烃合成油为基础油-- 抗燃液压油主要用于冶金、采矿、电厂、机加工等行业的接近或临近火源、热源的液压系统,分为水基液压油(HFAE、HFB、HFC)、磷酸脂型(HFDR)和其它合成型(HFDS、HFDU)三种。
清净液压油用于含有电液四氟阀及其它精密元件的液压系统。