系统辨识与全参数估计习题
- 格式:doc
- 大小:474.02 KB
- 文档页数:10
系统辨识练习题
一、简述下列各题
1. 什么是系统辨识?系统辨识的组成要素有哪些?系统辨识的基本步骤有哪些?把
系统辨识的基本环节用框图表示出来。
2. 阐述辨识的原理,并以单输入单输出系统为例,画出辨识原理图。
3. 什么是最小二乘参数辨识问题,简单阐述它的基本原理。
4. 基本最小二乘算法有何优缺点?克服基本最小二乘算法的缺陷的方法有哪些?
5. 递推辨识算法的基本格式是什么?构成递推辨识算法的基本条件是什么?
6. 阐述极大似然原理。
7. 现代辨识方法大体上可以分成哪几类? 8. 何谓白噪声?
9. 简述表示定理,并简单说明其意义。
10. 简述巴塞伐尔定理。
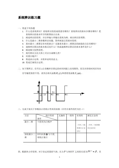
二、如下图所示,信号以1/2的概率在固定的时间间隔上改变极性,而且在持续时间区间内
信号幅度保持不变,求其自相关函数)(τx R 和谱密度函数)(ωx S 。
三、完成下面关于参数估计的统计性质的表格(在符合条件的栏内打√)
四、根据热力学原理,对于给定质量的气体,压力P 与体积V 之间的关系为βα
=PV
,其
中α和β为待定参数。
经实验获得如下一批数据,V 单位为立方英寸,P 的单位为巴每平方英寸
试用一次完成的最小二乘算法确定参数α和β(只要求写出计算过程,不要求计算结果)。
五、 写出加权最小二乘算法的递推公式,并解释如何进行递推计算(包括初始条件如何
确定)? 六、
考虑一个独立同分布的随机过程)}({t x ,在参数θ条件下随机变量x 的概率密度为
0,)|(2>=-θθθθx xe x P
求参数θ的极大似然估计。
参数估计试题及答案一、选择题(每题10分)1. 在统计学中,参数估计是指:a) 对总体参数进行估计b) 对样本参数进行估计c) 对总体与样本参数进行估计d) 对无限制的参数进行估计2. 下列哪个方法可以用于参数估计?a) 极大似然估计b) 最小二乘估计c) 贝叶斯估计d) 所有上述方法3. 哪个估计方法被广泛应用于正态分布的参数估计?a) 极大似然估计b) 最小二乘估计c) 方法一与二皆可d) 都不对4. 在参数估计中,抽样误差是指:a) 由于样本选择的随机性引起的误差b) 对总体参数的估计误差c) 由于参数估计方法的限制引起的误差d) 都对5. 当总体方差未知时,参数估计常常采用:a) Z检验b) T检验c) F检验d) 卡方检验二、判断题(每题10分)判断下列陈述的正误,并简要说明理由。
1. 在参数估计中,估计量的无偏性意味着样本均值等于总体均值。
2. 极大似然估计方法只适用于正态分布的参数估计。
3. 参数估计的置信区间给出了总体参数的准确范围。
4. 使用最小二乘法进行参数估计时,要求误差项满足正态分布假设。
5. 参数估计方法的选择应根据研究对象和研究目的来确定。
三、填空题(每题10分)1. 参数估计的基本思想是通过样本信息来推断总体的____________。
2. 参数估计的精度通常通过计算估计值的____________来衡量。
3. 极大似然估计方法的核心思想是选择使得样本观测出现的概率最____________的参数值。
4. 估计量的____________性是指估计值的抽样分布的中心与参数真值之间的偏离程度。
5. 参数估计的优良性包括无偏性、____________和一致性。
答案:一、选择题1. a2. d3. a4. a5. b二、判断题1. 正确。
估计量的无偏性意味着估计值的期望等于总体参数的真值。
2. 错误。
极大似然估计方法不仅限于正态分布,适用于各种分布的参数估计。
3. 错误。
襄樊学院2008-2009学年度上学期《系统辨识》试题A卷参考答案及评分标准一、选择题:(从下列各题的备选答案中选出一个或几个正确答案,并将其代号写在题干后面的括号内。
答案选错或未选全者,该题不得分。
每空2分,共12分)1、(C)2、(D)3、(ACD)4、(D)5、(A)6、(ABC)二、填空题:(每空2分,共14分)1、计算。
2、阶次和时滞3、极大似然法和预报误差法4、渐消记忆的最小二乘递推算法和限定记忆的最小二乘递推算法三、判断题(下列命题你认为正确的在题后括号内打“√”;错误的打“×”并改正;每小题2分,共20分)(注:正确的题目括号内打“√”得2分,打“×”得0分;错误的题目括号内打“×”得1分,改正正确再得1分,错误的题目括号内打“√”得0分;)1、(√)2、(×)参数型→非参数型3、(√)4、(×)没有→有5、(√)6、(×)考虑→基本不考虑7、(√)8、(√)9、(×)完全相同→不完全相同 10、(×)不需要→需要四、简答题:(回答要点,并简明扼要作解释,每小题6分,共18分)1、答:相关分析法的主要优点是由于M序列信号近似于白噪声,噪声功率均匀分布于整个频带,从而对系统的扰动甚微,保证系统能正常工作(1.5分)。
此外。
因为相关函数的计算是一种统计平均的方法,具有信息滤波的功能,因此,在有噪声污染下,仍可提取有用信息,准确地求出系统的脉冲响应(1.5分)。
相关辨识技术在工程中的应用、可归结为下述几个方面:(1)系统动态特性的在线测试。
包括机、炉、电等一次设备,风机、水泵等辅机以及二次自动控制系统;(1分)(2)对控制系统进行在线调试,使调节系统参数优化;(1分)(3)自适应控制中的非参数型模型辨识等。
(1分)2、答:计算中用一个数值来表示对观测数据的相对的“信任程度”,这就是权。
(2分)对于时变参数系统,其当前的观测数据最能反映被识对象当前的动态特性,数据愈“老”,它偏离当前对象特性的可能性愈大。
系统辨识练习题在进行系统辨识练习题之前,我们需要明确什么是系统辨识。
系统辨识是指通过对系统输入和输出数据的分析,建立描述系统行为的模型,并通过模型参数的估计来预测系统的性能。
在现实生活中,系统辨识具有广泛的应用,如控制系统设计、信号处理、机器学习等领域。
一、系统辨识基础知识1.1 系统模型与辨识系统模型表示了系统内部因果关系和输入输出关系,它是描述系统行为的数学方程。
系统辨识则是通过收集系统输入输出数据,根据这些数据建立模型,进而估计模型参数。
1.2 时域与频域方法在进行系统辨识时,可以采用时域方法或频域方法。
时域方法是指通过观察系统的时域响应,建立时间上的模型。
频域方法是指将系统输入输出的频谱进行分析,建立频域模型。
1.3 参数辨识与结构辨识参数辨识是指根据已知的系统输入输出数据,估计系统模型中的参数。
而结构辨识是指在已知系统输入输出数据的基础上,确定系统模型的结构或形式。
二、系统辨识方法2.1 线性系统辨识方法线性系统辨识是指对线性系统进行辨识,常用的方法包括最小二乘法、最大似然法、滑动模式控制等。
这些方法都基于线性系统的假设,且对噪声具有一定的假设条件。
2.2 非线性系统辨识方法非线性系统辨识是指对非线性系统进行辨识,因为非线性系统的行为较为复杂,因此常常需要更加复杂的模型和算法来进行辨识。
常见的方法包括神经网络、遗传算法等。
2.3 时间序列分析时间序列分析是指对系统输入输出数据在时间上的变化进行分析,用来建立系统的模型。
常用的方法包括自回归模型、移动平均模型等。
2.4 频域分析频域分析是指对系统输入输出数据的频谱进行分析,从而建立频域模型。
常用的方法包括傅里叶变换、功率谱估计等。
三、系统辨识实践练习在进行系统辨识实践练习时,首先需要明确辨识的目标和问题。
然后,收集系统的输入输出数据,并对数据进行预处理,如去噪、插值等。
接下来,选择合适的辨识方法,建立系统的数学模型,并进行参数估计。
最后,对辨识结果进行验证和评估。
一. 问答题1. 介绍系统辨识的步骤。
答:(1)先验知识和建模目的的依据;(2)实验设计;(3)结构辨识;(4)参数估计;(5)模型适用性检验。
2. 考虑单输入单输出随机系统,状态空间模型[])()(11)()(11)(0201)1(k v k x k y k u k x k x +=⎥⎦⎤⎢⎣⎡+⎥⎦⎤⎢⎣⎡=+ 转换成ARMA 模型。
答:ARMA 模型的特点是u(k)=0,[])()(11)()(0201)1(k v k x k y k x k x +=⎥⎦⎤⎢⎣⎡=+3. 设有一个五级移位寄存器,反馈取自第2级和第3级输出的模2加法和。
试说明:(1) 其输出序列是什么? (2) 是否是M 序列?(3) 它与反馈取自第4级与第3级输出模2加法和所得的序列有何不同? (4) 其逆M 序列是什么? 答:(1)设设输入序列1 1 1 1 1111018110107101006010015100114001113011112111111)()()()()()()()(()()()()()()()01110161110115110101410100)13(010011210011110011110011109()()()()()()()001112401110)23(111012211010211010020010011910011180011117()()()()()()()()10011320011131011103000111291101028101002701001261001125 其输出序列为:1 1 1 1 1 0 0 1 0 1⑵不是M 序列⑶第4级与第3级模2相加结果100108001007010006100015000114001113011112111111)()()()()()()()(()()()()()()()11110161110115110101410101)13(010111210110110110010110019()()()()()()()110012410010)23(001002201000211000120000111900111180111117()()()()()()()()01111321111031111013011010291010128010112710110260110025 不同点:第2级和第3级模二相加产生的序列,是从第4时刻开始,每隔7个时刻重复一次;第4级与第3级模2相加产生的,序列,是从第2时刻开始每隔15个时刻重复一次。
系统辨识大作业
一.设SlSO系统差分方程为
y(k)=—α1y(k-1)-a2y(k-2)+bλu(k-1)+b2u(k-2)+ξ{k)
辨识参数向量为θ=[q a2b l b2]r,输入输出数据详见数据文件UyLtXt—uy3.txtoξ(k)为噪声方差各异的白噪声或有色噪声。
试求解:
1)用n元一次方程解析法,再求其平均值方法估计。
2)用最小二乘及递推最小二乘法估计。
;
3)用辅助变量法及其递推算法估计
4)用广义最小二乘法及其递推算法估计
5)用夏氏偏差修正法、夏氏改良法及其递推算法估计
6)用增广矩阵法估计
7)分析噪声父攵)特性;
二.用极大似然法估计6。
三.以上题的结果为例,进行:
1.分析比较各种方法估计的精度;
2.分析其计算量;
3.分析噪声方差的影响;
4.比较白噪声和有色噪声对辨识的影响。
四.系统模型阶次的辨识:
1.用三种方法确定系统的阶次并辨识;
2.分析噪声对定阶的影响;
3.比较所用三种方法的优劣及有效性;
五.给出由正弦输入求取系统开环频率响应特性曲线的辨识方法。
六.提出一种自己创造的辨识新方法,并用所给数据进行辨识验证。
注:闭卷考试时提交大作业报告。
系统辨识大作业专业班级:自动化09-3学号:09051325姓名:吴恩作业一:设某物理量Y与X满足关系式2=++,实验获得一批数据Y aX bX c如下表,试辨识模型参数,,a b c。
(15分)解答:问题描述:由题意知,这是一个已知模型为Y=aX2+bX+c,给出了10组实验输入输出数据,要求对模型参数a,b,c进行辨识。
问题求解:这里对该模型参数辨识采用最小二乘法的一次算法(LS)求解。
2=++可以写成矩阵形式Y=AE+e;其中A=[X^2,X,1]构成, Y aX bX c利用matlab不难求解出结果。
运行结果:利用所求的的参数,求出给定的X对应的YE值,列表如下做出上表的图形如下12345678910xyy=ax 2+bx+c 参数求解结果分析:根据运行结果可以看出,拟合的曲线与真是观测的数据有误差,有出入,但是误差较小,可以接受。
出现误差的原因,一方面是由于给出的数据只有十个点,数据量太少,难以真正的充分的计算出其参数,另外,该问题求解采用的是LS 一次算法,因此计算方法本身也会造成相应的误差。
作业二:模仿实验二,搭建对象,由相关分析法,获得脉冲相应序列()g k,由()G z;和传递函数g k,参照讲义,获得系统的脉冲传递函数()G s及应用相关最小二乘法,拟合对象的差分方程模型;加阶跃()扰动,用最小二乘法和带遗忘因子的最小二乘法,辨识二阶差分方程的参数,比较两种方法的辨识差异;采用不少于两种定阶方法,确定对象的阶次。
对象模型如图:利用相关分析法,得到对象的脉冲相应序列。
如下图:(1).由脉冲相应序列,求解系统的脉冲传递函数G(z)Transfer function:0.006072 z^2 + 0.288 z + 0.1671-------------------------------z^2 + 0.1018 z - 0.7509Sampling time: 2(2).由脉冲相应序列求解系统的传递函数G(s)Transfer function:(0.04849+2.494e-018i)-----------------------s^2 + 0.1315 s + 0.6048(3).利用相关最小二乘法拟合系统的差分方程模型如下:(4).在t=100,加入一个0.5的阶跃扰动,,利用RLS求解差分方程模型:RLS加入遗忘因子之后与未加之前的曲线情况如下:未加遗忘因子之前参数以及残差的计算过程加入0.99的遗忘因子得到的参数辨识过程与残差的变化过程根据上面两种方法所得到的误差曲线和参数过渡过程曲线,我们可以看出来利用最小二乘法得到的参数最终趋于稳定,为利用带遗忘因子的最小二乘算法,曲线参数最终还是有小幅度震荡。
参数估计习题及答案参数估计习题及答案在统计学中,参数估计是一种重要的技术,用于根据样本数据估计总体的未知参数。
参数估计的目标是通过样本数据推断总体参数的取值范围,并得到一个接近真实值的估计。
本文将通过几个习题来探讨参数估计的方法和应用。
习题一:某研究人员想要估计某种新药对病人的治疗效果。
他从一家医院中随机选取了100名患者,并将他们随机分为两组,一组接受新药治疗,另一组接受传统药物治疗。
研究人员希望通过样本数据估计新药的治疗效果是否显著优于传统药物。
解答:在这个问题中,我们需要估计两个总体的治疗效果,即新药组和传统药物组的平均治疗效果。
为了估计这两个总体的差异,我们可以使用两个独立样本的 t检验。
假设新药组的平均治疗效果为μ1,传统药物组的平均治疗效果为μ2。
我们的零假设是H0: μ1 = μ2,备择假设是H1: μ1 > μ2。
通过计算样本均值和标准差,我们可以得到 t 统计量的值,并进行假设检验。
习题二:某公司的销售部门想要估计他们的销售额与广告投入之间的关系。
他们收集了过去一年的数据,包括每个月的广告投入和销售额。
现在他们希望通过样本数据来估计广告投入对销售额的影响程度。
解答:在这个问题中,我们需要估计两个变量之间的关系,即广告投入和销售额之间的线性关系。
为了估计这个关系,我们可以使用简单线性回归模型。
假设广告投入为 x,销售额为 y。
我们的回归模型可以表示为y = β0 + β1x + ε,其中β0 和β1 是回归系数,ε 是误差项。
通过最小二乘法,我们可以估计回归系数的值,并进行假设检验来判断广告投入对销售额的影响是否显著。
习题三:某研究人员想要估计某个城市的人口数量。
他从该城市的不同地区随机选取了若干个样本点,并统计了每个样本点的人口数量。
现在他希望通过样本数据估计整个城市的人口数量。
解答:在这个问题中,我们需要估计一个总体的数量,即整个城市的人口数量。
为了估计这个数量,我们可以使用抽样调查的方法。
一. 问答题1. 介绍系统辨识的步骤。
答:(1)先验知识和建模目的的依据:(2)实验设计:(3)结构辨识:(4)参数估计;(5) 模型适用性检验。
2. 考虑单输入单输岀随机系统,状态空间模型yW = [1小•伙)+咻)转换成ARMA 模型。
答:ARMA 模型的特点是u(k)=O.1 0x(k + 1) =x 伙).2 0. y 伙)=[1 \]x(k) + v(k)3. 设有一个五级移位寄存器,反馈取自第2级和第3级输出的模2加法和匚试说明:(1)其输出序列是什么? (2)是否是M 序列? (3)它与反馈取自第4级与第3级输出模2加法和所得的序列有何不同? (4) 其逆M 序列是什么?答:(1)设设输入序列1 1111(1) 11111(9)01110 (17)00111(25)10011(2) 01111 (10)00111 (18)10011(26)01001(3) 00111 (11)10011 (19)01001(27)10100(4) 10011 (12)01001(20)10100(28)11010(5) 01001 (13)10100(21)11010(29)00111(6) 10100 (14)11010(22)11101(30)01110(7) 11010 (15)11101 (23)01110(31)00111(8) 11101 (16)01110(24)00111(32)10011其输出序列为:1 1 1 1 1 0 0 1 0 1(2) 不是M 序列⑶第4级与第3级模2相加结果(1) 11111(9)11001 (17)01111(25)01100皿+沪20 。
心)+ "伙)(2)01111 (10)01100(18)00111(26)10110(3)00111 (11)10110 (19)00011(27)01011(4)00011 (12)01011(20)10001(28)10101(5)10001 (13)10101(21)01000(29)11010(6)01000 (14)11010(22)00100(30)11101(7)00100 (15)11101 (23)10010(31)11110(8)10010 (16)11110(24)11001(32)01111不同点:第2级和第3级模二相加产生的序列,是从第4时刻开始,每隔7个时刻重复一次:第4级与第3级模2相加产生的,序列,是从第2时刻开始每隔15个时刻重复一次。
系统辨识与建模智慧树知到课后章节答案2023年下湘潭大学湘潭大学第一章测试1. A system is a unity composed of various parts that are interconnectedconstrained and interacted with each other and have certain overallfunctions and comprehensive behaviors.()A:对 B:错答案:对2.Which one is not belong to modern control theory system?().A:System identification B:Modern control theory C:State estimationD:Automatic control答案:Automatic control3.建立数学模型的方法可大体分为:().A:观测法 B:理论分析法 C:测试法 D:实验法答案:理论分析法;测试法4.下列哪些属于非参数模型?()A:权序列模型 B:输入输出模型 C:状态空间模型 D:脉冲响应模型答案:权序列模型;脉冲响应模型5.针对水箱进行机理建模时,我们应该凭借哪种关系建立公式?().A:水箱流入量和流出量之差为流入水流量的增量 B:水箱流入量和流出量之差为液位的增量 C:水箱流入量和流出量之差为液体存储量的变化率 D:水箱流入量和流出量之差为流出水流量的增量答案:水箱流入量和流出量之差为液体存储量的变化率第二章测试1.下面哪些内容不属于系统辨识的基本内容?()A:观测数据 B:模型结构辨识 C:模型验证 D:模型参数辨识答案:观测数据2.白噪声过程没有“记忆性”,也就是说t时刻的数值与t时刻以前的值无关,也不影响t时刻以后的将来值。
()A:对 B:错答案:对3.关于白噪声的均匀分布计算问题,将产生的(0,1)均匀分布的随机数通通减去0.5,然后乘以存储器f中预置的系数,这里取f=2,从而得到新的分布()。
参数估计习题参考答案班级:姓名:学号:得分一、单项选择题:1、关于样本平均数和总体平均数的说法,下列正确的是( B )(A)前者是一个确定值,后者是随机变量(B)前者是随机变量,后者是一个确定值(C)两者都是随机变量(D)两者都是确定值2、通常所说的大样本是指样本容量( A )(A)大于等于30 (B)小于30 (C)大于等于10 (D)小于103、从服从正态分布的无限总体中分别抽取容量为4,16,36的样本,当样本容量增大时,样本均值的标准差将( B )(A)增加(B)减小(C)不变(D)无法确定4、某班级学生的年龄是右偏的,均值为20岁,标准差为4.45.如果采用重复抽样的方法从该班抽取容量为100的样本,那么样本均值的分布为(A )(A)均值为20,标准差为0.445的正态分布(B)均值为20,标准差为4.45的正态分布(C)均值为20,标准差为0.445的右偏分布(D)均值为20,标准差为4.45的右偏分布5. 区间估计表明的是一个( B )(A)绝对可靠的范围(B)可能的范围(C)绝对不可靠的范围(D)不可能的范围6. 在其他条件不变的情形下,未知参数的1-α置信区间,(A )A. α越大长度越小B. α越大长度越大C. α越小长度越小D. α与长度没有关系7. 甲乙是两个无偏估计量,如果甲估计量的方差小于乙估计量的方差,则称( D )(A)甲是充分估计量(B)甲乙一样有效(C)乙比甲有效(D)甲比乙有效8. 设总体服从正态分布,方差未知,在样本容量和置信度保持不变的情形下,根据不同的样本值得到总体均值的置信区间长度将( D )(A)增加(B)不变(C)减少(D)以上都对9.在其他条件不变的前提下,若要求误差范围缩小1/3,则样本容量( C )(A)增加9倍(B)增加8倍(C)为原来的2.25倍(D)增加2.25倍10设容量为16人的简单随机样本,平均完成工作时间13分钟,总体服从正态分布且标准差为3分钟。
参数估计练习试卷1(题后含答案及解析)题型有:1. 单选题 2. 多选题 3. 判断题 4. 综合应用题单项选择题以下每小题各有四项备选答案,其中只有一项是正确的。
1.x1,x2是取自总体N(μ,1)(μ未知)的样本。
针对这三个估计量,下列说法正确的是( )。
正确答案:D解析:知识模块:参数估计2.区间估计的置信度是指( )。
A.概率B.允许误差的大小C.概率保证程度D.抽样平均误差的大小正确答案:C解析:置信度1-α反映的是估计的可靠程度,即概率保证程度。
知识模块:参数估计3.设总体X~N(μ,σ2),σ2已知,若样本容量和置信度均不变,则对于不同的样本观测值,总体均值μ的置信区间的长度( )。
A.变长B.变短C.不变D.不能确定正确答案:C解析:对于σ2已知的总体正态分布,因为=1-α,所以总体均值μ的置信区间的长度为。
在样本容量和置信度均不变的条件下,与样本观测值无关。
所以对于不同的样本观测值,总体均值μ的置信区间的长度不变。
知识模块:参数估计4.在参数估计中利用t分布构造置信区间的条件是( )。
A.总体分布需服从正态分布且方差已知B.总体分布为正态分布,方差未知C.总体不一定是正态分布但须是大样本D.总体不一定是正态分布,但需要方差已知正确答案:B解析:当总体服从正态分布但方差未知时,可以用t分布来构造置信区间。
如果方差已知,则用标准正态分布来构造置信区间。
知识模块:参数估计5.从全部学生中抽样测定100名学生,戴眼镜者占50%,抽样平均误差为1%,用( )概率可确信全部学生中戴眼镜者在48%到52%之间。
A.68.27%B.95%C.95.45%D.99.73%正确答案:C解析:已知p=50%,μp=1%,则样本成数p的区间估计是[p-tμp,p+tμp],由48%=50%-t×1%或者52%=50%+t×1%,得t=2,即概率保证程度为95.45%。
知识模块:参数估计6.一家调查公司进行一项调查,其目的是为了了解某市电信营业厅大客户对该电信服务的满意情况。
系统辨识作业考虑如下系统:y(k)-1.5y(k-1)+0.7y(k-2)=u(k-3)+0.5u(k-4)+ε(k)-ε(k-1)+0.2ε(k-2) 式中,ε(k )为方差为0.1的白噪声。
取初值P(0)=610I 、0)0(ˆ=θ。
选择方差为1的白噪声作为输入信号u(k),采用RELS 算法进行参数估计,仿真结果如图所示。
当k=1000时,参数估计值为1552.0ˆ,97635.0ˆ,5066.0ˆ,0101.1ˆ,6934.0ˆ,4932.1ˆ211021=-====-=c c b b αα。
对比图a,b,c 可以看出,参数21ˆ,ˆc c收敛相对较慢,这是由于白噪声估计不准确造成的。
为提高参数估计精度,可适当增加仿真步数。
仿真程序:%递推增广最小二乘参数估计(RELS )clear all; close all;a=[1 -1.5 0.7]'; b=[1 0.5]'; c=[1 -1 0.2]'; d=3; %对象参数na=length(a)-1; nb=length(b)-1; nc=length(c)-1; %na 、nb 、nc 为A 、B 、C 阶次L=1000; %仿真长度uk=zeros(d+nb,1); %输入初值:uk(i)表示u(k-i)yk=zeros(na,1); %输出初值xik=zeros(nc,1); %噪声初值xiek=zeros(nc,1); %噪声估计初值u=randn(L,1); %输入采用白噪声序列xi=sqrt(0.1)*randn(L,1); %白噪声序列theta=[a(2:na+1);b;c(2:nc+1)]; %对象参数thetae_1=zeros(na+nb+1+nc,1); %na+nb+1+nc 为辨识参数个数P=10^6*eye(na+nb+1+nc);for k=1:Lphi=[-yk;uk(d:d+nb);xik];y(k)=phi'*theta+xi(k); %采集输出数据phie=[-yk;uk(d:d+nb);xiek]; %组建phie%递推增广最小二乘法K=P*phie/(1+phie'*P*phie);thetae(:,k)=thetae_1+K*(y(k)-phie'*thetae_1); P=(eye(na+nb+1+nc)-K*phie')*P;xie=y(k)-phie'*thetae(:,k); %白噪声的估计值%更新数据thetae_1=thetae(:,k);for i=d+nb:-1:2uk(i)=uk(i-1);enduk(1)=u(k);for i=na:-1:2yk(i)=yk(i-1);endyk(1)=y(k);for i=nc:-1:2xik(i)=xik(i-1);xiek(i)=xiek(i-1);endxik(1)=xi(k);xiek(1)=xie;endfigure(1)plot([1:L],thetae(1:na,:));xlabel('k'); ylabel('参数估计a');legend('a_1','a_2'); axis([0 L -2 2]);figure(2)plot([1:L],thetae(na+1:na+nb+1,:));xlabel('k'); ylabel('参数估计b');legend('b_0','b_1'); axis([0 L 0 1.5]);figure(3)plot([1:L],thetae(na+nb+2:na+nb+nc+1,:));xlabel('k'); ylabel('参数估计c');legend('c_1','c_2'); axis([0 L -2 2]);以下是仿真图形:(a ) 参数21,a a 的估计结果(b )参数10,b b 的估计结果(a )参数21,c c 的估计结果。
系统辨识习题解答1-14、若一个过程的输入、输出关系可以用MA模型描述,请将由白噪声v(k)驱动的线性环节的输出,该线性环节称为成形滤波器,其脉冲传递函数可写成即)()()()(11k v z D k e z C --= 其中ccn n z c z c z C ---+++= 1111)(根据其结构,噪声模型可区分为以下三类:1-4-证明:(1)1)]()()1()(1)[()1()()(--+-=k k k k k k k k Λh P h h P h P τ (2)1)]()()()(1)[()()()1(--=-k k k k k k k k Λh P h h P h P τ,(3)1)]()()1()(1)[()1()()()()(--+-=k k k k k k k k k k Λh P h h P h h P h τττ,(4)1)]()()()(1)[()()()()1()( --=-k k k k k k k k k k Λh P h h P h h P h τττ, 解:(1)由于)1()]()([)(--=k k h k K I k τP P 声。
定义参数向量请利用增广最小二乘思想,写出模型参数θ的递推辨识算法。
解:令及⎪⎩⎪⎨⎧=--------=ττθ],,,,,,,,[)](,),1(),(,),1(),(,),1([)(111d b a n n n f d b f f a f f f d d b b a a n k v k v n k u k u n k z k z k h计概念出发,证明该模型的参数向量θτ=[,,,,]a a b b n n 11 的估计值 θ可以写成如下加权最小二乘算法的形式()θττ=-H H H z L L L L L L ΛΛ1,式中,H L 为数据矩阵,z L 为输出向量,加权矩阵取ΛL v=12στC C ,其中矩阵C 为是正定的对角阵,由加权因子)(k Λ构成ΛL=⎥⎥⎥⎥⎦⎤⎢⎢⎢⎢⎣⎡ΛΛΛ)(000)2(000)1(L , 设WLSˆθ使得J (θ)最小,则有: 取加权阵C C v vL τσ211=∑=Λ-。
参数估计习题参考答案班级:姓名:学号:得分一、单项选择题:1、关于样本平均数和总体平均数的说法,下列正确的是( B )(A)前者是一个确定值,后者是随机变量(B)前者是随机变量,后者是一个确定值(C)两者都是随机变量(D)两者都是确定值2、通常所说的大样本是指样本容量( A )(A)大于等于30 (B)小于30 (C)大于等于10 (D)小于103、从服从正态分布的无限总体中分别抽取容量为4,16,36的样本,当样本容量增大时,样本均值的标准差将( B )(A)增加(B)减小(C)不变(D)无法确定4、某班级学生的年龄是右偏的,均值为20岁,标准差为4.45.如果采用重复抽样的方法从该班抽取容量为100的样本,那么样本均值的分布为(A )(A)均值为20,标准差为0.445的正态分布(B)均值为20,标准差为4.45的正态分布(C)均值为20,标准差为0.445的右偏分布(D)均值为20,标准差为4.45的右偏分布5. 区间估计表明的是一个( B )(A)绝对可靠的范围(B)可能的范围(C)绝对不可靠的范围(D)不可能的范围6. 在其他条件不变的情形下,未知参数的1-α置信区间,(A )A. α越大长度越小B. α越大长度越大C. α越小长度越小D. α与长度没有关系7. 甲乙是两个无偏估计量,如果甲估计量的方差小于乙估计量的方差,则称( D )(A)甲是充分估计量(B)甲乙一样有效(C)乙比甲有效(D)甲比乙有效8. 设总体服从正态分布,方差未知,在样本容量和置信度保持不变的情形下,根据不同的样本值得到总体均值的置信区间长度将( D )(A)增加(B)不变(C)减少(D)以上都对9.在其他条件不变的前提下,若要求误差范围缩小1/3,则样本容量( C )(A)增加9倍(B)增加8倍(C)为原来的2.25倍(D)增加2.25倍10设容量为16人的简单随机样本,平均完成工作时间13分钟,总体服从正态分布且标准差为3分钟。
系统辨识与参数估计课程习题一、 选择题:答案唯一,在( )填入正确答案的编号。
1. 对于批量最小二乘格式L L L E Y +θΦ=,其最小二乘无偏估计的必要条件是( )。
A. 输入序列}{k u 为“持续激励”信号B. L E 与TL L T L ΦΦΦ-1)(正交 C. L E 为非白噪声向量 D. 0}{=L E E2. 对象模型为Tk k k y e ϕθ=+时,采用递推最小二乘估计后的残差序列的计算式为( )。
A. 1ˆT k k k k y εϕθ-=-B. 1ˆT k k k k y εϕθ-=-C. ˆT k k k k y εϕθ=-D. 11ˆT k k k k y εϕθ--=-3. 在上题的条件下,递推最小二乘算法中的增益矩阵k K 可以写成( )。
A. 11k k P ϕ--B. 1k k P ϕ-C. 1k k P ϕ-D. k k P ϕ 4. 可以同时得到对象参数和干扰噪声模型参数的估计算法是( )。
A. 辅助变量法B. 广义最小二乘法C. 最小二乘限定记忆法D. 相关最小二乘两步法 5. 增广最小二乘估计的关键是( )。
A. 将控制项增广进k ϕ中,并用残差项取代进行估计B. 将输出项增广进k ϕ中,并用残差项取代进行估计C. 将噪声项增广进k ϕ中,并用残差项取代进行估计D. 将噪声项增广进k ϕ中,并用输出项取代进行估计答案:1. B 2. C 3. D 4. B 5. C ■ 二、 判断题:以○表示正确或×表示错误。
1.估计残差平方和最小是确定辨识过程对象结构的唯一标准。
( ) 2.最小二乘估计的批量算法和递推算法在数学上是等价的。
( ) 3.广义最小二乘法就是辅助变量法和增广最小二乘法交替试用。
( )4.在递推最小二乘算法中,若置0>==Tk P P P ,则该算法也能克服“数据饱和”现象,进而可适用于时变系统。
( )5.用神经网络对SISO 非线性系统辨识,采用的是输入层和输出层均为一个神经元的三层前馈神经元网络结构。
( ) 答案: 1. × 2. ○ 3. × 4. ○ 5. ×■三、 设y 和n 21x ,x ,x 之间满足关系)x a x a x a (ex p y n n 2211+++= ,试图利用y 和n 21x ,x ,x 的观测值来估计参数n 21a ,a ,a ,请将该模型化成最小二乘格式。
答案:θϕTn n 2211x a x a x a ln(y)z =+++==其中,[][]n 21T n 21Tx ,,x ,x a ,,a ,a ==ϕθ■四、 对于多输入单输出(MISO )系统可由下面的模型描述k k k e u z B y z A +=---111)()(其中,k u 为系统的m ×1维输入向量;k y 为系统的标量输出;k e 为标量i.i.d 随机噪声;1-z 为延迟算子,即11--=k k y y z ;)(1-z A 为标量参数多项式,)(1-z B 为1×m 的参数多项式向量:a a n n z a z a z A ---+++= .1)(111b b n n z B z B B z B ---+++= .)(1101请写出:最小二乘递推算法公式和计算步骤或流程。
答案:根据题意,可写出最小二乘格式为:k Tk k e y +=θϕ其中,[]T n k T k T k n k k k T k bau u u y y y 12121,,;,,----------= ϕ1201,,,;,,,abT n n a a a B B B θ⎡⎤=⎣⎦因此,采用批量最小二乘法估计时,设采集数据时刻为k=1,2,…,L ,则有批量最小二乘格式为:L L L E Y +Φ=θ其中,⎥⎥⎥⎥⎦⎤⎢⎢⎢⎢⎣⎡=L L y y y Y 21,⎥⎥⎥⎥⎥⎦⎤⎢⎢⎢⎢⎢⎣⎡=ΦT L T T L ϕϕϕ 21,⎥⎥⎥⎥⎦⎤⎢⎢⎢⎢⎣⎡=L L e e e E 21从而,批量最小二乘估计公式为:L TL L T L Y ΦΦΦ=-1)(ˆθ递推最小二乘估计公式为:)ˆ(ˆˆ11---+=k T k k k k k y K θϕθθk k T k k k k P P K ϕϕϕ111--+=,kk Tk k Tk k k k k P P P P P ϕϕϕϕ11111----+-= 初始估计:0ˆ0=θ,I P 20γ=,2γ是一个充分大的正数。
计算流程为:(0) 给定0,,ˆ00=k P θ; (1) 量测1+k y ,组成Tk 1+ϕ; (2) 计算1+k K ;(3) 计算1ˆ+k θ; (4) 输出估计结果,并由误差限或数据长度L 来确定是否停止估计。
若条件满足,则停止估计;否则,继续进行。
(5) 计算1+k P ;(6) 1+⇐k k ,返回到(1)。
■五、 对于SISO 系统的数学模型k k k v u z B y z A +=---111)()(其中,k u 和k y 分别为系统的输入输出量,k v 为干扰噪声,)(1-z A 和)(1-z B 为参数多项式:a a n n z a z a z A ---+++= 1111)(b b n n z b z b b z B ---+++= 1101)(且b a n n >,1-z 为延迟算子,即11--=k k y y z 。
1. 对于量测k u 、k y ,N k ,2,1=,写出估计系统参数的最小二乘批量算法详细公式。
2. 给出最小二乘法无偏估计的条件并加以证明。
3. 简述辨识动态系统数学模型的一般步骤。
答案:1.由题意可知,采用L 次测量的批量最小二乘格式可写为:N N N V Y +Φ=θ其中,12121,,;,,a b T k k k k n k k k n y y y u u u ϕ-------⎡⎤=---⎣⎦1201,,,;,,,abT n n a a a b b b θ⎡⎤=⎣⎦⎥⎥⎥⎥⎦⎤⎢⎢⎢⎢⎣⎡=N N y y y Y 21,⎥⎥⎥⎥⎥⎦⎤⎢⎢⎢⎢⎢⎣⎡=ΦT k T T N ϕϕϕ 21,⎥⎥⎥⎥⎦⎤⎢⎢⎢⎢⎣⎡=N N v v v V 21因此,最小二乘批量算法公式为:NT N N T N Y ΦΦΦ=-1)(ˆθ ■ 2.证明:[][][]))()()()()()ˆ(111N T N N T N NN T N N T N N T N N T N V E E V E Y E E ΦΦΦ+=+ΦΦΦΦ=ΦΦΦ=---θθθ当1)(-ΦΦN TN 和N TN V Φ不相关时,上式第二项为零,最小二乘估计为无偏估计,}{k v 为零均值独立随机序列时,此条件自然满足。
此时,)()ˆ(θθE E =。
■ 3.辨识动态系统数学模型的一般步骤为:Step1: 确定建模目的,并由工艺和物理/化学过程初步确定模型形式和结构; Step2: 试验设计:包括试验信号设计、采样周期选择、实验数据长度选定、试验方式(离线/在线)等;Step3: 实际系统试验,采集输入输出数据,并进行数据的预处理; Step4: 模型结构假设,选定阶次围;Step5: 选供适用算法进行参数估计,得到一组数学模型; Step6: 模型结构的确定,得到一个数学模型;Step7: 模型检验;根据检验结果,可能要从Step2到Step6中的任何一步重新做起。
Step8: 若模型检验合格,则得到最终模型。
■六、 某系统的动态模型为k k k k e bu ay y ++=-1,假设:系统是稳定的,且{}k e 和{}k u 都为零均值广义平稳随机序列。
采用辅助变量法进行参数估计,进行L 次量测,且L 充分大,试证明:0111L k k L L u u Z u u u u --⎡⎤⎢⎥⎢⎥⎢⎥=⎢⎥⎢⎥⎢⎥⎣⎦是一个合适的辅助变量矩阵。
答案:证明:辅助变量法的计算公式为1111ˆ()()T T T TIV L L L L L LL L Z Z Y Z Z Y L Lθ--=Φ=Φ 根据题义有001111111k L TL L k k kL L L y u u u u Z y u u u u y u ------⎡⎤⎢⎥⎢⎥⎡⎤⎢⎥Φ=⎢⎥⎢⎥⎣⎦⎢⎥⎢⎥⎣⎦1111111111LLi i i i i i L Li ii i i i y u u u y u u u ----==--==⎡⎤⎢⎥⎢⎥=⎢⎥⎢⎥⎣⎦∑∑∑∑10111k L TL L k kL L y u u u Z Y y u u u y --⎛⎫⎡⎤ ⎪⎢⎥ ⎪⎢⎥⎡⎤ ⎪⎢⎥=⎢⎥ ⎪⎢⎥⎣⎦ ⎪⎢⎥ ⎪⎢⎥⎣⎦⎝⎭111Li i i Li i i y u y u -==⎡⎤⎢⎥⎢⎥=⎢⎥⎢⎥⎣⎦∑∑ 因{v k }、{u k }和{y k }均为是零均值广义平稳噪声序列,所以,(0)(0)1lim (1)(1)yu uu TL L L yu uu R R Z R R L →∞⎡⎤Φ=⎢⎥-⎣⎦ (1)1lim(0)yu TL L L yu R Z Y R L →∞⎡⎤=⎢⎥⎣⎦ 1ˆ(0)(0)(1)(1)(0)(1)1ˆlim lim ˆ(1)(1)(0)(1)(0)(0)yu uu yu uu uu yu IV L L yu uu yu yu yu yu a R R R R R R p p R R R R R R b θ-→∞→∞-⎡⎤⎡⎤⎡⎤⎡⎤⎡⎤⎡⎤===⎢⎥⎢⎥⎢⎥⎢⎥⎢⎥⎣⎦---∆⎣⎦⎣⎦⎣⎦⎣⎦⎣⎦2(1)(1)(0)(0)1(1)(1)(0)uu yu uu yu yu yu yu R R R R R R R -⎡⎤=⎢⎥--+∆⎣⎦式中,(0)(1)(1)(0)yu uu yu uu R R R R ∆=--又相关函数[]k k-1(1)(0)(0)yu yu uu R E y u aR bR ==+[]k k (0)(1)(1)yu yu uu R E y u aR bR ==-+可得(1)(0)(0)(0)(1)(1)ˆˆ1lim ˆˆ(1)(0)(0)(0)(1)(1)uu yu uu uu yu uu N yu yu uu yu yu uu R aR bR R aR bR a a p b b R aR bR aR bR ϕ→∞⎡⎤⎡⎤⎡⎤+--+⎡⎤⎡⎤⎣⎦⎣⎦⎢⎥==⎢⎥⎢⎥∆⎢⎥⎡⎤⎡⎤--++-+⎣⎦⎣⎦⎣⎦⎣⎦⎣⎦由此可知,Z N 矩阵是一个合适的辅助变量矩阵。
■七、 在递推最小二乘估计中,新息的表达式为11,ˆ~---=k T k k k k y y θϕ。