高速公路小型构件盖板预制施工方案
- 格式:docx
- 大小:58.02 KB
- 文档页数:21
高速公路改良项目小型预制构件施工方案1. 项目概述本文档旨在提供高速公路改良项目中小型预制构件的施工方案,确保施工过程的顺利进行。
2. 施工计划为了实施小型预制构件的施工工作,我们建议按照以下步骤进行:2.1. 设计和生产在施工开始前,必须进行构件的设计和生产。
确保根据设计要求进行构件制作,并在施工前完成构件的生产工作。
2.2. 运输一旦构件制作完成,我们需要将构件从生产工厂运输到施工现场。
为了确保安全运输,应采取适当的措施,如正确的包装和固定。
2.3. 现场安装到达施工现场后,需要进行预制构件的现场安装。
根据施工图纸和设计要求,按照正确的顺序和方法进行构件的安装。
2.4. 质量控制在施工过程中,必须进行质量控制工作,确保构件的安装符合规范要求。
定期检查构件的质量,并及时进行修复或更换。
2.5. 完工验收在所有预制构件安装完成后,进行最终的完工验收。
确保安装的构件符合设计要求,并满足相关的安全和质量标准。
3. 施工安全在进行小型预制构件的施工过程中,施工安全是关键因素。
请注意以下几点:- 工人必须按照安全操作规程进行施工,并佩戴必要的个人防护设备。
- 施工现场应设置明显的安全警示标志,并确保所有人员遵守安全规定。
- 小型预制构件的搬运和安装应由经过专业培训的工人进行,以防止人身和财产损害。
4. 环境保护在施工过程中,我们也应关注环境保护。
请采取以下措施:- 控制施工噪音和粉尘的扩散,避免对周围环境和居民造成不必要的困扰和污染。
- 在施工现场设置合适的垃圾分类和处理设施,以减少对环境的负面影响。
5. 总结本文档提供了高速公路改良项目中小型预制构件的施工方案。
根据该方案,顺利进行构件的设计、生产、运输、现场安装、质量控制和完工验收。
此外,施工安全和环境保护也应得到足够的重视。
通过正确执行该方案,可以确保项目的顺利进行和高质量的完成。
以上为施工方案的基本内容,供参考使用。
具体方案应根据实际项目情况进行优化和调整。
小型盖板预制施工方案及工艺方法一、方案介绍二、施工准备工作1.设计方案:根据实际需求确定盖板的尺寸、材质和承重能力等。
2.材料准备:准备所需要的原材料,包括混凝土、钢筋、模板等。
3.设备准备:准备吊装设备、模板拆卸设备等。
4.施工人员:配备有经验的施工人员,包括预制板制作人员、吊装人员等。
三、施工步骤1.盖板制作:a)构建模板:根据设计方案制作木模板,并将其安装在盖板预制模架上。
b)配筋:根据设计要求,在模板上安装钢筋,注意钢筋的布置和连接。
c)浇筑混凝土:将预先调制好的混凝土倒入模板中,利用振动器充分振动,确保混凝土密实。
d)养护:浇筑完成后,及时进行盖板养护,保证混凝土的强度和稳定性。
2.盖板吊装:a)准备吊装设备:根据盖板的重量和尺寸选择适当的吊装设备,如起重机、吊车等。
b)吊装准备:将吊装设备稳固地设置在盖板预定安装位置附近,根据需要适当调整吊装设备的位置和高度。
c)吊装操作:根据吊装计划和作业指导,将吊装设备吊起盖板,并小心地将其平稳地放置在预定的安装位置上。
d)固定盖板:根据设计要求,使用合适的连接件将盖板与基础结构进行连接,确保盖板的稳定性和安全性。
四、施工注意事项1.施工材料选取:选择合适的混凝土、钢筋和模板材料,确保施工质量和盖板的使用寿命。
2.施工工艺控制:合理控制混凝土的浇筑和养护时间,确保混凝土强度的达标。
3.盖板安装位置选择:根据实际需求和设计要求选择合适的盖板安装位置,避免对其他结构或设备的影响。
4.吊装操作安全:严格按照吊装操作规程进行作业,确保吊装安全,并使用防护措施,防止盖板的意外损坏或人员受伤。
五、施工质量控制1.材料质量检查:对购进的混凝土、钢筋和模板等材料进行质量检查,确保满足设计要求和相关标准。
2.盖板制作质量检验:对每道工序进行检验,包括模板制作、钢筋配筋、混凝土浇筑等,确保制作质量符合工程要求。
3.盖板安装质量检验:对盖板安装后的稳定性和连接件的牢固性进行检验,确保盖板安装质量达标。
小型预制构件施工方案预制件采用机器浇筑,保证混凝土的均匀性和密实性。
浇筑前,要将模板清洁干净,涂上脱模剂,避免混凝土与模板粘连。
浇筑时要注意控制浇注速度和浇注高度,避免出现空鼓、裂缝等问题。
浇筑完成后,要进行养护,保证混凝土的强度和耐久性。
小型预制构件施工方案依据公路工程质量检验评定标准、信南高速公路信泌段№8标施工图和土建工程施工设计图,我们标段的小型预制构件均为C20混凝土,其中路基边坡防护预制块5047.9m3,锥体护坡预制六角砖2329.2m3,锥坡踏步预制件157.1m3,合计7534.2m3.为了满足施工任务和工期要求,我们标段将预制场设在郭岗大桥2#墩—4#墩左侧。
预制场地全部采用碎石进行硬化,小型预制件采用钢模机压工艺预制,预制件成型机底座浇筑20厘米厚的混凝土基座,水平安放。
混凝土搅拌机就近安装,尽量缩短混凝土的运输距离,保证干硬性混凝土的施工质量。
材料堆放场地砌筑1.2米高的隔离墙,底部浇筑C15混凝土地坪,堆放整齐,使用方便。
构件堆放场地用碎石整平碾压,铺砂垫层一层,晾晒场地浇筑水泥地板,构件堆放时整齐排列,间隔堆放,防止出现碰撞、损坏。
四周挖排水沟与当地排水系统相通,防止雨季积水。
预制场平面布置见图一。
施工队于2005年3月5日至4月1日进场,作好开工准备。
各种预制构件分别在4月1日开工。
路基边坡防护预制块在10月30日前完成,锥体护坡预制六角砖在11月30日前完成,锥坡踏步预制件在11月30日前完成。
施工前保证“三通”,即“通水、通电、通路”。
加强机械的整修工作,进行机械的试运转,检查成型钢模的结构尺寸,不符合要求的坚决不用于生产。
对砂石水泥等各种原材料进场加强质量控制,做好各项试验检测工作。
施工工艺流程图见图二。
模板均采用压制专用成型钢模板,拼装严密,不得漏浆。
砼浇筑前将模板清刷干净,不得有杂物,并刷脱模剂。
预制件采用机器浇筑,保证混凝土的均匀性和密实性。
浇筑完成后,要进行养护,保证混凝土的强度和耐久性。
小型预制构件施工方案一、工程概况本合同段根据设计修改后增加排水沟预制六方块和边沟盖板等小型预制构件,其相应工作量按实地测量确定。
二、施工方案本工程所需小型预制构件计划采用集中制作,小型拖拉机转运至施工部位进行施工安装的方案。
六方块采用液压机碾压成行,而边沟盖板采用场地内成批装模人工浇筑预制。
三、施工方法(一)施工准备计划在本项目的第二拌和场内设置集中预制场,开工前做好场地平整硬化,搭设临时水泥仓库,布置成品和原材料堆放区。
安装拌和机、液压制件机,架设电线,砌筑蓄水池,修好便道和临时排水设施。
(二)六方块预制1、块按图纸尺寸制模,外型轮廓线条顺直,其端面必须垂直于底面。
2、制块采用硬塑模板集中预制。
当端面宽度小于200mm时,模板应是单一宽度的板,或是经监理工程师批准的适当材料拼装成的模板,在端面上不得有模板缝。
3、制块表面清洁平整,蜂窝麻面面积不得超过该面面积的1%,深度不超过10mm,外形轮廓清晰,线条顺直,无趐曲现象,无坑洞,破角或其它缺陷,且无外部涂刷的痕迹。
4、制块采用翻转模板法预制,预制块浇筑并压实后,连同模板反转,然后脱去模板。
5、制块采用C20细石子干混凝土经液压制件机碾压成型,施工时在模具内可撒一层1︰3的水泥细砂混合料(湿润),保证预制块成型后表面光洁。
6、制块施工所用碾压混凝土应根据C20等级配制,施工时用水量保证所配制混凝土经手工能捏成团且坍落度不大于1cm的干硬性混凝土,但必须搅拌均匀。
7、预制块成型后不应立即进行洒水养护,防止表面冲刷,一般在12小时后采用无压力的水进行养生,在施工中温度高或日照强时应采取覆盖措施进行养护。
8、预制块成型24小时后可以移动堆放,但堆放高度不应超过侧向三层高,码堆后进行洒水养生3~7天。
9、待养生且混凝土强度达到设计强度的90%以上时可以转运至现场安装使用。
(三)边沟盖板预制1、A型排水边沟盖板严格按照设计图纸尺寸配置模板,制作钢筋。
2、预制台座必须平整光洁,模板安装应稳固且校方正,防止振捣时漏浆、跑模等现象出现。
小构场建设方案编制:复核:审核:高速公路项目11标项目经理部二0一七年七月目录一、编制说明 (1)1.1编制依据 (1)1.2编制原则 (1)二、工程概况 (1)2.1地理位置 (2)2.2主要工程数量 (2)三、资源配置 (4)3.1人员配置 (4)3.2机械配置 (4)四、工期要求 (4)五、施工方案 (7)5.1临建施工流程 (7)5.2总体规划 (7)5.3测量放样 (8)5.4场地处理 (8)5.5临建材料的堆放 (8)5.6现场围墙施工 (8)5.7水、电设施 (9)5.8排水设施 (9)5.9场地硬化 (10)六、场内区域的布置 (10)6.1构件生产区 (10)6.1.1模具清洗池、沉淀池 (11)6.1.2振动台的设置 (12)6.2养护区 (13)6.2.1自动喷淋养护系统布置 (13)6.2.2养护区雨棚设置 (14)6.3成品存放区 (15)七、质量保证措施 (16)7.1质量管理及领导小组 (16)7.2质量验收 (16)八、工期保证措施 (16)九、安全生产保证措施 (17)十、文明施工 (17)10.1场容管理方面的要求 (17)10.2防止水污染措施 (18)一、编制说明1.1编制依据1)施工图设计文件》;2)《公路工程质量检验评定标准》(JTGF801-2012);3)《实施性总体施工组织设计》;4)《混凝土结构工程施工质量验收规范》(GB50204—2015);5)《省公路建设管理有限公司项目建设管理办法》;6)《省高速公路建设标准化指南》;7)国家相关的安全、质量、法律、法规。
1.2编制原则(1)全面响应并严格遵守该项目招标文件的要求,施工方案涵盖文件所规定的全部内容;(2)本施工方案力求采用先进可靠的工艺、材料、设备,达到技术先进、经济合理、切实可行、安全可靠;(3)严格遵守各有关设计、施工规范、技术规程和质量评定及验收标准,确保工程质量达到要求;(4)实施项目法管理,通过对劳动力、材料、机械等资源的合理配置,实现工程质量、安全、工期、成本及社会信誉的预期目标;(5)强化精品意识,以“争科技领先、创管理一流”的企业精神为指导,向业主及社会交一项放心工程。
国家高速公路网G85重庆至昆明高速公路嵩明(小铺)~昆明高速公路小型预制构件施工技术方案中国交建云南嵩昆高速公路项目一公局分部第7标段二〇一五年十二月国家高速公路网G85重庆至昆明高速公路嵩明(小铺)~昆明高速公路小型预制构件施工技术方案编制:复核:审批:中国交建云南嵩昆高速公路项目一公局分部第7标段二〇一五年十二月目录一、工程概况 (1)二、编制依据及编制原则 (1)2.1编制依据 (1)2.2编制原则 (2)三、场地选址及场地布置 (2)3.1场地选址 (2)3.2临时用电、用水 (2)3.3场内布置 (2)3.4区域设置 (3)3.5排水设施 (3)四、施工计划 (3)4.1施工进度计划 (3)4.2材料计划 (3)4.3机具、设备计划 (4)五、施工工艺技术 (4)5.1施工准备 (5)5.2钢筋加工 (5)5.3模具 (5)5.4 (6)5.5压光及养生 (7)5.6脱模 (7)5.7冬季施工及成品养护 (7)5.8夏季施工及成品养护 (8)5.9成品 (9)5.10小型预制构件存放及转运 (9)5.11次品处理 (9)六、质量保证措施 (10)6.1施工组织保证措施 (10)6.2工程材料的质量保证 (10)6.3原材料的计量保证措施 (10)6.4施工操作的质量保证 (11)6.5其他质量保证措施 (11)6.6质量控制要点 (12)七、安全保证措施 (13)7.1安全组织机构及措施 (13)7.2小型预制构件施工安全措施 (14)7.3安全管理规定 (15)八、环保措施 (18)8.1水土及生态环境的保护措施 (18)8.2水资源保护措施 (18)8.3大气环境保护及粉尘的防治 (18)8.4生产、生活垃圾的管理 (19)小型预制构件施工技术方案一、工程概况嵩明(小铺)~昆明高速公路7标段K46+300~K52+476.35全长6.17km,路基土石方挖方总量129.3万方、填方总量85.6万方。
目录一、预制场概况及选址 (1)二、主要工程数量 (2)三、计划施工时间 (2)四、施工组织机构 (3)五、主要资源配置 (3)五、预制场地布置 (5)六、盖板台座及模板 (6)七、盖板施工 (7)八、路基排水及边坡防护小型预制构件施工 (9)九、质量控制要求 (10)十、预制构件运输和安装 (12)十一、进度保证措施 (13)十二、质量保证措施 (13)十三、雨季施工保证措施 (14)十四、夏季施工保证措施 (15)十五、安全保证措施 (17)十六、环境保护及文明施工措施 (18)宜张高速公路YZTJ-1预制盖板施工方案一、预制场概况及选址1、概述本标段施工起点为K0+000,终点为K39+489.40,全长39.409Km,预制构件包括通道盖板、涵洞盖板、通道排水沟盖板、路基排水及护坡防护构件等。
为了加快施工进度,保证预制盖板及小型构件质量,对盖板及构件进行集中预制集中管理。
将在全线设置两座预制加工场,1#预制加工场主要负责一分部预制盖板及小型构件生产任务, 2#预制加工场主要负责二分部预制盖板及小型构件生产任务。
2、梁场选址项目部在综合考虑便道规划、运梁架梁、建场成本及建设管理方便等诸多因素后,决定将1#预制场选在K12+600主线路基上、2#预制场选在K39+489.4主线3#搅拌站附近。
1#预制场该处原为养殖场,有约8000m2的现有硬化场地,经现场察看,硬化场地厚度为25cm,满足设置盖板预制场的条件。
预制场距1#搅拌站仅2公里左右,距钢筋加工场和T梁预制场仅100~400m,钢筋运输方便,同时也有利于集中管理。
预制场场址紧邻中孚化工厂厂区,可从化工厂背后修筑便道与白河边的厂区道路相联,便道修筑长度约为500m。
钢筋、混凝土及其他材料可从此便道进入预制场。
盖板也可通过此便道直接运输至各小构施工点。
2#预制场为租赁白洋镇固基管桩有限公司的标准厂房,厂房原为生产混凝土管涵、管桩、电线杆等的生产车间,厂房长96m,宽39m,高9.8m,共3744 m2,配有15吨行车一台,5吨行车两台,其他水电生活设施配套齐全。
贵州省务川至正安高速公路施工项目总经理部WZTI-4分部小型预制构件施工组织设计编制:复核:审核:审批:贵州路桥集团有限公司务正高速施工项目总经理部WATJ-4分部二0一三年四月目录一、编制依据 (2)二、编制范围 (2)三、工程概况 (2)四、施工机械组合、施工人员配备 (3)五、施工计划 (3)六、施工准备 (4)七、施工工艺及施工方法 (4)八、质量控制要点 (6)九、质量保证措施 (8)十、安全保证措施 (9)十一、环保措施 (13)十二、附表 (14)十三、附图 (16)一、编制依据1、务川至正安高速公路WZTJ-4合同段招标文件、工程设计图纸等。
2、交通部颁布的现行设计、施工规范及其他相关文件。
3、国家及有关部委颁布的法规及标准。
4、我单位拥有的技术成果、施工工法、管理水平、技术装备及多年积累起来的施工经验。
5、编制技术规范与标准《公路工程技术标准》(JTG B01-2003)《公路桥涵施工技术规范》(JTJ041-2000)《公路工程质量检验评定标准》(JTG F80/1-2004)二、编制范围该方案适用于务川至正安高速公路WZTJ-4涵洞盖板、拱形骨架、排水沟及路基附属小型构件预制施工,施工里程为K75+270~K80+399.455,全长5.13公里三、工程概况本标段为贵州省务川至正安高速公路WZTJ- 4合同段,位于贵州省遵义市正安县俭坪乡境内,主线起讫里程为K75+270~K80+399.455,全长5.136km。
拱形骨架护坡防护主要位于右幅YK77+889~YK77+927、YK78+347~YK78+365、YK78+388~YK78+405、YK79+530~YK79+547、YK80+140~YK80+368,左幅ZK79+555~ZK79+567段,砼共计85.46m³。
钢筋砼盖板涵两道,位于YK80+120、YK80+232.142处,预制盖板工程数量128.8 m³。
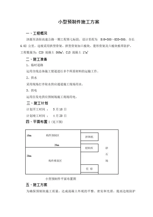
小型预制件施工方案一、工程概况济源至洛阳高速公路一期工程第七标段,设计里程为 K49+500~K55+500,全长6.02 公里。
边坡采用拱型骨架、拱型骨架加六棱块、菱形骨架及六棱块植草防护,工程数量为:C20 混凝土 869m3,C15 混凝土 17m3二、施工准备1、临时道路运用全线总体施工便道进行多个所需材料的运输工作。
2、供水采用现场打井取水供应通道施工现场用水。
3、供电运用自发电供应预制场施工现场用电。
三、施工计划计划开工时间: 5 月10 日计划竣工时间: 4 月20 日四、平面布置:(见下图)小型预制件平面布置图五、施工方案为确保预制块施工质量,达成混凝土外观的平整、密实和光滑,提高边坡防护的美观性,采用集中预制、混凝土现场拌和站拌制、定型钢模、混凝土振动台等方法,具体施工办法以下:1、定型钢模板:全部混凝土预制块均到专业厂家订制成型钢模板,组合形式为扣接式,便于脱模。
2、场地:预制场地采用 8cm 混凝土硬化地面,面积 200m2,表面保持平整、光滑,在预制块翻模时擦抹隔剂。
3、混凝土施工:混凝土现场拌和站拌制,手推车运输,运输与浇筑要做到互相配合,不致因脱节而影响进度和质量。
混凝土运输至浇筑地点后,仍应保持良好的各易性和所需的稠度,如发现有离析泌水或塌落度损失过大时,必须进行解决。
混凝土入模后,开始振捣,直到混凝土不泛汽泡为止。
4、混凝土养生:混凝土脱模后及时覆盖并养生。
采用洒水养生,时间不少于 7 天。
5、堆放:混凝土预制块搬运采用工具小心移动后装运,轻拿轻放,避免破坏表面及棱角,竖直堆放,并将不同生产日期的预制块分开堆放,标明生产日期,便于检查和使用。
6、使用:在预制块经检查合格后方可使用。
六、进场机械设备七、劳动力人员表八、夜间施工方法1、夜间施工时,配备足够的照明设备,提供充足的光源。
2、机械设备进行夜间作业时,仪表盘清晰可见,便于随时掌握机械设备运转状况3、加强对夜间施工工序的质量、安全控制,避免麻痹大意,减少施工隐患。
高速公路重建项目小型预制构件施工方案1. 项目背景高速公路重建项目旨在对现有的陈旧、损坏的高速公路进行重建和改造,提高公路的运营效率和安全性。
其中,小型预制构件的施工方案对于项目的成功实施至关重要。
2. 施工目标本施工方案的目标是确保小型预制构件的高质量制作和安装,以满足重建项目的技术要求和工期计划。
3. 施工步骤3.1. 小型预制构件的制作1. 制定小型预制构件的制作图纸和技术规范。
2. 定期检查和维护制作设备,并确保其正常运行。
3. 利用合适的混凝土或其他材料制作小型预制构件,确保质量符合要求。
4. 对制作完成的构件进行质量检测和验收,确保其符合设计及技术要求。
3.2. 小型预制构件的安装1. 制定小型预制构件的安装方案和施工图纸。
2. 建立安装工程队伍,并为工人提供必要的安全培训。
3. 在安装前,检查预制构件的尺寸、表面平整度和质量。
4. 使用适当的起重设备和工具进行小型预制构件的安装。
5. 在安装过程中,确保预制构件的准确对位和固定,遵循相关安全规范。
4. 管理措施1. 设立专门的施工管理团队,负责协调施工过程中的各项工作。
2. 建立监测系统,随时跟踪预制构件制作和安装的进展情况。
3. 定期召开施工进展会议,及时解决和协调项目中的问题。
4. 对施工过程中的重要环节和节点进行现场检查,确保施工质量和进度符合要求。
5. 健康安全环保保障施工过程中,必须严格遵守相关的健康、安全和环保规定,采取以下措施:- 工人佩戴必要的安全设备,并接受必要的安全培训。
- 施工现场设立明确的安全警示标志和防护措施。
- 控制施工过程中的噪音、粉尘和废弃物产生,确保周边环境不受污染。
- 做好施工现场卫生管理工作,保持施工场地的整洁和清洁。
结论本文档提供了高速公路重建项目中小型预制构件施工方案的概述。
通过严格执行本方案所述的各项措施和步骤,可以确保小型预制构件的高质量制作和安装,为整个项目的成功实施提供有力支持。
<>老集高速公路小型预制构件施工经验高速公路中旳小型构件旳外观和质量在实际施工中一直难以控制,110国道内蒙古境内老爷庙~集宁高速公路在施工中将其列为专题课题进行研究,终于通过多方旳共同努力,较为有效地处理了这一问题,现将重要经验简介如下:一、塑性模具简介1、塑性模具旳材料为聚丙乙烯、ABS 及部分添加剂通过一定旳加工工艺而形成旳一种复合材料。
2、模具旳加工过程按照小型预制构件旳施工图上旳尺寸及规定,厂家开发制作塑模旳多种钢模母胎。
开发时间约为两个月,钢模母胎开发完毕后,运用钢模母胎及塑性复合材料批量生产成加工砼小型预制构件旳塑性模具。
二、生产流程为了保证试验成功,优化机械配置,在试验前对振动台旳性能进行了分析与比选,最终确定了振动台旳电动机功率为1.2KW,数量为2台。
试验过程中,严格按事先制定好旳工艺施工,对砼配合比、水灰比、坍落度、砂浆旳配合比、外掺剂(增光剂)旳用量、振动时间、养生条件、脱模时间等进行了严格控制。
保证了构件旳质量,并总结出了如下施工工艺:1、施工重要机具:A、350型锥形搅拌机B、灰浆搅拌机C、振动台D、脱模器E、调温炉具F、塑模2、养生场地:带有调温、调湿和保温性能旳两个养生室,面积为240m2。
3、施工流程A、运用1:2旳稀盐酸液清洗模具,然后用清水将模具冲洗洁净。
B、将清洗后旳模具放置在振动台上。
C、向模具内放入预先搅拌好旳具有增光剂(用量为3%)旳砂浆,砂浆用量为距模具高度顶面2mm左右。
D、开动振动台,将模具内旳水泥砂浆振动均匀,然后停置2min。
E、向模具内浇注砼后,开动振动台振动砼。
振动时间为1-2 min直至砼中旳气泡完全散尽、砼表面平整后,关闭振动台。
F、将己浇筑好旳砼构件移至养生室,运用毛毡覆盖进行洒水养生。
H、等砼强度到达50%以上时,用脱模器对构件进行脱模后,移至室外继续覆盖养生7天。
4、采用上述工艺制作措施,本协议小型预制构件加工厂投资15-20万元,日产量可达50m3,若工期为3-4月,可生产5000m3。
小构盖板预制施工方案一、编制依据1、设计图纸2、施工技术规范3、施工合同及投标承诺书4、施工实际情况二、工程概况我合同段小型构造物设计为26道,其中通道11道,涵洞15道,但施工中经过设计变更,目前共25道,其中通道10道,涵洞15道,共计矩形板914块,详见《盖板数量统计表》。
根据设计要求及投标承诺,现计划对盖板进行预制施工,为了便于控制质量,批量生产,我部根据实际情况,计划在K38+320~K38+390段路基上进行预制工作。
三、施工方案(一)施工安排按照设计台座,6m板每条台座可同时生产4片,3.5m板可同时生产7条,2.5m板可同时生产9条。
每天生产2条台座,即总工期约为70天。
计划开工日期2008年12月20日,计划完工日期2009年2月28日。
(二)施工准备1、人员我项目部专门安排施工作业队进行预制施工,作业队钢筋工10人、模板工10人、振捣工6人、现场管理人员4人,共30人,项目部现场技术负责1人、现场技术员1人、安全员1名。
2、场地、机械设备场地共计约1000㎡,全部硬化并设置排水系统,台座按路基主线横向9条纵向2排进行布置,台座底面焊5㎜厚钢板(具体布置见布置图)。
台座为通用台座,不同跨径矩形板均可使用。
机械设备有钢筋加工设备1套,砼振捣器3套,电源与20m空心板梁采用同一变压器。
模板为通用模,其中62㎝高侧模100.8m,39㎝高侧模100.8m,端模若干。
侧模采用4㎜厚钢模,端模采用5㎜厚钢模。
3、材料砼根据批复的配合比,采用集中拌合,由砼运输灌车运至施工现场进行浇筑施工;钢筋按批复钢筋厂家进货,钢筋下料在加工棚统一制作,运至现场后进行绑扎或焊接施工。
(三)施工方案1、模板安装模板安装前首先对模板进行检验、除去杂物,用角磨机进行磨平,用刷模板隔离剂,注意刷隔离剂时要均匀、充分,以保证拆模后砼外观质量。
模板加固采用侧模包端模,底座与底座间距为50cm,在距离最外排底座10㎝处预埋不小于Φ25钢筋,间距为50㎝,预埋钢筋外露长度为不少于10cm。
预制盖板施工技术方案一概述南邓高速公路No.10合同段沿线共有17道钢筋砼盖板涵,11道钢筋砼盖板通道,盖板为预制C25钢筋砼,总共943块,其中0.99米中板804块,0.74米中板73块,0.99米边板58块,异形边板8块。
盖板集中在预制厂预制,模板采用钢模,盖板预制后在场内编号堆放。
二施工准备1.图纸审核认真审核图纸,根据涵长计算每个涵洞需要预制的盖板数量,在技术人员对其各部位几何尺寸及标高充分了解和掌握后,对施工队进行具体的技术交底。
交底的内容包括:设计图纸、补充图纸、设计数据、关于设计的文字说明及施工工艺要求和注意事项。
2.人员、机械设备为保证工程质量,提高施工效率,标准施工现场,规范作业程序,项目部派出和之相匹配的专业人员到现场进行指导。
为满足施工需要,并对施工队配备充足的相应机械、工具和操作人以及劳动力。
人员、机械配置见下表:3.材料准备施工所需的水泥、沙子、碎石、钢筋、模板、钢管等材料,在开工前准备齐全,放到预制现场。
原材料检验合格后才能进料,坚决杜绝不合格原材料进入施工工地。
施工人员机械三工期进度计划计划总工期97天。
开工日期:2003年6 月15 日计划完工日期:2003年9月30日四盖板预制施工工艺流程:制做地模------绑扎钢筋------立模------ 浇注砼------拆模养护------ 移板存放1、制作地模按照盖板数量及工期要求,预制场共制作地模0.99m×37m二道,0.77m×37m 二道,异形板个4m×5m一道。
地模制作时,场地采用C20砼初平,上浇无砂砼,待砼强度达到一定程度后,用磨石机磨平。
2、绑扎钢筋钢筋在加工场统一加工,钢筋使用前应将表面浮锈清除干净,监理工程师认可后方能使用。
钢筋按不同等级、品种、规格分别堆放在仓库(棚)内,露天堆放时,应存放于地面上50cm支撑上,并加以覆盖。
将事先加工好的钢筋运至施工地点,在磨好的地模上刷隔离剂(石、柴油混合)后,在上面绑扎钢筋。
目录一、预制场概况及选址 (1)二、主要工程数量 (2)三、计划施工时间 (2)四、施工组织机构 (3)五、主要资源配置 (3)五、预制场地布置 (5)六、盖板台座及模板 (6)七、盖板施工 (7)八、路基排水及边坡防护小型预制构件施工 (9)九、质量控制要求 (10)十、预制构件运输和安装 (12)十一、进度保证措施 (13)十二、质量保证措施 (13)十三、雨季施工保证措施 (14)十四、夏季施工保证措施 (15)十五、安全保证措施 (17)十六、环境保护及文明施工措施 (18)宜张高速公路YZTJ-1预制盖板施工方案一、预制场概况及选址1、概述本标段施工起点为K0+000,终点为K39+489.40,全长39.409Km,预制构件包括通道盖板、涵洞盖板、通道排水沟盖板、路基排水及护坡防护构件等。
为了加快施工进度,保证预制盖板及小型构件质量,对盖板及构件进行集中预制集中管理。
将在全线设置两座预制加工场,1#预制加工场主要负责一分部预制盖板及小型构件生产任务, 2#预制加工场主要负责二分部预制盖板及小型构件生产任务。
2、梁场选址项目部在综合考虑便道规划、运梁架梁、建场成本及建设管理方便等诸多因素后,决定将1#预制场选在K12+600主线路基上、2#预制场选在K39+489.4主线3#搅拌站附近。
1#预制场该处原为养殖场,有约8000m2的现有硬化场地,经现场察看,硬化场地厚度为25cm,满足设置盖板预制场的条件。
预制场距1#搅拌站仅2公里左右,距钢筋加工场和T梁预制场仅100~400m,钢筋运输方便,同时也有利于集中管理。
预制场场址紧邻中孚化工厂厂区,可从化工厂背后修筑便道与白河边的厂区道路相联,便道修筑长度约为500m。
钢筋、混凝土及其他材料可从此便道进入预制场。
盖板也可通过此便道直接运输至各小构施工点。
2#预制场为租赁白洋镇固基管桩有限公司的标准厂房,厂房原为生产混凝土管涵、管桩、电线杆等的生产车间,厂房长96m,宽39m,高9.8m,共3744 m2,配有15吨行车一台,5吨行车两台,其他水电生活设施配套齐全。
预制场距3#搅拌站仅200-300m,距3#钢筋加工场4公里左右,钢筋、混凝土运输方便。
厂区道路直接与省道S318相连,可方便将盖板运至各小构施工点。
二、主要工程数量盖板工程数量路基排水及边坡防护预制件数量三、计划施工时间为了加快施工进度满足现场生产要求,两座预制构件加工厂同时建设同时投入生产。
所有预制构件计划2013年8月31日全部完工,以满足路基施工要求。
小型构件预制场施工进度横道图:四、施工组织机构预制盖板施工组织机构框图五、主要资源配置1、主要机械、设备配置(一个预制场)2、模板配置1#预制场计划设置800m长预制台座,配置组合钢模板300㎡,保证每次能生产盖板150m。
小型构件模板采用高强度塑料模具,根据每个规格的数量进行配置,其中六角形护坡预制块计划配置120套模板;拱形边坡防护C25预制块计划配置50套模板;路堑边沟盖板计划配置120套模板。
2#预制场计划设置642m长预制台座,配备组合钢模板350㎡,保证每次能生产盖板170m。
小型构件模板采用高强度塑料模具,根据各个规格的数量进行配置,其中六角形护坡预制块计划配置50套模板;拱形边坡防护C25预制块计划配置100套模板;路堑边沟盖板计划配置150套模板,通道排水沟盖板100套。
3、人员配置(一个预制场)五、预制场地布置1、预制场总体布置预制场设置生产区、成品存放区、办公区和生活区,其中预制区和成品存放区占地约4000m2,生活区内按标准化工地建设要求设置宿舍区,厨房、浴室和卫生间,具体见预制场平面布置图。
2、预制场用水、用电1#预制场变压器设置在预制场附近,从附近10KV高压线直接引入。
计划设置一台250KVA的变压器,小型构件预制场、T梁梁场与钢筋加工场共用一台变压器。
变压器至小型构件预制场、钢筋场、T梁梁场的主电缆采用埋地至预制场和钢筋场一级配电箱处,小型构件预制场和钢筋场内用电线路采用架空,部分临时用电线路采用拖地,拖地电线电缆质量必须满足要求。
场地内用电线路布局合理,线路布设整齐规范。
临时用电由持证专业电工负责管理和维护,任何人不得私自乱搭乱接,保证预制场用电安全。
施工用水通过现场打井取水,场内设置蓄水池,以满足施工用水需求。
生活用水则从附近农户家中接自来水至生活区。
2#预制场直接利用原配电设施,原配电线路布置合理,功率满足要求,直接可以使用。
为了保证生产顺利进行,线路在使用前必须全面检查,看是否有线路老化、接触不良等问题,配备一名专业电工负责管理和维护。
厂区有自来水接口,开通就直接可以使用。
除变压器供电外,每个预制场还配备一台20KW柴油发电机作为备用电源。
3、钢筋加工场1#预制场紧邻1#标准钢筋加工场,2#预制场距离3#标准钢筋加工场约4公里,钢筋直接在1#、3#钢筋加工场加工,平板车运输至预制场安装绑扎。
钢筋场均按标准化建设要求布置。
4、标牌设置预制场进门处各设置“宜张高速公路当枝段YZTJ-1 1#(2#)小型构件预制场”标牌,醒目位置设置“八牌一图”,各种机械上粘贴操作规程。
钢筋加工场内门吊及钢筋数控设备粘贴设备的操作规程。
原材料堆放区应设材料标示牌标明钢筋型号、产地、生产日期、生产批号、进场日期、检验状态、进场数量等信息。
成品、半成品堆放区应设标示牌标明钢筋型号、使用部位,加工数量等信息。
其他各种安全标示牌均按规范要求进行设置。
5、预制场仓库设置预制场旁设砖砌库房,主要用于存放小型机具及设备配件等物资。
库房内用钢管搭设存放架,使配件至少离地30cm,各种机具、材料用统一材料标示牌进行标识。
6、生活区1#预制场生活区统一在附近租用民房,2#预制场为原厂区职工生活区,面积按8m2/人配置,符合标准化建设要求。
厨房、餐厅、浴室、卫生间均按标准化建设要求进行设置。
生活区制定生活区管理制度,由专人负责管理。
7、排水系统设置经现场实测1#、2#预制场原有水泥地面已预留2%的排水坡,预制场直接可利用原有排水系统排水。
1#预制场需新建一标准化粪池,生活区内的生活污水统一排至化粪池再经由原养殖场的污水管道集中排入排污管网。
8、预制场内消防设施在预制区内设灭火器,消防砂池、消防栓。
生活区内同样设置灭火器,消防砂池、消防栓,消防设施数量满足标准化工地建设的要求。
灭火器应定期检查其压力,失效的灭火器及时更换;消防砂池内配消防桶和消防铲,无火灾发生时,任何人不得挪用消防器材。
六、盖板台座及模板盖板模板由底模(台座)、侧模和端模组成,底模采用混凝土台座上加6mm厚钢板,侧模采用专用定型组合钢模,端模则采用防水胶合木模板。
1、盖板台座:因本预制场位于已硬化的场地上,所以台座则在其现有地面上采用C20混凝土浇筑,台座高度为10cm。
因本预制台座按长线台座设计,4组为一排,台座除最外侧两排设置拉杆外,中间两排用托盘予以支撑,拉杆间距为1.5m。
台座顶面铺设6mm厚钢板,宽度为99cm。
2、外侧模板外侧模板采用专用定型组合钢模,加φ14拉杆固定。
3、端模板因板高和板宽均不大,所以对于端模则采用专用木模板,用角钢连接进行加固。
七、盖板施工1、盖板施工工艺流程2、钢筋加工和成型根据标准化工地建设要求,钢筋加工采用弯曲机、调直机等机械,严格按照设计图纸进行加工,按不同盖板类型分别挂牌进行堆放。
根据盖板预制情况,将盖板钢筋按需运至预制场。
3、模板、钢筋安装台座清理干净后,即对盖板侧模进行安装,两边台座侧模下口采用对拉拉杆进行锁紧,中间台座下口采用托盘进行顶紧,上口采用拉杆进行对拉,然后再在底模和侧模上涂上脱模剂。
完毕后把已扎好钢筋骨架抬入模内,并对钢筋保护层予以支垫,预埋φ20吊环钢筋。
4、混凝土浇筑钢筋、模板安装完毕,并经监理工程师检验合格后即对其混凝土进行浇筑,混凝土采用搅拌站集中进行搅拌,混凝土运输车拉至施工现场,罐车直接溜入模内,人工进行扒平,插入式振捣,振捣时间以砼不再明显下沉,无气泡上升,砼表面出现均匀的薄层水泥浆为止,浇筑完成后对其表面进行搓平。
5、质量标准模板安装质量标准钢筋加工、安装质量标准6、砼养护混凝土浇筑完成后即对其表面用土工布进行覆盖,专人洒水进行养护,养护时间为7天。
7、模板拆除当预制盖板强度达到2.5MPa后,即可拆除侧模板。
8、盖板存放和起吊当盖板混凝土强度达到设计强度的75%时开始起吊。
盖板采用25t汽车吊或行车起吊,并存于附近所规划的存放区,板与板之间用木板隔开,基础为钢筋混凝土梁基础,堆放高度不宜超过4层。
八、路基排水及边坡防护小型预制构件施工由于预制场地原地面为水泥地,小型预制构件可直接在水泥地上预制,模板按照构件设计尺寸要求定制高强度塑料模板,模板由专业厂家生产,具有重量轻,造价低,强度高等特点。
使用过程中如有损坏或变形的模板禁止使用。
小型预制件混凝土由拌和站集中拌和,运至预制场入模。
由于小型预制件尺寸较小,预制时采用批量浇筑。
小型预制件混凝土采用振动台配合人工振捣密实。
小型预制件采用土工布覆盖洒水进行养护,覆盖养生时间在7天以上。
小型预制件在调入成品区前在构件醒目位置设置标识栏,标识栏上标明构件使用部位、施工日期等信息。
不同规格的小型构制就分区域分层堆码,堆码一般不超过4层,层间用土工布隔离。
九、质量控制要求1、钢筋(1)钢筋在加工成型前,应将表面油渍、漆皮、鳞锈、泥土等清除干净。
(2)钢筋在加工成型前,应平直,无局部弯折,成盘钢筋和弯曲钢筋应作调直处理。
(3)所有进场钢材必须附有出厂质量证明书及试验报告单,钢材进场后按照规定进行抽检试验;并按照不同钢种、等级、牌号、规格及生产厂家分别堆放,做好标识牌。
(4)钢筋的堆放应整齐,并做好遮盖措施;钢筋加工场地应平整、清洁;严禁钢筋污染,场地还应满足施工要求。
(5)钢筋加工前,必须开出钢筋下料单,并据此下料加工。
编制钢筋下料单时应根据梁体钢筋编号和供应料尺寸的长短,统筹安排以减少钢筋的损耗。
(6)加工好的钢筋应根据编号在制作场内的架垫上分类堆放整齐,并作好防潮、防污染、防混杂措施。
(7)钢筋加工的允许偏差受力钢筋顺长度方向加工后的全长:±10mm。
箍筋各部分尺寸:±5mm。
(8)钢筋安装位置允许偏差受力钢筋间距:±10mm。
箍筋、横向水平钢筋:±10mm。
钢筋骨架长:±10mm,宽:±5mm。
保护层厚度:±5mm。
(9)钢筋连接接头长度区段内受力钢筋接头面积的最大百分率主筋绑扎接头:受拉区不大于25%,受压区不大于50%主筋焊接接头:受拉区不大于50%,受压区无限制。
受力钢筋焊接或绑扎接头应设置在内力较小处,并错开布置,对于绑扎接头,两接头间距离不小于1.3倍搭接长度。