烟花爆竹经营(批发)企业检查表
- 格式:doc
- 大小:101.50 KB
- 文档页数:5
烟花爆竹生产企业安全生产检查表1. 生产现场安全- 生产场地清洁整齐,无杂物堆放或积水现象。
- 生产设备运行正常,无异常噪音或异味。
- 生产设备周围通道畅通,便于工作人员操作。
- 生产设备有完善的防护设施,如防护网、安全带等。
- 储存烟花爆竹的仓库符合安全要求,防火设施齐全,通风良好。
- 生产现场有明确的标识和警示标志,易于辨认和警示。
2. 原料和半成品储存- 原料和半成品储存区域整齐有序,没有杂乱堆放或过高堆放。
- 原料和半成品储存区域设有防火、防爆设备,并定期检修维护。
- 原料和半成品储存区域划分明确,不同类别的物品相互隔离。
3. 作业人员安全- 作业人员具备相应的防护装备,如防护服、防护眼镜、防护手套等。
- 作业人员熟知操作规程和应急预案,能够正确处理突发情况。
- 作业人员经过安全培训,了解烟花爆竹生产的危险性和安全注意事项。
4. 设备及工艺安全- 生产设备定期维护和检修,确保其正常运行。
- 生产设备采用防爆设计,防止静电产生和火花引发火灾。
- 生产工艺合理,防止过程中出现大面积火灾或爆炸。
5. 废弃物处理- 废弃物储存区域与生产区域完全隔离,避免交叉污染。
- 废弃物储存区域有专门容器,密封性好,防止溢漏。
- 废弃物定期清理和处理,避免积存过多。
6. 灭火设施和应急预案- 生产现场配备灭火器、消防栓等灭火设施,且处于易于取用的位置。
- 生产现场制定了详细的应急预案,包括火灾、爆炸等情况的处置方法和安全疏散路线。
以上是烟花爆竹生产企业安全生产检查表的基本内容,根据实际情况可以进行适当调整和补充。
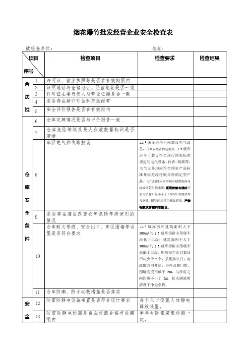
烟花爆竹经营企业〔包括批发和零售企业〕安全检查表一、烟花爆竹批发企业储存条件安全检查表选址是否符合城镇规划的要求,并与居民区、学校、重点建造、铁路和公路运输线、工业区、旅游区、高压输电线等选保持足够的安全距离1址烟花爆竹批发企业储存仓库周边距离是否经过公安部门审核〔出具县级公安部门审核意见书,包括与周边建造的距离数据〕在烟花爆竹批发企业储存仓库区的外部距离范围内是否设置建造物仓库区四周是否设置密砌围墙,其高度是否低于 2 米,围墙与危(wei)险性建造物的布2 距离是否小于 5 米。
局仓库区是否设在安全地带,是否按照储存品种分别设置仓库,是否有无关人员和货流通过仓库区仓库是否长面相对布置核算药量大或者危(wei)险性大的仓库是否布置在仓库区的边缘或者其它有利于安全的地形处是否设有安全管理机构组是否配备足够数量的安全管理人员织3 是否成立了事故应急救援机构,明确了机应急救援人员,配备必要的应急救援器构材。
是否制定从主要负责人到各从业人员的安全管理制度是否制定安全奖惩制度是否制定安全检查制度是否制定事故隐患整改制度规是否制定符合?烟花爆竹劳动安全技术章规程?〔GB11652〕要求的安全规程4制是否制定劳动用工及从业人员的工伤保度险制度是否制定重大危(wei)险源管理制度是否制定从业人员安全教育培训制度是否制定动火管理制度是否制定符合安全储存条件的安全投入保障制度续表是否制定职业卫生管理制度是否制定防护用品〔具〕管理制度是否制定烟花爆竹及烟花爆竹原材料的规保管制度章4 是否制定仓库内运输、搬运及装卸管理制制度度是否制定仓库内的安全保卫及值班制度是否制定事故应急救援预案并定期进行演练企业各项管理规章制度及事故应急救援预案是否落实企业烟花爆竹及烟花爆竹原材料仓库管理是否符合安全要求管5 企业仓库是否存在超员和超量现象理员工操作是否存在违章作业现象储存的产品是否符合?烟花爆竹安全与质量?〔GB10631-89〕的要求,是否存在储存违禁药物情况劳动用工是否符合要求,是否存在使用童工情况是否具有与其销售规模、产品品种相适应并符合安全储存要求的储存场所储存仓库的内外部安全距离、建造结构、安全疏散条件、消防设施以及防爆、防雷、防静电等安全措施是否符合?烟花爆竹工厂设计安全标准?〔GB50161〕的要求,是否取得消防等到部门的审查意设6 见施A 级建造物是否设有安全防护屏障仓库是否按照储存的品种进行标识仓库区域内是否有明显的安全警示标志或者标语,仓库内是否坚固张贴安全管理制度和操作规程仓库外架空路线是否符合要求,是否在危(wei)险场所架设暂时性电气设施续表7 8 9是否配有保证安全储存并符合规定要求的安全管理人员和操作人员主要负责人、安全管理人员是否经安全培训并考核合格,取得相应资格证书其它从业人员是否经安全教育和培训,掌握本岗位的安全知识并符合相应规定是否为从业人员配备符合国家标准或者行业标准的劳动防护用品是否为做从业人员定期进行健康检查是否为从业人员缴纳工伤保险费或者意外伤害保险储存仓库内卫生是否符合规定烟花爆竹批发企业储存仓库是否符合?烟花爆竹工厂设计安全标准?〔GB50161〕、 ?烟花爆竹劳动技术规程?〔GB11652〕、 ?建造设计防火标准?、 ?建造物防雷设计标准?等国家标准、行业标准规定和其它条件其它人员培训劳动保护和职业卫生1 2 3 4 5 6 7 8 9 应具有企业法人资格;应具有爆炸物品销售许可证;具有与其销售品种规模相适应的注册资本;库区周边安全防护距离是否符合国家有关规定;库房建造结构是否符合国家有关标准要求;库区布局是否符合国家有关标准要求;库房内货品堆垛情况是否符合国家有关标准要求;库区内是否设置可靠的通信设备;企业主要负责人和主管人员、安全生产管理人员和业务人员经过相关部门专业培训,并经考核合格,取得上岗资格;企业主要负责人和主管人员、安全生产管理人员 5 年内未因安全生产10事故责任追究而被刑事、行政处分和经济处分;企业应建立健全的安全管理制度11和岗位操作规程;企业应依法参加工伤保险,为从业12人员缴纳工伤保险费用;企业应建立本单位事故应急救援13预案;企业应从合法的定点准入企业进14货;1 是否设置消防水池。
附录1
烟花爆竹生产企业安全检查表
评分简介
(1)安全检查表每个条款评分方法按重要程度分为三类:
1)“关键控制条款”,特别危险单元、重大事故隐患、内外部安全距离的相关条款等为关键控制条款;目标分值为7分。
判分规则为:分为两档,不符合得“0”分,完全符合要求得“7”分;关键控制条款为否决项。
2)“重要控制条款”,目标分值为5分,判分规则为:完全不符合得“0”分,完全符合要求得“5”分,视偏离情况在分之间取值。
3)“一般控制条款”,目标分值为3分,判分规则为:完全不符合得“0”分,完全符合要求得“3”分,视偏离情况在1-2”分之间取值。
(2)检查表的得分率计算方法如下:
Σ各项实际得分每个检查表得分率=
E各项目标分值
×100%
(3)当被检查单位有多条生产线时,以各生产线的最低得分率为生产过程的最终得分率;
(4)参照危化函(2007)28号文的要求,考评结果分为一级安全、二级安全和安全三个级别。
安全级别与得分率的关系如下:
(5)检查结果小于65%时为不合格等级。
(6)每个检查表的现场检查人员不应少于三人(其中,必须有一位行业内的专家,一位为安全生产方面的专家)。
1生产企业
2.2其他库房
采用三轮车,严禁用畜力车、翻斗车和各种挂斗车运输。
安全生产执法检查表(烟花爆竹)项目检查内容检查方法法律规定处罚依据1、相关证照1.1从事烟花爆竹批发的企业是否取得《烟花爆竹经营(批发)许可证》查看有效证件《烟花爆竹安全管理条例》第三条《烟花爆竹经营许可实施办法》第三条《烟花爆竹安全管理条例》第三十六条《烟花爆竹经营许可实施办法》第三十一条1.2从事烟花爆竹零售的经营者是否取得《烟花爆竹经营(零售)许可证》查看有效证件《烟花爆竹经营许可实施办法》第二条《烟花爆竹安全管理条例》第三十六条《烟花爆竹经营许可实施办法》第三十一条1.3变更经营场所或者储存仓库地址、仓储设施新(改、扩)建、经营许可证有效期满的,是否重新申请办理许可手续查看有效证件《烟花爆竹经营许可实施办法》第十五条第一、二款《烟花爆竹经营许可实施办法》第二十七条1.4仓储设施新(改、扩)建,是否办理相关手续,并经竣工验收合格《烟花爆竹经营许可实施办法》第十七条第二款《烟花爆竹经营许可实施办法》第二十七条2、安全管理2.1成立安全组织机构或者配备安全管理人员设置或者指定职业健康管理机构,配备专职或者兼职的职业健康管理人员查看相关文件《安全生产法》第十九条《烟花爆竹经营许可实施办法》第五条第三款《作业场所职业健康监督管理暂行规定》第八条《安全生产法》第八十二条《烟花爆竹经营许可实施办法》第二十三条《作业场所职业健康监督管理暂行规定》第四十五条第一款2.2建立、健全主要负责人、分管负责人、安全生产管理人员、职能部门、岗位安全生产责任制。
《烟花爆竹经营许可实施办法》第五条第二款《烟花爆竹经营许可实施办法》第二十三条2.3企业负责人安全管理职责、安全生产管理人员岗位职责、重大危险源管理、购销合同管理、产品销售流向登记、危险工序作业人员持证上岗、职工考勤登记、违规违章处罚、安全生产教育培训、事故应急救援与演练、事故报告及处理、安全资金提取和使用、防护用品配备和使用、安全生产例会等等规章制度。
建立事故隐患排查治理、建档监控、事故隐患排查治理资金使用、事故隐患报告和举报奖励制度。
烟花爆竹生产企业安全生产检查表1. 生产设备和场所安全检查1.1 是否有完善的生产设备维护保养制度,并能够定期检修设备,确保生产设备的正常运行?1.2 查看生产设备是否符合国家标准,并是否存在安全隐患,如设备老化、电气线路老化、采暖设备不安全等。
1.3 检查生产场所是否整洁、安全,是否存在易燃易爆物品存放不当、电源线路暴露、消防设施不完善等问题。
2. 员工安全培训与操作规程检查2.1 检查企业是否建立了完善的员工安全培训制度,并是否定期进行培训。
2.2 查看员工是否具备相关操作证书,是否熟悉操作规程,并能正确使用防护设备。
2.3 是否存在无证上岗人员,是否存在使用操作不当导致事故发生的情况。
3. 原材料及产品存放与使用检查3.1 检查原材料的存放方式是否符合安全要求,是否存在易燃易爆物品与非易燃易爆物品混存的情况。
3.2 查看企业是否建立了严格的原材料进货、验收和出库制度,确保原材料的质量与安全。
3.3 检查产品的制作过程是否符合安全规范,烟花爆竹是否存在不合格品和生产过程中可能产生的威胁工人安全的因素。
4. 设备维护和故障排除检查4.1 检查企业是否有设备维护保养记录,并定期对设备进行检修。
4.2 检查设备是否存在漏油、漏电等问题,是否存在明显的安全隐患。
4.3 检查企业是否建立了设备故障排除制度,对设备故障及时进行处理,并查看故障处理记录。
5. 消防设备与应急措施检查5.1 查看企业是否建立了有效的消防设施和应急处置预案,并定期进行演练。
5.2 检查消防设备的使用情况,如灭火器、喷淋系统、消防水源等是否正常运行。
5.3 查看应急疏散通道是否畅通,标识是否清晰可见,是否存在堵塞、破损等情况。
6. 安全生产监管与责任落实检查6.1 查看企业是否建立了生产安全责任制,明确安全生产的责任人员,并进行责任划分。
6.2 检查生产安全监管措施是否到位,是否存在违规操作、违法行为等。
6.3 是否存在对安全生产违规行为的记录和处理,是否建立了安全事故报告和反馈机制。