线性规划案例
- 格式:doc
- 大小:57.00 KB
- 文档页数:8
线性规划的应用线性规划是运筹学中一个重要分支,它是研究线性约束条件下线性目标函数的极值问题的数学理论和方法。
广泛应用于军事作战、经济分析、经营管理和工程技术等方面。
如:经济管理、交通运输、工农业生为合理地利用有限的人力、物力、财力等资源作出的最优决策,提供科学的依据。
线性规划作为运筹学的一个研究较早、发展较快、应用广泛、方法较成熟的重要分支,它在日常生活中的典型应用主要有:1合理利用线材问题:如何下料使用材最少2配料问题:在原料供应量的限制下如何获取最大利润3投资问题:从投资项目中选取方案,使投资回报最大4产品生产计划:合理利用人力、物力、财力等,使获利最大5劳动力安排:用最少的劳动力来满足工作的需要6运输问题:如何制定调动方案,使总运费最小其实,也就是说,线性规划在运筹学中的研究对象主要是在有一定的人力、财力、资源条件下,如何合理安排使用,效益最高和在某项任务确定后,如何安排人、财、物,使之最省。
例如:某公司现有三条生产线来生产两种新产品,其主要数据如表1.1所示。
请问如何生产可以让公司每周利润最大?表1 产品组合问题的数据表此问题是在生产线可利用时间受到限制的情形下寻求每周利润最大化的产品组合问题。
在建立产品组合模型的过程中,以下问题需要得到回答:(1)要做出什么决策?(2)做出的决策会有哪些条件限制?(3)这些决策的全部评价标准是什么?(1)变量的确定要做出的决策是两种新产品的生产水平,记x1为每周生产产品甲的产量,x2为每周生产产品乙的产量。
一般情况下,在实际问题中常常称为变量(决策变量)。
(2)约束条件求目标函数极值时的某些限制称为约束条件。
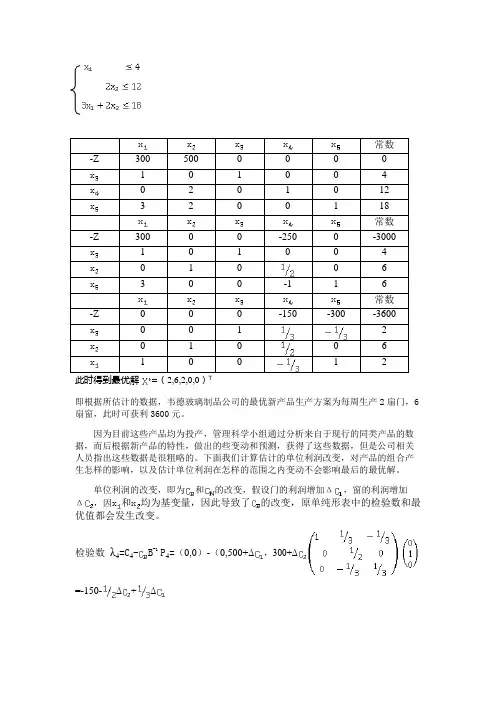
如两种产品在相应生产线上每周生产时间不能超过每条生产线的可得时间,对于生产线一,有x1≤4,类似地,其它生产线也有不等式约束。
(3)目标函数对这些决策的评价标准是这两种产品的总利润,即目标函数是要求每周的生产利润(可记为z,以百元为计量单位)为最大这样,可以把产品组合问题抽象地归结为一个数学模型:max z = 3x1+5x2s.t. x1 ≤42x2 ≤123x1+ 2x2 ≤18x1≥0,x2 ≥0。
即根据所估计的数据,韦德玻璃制品公司的最优新产品生产方案为每周生产2扇门,6扇窗,此时可获利3600元。
因为目前这些产品均为投产,管理科学小组通过分析来自于现行的同类产品的数据,而后根据新产品的特性,做出的些变动和预测,获得了这些数据,但是公司相关人员指出这些数据是很粗略的。
下面我们计算估计的单位利润改变,对产品的组合产生怎样的影响,以及估计单位利润在怎样的范围之内变动不会影响最后的最优解。
单位利润的改变,即为和的改变,假设门的利润增加Δ,窗的利润增加
Δ,因和均为基变量,因此导致了的改变,原单纯形表中的检验数和最
优值都会发生改变。
检验数λ
4=C4-B-1 P4=(0,0)-(0,500+Δ,300+Δ
=-150-Δ+Δ
λ5=C5-B-1 P5=(0,0)-(0,500+Δ,300+Δ)
=-100-Δ
C’B-1b= (0.500+Δ300+Δ) =3600+6Δ+2Δ
要保证检验数,小于0,即
-150-Δ+Δ<0
-100-Δ<0
因此,可以得出结论:当门窗的利润变化在上式要求变化之内,最优解不变。
而从MAXZ=3600+6Δ+2Δ可以看出,当Δ、Δ为正数,即门、窗的利润中有一
者或全部增加时,可获得的最大利润会相应增加。
且当门的利润增加1单位,总利润可以增加6单位,窗的利润增加1单位,总利润可增加2个单位。
线性规划经典例题【问题描述】某工厂生产两种产品A和B,每天的生产时间为8小时。
产品A每件需要2小时的生产时间,产品B每件需要3小时的生产时间。
产品A的利润为200元/件,产品B的利润为300元/件。
每天的生产量不能超过100件。
工厂希翼最大化每天的利润。
【数学建模】设工厂每天生产的产品A的件数为x,产品B的件数为y。
根据题目条件,可以得到以下数学模型:目标函数:最大化利润Maximize Z = 200x + 300y约束条件:1. 生产时间限制:2x + 3y ≤ 82. 产量限制:x + y ≤ 1003. 非负性约束:x ≥ 0,y ≥ 0【求解过程】将目标函数和约束条件转化为标准形式,得到如下线性规划模型:Maximize Z = 200x + 300ysubject to2x + 3y ≤ 8x + y ≤ 100x ≥ 0,y ≥ 0使用线性规划求解器进行求解,得到最优解。
【求解结果】经过计算,得到最优解为:x = 50(产品A的件数)y = 16.67(产品B的件数,近似值)此时,工厂每天的最大利润为:Z = 200 * 50 + 300 * 16.67 = 33333.33 元(近似值)【结果分析】根据最优解,工厂每天应该生产50件产品A和16.67件产品B,以达到每天最大利润33333.33元。
由于生产时间和产量限制,工厂无法达到每天生产更多的产品。
【结论】根据线性规划模型的最优解,工厂每天生产50件产品A和16.67件产品B,可以获得每天最大利润33333.33元。
这个结果可以作为工厂生产计划的参考,以实现最大化利润的目标。
【备注】以上的数学模型和求解结果仅为示例,实际问题中的数值和约束条件可能有所不同。
为了得到准确的结果,需要根据具体情况进行调整和求解。
问题描述:某电视机工厂生产四种型号的特用电视机:Ⅰ型——轻便黑白,Ⅱ型——正规黑白,Ⅲ型——轻便彩色,Ⅳ型——正规彩色。
各型号每台所需组装时间、调试时间、销售收入以及该厂组装调试能力如表2.47所示。
表2.47但现在显像管紧缺,每月最多只能进货180只,其中彩色显像管不超过100只。
令1x 、2x 、3x 、4x 一次表示各型号每月计划产量。
现工厂需拟定使目标总销售收入z 为最大的生产计划。
(1)写出该问题的数字模型,对于约束条件依下列次序:组装时间、调试时间、显像管数、彩色显像管数,并引入松弛变量,使之为等式。
(2)用单纯形法求解得终表如图2.48所示。
表2.48BCBXbB 1-4 6 8 10 0 0 0 01x 2x3x 4x5x6x7x8x0 8x50 -0.2 0 0.2 0 0.1 -0.50 1 6 2x 125 0.51 00 0.25 -0.750 0 0 7x5 0.3 0 0.2 0 -0.15 0.25 1 0 104x 500.2 0 0.8 1 -0.1 0.5 0 0jσ-10 -0.5-0.5试分别回答:(1)最优生产是什么?是否还有其他最优生产计划?为什么? (2)组装时间的影子价格是多少?(3)若外厂可调剂增加80小时的调试时间,但每小时需付0.4(百元),这样Ⅰ Ⅱ Ⅲ Ⅳ 工厂能力(h )组装时间 调试时间 8 2 10 2 12 4 15 5 2000 500 售 价(百元)46810的调剂值得吗?能增加多少收入?(4)若Ⅰ型机售价由4(百元)增加到4.5(百元),最优计划会改变吗?如果增加到5.5(百元)呢?说明理由。
(5)写出本问题的对偶模型,并指出其最优解。
解:建立模型:由该问题,可建立如下模型:设Ⅰ型、Ⅱ型、Ⅲ型、Ⅳ型分别生产1x 台、2x 台、3x 台、4x 台,则可列出目标函数及线性约束条件: MaxZ=41x +62x +83x +104x81x +102x +123x +154x ≤200021x +22x +43x +54x ≤5001x +2x +3x +4x ≤1803x +4x ≤100ix ≥0 (i=1、2、3、4)将该模型进行标准化,则引入松弛变量5x 、6x 、7x 、8x ,则变为:MaxZ=41x +62x +83x +104x81x +102x +123x +154x +5x ≤200021x +22x +43x +54x +6x ≤5001x +2x +3x +4x +7x ≤1803x +4x +8x ≤100ix ≥0 (i=1、2、3、4、……7、8)第1步:启动子程序“Linear and Integer Programming ”。
线性规划实际案例
线性规划(LinearProgramming)是一种模型化工具,它可以帮
助我们更好地解决有限资源最大化利用的计算问题。
线性规划可以找出给定问题的最优解,这使得其在商业决策中受到越来越多的重视。
本文将介绍线性规划的一些实际案例,并阐述其优势以及在商业决策中的应用。
首先,我们从最简单的线性规划开始讨论。
在一组普通工作面前,线性规划可以让我们避免“最小化最大值”方面的问题,从而更容易找出最佳解决方案。
例如,假设我们正在解决以下简单的问题:有两种产品A和B,要在有限的资源内生产尽可能多的产品,并获得最大的利润。
在这种情况下,我们可以使用简单的线性规划,通过计算生产各种产品所消耗的资源,并将此类资源最大化利用以获得最大利润,最终找到最优解决方案。
其次,我们可以将线性规划作为其他更复杂问题的解决方案。
例如,我们可以使用线性规划来求解众多变量相互影响之间的最优解决方案。
它可以解决各种复杂的组合优化问题,例如投资组合优化、产品组合优化、成本优化等。
另外,它也可以用来解决货币及其它各种金融上的优化问题。
最后,线性规划可以用来解决各种决策问题。
例如,对于一个商业决策,管理者往往希望尽可能地实现最大的预期价值,以及尽可能最小的风险,这也是线性规划的一个典型应用场景。
同样,我们也可以使用线性规划来进行企业资源调度、供应链调度等各种决策,最终
获得最佳的结果。
综上所述,线性规划可以应用于众多场景,其优势是可以快速找出最优解决方案,在商业决策中可以起到非常有效的作用。
以上是本文介绍的关于线性规划实际案例,欢迎各位读者积极探索这一领域,为商业决策及其它工作增加价值。
1. 在一个金属板加工车间内,要从尺寸为48分米⨯96分米的大块矩形金属板上切割下小块的金属板。
此车间接到订单要求生产8块大小为36分米⨯50分米的矩形金属板,13块大小为24分米⨯36分米的矩形金属板,以及15块大小为18分米⨯30分米的矩形金属板。
这些金属板都需要从现有的大金属板上切割下来。
为了生产出满足订单要求的金属板,最少可以使用多少块大金属板? 列出该问题的线性规划模型。
2. 某县级市正在研究引进公交系统以减轻市内自驾车引起的烟尘污染。
这项研究的目标是寻求满足运输所需要的最少公交车数。
在收集了必要的信息之后,市政工程师注意到,每天所需的最少公交车数随一天中的时间不同而变化,而且所需的最少公交车数在若干连续的4小时间隔内可以近似看成一个常数。
图1描述了工程师的发现,为了完成公交车所需的日常维护,每辆公交车一天只能连续运行8小时,问该市至少需要多少量公交车?列出该问题的线性规划模型。
0:004:008:0012:0016:0020:0024:00481248107124图13. 某银行正在制订一项总额可达6000万元的贷款策略,表1提供了各类贷款的相关数据。
表1贷款类型 利率 坏账比率 个人 0.140 0.10 汽车 0.130 0.07 住房 0.120 0.03 农业 0.125 0.05 商业0.1000.02其中,坏账不可收回且不产生利息收入。
为了与其它金融机构竞争,要求银行把至少40%的资金分配给农业和商业贷款。
为扶持当地的住房产业,住房贷款至少要等于个人、汽车和住房贷款总额的50%。
银行还有一项明确的政策,不允许坏账的总比例超过全部贷款的4%。
试寻求一种最佳贷款策略,使得银行的净收益达到最大。
建立此问题的线性规划模型。
4.某种产品在未来4个季度的需求量分别是300,400,450,250件,每件的价格在第1季度以20元开始,其随后的每个季度增加2元。
供应商在任一季度最多可以提供产品400件。
线性规划经典例题一、问题描述:某公司生产两种产品A和B,每天的生产时间为8小时。
产品A每件需要1小时的加工时间,产品B每件需要2小时的加工时间。
公司每天的总加工时间不能超过8小时。
产品A的利润为100元/件,产品B的利润为200元/件。
公司希望最大化每天的利润。
二、数学建模:设公司每天生产的产品A的件数为x,产品B的件数为y。
则目标函数为最大化利润,即:Maximize Z = 100x + 200y约束条件:1. 生产时间约束:x + 2y ≤ 82. 非负约束:x ≥ 0, y ≥ 0三、线性规划模型:Maximize Z = 100x + 200ySubject to:x + 2y ≤ 8x ≥ 0y ≥ 0四、求解方法:可以使用线性规划求解器进行求解,例如使用单纯形法或内点法等。
以下是使用单纯形法求解的步骤:1. 将目标函数和约束条件转化为标准形式:目标函数:Maximize Z = 100x + 200y约束条件:x + 2y ≤ 8x ≥ 0y ≥ 02. 引入松弛变量将不等式约束转化为等式约束:x + 2y + s1 = 8x ≥ 0y ≥ 0s1 ≥ 03. 构建初始单纯形表:基变量 | x | y | s1 | 常数项-----------------------------Z | 0 | 0 | 0 | 0-----------------------------s1 | 1 | 2 | 1 | 84. 进行单纯形法迭代计算:a. 选择进入变量:选择目标函数系数最大的非基变量,即选择y进入基变量。
b. 选择离开变量:计算各个约束条件的最小比值,选择比值最小的非基变量对应的约束条件的基变量离开基变量。
在本例中,计算得到最小比值为4,对应的约束条件为x ≥ 0,所以x对应的基变量离开基变量。
c. 更新单纯形表:基变量 | x | y | s1 | 常数项-----------------------------Z | 0 | 0 | -2 | -400-----------------------------s1 | 1 | 2 | 1 | 8d. 继续迭代计算,直到目标函数系数均为负数或零,达到最优解。
简单的线性规划典型例题篇一:典型例题:简单的线性规划问题典型例题【例1】求不等式|x-1|+|y-1|≤2表示的平面区域的面积.【例2】某矿山车队有4辆载重量为10 t的甲型卡车和7辆载重量为6 t的乙型卡车,有9名驾驶员此车队每天至少要运360 t矿石至冶炼厂.已知甲型卡车每辆每天可往返6次,乙型卡车每辆每天可往返8次甲型卡车每辆每天的成本费为252元,乙型卡车每辆每天的成本费为160元.问每天派出甲型车与乙型车各多少辆,车队所花成本费最低?参考答案例1:【分析】依据条件画出所表达的区域,再根据区域的特点求其面积.【解】|x-1|+|y-1|≤2可化为或其平面区域如图:或或∴面积S=×4×4=8【点拨】画平面区域时作图要尽量准确,要注意边界.例2:【分析】弄清题意,明确与运输成本有关的变量的各型车的辆数,找出它们的约束条件,列出目标函数,用图解法求其整数最优解.【解】设每天派出甲型车x辆、乙型车y辆,车队所花成本费为z元,那么z=252x+160y,作出不等式组所表示的平面区域,即可行域,如图作出直线l0:252x+160y=0,把直线l向右上方平移,使其经过可行域上的整点,且使在y轴上的截距最小.观察图形,可见当直线252x+160y=t经过点(2,5)时,满足上述要求.此时,z=252x+160y取得最小值,即x=2,y=5时,zmin=252×2+160×5=1304.答:每天派出甲型车2辆,乙型车5辆,车队所用成本费最低.【点拨】用图解法解线性规划题时,求整数最优解是个难点,对作图精度要求较高,平行直线系f(x,y)=t的斜率要画准,可行域内的整点要找准,最好使用“网点法”先作出可行域中的各整点.篇二:不等式线性规划知识点梳理及经典例题及解析线性规划讲义【考纲说明】(1)了解线性规划的意义、了解可行域的意义;(2)掌握简单的二元线性规划问题的解法.(3)巩固图解法求线性目标函数的最大、最小值的方法;(4)会用画网格的方法求解整数线性规划问题.(5)培养学生的数学应用意识和解决问题的能力.【知识梳理】简单的线性规划问题一、知识点1. 目标函数: P=2x+y是一个含有两个变量x和y的函数,称为目标函数.2.可行域:约束条件所表示的平面区域称为可行域.3. 整点:坐标为整数的点叫做整点.4.线性规划问题:求线性目标函数在线性约束条件下的最大值或最小值的问题,通常称为线性规划问题.只含有两个变量的简单线性规划问题可用图解法来解决.5. 整数线性规划:要求量取整数的线性规划称为整数线性规划.二、疑难知识导析线性规划是一门研究如何使用最少的人力、物力和财力去最优地完成科学研究、工业设计、经济管理中实际问题的专门学科.主要在以下两类问题中得到应用:一是在人力、物力、财务等资源一定的条件下,如何使用它们来完成最多的任务;二是给一项任务,如何合理安排和规划,能以最少的人力、物力、资金等资源来完成该项任务.1.对于不含边界的区域,要将边界画成虚线.2.确定二元一次不等式所表示的平面区域有多种方法,常用的一种方法是“选点法”:任选一个不在直线上的点,检验它的坐标是否满足所给的不等式,若适合,则该点所在的一侧即为不等式所表示的平面区域;否则,直线的另一侧为所求的平面区域.若直线不过原点,通常选择原点代入检验. 3. 平移直线y=-kx+P时,直线必须经过可行域.4.对于有实际背景的线性规划问题,可行域通常是位于第一象限内的一个凸多边形区域,此时变动直线的最佳位置一般通过这个凸多边形的顶点.5.简单线性规划问题就是求线性目标函数在线性约束条件下的最优解,无论此类题目是以什么实际问题提出,其求解的格式与步骤是不变的:(1)寻找线性约束条件,线性目标函数;(2)由二元一次不等式表示的平面区域做出可行域;(3)在可行域内求目标函数的最优解.积储知识:一.1.点P(x0,y0)在直线Ax+By+C=0上,则点P坐标适合方程,即Ax0+By0+C=02. 点P(x0,y0)在直线Ax+By+C=0上方(左上或右上),则当B>0时,Ax0+By0+C>0;当B0时,Ax0+By0+C0 注意:(1)在直线Ax+By+C=0同一侧的所有点,把它的坐标(x,y)代入Ax+By+C,所得实数的符号都相同,(2)在直线Ax+By+C=0的两侧的两点,把它的坐标代入Ax+By+C,所得到实数的符号相反,即:1.点P(x1,y1)和点Q(x2,y2)在直线Ax+By+C=0的同侧,则有(Ax1+By1+C)( Ax2+By2+C)>02.点P(x1,y1)和点Q(x2,y2)在直线Ax+By+C=0的两侧,则有(Ax1+By1+C)( Ax2+By2+C)①二元一次不等式Ax+By+C>0(或②二元一次不等式Ax+By+C≥0(或≤0)在平面直角坐标系中表示直线Ax+By+C=0某一侧所有点组成的平面区域且包括边界;注意:作图时,不包括边界画成虚线;包括边界画成实线. 三、判断二元一次不等式表示哪一侧平面区域的方法: 方法一:取特殊点检验; “直线定界、特殊点定域原因:由于对在直线Ax+By+C=0的同一侧的所有点(x,y),把它的坐标(x,y)代入Ax+By+C,所得到的实数的符号都相同,所以只需在此直线的某一侧取一个特殊点(x0,y0),从Ax0+By0+C的正负即可判断Ax+By+C>0表示直线哪一侧的平面区域.特殊地, 当C≠0时,常把原点作为特殊点,当C=0时,可用(0,1)或(1,0)当特殊点,若点坐标代入适合不等式则此点所在的区域为需画的区域,否则是另一侧区域为需画区域。
1、基金使用计划某校基金会有一笔数额为M 元的基金,打算将其存入银行或购买国库券。
当前银行存款及各期国库券的利率见下表。
假设国库券每年至少发行一次,发行时间不定。
取款政策参考银行的现行政策。
校基金会计划在n 年内每年用部分本息奖励优秀师生,要求每年的奖金额大致相同,且在n 年末仍保留原基金数额。
校基金会希望获得最佳的基金使用计划,以提高每年的奖金额。
请你帮助校基金会在如下情况下设计基金使用方案,并对M=5000万元,n=10年给出具体结果:1.只存款不购国库券;2.可存款也可购国库券。
3.学校在基金到位后的第3年要举行百年校庆,基金会希望这一年的奖金比其它年度多20%。
2、面试顺序问题有4名同学到一家公司参加三个阶段的面试:公司要求每个同学都必须首先找公司秘书初试,然后到部门主管处复试,最后到经理处参加面试,并且不允许插队(即在任何一个阶段4名同学的顺序是一样的)。
由于4名同学的专业背景不同,所以每人在三个阶段的面试时间也不同,如表所示。
这4名同学约定他们全部面试完以后一起离开公司。
假定现在时间是早晨8:00,请问他们最早何时能离开公司?面试时间要求会议筹备问题某市的一家会议服务公司负责承办某专业领域的一届全国性会议,会议筹备组要为与会代表预订宾馆客房,租借会议室,并租用客车接送代表。
由于预计会议规模庞大,而适于接待这次会议的几家宾馆的客房和会议室数量均有限,所以只能让与会代表分散到若干家宾馆住宿。
为了便于管理,除了尽量满足代表在价位等方面的需求之外,所选择的宾馆数量应该尽可能少,并且距离上比较靠近。
筹备组经过实地考察,筛选出10家宾馆作为备选,它们的名称用代号①至⑩表示,相对位置见附图,有关客房及会议室的规格、间数、价格等数据见附表1。
根据这届会议代表回执整理出来的有关住房的信息见附表2。
从以往几届会议情况看,有一些发来回执的代表不来开会,同时也有一些与会的代表事先不提交回执,相关数据见附表3。
一、研究目的(一)、理解线性规划原理并能采用线性规划模型为如何有效的利用现有的人力物力完成更多的任务提供一个或几个合理的方案;(二)、学会针对实际问题建立数学模型;(三)、掌握用LINDO软件求解线性规划问题;(四)、为普朗医疗器械公司12月份如何安排小型X光机PLX101D和高频数字化诊断X射线机PLD6000生产建立数学模型并进行求解。
二、问题的描述随着生活水平的提高,人们对医疗设备的性能要求越来越高。
普朗医疗器械公司从一些客户得知关于小型X光机PLX101D和高频数字化医用诊断X射线机PLD6000的信息,为拓展本公司的产品品种范围,提升产品档次,满足客户对产品性能和质量的更高要求,决定下月生产小型X光机PLX101D和高频数字化医用诊断X射线机PLD6000,但根据市场调查,成产这两种产品的原材料涨价,12月份对高频数字化医用诊断X射线机PLD6000的需求量不大于10台。
该公司生产该两种X射线机的利润、消耗的主要原材料和劳动力和下个月可提供的原材料和劳动力如下表所示。
为获得最大的总利润,普朗医疗器械公司该如何安排生产?注:数据来源于普朗医疗器械公司官方网、百度三、方法选择(一)、求解的方法和软件分别是:线性规划模型、LINDO(二)、选择线性规划模型和利用LINDO软件进行求解的原因:线性规划方法是企业进行总产量计划时常用的一种定量方法。
线性规划是运筹学的一个重要分支,主要用于研究有限资源的最佳分配问题。
LINDO是美国LINDO系统公司开发的一套专门用于求解最优化问题的软件包。
LINDO软件的最大特色在于可以允许优化模型中的决策变量是整数,而且执行速度很快。
(三)、求解过程:1、建模:设下个月小型X光机PLX101D和高频数字化医用诊断X射线机PLD6000的生产量分别为X1(台)和X2(台),则可列出如下线性规划模型:max Z=10X1+15X2s.t. 282X1+400X2≤2000 原材料约束4X1+40X2≤140 劳动力约束X2≤10 需求约束X1、X2≥0,且为整数2、线性整数规划模型的LINDO软件求解过程:第一步:打开LINDO软件第二步:在打开的LINDO软件页面中,输入数据模型如下面截图所示:第三步:点击按钮“Solve”—“Solve”,如下截图所示第四步:在出来的页面中,再点击按钮“否”和“Close”,即可得到问题的最优解。
355 附录2 线性规划案例 Appendix 2 Projects of Linear Programming
案例1 食油生产问题(1) 食油厂精炼两种类型的原料油——硬质油和软质油,并将精制油混合得到一种食油产品。硬质原料油来自两个产地:产地1和产地2,而软质原料油来自另外三个产地:产地3,产地4和产地5。据预测,这5种原料油的价格从一至六月分别为: 表1 原料油的价格(元/吨) 硬质1 硬质2 软质3 软质4 软质5 一月 110 120 130 110 115
二月 130 130 110 90 115
三月 110 140 130 100 95
四月 120 110 120 120 125
五月 100 120 150 110 105
六月 90 110 140 80 135
产品油售价为200元/吨。 硬质油和软质油需要由不同的生产线来精炼。硬质油生产线的每月最大处理能力为200吨,软质油生产线最大处理能力为250吨/月。五种原料油都备有贮罐,每个贮罐的容量均为1000吨,每吨原料油每月的存贮费用为5元。而各种精制油以及产品无油罐可存贮。精炼的加工费用可略去不计。产品的销售没有任何问题。
产品食油的硬度有一定的技术要求,它取决于各种原料油的硬度以及混合比例。产品食油的硬度与各种成份的硬度以及所占比例成线性关系。根据技术要求,产品食油的硬度必须不小于3.0而不大于6.0。各种原料油的硬度如下表(精制过程不会影响硬度): 附录1 线性规划案例 356 表2 各种原料油的硬度(无量纲) 硬质1 硬质2 软质3 软质4 软质5 8.8 6.1 2.0 4.2 5.0
假设在一月初,每种原料油都有500吨存贮而要求在六月底仍保持这样的贮备。 问题1:根据表1预测的原料油价格,编制逐月各种原料油采购量、耗用量及库存量计划,使本年内的利润最大。
问题2:考虑原料油价格上涨对利润的影响。据市场预测分析,如果二月份硬质原料油价格比表1中的数字上涨X%,则软质油在二月份的价格将比表1中的数字上涨2X%,相应地,三月份,硬质原料油将上涨2X%,软质原料油将上涨4X%,依此类推至六月份。试分析X从1到20的各情况下,利润将如何变化?
案例2 食油生产问题(2) 在案例1中,附加以下条件,求解新的问题: 1.每一个月所用的原料油不多于三种。 2.如果在某一个月用一种原料油,那么这种油不能少于20吨。 3.如果在一个月中用了硬质油1或硬质油2,则在这个月中就必须用软质油5。
案例3 机械产品生产计划问题 机械加工厂生产7种产品(产品1到产品7)。该厂有以下设备:四台磨床、两台立式钻床、三台水平钻床、一台镗床和一台刨床。每种产品的利润(元/件,在这里,利润定义为销售价格与原料成本之差)以及生产单位产品需要的各种设备的工时(小时)如下表。表中的短划表示这种产品不需要相应的设备加工。 表3 产品的利润(元/件)和需要的设备工时(小时/件) 产品 1 2 3 4 5 6 7
单位产品利润 10.00 6.00 3.00 4.00 1.00 9.00 3.00
磨 床 0.50 0.70 -- -- 0.30 0.20 0.50
立 钻 0.10 2.00 -- 0.30 -- 0.6 --
水 平 钻 0.20 6.00 0.80 -- -- -- 0.60
镗 床 0.05 0.03 -- 0.07 0.10 -- 0.08
刨 床 -- -- 0.01 -- 0.05 -- 0.05 附录1 线性规划案例 357 从一月份至六月份,每个月中需要检修的设备是(在检修的月份,被检修的设备全月不能用于生产):
表4 设备检修计划 月份 计划检修设备及台数 月份 计划检修设备及台数 一月 一台磨床 四月 一台立式钻床 二月 二台立式钻床 五月 一台磨床和一台立式钻床 三月 一台镗床 六月 一台刨床和一台水平钻床 每个月各种产品的市场销售量的上限是: 表5 产品的市场销售量上限(件/月) 产品 1 2 3 4 5 6 7
一月 500 1000 300 300 800 200 100
二月 600 500 200 0 400 300 150
三月 300 600 0 0 500 400 100
四月 200 300 400 500 200 0 100
五月 0 100 500 100 1000 300 0
六月 500 500 100 300 1100 500 60
每种产品的最大库存量为100件,库存费用为每件每月0.5元,在一月初,所有产品都没有库存;而要求在六月底,每种产品都有50件库存。工厂每天开两班,每班8小时,为简单起见,假定每月都工作24天。
生产过程中,各种工序没有先后次序的要求。 问题1:制定六个月的生产、库存、销售计划,使六个月的总利润最大。 问题2:在不改变以上计划的前提下,哪几个月中哪些产品的售价可以提高以达到增加利润的目的。价格提高的幅度是多大?
问题3:哪些设备的能力应该增加?请列出购置新设备的优先顺序。 问题4:是否可以通过调整现有设备的检修计划来提高利润?提出一个新的设备检修计划,使原来计划检修的设备在这半年中都得到检修而使利润尽可能增加。
案例4 最优设备检修计划问题 对案例3中的生产计划问题。构造一个最优设备检修计划模型,使在这半年中附录1 线性规划案例 358 各设备的检修台数满足案例3中的要求而使利润为最大。 案例5 人力计划问题 一个公司需要以下三类人员:不熟练工人、半熟练工人和熟练工人。据估计,当前以及以后三年需要的各类人员的人数如下表: 表6 当前已有的各类人员数量及后三年需要的数量(人) 不熟练 半熟练 熟练 当前拥有 2000 1500 1000
第一年 1000 1400 1000
第二年 500 2000 1500
第三年 0 2500 2000
为满足以上人力需要,该公司考虑以下四种途径: 1、招聘工人 2、培训工人 3、辞退多余人员 4、用短工 每年都有自然离职的人员。在招聘的工人中,第一年离职的人数特别多,工作一年以上再离职的人数就很少了。离职人数的比例如下表: 表7 离职的人数比例 不熟练 半熟练 熟练 工作不到一年 25% 20% 10% 工作一年以上 10% 5% 5%
当前没有招工,现有的工人都已工作一年以上。 1.招工。假定每年可以招聘的工作数量有一定的限制,如下表所示: 表8 每年招工人数限制(人) 不熟练 半熟练 熟练 500 800 500 2.培训。每年最多可以将200个不熟练工人培训成半熟练工。每人每年的培训费是400元,每年将半熟练工培训成熟练工的人数不能超过该年初熟练工人的四分附录1 线性规划案例 359 之一,培训半熟练工人成为熟练工人的费用是每人500元。 公司可以把工人降等使用(即让熟练工去做半熟练工或不熟练工的工作等等),虽然这样公司不需要支付额外的费用,但被降等使用的工人中有50%会放弃工作而离去(以上所说的自然离职不包括这种情况)。
3.辞退多余人员。辞退一个多余的不熟练工人要付给他200元,而辞退一个半熟练工人或熟练工人要付给他500元。
4.额外招工。该公司总共可以额外招聘150人,对于每个额外招聘的人员,公司要付给他额外的费用如下表: 表9 额外招工的附加费用(元/人年) 不熟练 半熟练 熟练 1500 2000 3000 5.用短工。对每类人员,最多可招收50名短工,每个工的费用为 表10 短工的费用(元/人年) 不熟练 半熟练 熟练 500 400 400 每个短工的工作量相当于正常工作的一半。 问题1:如果公司的目标是尽量减少辞退人员。试提出相应的招工和培训计划。 问题2:如果公司的政策是尽量减少费用,这样额外的费用与上面的政策相比,可以减少多少?而辞退的人员将会增加多少?
案例6 炼油厂的优化问题 炼油厂购买两种原油(原油1和原油2),这些原油经过四道工序处理:分馏、重整、裂化和调和,得到油和煤油用于销售。
1、分馏 分馏将每一种原油根据沸点不同分解为轻石脑油、中石脑油、重石脑油、轻油、重油和残油。轻、中、重石脑油的辛烷值分别是90、80和70,每桶原油可以产生的各种油分如下表: 表11 原油分馏得到的油分(桶/桶) 附录1 线性规划案例 360 轻石脑油 中石脑油 重石脑油 轻 油 重油 残油 原油1 0.10 0.20 0.20 0.12 0.20 0.13
原油2 0.15 0.25 0.18 0.08 0.19 0.12
在分馏过程中有少量损耗。 2、重整 石脑油可以直接用来调合成不同等级的汽油,也可以进入重整过程。重整过程产生辛烷值为115的重整汽油,不同的石脑油经过重整可以得到的重整汽油为: 表12 石脑油经过重整后提到的重整汽油(桶/桶) 轻石脑油 中石脑油 重石脑油 重整汽油 0.6 0.52 0.45
3、裂化 轻油和重油可以直接经调合产生航空煤油,也可以经过催化裂化过程而产生裂化油和裂化汽油,裂化汽油的辛烷值为105,轻油和重油裂化产生的产品如下: 表13 轻油重油裂化产生的产品(桶/桶) 裂化油 裂化汽油 轻油 0.68 0.28
重油 0.75 0.20
裂化油可以用于调合成煤油和航空煤油,裂化汽油可用于调合或汽油。残油可以用来生产润滑油或者用于调合成航空煤油或煤油,一桶残油可以产生5.5桶润滑油。
4、调合 (1)汽油(发动机燃料) 有两种类型的汽油,普通汽油和高级汽油,这两种汽油都可以用石脑油、重整汽油和裂化汽油调合得到。普通汽油的辛烷值必须不低于84,而高级汽油的辛烷值必须不低于94,我们假定,调合成的汽油的辛烷值与各成份的辛烷值及含量成线性关系。
(2)航空煤油 航空煤油可以用汽油、重油、裂化油和残油调合而成。航空煤油的蒸汽压必须不超过每平方厘米1公斤,而轻油、重油、裂化油和残油的蒸汽压如表13。