救生艇及吊架布置图设绘通则
- 格式:doc
- 大小:44.51 KB
- 文档页数:6
第一部分全封闭救生艇的介绍1.1、主要参数总长7.10m型长7.00m总宽2.80m型宽2.70m型深1.10m最大高度3.10m吊距6.60m吊钩中心距基线高度(约)前1585m,后1645mm 乘员(最大)50P航速(大于)6knots空艇重3030kg乘员重(75KG/人)3375 kg满载艇重6405kg机型380J-3油箱容量195L螺旋桨直径400mm吊钩工作负荷(每钩)4000kg救生艇属具清单2、登陆(1)、所有仓盖均设有把手,并分别标有“开”和“关”标记。
(2)、转动把手至“开”位置,然后推或拉,该舱即可打开,并可固定在打开位置。
(3)、前舱、侧门、驾驶舱操作类似。
(4)、当关闭门窗时,首先从固定处松开,如是侧门,一旦关闭应检查头靠和安全带。
(5)、救生艇内每一座位用黑色标记标明。
(6)、在束紧安全带前,确保两肩处皮带在正确位置。
(7)、安全带为交互带扣式,通过拉动右边突出部分来束紧。
第二部分操作步骤1、放艇前准备1、船员携带SART(搜索和救助的雷达收发机)到集合区。
2、驾驶员或其他指定人员携带VHF(双向甚高频)无线电话设备到集合区并检查其操作。
3、指定人员收集多余的燃料、水、衣物/毯子和其他设备,并穿上救生衣。
4、驾驶员和指定的操作员进入舱内,并执行以下任务:a、确定艇架控制缆接通艇内部;b、艇底塞关闭;c、蓄电池开关位于开位置(必要时)d、断开充电电缆;e、检查燃油和冷却水水位,开关是否在(打开)位置;f、检查吊钩释放互锁位置是否在安全位置;5、指定人员到大船甲板执行以下任务并同时检查:a、首缆固定在艇首并和大船相连;b、免维护“悬—挂”式吊艇和艇相连;c、另外,设备属具递给艇内人员存放;d、检查降放区是否有障碍物,如无,通知操作人员并报告“准备”放艇;e、操作人员发出命令登艇和放艇。
步骤2、登艇1、乘员从储放位置直接登陆,担架上的伤员安全进人艇内,然后束紧安全带,驾驶员启动机器;2、最后登艇人员再次确认释放区无人;3、关闭所有门、窗、通风口。
第一章救生艇第一节救生艇构造与性能按海船建造规范的有关要求,船舶必须配备救生艇。
救生艇是一种具有一定浮力、强度、航速、能搭载一定人数、属具备品比较齐全的刚性小艇,它是一种非常有效的脱险工具。
救生艇的主要作用是当船舶遇险时,帮助船员、旅客脱离难船,便于在海上进行求生活动,保障船员、旅客的生命安全。
一、救生艇种类(一)按结构形式分三类:1、开敞式救生艇:它是一种没有固定顶篷装置的救生艇。
如图1-1所示。
应配备有效的人工排水或自动排水系统。
其优点是上层比较宽敞,人员登乘无障碍,人员在艇内活动方便,而且操作简单。
其缺点是没有支架和顶篷,人员暴露于自然环境中,遇4~5级以上风浪时,艇内人员就会受到海水侵袭,如果没有保暖防护物品,寒冷天气下,艇员的生命将会受到威胁。
天气炎热时,人员又会受到烈日曝晒,发生中暑等日射病。
2、部分封闭式救生艇:这种救生艇在艇首、尾部各有不少于艇长20%的永久附连的刚性顶盖,中间设有可折式顶篷。
可折式顶篷连同刚性顶盖形成一个能挡风雨的遮蔽,使艇内人员免受风浪的侵袭和烈日的曝晒。
可折式顶篷由1~2人就可以撑起。
艇的两端及两舷设有出入口,用来通风和便于进出。
这种救生艇既保留了开敞式救生艇的优点,又克服了其缺点。
但这种救生艇被风浪打翻后,艇员逃出不如开敞式救生艇那样方便,所以其出入口应能使艇员顺利逃出艇外为准。
有的部分封闭式救生艇还具有自动扶正的功能。
如图l-2所示。
3、全封闭式救生艇:它是指艇上部有固定的顶盖的救生艇。
如图1-3所示。
它设有内外能开启和关闭的通道盖,使艇员能方便地出入艇内,该通道关闭时能保证水密性,具有良好的保温隔热性能:顶盖上设有顶窗来保证艇内光线充足;有的还具有自我扶正功能。
因此,当今船舶越来越多地采用此类救生艇。
当然,封闭式救生艇也有一些不便因素,如:进出口较小给高大体壮的船员、旅客进出带来不便,艇内望人员观察场所的窗口小不便于观察嘹望等等。
(二)按材质分类:救生艇按建造材料不同可分为镀锌板、铝合金、玻璃钢等三种。
ICS03.220.40;47.020.01CCS R22中华人民共和国国家标准GB XXXXX—XXXX代替GB 16557—2010船用救生设备安全标志Signs for the life-saving appliances of marine(征求意见稿)在提交反馈意见时,请您将知道的相关专利连同支持性文件一并附上XXXX-XX-XX发布XXXX-XX-XX实施目 次前言 (I)1 范围 (1)2 规范性引用文件 (1)3 术语和定义 (1)4 标志图案 (1)5 技术要求 (17)6 试验方法 (18)7 标志的应用 (18)附录A(规范性) 船舶救生设备安全标志常用最小公称尺寸 (20)参考文献 (21)前 言本文件按照GB/T 1.1—2020《标准化工作导则 第1部分:标准化文件的结构和起草规则》的规定起草。
本文件代替GB 16557—2010《海船救生安全标志》,与GB 16557—2010相比,除结构和编辑性修改外,主要技术内容变化如下:a)更改了范围的内容“适用于国内航行船舶和海上设施”(见第1章,2010年版的第1章);b)更改了9个指令标志的图案:扣紧座位安全带、关闭舱门、将救生艇降至水面、将救生筏降至水面、将救助艇降至水面、艇降至水面后打开脱钩装置、开始对救生艇喷水、开始供气和释放艇稳索(见4.1,2010年版的4.1);c)增加了24个提示标志:带绳和灯救生圈、婴儿救生衣、双向VHF无线电话设备、救生筏刀、洗眼站、安全淋浴、急救医疗包、氧气呼吸器、医生、自动体外心脏除颤器、安全设备、船上通用报警、击碎板面、集合站、应急出口(左手)、应急出口(右手)、向右滑动开启门、向左滑动开启门、逆时针旋转开启、顺时针旋转开启、向左手边拉开起门、向右手边拉开启门、向右手边推开启门和向左手边推开启门(见4.2);d)更改了22个提示标志的图案:救生艇、救助艇、救生筏、吊架降落式救生筏、救生圈、带绳救生圈、带灯救生圈、带灯和烟雾信号救生圈、救生艇筏遇险信号、火箭降落伞火焰信号、抛绳设备、应急无线电示位标、登乘梯、海上撤离滑梯、海上撤离滑道、救生服、急救、应急电话、担架、紧急逃生呼吸装置、登乘站和集合站(见4.2. 2010年版的4.2);e)删除了6个提示标志:救生艇(筏)手持无线电话机、抗暴露服、保温用具、安全设备箱、方向指示标和出口(见2010年版的4.2);f)增加了 “形状及颜色”的试验要求(见6.2);g)增加了 “耐燃烧”的试验要求(见6.4)。
某型豪华客滚船救生艇架布置优化摘要:针对目前客滚船救生艇架液压管和钢丝绳布置在登艇通道上情况,研究了改进优化方案,在某型豪华客滚船实施并取得良好效果,对后续客船救生艇架布置具有参考意义。
关键词:救生艇架;绞车布置;泵站布置救生艇及架是客船上救生设备的重要组成部分,也是船上人员撤离逃生的重要保障;对于从事短程国际航线的客船,其配置的救生艇总容量至少能够容纳船上人员总数的30%,大量人员需要通过救生艇进行撤离逃生的同时,救生艇还要兼顾撤离系统救生筏的集结;救生艇架的布置合理性,不仅关系到船上30%的人员能否快速登艇、降落至水面安全逃生,同时也关系到其它70%人员通过撤离系统的逃生安全。
以往客滚船救生艇架液压管和钢丝绳布置在登艇通道上,设置台阶跨越平台,但同样影响人员通行效率和安全,为改善现状,故对救生艇架布置进行优化。
1、某型豪华客滚船救生艇架的组成及功能救生艇架的主要组成及功能如下,救生艇架布置如图1所示。
图1.救生艇架布置(1)吊臂:液压驱动,前后各一,用于将救生艇推出和收进舷侧。
(2)液压泵站(含蓄能器):电机驱动液压,用于为吊臂提供动力。
(3)电动绞车:电机驱动,带前后吊臂同轴卷筒,用于释放和回收救生艇。
(4)液压管及附件:用于连接吊臂与液压泵站。
(5)钢丝绳及附件:用于连接电动绞车、吊臂和救生艇。
(6)检修平台:用于救生艇及救生艇架的日常检查和维修。
2、救生艇架布置的设计优化思路研究以往型船的救生艇架布置后发现,造成液压管、钢丝绳阻碍登艇通道的主要原因是液压泵站、电动绞车布置在与吊臂同层甲板,液压泵站与吊臂之间的液压管,电动绞车与吊臂之间钢丝绳,贴甲板且在不同高度布置,造成登艇通道横跨数道钢丝绳和液压管;要优化登艇通道,则必须调整液压泵站和电动绞车布置,达到合理布置液压管和钢丝绳目的。
2.1电动绞车及钢丝绳布置设计优化为了解决钢丝绳横跨登艇通道问题,构想如下:需要避免电动绞车钢丝绳卷筒直接连接吊臂上的定滑轮,电动绞车的钢丝绳滚筒进出线方向不能沿船长方向,卷筒至吊臂的钢丝绳走向,需先在高度方向延伸,通过借助维修平台下设置的导向定滑轮,再至前后吊臂。
救生艇及吊艇架布置图设绘通则1 主题内容与适用范围1.1本标准规定了救生艇及吊艇架布置图的设绘依据、基本要求、内容要点、图面要求、注意事项、校审要点、质量要求以及附图。
1.2本标准适用于详细设计阶段救生艇及吊艇架布置图的设绘。
2 引用标准及设绘依据图纸2.1 引用标准下列标准所包含的条文,通过在本标准中引用而构成为本标准的条文。
本标准出版时,所示版本均为有效。
所有标准都会被修订,使用本标准的各方应探讨使用下列标准最新版本的可能性。
2.2 设绘依据图纸a) 设计任务书;b) 船体规格书(说明书);c) 总布置图;d) 艇甲板结构图;e) 救生设备布置图;f) 救生艇总图;g) 吊艇架总图;h) 救生艇绞车及救助艇绞车(以下简称艇绞车)总图。
3 基本要求本图系供船级社送审认可图纸,也供船厂施工之用。
3.1 所选用救生艇、吊艇架及艇绞车必须具有船级社的认可证书。
3.2 应按全船救生设备布置图及总布置图与说明书的基本要求结合本船航区所相应的规范规定,确定救生艇、救助艇(或救生艇兼救助艇)、吊艇架、艇绞车及各种救生设备的类型、规格和数量。
4 内容要点本图样一般应有俯视图、侧视图、横向视图等组成。
4.1 应全面复校总布置图、说明书及救生设备布置图是否符合规范与国际公约要求,例如救生艇额定乘员是否满足?救生艇的登乘甲板集合处面积是否满足?紧急集合的通道是否畅通?进入救生艇的担架在通道处是否顺利转弯及进入救生艇?救生艇存放高度(距轻载航海水线)是否满足规范要求?艇存放位置距螺旋桨距离是否满足规定要求?等。
如果有疑问应与有关设计者协调解决,以确保船舶设计质量。
4.2 清楚地表明艇及艇架在船舶内横倾20°并纵倾10°恶劣工况时,吊艇臂转出舷外的放艇轨迹示意图以证明救生艇在转出舷外过程中与本船船体不碰,否则要采取有效措施,甚至更换吊艇架的型号。
4.3 所选吊艇架与艇绞车时工作负荷以及救生艇的重量要合理地配合。
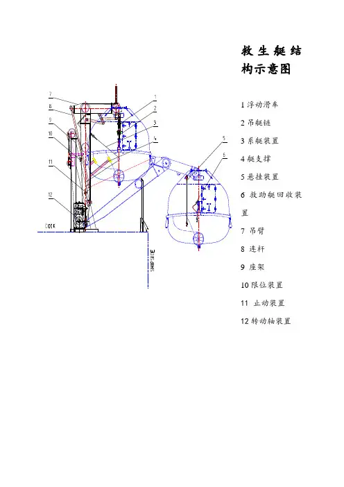
救生艇结构示意图
2吊艇链
3系艇装置
4艇支撑
5悬挂装置
6 救助艇回收装置
7 吊臂
8 连杆
9 座架
10限位装置
11 止动装置
12转动轴装置
1 放艇准备工作
1) 移去所有障碍物。
2)保证悬挂索不与救生艇相连。
2 启动准备工作(见以下示意图)
1) 操纵艇机手摇柄(将手摇柄插入
绞车起升手摇柄插座),收紧吊艇索
使救生艇略微上升以释放止动装置
挡杆上的受力。
注意:手动结束后,
手摇柄必须取下.
2)解除止动装置。
3) 解除系艇装置。
3 进行救生艇的下放
(1)救生艇驾驶员手拉遥控绳索,使绞车刹车松闸,即可借助救生艇的重力,使艇转出舷外。
(2)进行艇的下降动作:驾驶员继续拉紧遥控绳索,使艇下降,在下降过程中,注意避免艇速度过快而引起不安全因素。
4 当救生艇接触水面时,启动马达并迅速作好解脱吊艇链的准备动作,以避免母船的航行拖翻救生艇。
5 当救生艇完成脱钩脱离母船安全入水后,将遥控绳索抛出艇外,然后便可开足主机马力迅速驶离遇难船舶航行脱险。
PSC对救生艇及艇架、绞车检查的内容及要求PSC对救生艇及艇架、绞车检查的内容及要求(依据SOLAS公约2006年修正案MSC.216(82)):(一) 对救生艇(救助艇)检查时的内容及要求:1、艇体内、外结构要求整洁,金属件完好,附件无缺损。
2、艇内属具数量及保质期要求配对。
附表:属具表。
3、艇内指定位置布置图及重要标志要求清晰,位置准确(吊钩释放装置布置图、电气原理图、属具及备件清单、操纵及保养手册、艇底塞、应急操舵装置等)。
4、艇内仪器、仪表、电路要求完好,位置正确。
5、艇脱钩装置要求活络、同步。
联动、保险装置要求完好、有效。
6、艇机及附带设备(电瓶、齿轮箱、尾轴、舵、机带水泵、离合器等)要求无故障、及时动作。
(二) 对艇架、绞车检查时的内容及要求:1、艇架、绞车旁应布置操纵及注意事项图,图标要求清洁、完整。
2、艇架、绞车整体锈损情况,应除锈检查,损坏或超标要求更换。
3、艇架、绞车传动或降落装置(活动件)要求活络,配合间隙在要求内,超标修理或更换(滑轮、传动轴、轴套等)。
4、艇架、绞车上指定位置的限位、联动开关要求动作准确。
5、艇架、绞车上保险装置要求完整、可靠(固艇钢丝、调节螺丝、连接卸扣、保险杠或销、艇架T型钩、滑轮护罩等)。
6、艇架与绞车相连附件要求配套,位置要求准确(吊艇钢丝大小、长短、标准,遥控装置的位置、重锤配重,钢丝大小、长短等)。
7、绞车的电、气、油等,线或管系要求平整、完好。
8、绞车齿轮箱按厂方要求定期检查(齿轮、润滑油等),刹车定期检查调正或修理、更换。
9、登乘装置定期检查要求完整、可靠,固定装置要求牢靠,通道畅通。
请求失败,无响应重试。
牺牲阳极布置图设绘通则前言本标准规定了“牺牲阳极布置图”的设绘通则。
本标准适用于海洋钢质船舶水下船体的牺牲阳极保护。
船体防蚀装置有两种:一种是外加电流防蚀装置,由设备厂根据船舶壳体状况供货;另一种是牺牲阳极防蚀装置。
本标准仅对牺牲阳极防蚀装置布置设绘作了规定。
1 主题内容与适用范围1.1本标准规定了“牺牲阳极布置图”的设绘依据、基本要求、内容要点、图面要求、注意事项、校审要点、质量要求以及附录。
1.2本标准适用于民用海洋钢质船舶水下船体包括附属体的防蚀设计。
2 引用标准及设绘依据图纸2.1 引用标准下列标准所包含的条文,通过在本标准中引用而构成为本标准的条文。
本标准出版时,所示版本均为有效。
所有标准都会被修订,使用本标准的各方应探讨使用下列标准最新版本的可能性。
2.2 设绘依据图纸a)设计任务书;b)船体说明书;c) 总布置图;d) 机舱布置图;e) 线型图;f) 舵系布置图;g) 静水力计算;h) 螺旋桨图;I) 牺牲阳极计算书。
3 基本要求3.1 应根据船体说明书使用寿命要求和满载吃水以下浸水面积,不同附属体的保护电流密度计算出牺牲阳极数量、规格、型号。
3.2 计算包括:a)根据不同附属体选用不同的保护电流密度;b) 根据不同牺牲阳极材料的发生电流量确定阳极数量;c) 根据选定的阳极重量、电容量、发生电流量进行使用寿命年限校核。
4 内容要点4.1 牺牲阳极在船体表面应左右对称布置,全船范围内在桨舵区域应集中布置,首尾兼顾,在首尾侧推,海底阀箱内,防摇鳍上应专门布置。
4.2 以螺旋桨轴线为中心在0.55D ~1.1D( D为螺旋桨直径)之间范围内的船体外板上不得布置牺牲阳极。
4.3 桨舵区域以外的牺牲阳极应均匀布置在舭龙骨上表面和舭龙骨以外的船体上(顺流线布置)。
4.4 安装牺牲阳极的船体表面应是基本平整,保证牺牲阳极和船壳贴紧,否则要移位,或者选用小一档的牺牲阳极和增加数量。
4.5 牺牲阳极一般应按GB4950-85标准选取。
基本结构图设绘通则主题内容与适用范围1.1本标准规定了“基本结构图”的设绘依据、基本要求、内容要点、图面要求、注意事项、校审要点、质量要求以及附录。
1.2 本标准适用于详细设计阶段的“基本结构图”设绘。
2 引用标准及设绘依据图纸2.1 引用标准下列标准所包含的条文,通过在本标准中引用而构成为本标准的条文。
本标准出版时,所示版本均为有效。
所有标准都会被修订,使用本标准的各方应探讨使用下列标准最新版本的可能性。
a)GB4476-84 金属船体制图;b)CB261-62 圆形钢支柱型式及基本尺寸;c)CB*3181.1-83 船体结构节点、零部件;d)CB*3181.2-86 船体结构节点、零部件(船长小于90 m);e)CB*3182-83 船体结构相贯切口与补板;f)CB*3183-83 船体结构型材端部形状;g)CB*3184-83 船体结构流水孔、透气孔、通焊孔;h)CB*140-88 内河船舱口角隅;2.2 设绘依据图纸a)总布置图;b)型线图;c)船体构件规范计算书;d)横剖面图;e)机舱布置图;f)金属门、窗、盖布置图;g)扶梯、栏杆布置图;h)舵系布置图;i)锚系泊设备布置;j)起重设备布置图;k)轴系布置图;l)集装箱布置图。
3 基本要求“基本结构图”是全面地反映船体主要纵向、横向构件尺寸及其沿船长的布置情况。
各层甲板平面图上的所有开孔应表达清楚。
在中纵剖面图中要表达出主要纵向构件的连接形式, 船底、舱壁、甲板、首尾结构、上层建筑的构件应上下呼应。
本图应满足送审图纸要求以及作为生产设计的依据。
4 内容要点本图样一般应由中纵剖面图、各层甲板图、平台甲板图和舱底图组成。
4.1 中纵剖面图是船中纵向剖切后所得到的纵向剖面图。
在不妨碍中剖面构件表达的情况下,对于不在中纵剖面内的某些重要构件(如甲板纵桁、支柱、纵舱壁、舱口围板、主机座等)也应用重叠投影法以细双点划线表示出来,以进一步表明船舶的结构情况。
2024年江苏省淮安市小升初数学精选常考应用题自测D卷含答案及解析姓名:________ 考号:________ 得分:________一、应用题(精选150道题;要求一、审题:在开始解答前,应仔细阅读题目,理解题目的意思、数量关系、问题是什么,以及需要几步解答;二、注意格式:正确使用算式、单位和答语;三、卷面要求:书写时应使用楷书,尽量避免连笔,字迹稍大,并注意排版;四、π一律取值3.14。
)1.六年级学生植树,已知成活的是368棵,没成活的是32棵.这批树的成活率是多少.2.一个长方形13分米、宽12分米,这个长方形的周长是多少分米,面积是多少平方分米.3.奥体中心修一段路,平均每天修60米,要18天完成,如要在15天内完成,平均每天要修多少米?4.建筑工地上用的水泥沙是由水泥和沙子按3:8的比拌制而成的.①现要伴制这种水泥沙3吨,各需要水泥和沙子多少吨?②工地上现有水泥600千克,沙子1吨,这些水泥和沙子最多能伴制多少吨这样的水泥沙?③工地上现有水泥600千克,沙子1吨,现要充分地用完这些水泥和沙子,至少还需要运进多少水泥和沙子?至少能伴制多少吨这样的水泥沙?5.甲、乙、丙三人的平均年龄为42岁,若将甲的岁数增加7岁,乙的岁数扩大2倍,丙的岁数缩小2倍,则三人岁数相等.丙的年龄为多少岁.6.一件上衣七五折后售价是135元,这件上衣的原价是多少元?7.机床厂去年生产机床500台,比今年少生产100台.①比今年少了百分之几?②今年比去年多了百分之几?8.五年级有135人,六年级的人数比五年级的4/5多18人,六年级有多少人?9.甲、乙两仓库,甲仓库存粮68吨,乙仓库存粮55.6吨,乙仓库运出多少吨粮食给甲仓库后,甲仓库存粮是乙仓库存粮的3倍.10.学校有一块等腰三角形试验田,在试验田周围围上篱笆,其中两条边长分别是38米和19米.篱笆的总长是多少米?11.运输队去仓库运水泥,第一天运出总数的1/5,第二天运进水泥36吨,这时仓库里的水泥是原来的87.5%,仓库里原有水泥多少吨?12.饲养场养了53只白兔和77只黑兔,养的鸡的只数是兔子的11倍,饲养场养鸡多少只?13.饲养场要运走一批鸡蛋,每箱装50个,已经装了45箱,还剩3000个鸡蛋没有装,这批鸡蛋一共可装多少箱?14.小华家有一块底为40米,高为25米的平行四边形地,共种树480棵,平均每棵树占地面积是多少?15.一个长方形花圃长14米,宽10 米.(1)这个花圃周长多少米?(2)沿花圃四周修一条宽1米的小路、小路面积多大?(先画图分析,再解答)16.五年级两个班为希望工程捐款,1班42人共捐168元,2班45人共捐180元,平均每人捐款多少元?17.植树节那天,五(2)班植树142棵,五(2)班植树棵数比五(1)班的2倍少26棵,五(1)班同学植树多少棵?18.一个长方形面积是480平方厘米,长和宽都是整厘米数,这样的长方形的周长最长是多少厘米,最短是多少厘米.19.有甲、乙、丙三名小学生,甲和乙重83千克,乙和丙重85千克,甲和丙重86千克.请你猜一猜,甲、乙、丙三个人分别有多重?20.五年级同学采集树种128千克,六年级同学采集的是五年级的11/8,四年级同学采集的只有六年级的一半,四年级同学采集树种多少千克?21.一个长方形的面积是256平方厘米,如果长缩小4倍,宽扩大4倍,这个长方形就变成了正方形.这个正方形的面积是多少?它的边长是多少?22.农场有一块三角形试验田,底长160米,高比底短85米.①这块试验田的面积是多少平方米?②农场用这块地的一半种小麦,共收小麦4500千克,平均每平方米收小麦多少千克?23.甲、乙两地相距250米,一辆汽车从甲地开往乙地,行驶了全程的五分之三时,距乙地还有多少千米?24.师徒两人各加工同样多的零件,同时加工,当师傅完成任务时,徒弟还有30个没有完成,当徒弟完成任务时,师傅可以超额完成50个,这批零件总数共多少个?25.植树节同学们要植150棵树,第一天植了1/3,其中的2/5是六年级植的.六年级第一天植了多少棵树?26.东西两城间的路程280千米,甲乙两车分别从两地对开,3.5小时相遇,已知甲车每小时行45.6千米,乙车每小时行多少千米.27.甲乙两辆汽车同时从东站开往西站.甲车每小时比乙车多行12公里.甲车行驶四个半小时到达西站后,没有停留,立即从原路返回,在距离西站31.5千米的地方和乙车相遇,甲车每小时行多少千米?28.同学们要折120只纸鹤,每人折5只,每个小组有12人,需要几个小组才能完成?29.甲乙两车从A城到B城,速度相同.甲车先出发120千米,乙车才出发.甲车到达B城立即返回,在距离B城1/4处相遇到乙车,A、B 两城相距多少千米?30.一个长方体的汽油桶,底面积是16平方分米,高是6分米,如果1升汽油重0.74千克,这个油桶可以装多少千克汽油?31.甲乙两辆汽车同时从两地出发,相向而行,已知甲车每小时行45千米,乙车每小时行35千米,它们在距离中点10千米处相遇,那么,甲乙两地相距多少千米?32.100千克小麦可以磨出面粉85千克,照这样计算,有5000千克小麦,可以磨出多少吨面粉?33.甲、乙两车分别从A、B两地同时开出,相向而行,经过6小时,甲车行了个程的75%,乙车超过中点16千米.已知甲车比乙车每小时多行4千米.求A、B两地相距多少千米?34.学校组织了郊游,需要租车.大客车可以载客50人,每辆需要68元,小客车只能载客39人,每辆只需38元.这次郊游一共去了298人,带队老师只有450元,应该租用哪种车花钱最少?35.体育用品商店迎春节篮球促销:小明带了120元钱,最多能买多少个篮球?(买1~4个,每个26元;买5~9个,每个24元;买10个或10个以上,每个20元.)36.元旦晚会上,六一班同学买来120个气球进行装饰教室,这些气球是红黄蓝三种颜色,个数之比为4:3:1.这三种颜色气球各有多少个?37.甲、乙两个粮仓共存粮95吨,从甲仓调8吨粮食到乙仓,又从乙仓调35吨粮食支援灾区,这时甲仓存粮吨数是乙仓的2倍.求原来甲、乙两仓各存粮多少吨?38.联欢会上,小红按照4个红气球、3个黄气球、2个绿气球的顺序把气球串起来装饰会场,第52个气球的颜色是哪一种?39.一块平行四边形的地,底长180米,高54米,在这块地里植树,平均每棵树占地2.25平方米,这块地可植树多少棵?40.在体育夏令营中,女营员有116人,男营员的人数比女营员的2倍少56人,男营员有多少人?41.妈妈把10000元钱存入银行,已知年利率是7.56%,三年后可领回本息多少元?42.某大型养鸡场把一天产的鸡蛋每25千克装一箱,装好107箱后,还剩19千克,这一天产鸡蛋多少千克?43.商店运来一批苹果,第一天卖了总数的20%,第二天卖了总数的32%,第二天比第一天多卖48千克,这批苹果一共有多少千克.44.师徒两人一共生产了360个零件,师傅生产的零件比徒弟多2倍,师、徒二人各生产了多少个零件?45.商店将进价为每件700元的商品按标价的7折销售,仍可获利21元,商品的标价为每件多少元?46.一根钢管长3米,外直径20厘米,管壁厚2厘米.如果每立方厘米钢重7.8克.这根钢管重多少千克?(得数保留整数)47.同学们沿笔直的操场一侧插彩旗,每隔8米插一面,一共插了26面,从第1面彩旗到最后一面的距离有多远?48.一个圆柱的侧面积是94.2dm2,底面直径是6dm,它的高是多少dm;与这个圆柱等底等高的圆锥形容器的容积是多少L.49.甲、乙、丙三人跳高,成绩分别是90分、94分、98分.a.求出甲、乙两人的平均成绩?b.乙和丙的平均成绩比甲和丙的平均成绩多多少分?c.他们三个人的平均成绩是多少分?50.甲、乙两辆汽车同时从东西两城相对开出,已知甲车每小时行60千米,经过3小时后,甲车已驶过中点30千米,这时甲车与乙车还相距18千米.问此时乙车相距中点多少千米?此时乙车已行多少千米?每小时行多少千米?51.王老师买了5盒彩笔,每盒12枝,发给同学们48枝.还剩多少枝?52.甲、乙两辆汽车同时从AB两站相对开出,第一次在离A站90千米处相遇,相遇后两车继续以原速度行驶,到达对方的出发地后立即返回,第二次相遇在离A地50千米处,求AB两地之间的路程.53.甲、乙两地相距192千米,一辆汽车在上午8时从甲地开出,下午2时到达乙地.这辆车平均每小时行多少千米?54.甲乙两车分别从AB两相对开出,甲车每小时行89千米,乙车每小时行83千米,甲乙两车在距A、B中点30千米处相遇.A、B两地相距多远?55.一批零件.如果单独做.师傅需6小时完成.徒弟需8小时完成、现在两人合作1小时后.正好做了140个零件.这批零件有多少个?56.有63米布,原计划做35件成人上衣,现在用这批布做儿童上衣,每件儿童上衣比成人上衣少用0.2米,最多可以做儿童上衣多少件?57.甲、乙、丙三人,平均体重63千克,甲与乙的平均体重比丙的体重多3千克,甲比丙重2千克,求乙的体重.58.一个圆锥体底面周长是18.84厘米,体积是47.1厘米,圆锥的高是多少立方厘米.59.一个长方形铁片,长37.68厘米,宽15厘米,以它做侧面卷成一个圆柱体,圆柱体的体积最大是多少?60.大山化肥厂前2天生产化肥148.2吨,后3天生产化肥225.6吨,这几天平均每天生产化肥多少吨?61.刘叔叔到化肥厂买化肥,买了168袋化肥,每袋化肥35元,还剩60元钱,刘叔叔一共带了多少钱?62.一批产品的合格率是96%,已知合格产品有192件,不合格产品有多少件?63.A、B两地相距658米,甲、乙两辆汽车分别从A.、B两地同时相向而行,经过6.25小时后相遇,甲车的速度是每小时45.5千米,乙车的速度是每小时多少千米?64.一块正方形地,边长8米,面积是多少平方米.如果在这块地的四周围上篱笆,篱笆长是多少米.65.某实验小学五年级408人去秋游,小客车限载乘客25人,每天每辆600元,大客车限载乘客40人,每天每辆800元,问怎样租车合算?66.甲、乙两车同时从相距348千米的两地同时出发相向而行,4小时相遇,相遇时甲车行了180千米,乙车每小时行多少千米?67.仓库原有货物56吨,今天运走了9车,如果每车运c吨,那么仓库里还剩货物多少吨?68.建筑工地有一个圆锥形沙堆,底面周长是6.28米,高是1.5米.如果用容积是0.3立方米的车子把这堆沙运走,至少要运几次?69.商店运进250只红气球和一些黄气球,红气球卖出50只以后,剩下的只数是黄气球的2倍,商店运进黄气球多少只?70.六年级有男生22人,女生比男生少2/11,全班有多少人?71.某校参加数学竞赛有120名男生,80名女生,参加语文竞赛的有120名女生,80名男生,已知该校总共有260名学生参加竞赛,其中75名男生两科竞赛都参加了,那么只参加数学竞赛而没有参加语文竞赛的女生有多少人?72.甲、乙两地相距250千米,一辆汽车从甲地开出,平均每小时行50千米,几小时可以到达乙地?73.甲每小时跑14.4千米,乙每小时跑10.8千米,乙比甲多跑了2分钟,结果比甲少跑了120米,那么甲跑了多少米.74.在夏令营活动中,1000名同学一天能吃7.6千克盐,照这样计算10名同学一天要吃多少千克盐?合多少克?75.“六一”节时,同学们按“红黄红红蓝黄”的规律在教室里挂上了许多气球,第20个气球是什么颜色的,第57个气球是什么颜色的.76.东方小学组织学生乘同样的大巴去旅游,低年级的师生坐满14辆大巴还剩下35人,剩下的与高年级师生一起刚好坐满11辆大巴,已知低年级师生是全校师生总数的7/12,东方小学参加旅游的师生有多少人?每辆大巴乘坐多少人?77.甲乙两辆汽车同时从相距270千米的两地相对开出,经过1小时30分后两车相遇.已知乙汽车与甲汽车的速度比是7:8,求这两辆汽车每小时各行了多少千米?78.六年级某班某天有116名学生出勤,3名学生病假,1名学生事假.出勤的学生人数占全班总人数的多少百分数?79.一辆客车和一辆货车分别从溧水和上海两地沿着高速公路同时相对开出,1小时后两车相距154千米.已知客车行完全程要4小时,货车行完全程要5小时,问溧水到上海的高速公路全长多少千米?80.食堂运来一批花生油,如果每天用1.8千克,能用160天.如果每天节约0.3千克,能用多少天?81.工人叔叔做零件,前3天每天做125个,后4天每天做160个,一星期工人叔叔做零件多少个?82.学校组织三年级同学去春游,准备了9箱矿泉水,每箱24瓶,如果把它们平均分给2个班,每班可分得多少瓶?83.师徒二人加工一批零件,师父每小时加工45个,徒弟每小时加工28个,师徒二人一天(按8小时计算)共加工多少个零件?(用二种方法解答)84.建筑工地要运黄砂100吨,用一辆载重4吨的汽车运了10次,剩下的改用一辆载重2.5吨的汽车运,还要运几次?(列方程解)85.一个车间,平均每个工人每天加工零件144个,5个工人25天加工零件多少个?86.甲乙两辆汽车分别从AB两地相对而行,3小时后两车相遇,这时甲乙两车所行路程的比是7:5,甲比乙多行24千米,AB两地相距多少千米?87.东西两城相距254千米,甲、乙两辆汽车相对开出,甲车每小时行27千米,先行2小时后,乙车开始出发,速度为每小时23千米.乙车出发几小时后两车相遇?88.甲、乙两个箱子共装了300多个零件,如果从甲箱取出a个放到乙箱中,甲箱比乙箱的零件数少4/13;如果从乙箱取出a个放到甲箱中,乙箱比甲箱的零件数少2/9.那么原来甲箱乙箱中各有多少零件?89.甲、乙两地公路长392千米,一辆汽车从甲地出发开往乙地,前2小时行了112千米,照这样的速度,还要几小时才能到达乙地?(用比例解)90.100克花生仁可以榨出42克花生油.照这样计算,3.5吨花生仁可以榨出多少吨花生油?(用比例解)91.一本书共有144页.女孩8天就看完了.男孩准备12天看完,女孩比男孩平均每天多看多少页?92.六一儿童节同学们做彩花装扮教室.蓝花30朵,黄花是蓝花的2倍,红花比蓝花和黄花的总数多10朵,他们做了多少朵红花?93.一个长方形花坛,长106分米,宽8米,它的周长是多少分米,面积是多少平方分米.94.一桶油,第一次取出这桶油的35%,第二次再取15千克就刚好剩下这桶油的一半,这桶油一共重多少千克?95.一桶油连桶带油共重126千克,售出一半后的重量为71千克,如果每千克售价6元,这桶油共可卖多少元?96.学校要挖一个半径10米、深2.5米的圆柱形喷水池,并且在它的周围安上铁栅栏。
救生艇及吊艇架布置图设绘通则
1 主题内容与适用范围
1.1本标准规定了救生艇及吊艇架布置图的设绘依据、基本要求、内容要点、图面要求、注意事项、校审要点、质量要求以及附图。
1.2本标准适用于详细设计阶段救生艇及吊艇架布置图的设绘。
2 引用标准及设绘依据图纸
2.1 引用标准
下列标准所包含的条文,通过在本标准中引用而构成为本标准的条文。
本标准出版时,所示版本均为有效。
所有标准都会被修订,使用本标准的各方应探讨使用下列标准最新版本的可能性。
2.2 设绘依据图纸
a) 设计任务书;
b) 船体规格书(说明书);
c) 总布置图;
d) 艇甲板结构图;
e) 救生设备布置图;
f) 救生艇总图;
g) 吊艇架总图;
h) 救生艇绞车及救助艇绞车(以下简称艇绞车)总图。
3 基本要求
本图系供船级社送审认可图纸,也供船厂施工之用。
3.1 所选用救生艇、吊艇架及艇绞车必须具有船级社的认可证书。
3.2 应按全船救生设备布置图及总布置图与说明书的基本要求结合本船航区所相应的规范规定,确定救生艇、救助艇(或救生艇兼救助艇)、吊艇架、艇绞车及各种救生设备的类型、规格和数量。
4 内容要点
本图样一般应有俯视图、侧视图、横向视图等组成。
4.1 应全面复校总布置图、说明书及救生设备布置图是否符合规范与国际公约要求,例如救生艇额定乘员是否满足?救生艇的登乘甲板集合处面积是否满足?紧急集合的通道是否畅通?进入救生艇的担架在通道处是否顺利转弯及进入救生艇?救生艇存放高度(距轻载航海水线)是否满足规范要求?艇存放位置距螺旋桨距离是否满足规定要求?等。
如果有疑问应与有关设计者协调解
决,以确保船舶设计质量。
4.2 清楚地表明艇及艇架在船舶内横倾20°并纵倾10°恶劣工况时,吊艇臂转出舷外的放艇轨迹示意图以证明救生艇在转出舷外过程中与本船船体不碰,否则要采取有效措施,甚至更换吊艇架的型号。
4.3 所选吊艇架与艇绞车时工作负荷以及救生艇的重量要合理地配合。
艇绞车的降落速度根据吊艇架存放高度必须满足规范规定的公式要求。
4.4 应全面绘制出全船救生艇、吊艇架、艇绞车及其系统的布置位置,并注明吊艇架的主要外形尺寸以及底脚的定位尺寸。
4.5 应绘制登艇平台及登艇梯,并标注件号。
4.6 应表明应急弃船状态人员逃生登艇方向。
4.7 对自由降落救生艇及降落装置应核对存放位置的降落高度和滑道角度是否符合艇的证书规定。
4.8 应有“技术要求”说明项,提出注意事项与装船前及装船后应进行的试验要求与方法。
5 图面要求
5.1 图纸幅面
应符合GB4476-84金属船体制图要求。
幅面宽度尽可能不大于1号图纸宽度,长度允许按GB4476.1放长。
5.2 图面格式
必须绘制三面视图,“技术要求”书写在材料表之上明显处。
5.3 常用比例
平面图与侧视图一般采用1:50或1:100,横向视图一般采用1:25或1:20,如特殊需要可另行考虑。
5.4 线条
按GB4476-84规定绘制,船体外形轮廓,室围壁外形及其它必须绘出的固定设施用总布置图相同的线条绘制,属本图范围的设备及其系统用较粗的线条进行绘制,以使主次分明。
与本图无关的设施尽可能不绘或少绘,但必须绘出通道、门和出入口,以观察救生艇布置位置、登艇平台、登艇梯等布置是否合理。
5.5 其他
a) 肋骨号每隔2档标注。
b) 标题栏应按院标准规定设置与填写,材料表与件号标注应填写完整。
6 设绘注意事项
6.1 必须注意满足规范与公约要求,并满足本标准第4条内容要点的全部要求。
6.2 注意与其他设计图纸的协调,例救生艇存放区域栏杆为可倒式或放置舷内适当位置,不影响放艇(在船舶任何一舷横倾20°及首、尾纵倾10°的恶劣工况下)。
6.3 注意与其他专业的协调,例如:
a) 救生艇的存放区域避开舷侧的排水口。
b) 救生艇下降区域应没有任何障碍。
救生艇的存放区域下各层甲板设置垂直档柱,以避免救生艇下放时被搁住而导之翻艇。
c) 吊艇架、艇绞车处甲板需作结构局部加强,如是自由降落救生艇降落装置,在围壁的受力位置也需适当加强。
d) 与电气专业协调,如登艇集合处应急照明,艇绞车的电气控制箱的位置确定、限位开关等问题。
7 校审要点
7.1 校核设备的型号、规格、数量的配备是否符合规范和公约要求。
7.2 校核所选的吊艇架、艇绞车是否与艇相匹配。
7.3 校核是否符合本标准第4条内容要点与第6条注意事项规定。
8 质量要求与等级规定
等级的表达方式采用下表形式
9 参考资料见附录A
附录A
《救生艇及吊艇架布置图》参考资料
A1 相关标准
GB11574-89 全封闭救生艇型式和基本参数
GB10839-89 部分封闭救生艇型式和基本参数
CB*795-85 开敞式救生艇型式和基本尺寸
GB11573-89 全封闭救生艇技术条件
GB/T14355-93 开敞式救生艇技术条件
GB/T14651-93 部分封闭救生艇技术条件
GB/T16302-96 自由降落救生艇技术条件
GB/T16303-96 自由降落救生艇降放装置技术条件
GB13406-92 吊艇架装置技术条件
CB/T3268-1995 重力倒臂式吊艇架装置(封闭救生艇)
CB*3072-83 重力倒臂式吊艇架装置(开敞救生艇)
A2 有关规范、规则
a) IMO第66届海安全通过的SOLAS公约修正案及国际救生设备规则(1998年7月1日生效)。
b) IMO救生设备试验(海安会决议MSC.81(70),1999年7月1日生效)。
c) 中华人民共和国船舶检验局船舶与海上设施法定检验规则国际航行海船法定检验技术规则(1999年)。
d) 中华人民共和国船舶检验局船舶与海上设施法定检验规则非国际航行海船法定检验技术规则(1999年)。
e) 中华人民共和国船舶检验局内河船舶救生设备规范(1992年)。
A3 有关文献
船舶设计实用手册(舾装分册)第1篇第5章。