场地岩土工程地质条件
- 格式:doc
- 大小:91.00 KB
- 文档页数:7
场地工程地质评价1、1、场地总体稳定性和建筑适宜性1、场地总体稳定性场地位于地震基本烈度小于6度的地区,属非设防区;场区属岩溶坡积地貌,无区域活动性断裂通过;场地总体稳定性较好。
2、场地地段稳定性(1)、建筑地段位于残坡积平台上,地貌单一,地势宽阔,地形平坦,排水条件好;(2)、建筑地段无地下采空区、滑坡等不良地质灾害现象;上覆土层厚度较大,不均匀;(3)、场地水文地质条件简单,排水条件较好,地表水及地下水对场地无不良影响。
各拟建、构筑物地段稳定性较好。
3、地基稳定性(1)、上覆第四系素填土厚度变化大,不均匀,结构松散,压缩性高,土层地基稳定性较差;(2)、红粘土层厚度变化较大,不均匀。
(3)、下伏基岩浅部岩溶现象(溶沟、溶槽及裂隙、鹰咀、悬臂)较发育,地表内无大型岩溶现象存在,岩石地基稳定。
地基稳定性较好。
4、建筑适宜性根据场地的稳定性,水文地质及环境工程地质条件,建筑物安全等级,岩土构成,地震基本烈度等因素,综合评价场地的工程建筑适宜性为适宜类别。
1.2、岩土工程特征及力学性质1、素填土:杂乱堆填,回填年限不足1年,孔隙度大,压缩性高,尚未完成自重固结。
2、硬塑状红粘土该层红粘土场地分布不均匀,埋藏深度较大,大兴工业园17号地与大兴中学处于同一地质单元,借鉴大兴中学综合楼对该层的室内试验进行综合评价,试验统计见下表:经计算:ck=36.45kPa,φk=15.56°,取 b=3m,d=0.5m, r=17.7kN/m3;据建筑地基基础设计规范GB50007—2002计算式:f a=M b rb+M d r m d+M c c k,计算得该层承载力特征值f ak=235.90 kPa。
结合取芯情况及勘察过程中实际情况综合推荐该层红粘土(硬塑)承载力特征值f ak=200 kPa。
3、强风化白云岩:岩质较软,岩体较破碎,结合拟建筑物结构荷载特征,据当地建筑经验及相邻建筑物勘察结果综合推荐该层承载力特征值f a =400kPa 。
岩土勘察工作中工程地质条件及地层特性发布时间:2022-04-28T03:24:19.353Z 来源:《工程建设标准化》2022年第1月1期作者:孙柏青[导读] 由于中国大多数地区岩土工程及勘察等工作也都是需要在较复杂特殊的特殊地质条件指导下去进行的,而且往往埋藏在岩脉等金属矿物中。
孙柏青中国铁路设计集团有限公司,天津 300142摘要:由于中国大多数地区岩土工程及勘察等工作也都是需要在较复杂特殊的特殊地质条件指导下去进行的,而且往往埋藏在岩脉等金属矿物中。
应结合以往勘探、科研、物探、化探等资料,采用先进的勘探技术,综合分析工区工程地质条件和地层特征。
我国现阶段岩土工程的勘察研究工作开展中的岩土工程地质条件勘察研究问题主要都集中反映在工程勘察区地的环境水文地质条件上,忽视了对岩土自然地理条件和物理性质的研究。
关键词:岩土基础勘察技术工作场所;岩石工程地质条件分析;岩土地层特性分析为更好保证了岩土工程勘察研究的正常合理和开展,提出探讨了我国岩土工程勘察重要的一些工程地质条件要素和矿床地层特征。
通过上述对中国岩土工程地质勘察体系中一些工程地质条件问题的调查研究,水文地质条件问题包括:矿床与含富水岩层相互作用的基本水文地质特征分析;城市地下水资源补给、径流条件评价及岩溶地下水动态分布变化及规律;物理地理条件主要包括:一般的地形、气候类型、海拔、相对自然高差、地形地貌特征条件;而岩土物理性质条件一般包括了直接可测得地层的各种岩土物理性质条件特征和其他间接无法测得岩层的特殊岩土物理性质条件。
1岩土勘察工作概述岩土工程场地勘察技术的应用主要开展工作主要包括建筑场地岩石稳定性状态调查、地基成土物理性质特征调查、建筑物地震危险性等级调查、水文特性调查评价等。
等,通过实施岩土工程场勘察,发现在施工现场区域所存在可能的地质灾害安全隐患,确保区域地层特征变化和基础地质条件的满足地质工程施工要求。
同时,也据此可准确根据实际岩土工程现场勘察试验结果准确判断出本项目工程实施对周边工程地质环境状况和周边生态环境构成的重大损害,确保实施即使没有造成明显损害时也完全能获得控制。
在实际施工中采用了不同的基础型式相结合,成功的避让和解决了在岩溶地区修建大型项目的工程地质问题,下面是小编搜集整理的一篇探究岩溶地区场地工程地质条件与岩土工程地质评价的,供大家阅读查看。
1、前言拟建场地位于万盛区万东镇莲池村小湾社,拟建工程为8栋6F安置房,场地已有省级公路直达重庆,且綦万高速公路位于场地南侧约1km通过。
勘察区交通便利。
2、场地工程地质条件拟建场区总体地势东高西低,北东侧地面最高标高为322.26m,西侧地面最低标高为307.13m,相对高差为15.13m,地形坡角3°左右。
勘察区属丘陵地貌,地形较简单,地貌单一。
拟建区位于莲花石向斜东翼,岩层产状为287°∠58°。
场区内未见次生褶曲和断层,地质构造较简单。
拟建场区不良地质现象主要为岩溶问题,根据调查该区为岩溶强烈发育区,岩溶在地表的分布均据有局限性,岩溶沿顺层发育、集中运动,岩溶管道一般顺岩层走向发育的特点,并沿水平发育。
区内岩溶以孤立管道为主,水力坡度大,纵向畅通,横向极差。
由于本区新构造运动以间隙性上升为主,故岩溶发育具“多层性”,从南桐地区溶蚀槽谷以及相应的溶洞层分布规律来看,大致可划分为四个发育阶段:(1)风岩期,当侵蚀基准面接近标高800米时,新构造运动有一个停顿时期,发育了一层溶洞。
此期相当于Ⅱ级剥夷面。
(2)银碗槽期,当侵蚀基准面在标高700米时,发育了一层溶洞。
(3)兴隆场期,当侵蚀基准面在标高500米时,发育了一层溶洞,相当于Ⅲ级剥夷面。
(4)藻渡河期,当侵蚀基准面在标高300米时,发育了一层溶洞,相当于Ⅳ级剥夷面,本勘察区地面表为307.13~322.26m。
经勘察期间地面调查,地表未发现溶洞、漏斗等岩溶现象。
根据钻探和物探资料显示,该场地溶蚀现象较发育,岩溶主要形态表现为溶蚀裂隙、溶洞,石灰岩面多被浸蚀,部分岩面有小溶孔发育。
在勘察中在ZY31、ZY33发现发育溶洞,其中ZY33竖向发育2个溶洞,发育标高分别为301.18~299.98、299.38~298.68m,ZY31竖向发育6个大小不等的溶洞,发育标高296.60~289.29m,位于最下层的溶洞洞径最大,其揭露洞径为1.40m,根据钻探揭露以上溶洞均为不含水溶洞,溶洞内无充填物,除此其它钻孔均未揭露有溶洞发育。
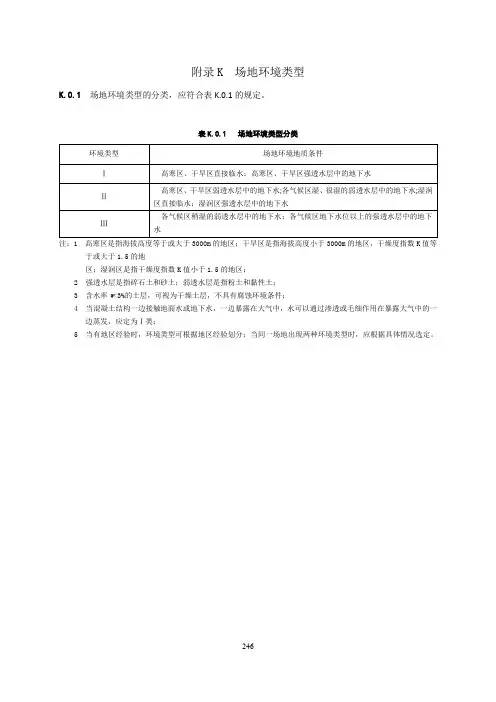
附录K 场地环境类型
K.0.1 场地环境类型的分类,应符合表K.0.1的规定。
表K.0.1 场地环境类型分类
注:1 高寒区是指海拔高度等于或大于3000m的地区;干旱区是指海拔高度小于3000m的地区,干燥度指数K值等于或大于1.5的地
区;湿润区是指干燥度指数K值小于1.5的地区;
2 强透水层是指碎石土和砂土;弱透水层是指粉土和黏性土;
3 含水率w<3%的土层,可视为干燥土层,不具有腐蚀环境条件;
4 当混凝土结构一边接触地面水或地下水,一边暴露在大气中,水可以通过渗透或毛细作用在暴露大气中的一
边蒸发,应定为Ⅰ类;
5 当有地区经验时,环境类型可根据地区经验划分;当同一场地出现两种环境类型时,应根据具体情况选定。
246。
岩土工程勘察规范 GB 50021 20013.1.2 根据场地的复杂程度,可按下列规定分为三个场地等级:1 符合下列条件之一者为一级场地(复杂场地):1)对建筑抗震危险的地段;2)不良地质作用强烈发育;3)地质环境已经或可能受到强烈破坏;4)地形地貌复杂;5)有影响工程的多层地下水,岩溶裂隙水或其他水文地质条件复杂,需专门研究的场地。
2 符合下列条件之一者为二级场地(中等复杂场地):1)对建筑抗震不利的地段;2)不良地质作用一般发育;3)地质环境已经或可能受到一般破坏;4)地形地貌较复杂;5)基础位于地下水位以下的场地。
3 符合下列条件者为三级场地(简单场地):1)抗震设防烈度等于或小于6 度,或对建筑抗震有利的地段;2)不良地质作用不发育;3)地质环境基本未受破坏;4)地形地貌简单;5)地下水对工程无影响。
注:1 从一级开始,向二级、三级推定,以最先满足的为准;第3.1.3 条亦按本方法确定地基等级;2 对建筑抗震有利、不利和危险地段的划分,应按现行国家标准《建筑抗震设计规范》(GB 50011)的规定确定。
3.1.3 根据地基的复杂程度,可按下列规定分为三个地基等级:1 符合下列条件之一者为一级地基(复杂地基):1)岩土种类多,很不均匀,性质变化大,需特殊处理;2)严重湿陷、膨胀、盐渍、污染的特殊性岩土,以及其他情况复杂,需作专门处理的岩土。
2 符合下列条件之一者为二级地基(中等复杂地基):1)岩土种类较多,不均匀,性质变化较大;2)除本条第1 款规定以外的特殊性岩土。
3 符合下列条件者为三级地基(简单地基):1)岩土种类单一,均匀,性质变化不大;2)无特殊性岩土。
3.1.4 根据工程重要性等级、场地复杂程度等级和地基复杂程度等级,可按下列条件划分岩土工程勘察等级。
甲级在工程重要性、场地复杂程度和地基复杂程度等级中,有一项或多项为一级;乙级除勘察等级为甲级和丙级以外的勘察项目;丙级工程重要性、场地复杂程度和地基复杂程度等级均为三级。
XXXXXX有限公司XXXXXX工程岩土工程勘察(详细勘察)XXX省XXX市XXX院提交日期:20XXX-X-1XXXXXXX有限公司XXXXXX工程岩土工程勘察(详细勘察)报告编写:XXX技术负责:XXX项目负责:XXX审核:XXX院长:XXXXXX省XXX市XXX院提交日期:20XXX-X-1X正文目录一.绪言(一)勘察目的、任务和要求(二)拟建工程概况(三)勘察方法和勘察工作布置(四)勘察等级二. 场地岩土工程条件(一)地形、地貌(二)地质构造及新构造运动(三)水文地质条件(四)场地岩土工程条件及岩土物理力学特征(五)不良工程地质作用(六)地震效应三.场地岩土工程条件评价(一)场地地基岩土工程条件评价(二)场地稳定性及适宜性评价(三)场地地下水(土)腐蚀性评价(四)基础类型及持力层选择四.结论与建议(一)结论(二)建议附表目录(附报告内)1、钻孔一览表2、标准贯入试验成果统计表3、土壤室内试验成果表4、岩石天然抗压强度成果表附图目录(附报告内)1、勘探点平面布置图2、工程地质剖面图(共15张)3、钻孔柱状图(共XXX张)附件目录(附报告内)1、勘察任务书一、绪言XXXXXX有限公司XXXXXX工程位于XXXXXX以北,占地总面积约XXXXm2,层高为X层,框架结构,差异沉降敏感,拟采用桩基础。
受XXXXXX有限公司的委托,XXX市XXX院承担了该工程项目场地的岩土工程详细勘察任务;按照《岩土工程详细勘察技术条件和要求》的要求,于20XXX年X月1日~X月X2日完成野外现场工作。
(一)勘察的主要目的、任务和要求1、勘察的主要目的、任务和要求依据勘察任务书及相关规范要求,本次勘察的主要目的、任务及要求为:(1)、严格遵守《工程建设标准强制性条文》。
(2)、钻孔详见附件《钻孔平面布置图》,勘察单位可根据场地的实际工程地质条件按(JGJ 72-2004)要求调整钻孔数量和位置。
勘探深度应满足(JGJ 72-2004)规范及其它专门规定要求。
场地工程地质条件综述1、地形地貌拟建场地第四纪地貌型态为丘陵岗地及坳沟微地貌单元。
地形呈波状起伏,总趋势由北向南倾斜。
钻孔孔口高程为27.44~36.83,(1985国家高程基准,由花亭路与中山路中心线交口33.57高差9.39。
引测。
)2、地基岩土构成与岩性特征根据钻探揭露,拟建场地地层构成从上至下:○1层素填土(Q ml)——褐色、褐黄色,软塑(松散)状态,含植物根茎,氧化铁及粉砂。
层厚0.20~4.30m,层底标高为26.84~36.42m。
○21层粉质粘土(粘土)(Q4al+pl)——黄色、灰褐色,可塑状态,含少量氧化铁及粉细沙。
稍有光泽,干强度及韧性中等,层厚0.70~6.60m,层底标高为23.40~31.90m。
该层主要分布在地势低洼的坳沟地段。
其静探比贯入阻力Ps值一般为1.6~2.0MPa,平均为1.85MPa。
○22层粘土(Q3al+pl)——褐黄、灰黄色,硬塑状态,含氧化铁、铁锰结核、高岭土等,光滑,干强度及韧性高,层厚0.60~13.7m,层底标高为17.80~31.56m。
其静探比贯入阻力Ps值一般为3.0~6.8MPa,平均为4.8MPa;标贯实测击数一般为10~24击/30cm,平均为15击/30cm。
○31层强风化泥质砂岩(K2)——棕红、棕黄色,部分地段为泥岩,中密~密实(坚硬)状态,可见原岩结构,表部已风化成土状。
含长石、云母等矿物。
层厚0.84~4.80m,层底标高为15.60~30.10m。
其标贯实测击数一般为23~69击/30cm,平均为42击/30cm。
○32层中风化泥质砂岩(K1)——棕红棕褐色,部分地段为泥岩,岩质较坚硬致密,岩心较完整,呈短柱状,此层未钻穿。
含长石、云母等矿物。
其标贯实测击数一般为96~156击/30cm,平均为110击/30cm。
该岩层属及极软岩,岩体基本质量等级为V级,其天然状态抗压强度(R)及天然重度(r)统计结果如下表:以上各层岩土的性质详见“岩样实验报告”、“土工试验成果报告表”以及“物理力学性质指标统计表”。
工程地质条件引言工程地质是土木工程中的重要分支,它研究的是地球工程环境与工程建设之间的相互关系。
在进行工程建设前,需要对工程地质条件进行详细的研究和评估,以保证工程建设的安全和稳定。
本文将介绍工程地质条件的概念、影响因素和评价方法。
概念工程地质条件是指工程建设所处的地质环境的特点和状态。
它包括地质构造、地质构造活动、岩土工程特性、地下水条件等因素。
了解工程地质条件可以帮助工程师合理设计工程方案,预测可能的工程风险,并采取相应的防治措施。
影响因素地质构造地质构造是指地球表面地壳构造的总和。
它包括断层、褶皱、地块运动等。
不同的地质构造对工程建设有着不同的影响。
例如,断层活动频繁的地区可能会导致地震风险增加,对于建设高层建筑和大型工程来说,需要考虑地震安全因素。
岩土工程特性岩土工程特性主要包括土壤和岩石的物理力学特性,如密度、抗压强度、抗剪强度等。
这些特性决定了土壤和岩石的承载能力和变形性能。
在工程建设中,需要根据不同的地质条件选择合适的基础处理方法和施工工艺,以确保工程的稳定性和安全性。
地下水条件地下水是指地下埋藏的水体。
地下水的分布状况和水位变化对工程建设具有重要影响。
在选择工程建设场地时,需要考虑地下水位和地下水的渗透能力,以便采取相应的防水措施。
同时,地下水的存在还会对土壤和岩石的力学特性产生一定的影响,需要对其进行评估和分析。
评价方法实地勘察实地勘察是收集工程地质条件信息的基本方法。
通过野外地质调查、钻探和取样等方式,获取与工程建设相关的地质数据。
通过对横断面的观察和分析,可以了解地质构造和地下水分布情况,进一步评估工程地质条件。
实验室试验实验室试验是对勘察样本进行物理力学特性和水文地质特性等方面的试验。
通过试验,可以检测和分析土壤和岩石的力学性质、渗透性等指标,为工程建设提供依据。
同时,实验室试验还可以模拟工程施工过程中的土体变形和破坏情况,以评估工程地质条件对工程的影响。
地质雷达和地震勘探地质雷达和地震勘探是利用物理探测方法来识别地下岩土结构和地下水状况的技术。
第一章习题答案一、基本概念1、工程地质条件可以理解为与工程建筑有关的地质要素之综合,包括地形地貌条件,岩土类型及其工程地质性质,地质结构,水文地质条件,物理地质现象,以及天然建筑材料等六个要素。
2、工程地质问题指工程建筑与地质环境(可由工程地质条件具体表征)相互作用、相互矛盾而引起的,对建筑本身的顺利施工和正常运行和对周围环境可能产生影响的地质问题。
二、填空题1、建设场地的工程地质条件可以理解为与工程建筑有关的地质要素之综合,包括地形地貌条件、岩土类型及其工程地质性质、地质结构、水文地质条件、物理地质现象、以及天然建筑材料等六个要素,其中岩土类型及其工程地质性质是最基本的要素。
2、工程地质勘察阶段按工民建可分为:(1)选址和可行性研究,(2)初步勘查阶段(3)详细勘察(4)施工勘察三、选择题1、建设场地的工程地质条件可以理解为与工程建筑有关的地质要素之综合,它包括六个要素。
其中最基本的要素为以下哪个方面( B )A、地形地貌条件B、岩土类型及其工程地质性质C、地质结构D、水文地质条件E、物理地质现象F、天然建筑材料2、以下各勘察方法中是工程地质勘察中一项最基本的勘察方法的是( A )A、工程地质测绘B、工程地质物探及勘探C、工程地质试验(室内、室外)D、工程地质长期观测3、砾砂的颗粒级配应为以下哪种( A )A、粒径大于2mm的颗粒质量占总质量25-50%;B、粒径大于2mm的颗粒质量占总质量50%;C、粒径大于2mm的颗粒质量占总质量25%;D、粒径大于20mm的颗粒质量占总质量25-50%;4、卵石的颗粒级配应为以下哪种( B )A、粒径大于200mm的颗粒质量占总质量50%;B、粒径大于20mm的颗粒质量占总质量50%;C、粒径大于2mm的颗粒质量占总质量50%;D、粒径大于20mm的颗粒质量占总质量25-50%;5、中砂的颗粒级配应为以下哪种( C )A、粒径大于2mm的颗粒质量占总质量50%;B、粒径大于0.5mm的颗粒质量占总质量50%;C、粒径大于0.25mm的颗粒质量占总质量50%;D、粒径大于0.25mm的颗粒质量占总质量25-50%;四、问答题1、工程地质勘查的基本任务具体有哪些?答:工程地质勘查的基本任务就是为工程建筑的规划、设计和施工提供地质资料,运用地质和力学知识回答工程上的地质问题,以便使建筑物与地质环境相适应,从地质方面保证建筑物的稳定安全、经济合理、运行正常、使用方便。
岩土工程场地环境与工程地质条件探讨作者:龚艾青来源:《建筑与装饰》2020年第10期摘要近些年来,随着我国城镇化进程的快速推进,越来越多的建筑工程项目开始投入建设之中,其中岩土工程内容包括了场地环境条件、工程地质条件以及基础工程条件等诸多方面,是进行建筑工程项目建设的重要组成部分。
因此,在进行项目工程建设前做好充分的场地环境调查以及工程地质勘查是十分有必要的。
基于此种情况,本文针对当前建筑工程建设中涉及的岩土工程工程地质条件和场地环境条件调查进行阐述,以供类似工程参考。
关键词岩土工程;场地环境;工程地质;条件探讨引言拟建工程位于佛山市三水区南山镇,场地原为民宅或空地,现已拆除平整,呈不规则多边形。
场地西侧为知青路,12m宽,内凹处为凰侨山庄;北侧为民宅、山坡;东侧为空地,隔150m 为漫水河;南侧为规划路、同方迳口医院。
场地周围交通尚属便利,本工程规划总用地面积29970.06㎡,其中酒店设2层地下室,其余部分设1层地下室。
拟建建筑物采用框架、框剪结构,拟定基础形式为桩基础或浅基础。
1 工程概况佛山市三水区位于北纬22°58′~23°34′,东经112°46′~113°02′,地处广东省中部,珠江三角洲西北端,佛山市境内西北部。
三水区总面积874.22km2,区政府驻地中心城区东距广州市区30km,东南距佛山市禅城区24km,西南与高要、高明隔江相望,北接清远[1]。
2 场地环境2.1 气象环境与水文条件三水区位于北回归线以南,地处亚热带,常年降雨较为充沛,降雨量较多,气候类型属于典型的热带海洋季风型气候,但是降雨量整体但分布不均匀,部分地区的干旱以及洪涝灾害时长出现。
根据统计数据显示,对当前三水地区的气象灾害存在较大影响的因素包括以下几个方面:每年春季早期温度较低条件下的降雨,夏、秋季的暴雨天气、强对流天气(强雷暴、大风、冰雹等)以及台风天气,冬季的寒潮等。
岩土工程勘察报告场区岩土工程条件一、地层结构及空间分布经钻探揭露,场地岩土层依据成因、物质组成不同自上而下可划分为杂填土、卵石土、卵石、粉砂岩四层。
各土层的工程特征分述如下:1、杂填土(Q ml):黄褐色,结构松散,主要成分为粘性土混碎石块、卵石、红砖等。
局部填土厚的地段是由于上世纪40年代的弹坑回填形成。
本层在场地内均有分布,厚度为1.5~8.5m,一般厚度为1.5m。
2、卵石土(Q4al+pl):黄褐色,稍密,卵石含量为50%左右,卵石成分以石英砂岩、石灰岩及花岗岩构成,磨圆度较好,分选性差,卵石之间主要被粘性土充填,随着深度增加粘土充填物减少,砾砂充填物增加。
卵石直径一般在2~6cm,最大卵石粒径大于10cm。
本层在场地内分布均匀,层厚为6.3~12.6m,平均厚度为11.5m;层面埋深为1.5~8.5m,平均埋深为3.5m。
3、卵石(Q4al+pl):本层土根据卵石的密实度、颗粒大小分为2个亚层,其特征分述如下:3-1:黄褐色,稍密-中密,卵石含量为50~70%,卵石成分以石英砂岩及花岗岩构成,卵石之间充填着砾石、砂,分选性差,颗粒级配较好,卵石磨圆度较好,粒径一般为2~5cm,个别大于20cm。
本层在场地内分布均匀,层厚为1.8~4.0m,平均厚度为3.5m;层面埋深为14.5~17.3m,平均埋深为15.0m。
3-2:黄褐色及灰色,中密-密实,卵石含量为70~80%,卵石成分以石英砂岩、石灰岩及花岗岩构成,卵石之间充填着砾石、砂,颗粒级配较好,卵石磨圆度较好,卵石之间排列紧密,粒径一般为3~6cm,偶含大于10cm的卵石。
局部地方有卵石胶结层。
本层在场地内分布均匀,有2个钻孔钻穿本层,层厚为16.0m左右;层面埋深为17.9~20.1m,平均埋深为18.5m。
4、粉砂岩(K1w l):为白垩纪下统五龙组地层,依据风化程度分为强风化和中风化二个亚层。
4-1:强风化:棕红色,稍湿,散体状结构,结构形态为碎屑状,裂隙发育,手可捏碎,岩芯呈片状,饼状,原岩结构清晰。
岩土知识:工程地质条件的因素包括哪些
工程地质条件是指工程建筑物所在地区地质环境各项因素的综合。
这些因素包括:
(1)地层的岩性:是基本的工程地质因素,包括它们的成因、时代、岩性、产状、成岩作用特点、变质程度、风化特征、软弱夹层和接触带以及物理力学性质等。
(2)地质构造:也是工程地质工作研究的基本对象,包括褶皱、断层、节理构造的分布和特征、地质构造,特别是形成时代新、规模大的优势断裂,对地震等灾害具有控制作用,因而对建筑物
的安全稳定、沉降变形等具有重要意义。
(3)水文地质条件:是重要的工程地质因素,包括地下水的成因、埋藏、分布、动态和化学成分等。
(4)地表地质作用:是现代地表地质作用的反映,与建筑区地形、气候、岩性、构造、地下水和地表水作用密切相关,主要包括滑坡、崩塌、岩溶、泥石流、风沙移动、河流冲刷与沉积等,对评价建筑物的稳定性和预测工程地质条件的变化意义重大。
(5)地形地貌:地形是指地表高低起伏状况、山坡陡缓程度与沟谷宽窄及形态特征等;地貌则说明地形形成的原因、过程和时代。
平原区、丘陵区和山岳地区的地形起伏、土层厚薄和基岩出露情况、地下水埋藏特征和地表地质作用现象都具有不同的特征,这些因素都直接影响到建筑场地和路线的选择。
217管理及其他M anagement and other场地岩土工程地质及水文地质条件分析王丽君(湖南省有色地质勘查局二四五队,湖南 吉首 416000)摘 要:在岩土工程推进的过程中,水文地质勘察工作作为其中一个十分重要的环节,有着一定的地位。
通过大量的建设实践也表明水文地质的勘查工作会直接影响工程是否能够顺利地完成,通过了解水文地质的相关指标参数能够为岩土工程的顺利实施提供数据参考。
因此作为工作人员在开展岩土工程勘察的过程中,应当充分意识到水文地质勘察工作的重要性,并且在实际施工的过程中落实水文地质勘察工作。
本文对场地岩土地质及水文地质条件进行探讨。
以期对相关的人员提供参考与借鉴的作用。
关键词:岩土工程;地质条件;水文条件;勘察措施中图分类号:TU195 文献标识码:A 文章编号:11-5004(2021)10-0217-2收稿日期:2021-05作者简介:王丽君,女生于1987年,本科,工程师,研究方向:工程勘察/地质灾害。
一直以来水文地质是岩土工程勘察中的重要内容,拟建场地的水文地质情况影响到了整个场地的岩土地层情况,对岩土工程勘察所选用的工艺和方法起到了决定性的作用。
在进行勘探工程勘察的过程中,查明水文地质条件,是确保岩土工程勘察结果准确性和可靠性的重要基础,降低由于水文地质条件所造成不利因素。
本文从岩土水理性质出发,分析了水文地质勘察的具体要求,探讨了水文地质对岩土工程勘察的影响,最后对岩土工程水文地质勘察注意事项和解决途径进行了研究,以此供相关人士参考[1]。
1 岩土工程勘察中水文地质重要性岩土工程通过实时观测地下水,对水位的变化进行准确的掌控,从而杜绝地下水水位提高破坏土质层的现象,并造成土质的液化和盐渍化,以至于出现流沙管涌的情况,如图1所示。
在对岩土工程的水文地质进行勘察时,获取科学准确的数据,有助于对地下水的变化状况进行有效分析,以免岩土工程对地下水带来不利影响,并通过对水文地质地勘察,总结出相应的变化规律,在自然状态下,地下水位较低且变化幅度小,若此时开展岩土工程的施工,由于岩土土质的软化,地下水位会随之发生改变,同时也会造成岩土空隙的扩大,这将会对地下水的力学平衡性造成破坏,若此时在其中加入外力影响,不仅会带来岩土工程基坑管涌等后果,而且对地基强度造成极大的破坏,从而使基坑防护边坡存有隐患[2]。
岩土工程勘察中场地工程地质条件分析与评价发布时间:2022-07-21T02:52:02.541Z 来源:《工程建设标准化》2022年5期3月作者:王鹰[导读] 岩土工程地质勘察是工程建设的主要基础工作。
其工程建设的实际效果直接影响到所有工程的造价和安全,对所有施工进度都具有关键的现实意义。
王鹰中佳勘察设计有限公司广东广州 510430摘要:岩土工程地质勘察是工程建设的主要基础工作。
其工程建设的实际效果直接影响到所有工程的造价和安全,对所有施工进度都具有关键的现实意义。
因此,我们要高度重视这项工作,积极推行各项工作规范,严格把握岩土工程勘察的重点,积极模仿和应用行业全新的科研成果,解决岩土工程勘察可能出现的环境污染问题,确保岩土工程勘察的真实性和有效性。
关键词:岩土工程勘察;场地工程;地质条件;评价1岩土工程勘察定义岩土工程勘察(Geotechnical Investigation)是根据建设工程的要求,为解决岩土工程问题而进行的工程地质测绘、勘探测试、分析评价,以及最终形成岩土工程勘察报告的活动。
关于岩土工程勘察,现阶段普遍认为要落实以下三个方面:第一,需掌握到建设场地岩土体的类型、结构构造、空间布局规律。
第二,对不同类型的岩石、土体工程性质应详细了解,全面掌握,包括其物理性质、力学指标,设计参数等。
第三,为地基处理、基础设计等提供依据,为其他岩土工程设计,如基坑支护、边坡治理、提供技术参数。
关于勘察的方法可大体总结为四种:工程地质测绘、勘探及取样、原位测试及室内试验、现场检验及监测。
最终结合以上多种或全部方法,对岩土工程地质条件实现定性评价或定量分析,找出可能存在不利因素,作出确切合理的结论,并编制最终成果报告文件。
2岩土工程场地工程勘察内容2.1自然地理条件勘察不同地区有不同的地理条件,场地工程的建设必定要考虑当地的地理环境。
具体勘察工作要结合当地地形地貌的实际情况,采取科学合理的勘察手段。
复杂地形地质条件岩土工程勘察探微发布时间:2021-07-08T13:49:10.403Z 来源:《建筑实践》2021年7期(上)作者:李鹏飞[导读] 岩土工程勘察是对建设场地的地质情况、岩土工程条件等进行查明、李鹏飞中国水电基础局有限公司天津市 301700摘要:岩土工程勘察是对建设场地的地质情况、岩土工程条件等进行查明、分析、评价,最终编制勘察文件的一系列过程。
我国建设工程涉及的种类日益增多,在一些较为复杂的自然环境中,受地质地形条件的影响,岩土工程勘察必须采用特殊技术,既需要保证勘查结果的真实性、准确性,又要避免对生态环境造成较大破坏。
关键词:复杂地形地质条件;岩土工程;勘察;分析?1.复杂地形地质条件下进行岩土工程勘察工作的要点分析第一,精确布置勘测点,注意整体性及相邻勘测点之间的距离及深度。
作为岩土工程勘察工作的基础,距离和深度如果出现偏离,将会对勘察结果造成影响。
通常情况下,工程勘测点的距离设定应该参考规范,结合实际情况逐一布设。
一些勘测团队完整参与了岩土工程勘探,总结了行之有效的整体方案,但在新的勘探作业时,不能盲目照搬。
比如某地土层预定检测深度虽然与历史工程较为相似,但根据掌握的资料显示,岩土成分区别较为明显,因此,需要在原有方案的基础上,提升勘测点布置密度,否则勘查报告的准确性必然出现偏差。
由于岩土勘察存在一定的未知性,故而往往出现勘察点设置达不到预期、间距分布不合理等现象。
为了解决这一问题,通常情况下,如果确认地层为普通岩层,则勘察点的深度可以设定为地表面以下15m;如果地基为软土层,则勘察深度应该有所增加,但不能超过地下20m,以17m~18m为最佳;如果地基中碎石含量较多,或周边土层的成分较为复杂,则勘测深度不宜过深。
第二,重点关注地基承载力相关参数。
一般来说,参与复杂地形地质条件岩土工程勘察的人员,必须深入了解《建筑地基基础设计规范》中的有关指标,不仅能够使勘察结果更加精确,还在发生突发情况时,及时做出有效反应,避开危险区域。
场地岩土工程地质条件本工程位于XX市,根据XX省洛阳豫西水文地质工程XX 公司编写的《XX工程岩土工程勘察报告》可知,地貌单元为洛河Ⅱ级阶地。
在勘探深度范围内的地基土依次为:①杂填土(Q ml):杂色,湿,稍密,以粉土为主,含较多砼、砖、瓦片等建筑垃圾,层厚0.2~1.5m。
①1素填土(Q ml):黄褐色、浅灰色、褐黄色,湿,稍密,以粉土为主,局部粘性高为粉质粘土,含少量砼、砖、瓦碎屑及少量砾砂、细砂颗粒。
局部地段经过压实,呈稍密~中密状态。
局部分布,层厚0.6~6.3m;层面标高153.43~155.20m。
②黄土状粉土(Q4-2dl+pl):褐黄色、黄褐色、灰黄色,湿,稍密,偶含小砾石、细砂颗粒,可见少量锈红色条纹及灰白色网纹,局部粘性较高。
无光泽反应,摇振反应中等,干强度低,韧性低。
大部分分布,层厚0.9~2.2m;层面标高152.73~154.84m。
②1细砂及粉砂(Q4-2dl+pl): 褐黄色、灰黄色,局部微红,湿,稍密,较纯净,偶含粗砂及小砾石,可见少量螺壳及其碎片,局部含褐黄色粉土团块。
矿物成份为石英、长石及云母片等。
以透镜体形式分布于②层黄土状粉土中,层厚0.2~1.0m;层面标高152.53~153.91m。
③黄土状粉土(Q4-1dl+pl): 褐黄色、黄褐色、灰褐色,湿~很湿,稍密,偶含细砂及粉砂颗粒。
具锈黄色条纹及较多黑褐色薄膜,局部粘性较高,无光泽反应,摇振反应中等~迅速,干强度低,韧性中低。
全场地分布,层厚0.8~4.2m;层面标高150.1~153.41m。
④黄土状粉质粘土(Q4-1dl+pl):黄褐色、灰褐色、褐黄色,含水量较高,软塑~可塑,偶含小钙质结核及细砂颗粒,具锈黄色侵染及少量黑褐色条纹,偶见螺壳及其碎片,局部地段粉质含量较高。
光泽反应稍有光滑,无摇振反应,干强度中等,韧性中等。
全场地分布,层厚 3.2~4.2m;层面标高150.10~153.41m。
④1细砂(Q4-1dl+pl): 黄褐色(微红),湿,稍密~中密,偶含粉土团块,可见小螺壳及其碎片,矿物成份为石英、长石及云母片等。
场地岩土工程地质条件
本工程位于洛阳市,根据河南省洛阳豫西水文地质工程地质勘察公司编写的《XX工程岩土工程勘察报告》可知,地貌单元为洛河Ⅱ级阶地。
在勘探深度范围内的地基土依次为:
①杂填土(Q ml):杂色,湿,稍密,以粉土为主,含较多砼、砖、瓦片等建筑垃圾,层厚0.2~1.5m。
①1素填土(Q ml):黄褐色、浅灰色、褐黄色,湿,稍密,以粉土为主,局部粘性高为粉质粘土,含少量砼、砖、瓦碎屑及少量砾砂、细砂颗粒。
局部地段经过压实,呈稍密~中密状态。
局部分布,层厚0.6~6.3m;层面标高153.43~155.20m。
②黄土状粉土(Q4-2dl+pl):褐黄色、黄褐色、灰黄色,湿,稍密,偶含小砾石、细砂颗粒,可见少量锈红色条纹及灰白色网纹,局部粘性较高。
无光泽反应,摇振反应中等,干强度低,韧性低。
大部分分布,层厚0.9~2.2m;层面标高152.73~154.84m。
②1细砂及粉砂(Q4-2dl+pl): 褐黄色、灰黄色,局部微红,湿,稍密,较纯净,偶含粗砂及小砾石,可见少量螺壳及其
碎片,局部含褐黄色粉土团块。
矿物成份为石英、长石及云母片等。
以透镜体形式分布于②层黄土状粉土中,层厚0.2~1.0m;层面标高152.53~153.91m。
③黄土状粉土(Q4-1dl+pl): 褐黄色、黄褐色、灰褐色,湿~很湿,稍密,偶含细砂及粉砂颗粒。
具锈黄色条纹及较多黑褐色薄膜,局部粘性较高,无光泽反应,摇振反应中等~迅速,干强度低,韧性中低。
全场地分布,层厚0.8~4.2m;层面标高150.1~153.41m。
④黄土状粉质粘土(Q4-1dl+pl):黄褐色、灰褐色、褐黄色,含水量较高,软塑~可塑,偶含小钙质结核及细砂颗粒,具锈黄色侵染及少量黑褐色条纹,偶见螺壳及其碎片,局部地段粉质含量较高。
光泽反应稍有光滑,无摇振反应,干强度中等,韧性中等。
全场地分布,层厚3.2~4.2m;层面标高150.10~153.41m。
④1细砂(Q4-1dl+pl): 黄褐色(微红),湿,稍密~中密,偶含粉土团块,可见小螺壳及其碎片,矿物成份为石英、长石及云母片等。
以透镜体形式分布于④黄土状粉质粘土层中,层厚0.3~0.7m;层面标高147.55~148.08m。
⑤黄土状粉质粘土(Q3dl+pl):浅褐红色、褐黄红色,可塑,含钙质结核,粒径多为0.5~2cm,少量2~5cm,局部地段富集成薄层状,具灰褐色、黑褐色薄膜,见螺壳及其碎片,光泽反应稍有光滑,无摇振反应,干强度中等,韧性中等。
全场地分布,层厚0.9~2.0m;层面标高144.70~146.05m。
⑥黄土状粉土夹粉质粘土(Q3dl+pl): 褐黄色、灰黄色,稍湿~湿,稍密~中密,含钙质结核,粒径多为1~4cm,个别大于10cm局部富集成薄层状(层厚5~15cm),局部含细砂及粉砂颗粒,具黑褐色条纹,偶见螺壳及其碎片;局部粘性高为粉质粘土,褐黄红色可塑状,针、虫孔多,虫孔最大直径0.4cm。
光泽反应无~稍有光滑,摇振反应中等,干强度低,韧性低。
全场地分布,层厚4.1~6.0m;层面标高143.13~144.91m。
⑥1细砂及粉砂(Q3dl+pl): 褐黄色、灰黄色,湿,中密,含钙质结核,粒径1~4cm,分选差,偶含粉土团块,矿物成份为石英、长石及云母片等。
以透镜体形式分布于⑥黄土状粉土夹粉质粘土层中,层厚0.2~1.4m;层面标高137.96~141.95m。
⑥2含圆砾细砂(Q3dl+pl): 褐黄色、灰黄色,湿,中密,含圆砾,粒径多为0.5~2.0cm,个别2~4cm,约占10~30%,局部呈半胶结状态。
含粉土团块,局部富集。
矿物成份为石英、长石及云母片等。
以透镜体形式分布于⑥黄土状粉土夹粉质粘土层中,层厚0.6~1.3m;层面标高138.35~139.12m。
⑦黄土状粉质粘土(Q3dl+pl): 浅棕红色,棕黄色,可塑~硬塑状,含钙质结核,粒径多为1~4cm,个别粒径大于10cm,含少量浅灰色粉土条带,具黑色炭质及少量铁、锰质薄膜,可见灰白色网纹,光泽反应较光滑,无摇振反应,干强度中~高,韧性中等。
层厚0.6~4.2m;层面标高137.25~139.58m。
⑦1素填土(Q ml): 褐灰色,杂色,湿,稍密,为墓穴填土,以粉土为主,偶含蓝色砖、瓦罐碎片,含少量卵、砾石,偶见炭块等杂物,层厚0.9m。
⑧黄土状粉土夹砂(Q3al+pl): 浅棕黄红色、灰黄色,湿~很湿,中密,含钙质结核,粒径一般为2~5cm,最大粒径大于15cm,含浅灰色、灰黄色中砂及细砂颗粒及薄层,具较多锈黄及黑褐色浸染。
无光泽反应,摇振反应中等~迅速,
干强度低,韧性中低。
全场地分布,层厚2.1~5.8m;层面标高132.78~136.98m。
⑧1中砂(Q3dl+pl): 褐黄红色、灰黄色,湿~很湿,中密,含砂结石,粒径1~5cm,偶含粉土团块,矿物成份为石英、长石及云母片等。
以透镜体形式分布于⑧黄土状粉土夹砂层中,层厚0.4~4.9m;层面标高130.63~136.58m。
⑨卵石(Q3dl+pl): 杂色,中密~密实,岩性成份以石英砂岩、火成岩为主,一般粒径2~8cm,个别大于15cm,磨圆度较好,呈亚圆形及圆形,含量60~75%。
充填物以圆砾、砂为主,分选一般,上部局部半胶结~胶结状态,该层未揭穿,层面标高129.73~131.68m。
最大揭露厚度6.8m。
⑨1砾砂(Q3dl+pl): 杂色,稍密状,以透镜体形式分布于⑨层卵石中,厚度0.4~1.1m。
⑨2黄土状粉土夹砂(Q3dl+pl): 灰黄色,饱和,中密,含中砂颗粒,偶含小砾石及粗砂,具锈黄色浸染。
无光泽反应,摇振反应迅速,干强度低,韧性中低。
以透镜体形式分布于⑨层卵石中,厚度1.1m。
地基土的物理力学性质指标详见勘察报告,本场地属非自重Ⅰ级(轻微)湿陷性黄土场地。
勘察期间,稳定水位埋
深21.0~22.0m,地下水类型属孔隙潜水,具弱承压性。
地下水主要由大气降水及洛河、涧河河水补给,地下水位年变幅为3.0m左右。
地下水对砼及砼结构中的钢筋均无腐蚀性。
依据《岩土工程勘察报告》,各土层的桩侧阻力特征值和桩端阻力特征值见下表:
桩的侧阻力和端阻力特征值表。