角钢出厂质量证明书
- 格式:docx
- 大小:21.82 KB
- 文档页数:13
角钢材质证明书尊敬的客户:感谢贵公司选择我们的角钢产品。
为了向您保证所购买的角钢材质符合相关标准和要求,我们特发此角钢材质证明书。
一、产品信息1. 角钢名称:角钢2. 规格:根据客户需求提供不同规格的角钢3. 材质:根据客户需求提供不同材质的角钢4. 角钢批次号:XXXXXX5. 生产日期:XXXX年XX月XX日6. 执行标准:GB/T XXXX-XXXX二、材质检测结果1. 化学成分以下是我们对角钢样品进行的化学成分分析测试结果:成分 | C(%) | Si(%) | Mn(%) | P(%) | S(%)----------|----------|---------|-------|-------|-------分析结果 | 0.XX | 0.XX | 0.XX | 0.XX | 0.XX2. 机械性能根据GB/T XXXX-XXXX标准,我们进行了对角钢样品的机械性能测试,测试结果如下:性能指标 | 抗拉强度(MPa) | 屈服强度(MPa) | 延伸率(%)---------|------------------|----------------|----------测试结果 | X.XX | X.XX | X.XX三、质量保证1. 我们承诺角钢产品的质量保证期为X年,具体以购买合同约定为准。
2. 如角钢出现质量问题,请您保留有关证据并及时与我们联系,我们将积极处理问题并为您提供解决方案。
四、注意事项1. 角钢材质证明书仅作为角钢产品质量的核实和保证,不涉及其他任何法律或合同责任。
2. 请妥善保管本证明书,并在使用和保管角钢时遵守相关安全操作规程,确保人身和财产安全。
感谢您对我们产品的信任和支持!若有任何疑问或需要进一步的信息,请随时与我们联系。
此致敬礼!XXX角钢有限公司。
角钢质量证明书摘要:1.角钢概述2.角钢质量证明书的作用3.角钢质量证明书的内容4.角钢质量证明书的应用场景5.角钢质量证明书的意义正文:角钢是一种横截面呈角形的钢材,因其独特的结构特点,具有较高的抗弯、抗扭强度,广泛应用于建筑、桥梁、输电塔等领域。
为了保证角钢的质量,角钢生产厂家会出具一份角钢质量证明书,用以证明产品质量符合相关标准要求。
一、角钢概述角钢,顾名思义,是一种横截面呈角形的钢材。
它通常由热轧或冷轧钢板剪切而成,具有较好的抗弯、抗扭强度。
角钢的规格以边长、厚度为主要参数,如边长为50mm、厚度为3mm的角钢,规格表示为50×3。
角钢按材质可分为低碳钢角钢、不锈钢角钢等。
二、角钢质量证明书的作用角钢质量证明书是角钢生产厂家对其产品质量的一种书面承诺。
它证明了该批角钢的生产工艺、质量检验等环节均符合相关标准要求,可以保证产品在正常使用条件下具备良好的性能。
角钢质量证明书不仅是供需双方交接货物时的重要依据,还是施工、监理、验收等环节的证明材料。
三、角钢质量证明书的内容角钢质量证明书通常包括以下内容:1.证明书编号:唯一的证明书编号,便于查询、追溯。
2.产品名称、规格型号:角钢的名称、型号、规格等详细信息。
3.生产厂家:生产该批角钢的厂家名称、地址等基本信息。
4.生产日期:角钢生产的具体时间。
5.质量标准:角钢生产所遵循的标准,如GB/T 706-2016《热轧型钢》等。
6.检验结果:对角钢的力学性能、尺寸、表面质量等指标的检验结果。
7.结论:根据检验结果,判断该批角钢是否合格,并作出相应的结论。
四、角钢质量证明书的应用场景角钢质量证明书广泛应用于建筑、桥梁、输电塔、石油化工、船舶制造等领域。
在角钢采购、施工、监理、验收等环节,角钢质量证明书都是必不可少的证明材料。
五、角钢质量证明书的意义角钢质量证明书对于保证工程质量具有重要意义。
它确保了角钢的质量和性能,避免了不合格产品流入市场,降低了工程安全隐患。
角钢质量证明书角钢质量证明书证明书编号:XXX-202x-00x日期:20xx年xx月xx日经过严格的质量控制和检测,本公司特证明以下所述的角钢符合相关国际或行业标准,并保证质量合格。
产品信息:角钢型号:______________________________材料:______________________________尺寸:______________________________表面处理:______________________________质量标准:本产品所生产的角钢符合以下标准和要求:1. 国际标准:______________________________2. 行业标准:______________________________产品性能测试:经过以下测试,本产品的性能满足标准要求:1. 强度测试:______________________________2. 韧性测试:______________________________3. 抗腐蚀性测试:______________________________4. 尺寸偏差测试:______________________________质量保证:本公司对所提供的角钢承担以下质量保证责任:1. 产品材料符合相关标准要求。
2. 产品尺寸和表面处理符合相关标准要求。
3. 在正常使用条件下,产品具有足够的强度和韧性。
4. 产品未受到严重腐蚀。
有效期:本质量证明书的有效期为一年,即自签发之日起计算。
附注:1. 本证明书适用于单一批次的角钢,不适用于后续生产的产品。
2. 本证明书为有效证明,需保存并提供给相关方核查。
特此证明。
______________________________(公司名称)签字:______________________________日期:______________________________。
角钢质量证明书
角钢质量证明书
编号:XYZ-123456789
本证明书确认 XYZ 公司所生产的角钢的质量符合相关标准和要求。
该角钢经过严格的质量控制和检测,确保其物理和化学特性符合以下规定:
1. 材料成分:
- 钢材等级:XYZ-123
- 成分合格范围:C ≤ 0.20%,Si ≤ 0.30%,Mn ≤ 1.50%,P ≤ 0.03%,S ≤ 0.02%
2. 机械性能:
- 抗拉强度:≥ 500 MPa
- 屈服强度:≥ 350 MPa
- 延伸率:≥ 20%
3. 尺寸和外观:
- 角钢尺寸:宽度≤ 100 mm,厚度≤ 10 mm,长度≤ 6000 mm
- 外观要求:表面应光滑、无明显缺陷、无明显锈蚀
本证明书仅适用于 XYZ 公司生产的角钢,其他任何来源的产品不能以本证明书为凭证。
任何未经 XYZ 公司授权的证明书复印件或篡改本证明书的行为均无效。
该角钢质量证明书的有效期为一年,且在证明书上标明的生产批次范围内有效。
XYZ 公司保证证明书上所述的产品质量,同时也保留对产品质量的最终解释权。
签发单位:XYZ 公司
日期:2021年8月1日。
六角钢质量证明书
六角钢是一种常用的建筑材料,广泛应用于各种工业领域。
为了确保六角钢的质量,进行质量检测并提供质量证明书是十分必要的。
下面是本公司提供的六角钢质量证明书:
一、产品基本信息
本次提供的六角钢品牌为XXX,规格为20mm*20mm*3mm, 长为6米,质量标准符合国家标准,证书编号为XXX。
二、钢材化学成分分析
本公司采用先进的化学分析仪器进行钢材化学成分分析,结果如下:
C:0.17%
Si:0.35%
Mn:1.15%
P:0.025%
S:0.010%
六角钢的成分质量符合国家标准要求,达到了优良等级。
三、物理性能检测
1.拉伸试验:本公司进行了拉伸试验,六角钢抗拉强度为XXX MPa,符合国家标准要求。
2.弯曲试验:本公司进行了弯曲试验,六角钢的弯曲角度符
合国家标准规定。
3.硬度测试:本公司进行了硬度测试,六角钢的硬度符合国
家标准要求。
四、产品外观检测
1.表面质量:本公司进行了表面质量检测,六角钢表面无明
显缺陷,无锈斑和污渍。
2.尺寸误差:本公司进行了尺寸误差测试,六角钢长度偏差
小于1mm,符合国家标准要求。
五、结论
本公司所销售的六角钢质量达到国家标准的要求,可以放心
使用,并附上本证书作为使用的凭证。
同时,为了达到更好的效果和
延长使用寿命,建议在使用时做好钢材防腐工作,保证产品使用效果
和质量。
六、备注
本证书的有效期为1年,如有疑问请联系本公司。
角钢质量证明书摘要:1.角钢质量证明书的定义和作用2.角钢质量证明书的内容3.角钢质量证明书的重要性4.如何获取角钢质量证明书正文:角钢质量证明书是一种由生产厂家出具的、证明角钢质量合格的文件。
在购买角钢时,很多用户都非常重视这个证明,因为它可以保证购买的角钢符合国家标准,满足使用需求。
下面我们就来详细了解一下角钢质量证明书的相关内容。
一、角钢质量证明书的定义和作用角钢质量证明书是生产厂家对所生产的角钢质量进行保证的书面文件。
它包含了角钢的尺寸、规格、化学成分、力学性能等技术参数,以及生产厂家的相关信息。
角钢质量证明书的主要作用是让用户了解所购买角钢的具体性能和质量状况,以便更好地进行工程设计和施工。
二、角钢质量证明书的内容角钢质量证明书通常包括以下几个方面的内容:1.角钢的基本信息:包括角钢的型号、规格、生产批次等;2.角钢的化学成分:包括角钢的主要化学元素含量,如碳、硅、锰、硫、磷等;3.角钢的力学性能:包括角钢的屈服强度、抗拉强度、伸长率、冷弯性能等;4.生产厂家的相关信息:包括生产厂家名称、地址、联系方式等。
三、角钢质量证明书的重要性角钢质量证明书对于购买者来说具有很高的实用价值。
首先,有了质量证明书,购买者可以了解角钢的具体性能和质量状况,避免购买到不合格的产品。
其次,质量证明书是工程验收的重要依据,可以提高工程质量和安全性。
最后,质量证明书还有助于购买者进行后期维护和管理,确保角钢的长期稳定运行。
四、如何获取角钢质量证明书在购买角钢时,用户应向销售商或生产厂家索要质量证明书。
一般情况下,正规的生产厂家都会出具质量证明书。
在获取质量证明书后,用户应认真核对证书上的信息,确保与所购买的角钢相符。
同时,还要注意证书的有效期和真伪,以免购买到假冒伪劣产品。
综上所述,角钢质量证明书对于购买者来说具有重要意义。
角钢出厂质量证明书角钢出厂质量证明书证明书编号:__________有效期限:____________一、产品基本信息1.角钢名称:______________________2.规格型号:______________________3.生产厂家:______________________4.出厂日期:______________________二、产品质量指标1.材质成分:a.主要元素及含量:_________________________b.合金元素及含量(如适用):_________________2.机械性能:a.抗拉强度:______________________b.屈服强度:______________________c.延伸率:________________________d.冲击功:________________________三、产品外观质量1.表面光洁度:___________________________2.表面缺陷(如有):_____________________四、产品尺寸偏差1.长度:______________________________2.宽度:______________________________3.厚度:______________________________五、检测方法与结果1.检测方法:____________________________2.检测结果:____________________________六、检测设备与仪器1.设备名称:____________________________2.仪器型号:____________________________3.检测精度:____________________________七、附加信息1.角钢的包装方式:_________________________2.角钢的运输方式:_________________________3.角钢的存储条件:_________________________八、法律名词及注释1.角钢:由正方形截面的钢材制成,一般用于建筑、机械、船舶等行业。
钢材产品质量证明书1. 引言本文档是钢材产品质量证明书,用于证明所提供的钢材产品符合相关的质量标准和要求。
本文档包含了钢材产品的技术规格、质量检测结果以及其他相关信息。
2. 产品信息2.1 产品名称钢材产品2.2 产品型号根据客户需求制定2.3 产品规格根据客户需求制定2.4 产品材质根据客户需求制定3. 技术规格3.1 物理性能•强度:根据钢材产品型号和规格,通过机械性能测试进行测定;•韧性:通过冲击试验进行测定;•延展性:通过拉伸试验进行测定。
3.2 化学成分根据钢材产品材质,进行化学成分分析,确保符合相关标准和要求。
3.3 尺寸和外观根据钢材产品规格,进行尺寸和外观检验,确保符合相关标准和要求。
4. 质量检测结果4.1 物理性能测试项目测试结果标准要求强度XXX MPa≥ XXX MPa 韧性XXX J≥ XXX J延展性XXX %≥ XXX %4.2 化学成分分析项目成分标准要求成分1XXX %≤ XXX %成分2XXX %≤ XXX %成分3XXX %≤ XXX %4.3 尺寸和外观检验项目测试结果标准要求尺寸1XXX mm≤ XXX mm尺寸2XXX mm≤ XXX mm外观1无明显缺陷符合标准外观2无明显缺陷符合标准5. 质量认证本钢材产品已通过相关质量管理体系认证,如ISO 9001等,证明产品的制造过程符合国际标准和要求。
6. 其他附加信息在使用本钢材产品时,请遵守相关安全操作规程和使用说明。
7. 结论根据上述质量检测结果,本钢材产品符合相关质量标准和要求。
我们保证所提供的钢材产品的质量,对因质量问题引起的任何损失承担相应的责任。
如有任何质量问题,请及时与我们联系。
签署单位:公司名称:签字:__________________日期:___________________。
六角钢质量证明书
六角钢是一种常用的建筑材料,其质量对于建筑的安全与稳定有
着重要的作用。
下面,为大家介绍六角钢的质量证明书。
一、产品名称
六角钢
二、产品规格
依据国家标准生产,规格齐全,可满足不同客户的需求。
三、产品生产厂家
我们是一家专业从事六角钢生产的企业,具备完整的生产体系和
严格的质量控制标准,在业界享有良好的声誉。
四、质量标准
我们的六角钢产品严格按照国家标准进行生产,确保其力学性能、化学成分等各项指标符合标准要求。
五、产品质量检测
我们的六角钢经过多道工序生产加工,每道工序均要经过严格的
质量检测。
我们还委托独立第三方机构对产品进行抽样检测,确保每
一批产品的质量稳定可靠。
六、产品用途
六角钢广泛应用于建筑、桥梁、道路等领域,其高强度、耐腐蚀
性能,以及良好的可焊接性能,能够满足各类钢结构工程的要求。
七、售后服务
我们从产品的生产、检测到售后服务都一直保持着高度的关注度,一旦出现质量问题,我们将积极主动处理,并做好售后服务工作,确
保客户的利益受到保障。
八、结语
我们一直秉承着“质量第一、客户至上”的宗旨,为广大客户提
供高品质的六角钢产品和优质的服务。
我们愿与所有合作伙伴携手合作,共同发展,实现互利共赢。
钢材质量证明书
钢材质量证明书
1. 引言
本文档提供了有关所述钢材的质量证明信息。
该钢材的生产商为钢铁有限公司,并且本质量证明书适用于其生产的以下产品:产品名称:钢材
规格:
批号:
生产日期:年月日
2. 质量标准
生产商保证所述钢材符合以下国家/行业标准:
标准1:
标准2:
标准3:
3. 物理性能
3.1 机械性能
所述钢材的机械性能符合以下要求:
屈服强度:≥ MPa
抗拉强度:≥ MPa
延伸率:≥%
3.2 冲击性能
所述钢材在℃温度下的冲击性能符合以下要求:冲击能量:≥ J
4. 化学成分
所述钢材的化学成分符合以下要求:
碳含量:≤%
锰含量:≤%
硅含量:≤%
磷含量:≤%
硫含量:≤%
5. 外观质量
所述钢材的外观质量符合以下要求:
表面光洁度:符合标准
表面无裂纹、气泡等缺陷
6. 附加信息
以下附加信息提供了关于所述钢材的其他质量保证和相关信息:采购商名称:
销售商名称:
运输信息:
运输方式:
运输日期:年月日
存储要求:
7. 总结
本质量证明书确认所述钢材符合国家/行业标准,并具备符合要
求的机械性能、冲击性能、化学成分和外观质量。
有关更多详细信息,请参阅附带的测试报告和质量检验记录。
>注意:本文档是一份标准的钢材质量证明书示例,实际应用中
请根据具体要求进行修改和完善。
角钢质量证明书1. 证明书概述本角钢质量证明书旨在确认并证明所提供的角钢产品符合相关质量标准和要求。
本证明书包括以下内容:产品基本信息、生产工艺和设备、质量控制体系、检测方法和结果等。
2. 产品基本信息2.1 角钢规格•材质:[填写角钢的材质,如碳素钢、不锈钢等]•规格:[填写角钢的规格,如宽度、高度、厚度等]•长度:[填写角钢的长度]2.2 生产厂家信息•厂家名称:[填写生产角钢的厂家名称]•厂址:[填写厂家所在地]•联系方式:[填写厂家联系方式,如电话、传真、邮箱等]3. 生产工艺和设备3.1 生产工艺流程[描述角钢的生产工艺流程,包括原材料准备、加工制造过程等]3.2 生产设备介绍[列举并描述用于生产角钢的主要设备,包括设备名称、型号和功能]4. 质量控制体系4.1 质量管理体系[描述厂家所采用的质量管理体系,如ISO9001质量管理体系等]4.2 质量控制流程[描述厂家在角钢生产过程中的质量控制流程,包括原材料检验、加工过程控制、成品检验等]5. 检测方法和结果5.1 检测设备介绍[列举并描述用于角钢检测的主要设备,包括设备名称、型号和功能]5.2 检测项目和方法[列举并描述角钢的主要检测项目和相应的检测方法,如尺寸测量、化学成分分析等]5.3 检测结果[提供角钢经过检测后的结果,并确保其符合相关质量标准和要求]6. 其他信息6.1 发证日期[填写证明书发证日期]6.2 有效期限[填写证明书的有效期限]结论根据以上内容,我们确认所提供的角钢产品符合相关质量标准和要求。
本证明书仅适用于所提供产品,并不代表其他批次或规格的产品。
厂家名称:厂址:联系方式:日期:。
马钢角钢质量证明书
马钢角钢质量证明书
本产品由中国马钢集团股份有限公司生产,系符合国家标准的优质角钢。
产品规格齐全,品种丰富。
本质量证明书证明该批次产品的质量,供货单位与售货单位均应认真阅读。
产品名称:马钢角钢
规格型号:(请在购买时选择合适的规格型号)
生产日期:XX年XX月XX日
合格证号:XXXXXXXXXX
质量标准:国家标准(GB/T 706-2016)
检验机构:XXX检验中心
检验结果:(检验报告内容)
外观质量:表面光滑无裂纹,切口平整无损伤
力学性能:符合国家标准GB/T 706-2016规定的力学性能指标
化学成分:符合国家标准GB/T 706-2016规定的化学成分要求
本质量证明书系真实有效,如有质量问题,请及时联系供货单位或厂家进行处理。
供货单位:XXXXX公司
售货单位:XXXXX公司。
角钢质量证明书(实用版)目录1.角钢质量证明书的概念与重要性2.角钢质量证明书的主要内容3.角钢质量证明书的作用与意义4.如何获取角钢质量证明书正文角钢质量证明书是一种证明角钢质量合格的重要文件,对于购买和使用角钢的企业和单位具有重要的参考价值。
在购买角钢时,质量和性能是企业和单位最为关注的问题,而角钢质量证明书就是证明角钢质量和性能的最直接、最有效的证据。
角钢质量证明书通常包含以下主要内容:角钢的品种、规格、生产厂家、生产日期、质量标准、检验结果等。
其中,质量标准一般参照我国的相关标准,如 GB/T 9787-2008《冷弯型钢》等。
检验结果主要包括化学成分、力学性能、尺寸、表面质量等方面的检测数据。
这些数据是证明角钢质量合格的重要依据。
角钢质量证明书的作用与意义主要体现在以下几个方面:1.确保角钢的质量:质量证明书是生产厂家对角钢质量的承诺,有利于确保购买到的角钢质量合格。
2.便于企业进行工程验收:在工程建设中,质量证明书是验收单位进行工程验收的重要依据。
3.保障工程安全:角钢质量证明书有利于保障工程安全,因为质量合格的角钢具有更好的抗压、抗弯、抗拉等性能。
4.减少纠纷:角钢质量证明书可以作为买卖双方发生质量纠纷时的证据,有利于维护双方的合法权益。
要获取角钢质量证明书,首先需要选择信誉良好的生产厂家,并在购买角钢时与厂家确认是否提供质量证明书。
在收到角钢货物后,应认真核对质量证明书的内容,确保其与所购买的角钢相符。
同时,还应关注质量证明书的有效期,确保其在使用角钢期间依然有效。
总之,角钢质量证明书对于购买和使用角钢的企业和单位具有重要的参考价值。
角钢质量证明书摘要:一、角钢质量证明书的概念与作用1.角钢的定义和用途2.质量证明书的作用和重要性二、角钢质量证明书的内容要求1.证明书的基本信息2.角钢的规格和型号3.角钢的材质和性能指标4.角钢的生产工艺和质量保证5.检测方法和检测结果6.证明书的签发单位和时间三、角钢质量证明书在工程中的应用1.角钢在建筑结构中的应用2.角钢质量证明书在工程招投标中的作用3.角钢质量证明书在工程验收中的重要性四、角钢质量证明书的真伪鉴别1.检查证明书的格式和内容2.核实证明书的签发单位3.查看角钢的生产批次和编号4.了解角钢的检测机构和检测方法五、角钢质量证明书的管理与保存1.施工单位的角钢质量证明书管理2.工程监理单位的角钢质量证明书审核3.角钢质量证明书的保存和归档正文:角钢质量证明书是钢材产品在生产、流通和使用过程中,对其质量进行检验和认证的一种书面文件。
角钢是建筑结构中常用的一种钢材,具有很高的强度和刚度,广泛应用于建筑框架、桥梁、输电塔等领域。
角钢质量证明书对于确保工程质量和安全具有重要意义。
根据国家相关标准和规定,角钢质量证明书应包括以下内容:基本信息、规格和型号、材质和性能指标、生产工艺和质量保证、检测方法和检测结果、证明书的签发单位和时间等。
其中,材质和性能指标是角钢质量的关键,包括抗拉强度、屈服强度、断面收缩率、延伸率等。
在工程中,角钢质量证明书是工程招投标、材料验收和工程验收的重要依据。
施工单位和工程监理单位应对角钢质量证明书进行严格的审核,确保所使用的角钢符合设计要求和施工标准。
同时,角钢质量证明书也是施工单位进行材料管理和工程结算的重要文件。
为了保证角钢质量证明书的真实性和有效性,用户可以从以下几个方面进行真伪鉴别:检查证明书的格式和内容是否符合规定,核实证明书的签发单位是否具有相关资质,查看角钢的生产批次和编号是否与证明书相符,了解角钢的检测机构和检测方法是否可靠。
最后,对于角钢质量证明书的管理与保存,施工单位应建立健全的管理制度,确保证明书的完整性和可追溯性。
角钢出厂质量证明书角钢出厂质量证明书一、产品信息:产品名称:角钢产品型号:X执行国家标准:GB/T -出厂批次:二、质量指标:序号项目技术要求实测值---1 规格尺寸±X% -2 材质符合标准要求-3 表面质量光洁,无明显缺陷-4 尺寸偏差±X% -5 直角度≤X' -6 厚度偏差±X% -7 化学成分符合标准要求-8 机械性能符合标准要求-9 表面硬度符合标准要求-10 防腐性能符合标准要求-三、质量控制:1. 本产品采用现代化设备进行生产,所有工艺流程严格按照标准操作;2. 对原材料进行严格的检测和筛选,确保质量稳定;3. 生产过程中设有质量检测环节,对每批产品进行抽样检验;4. 所有检测设备经过定期校准和维护,确保准确性和可靠性;5. 进行外观检验、尺寸检验、机械性能检验、化学成分检验等多项检测;6. 检验合格的产品进行标识,确保符合国家标准和合同要求。
四、质量保证:1. 本产品在正常运输和储存条件下,质保期为X年,自出厂日期起算;2. 质保期内,对于因产品自身质量问题导致的损坏和故障,我司将负责免费维修和更换;3. 超出质保期的产品,如对质量有异议,双方将按照相关法律法规进行处理。
五、注意事项:1. 本证明书仅对本次出厂的角钢产品有效,不得与其他批次产品混淆;2. 未经我司书面许可,擅自改动证明书内容无效;3. 若发现产品存在质量问题,请及时与我司联系,我们将积极协助解决。
以上证明,特此出具。
X公司。
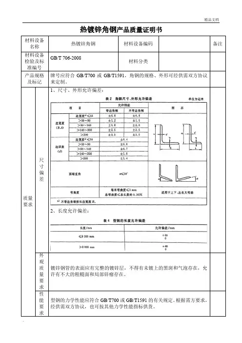
角钢出厂质量证明书篇一:热镀锌角钢质量证明书检测报告热镀锌角钢产品质量证明书第 1 页共 2 页第 2 页共 2 页篇二:镀锌板质量证明书购货单位收货单位昆山炅悦昆山正阳镀锌有限责任公司执行标准 gb/t13793-20XX 质保书编号合同号车号苏e39713业务员:检查单位:购货单位收货单位昆山炅悦昆山正阳镀锌有限责任公司执行标准gb/t13793-20XX 质保书编号合同号车号苏e39713 业务员:检查单位:购货单位收货单位昆山炅悦昆山正阳镀锌有限责任公司执行标准gb/t13793-20XX 质保书编号合同号车号苏e39713 业务员:检查单位:篇二:镀锌板企业标准攀枝花钢铁有限责任公司企业标准连续热镀锌钢板及钢带q/72322100x.003-20XX 1 范围本标准规定了连续热镀锌钢板及钢带的定义、分类和代号、技术要求、试验方法、检验规则、包装、标志和质量证明书等。
本标准适用于以冷连轧钢带为基板,通过连续热镀锌方法生产的冷成形用和一般结构用热镀锌钢板及钢带(以下简称钢板和钢带)。
2 规范性引用文件下列文件所包含的条文,通过在本标准中引用而构成为本标准的条文。
本标准出版时,所示版本均为有效。
所有标准都会被修订,使用本标准的各方应探讨使用下列标准最新版本的可能性。
gb/t222—1984 钢的化学分析用试样取样法及成品化学成分允许偏差 gb/t223.11—1991钢铁及合金化学分析方法过硫酸铵氧化容量法测定量 gb/t223.23—1994 钢铁及合金化学分析方法丁二酮肟分光光度法测定量gb/t223.32—1994 钢铁及合金化学分析方法次磷酸钠还原—碘量法测定砷量 gb/t223.50—1994 钢铁苯基荧酮—溴化十六烷基胺直接光度法测定锡量gb/t223.53—1987 钢铁及合金化学分析方法火焰原子吸收分光光度法测定铜量gb/t223.62—1988 钢铁及合金化学分析方法乙酸丁酯萃取光度法测定磷量 gb/t223.62—1988 钢铁及合金化学分析方法高碘酸钠(钾)光度法测定锰量 gb/t223.68—1997 钢铁及合金化学分析方法管式炉内燃烧后碘酸钾滴定法测定硫含量 gb/t223.71—1997 钢铁及合金化学分析方法管式炉内燃烧后重量法测定碳含量gb/t228—20XX 金属拉伸试验方法 gb/t232—1999 金属弯曲试验方法 gb/t5027—1999 金属薄板和薄带塑性应变比(r值)试验方法 gb/t5028—1999 金属薄板和薄带拉伸应变硬化指数(n值)试验方法 gb/t247—1997 钢板和钢带验收、包装、标志及质量证明书的一般规定 gb/t1839—20XX 钢铁产品镀锌层质量试验方法 gb/t2975—1998 钢及钢产品力学性能试验取样位置及试样制备 gb/t6397—1986 金属拉伸试验试样gb/t8170—1987 数值修约规则en10142-20XX 冷成形用低碳连续热镀锌钢板及钢带en10147-20XX 结构用连续热镀锌钢板及钢带13 定义本标准采用下列定义:连续热镀锌钢板:在连续热镀锌生产线上把冷轧钢带浸入熔融的锌液中镀锌并经横切以平板状供货的平直板材。
角钢出厂质量证明书篇一:热镀锌角钢质量证明书检测报告热镀锌角钢产品质量证明书第 1 页共 2 页第 2 页共 2 页篇二:镀锌板质量证明书购货单位收货单位昆山炅悦昆山正阳镀锌有限责任公司执行标准 gb/t13793-20XX 质保书编号合同号车号苏e39713业务员:检查单位:购货单位收货单位昆山炅悦昆山正阳镀锌有限责任公司执行标准gb/t13793-20XX 质保书编号合同号车号苏e39713 业务员:检查单位:购货单位收货单位昆山炅悦昆山正阳镀锌有限责任公司执行标准gb/t13793-20XX 质保书编号合同号车号苏e39713 业务员:检查单位:篇二:镀锌板企业标准攀枝花钢铁有限责任公司企业标准连续热镀锌钢板及钢带q/72322100x.003-20XX 1 范围本标准规定了连续热镀锌钢板及钢带的定义、分类和代号、技术要求、试验方法、检验规则、包装、标志和质量证明书等。
本标准适用于以冷连轧钢带为基板,通过连续热镀锌方法生产的冷成形用和一般结构用热镀锌钢板及钢带(以下简称钢板和钢带)。
2 规范性引用文件下列文件所包含的条文,通过在本标准中引用而构成为本标准的条文。
本标准出版时,所示版本均为有效。
所有标准都会被修订,使用本标准的各方应探讨使用下列标准最新版本的可能性。
gb/t222—1984 钢的化学分析用试样取样法及成品化学成分允许偏差 gb/t223.11—1991钢铁及合金化学分析方法过硫酸铵氧化容量法测定量 gb/t223.23—1994 钢铁及合金化学分析方法丁二酮肟分光光度法测定量gb/t223.32—1994 钢铁及合金化学分析方法次磷酸钠还原—碘量法测定砷量 gb/t223.50—1994 钢铁苯基荧酮—溴化十六烷基胺直接光度法测定锡量gb/t223.53—1987 钢铁及合金化学分析方法火焰原子吸收分光光度法测定铜量gb/t223.62—1988 钢铁及合金化学分析方法乙酸丁酯萃取光度法测定磷量 gb/t223.62—1988 钢铁及合金化学分析方法高碘酸钠(钾)光度法测定锰量 gb/t223.68—1997 钢铁及合金化学分析方法管式炉内燃烧后碘酸钾滴定法测定硫含量 gb/t223.71—1997 钢铁及合金化学分析方法管式炉内燃烧后重量法测定碳含量gb/t228—20XX 金属拉伸试验方法 gb/t232—1999 金属弯曲试验方法 gb/t5027—1999 金属薄板和薄带塑性应变比(r值)试验方法 gb/t5028—1999 金属薄板和薄带拉伸应变硬化指数(n值)试验方法 gb/t247—1997 钢板和钢带验收、包装、标志及质量证明书的一般规定 gb/t1839—20XX 钢铁产品镀锌层质量试验方法 gb/t2975—1998 钢及钢产品力学性能试验取样位置及试样制备 gb/t6397—1986 金属拉伸试验试样gb/t8170—1987 数值修约规则en10142-20XX 冷成形用低碳连续热镀锌钢板及钢带en10147-20XX 结构用连续热镀锌钢板及钢带13 定义本标准采用下列定义:连续热镀锌钢板:在连续热镀锌生产线上把冷轧钢带浸入熔融的锌液中镀锌并经横切以平板状供货的平直板材。
连续热镀锌钢带:在连续热镀锌生产线上把冷轧钢带浸入熔融的锌液中镀锌经卷取以卷状供货的卷材。
4 分类与代号钢板及钢带的分类及代号按表1的规定。
表 1 分类及代号2 5 技术要求5.1 尺寸、外形、重量5.1.1钢板和钢带的公称尺寸按表2的规定。
表 2 钢板和钢带的公称尺寸5.1.2钢板和钢带的厚度、宽度允许偏差5.1.2.1对于标准中屈服强度最小规定值<280mpa的产品,其厚度和宽度允许偏差按表3的规定。
表 3 厚度及宽度允许偏差(屈服强度最小规定值<280mpa) mm35.1.2.2对于标准中屈服强度最小规定值≥280mpa的产品,其厚度和宽度允许偏差按表4的规定。
表 4 厚度及宽度允许偏差(屈服强度最小规定值≥280mpa) mm5.1.3长度允许偏差钢板长度的允许偏差按表5的规定。
表 5 钢板长度的允许偏差表 6 钢板及钢带的镰刀弯5.1.4钢板及钢带的镰刀弯不得超过表6的规定。
5.1.5钢板的切斜度钢板的切斜度值最大不得超过宽度的1%。
5.1.6钢板每米不平度5.1.6.1对于标准中屈服强度最小规定值<280mpa的产品,钢板每米不平度不得超过表7的规定。
4表 7 钢板每米不平度(屈服强度最小规定值<280mpa)5.1.6.2对于标准中屈服强度最小规定值≥280mpa的产品,钢板每米不平度不得超过表8的规定。
5.1.7重量及允许偏差5.1.7.1钢板、钢带的重量按理论重量或实际重量交货。
5.1.7.2钢板和钢带按理论重量交货时,其重量计算方法按附录a(标准的附录)的规定。
5.2 牌号及化学成分5.2.1钢板和钢带的牌号和化学成分(熔炼分析)应符合表9的规定。
表9 牌号和化学成分5.2.2供方能保证钢中铬、镍、铜、砷和锡的含量符合标准规定时,可不进行这些元素的化学分析。
5.2.3冶炼方法钢板和钢带所用的钢采用氧气转炉冶炼。
5.3 锌层重量5篇三:热镀锌角钢产品质量证明书检测报告热镀锌角钢产品质量证明书第 1 页共 2 页第 2 页共 2 页篇四:中文欧标镀锌板和镀锌卷说明书h46q/hg邯郸钢铁集团有限责任公司企业标准q/hg010-20XX 欧标连续热镀锌钢板和钢带 20XX-11-02发布 20XX-11-02实施邯郸钢铁集团有限责任公司发布前言本标准属于修改采用国外先进标准,其主要技术条款采用了en10327-20XX,并按照国家标准的最新版式进行了xx性修改,凡增加或修改的内容原则上高于或等于所采用的标准条款的等级水平。
本标准与en10327-20XX相比,主要变化如下:—试验方法全部采用了国家标准。
—包装、标志及质量证明书采用了邯钢企业标准q/hg002的规定。
—数值修约规则采用了gb/t8170《数值修约规则》。
本标准由邯钢技术中心提出。
本标准起草单位:邯钢技术中心。
欧标连续热镀锌钢板和钢带 1 范围本标准规定了连续热镀锌钢板和钢带的定义、分类与代号、尺寸、外形、重量及允许偏差、技术要求、订货内容、试验方法、检验规则、包装、标志和质量证明书等。
本标准适用于邯郸钢铁集团有限责任公司按en10327欧洲标准生产的普通级、机械咬合级、冲压级冷连轧钢带为基板的热镀锌钢板和钢带(以下简称钢板和钢带)。
2 规范性引用文件下列文件中的条款通过本标准的引用而成为本标准的条款。
凡是注日期的引用文件,其随后所有的修改单(不包括勘误的内容)或修订版均不适用于本标准,然而,鼓励根据本标准达成协议的各方研究是否使用这些文件的最新版本。
凡是不注日期的引用文件,其最新版本适用于本标准。
gb/t228 金属材料室温拉伸试验方法(eqv iso 6892:1998) gb/t232 金属材料弯曲试验方法(eqv iso 7438:1985) gb/t1839钢铁产品热镀锌层质量试验方法 gb/t2975钢及钢产品力学性能试验取样位置及试样制备(eqv iso 377:1997)gb/t4336碳素钢和中低合金钢火花源原子发射光谱分析方法(常规法) gb/t8170数值修约规则gb/t20XX6 钢和铁化学成分测定用试样的取样和制样方法 en 10327-20XX 连续热镀锌低碳钢冷轧钢板和钢带供货技术条件 q/hg002热轧酸洗、镀锌、彩涂产品与冷轧产品的包装、标志及质量证明书 3 述语和定义下列定义适用于本标准。
3.1 连续热镀锌钢板在连续热镀锌生产线上将冷连轧或热连轧酸洗钢带浸入熔融的锌液中镀锌并经横切以矩形平板状供货的平直板材。
3.2 连续热镀锌钢带在连续热镀锌生产线上将冷连轧或热连轧酸洗钢带浸入熔融的锌液中镀锌经卷取以卷状供货的卷材。
3.3 钝化对镀锌层采用的一种化学处理方式。
可减少钢板在贮存期间因潮湿产生的锈蚀(白锈)。
除光整表面外,是镀锌层最常见的表面处理方式。
3.4 涂油为减少钢板在潮湿的贮存条件下产生锈斑而进行的表面处理方式。
经钝化处理的钢板通常再经涂油处理。
3.5 正常锌花锌在正常凝固过程中,锌晶粒自由长大形成的肉眼可明显辨认的锌花。
3.6 小锌花锌在凝固过程中,锌晶粒被限制形成的比正常锌花小的锌花。
3.7 无锌花通过调整镀液化学成分所得到的,不具有目视可见的锌花形貌,表面均匀一致的镀层。
3.8 光整锌花对钢板施加微小变形量的冷轧加工后得到的均匀一致的表面镀层。
4 分类和代号钢板和钢带的分类及代号见表1。
5 订货内容5.1 订货信息订货时用户应提供下列信息: a) 产品名称(钢板或钢带); b) 标准号(本标准号或国外标准号); c) 牌号; d) 镀层重量代号;e) 表面结构(当未规定时,按正常锌花供货); f) 表面处理方法; g) 表面质量(当未规定时,按普通级表面fa 供货); h) 规格尺寸及允许偏差(当未规定尺寸偏差级别时,按普通级供货); i) 内径和最大卷重(当未规定内径时,按508mm内径供货); j) 用途。
5.2 标记示例:按q/hg010标准供货的dx51d钢带,锌层重量代号z275,正常锌花、光整ns,表面处理为钝化加涂油co,表面质量fb,厚度为1.0mm、高级厚度精度pt.b,宽度为1250mm、普通级宽度精度pw.a,标记示例为:q/hg010-dx51d+z275-ns- fb-co-1.0pt.b×1250pw.a×c 6 尺寸、外形、重量及允许偏差 size, type. weight allowed tolerance 6.1 公称尺寸 size 篇五:镀锌板国家新标准镀锌板国家新标准gb-t/2518-20XX镀锌标准前言1 范围2 规范性引用文件3 术语和定义4 分类及代号5 尺寸、外形、重量及允许偏差6 订货内容7 技术要求8 试验方法9 检验规则10 包装、标志及质量证明书附录 a(规范性附录)理论计重时的重量计算方法前言本标准参考 iso 3575:1996 《商品级、固定成型级和冲压级连续热镀锌碳素钢薄板》,iso 41996《结构级连续热镀锌碳素薄钢板》和 din en 10142:20XX《连续热镀锌结构钢板及钢带技术条件》,din 10147:20XX《冷成形用低碳钢连续热镀锌钢板及钢带供货技术条件》并结国具体情况对 gb/t 2518—1998《连续热镀锌薄钢板及钢带》进行了修订。
本标准代替gb/t2518—1998《连续热镀锌薄钢板和钢带》。
本标准与 gb/t2518—1998相比,对下列主要技术内容进行了修改:——增加规范性引用文件、技术要求、需方提供的信息、检验、复验、检查和验收等;——增加热轧酸洗带钢作为镀锌钢板基材,扩大了产品的厚度范围;——增加镀锌钢板化学成分的内容;——增加结构级镀锌钢板系列品种;——增加无锌花镀锌层种类;——增加镀层重量的镀层分类;——改变表面质量级别划分方式;——增加漆封、磷化、不处理三项表面处理项目;——取消对镀锌钢板杯突值的规定,增加了n、r 值的规定。