炉窑砌筑工程方案
- 格式:doc
- 大小:149.50 KB
- 文档页数:24
炉窑砌筑工程施工程序和要求1. 前期准备炉窑砌筑工程施工前,需要对施工现场进行勘察,确定炉窑的位置、尺寸和基础情况。
同时,需要制定施工方案和施工图纸,并准备好所需的施工材料和设备。
2. 基础处理在炉窑砌筑工程施工前,需要对炉窑的基础进行处理,确保其平整、坚固、无裂缝,并且符合设计要求。
处理包括挖掘基坑、填土、夯实等工作。
3. 砌筑砖石根据施工图纸和设计要求,进行砌筑砖石的工作。
首先进行砌筑炉窑的内部结构,包括炉墙、炉底、炉顶等部分。
然后进行砌筑炉窑的外部结构,包括炉壁、烟囱等部分。
在砌筑过程中,需注意砌筑质量,保证砌筑的水平、垂直和整齐。
4. 砌筑耐火材料在炉窑砌筑工程中,需要使用耐火砖、耐火浇注料等耐火材料进行砌筑。
砌筑耐火材料需要按照设计要求进行布置,保证砌筑的牢固和耐高温。
5. 砌筑隔热层在炉窑砌筑工程中,需要对炉窑进行隔热处理,以确保炉窑的热效率和使用寿命。
砌筑隔热层需要选用合适的隔热材料,并按照设计要求进行砌筑布置。
6. 焊接和安装在炉窑砌筑工程中,需要对炉窑进行焊接和安装,包括焊接砖缝、焊接支撑架等。
在进行焊接和安装过程中,需注意操作规范,确保安全和质量。
7. 检验和试运行在炉窑砌筑工程完成后,需要进行检验和试运行,确保炉窑的正常使用。
检验包括炉窑结构的牢固性和砌筑质量,试运行包括点火、加热等操作。
如果发现问题,需要及时进行修补和调整。
8. 竣工验收在炉窑砌筑工程完成后,需要进行竣工验收,以确认炉窑的砌筑质量和使用性能。
如果通过验收,可以进行竣工手续。
二、炉窑砌筑工程施工要求1. 施工人员需持有效证件和经验丰富,能够熟练操作施工设备和工具。
2. 施工现场要求清洁整齐,杂物要及时清理,确保施工安全。
3. 施工材料和设备要符合国家标准,质量可靠,使用前需进行检查和试验。
4. 施工过程中需严格遵守施工图纸和设计要求,保证砌筑质量和砌筑尺寸的准确性。
5. 施工中需注意防火、防尘、防水等安全措施,确保施工安全。
炉窑砌筑工程工程量清单项目及计算规则一、炉窑土石方工程1.炉窑土方开挖量的计算规则:炉窑土方开挖量=炉窑外侧底面面积×炉窑高度×炉窑土方垫层厚度。
2.炉窑填方量的计算规则:炉窑填方量=炉窑外侧底面面积×炉窑高度×炉窑填方垫层厚度。
二、炉窑砖瓦工程1.炉窑砖瓦的数量计算规则:炉窑砖瓦数量=炉窑壁体周长×炉窑壁体高度÷炉窑砖瓦长宽。
2.炉窑砖瓦胶合量的计算规则:炉窑砖瓦胶合量=炉窑砖瓦数量×砖瓦胶合用量。
三、炉窑砌筑工程1.炉窑砌筑量的计算规则:炉窑砌筑量=炉窑内壁面积×炉窑壁体厚度。
2.炉窑砌筑胶合量的计算规则:炉窑砌筑胶合量=炉窑砌筑量×胶合剂用量。
四、炉窑陶瓷砖瓦工程1.炉窑陶瓷砖瓦数量的计算规则:炉窑陶瓷砖瓦数量=炉窑内壁面积×炉窑陶瓷砖瓦用量。
2.炉窑陶瓷砖瓦胶合量的计算规则:炉窑陶瓷砖瓦胶合量=炉窑陶瓷砖瓦数量×胶合剂用量。
五、炉窑耐火砂浆工程1.炉窑耐火砂浆的用量计算规则:炉窑耐火砂浆用量=炉窑内壁面积×炉窑内壁厚度×耐火砂浆用量。
六、炉窑耐火材料工程1.炉窑耐火材料用量的计算规则:炉窑耐火材料用量=炉窑内壁面积×炉窑内壁厚度×耐火材料用量。
七、炉窑保温层工程1.炉窑保温层的用量计算规则:炉窑保温层用量=炉窑外壁面积×炉窑外壁厚度×保温材料用量。
以上是炉窑砌筑工程工程量清单项目及计算规则的一些例子。
在实际的工程中,还需要根据具体情况进行细致的计算和测量。
工程量清单的编制应严格按照相关规范和标准进行,以保证工程量计算的准确性和可靠性。
炉窑砌筑工程施工流程一、前期准备1、确定施工方案:根据设计图纸和现场情况,确定炉窑的布局和尺寸,以及砌筑的材料和砌筑方法。
2、准备施工材料:购买所需的砖石、水泥、砂子等砌筑所需的材料,并对材料进行验收和储存。
3、准备施工设备:准备好砌筑所需的施工工具和机械设备,如搅拌机、砌筑工具、砂浆搅拌机等。
4、组织施工人员:确定施工队伍和施工人员的数量,安排好施工人员的工作任务和班组组织。
5、安全检查:对施工现场进行安全检查,确保施工现场安全,并做好现场安全警示标识。
二、炉窑基础施工1、测量布线:按照设计图纸和相关标高进行炉窑基础的布线和测量,并做好基础标志。
2、挖坑填土:根据设计图纸的基础要求,对基础区域进行挖土和填土处理,确保基础的平整和稳固。
3、基础浇筑:在填土后的基础区域进行混凝土的浇筑,确保基础的强度和稳定性。
4、基础验收:对炉窑基础进行验收,确认基础质量是否符合要求。
三、炉窑本体砌筑1、砌筑材料准备:将预先准备好的砌筑材料按照比例进行搅拌,制作好砌筑所需的砂浆。
2、砌筑布局:根据设计图纸和现场情况,确定炉窑的布局和砌筑的起点,并进行砌筑布局。
3、炉窑砌筑:根据炉窑的设计要求和砌筑方法进行砖石的砌筑,确保砌筑的质量和几何尺寸的精准度。
4、炉窑隐蔽验收:对炉窑的砌筑进行隐蔽验收,检查砌筑质量和内部结构是否符合要求。
四、炉窑烟气排放系统施工1、烟气管道焊接:根据设计要求对炉窑的烟气排放管道进行焊接,确保管道的连接牢固和气密性。
2、烟气管道安装:将焊接好的烟气排放管道进行安装,连接至炉窑烟气出口,确保排放系统的畅通和稳定。
3、烟气系统验收:对烟气排放系统进行验收,检查管道焊接质量和系统连通性是否符合要求。
五、炉窑绝热材料施工1、绝热材料采购:购买所需的炉窑绝热材料,如保温砖、耐火纤维、板材等,并对材料进行验收和储存。
2、绝热材料铺设:按照设计要求和炉窑结构进行绝热材料的铺设,确保炉窑的保温和隔热效果。
3、绝热材料隐蔽验收:对绝热材料进行隐蔽验收,检查绝热材料的质量和铺设效果是否符合要求。
石油化工炉窑种类不少,由于生产工艺不同,新炉种、新结构、新材料不断浮现。
为了保证炉窑施工质量,提高技术素质,就要熟悉新的炉型结构,掌握新材料性能、炉窑砌筑新方法,选择合理的施工方案,作好施工前的准备,才干保证炉窑施工。
1.炉窑钢体的检查验收(1)炉窑砌筑前,按施工验收规范和施工图纸要求,由土建、安装施工单位和建设单位、质量检验人员及设计人员组成联合检查组,检查炉体各结构部位是否符合。
对炉体重要部位、设计有特殊要求部位应交验工程自检记录,确认符合设计要求后方能验收。
(2)炉内各种金属锚固件(如:托砖板,挂砖钩和Y 型、 V 型钩等),安装位置应符合设计要求。
对金属件焊接质量应进行检查,在炉体验收时,施工单位必须在炉体结构上做纵向和横向中心标志,并以此作为衬砌施工放线的依据。
(3)钢壳体(炉体)验收时,钢壳体的安装质量好坏是保证衬里质量的关键。
衬里前应重点检查壳体垂直度、水平度、托砖架水平度、开孔位置、墙板的平直度、拱顶板螺栓间距等,符合施工验收规范和设计要求。
2.施工图纸的审查(1)施工前,组织设计单位、建设单位、施工单位对图纸进行会审。
熟悉各部位尺寸及耐火材料的材质要求,审查是否符合设计、施工规范要求,不符合应早些提出解决。
(2)依据施工图纸及有关技术方案确定劳动力组织、施工机械和机具的配备、工程手段用料、脚手工具搭设、暂时设施搭设、工期确定、炉体防护措施等。
石油化工大型工业炉工程量大,工序复杂,多工种交叉作业,施工工期长,质量要求严,施工程序的安排很重要。
炉的形式分为两种:一种是死底,另一种是活底。
先砌底后砌墙,墙压在底上这种底为死底。
先砌墙后砌底为活底。
1.普通常规施工顺序为先砌墙,次炉顶,最后是炉底,烟囱及预制件根据安装先后顺序穿插在中间;但也有的先炉底,后炉顶,主要依据各种炉型不同进行编制施工方案。
2.如大型石油化工炉炉墙的砌筑和炉管的安装,是先砌筑还是先安装炉管,各施工单位做法不一,各有利弊,施工说明书也没有具体说明。
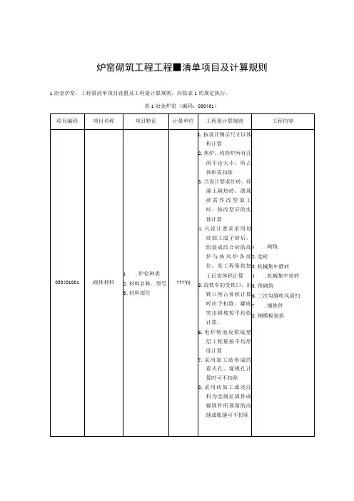
炉窑砌筑工程工程■清单项目及计算规则
1冶金炉窑。
工程量清单项目设置及工程量计算规则,应按表1的规定执行。
表1冶金炉窑(编码:030401)
表3化工炉窑(编码:030403)
表5其他专业炉窑(编码:030405)
表6TnW窑(编53:030406)
1”炉窑筑工程”适用于各种炉窑而火与隔热砌体工程(其中蒸汽锅炉只限于蒸发量75t∕h以内的中、小型蒸汽锅炉工程)、不定型耐火材料内衬工程。
2凡涉及到土方开挖、回填、运输,应按附录A的相关项目编码列项。
3除另有说明外,工程量计算时不扣除下列情况构成的体积:
1)小于25mm的膨胀缝所占体积。
2)断面积小于0.02m2的孔洞。
3)断面积小于0.06m'、长度(或深度)不超过Im的孔洞。
4)炉门喇叭口的斜坡。
5)墙根叉处的小斜坡。
玻璃炉窑建造工程施工方案一、施工前的准备工作1.采集施工现场相关信息在进行玻璃炉窑建造工程之前,需要进行现场勘查,了解施工地点的地形、地貌、环境等情况,采集相关信息,为后续的施工过程做好准备。
2.制定施工计划根据现场勘查的情况,制定玻璃炉窑建造工程的详细施工计划,包括施工时间安排、人员配备、材料采购、设备调配等。
3.组建施工团队根据施工计划,组建专业的工程施工团队,包括施工队长、技术人员、施工工人等,确保施工人员具备必要的技术能力和经验。
4.采购施工材料和设备根据施工计划,采购玻璃炉窑建造所需的材料和设备,包括水泥、砖块、钢筋、砂石等建材,以及混凝土搅拌机、起重机、砌筑工具等施工设备。
5.租赁施工机械如果施工需要使用特殊的施工机械,如起重机、挖掘机等,可以通过租赁的方式获取所需的机械设备。
6.制定施工安全管理措施在施工前,制定施工安全管理措施,确保施工过程中人员和设备的安全,避免施工事故的发生。
7.签订施工合同与相关的供应商、承包商签订施工合同,明确双方的权利和义务,保障施工过程的顺利进行。
二、玻璃炉窑建造工程施工过程1. 土地平整在施工现场进行土地平整工作,清除杂草、石块、垃圾等,确保施工地面平整、干净。
2. 基础施工进行玻璃炉窑的基础施工,包括地基开挖、基础混凝土浇筑、钢筋焊接、模板搭建等工作,确保玻璃炉窑的基础牢固、稳固。
3. 砌筑炉窑墙体根据设计图纸,进行玻璃炉窑墙体的砌筑工作,采用砖石或耐火砖等材料,进行墙体的砌筑,确保墙体结实、牢固。
4. 安装炉窑设备在玻璃炉窑建造完成后,进行炉窑设备的安装工作,包括燃烧装置、加热元件、温度控制系统等设备的安装,确保设备正常运转。
5. 进行玻璃炉窑烘烤在安装完成炉窑设备后,进行玻璃炉窑的烘烤工作,逐步提升炉窑温度,确保炉窑内温度稳定,达到玻璃制造的要求。
6. 玻璃炉窑保温在炉窑烘烤完成后,进行玻璃炉窑的保温工作,包括施工保温材料、安装保温层等工作,确保炉窑内温度能够持续稳定。
炉窑砌筑工程施工技术一建炉窑是工业生产中不可缺少的重要设备,其砌筑质量直接影响到炉窑的使用寿命和生产效率。
一建炉窑砌筑工程施工技术主要包括施工准备、耐火砖砌筑、拱和拱顶砌筑、施工质量控制等方面。
一、施工准备1.技术准备:施工前应进行施工图纸及相关技术资料的会审,明确施工要求和技术指标。
同时,编制施工方案,包括施工顺序、质量控制标准、施工方法的重点和难点、施工安全及环境保护措施、施工工期控制等内容。
2.人力资源准备:根据施工需要,配备相应的管理及技术人员、专业技术工人和普工。
3.工机具配置:根据施工需求,配置起重设备、运输设备、搅拌设备、切砖机、磨砖机、砌砖机、振捣设备、称量设备、通信及照明设备、焊接设备、质量检测设备及各类专门工机具。
4.材料准备:对运至工地的耐火材料和制品进行验收,确保其具有质量证明书和生产厂制定的施工方法说明书、产品合格证、使用有效期等文件。
仓库内的耐火材料、结合剂等必须分别保管在防潮、防污染的仓库内,按不同种类、不同使用日期分别存放。
二、耐火砖砌筑耐火砖砌筑是炉窑砌筑工程的核心部分,其质量直接影响到炉窑的使用寿命。
耐火砖砌筑的施工程序包括:1.炉子中心线和控制标高的测量记录以及必要的垂直度和直线度测量。
2.根据设计图纸,按顺序进行砖的排版和配砖。
3.砌筑前,对炉窑主要部位进行清洗和处理,确保表面平整、干净。
4.按照施工方案确定的施工顺序进行砖的砌筑,注意砖的上下错缝、内外勾缝,确保砌筑的严密性和稳定性。
5.砌筑过程中,定期进行质量检查,发现问题及时进行整改。
三、拱和拱顶砌筑拱和拱顶砌筑是炉窑砌筑工程中的重要部分,其质量影响到炉窑的稳定性和使用寿命。
拱和拱顶砌筑的技术要求包括:1.拱脚表面应平整,角度应正确。
不得用加厚砖缝的方法找平拱脚。
2.拱和拱顶的砌筑应采用拱胎支模,确保拱形的准确性和稳定性。
3.拱和拱顶的砌筑应按照设计图纸和施工方案确定的施工顺序进行,注意砖的上下错缝、内外勾缝,确保砌筑的严密性和稳定性。
窑炉砌筑(筑炉)施工方案项目名称:湖北谷城日产5000t熟料生产线项目文件编号:XXXX编写:日期:2014年月日审核:日期:2014年月日批准:日期:2014年月日目录一、工程概况 (1)二、编制依据 (1)三、质量目标及确保质量目标的保证措施 (1)四、安全目标及确保安全目标的保证措施 (4)五、主要分项施工技术方案 (6)六、施工机具、物料及人员计划 (20)七、安全文明施工要求 (22)八、职业健康安全和环境管理体系 (22)一、工程概况XXXX公司日产4800吨熟料生产线项目由XXXX公司设计。
在设备安装阶段需要对窑尾预热器、篦冷机、三次风管、窑头罩等多处进行砌筑。
砌筑质量的好坏将影响到整个系统的正常运行。
严格控制每一道砌筑工序的质量,是确保本系统砌筑质量的关键。
二、编制依据根据图纸及结合现场实际编制此方案,主要依据为:(1)XXXX水泥生产线项目筑炉施工图;(2)《工业炉砌筑工程施工及验收规范》(GB50211-2004);(3)《水泥机械设备安装工程施工及验收规范》(JCJ03-1990);(4)《建筑施工安全检查标准》(JGJ59-2011);(5)《建筑施工高处作业安全技术规范》(JGJ80-1991);(6)国家现行的有关建筑施工的其它规范、标准。
三、质量目标及确保质量目标的保证措施(1)质量目标1.1严格按照ISO9001:2000质量管理体系的规定运行,从质量管理的标准化、系统化、网络化入手,加强过程控制,实行动态的质量管理,确保分部工程一次交验合格率100%。
1.2杜绝重大质量事故,有效降低质量通病发生率。
(2)质量保证措施2.1认真执行四检制度:自检、互检、专检、会检。
2.2严格控制进厂材料的质量,加强进厂材料的检验、试验工作,不合格材料不准进入现场。
2.3建立质量管理体系,保证可追朔性,谁安装谁负责,并制定实行相关经济奖惩制度。
2.4及时整理施工记录、质检记录、隐蔽工程记录和试验记录,保证交工时资料完整,并达到当地档案局归档要求。
炉窑砌筑工程炉窑砌筑工程是针对工业生产需要而设计的一个建筑项目。
这个工程主要包括了炉窑设计、材料选用、砌筑和安装等多个方面,可以说是一个非常复杂的过程。
在本篇文章中,我将会介绍炉窑砌筑工程的一些基本概念和重要作用,以及如何进行这个工程的建设。
1.炉窑的基本概念炉窑是指用来加热材料和各种物质变化的专业设备。
炉窑的种类很多,例如高炉、坩埚炉、熔炉等等,它们在不同的领域和工艺中都有应用。
炉窑的主要结构部件包括了炉体、排烟筒、燃烧室、保温层、控制系统等等。
这些部件的设计和选材都非常重要,直接关系到炉窑的使用寿命和热效率。
2.炉窑砌筑的重要作用炉窑砌筑是指炉窑的建造过程。
由于炉窑需要承受极高的温度和压力,因此砌筑过程需要非常精确和耐心。
正确的砌筑可以增强炉窑的密封性、稳定性和耐久性,减少热能流失和产生一些热膨胀问题,提高生产效率和产品质量。
此外,炉窑砌筑还需要注意环保问题,避免二次污染。
3.炉窑砌筑工程的建设过程炉窑砌筑工程的建设过程需要从设计、选材、砌筑、安装、调试、验收等多个方面考虑。
设计过程中要根据生产工艺和应用需要考虑炉窑的类型、规格、结构、材料和技术要求等问题。
选材过程中需要选择耐火材料、保温材料、钢材、陶瓷及化学材料等。
砌筑过程中需要进行灰浆配比、模板制作、夹砖施工等一系列细致的操作。
安装调试过程中需要进行精细处理,确保各项关键指标达到设计要求。
验收过程中需进行质量检验,测试炉窑性能和安全性能等问题。
整个过程需要配备专业团队和高端设备,确保工程质量。
总之,炉窑砌筑工程是一个非常重要而复杂的建筑项目。
正确的砌筑可以提高生产效率和产品质量,节约能源资源,保障工业现代化的发展。
希望相关企业和技术人员能够为这项事业贡献自己的力量。
筑炉施工方案一、前言筑炉是一项复杂而重要的工程,施工方案的设计和执行关乎工程的质量和安全,下面将从筑炉施工的准备工作、具体施工步骤、质量控制和安全措施等方面进行详细介绍。
二、准备工作1.规划设计:在开始筑炉施工前,需要进行详细的规划设计工作,包括炉体的结构、材料选用、炉体尺寸等方面的设计和确定。
2.材料准备:根据设计方案,准备所需的材料,包括砖块、水泥、沙子等,确保材料的质量和数量满足施工需要。
3.施工人员培训:对参与施工的人员进行培训,使其了解施工步骤和安全注意事项,提高工作效率和减少安全事故的发生。
三、施工步骤1.地基处理:首先进行地基的处理工作,确保炉体的稳固和平整。
2.砌筑炉墙:根据设计方案,将砖块、水泥等材料按照要求进行砌筑,保证炉体的结构牢固。
3.内部加砂:在炉体砌筑完毕后,进行内部的加砂工作,加强炉体的保温效果。
4.炉顶施工:最后施工炉顶部分,确保炉体的密封性和完整性。
四、质量控制1.现场监督:在施工过程中,需要有专人对施工现场进行监督,确保施工过程符合设计要求。
2.质量检验:完成每个施工环节后,需进行质量检验,确保施工质量符合标准。
五、安全措施1.安全防护:施工人员需佩戴相关防护用具,确保施工过程中的安全。
2.消防设施:在施工现场设置完善的消防设施,确保一旦发生火灾等事故时能够及时处理。
以上便是筑炉施工方案的相关内容,通过详细的准备工作、施工步骤、质量控制和安全措施,可以保证筑炉工程的顺利进行和施工质量的保障。
筑炉工程是一项具有挑战性的工程,仅有合理的规划和严谨的执行,才能确保工程的成功实施。
筑炉工程施工目录1、概述2、工程施工依据3、施工部署4、5、6、7、8、1使之规七个分项工程,(炉底,燃烧室,落灰斗,炉顶,省煤器,隔墙,烟道及烟囱)按工程的适用范围,主要材料及制品,主要工机具,施工作业条件,操作工艺,工程质量标准,成品保护,应注意的质量问题,安全施工注意事项,依据标准等内容。
以贯彻施工技术标准为主线,集施工工艺要点为内容,按条目编写而成。
由于各种炉窑规格型号较多,本施工指南编制着重于锅炉,气化炉,焚烧炉,转窑等。
本施工指南供石油化工建筑安装公司的施工队长,技术人员,班组长,质量检查员,材料员,安全员及筑炉工使用。
是技术管理人员编制筑炉作业施工方案,进行施工准备,技术交流,控制工程质量,制订安全措施和组织筑炉工技术培训的参考资料。
2、工程施工依据2.1.工业炉砌筑工程施工及验收规范GB50211-20042.2.工业炉水泥耐火浇注料冬期施工技术规程CECS27:902.3.管式炉安装工程施工及验收规范SH3506—20002.4.工业锅炉安装工程施工及验收规范GB50273-982.5.电力建设施工及验收技术规范(锅炉机组编)DL/T5047—952.6.石油化工施工安装技术规范SH3505—20012.7.建筑钢结构焊接规程JGJ81—20022.8.建筑施工扣件式钢管脚手架安全技术规范JGJ130—2001 J84—20012.9.工业炉砌筑工程质量检验评定标准GB50309-922.10.耐火制品尺寸,外观及断面的检查方法GB/T10326-882.11.通用耐火砖形状尺寸GB/T2992-822.12.耐火材料耐火度试验方法GB/T7322-19973、施工部署3.1.施工前期准备阶段3.1.1.设计交底和图纸会审图纸会审包括专业会审,综合会审两个步骤,专业会审是指专业内的图纸会审,重点是检查图面是否有差错,施工图存在的问题,施工不明确或不便于施工操作等问题,施工图纸未经会审,不得作为施工文件使用。
炉窑砌筑工程方案一、工程概述本工程位于XX市XX区,是一座新建的炉窑项目。
项目总建筑面积约为5000平方米,主要包括炉窑本体、炉膛、烟道、燃烧系统、烟气处理系统等。
二、设计原则1.安全性:确保炉窑和相关设备的稳定性和可靠性,防止火灾和事故的发生。
2.高效性:通过合理的设计和优质的材料,提高炉窑的工作效率,降低能耗。
3.环保性:使用低污染材料,配置烟气处理系统,减少对环境的污染。
4.经济性:在满足质量要求的前提下,尽量控制成本,提高工程的经济效益。
三、炉窑类型选择根据项目需要和工程预算,我们为该炉窑工程选择了XX型炉窑。
该炉窑适用于高温工业热处理和干燥等工艺。
它具有以下特点:1.高温均匀:炉窑采用多点加热技术,可以使炉内温度达到均匀且稳定的状态。
2.节能环保:炉窑采用高效的燃烧系统和烟气处理系统,减少能源消耗和烟气排放。
3.操作简单:炉窑采用自动化控制系统,操作简单,维护方便。
四、炉窑砌筑方案1.炉窑本体:炉窑本体选用耐火砖进行砌筑。
砌筑方法采用干法砌筑,确保炉窑内壁的平整度和密实度。
2. 炉膛:炉膛部分砌筑以耐火砖为主,内衬耐火砖厚度为230mm,可有效隔绝高温对炉壳的影响。
炉膛内部布置合理的冷却设备,确保炉膛内部温度的控制。
3.烟道:烟道设有锥形烟道、水冷烟道和烟囱。
锥形烟道采用耐火砖进行砌筑,烟气流经锥形烟道可使烟气温度逐渐下降并集中排出。
水冷烟道采用不锈钢材料制作,烟气流经水冷烟道可进一步降低烟气温度。
烟囱设有供给烟气排出的通道。
4.燃烧系统:炉窑燃烧系统采用天然气作为主要燃料,同时配备备用燃烧设备。
燃烧系统采用先进的自动化控制系统,可根据需要调整燃烧温度和燃料供给量。
5.烟气处理系统:烟气处理系统包括除尘设备和废气处理装置。
除尘设备采用静电除尘器和布袋除尘器,可有效去除烟气中的颗粒物和污染物。
废气处理装置采用吸附剂与烟气进行反应,将废气中的有毒气体和二氧化硫等化学物质吸附和转化为无害物质。
工业炉窑砌筑工程施工技术
1 金属锚件,如把钉、托砖板等,其性能是证度高,易操作,适宜于工作温度低于 1100℃以下的炉体内使用。
2射火材料锚固件,如错固砖,其特性是药型几何尺寸要求比较严格,可耐1100℃以上的高温。
3 工序交接证明书应包括下列内容 7条
4 动志炉窑砌筑必须在炉窑电机无负荷试运转合格并验收后方可进行。
5 御筑的基本顺序
6烘炉阶段的主要工作,制定工业炉的烘炉计划;准备供炉川的工机具和材料,确认烘炉曲线,编制供炉期间作业计划及交负
处理预案:确定和实陈爆炉过程中监控重点。
7 一般工业炉研筑的允许误差的检查:包括重直误差,表面平整误差及线尺寸误差。
8底和墙血筑的技术要求 5条
9 拱和执顶翔筑的技术要求 11 条
10 搅拌好的耐火浇注料,应在 30min 内浇注完成,或根据施工说明要求在规定的时间内浇注完。
已初凝的浇注料不得使用。
11 拆模。
承重模板应在浇注林达刊设计强度 70%之后,才可拆模。
12 冬期施工的技术要求 1-6 条
13 冬期施工耐火浇注料的养护 2条
14 烘炉的技术要点 3条。
炉窑砌筑工程的施工程序和要求
一、炉窑的分类和耐火材料的种类
(一)炉窑的分类
1.专业炉窑
2.一般炉窑
3.其他炉窑
(二)耐火材料的种类
1.按化学特性分类
2.按耐火材料的耐火度分类
3.按照烧制方法分类
4.其他分类
二、施工前的工序交接
(一)施工前的准备
1.技术准备
2.资源准备
3.施工准备
(二)工序交接的主要内容
根据《工业炉砌筑工程施工及验收规范》GB 50211-2004规定,工业炉砌筑工程应于炉子基础、炉体骨架结构和有关设备安装经检查合格并签订工序交接证明书后,才可进行施工。
工序交接证明书应包括以下内容:
三、耐火砖的砌筑施工程序
(一)动态式炉窑的施工程序
(二)静态炉窑的施工程序
四、耐火浇注料砌筑的施工程序
材料检查验收施工面清理锚固钉焊接模板制作安装防水剂涂刷浇注料搅拌并制作试块浇注料浇注并振捣拆除模板膨胀缝预留及填充成品养护。
五、炉窑砌筑工程交工验收
交工验收时,施工单位应提供的资料。
窑炉砌筑(筑炉)施工方案项目名称:湖北谷城日产5000t熟料生产线项目文件编号:XXXX编写:日期: 2014年月日审核:日期: 2014年月日批准:日期: 2014年月日目录一、工程概况.......................... 错误!未定义书签。
二、编制依据.......................... 错误!未定义书签。
三、质量目标及确保质量目标的保证措施 .. 错误!未定义书签。
四、安全目标及确保安全目标的保证措施 .. 错误!未定义书签。
五、主要分项施工技术方案.............. 错误!未定义书签。
六、施工机具、物料及人员计划.......... 错误!未定义书签。
七、安全文明施工要求.................. 错误!未定义书签。
八、职业健康安全和环境管理体系........ 错误!未定义书签。
一、工程概况XXXX公司日产4800吨熟料生产线项目由XXXX公司设计。
在设备安装阶段需要对窑尾预热器、篦冷机、三次风管、窑头罩等多处进行砌筑。
砌筑质量的好坏将影响到整个系统的正常运行。
严格控制每一道砌筑工序的质量,是确保本系统砌筑质量的关键。
二、编制依据根据图纸及结合现场实际编制此方案,主要依据为:(1)XXXX水泥生产线项目筑炉施工图;(2)《工业炉砌筑工程施工及验收规范》(GB50211-2004);(3)《水泥机械设备安装工程施工及验收规范》(JCJ03-1990);(4)《建筑施工安全检查标准》(JGJ59-2011);(5)《建筑施工高处作业安全技术规范》(JGJ80-1991);(6)国家现行的有关建筑施工的其它规范、标准。
三、质量目标及确保质量目标的保证措施(1)质量目标严格按照ISO9001:2000质量管理体系的规定运行,从质量管理的标准化、系统化、网络化入手,加强过程控制,实行动态的质量管理,确保分部工程一次交验合格率100%。
杜绝重大质量事故,有效降低质量通病发生率。
(2)质量保证措施认真执行四检制度:自检、互检、专检、会检。
严格控制进厂材料的质量,加强进厂材料的检验、试验工作,不合格材料不准进入现场。
建立质量管理体系,保证可追朔性,谁安装谁负责,并制定实行相关经济奖惩制度。
及时整理施工记录、质检记录、隐蔽工程记录和试验记录,保证交工时资料完整,并达到当地档案局归档要求。
设多名技术人员和工长负责研究施工要求,编制施工方案,制定施工质量标准,核实各种耐火材料的数量、质量和保管情况。
工程技术负责人组织落实,进行施工,技术员负责监督和指导,确保施工质量。
针对筑炉施工这一特殊专业,为了确保施工质量,特制定如下质量要求:2.5.1浇注每次只能~2m²,根据浇注厚度计算浇注料用量,然后倒入一台或多台搅拌机中,预先干混至少2分钟,再按要求比例加入新鲜的洁净水,搅拌均匀后才可浇注。
浇注时的落差不得大于 1.5m,然后用振动棒捣实,直至表面出浆,不得留有死角。
2.5.2各锚固件表面必须按要求刷满沥青漆或缠上一层胶布。
各膨胀缝必须按规定留设,且塞满耐火纤维棉。
2.5.3耐热烧注料模具必须采用木模或钢模,支模要牢固,保证施工过程中不走形、不漏浆,物料倒入模框内应立即用振动棒分层振实。
每次支模高度以300~500mm为宜,振动间距以250毫米左右为宜,当浇注料表面翻浆后,振动棒应慢慢抽出,避免浇注料衬体出现空洞。
2.5.4浇注料施工采用分段支模的办法进行施工,各段浇注料施工间隔时间应小于20分钟,在此时间内可在已施工好的浇注料表面盖上湿布。
2.5.5各种模具施工前必须予以处理,模板表面应清洁,木模施工前先用水润湿,钢模施工前应涂一层机油以利于拆模。
2.5.6施工完毕后应及时进行养护,保持表面湿润,养护时间至少一天,然后让其自然干燥。
2.5.7脱模时间要根据浇注料初凝时间及强度等实际情况而定,一般夏季为8~16小时,冬季为16~24小时。
2.5.8各种拌料设备,浇注部位均应保证清洁,不准有灰尘,焊渣等任何杂物,施工后衬体不准出现断面分层现象,施工时间应尽量缩短,已初凝甚至结块的浇注料绝对不得倒入模中,更不得加水搅拌再用。
由于烧注料的时效性强,所以必须整袋地使用,所用水源必须清洁,不准使用污水、泥水和工业废水。
2.5.9砌砖前对各种耐火泥浆应进行预试验和预砌筑,确定不同泥浆的粘结时间、初凝时间、稠度及用水量,水量要称量准确,调和要均匀,随调随用,已经调好的水硬性和气硬性泥浆不得再任意加水使用,已经初凝的泥浆不得继续使用。
2.5.10调制不同质别的泥浆要用不同的器具,用后应及时清洗,调制磷酸盐结合泥浆时要保证规定的用料时间,随调随用,已经调制好的泥浆不得任意加水稀释,不得与金属壳体直接接触。
2.5.11砌砖要求砖缝平直,弧面圆滑,砌体密实,砖环与筒体同心,砌筑不动设备的砖衬时,泥浆的饱满度要达到95%以上,砌砖时严禁使用铁锤敲打。
2.5.12砌砖时应禁止出现以下通病:错位、倾斜、灰缝不匀、爬坡、离中、垂缝、通缝、张口、脱空、毛缝、蛇形弯、砌体鼓包、混浆、大小头倒置、缺棱缺角等。
2.5.13砌筑不动设备的耐火隔热复合衬里时,要分层分段砌筑,严禁混层混浆砌筑。
2.5.14耐火砖衬中的膨胀缝必须按设计留设,不得遗漏,膨胀缝的宽度不能出现负公差,缝内不得留有硬块杂物。
2.5.15重要部位和外形复杂部位的衬里应先进行预砌筑,砖衬中留设的外金属件,要用异形砖、浇注料或耐火纤维棉封闭,严禁直接暴露在热气中。
2.5.16锚固砖严格按设计规定留设,不得遗漏,挂孔周围不得使用有裂纹的锚固砖。
2.5.17干砌用的接缝钢板,其厚度控制在~2mm,要求平整、不卷边、不扭曲、无毛剌,每块板宽应小于砖宽约10mm,砌筑时钢板不得超出砖边,不得出现钢板探空和搭桥现象。
2.5.18所有的耐火材料砌筑完成后,应进行验收。
分别检查砌体的外形尺寸、衬厚和中心线,材料使用情况,膨胀缝是否符合要求,砖缝是否匀称平直,垂直度和表面平整度,工艺设施及孔洞等,外观检查应无异常。
四、安全目标及确保安全目标的保证措施(1)安全目标:无重大人身伤亡事故、设备事故。
基本杜绝一般性人身、设备事故。
(2)安全保证措施为了保障施工安全,做到安全生产,防止和减少生产中的安全事故,保障施工人员的生命和财产安全,我们不仅制定了《安全操作规程》和《筑炉岗位责任制》等安全制度,还制定有以下安全措施。
新工人上岗前必须经过公司培训,然后再由项目部安全员讲授安全施工注意事项,学习安全生产法、安全规章制度、安全操作规程,培训合格后方可交给生产班组,由生产班副班长再做进一步的安全教育,发现不合格,不得录用,否则对负责一线生产安全的副班长给予处罚,直至撤销其职务。
现场施工人员必须正确使用个人防护用品和遵守工地制定的安全管理制度。
进入施工现场,必须正确佩戴安全帽,禁止赤膊、光脚、穿拖鞋进入施工现场。
严禁酒后上岗,不论喝酒多少,只要发现喝酒就不允许上岗。
各种施工设备必须按规定由专人操作,其它人员严禁乱操作。
注意安全用电,非专业人员严禁擅动,设备不用时必须切断电源,挂标示牌。
高空作业必须搭设牢固的脚手架,周围必须有防护网,施工人员必须系牢安全带。
严禁任何人员从高处向下抛洒物品,处在高处的物品和设备必须固定牢靠。
若施工场地同时进行施工的单位较多、交叉作业频繁,应有专人负责联络,不具备作业条件的工区严禁施工,待安全措施有保障后才允许施工。
高空吊运物品必须有专人指挥,指挥信号要明确,操作平稳,严禁碰撞伤人,严格执行“吊装十不准”,被吊运的物品必须固定牢靠,数量必须在安全重量范围之内。
吊装索具在使用前必须经过检查,确认安全、可靠、合格后方可使用。
吊装前要选择好吊装场地,根据所吊构件的重量及提升机起重性能,确定吊装方案,从而确保筑炉材料吊装的安全性。
手锤使用时禁止戴手套,打锤时要时时刻检查锤头是否松动。
施工场地内的废弃物要及时清理,不得随意乱扔废弃物。
安全警戒区内禁止人员通过或施工,要安排人员值勤。
夜晚施工要有足够的照明,照明线和焊把线要整齐,不得乱拉线。
施工用的电动机械和设备均须采用接零保护,绝对不允许使用破损的电线和电缆,严防设备漏电。
施工用电器设备和机械的电缆,须集中在一起,并随楼层的施工面逐节升高。
每层楼面须分别设置移动式配电箱,供每层楼面施工用电需要。
筑炉材料堆放场地注意防火、防雨、防潮,砌筑用木模板严禁接触明火。
(3)本工程安全质量技术保证体系如下:五、主要分项施工技术方案(1)前期工作1.人员管理建立施工组织,明确人员职责。
进行安全和技术教育。
2.施工现场管理现场需具备施工的基本条件,如“三通一平”、起运设备、工棚、消防和安全设施等。
施工工机具进场,如提升机、砌砖机、切砖机、磨砖机、砂浆搅拌机、强制式搅拌机、振动器等。
布置作业用料的中转存放场地。
3.材料接收与保管设立专人负责此项工作。
材料要按有关标准或技术条件验收,按规格、型号核对数量,保证数量准确,质量合格,入库手续健全。
材料按品种、规格、型号、批号、使用顺序、存放要求和运输条件进行堆放。
有专用库房或堆放区域,做到防混、防雨、防潮。
对于浇注料、粘结剂、水泥、保温隔热材料、镁质材料,要保证不受潮变质。
变质材料应坚决弃去,不能继续使用。
4.工序交接设备安装完毕,经检验合格达到可以进行筑炉施工的程度,签订工序交接证明书。
工序交接证明书的内容应包括有关规定的要求,不得遗漏。
5.档案资料管理相关材料必须收集、记录、整理完全,最后按要求归档保管。
资料的内容5.2.1设计资料: 砌筑图、材料表、砖形图、设计变更单等。
5.2.2供货方提供的交货批次清单、检验单、技术资料等。
5.2.3出库单、退库单、调拨单等。
5.2.4施工计划、进度表、质量验收单等。
5.2.5其它技术资料,如施工说明及会议纪要等。
6.技术交底深入了解设计图纸和有关资料,会同业主单位、总包单位、监理单位,做好图纸会审工作。
设计院和有关单位进行技术交底,研究有关问题,力求把问题解决在施工之前。
(2)泥浆的配制1.一般生产厂家供应的粉状材料,称火泥,现场加指定的液体调制火泥到合适的稠度,即为供砌砖用的泥浆。
2.火泥应放在防雨防潮的专用仓库中,以免受潮、变质(如镁泥砖)和结块。
3.掺加的液体有水、水玻璃、磷酸和磷酸铝溶液等。
4.为了施工方便,往往还掺入硬化剂等少量外加剂。
5.泥浆的配制。
镁质泥浆5.1.1要用水玻璃溶液配制。
水玻璃溶液的要求d=±,模数(Si02/Na20)=(克分子比)5.1.2镁火泥粉往往共三种组分,现场混合。
镁砂细料、镁砂粉和氧化铁粉三者比例为1:1:1拌合成混合粉。
5.1.3由于环境温度和混合粉性能上的差异,在施工现场要作凝结时间的实验。
凝结时间为~2h。