排水沟基础检验批
- 格式:doc
- 大小:80.00 KB
- 文档页数:8
排水沟或截水沟检验批质量检验记录检验对象:排水沟或截水沟检验编号:检验日期:检验单位:检验人员:检验内容:一、外观检验1.检查排水沟或截水沟表面是否平整,无明显裂缝或变形。
2.检查排水沟或截水沟的颜色是否均匀,无明显色差。
3.检查排水沟或截水沟的边缘是否整齐,无松动或毛刺。
4.检查排水沟或截水沟的连接部分是否紧密,无渗漏。
二、尺寸检验1.测量排水沟或截水沟的长度、宽度、高度是否符合设计要求。
2.测量排水沟或截水沟的壁厚是否符合设计要求。
3.检查排水沟或截水沟的横截面形状是否符合设计要求。
4.检查排水沟或截水沟的倾斜度是否符合设计要求。
三、物理性能检验1.检测排水沟或截水沟材料的密度是否符合标准要求。
2.测量排水沟或截水沟的抗压强度是否符合标准要求。
3.测量排水沟或截水沟的抗拉强度是否符合标准要求。
4.测量排水沟或截水沟的耐冻性是否符合标准要求。
5.检测排水沟或截水沟材料的耐酸碱性是否符合标准要求。
四、安装质量检验1.检查排水沟或截水沟的安装位置是否符合设计要求。
2.检查排水沟或截水沟与排水系统的连接是否牢固,无渗漏。
3.检查排水沟或截水沟的底部是否垫平,无空鼓或凹陷。
4.检查排水沟或截水沟的施工缝隙是否严密,无砂浆渗漏。
五、功能性能检验1.通水试验:将水流通过排水沟或截水沟,检查其排水效果是否良好。
2.耐压试验:给排水沟或截水沟施加一定压力,检查是否发生破裂或变形。
六、其他检验(根据具体情况增加其他检验项目)检验结果:根据以上检验内容,排水沟或截水沟的外观、尺寸、物理性能、安装质量、功能性能等均符合设计和标准要求。
检验结论:经过质量检验,排水沟或截水沟的质量合格,可以投入使用。
备注:1.若检验结果有不合格项目,应记录不合格项目具体情况和原因,并采取相应的纠正措施。
2.检验记录应加盖检验单位的公章,并由检验人员签字确认。
报验申请表
建筑结构隐蔽工程验收记录
施2002-20
工程名称:步步高新天地(梅溪湖)项目展示区园林景观工程验收日期:年月日共页第页
注:○该记录由施工项目专业质量检查员填写,监理工程师(建设单位项目技术负责人)组织项目专业技术负责人等进行验收。
②记录时应首先说明是否按设计变更应立即在备用竣工图纸上用红色文字注明变更情况或绘制变更补充图;凡有、无设计变更,监理(建设)单位的旁站监督人均应在备用竣工图号上签字认可后,才能办理该部位隐蔽验收手续。
③隐蔽验收时,必须严格按国家施工质量验收规范的主控项目,一般项目的内容要求全数检查,凡有不合格处必须整改达到合格后才能办理隐蔽验收手续。
④检查评定结论必须语言规范,并针对主控项目,一般项目,特别是结构构造措施的内容要求,填写真实可靠的结果或结论。
素土夯实工程检验批质量验收记录表
GB50202-2002
说明:土方回填是一个综合性项目,使用哪一项时,在哪一项打“√”注明。
或在表名土方回填前加上××
混凝土浇灌令
建筑结构隐蔽工程验收记录
施2002-20
的内容要求,填写真实可靠的结果或结论。
混凝土施工检验批质量验收记录表
GB50204-2002。
排水沟或截水沟检验批质量检验记录一、项目概述:排水沟或截水沟作为城市建设中重要的基础设施之一,其质量的合格与否直接关系到城市排水系统的正常运行和城市环境的卫生与安全。
为确保排水沟或截水沟的质量问题得到有效控制和解决,本文将详细记录排水沟或截水沟检验批的质量检验记录。
二、检验准备:1. 检验时间:(填写具体检验时间)2. 检验地点:(填写具体检验地点)3. 检验人员:(填写检验人员姓名、职务等信息)4. 检验设备:(列举使用的检验设备名称,如测量尺、水平仪等)三、检验内容及方法:1. 外观检验:对排水沟或截水沟进行外观检验,主要包括沟槽及侧墙的平整度、表面的光滑度、是否存在破损或渗漏等问题。
2. 尺寸检验:测量排水沟或截水沟的宽度、深度、长度等尺寸参数,以确保其符合设计要求。
3. 材料检验:对排水沟或截水沟所使用的材料进行检验,包括材料的强度、耐候性、耐腐蚀性等方面的测试。
4. 泄水检验:在排水沟或截水沟内注入一定量的水,并观察是否存在水渗漏、倒灌等问题。
5. 排水效果检验:将一定量的水注入排水沟或截水沟中,测试其排水速度和排水效果是否符合要求。
6. 其他检验:根据具体情况,可对排水沟或截水沟的其他关键参数进行检验,如抗压性能、耐久性等方面的测试。
四、检验结果记录:1. 检验项:列出每个检验内容,并记录检验结果。
2. 合格标准:根据相关规定或设计要求,列出每个检验项的合格标准。
3. 检验结果:对每个检验项进行判定,将结果分为合格、不合格或待修复等状态。
4. 备注:对于不合格或待修复的检验项,记录相应的备注说明,如具体存在的问题和需要采取的修复措施等。
5. 检验人员签字:检验结束后,由检验人员在记录表格上签字确认检验结果的准确性和真实性。
五、质量问题处理:1. 不合格项处理:对于不合格的检验项,应立即采取相应的修复措施,并在修复完成后重新进行检验,确保问题得到解决。
2. 记录保存:检验记录应妥善保存,作为后续质量验收和追责的重要依据。
报验申请表工程名称:步步高新天地(梅溪湖)项目展示区园林景观工程编号:中航工程监理(湖南)有限公司(监理单位):我单位已完成了排水沟基础素土夯实施工工作,现报上该工程报验申请表,请予以审查和验收。
附件:1、建筑结构隐蔽工程记录表2、素土夯实工程检验批质量验收记录表项目经理:施工单位(章):年月日审查意见:监理项目部(章)总/专业监理工程师:年月日建筑结构隐蔽工程验收记录工程名称:步步高新天地(梅溪湖)项目展示区园林景观工程 验收日期: 年 月 日 共 页第 页分项工程名称:基础 子分部工程名称:基础 隐蔽部位:排水沟基础素土夯实项目经理:周波涛施工技术负责人:李声浩 施工图号:LT-1.08施工执行标准名称及编号:混凝土工程施工质量验收规范GB50202-2002 隐蔽工程部位(轴线、标高)数量 施工单位全数检查情况及说明 监理(建设)单位验收记录排水沟基础素土夯实全数1、回填后的表面标高符合设计要求。
2、回填土料符合设计要求。
3、表面平整度符合设计要求。
4、素土夯实,压实系数≥0.93,分层夯实,符合设计要求。
5、自检合格。
施工单位全数检查评定结果:符合规范及设计要求项目专业质量检查员: 项目专业技术负责人: 年湘质监统编 施2002-20监理(建设)单位验收结论:监理(建设)项目部(章)勘察设计技术交底会议等列入须经设计人员参与隐蔽验收的部位签证勘察设计单位参加验收人意见:验收人签名:年月日注:○1该记录由施工项目专业质量检查员填写,监理工程师(建设单位项目技术负责人)组织项目专业技术负责人等进行验收。
②记录时应首先说明是否按设计变更应立即在备用竣工图纸上用红色文字注明变更情况或绘制变更补充图;凡有、无设计变更,监理(建设)单位的旁站监督人均应在备用竣工图号上签字认可后,才能办理该部位隐蔽验收手续。
③隐蔽验收时,必须严格按国家施工质量验收规范的主控项目,一般项目的内容要求全数检查,凡有不合格处必须整改达到合格后才能办理隐蔽验收手续。
浆砌排水沟施工检验批质量检验浆砌排水沟施工检验批质量检验1. 检验目的浆砌排水沟施工检验批质量检验的目的是确保施工过程符合相关规范要求,保证工程质量可控,达到设计要求,并对施工质量进行全面、系统的检查和评估。
2. 检验范围本次检验涉及的施工项目为浆砌排水沟,过程包括基础处理、浆砌墙体施工、排水设施安装等。
3. 检验依据本次检验依据以下标准和规范进行:- 《建筑排水工程施工及验收规范》- 《建筑施工质量验收标准》- 《地基与基础工程施工及验收规范》- 《施工图设计文件》4. 检验内容及要求4.1 基础处理4.1.1 检查基础处理是否符合设计要求,包括基坑开挖尺寸、排水设施设置等。
4.1.2 检测基础处理材料的强度、密度、含水量等指标,确保达到规范要求。
4.2 浆砌墙体施工4.2.1 检查浆砌墙体的砌筑工艺、墙体结构等是否符合设计要求。
4.2.2 测量墙体的尺寸、垂直度、平整度等指标,确保达到规范要求。
4.2.3 对浆砌墙体进行抗渗性能测试,确保施工质量达到规范要求。
4.3 排水设施安装4.3.1 检查排水设施的安装位置、连接方式是否符合设计要求。
4.3.2 检测排水设施的材质、强度、密封性等指标,确保达到规范要求。
4.3.3 对排水设施进行功能性能测试,确保正常运行。
5. 检验方法5.1 目视检查:通过实地观察、测量等方式进行施工工艺和材料的检验。
5.2 实验室测试:使用专业设备对施工材料进行物理性能、化学性能等指标的检测。
5.3 功能性能测试:对排水设施进行水流试验、排水能力测试等,评估其正常运行情况。
6. 检验结果与判定根据检验数据和实地观察结果,对各项检验内容进行评价,判定施工质量是否合格。
如果存在不合格情况,应记录具体问题,并提出整改要求。
7. 附件本所涉及的附件如下:- 施工图设计文件- 基础处理工艺方案- 浆砌墙体施工方案- 排水设施安装方案- 检验报告样本8. 法律名词及注释本所涉及的法律名词及注释如下:- 建筑排水工程施工及验收规范:指规定了建筑排水工程施工和验收要求的标准。
建筑主体周边排水沟检验批
建筑主体周边排水沟的检验批划分可以根据以下原则进行:
1. 按照施工顺序和质量验收的需要,将排水沟工程划分为不同的检验批。
例如,可以将排水沟的施工过程划分为基础工程、结构工程、防水工程、排水管道安装工程等检验批。
2. 针对不同类型的工程,参考相关验收规范进行检验批的划分。
例如,地基与基础工程可以根据《建筑地基基础工程施工质量验收规范》GB 502 02-2002进行划分;防水工程可以根据《地下防水工程质量验收规范》GB5 0208-2011进行划分。
3. 考虑工程量和施工组织设计的要求。
如果工程量较大或施工组织设计要求分段施工,可以按照施工段进行检验批的划分。
4. 确保检验批内质量均匀一致,抽样检验时符合随机性和真实性的原则。
需要注意的是,具体检验批的划分还需与监理单位、施工单位等相关方进行沟通确定。
在实际操作中,可以根据工程的实际情况和施工进度,适时调整检验批的划分。
总之,建筑主体周边排水沟的检验批划分应确保工程质量验收的顺利进行,同时满足施工管理和工程质量控制的要求。
排水沟施工检验批质量验收记录表
编号:
填表说明:
1.适用范围及要求:本表格适用于排水沟完成后的质量验收,完成当日填写本表。
质量验收以施工图、国网标准工艺要求为依据进行检查,包括原材料、尺寸、布置方式,等。
2.检查数量:
排水沟应进行全部检查,其中:
1) 混凝土排水沟验收阶段应检查试块强度、配合比等报告,记录试验报告编号;
2) 断面尺寸应测量10个点,记录偏差最大的4个点,并将实测结果记入自检记
录中,记录方式为:顶宽×深度;
3) 铺砌厚度应测量10个点,记录偏差最大的4个点,并将实测结果记入自检记
录中;
3.检验批划分:以单基铁塔的排水沟为一个检验批。
4.其他要求:排水沟布置应以目视进行外观检查,记录“符合设计要求”。
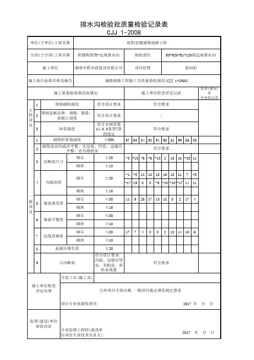
排水沟(截水沟)工程检验批质量验收记录建设单位:苏州浒墅关开发区城乡一体化建设发展有限公司监理单位:苏州晨阳工程监理咨询有限公司施工单位:常熟市第二市政路桥建设工程有限公司编号:
单位(子单位)工程名称太湖大道南侧地块基础设施工程项目经理冯庆文分部(子分部)工程名称纵七路执行标准CJJ1-2008 验收部位Y7-Y17雨水沟槽胸腔
施工质量验收规范规定施工单位检查评定记录监理单位验收记录
主控项目1 预制砌块强度应符合设计要求
2
预制盖板的钢筋品种、规格、数量,混凝土强度
应符合设计要求
3
砂浆平均抗压强度等级应符合设计规定,任一组试件抗压强度最低值不应低于设计强度的85%
一般项目1 砌筑砂浆饱满度不应小于80%
2
砌筑水沟沟底应平整、无反坡、凹兜,边墙应平
整、直顺、勾缝密实。
与排水构筑物衔接顺畅
3
项目允许偏差(mm)实测偏差(mm)
砖砌
排水
沟或
截水
沟允
许偏
差
轴线偏位≤30
沟断面尺寸
砌石±20
砌块±10
沟底高程
砌石±20
砌块±10
墙面垂直度
砌石≤30
砌块≤15
墙面平整度
砌石≤30
砌块≤10
边线直顺度
砌石≤20
砌块≤10
盖板压墙长度±20
施工单位检查评定结果
专业工长(施工员)施工班组长
质量检查员:年月日
监理单位验收结论
专业监理工程师:年月日。
第123应测点数12314545364826291414-111232-3027-2215-15-1413263544314222161943394244401114112422232932121412427-2926-2624施工单位检查意见主控项目全部符合要求,一般项目满足规范要求,本检验符合要求。
符合要求墙面平整度(mm)符合要求沟断面尺寸(mm)墙面垂直度(mm)沟底高程(mm)一般项目23456质检员签名:监理工程师签名:年 月 日年 月 日监理单位验收结论同意验收。
盖板压墙长度(mm)±202187平均合格率(%)89允许偏差边线直顺度(mm)砌石≤202990 砌块≤103992 砌石≤303792 砌块≤102187 砌石≤303992 砌块≤154093 砌石±201280 砌块±102388 砌石±201285 砌块±102990 土沟断面应符合设计要求, 沟底、边坡应坚实,无贴皮 、反坡和积水现象。
第16.11.3-7条符合规范要求轴线偏位≤304593 砌筑砂浆饱满度不应小于 80%。
第16.11.3-4条符合规范要求砌筑水沟沟底应平整、无反 坡、凹兜,边墙应平整、直 顺、勾缝密实。
与排水构筑 物衔接顺畅。
第16.11.3-5条符合规范要求砂浆强度应符合本规范第 14.5.3条第7款规定。
第16.11.3-3条符合规范要求施工与质量验收规范的规定不合格点的实测偏差值或实测值合格点数合格率(%)主控项目预制砌块强度应符合设计要 求。
第16.11.3-1条符合规范要求 预制盖板钢筋品种、规格、数 量,混凝土的强度应符合设计 要求。
第16.11.3-2条符合规范要求验收规范及图号CJJ1-2008施工与质量验收规范的规定施工单位检查记录监理单位验收记录分部工程名称附属构筑物分项工程名称排水沟或截水沟验收部位65主要工程数量项目经理技术负责人施工工长工程名称单位工程名称施工单位分包单位市政基础设施工程排水沟或截水沟检验批质量验收记录市政质检·1·65页,共页。
砌体截水沟排水沟检验批质量验收记录砌体截水沟、排水沟是城市建设中重要的水利设施,用于收集和排除降雨期间的雨水,以减轻城市内的积水情况。
为了确保砌体截水沟、排水沟的质量,需要进行检验批质量验收。
以下是一份砌体截水沟、排水沟检验批质量验收记录。
一、工程基本情况1.工程名称:砌体截水沟、排水沟2.工程地点:(填写实际工程地点)3.施工单位:(填写实际施工单位)4.监理单位:(填写实际监理单位)5.验收单位:(填写实际验收单位)二、工程质量验收要求1.符合设计要求:砌体截水沟、排水沟的尺寸、高度、坡度等要符合设计要求。
2.砌体质量合格:砌体应采用符合标准要求的砖块,砌缝应上下垂直,墙体应平整光滑,无明显的裂缝和缺陷。
3.铺底质量合格:排水沟底部应平整、结实,无泥浆和杂物,并且应进行适当的压实工作以确保排水沟的稳定性。
4.排水效果良好:验收过程中可进行适量的水试验,确保排水沟能够顺利排除降雨过程中的雨水。
1.施工日期:(填写实际施工日期)2.验收日期:(填写实际验收日期)序号检验项目质量验收情况备注1 尺寸检查合格/不合格填写具体情况2 墙体砌体质量合格/不合格填写具体情况3 底部铺底质量合格/不合格填写具体情况4 排水效果良好/不良好填写具体情况四、质量验收结论根据以上检验情况,本次砌体截水沟、排水沟的质量验收结果如下:1.尺寸检查合格。
2.墙体砌体质量合格。
3.底部铺底质量合格。
4.排水效果良好。
五、质量验收意见本次砌体截水沟、排水沟的质量验收合格,具备投入使用的条件。
六、质量验收人员1.施工单位代表签字:(签字)2.监理单位代表签字:(签字)3.验收单位代表签字:(签字)七、质量验收日期1.施工单位代表签字日期:(日期)2.监理单位代表签字日期:(日期)3.验收单位代表签字日期:(日期)以上是砌体截水沟、排水沟检验批质量验收记录的范例,具体内容可以根据实际情况进行调整和补充。
质量验收的目的是为了确保工程的质量达到要求,并能够正常使用。
报验申请表工程名称:步步高新天地(梅溪湖)项目展示区园林景观工程编
建筑结构隐蔽工程验收记录
工程名称:步步高新天地(梅溪湖)项目展示区园林景观工程 验收日期: 年 月 日 共 页第 页
注:○
1该记录由施工项目专业质量检查员填写,监理工程师(建设单位项目技术负责人)组织项目专业技术负责人等进行验收。
②记录时应首先说明是否按设计变更应立即在备用竣工图纸上用红色文字注明变更情况或绘制变更补充图;凡有、无设计变更,监理(建设)单位的旁站监督人均应在备用竣工图号上签字认可后,才能办理该
湘质监统编 施2002-20
部位隐蔽验收手续。
③隐蔽验收时,必须严格按国家施工质量验收规范的主控项目,一般项目的内容要求全数检查,凡有不合格处必须整改达到合格后才能办理隐蔽验收手续。
④检查评定结论必须语言规范,并针对主控项目,一般项目,特别是结构构造措施的内容要求,填写真实可靠的结果或结论。
素土夯实工程检验批质量验收记录表
GB50202-2002
说明:土方回填是一个综合性项目,使用哪一项时,在哪一项打“√”注明。
或在表名土方回填前加上××
混凝土浇灌令
工程名称:步步高新天地(梅溪湖)项目展示区园林景观工程编
注:1.混凝土配合比中有掺合料时,须由试验确定;
2.本表核实后,监理、承包单位各一份。
报验申请表
工程名称:步步高新天地(梅溪湖)项目展示区园林景观工程编
建筑结构隐蔽工程验收记录
施2002-20
工程名称:步步高新天地(梅溪湖)项目展示区园林景观工程验收日期:年
月日共页第页
注:○1该记录由施工项目专业质量检查员填写,监理工程师(建设单位项目技术负责人)组织项目专业技术负责人等进行验收。
②记录时应首先说明是否按设计变更应立即在备用竣工图纸上用红色文字注明变更情况或绘制变更补充图;凡有、无设计变更,监理(建设)单位的旁站监督人均应在备用竣工图号上签字认可后,才能办理该部位隐蔽验收手续。
③隐蔽验收时,必须严格按国家施工质量验收规范的主控项目,一般项目的内容要求全数检查,凡有不合格处必须整改达到合格后才能办理隐蔽验收手续。
④检查评定结论必须语言规范,并针对主控项目,一般项目,特别是结构构造措施的内容要求,填写真实可靠的结果或结论。
混凝土施工检验批质量验收记录表
GB50204-2002。