电容柜变压器无功补偿选型表
- 格式:doc
- 大小:434.00 KB
- 文档页数:2
无功功率补偿柜的技术数据
为了提高变压器的利用率,提高功率因数,采用电容补偿,无功功率补偿柜也就是通常所说的电容补偿柜,改善功率因数方法多种,普通常用的方法是安装移相电容器进行无功补偿,无功补偿分高压侧补偿和低压侧补偿,无功补偿柜其技术数据主要有以下:
一、工作电压:380±10% ,
二、输出容量:电容器组成若干组,可自支动投入和切除,也可以手动投入和切除,其容量组成情况有以四种情况,可供用户根据要需要选择,
1.三台并列使用10电容器分如组,10路控制,总容量为360Kvar;
2.两台并列使用,电容器分8组,9路控制,总容量为252Kvar(264Kvar);
3.单台使用;电容器分8组,8路或总容量为108Kvar (120Kvar);
4.总容量若不能满足用户需要时,可用四台以下电容补偿柜并列使用,以增加总容量。
配电变压器无功补偿配置方案无功补偿是指在电力系统中采用其中一种补偿措施,使系统的功率因数接近1,即减少或消除感性无功功率和容性无功功率之间的差额。
配电变压器的无功补偿是指配电变压器运行中的无功补偿措施。
无功补偿的主要目的是:提高系统的功率因数,降低电网的线损,提高电网的稳定性,减少无功电能,节约电力资源,提高用电质量。
无功补偿的配置方案多样,可以根据配电变压器的实际情况进行选择。
以下是常见的配电变压器无功补偿配置方案:1.容性无功补偿:通过安装电容器组来补偿配电变压器的感性无功功率。
电容器组可以通过并联在配电变压器的晶体管造成负载前中,或者通过串联在配电变压器的次级侧,或者串联在变压器的绕组上,来实现对配电变压器的感性无功功率的补偿。
2.并联无功补偿:通过在变压器的绕组上并联连接无功补偿器,来对感性无功功率进行补偿。
无功补偿器可以是电容器或者电感器。
该方法可以提供更精确的无功补偿。
3.新能源的接入:配电变压器的负载中可能会包含新能源发电设备,如风力发电机、光伏发电系统等。
这些新能源设备对电网的无功功率负荷也会产生影响。
为了保证电网的稳定运行,要对这些新能源设备进行相应的无功补偿配置。
4.静态无功补偿器:静态无功补偿器是一种用来控制电网无功功率的装置。
它由一组电子元件组成,可以根据电网的工作状态,自动调节电网的无功功率。
静态无功补偿器可以根据需要实时计算电网的无功功率,然后调整电容器和电抗器的接入和退出,来实现对电网的无功功率的控制和补偿。
以上是常见的配电变压器无功补偿配置方案,每种配置方案都有其适用的场景和条件,应根据配电变压器的具体情况和需求来选择合适的无功补偿方案。
无论采用哪种方案,都要确保补偿设备的选型和操作符合相关的电力规范和标准,保证设备运行的可靠性和安全性。
电网改造中,在配电变压器的低压侧可以安装一个一定容量的补偿电容器,这个电容器可以起到无功补偿的作用,不仅可以提高电网的功率因数,减少电网中电能的损耗,还可以增强供电能力,起到了无功补偿的作用。
就目前的观点来看,有人认为安装的配电变压器容量的补偿容量比较小,不能完全补偿低压侧所有的无功负荷。
笔者以为,这种观点是一种误解。
因为配变低压侧无功补偿,仅仅是用来减少变压器自身或者配电网方面的功率损耗的,它并不能减少向负荷输送的无功功率,这是因为向负荷输送的无功功率要经过低压线路的电抗或电阻,因此,配电线路上的功率损耗并不能减少。
根据以上分析,配电低压侧的无功补偿容量的选择是无用过大的,过大反而是一种浪费。
并起不到多大作用。
采取用户端就地补偿和配变低压侧补偿组合的方式无疑是最佳的结合方式。
1、节电原理分析在电网中,发电机、变压器等电力负荷基本都属于感性负荷,这些设备在运行的时候是需要无功功率的。
如果在电网中安装无功补偿设备,就等于给这些感性负荷提供了它们所消耗的无功功率,减少了电网向这些感性负荷提供无功功率,降低了线路和变压器等设备在输送电能过程中的损耗。
2、无功补偿的意义及具体实现方式2.1就无功补偿的意义而言,笔者以为可以从以下几个方面阐述:⑴对无功功率进行补偿后,电网中的有功功率的比例常数无疑得到了提高;⑵电网中,进行无功补偿后,减少了相关的投资成本,减少了发电、供电设备的设计容量。
特别是对改建或者新建的工程项目,可以考虑采用无功补偿的办法,减少其设计容量,达到投资成本的控制问题;⑶在电网中进行无功补偿后,可以减低线路中的线损。
因为无功补偿后,可以提高电网中的功率因数,这样的结果是电网中的线损率也得到了控制,提高了电网中有功功率的比例常数,这可以直接影响到供电企业的经济问题。
2.2电网中,比较常用的无功补偿方式可以概括为以下几种方式:(1)集中补偿的方式:集中补偿的方式主要是在配电线路中安装相应的并联电容器组,达到无功补偿的目的;(2)分组补偿的方式:分组补偿的方式主要是在用户车间配电屏和配电变压器低压侧安装并联补偿电容器,达到无功补偿的目的;(3)单台电动机就地补偿的方式:在单台电动机处安装相应的并联电容器。
请问如何根据电力变压器容量选择无功补偿电容器的大小,有什么公式吗?比如200千瓦的电力变压器该选择总容量为多少千伐的电容。
在没有功率因数表可以参照的时候,如何根据用电总功率估算补偿电容的大小。
怎样正确选用电力电容器,如下几点供用户参考:1、用户购买电力电容器最好直接到生产厂家或由生产厂家授权的代理商处购买,这样防止购买假冒伪劣的产品。
2、用户在选用电力电容器时,应注意电力电容器的产品外观是否完整,有无碰损,及生产厂家的名牌、厂址、质保卡、合格证、说明书等是否齐全。
(厂名不全,如“威斯康电气公司”就是厂名不全,齐全的厂名应如“上海威斯康电气有限公司”。
通讯地址等不详的产品,用户最好不要购买,以防发生意外事故。
)购买前最好与生厂厂家联系证实一下产品售后服务等情况。
3、用户在购买电力电容器时,还应注意标牌上的各种数据:如额定电量KVAR、电容量uf、电流是否对,最好用UF表测量一下,用兆欧表测一下绝缘电阻,生产成套装置的厂家有条件的话可抽查耐压是否符合国家标准。
用户购买电力电容器时,不能只讲究价格便宜,俗话说“便宜没好货、好货不便宜”。
一般电容器产品的价格差异是基于其成本的高低。
如原材料的优劣:制造电力电容器的电容膜,有铝膜与锌铝膜两种,两者的价格相差很大,用锌铝膜制造的电容器相对成本高,当然质量也不同。
此外,电容膜的优质一等品与二等品的价格不同,质量也不同。
因此,用户在购买电容器时,价格是次要的,产品的质量才是最重要的。
4、安装使用电力电容器,安全可靠的方法是:安装之前,将每台电力电容器测量后,将产品序号做好纪录,再依次安装。
值得注意的一点,生产成套装置的厂家应考虑到电容补偿柜的运输问题。
如果将电容器安装好后运输,很容易造成电容器因运输途中的路面颠簸而碰撞损坏(特别是容量大的电容器因其自身高度和重量,最易因此受到损坏)。
方便而有效的解决办法是:在起始点对电容补偿柜装上电容器进行测试后,将电容补偿柜(空柜)和电力电容器分开运输,直到最终目的地(直接用户处)再进行安装。
电容柜(电容补偿柜)以及容量对照表相关问答电容柜(电容补偿柜)作用:提高电网功率因数,节约电能,提高供电质量。
工作原理:通过自动补偿控制器收集到负荷端的无功损耗(功率因数)情况,自动进行电容补偿的投切动作,从而达到减少无功损耗、提高功率因数的目的。
电力系统中的负载类型大部分属于感性负载,加上用电企业普遍广泛地使用电力电子设备,使电网功率因数较低。
较低的功率因数降低了设备利用率,增加了供电投资,损害了电压质量,降低了设备使用寿命,大大增加了线路损耗。
是否进行无功补偿与设备功率没有直接关系,若设备功率因数小于0.9则要进行补偿。
目前无功补偿主要是在变电所低压侧集中补偿,就地补偿用得很少。
一般来说,民用建筑,不会有太多的功率因数低的大设备,一般在变压器低压侧集中补偿就可对于电梯,一般配套控制箱内都有补偿措施的。
无功功率补偿,简称无功补偿,在电力供电系统中起提高电网的功率因数的作用,降低供电变压器及输送线路的损耗,提高供电效率,改善供电环境。
所以无功功率补偿装置在电力供电系统中处在一个不可缺少的非常重要的位置。
合理的选择补偿装置,可以做到较大限度的减少电网的损耗,使电网质量提高。
反之,如选择或使用不当,可能造成供电系统,电压波动,谐波增大等诸多因素。
电容柜无功补偿容量计算表参数符号数值单位系统电压Va=400V系统补偿电容的容量Qa=25KVAR额定频率f=50Hz电容充电电流Ia=36.08545035A选用熔断器的电流规格大于54.12817552A接触器规格电抗器(SR)规格Xl=7%Xc电抗器电感值L=3.835353743mH谐振共振点f03.77964473次B点的工作电压Vb=430.1075269VB点的无功等效补偿量Qb=26.88172043KVAR设计安全电压Vm=11.6%补偿电容实际电压Vc=480V 电容补偿的容量Qc=33.48KVAR补偿电容的电容值C=462.7786624μF设计安全电压是根据各地区的电压波动选择的,该值即为(U-400)/400的百分值,因此根据实际值计出的电容型号。
无功补偿电容接触器与电容器匹配选型无功功率补偿柜,是三相四线低压配电网提高功率因数,降低配电网线路损耗,提高电气设备的利用率不行或缺的重要配套设施。
无功功率补偿柜里面的主要低压电器有一下几种:一、配电柜——集约各种低压电器元件组装。
二、仪表——检测,监测线路运行状况。
三、电流互感器——取样及大电流转换小电流共仪表和掌握器。
四、无功功率补偿掌握器——通过取样比对,能够依据感性无功功率的变化,自动投入和切除电容器组。
四、空开或者熔断器——爱护电容器组,在发生短路状况下,切断电容器组电源。
五、电容器专用接触器——负责电容器的投入和切除工作。
六、自愈式补偿电容器——负责给低压配电网络输送容性无功功率。
无功补偿柜自愈式无功补偿电容器CJ19系列电容器专用接触器现在着重讲,接触器与电容器匹配选型问题。
电容器接触器它的型号是CJ19(CJ16)系列,规格有CJ19-2511、CJ19-3211:CJ19-4311、CJ19-6521和CJ19-9521等;而电容器规格许多,从1Kvar-60Kvar规格众多。
那么它们怎么匹配选型,只要了解接触器的构造就好选型了。
CJ19系列接触器它是在CJX2系列基础上加了三组阻尼线和帮助触头组成,如:CJ19-3211它的接触器是CJX2-2510。
知道了这些我们就可以很快进行匹配了。
详细匹配如下:CJ19-2511匹配10Kvar以下电容器CJ19-3211匹配15Kvar以下,10Kvar以上电容器CJ19-4311普票20Kvar以下16Kvar以上电容器CJ19-6521匹配30Kvar以下21Kvar以上电容器CJ19-9521匹配50Kvar以下31Kvar以上电容器。
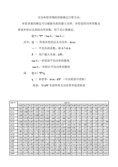
无功补偿容量计算方法及表无功补偿详细的容量确定计算方法-补偿容量的确定可以根据负荷的最大功率、补偿前的功率因数及要求补偿后达到的功率因数,用下式计算确定:Q =α*P*(tanφ—tanφ) 12式中:Q —所需补偿的总无功功率,kvar;α—平均负荷系数,取0.7~0.8;P —用户最大负荷,kW;tanφ—补偿前平均功率因数角 1tanφ—补偿后平均功率因数角 2或Q =α*P*qq —补偿率,kvar / kW (可从附表中查取)附表:每kW负荷所需无功补偿率值查取表cosφ cosφ 120.80 0.81 0.82 0.83 0.84 0.85 0.86 0.87 0.88 0.89 0.90 0.91 0.92 0.93 0.94 0.95 0.960.981 1.008 1.035 1.060 1.086 1.117 1.138 1.166 1.192 1.219 1.2461.276 1.305 1.338 1.368 1.404 1.442 0.500.939 0.966 0.933 1.018 1.044 1.070 1.106 1.134 1.160 1.187 1.2141.244 1.273 1.306 1.336 1.372 1.410 0.510.890 0.917 0.945 0.969 0.995 1.021 1.047 1.075 1.101 1.128 1.1551.185 1.217 1.247 1.277 1.313 1.351 0.520.819 0.876 0.903 0.928 0.954 0.980 1.006 1.034 1.060 1.087 1.1141.144 1.173 1.120 1.206 1.236 1.272 0.530.808 0.835 0.862 0.887 0.913 0.939 0.965 0.993 1.019 1.046 1.0751.103 1.133 1.165 1.195 1.231 1.269 0.540.766 0.793 0.820 0.815 0.871 0.8970.8590.923 0.951 0.977 1.0041.031 1.061 1.090 1.123 1.153 1.189 1.227 0.550.728 0.755 0.782 0.807 0.829 0.859 0.885 0.913 0.939 0.966 0.9911.023 1.052 1.085 1.115 1.151 1.189 0.560.691 0.718 0.745 0.770 0.796 0.822 0.846 0.876 0.902 0.929 0.956 0.986 1.015 1.048 1.078 1.114 1.520 0.570.655 0.682 0.709 0.734 0.760 0.786 0.812 0.840 0.866 0.893 0.920 0.950 0.979 1.012 1.042 1.078 1.116 0.580.618 0.645 0.672 0.697 0.723 0.749 0.775 0.803 0.829 0.856 0.883 0.913 0.942 0.975 1.005 1.041 1.079 0.590.583 0.610 0.637 0.662 0.688 0.714 0.740 0.768 0.794 0.821 0.848 0.878 0.905 0.940 0.970 1.006 1.044 0.600.549 0.576 0.603 0.628 0.654 0.680 0.706 0.734 0.760 0.787 0.841 0.844 0.873 0.906 0.936 0.972 1.010 0.610.515 0.547 0.560 0.594 0.620 0.640 0.672 0.700 0.726 0.753 0.780 0.810 0.839 0.872 0.902 0.938 0.974 0.620.481 0.508 0.535 0.560 0.586 0.612 0.638 0.666 0.692 0.719 0.746 0.776 0.805 0.838 0.868 0.904 0.942 0.630.450 0.477 0.504 0.529 0.555 0.581 0.607 0.635 0.661 0.688 0.715 0.745 0.774 0.807 0.837 0.873 0.911 0.64cosφ cosφ120.80 0.81 0.82 0.83 0.84 0.85 0.86 0.87 0.88 0.89 0.90 0.91 0.92 0.93 0.94 0.95 0.960.417 0.444 0.471 0.496 0.522 0.548 0.574 0.602 0.628 0.655 0.682 0.712 0.741 0.774 0.804 0.840 0.878 0.650.386 0.415 0.442 0.467 0.493 0.519 0.545 0.573 0.599 0.626 0.654 0.683 0.712 0.745 0.775 0.811 0.849 0.660.357 0.384 0.411 0.436 0.462 0.488 0.514 0.542 0.566 0.595 0.622 0.652 0.681 0.714 0.744 0.780 0.818 0.670.327 0.354 0.381 0.406 0.432 0.458 0.484 0.512 0.538 0.565 0.594 0.622 0.651 0.684 0.717 0.750 0.788 0.680.297 0.324 0.351 0.376 0.402 0.428 0.454 0.482 0.508 0.535 0.562 0.592 0.621 0.654 0.683 0.720 0.758 0.690.270 0.297 0.323 0.349 0.375 0.401 0.427 0.455 0.481 0.508 0.535 0.565 0.594 0.627 0.657 0.693 0.731 0.700.241 0.268 0.295 0.320 0.346 0.372 0.398 0.426 0.452 0.479 0.506 0.536 0.565 0.598 0.628 0.664 0.720 0.710.212 0.239 0.266 0.291 0.317 0.343 0.371 0.397 0.425 0.450 0.477 0.507 0.536 0.569 0.599 0.635 0.673 0.720.185 0.212 0.239 0.264 0.290 0.316 0.342 0.370 0.396 0.423 0.450 0.480 0.509 0.542 0.572 0.608 0.646 0.730.157 0.184 0.211 0.236 0.262 0.288 0.315 0.342 0.368 0.395 0.425 0.4520 0.481 0.514 0.546 0.580 0.618 0.740.131 0.158 0.185 0.210 0.236 0.262 0.288 0.316 0.342 0.369 0.396 0.426 0.455 0.488 0.518 0.554 0.592 0.750.103 0.130 0.157 0.182 0.208 0.234 0.260 0.288 0.316 0.341 0.368 0.398 0.427 0.460 0.492 0.526 0.563 0.760.078 0.105 0.132 0.157 0.183 0.209 0.235 0.263 0.289 0.316 0.343 0.3730 0.402 0.435 0.465 0.501 0.539 0.770.052 0.079 0.106 0.131 0.157 0.183 0.209 0.237 0.263 0.290 0.317 0.347 0.376 0.409 0.439 0.475 0.513 0.780.024 0.051 0.078 0.103 0.129 0.155 0.181 0.209 0.235 0.262 0.289 0.319 0.348 0.381 0.411 0.447 0.485 0.790.026 0.052 0.078 0.104 0.130 0.157 0.183 0.210 0.238 0.266 0.294 0.326 0.355 0.387 0.421 0.458 0.800.026 0.052 0.078 0.104 0.131 0.157 0.180 0.212 0.240 0.268 0.298 0.329 0.361 0.395 0.432 0.810.026 0.052 0.078 0.104 0.131 0.158 0.186 0.213 0.242 0.272 0.303 0.335 0.369 0.406 0.820.026 0.052 0.079 0.105 0.132 0.160 0.188 0.216 0.246 0.277 0.309 0.343 0.380 0.830.026 0.053 0.079 0.106 0.134 0.162 0.190 0.220 0.251 0.283 0.317 0.354 0.840.026 0.053 0.080 0.107 0.135 0.164 0.194 0.225 0.257 0.291 0.328 0.85• • • • • • • • • • • • • • • • • • 【唯美句子】走累的时候,我就到升国旗哪里的一角台阶坐下,双手抚膝,再闭眼,让心灵受到阳光的洗涤。
电容补偿柜的电容容量如何计算无功功率单位为kvar(千乏)电网中由于有大功率电机的存在,使得其总体呈感性,所以常常在电网中引入大功率无功补偿器(其实就是大电容),使电网近似于纯阻性,Kvar就常用在这作为无功补偿电容器的容量的单位。
kvar(千乏)和电容器容量的换算公式为(指三相补偿电容器):Q=√3×U×II=0.314×C×U/√3C=Q/(0.314×U×U)上式中Q为补偿容量,单位为Kvar,U为额定运行电压,单位为KV,I为补偿电流,单位为A,C为电容值,单位为F。
式中0.314=2πf/1000。
例如:一补偿电容铭牌如下:型号:BZMJ0.4-10-3 (3三相补偿电容器)。
额定电压:0.4KV额定容量:10Kvar额定频率:50Hz额定电容:199uF (指总电容器量,即相当于3个电容器的容量)。
额定电流:14.4A代入上面的公式,计算,结果相符合。
补偿电容器:主要用于低压电网提高功率因数,减少线路损耗,改善电能质量200千瓦变压器无功补偿柜匹配电容多少最合理一般来说,对于电动机类型的功率负荷,补偿量约为40%,对于综合配变,补偿量约为20%. 如果知道未补偿前的功率因数,那么根据公式即可以算出具体的补偿量。
可是我现在有7.5电机12台,5.5的4台,11的2台,500型电焊机15台,由于有用电高峰和低谷,在低谷时动力可下降30%,我现在用无功补偿柜里的电容器有4块14Kvar的,6块40Kvar的。
据说匹配不合理,怎么样才能匹配合理。
另外补偿器的读数在多少时最合适时没有罚款有奖励。
一般来说,配电变压器的无功补偿容量约为变压器容量的20%~40%,对于200KVA的配电变压器,补偿量约为40Kvar~80Kvar。
准确计算无功补偿容量比较复杂,且负荷多经常变化,计算出来也无太大意义。
一般设计人员以30%来估算,即选取60Kvar为最大补偿容量,也就是安装容量。