停车场各种设计参数和尺寸
- 格式:doc
- 大小:71.50 KB
- 文档页数:4
停车场各种设计参数和尺寸停车场的设计参数和尺寸因地区、用途和规模的不同而有所差异。
下面是一些常见的停车场设计参数和尺寸要求。
1.车位尺寸:车位尺寸是停车场设计中最重要的参数之一、根据不同的车型,车位尺寸一般需要满足以下要求:-小型车位:一般为2.4米宽和4.8米长;-大型车位(SUV、小型货车等):一般为3.6米宽和5.4米长;-长型车位(公交车、长途客车等):一般为3米宽和12米长。
2.车位布局:停车位布局需要根据停车场的尺寸和容量来确定。
一般来说,合理的停车位布局应该考虑以下因素:-车辆行进方向:车辆进出停车位的行进方向应该尽量一致,避免交叉行驶和倒车;-车位排列方式:车位可以采用纵向、横向或斜向排列,具体取决于停车场的形状和需要;-车位之间的间距:车位之间的间距应该足够,以便车辆进出和驶离,一般建议间距为2.5-3米。
3.车道尺寸:车道尺寸也是停车场设计中的重要参数之一、根据车辆的行驶方向和停车场的尺寸,车道的尺寸通常需要满足以下要求:-进口和出口车道:一般建议宽度为6-8米,以容纳大流量的车辆;-内部车道:一般建议宽度为4-6米,以容纳车辆的行驶和变道。
4.车道划分和标志:为了引导车辆行驶和停放,停车场通常需要在道路上进行划分和标志。
常见的车道划分和标志包括:-四段黄色或白色实线:用于划分车道和定义车位的边界;-车道分界线:用于区分进口和出口车道;-停车位线:用于划分每个停车位的范围;-可疑区域标志:用于标识机械设备、消防栓等需要保持通道畅通的地方。
5.设备和设施:除了车位和车道外,停车场设计还需要考虑其他设备和设施的尺寸和位置,例如:-充电桩:需要根据充电设备的尺寸和安装要求进行布局;-监控摄像头:需要根据监控区域和监控要求进行安装和定位;-支付设施:需要提供合适的空间和设备来进行支付和信息收集。
以上是停车场设计中一些重要的参数和尺寸要求。
实际的停车场设计应该根据具体情况进行调整和优化,以提供更好的停车体验和交通安全。
停车泊位施划标准
停车泊位的施划标准包括以下几个方面:
1. 停车泊位的尺寸:根据车型大小确定停车位标准尺寸。
大车位长米,宽米,适合中大型车辆停放。
小型车位的尺寸有平衡停车位、倾斜停车位和垂直停车位三种类型,长度分别为6米、6米和5米或相等,宽度均为米。
2. 停车泊位的颜色和标识:一般采用白色或黄色线条施划,白色泊位一般用于临时停车,黄色泊位用于固定停车。
黄线框车位中,若黄线是实线,则表示是特殊车辆(如消防车等)专用车位,不允许其他车辆停放;若黄线是虚线,则允许临时停放车辆但不允许长时间停放。
3. 停车泊位的设计:机动车道内停车泊位采用T字型设计,泊位内设计箭头,箭头方向为行车方向。
机动车道外(人行步道、硬化道路)停车泊位采用边框设计,泊位内设计箭头,箭头方向为规定停车方向。
4. 停车泊位的线宽:一般线宽为10厘米。
5. 停车位的设置:根据实际情况确定,包括在交叉路口、出入口等处设置。
总的来说,这些标准旨在提供清晰的指示和规则,以便司机和行人可以轻松理解和遵守。
具体的标准和规定可能因地区而异,因此在特定地点设置停车位之前,建议查询当地的法律和法规。
停车位尺寸划线标准停车位尺寸划线标准是指在停车场内划定停车位的大小和标线的规范,其标准化和规范化对于保障停车位使用的公平性和安全性具有重要意义。
一般来说,停车位尺寸和划线标准是由国家或地方相关部门制定和规范的,其遵循的原则是为了方便车辆停放、保证车辆安全、提高停车位利用率和提升停车场管理水平。
首先,停车位尺寸是指停车位的长度、宽度和高度等尺寸参数。
根据《停车场设计规范》的规定,普通小型车的停车位长度一般为5.0米至5.5米,宽度为2.3米至2.5米,高度为2.2米至2.5米。
而大型车辆或者特种车辆的停车位尺寸则需要根据实际情况进行调整,以满足车辆停放的需求。
此外,停车位之间的间距也需要符合规范,一般为0.5米至1.0米,以便车辆进出和停放的便利性。
其次,停车位划线标准是指停车位标线的颜色、宽度和形状等规范。
一般来说,停车位的标线颜色一般为白色或者蓝色,用以和其他区域进行区分。
标线的宽度一般为0.1米至0.15米,宽度不宜过窄以免影响停车位的识别和使用。
停车位标线的形状一般为矩形,以符合停车位的实际形状和大小。
另外,停车位尺寸划线标准的制定还需要考虑停车场的实际情况和使用需求。
例如,停车位的布局应该合理,考虑到车辆进出的便利性和通行道路的畅通。
此外,对于残疾人停车位、临时停车位和特种车辆停车位等,也需要有相应的规范和标准,以满足不同群体的停车需求。
总的来说,停车位尺寸划线标准的制定和执行对于保障停车位的使用和管理具有重要意义。
只有严格遵守规范,合理设置停车位尺寸和划线标准,才能够有效提高停车位的利用率,减少停车拥堵,提升停车场的管理水平,为广大车主提供更加便利和安全的停车环境。
因此,相关部门和管理者应该加强对停车位尺寸划线标准的宣传和执行,提升社会公众对于停车规范的认知和遵守度,共同营造良好的停车环境。
城市居住区规划设计规GB 50180—93(2002 年版)8.0.6居住区必须配套设置居民汽车(含通勤车)停车场、停车库,并应符合下列规定;8.0.6.1居民汽车停车率不应小于10%;8.0.6.2居住区地面停车率(居住区居民汽车的停车位数量与居住户数的比率)不宜超过10%;城市道路交通规划设计规GB 50220-958.1.3 市机动车公共停车场停车位数的分布:在市中心和分区中心地区,应为全部停车位数的50%-70%;在城市对外道路的出入口地区应为全部停车位数的5%-10%;在城市其它地区应为全部停车位数的25%-40%。
公安部、建设部停车场建设和管理暂行规定,停车场规划设计规则公安部、建设部停车场建设和管理暂行规定(1988年10月3日)第一条为加强停车场建设和管理、改善道路交通状况,保障交通安全畅通。
根据《中华人民国道路交通管理条例》和《城市规划》条例的有关规定,制定本规定。
第二条本规定适用于城市、重点旅游区停车场的建设和管理。
第三条停车场是指供各种机动车和非机动车停放的露天或室场所。
停车场分为专用停车场和公共停车场。
专用停车场是指主要供本单位车辆停放的场所和私人停车场所;公共停车场是指要为社会车辆提供服务的停车场所。
第四条停车场的建设,必须符合城市规划和保障道路交通安全畅通的要求,其规划设计须遵守《停车场规划设计规则(试行)》。
停车场的设计方案(包括有关的主体工程设计方案),须经城市规划部门审核,并征得公安交通管理部门同意,方可办理施工手续;停车场竣工后,须经公安交通管理部门参加验收合格方可使用。
第五条新建、改建、扩建的大型旅馆、饭店、商店、体育场(馆)、影(剧)院、展览馆、图书馆、医院、旅游场所、车站、码头、航空港、仓库等公共建筑和商业街(区),必须配建或增建停车场,有条件的小型公共建筑须配建自行车停车场,停车场应与主体工程同时设计、同时施工、同时使用;大型公共建筑工程设计没有停车场规划的,城市规划部门不予批准施工”规划和建设居民住宅区,应根据需要配建相应的停车场。
停车场建设面积标准
一、停车位尺寸
1.小型车辆的停车位尺寸:长度为5.5米至6米,宽度为
2.5米至3米。
2.大型车辆的停车位尺寸:长度为11米至14米,宽度为3米至
3.5米。
二、通道宽度
1.主通道:最小宽度为5米,建议宽度为6米。
2.副通道:最小宽度为3米,建议宽度为4米。
三、通风和排烟设施
1.应根据停车场的规模和车流量,合理设置排风口和排烟管的数量和位置。
2.排风口应均匀分布在停车场内,并保证空气流通。
四、照明和配电
1.应选用高效节能的照明设备,如LED灯具等。
2.照明灯具应覆盖整个停车场,包括停车位、通道和入口出口等区域。
3.配电箱应设置在安全、干燥的地方,并配备相应的保护措施。
五、监控和消防设备
1.应设置监控设备,包括摄像头、录像机和显示器等,对停车场进行全面监
控。
2.应设置消防设备,包括灭火器、消防栓和消防报警系统等,以满足消防安
全要求。
六、入口和出口数量
1.根据停车场的规模和车流量,合理设置入口和出口的数量。
2.入口和出口的位置应便于车辆进出,同时符合交通流向的要求。
七、地面和墙面材料
1.地面材料应耐磨、防滑、易清洁,推荐使用环氧树脂、耐磨耐压涂料等材
料。
2.墙面材料应耐脏、不易附着灰尘,同时符合消防安全要求,可选用瓷砖、
石材等材料。
八、排水和防洪设施
1.停车场地面应有良好的排水坡度,保证雨水能顺利排出。
2.应在排水沟的适当位置设置沉淀池,避免泥沙等杂物进入排水管道。
停车场划线标准尺寸停车场作为城市交通基础设施的重要组成部分,其规划和设计对于城市交通秩序的维护和改善起着至关重要的作用。
而停车位的划线标准尺寸则是保障停车场正常使用的重要因素之一。
本文将围绕停车场划线标准尺寸展开讨论,旨在为停车场规划和设计提供参考。
首先,停车位的长度是划线标准尺寸中的重要参数之一。
一般来说,小型车位的长度应该在4.8米至5.0米之间,中型车位的长度应该在5.0米至5.5米之间,大型车位的长度应该在5.5米至6.0米之间。
这样的长度设计可以满足不同类型车辆的停放需求,保障车辆的停放安全和便利性。
其次,停车位的宽度也是划线标准尺寸中需要考虑的重要因素。
一般来说,小型车位的宽度应该在2.3米至2.5米之间,中型车位的宽度应该在2.5米至2.7米之间,大型车位的宽度应该在2.7米至3.0米之间。
合理的宽度设计可以保障车辆之间的安全距离,避免因为停车位宽度不足而导致的刮擦和碰撞。
此外,停车位的标线也需要符合一定的规范。
一般来说,停车位的标线应该采用清晰明了的白色实线,线条宽度应该在0.1米至0.15米之间。
停车位标线的规范可以帮助驾驶员准确判断停车位置,避免出现停车位置不当导致的交通拥堵和安全隐患。
最后,对于残疾人停车位的设计也需要特别关注。
根据相关规定,残疾人停车位的长度应该在5.0米至5.5米之间,宽度应该在3.6米至3.8米之间,并且应当设置明显的残疾人停车标识。
这样的设计可以保障残疾人驾驶员的停车需求,提高其停车的便利性和安全性。
综上所述,停车场划线标准尺寸的合理设计对于保障停车场的正常使用和交通秩序的维护起着至关重要的作用。
合理的长度、宽度和标线设计可以保障不同类型车辆的停放需求,避免交通拥堵和安全隐患。
因此,在停车场的规划和设计过程中,需要充分考虑划线标准尺寸的相关要求,确保停车场的合理利用和良好运行。
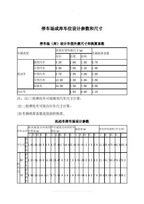
停车场或库车位设计参数和尺寸
停车场(库)设计车型外廓尺寸和换算系数
注:(1)三轮摩托车可按微型汽车尺寸计算。
(2)二轮摩托车可按自行车尺寸计算。
(3)车辆换算系数是按面积换算。
机动车停车场设计参数
注:表中Ⅰ类指微型汽车,Ⅱ类指小型汽车,Ⅲ类指中型汽车,Ⅳ类指大型汽车,Ⅴ类指绞接车。
车辆纵横向净距
注:多层车库和地下车库的净距按国家标准GBJ67-84《汽车库设计防火规范》表5.0.6的规定执行。
停车场通道的最小平曲线半径
停车场通道最大纵坡度(%)
自行车停车场主要设计指标
旅馆机动车停车位指标
注:第一类以接待外国人、港澳同胞和华侨为主。
第二类接待国内旅客。
饮食店停车位指标
办公楼停车位指标
注:1.一类:中央、省级机关、外贸机构及外国驻华办事机构。
2.二类:其他机构。
商业场所停车位指标
注:以接待外国人、港澳同胞和华侨为主的商业场所机动车停车位指标应适当增加。
住宅停车位指标
注:一类:国内高级住宅以及外国人、华侨、港澳同胞等使用的住宅。
二类:普通住宅。
. .。
停车场标准尺寸停车场是城市交通系统中不可或缺的一部分,其规划和设计直接关系到市民的出行和停车体验。
在停车场的规划设计中,合理的停车位尺寸是至关重要的,它关系到停车场的容纳量和停车位的利用率。
因此,停车场标准尺寸的确定是必不可少的。
首先,停车位的长度是关键的。
一般来说,小型车的标准停车位长度应该在4.8米至5.0米之间,这样可以确保车辆停放时有足够的空间,并且便于车辆的进出。
而大型车辆的停车位长度则应在5.0米至5.5米之间,以适应大型车辆的停放需求。
此外,对于残疾人车位,其长度一般应在5.0米至5.5米之间,以便残疾人驾驶员有足够的空间进行停车和上下车操作。
其次,停车位的宽度也是至关重要的。
一般来说,小型车的标准停车位宽度应该在2.3米至2.5米之间,这样可以确保车辆停放时有足够的空间,并且便于驾驶员上下车。
而大型车辆的停车位宽度则应在2.5米至2.8米之间,以适应大型车辆的停放需求。
对于残疾人车位,其宽度一般应在3.6米至4.0米之间,以便残疾人驾驶员有足够的空间进行上下车操作。
除了长度和宽度,停车位之间的间距也是需要考虑的因素。
一般来说,停车位之间的间距应该在2.5米至3.0米之间,以确保车辆停放时有足够的空间,并且便于驾驶员进行进出操作。
在设计停车场时,还需要考虑到通道的宽度和转弯的半径,以确保车辆能够顺利进出停车位,同时也要考虑到消防通道和紧急通道的设置,以确保车辆在紧急情况下能够安全疏散。
综上所述,停车场标准尺寸的确定需要考虑到车辆的长度、宽度以及停车位之间的间距,同时也需要考虑到通道的宽度和转弯的半径等因素。
只有合理规划和设计停车位的尺寸,才能确保停车场的容纳量和停车位的利用率,提升停车体验,减少交通拥堵,为城市交通系统的发展做出积极贡献。
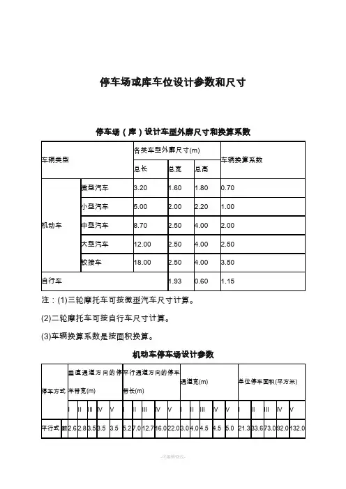
停车场或库车位设计参数和尺寸
停车场(库)设计车型外廓尺寸和换算系数
注:(1)三轮摩托车可按微型汽车尺寸计算。
(2)二轮摩托车可按自行车尺寸计算。
(3)车辆换算系数是按面积换算。
机动车停车场设计参数
注:表中Ⅰ类指微型汽车,Ⅱ类指小型汽车,Ⅲ类指中型汽车,Ⅳ类指大型汽车,Ⅴ类指绞接车。
车辆纵横向净距
注:多层车库和地下车库的净距按国家标准GBJ67-84《汽车库设计防火规范》表5.0.6的规定执行。
停车场通道的最小平曲线半径
停车场通道最大纵坡度(%)
自行车停车场主要设计指标
旅馆机动车停车位指标
注:第一类以接待外国人、港澳同胞和华侨为主。
第二类接待国内旅客。
饮食店停车位指标
办公楼停车位指标
注:1.一类:中央、省级机关、外贸机构及外国驻华办事机构。
2.二类:其他机构。
商业场所停车位指标
注:以接待外国人、港澳同胞和华侨为主的商业场所机动车停车位指标应适当增加。
住宅停车位指标
注:一类:国内高级住宅以及外国人、华侨、港澳同胞等使用的住宅。
二类:普通住宅。
THANKS !!!
致力为企业和个人提供合同协议,策划案计划书,学习课件等等
打造全网一站式需求
欢迎您的下载,资料仅供参考。
停车场标准车位尺寸停车场是城市交通系统中不可或缺的一部分,而停车位的设计尺寸直接关系到停车场的使用效率和车辆停放的安全性。
因此,了解停车位的标准尺寸对于停车场的规划和设计至关重要。
一般来说,停车位的标准尺寸是指停车位的长度、宽度和高度。
根据国家标准《停车场设计规范》,标准车位的长度应为5.0米至5.5米,宽度应为2.5米至2.7米,高度应为2.2米至2.5米。
这些尺寸是经过科学研究和实践验证的,能够满足大多数车辆的停放需求。
首先,停车位的长度是设计中需要重点考虑的因素之一。
合理的长度能够确保车辆停放时有足够的空间,不会造成拥挤和碰撞。
同时,长度过长也会浪费停车场的空间资源。
因此,5.0米至5.5米的长度既能够满足大多数轿车和SUV的停放需求,又能够充分利用停车场的空间。
其次,停车位的宽度同样至关重要。
宽度不足会导致车辆之间无法正常进出,增加了停车难度和安全隐患。
因此,2.5米至2.7米的宽度能够确保车辆之间有足够的间隔,同时也方便驾驶员进行上下车操作,提高了停车的便利性和舒适度。
最后,停车位的高度也是需要考虑的因素之一。
高度不足会导致大型车辆无法正常停放,而高度过高则会增加停车场建设成本。
因此,2.2米至2.5米的高度能够满足绝大多数车辆的停放需求,既保证了停车场的通行高度,又降低了建设成本。
除了以上的标准尺寸外,还需要考虑停车位之间的间距、通道宽度、坡道坡度等因素。
合理的停车位布局能够提高停车场的使用效率,减少拥堵和事故的发生。
因此,在停车场设计中,需要综合考虑车位的尺寸、布局和交通组织,以提高停车场的整体运行效率。
总的来说,停车位的标准尺寸是经过科学研究和实践验证的,能够满足大多数车辆的停放需求。
合理的停车位设计不仅能够提高停车场的使用效率,还能够提升停车的便利性和安全性。
因此,在停车场的规划和设计中,需要充分考虑车位的尺寸标准,以确保停车场的正常运行和车辆的安全停放。
汽车停车位设计标准一、尺寸要求1. 小型车辆停车位尺寸为长5.5米,宽2.5米,中型、大型车辆停车位尺寸分别为长8.7米、12.0米,宽3.0米。
2. 停车位标线分为直行车位、平行式车位和倾斜式车位三种,其中直行车位长度为6米,宽度为3米;平行式车位长度为6米,宽度为2.5米;倾斜式车位长度为6米,前部宽度为2.8米,后部宽度为3.0米。
二、划线要求1. 停车位标线应清晰、完整,颜色应选用热熔反光涂料或热熔反光贴膜。
2. 停车位边框线应选用黄色或白色,且线宽不得小于15厘米。
3. 禁停区域线应选用红色,且线宽不得小于15厘米。
4. 消防通道线应选用红色,且线宽不得小于20厘米。
5. 残疾人车位标线应选用蓝色,且线宽不得小于15厘米。
三、照明要求1. 停车场照明设施应符合照明标准,亮度均匀,无眩光。
2. 照明灯具应选用节能环保型LED灯,且安装高度不得低于4米。
3. 停车位上方应有足够的照明设施,确保车辆停放时驾驶员能够清楚地观察到周围环境。
四、间距要求1. 平行式停车位与车道之间应保持不小于0.5米的间距。
2. 倾斜式停车位与车道之间应保持不小于0.3米的间距。
3. 残疾人车位与普通车位之间应保持不小于2.0米的间距。
五、地面要求1. 停车场地坪应选用防滑、耐磨、耐压的材质,如混凝土、沥青等。
2. 地面应平整,无坑洼、无积水。
3. 停车场的排水系统应合理设计,防止积水影响车辆停放。
六、禁停区域1. 停车场内应设置明显的禁停标志,如“禁止停车”、“禁止长时间停车”等。
2. 消防通道、出入口、交叉路口等区域应划定禁停区域,禁止车辆停放。
3. 禁停区域可采用物理隔离或划线方式进行标识。
七、消防通道1. 停车场内应设置消防通道,确保消防车辆能够顺利通行。
2. 消防通道宽度不得小于4米,且应保持畅通无阻。
3. 消防通道上方不得设置任何障碍物。
八、残疾人车位1. 停车场内应设置一定数量的残疾人车位,以满足残疾人士的停车需求。
车库停车位标准尺寸车库停车位标准尺寸是指车库内部停车位的合理尺寸,它直接关系到车辆停放的安全和便利性。
在设计车库停车位时,合理的尺寸可以有效地提高车库的停车效率,减少车辆之间的碰撞,确保车辆的安全性。
因此,了解车库停车位标准尺寸对于车库设计和使用非常重要。
首先,标准的单个停车位尺寸应该是2.5米宽,5.5米长。
这个尺寸可以满足大部分小型车辆的停车需求,同时也考虑到了车门的开启和乘客上下车的空间。
对于大型车辆或SUV等车型,停车位的长度可以适当增加,以满足这些车辆的停车需求。
其次,停车位之间的间距也需要符合一定的标准。
通常情况下,相邻停车位之间的间距应该在2.5米以上,这样可以确保车辆之间有足够的空间进行进出和转弯,同时也方便驾驶员进行停车操作。
此外,对于残疾人专用停车位,其尺寸也有相应的规定。
根据相关标准,残疾人专用停车位的宽度应该在3.6米以上,长度应该在5.5米以上,同时需要设置较为宽敞的无障碍通道,以方便残疾人驾驶员进行停车和上下车操作。
在实际设计中,除了考虑停车位的尺寸外,还需要充分考虑车库的内部布局和通行设施的设置。
合理的车库布局可以最大限度地提高停车位的利用率,同时也需要设置合适的通行设施,如斜坡、扶手等,以方便驾驶员和乘客的出行。
总的来说,车库停车位标准尺寸的合理设计对于车库的使用和管理至关重要。
合理的停车位尺寸可以提高车库的停车效率,减少车辆之间的碰撞,确保车辆的安全性,同时也方便驾驶员和乘客的出行。
因此,在进行车库设计时,需要充分考虑停车位的尺寸和布局,以提升车库的整体品质和使用体验。
停车场或库车位设计参数和尺寸
停车场(库)设计车型外廓尺寸和换算系数
注:(1)三轮摩托车可按微型汽车尺寸计算。
(2)二轮摩托车可按自行车尺寸计算。
(3)车辆换算系数是按面积换算。
机动车停车场设计参数
注:表中Ⅰ类指微型汽车,Ⅱ类指小型汽车,Ⅲ类指中型汽车,Ⅳ类指大型汽车,Ⅴ类指绞接车。
车辆纵横向净距
注:多层车库和地下车库的净距按国家标准GBJ67-84《汽车库设计防火规范》表5.0.6的规定执行。
停车场通道的最小平曲线半径
停车场通道最大纵坡度(%)
自行车停车场主要设计指标
旅馆机动车停车位指标
注:第一类以接待外国人、港澳同胞和华侨为主。
第二类接待国内旅客。
饮食店停车位指标
办公楼停车位指标
注:1.一类:中央、省级机关、外贸机构及外国驻华办事机构。
2.二类:其他机构。
商业场所停车位指标
注:以接待外国人、港澳同胞和华侨为主的商业场所机动车停车位指标应适当增加。
住宅停车位指标
注:一类:国内高级住宅以及外国人、华侨、港澳同胞等使用的住宅。
二类:普通住宅。