阻化泵,阻化泵型号
- 格式:ppt
- 大小:107.00 KB
- 文档页数:9
混凝土注浆泵规格型号一、引言混凝土注浆泵是一种常用于建筑工程中的设备,可以将混凝土或其他材料通过管道注入到需要修补或加固的混凝土结构中,具有快速、高效、精准等特点。
在选择混凝土注浆泵时,需要考虑其规格型号、工作性能、结构设计等方面,以确保其能够满足项目的要求。
二、规格型号混凝土注浆泵的规格型号是根据其工作性能、结构设计等方面的要求确定的,下面是常见的规格型号:1. HBT60S1816-110混凝土注浆泵:该型号的最大排量为60m³/h,最大出压力为18MPa,电机功率为110KW,其工作效率高、稳定性好,适用于大型建筑工程。
2. HBT40S1410-75混凝土注浆泵:该型号的最大排量为40m³/h,最大出压力为14MPa,电机功率为75KW,其体积小、重量轻、便于移动,适用于小型建筑工程。
3. HBT80S1813-145混凝土注浆泵:该型号的最大排量为80m³/h,最大出压力为18MPa,电机功率为145KW,其操作简单、维护方便、寿命长,适用于中型及以上建筑工程。
4. HBT30S1410-55混凝土注浆泵:该型号的最大排量为30m³/h,最大出压力为14MPa,电机功率为55KW,其结构紧凑、重心低、稳定性好,适用于施工空间较小的建筑工程。
5. HBT90S1813-176混凝土注浆泵:该型号的最大排量为90m³/h,最大出压力为18MPa,电机功率为176KW,其输送距离远、输送高度高、适用范围广,适用于大型建筑工程。
三、工作性能混凝土注浆泵的工作性能是指其在施工过程中的性能表现,主要包括以下方面:1. 排量:混凝土注浆泵的排量是指单位时间内泵送混凝土的体积,通常以m³/h为单位。
2. 出压力:混凝土注浆泵的出压力是指泵送混凝土时产生的压力大小,通常以MPa为单位。
3. 输送距离:混凝土注浆泵的输送距离是指从泵站到施工现场的距离,通常以m为单位。
1706-1综放工作面综合防灭火技术措施根据内蒙古安科安全生产检测检验有限公司检验结果,7号煤层煤挥发分高,属一类容易自燃煤层。
而1706面回采的是7号煤层煤,特编制如下防灭火技术措施。
一、采空区注氮:1、采空区合理防火注氮流量(1)计算采空区冒落容积参数:工作面平均煤厚h=8.5m。
工作面设计割煤高度h1=2.8m工作面设计放煤高度h2=5.7m工作面设计放煤宽度L1=120m根据矿井初步设计,切眼至停采线前15m范围内放煤回采率C=90%。
工作面每日按7个循环组织生产,每个循环为一采一放,循环进尺0.6m,设计割煤高度2.8m,放煤高度5.7m,日进尺b=4.2m,采空区冒落不均衡系数k1取2即:采空区日冒落容积:Q1 = L1×h×b×C×k=120×8.5×4.2×90%×2=7711.2 m3(2)采空区注氮量选择Q= Q1×k=7711.2×1.5=11566.8m3式中:Q1——采空区日冒落容积。
k——补充氮气损失系数取1.5。
Qr = Q /24= 10534.05/24=481.95m3/h式中:Qr ——注氮流量 m3/h。
Q ——采空区实际冒落空间。
因此选择1700综放工作面采空区注氮量为481.95m3/h.2、采空区注氮方式采空区注氮防火采用上隅角老塘拖管注氮防火,拖管为Ф108mm钢管,4米一根,快速接头连接,拖管长度24米,末端管路靠老塘侧3米钢管加工成花管,工作面回采10米后开始注氮,工作面回采20米后开始每天用回柱绞车拖管,拖管距离为当天工作面回采长度;拖管前段通过胶管(10米长)与顺槽注氮管路连接。
拖管装置加工两套,当第一套注氮效率下降后或故障时,按设第二路拖管,第二路拖管进入老塘10米后,拖出第一路拖管进行维修;两路拖管可轮流使用。
3、防火注氮路线移动注氮机(制氮硐室)→反皮带上山→1706下顺槽→采空区4、17006-1综放工作面上隅角监控设施在上隅角密集支柱处安设氧气传感器,氧气低于18%时停止注氮,达到19%开始进行注氮二、采空区堵漏采空区的主要漏风通道为采空区的上、下隅角,做好上、下隅角堵漏对采空区防火至关重要,根据各采面防火经验,加强上、下隅角的堵漏能够切实降低采空区氧含量,上、下隅角堵漏方法为:1、1706-1工作面上隅角强制放顶采煤队必须加强下隅角强制放顶工作,上隅角悬顶距离不得超过4米。
29101综采工作面防治采空区自燃发火安全技术措施2009年9月煤炭科学院研究总院沈阳研究院对我矿矿井自然发火防治系统进行了设计研究,提出了自然发火防治系统设计技术方案。
方案中明确我矿现在开采的4#、7#、8#、9#煤层,各煤层自燃倾向性鉴定结果均为Ⅱ类自燃。
为保证29101综采工作面在开采过程中安全生产,特制订本措施:一、工作面巷道布置情况:1、工作面情况:工作面地面位于南坪村东部,狼窝沟回风井西南部,地表均为黄土覆盖,盖山厚度199-310米。
2、巷道情况:该工作面副巷总长度为998m,巷道形状为矩形,宽为4.2m,高为2.6m,净断面积为10.92m2,支护形式为锚杆+钢带+锚索支护巷道;巷道顶板破碎或遇构造时,巷道形状为梯形,巷道断面上宽为3.0m,下宽为3.9m,高为2.6m,净断面积为9.0㎡,支护形式为铁硼+锚杆+锚索支护。
正巷总长度为1000m,巷道形状为矩形,宽为4.2m,高为2.6m,净断面积为10.92m2,支护形式为锚杆+钢带+锚索支护巷道;巷道顶板破碎或遇构造时,巷道形状为梯形,巷道断面上宽为3.0m,下宽为3.9m,高为2.6m,净断面积为9.0㎡,支护形式为铁硼+锚杆+锚索支护。
3、工作面瓦斯状况及参数根据相邻盘区29205工作面回采时的瓦斯涌出情况分析,预计该工作面绝对瓦斯涌出量为0.67m3/min,按日产量3571吨计算,相对瓦斯涌出量为0.27m3/t。
该工作面所采煤层为9#煤,煤层自燃倾向性为Ⅱ类自燃煤层。
煤尘具有爆炸性,爆炸指数为22.17%;二、工作面自燃发火防治重点区域1、如果采空区浮煤清理不干净,再者工作面推进速度缓慢,采空区封闭不严实,工作面采空区就有可能发生自燃发火。
2、已封闭的老采空区由于漏风通道存在有自燃发火的可能。
三、工作面喷洒阻化剂方案及措施1、阻化剂作用及阻化泵的选用阻化剂是选用一些卤化物盐类水溶液,喷洒在浮煤中,在煤粒表面形成液膜,液膜能包裹浮煤和煤的裂隙表面,隔绝煤与氧气的接触,抑制浮煤的氧化和自燃的发展,阻化液膜在采空区内相对温度较大时,能吸收空气中的水分,继续保持阻化作用。
WJ-242阻化剂喷射泵产品介绍
WJ-242阻化剂喷射泵主要用于煤矿井下喷洒阻化剂溶液防止煤炭自然发火。
适用于采煤工作面采空区浮煤喷洒阻化剂防火或高帽顶插管压注阻化液防火,以及易燃煤层采空区埋管喷注阻化溶液防火等。
技术措施:在配比阻化剂时,一定要按照规定比例进行配比,确保阻化率达到要求,从而起到抑制煤的氧化自热现象的发生。
输液管路沿回风顺槽底板铺设,连接管路时,要求管路连接紧密不漏液。
采面输液管路沿刮板输送机布置,且每隔50米,设置一个三通阀门。
在配比溶液时,要轻微进行搅拌,待阻化剂全部溶于水后,方可进行喷洒工作。
每次喷洒前,先由专人中煤检查管路完好性,确保管路完好不漏液。
喷洒过程中,必须避开机械金属、支架等构件,并对其采取保护措施,防止阻化剂腐蚀机械设备。
喷洒工必须持证上岗,且必须配戴胶皮手套及雨衣。
喷洒结束后要求工作人员用净水对矿车及注液泵进行清洗,防止阻化液被腐蚀。
WJ-242阻化剂喷射泵技术指标
1、工作泵压0.2~2.5MPa
2、最大射程15m
3、阻化溶液喷射量为11~40L/min
4、喷射胶管<80m
5、管内径13mm
6、防爆电机Y90L22.2KW 380/660V
7、体积1500*400*450sh08mm
8、重量约65kg。
山西古县老母坡煤业有限公司2103工作面运输顺槽沿空留巷情况一、工作面概况1、工作面位置2103和2105工作面位于一采区回风下山北侧,西侧为2101采空区,采空区保护煤柱宽5m,北侧为矿井边界。
2013工作面运输顺槽长750m,回风顺槽长650m,开切眼长150m。
在运输顺槽实施沿空留巷技术,沿空留巷长度为680m。
2103和2105工作面布置示意图如下:2、煤层及其顶底板特征2103工作面煤层厚度1.1~1.35m,平均1.23m,倾角为3°-5°,不含夹矸,结构简单,为较稳定大部可采。
顶板为泥岩、细砂岩,底板为砂质泥岩、泥岩、粉砂岩。
煤层若遇构造时,有变薄现象。
工作面顶底板特征见综合地质柱状图。
综合地质柱状图3、构造特征2103工作面位于背斜之西翼,煤层走向及构造线方向均为北东方向,煤层倾角一般在3°-5°,并伴有宽缓的褶曲和落差不大的断层,不会影响工作面布置,根据2101工作面情况推测,巷道内有落差不大的断层和范围较小的陷落柱。
4、水文特征2103工作面直接充水的含水层为山西组砂岩裂隙含水层,属弱富水性,在没有构造的情况下,一般不会对工作面造成威胁,对生产影响不大。
由于2103工作面运输顺槽留巷西侧为采空区,在沿空留巷施工时需采取探放水措施。
5、瓦斯、煤尘及煤层自燃性2103工作面为低瓦斯区,煤尘有爆炸性,煤层属II级易自燃,自燃发火周期为12个月。
二、沿空留巷支护设计2103工作面运输顺槽沿空留巷后为2105工作面回风顺槽,为了满足2103工作面和2105工作面通风要求,以及考虑留巷后围岩移近量,巷道净断面设计为3.8×2.4m。
1、工作面运输顺槽掘进支护设计2103工作面运输顺槽断面为3.8×2.4m,掘进时,破伪顶200mm,破底1000mm。
(1)巷道顶板支护方式为锚网支护+双排迈步锚索+一排联索锚索。
具体要求如下:顶锚杆采用φ22×2000mm左旋无纵筋螺纹钢锚杆,间排距800×700mm;顺巷布置三排锚索支护:两排迈步锚索梁支护,锚索为φ17.8×8000mm,锚索梁长2.5m,分别距采空侧巷帮940mm,距实体煤帮600mm。
几种常用隔膜泵的参数及型号
隔膜泵是一种常用的工业泵,具有无泄漏、无污染的特点。
以下是几种常用隔膜泵的参数及型号:
1. AODD(Air Operated Double Diaphragm)隔膜泵:
- 最大流量:400 GPM
- 最大扬程:230 ft
- 压力范围:0-125 psi
- 型号:AODD-400
2. EODD(Electric Operated Double Diaphragm)隔膜泵:
- 最大流量:200 GPM
- 最大扬程:150 ft
- 压力范围:0-100 psi
- 型号:EODD-200
3. PTFE隔膜泵:
- 最大流量:150 GPM
- 最大扬程:180 ft
- 压力范围:0-80 psi
- 型号:PTFE-150
4. PVDF隔膜泵:
- 最大流量:100 GPM
- 最大扬程:120 ft
- 压力范围:0-60 psi
- 型号:PVDF-100
5. 性能齐全隔膜泵:
- 最大流量:300 GPM
- 最大扬程:200 ft
- 压力范围:0-120 psi
- 型号:PMD-300
请注意,以上参数及型号仅为示例,并非实际存在的产品,仅供参考。
实际选购隔膜泵时,需要根据具体工况、介质等条件进行选择。
米脂县龙镇煤矿芦则沟矿井实际情况与初步设计不符问题1.回采工作面布置(42页)实际:双巷布置(一运顺、一回顺)设:采用三巷布置(即一条回风巷,一条辅助运输巷,一条带式输送机巷,每隔250m一条联络巷)。
2.第三章井田开拓第三节井筒(37页)(1)主井、副斜井、管线井标高错误。
(2)主斜井未敷设10KV电缆,10KV电缆在管道井。
(3)管线井管路与设计不符。
3.二盘区缺一个永久避难硐室。
4.井底煤仓支护方式与设计不符。
(40页)5.中央变电所及井底水磅房、水仓、避难硐室采用混凝土砌碹支护,实际与设计不符,主井底无水泵房(属缺项)。
(40页)6.第四章井下开采第二节采煤方法及工艺。
(1)第二节采煤工艺第46页第三条:配备破碎机综采工作面没有破碎机,型号PLN500。
(2)第四节巷道掘进及机械化第三条配备缺:湿式除尘风机型号:FBDNO6.6×2×11可伸缩胶带输送机型号:DSJ80×40/2×40胶带转载机型号:SZQ11/800探水钻型号:KHYD150混凝土搅拌机型号:P4混凝土液压机械手型号:FS—1混凝土喷射除尘器型号:MLGIB第三章井筒开拓1.主井、副斜井、管线井、风井表土段支护方式为混凝土浇筑,基岩段支护方式为:锚网索喷,实际与设计不符。
2.井底水仓采用混凝土支护,实际与设计不符。
3.管线井设计安装扶手,实际没有。
4.中央变电所采用拱形断面布置,净宽4.0m,长度55m,拱碹支护厚度400mm。
水泵房及变电所通道设能防水的密闭门,变电所底板标高高出通道与大巷连接处底板0.5m,防止大巷积水流入硐室内,实际于设计不符。
5.井下煤仓为圆形立仓,支护形式为砼,净直径4.0m,砼厚度350mm,并且设操作硐室。
实际无6.运输大巷、回风大巷、盘区运输大巷、盘区回风大巷采用锚喷支护。
第五章井下运输第一节煤炭运输方式及设备1.防爆胶轮车设计型号WC3E,设计需要运煤车量18台,6台备用。
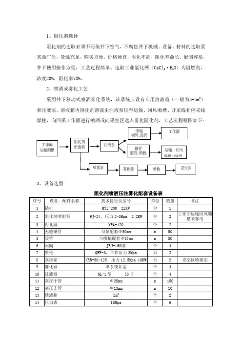
1、阻化剂选择阻化剂的选取必须不污染井下空气,不腐蚀井下机械、设备。
材料的选取要来源广泛,货源充足,购买方便,价格便宜,阻化率高,阻化寿命长。
配制容易,井下使用操作方便,工艺过程简单。
选取工业氯化钙(CaCl 2·H 2O )为阻燃剂,浓度20%,阻化率70%。
2、喷洒或雾化工艺采用井下移动式喷洒雾化系统,该系统应设有专用溶液箱(一般为3-5m 3)和注液泵,溶液箱内阻化剂溶液由注液泵压至运输、回风顺槽、开采线和停采线煤柱,向回采工作面进行喷洒或向采空区送入雾化阻化剂,工艺流程框图如下:3、设备选型阻化剂喷洒压注雾化配套设备表序号设备、配件名称技术特征及型号 单位 数量 备注 1 钻机 MYZ-200 22KW 台 12 阻化剂喷射泵 WJ-24,压力2-3Mpa 2.2KW台 2 工作面运输回风顺槽喷雾用3 封孔器 YPA-120 个 24 无缝钢管 与泵配套Φ50mm m 505 胶管 与喷枪配套Φ37mmm 80 6 闸阀 JBH-160Ⅲ 个 4 7 喷枪 QWF-3,工作压力3Mpa 只 28 高压泵 XRB-50/125 压力12.5Mpa 10KW台 2 采空区喷雾用9 雾化器 单系统Ⅱ型 个 4 10 过滤器 GL-1型 50目个 4 11 高压干管 Ф25mm m 150 12 高压支管 Ф13mm m 10 13 储液箱 2m 3个 2 14 压力表15Mpa个6阻化剂 贮液箱工作面 运输顺槽 钢管 胶管、喷板注液泵雾化器喷枪采空区喷枪 钢管、胶管 喷雾泵工作面运输、回风顺槽口煤壁15 流量仪1m3/h 个 64、阻化剂喷洒方法喷洒阻化剂在准备班进行,主要是在运输和回风顺槽煤柱侧喷洒,同时在每次移架前对支架和运输机之间及放煤口进行喷洒。
工作面底板如有底煤工作面应喷洒阻化剂。
如底板没有底煤,工作面浮煤应在回收之前全部清理干净,这样可以不喷洒。
5、阻化剂防污染措施(1)配制及喷洒阻化剂人员应采取个体防护,应配戴胶质手套。
.内蒙古蒙西矿业有限公司库里火沙兔煤矿防治自然发火的措施编写:内蒙古蒙西矿业有限公司库里火沙兔煤矿通防部审核: 杨俊刚边振坤彭海岷魏华峰批准:郭纯阳2016年5月3日修订2016年5月5日实施本矿井9煤层属Ⅱ级自然煤层,根据初设安全专篇说明书,采用灌浆防灭火系统为主和配备阻化剂防灭火系统作为辅助的防灭火措施。
一、防治自然发火措施(一)、开拓开采方面的措施1、回采工作面采用后退式回采,减少采空区漏风。
2、尽可能提高盘区和工作面的煤炭回收率,减少丢煤。
3、选择合理的工作面推进度,防止浮煤自燃。
采用条带跳采推进法及时封闭条区采空区,防止采空区浮煤氧化自燃。
(二)、通风方面的措施1、采用合理的工作面配风量,减少采空区漏风,缩短氧化带宽度。
在保证安全生产的前提下,尽量减少工作面配风量,降低工作面发火的危险性。
2、均压通风。
采用风机和风窗配合的办法来调节风压,使工作面的风压与其采空区的风压保持平衡,从而制止新鲜风流供给采空区,以防浮煤自然发火。
3、密闭堵漏和喷浆堵漏。
对采空区及时封闭,用移动式注浆泵通过钻孔向采空区注凝胶,杜绝采空区漏风。
4、挂帘堵漏风防灭火。
在工作面下隅角坚持挂风帘,以改变此处风量的方向和增加进风通道的风阻。
5、对服务年限长的主大巷,盘区大巷进行锚喷支护,封闭巷道煤壁与空气的接触,防止巷道煤壁氧化自燃。
(三)监测方面的措施为提高矿井生产的安全性,生产期间可逐步建立矿井安全生产监测系统及束管监测系统,尽早发现发火征兆,及时防止火灾进一步扩大。
二、综合防灭火措施(1)、阻化剂防灭火1、设计依据本矿井设计生产能力1.20Mt/a,移交1个综采工作面,工作面采用U型通风系统,走向长壁采煤法。
010901回采工作面平均采高为3.60m,煤层为Ⅱ级自燃煤层。
2、阻化剂的选择选择阻化剂,应综合考虑以下几个方面:(1)来源广泛,货源充足,购置方便、价格便宜;(2)阻化率高,阻化寿命长;(3)配制容易,井下使用操作方便,工艺过程简单;(4)对井下设备和金属构件腐蚀性小,对人体无危害。
矿用阻化泵气动泵安全操作及保养规程矿用阻化泵气动泵是矿业生产中常用的一种新型泵类设备,广泛用于煤矿、金属矿山及化工等领域。
该设备具有安全可靠、操作简便等优点,但其使用过程中也存在一定的风险隐患,需要严格遵守安全操作及保养规程,确保设备正常运行,降低事故发生的可能性。
安全操作规程1. 设备检查在工作前,需要对矿用阻化泵气动泵进行检查,确认其各项指标符合要求,不存在故障和异常情况。
具体检查内容包括:•确认进气压力稳定,压力表指示正常。
•检查设备密封性能,确认各连接处无泄漏。
•检查泵体、阀体及管道等设备的完好程度,不得存在裂缝、腐蚀和变形等情况。
•确认各电气设备接地可靠,电缆整齐并接好。
•确认液位计及报警系统正常工作。
2. 操作流程操作矿用阻化泵气动泵时,需要按照以下流程进行操作:1.手动操作开关箱,将配电柜的空气压力打开。
2.确认好泵体密封圈无异常后,打开进气管道阀门。
3.调整装置流量和控制器、阀门,启动气动泵,观察运行情况是否正常。
4.在泵进口处安装气动调节阀,根据需要使用调节阀。
3. 注意事项在使用矿用阻化泵气动泵时,需要注意以下事项:1.操作人员必须具备相关岗位技能,禁止未经培训的人员操作设备。
2.确认好进气压力,不得超过设备额定值。
3.禁止在运行中对设备进行修理和维护,需要先停机后进行。
4.当发现设备异常情况时,应及时停机进行检查和排除故障。
5.特殊情况下需要进行停机操作时,首先需要关闭气泵。
保养规程矿用阻化泵气动泵在运行过程中需要进行定期保养,以确保设备长期稳定运行。
具体保养规程包括:1. 润滑保养每班保养时检查设备的润滑油是否充足,润滑系统是否畅通。
拆卸各润滑点并清洗,加上新的润滑油。
定期检查运行中设备润滑油,保持润滑油清洁,及时更换加油。
2. 清洁保养每班保养时需检查设备表皮是否干净,无障碍物堆积,设备且确保设备周围环境整洁,防止影响设备运行。
3. 检修保养定期检查设备各部位的紧固度及防止腐蚀、歪斜等异常情况,及时修复并检查设备各部位是否紧固牢固。
同煤集团综采工作面阻化剂泵站和均压通风的考察报告考察时间:2013年2月25日至26日考察对象:同煤集团同忻矿和晋华宫矿考察人员:不连沟煤矿总工程师许刚、生产技术科张春雷、生产技术科杨守国、机电科蔡春鹏、通风队张啟先、综采一队谷立喜、综采二队白元亮。
一、同忻矿和晋华宫矿矿井概况(一)同忻矿矿井概况同煤国电同忻煤矿是一座设计年产1000万吨的国有特大型现代化矿井,采用斜井和立井混合开拓方式。
矿井位于大同市南20Km,大同煤田东北部,区内公路、铁路交错纵横,交通十分便利。
井田面积84.52 Km2,矿井可采储量8.47亿吨。
同忻矿井采用分区式通风,通风方法为机械抽出式,现开拓有2个盘区,四个进风井,2个回风井,矿井总进风量为19609m3/min,总回风量为19988 m3/min。
其中北一回风立井安装两台ANN-2650/1250B型主要通风机,一台运转,一台备用,主扇排风量为14193m3/min,等积孔5.2㎡,负压为2877Pa;北二回风立井安装两台FBCD-8-No26型主要通风机,一台运转,一台备用,主扇排风量为5860m3/min,等积孔2.5㎡,负压为2000Pa。
矿井相对瓦斯涌出量为1.17m3/min,矿井绝对瓦斯涌出量为27.75m3/min。
矿井现布臵8个掘进工作面,全部采用综合机械化掘进工艺;2个采煤工作面:一个回采工作面和一个回采准备面。
井田内赋存有侏罗系和石炭二叠系两套含煤建造, 侏罗系大同组为上部含煤建造,侏罗系所含煤层大部分已采完,生产矿井处于衰减阶段。
二叠系下统山西组和石炭系上统太原组为下部含煤建造,含煤10层,可采煤层平均总厚度为20.28m。
本井主要可采煤层为3-5和8号煤层。
(二)晋华宫矿矿井概况晋华宫矿位于山西省大同市西12.5公里处,与世界文化遗产云冈石窟一河之隔。
矿井建于1956年,是由我国自己设计、自己施工建设的大型煤矿。
井田位于大同煤田东北边缘,总面积41平方公里,目前有可采储量1.5亿吨。
BZ4/15—G型阻化泵操作规程1、喷洒阻化药济至少3人操作,1人控制喷枪,1人在后部拖高压胶管,1人搅拌容器内的药济.2、回采工作面,喷洒阻化剂作业前,应用布料覆盖住机电设备设施,杜绝出现阻化剂药物损坏机电设施。
3、喷洒阻化剂前,必须撤出工作面人员,不得有其他人员在工作面进行其他作业。
4、喷洒要顺风操作,如必须逆风流操作或对巷道冒高点喷药济时,要戴好防护眼罩和穿好雨衣,防止工作面风流将阻化剂溶液吹到作业人员身上.5、对接顶的巷道冒高处喷药济必须用喷枪,并保证喷射压力。
6、喷洒药济必须全面覆盖浮煤或冒高处周边,确保煤体能充分吸收阻化剂。
7、喷洒阻化剂作业人员要精力集中,看清地面,防止绊倒、跌伤或碰头等事故。
8、喷洒阻化剂作业结束后,应加清水冲洗水箱,并保持高压胶管中清水流动不少于10分钟,以便清洗水管和喷枪。
9、阻化泵不能缺水空转、以防损坏设备。
10、定期更换润滑油.11、长时间不用时,必须将泵内残液彻底排除干净,卸下三角带、喷枪(雾化喷头)、吸、排液胶管,并将接头对接,液泵排液口包好,擦净泵体表面尘物,放置在干燥、通风的库内存放。
BZ4/15—G型阻化泵管理规定严格按照《新华煤矿防治煤炭自燃管理制度》中规定,配备浓度为20%的阻化剂溶液。
一台泵配一支喷枪,由专人手持喷枪,从采面末排支柱间向采空区喷洒,每间隔15米左右喷一次,每次喷洒至少6min,流量不小于35L/min。
正常回采期间每天喷洒一次,安排在检修班进行,如遇停产、过断层、收尾等情况时,必须对采空区加大喷洒频率。
喷洒阻化剂组织:泵工1人,搅拌工1人,喷洒工2人。
每次喷洒必须做好喷洒记录,明确记录喷洒剂量、实施负责人(当班班长),通风队负责对阻化剂喷洒工作日常管理和监督工作。
矿用阻化泵站工作原理
矿用阻化泵站是在矿井和矿山等环境中进行液体输送的设备,具有一定的抗腐蚀、防堵塞及耐磨性能。
下面是其工作原理:
一、进口流道:将输送物料的液体从输送管道中引入矿用阻化泵站的进口流道中。
二、旋流器:将进口流道引入旋流器,通过旋转让液体形成旋涡,达到分离固液的目的。
阻化泵站中附加的旋流器能够有效地过滤掉液体中的杂质和泥沙,保证了机器的正常运行。
三、阀门:通过阀门的开关控制流量大小,用以调节输送物料的流量和速度,阀门的开启和关闭与泵站的泵送速度和方向有关。
四、浆液箱:在阻化泵站中设有浆液池,负责将污泥或泥浆等物料混合在一起,形成污泥浆液体。
五、压力回路:当液体通过阻化泵站进入压力回路,泵站将实现对压力变化的控制。
六、叶轮:泵站通过叶轮快速旋转,打破物料的结构,生成一个类似于真空的环境,实现液体的抽纯、分离和搅拌等功能。
七、出口管道:泵站通过出口管道将流体输送到设定的目的地。
总之,矿用阻化泵站作为一种运输、搅拌和过滤等多功能的设备,具有出色的防堵塞和抗腐蚀等性能,可以广泛应用于各种矿山、金属冶炼和化工领域。
矿用阻化泵安全操作及保养规程简介矿用阻化泵是一种新型的排污工艺泵,它是通过高速旋转的运动来将液体中的微小固体颗粒分离。
矿用阻化泵具有体积小、重量轻、噪音低、能耗小等优点,广泛应用于矿山、化工厂等行业。
在使用矿用阻化泵时,应严格按照安全操作规程进行操作和维护以确保其安全性能。
安全操作规程1. 前期准备•在操作前,应先检查矿用阻化泵设备及电源线路是否完好无损。
•对于新投产的阻化泵,应先进行调试,并试运行10分钟以上,确认没有问题后方可投入实际使用。
•确认操作人员已经熟悉了矿用阻化泵的使用说明,熟悉操作规程。
2. 操作步骤•开始操作前,应将矿用阻化泵表面的脏物清洗干净,保持设备的外表清洁卫生。
•打开电源开关,并调整矿用阻化泵的频率及电流大小,使其正常运行。
•操作人员应对矿用阻化泵的运行状态进行实时观察,并根据实际情况自行做出调整。
•如果矿用阻化泵出现异常,应及时停止运行并进行检查及维修。
•操作人员应该常常检查机器运行情况并及时做好记录,如果有单机故障需要及时发现并处理。
3. 停机操作•在操作完成后,应该及时关闭电源开关,并将所有的配件清洗干净。
•停机后应检查所有的阻化泵管件、配件是否有异常现象,如果有需要及时处理。
•维护人员应该进行定期的检查、保养,处理保养记录中的故障或隐患,使设备安全流畅正常运行。
保养规程1. 日常保养•不要使用过硬的物体去擦洗矿用阻化泵的表面,以免刮伤。
•请勿将矿用阻化泵长时间处于高温、潮湿的环境中。
•请勿将化学物品沾染到矿用阻化泵表面。
•阻化泵设备周边要保持干净,避免塑料布和其他避免搏损坏阻化泵的物品摆放过多。
2. 定期保养•矿用阻化泵在连续运行一段时间后,吸入气体会减少并影响性能,所以应该定期进行排气处理。
•定期检查矿用阻化泵中的电机部分是否有异响,如有需要及时处理。
•定期检查矿用阻化泵的防尘罩和电线是否老化,如有需要或必要更换。
•定期检查防尘罩和电机的风扇轴是否有松动等现象。