交流电机试验报告
- 格式:doc
- 大小:40.00 KB
- 文档页数:1
一、实验目的1. 了解电动机的基本结构和工作原理。
2. 掌握电动机的类型和分类。
3. 熟悉电动机的主要性能指标和测试方法。
4. 培养实验操作能力和数据分析能力。
二、实验内容1. 电动机基本结构观察(1)观察电动机的外部结构,包括定子、转子、端盖、轴承、接线盒等部分。
(2)了解各部分的作用和相互关系。
2. 电动机工作原理分析(1)分析电动机的电磁感应原理。
(2)阐述电动机的转动过程。
3. 电动机类型及分类(1)介绍电动机的类型,如异步电动机、同步电动机、直流电动机等。
(2)讲解电动机的分类依据,如按转速、功率、用途等。
4. 电动机性能指标及测试方法(1)介绍电动机的主要性能指标,如额定功率、额定电压、额定电流、额定转速等。
(2)阐述电动机性能指标的测试方法,如空载试验、负载试验、效率试验等。
5. 电动机实验操作(1)进行电动机空载试验,观察电动机的启动、运行、停止过程。
(2)进行电动机负载试验,记录电动机的转速、电流、功率等数据。
(3)分析实验数据,计算电动机的性能指标。
三、实验步骤1. 准备实验设备,包括电动机、电源、测功机、电流表、电压表、转速表等。
2. 观察电动机的基本结构,了解各部分的作用和相互关系。
3. 分析电动机的工作原理,阐述电动机的转动过程。
4. 了解电动机的类型及分类,掌握分类依据。
5. 熟悉电动机的主要性能指标和测试方法。
6. 进行电动机空载试验,观察电动机的启动、运行、停止过程。
7. 进行电动机负载试验,记录电动机的转速、电流、功率等数据。
8. 分析实验数据,计算电动机的性能指标。
9. 完成实验报告,总结实验过程和结果。
四、实验结果与分析1. 电动机空载试验观察电动机在空载状态下的启动、运行、停止过程,发现电动机启动平稳,运行稳定。
2. 电动机负载试验记录电动机在负载状态下的转速、电流、功率等数据,分析实验结果如下:(1)电动机在负载状态下的转速略低于额定转速,说明电动机在负载下存在一定的转速降。
电动机实验报告篇一:电机实验报告黑龙江科技大学综合性、设计性实验报告实验项目名称电机维修与测试所属课程名称电机学实验日期 XX年5.6—5.13班级电气11-13班学号姓名成绩电气与信息工程学院实验室篇二:电机实验报告实验报告本课程名称:电机拖动基础班级:电气11-2 姓名田昊石泰旭孙思伟指导老师:_史成平实验一单相变压器实验实验名称:单相变压器实验实验目的:1.通过空载和短路实验测定变压器的变比和参数。
2.通过负载实验测取变压器的运行特性。
实验项目:1. 空载实验测取空载特性U0=f(I0), P0=f(U0)。
2. 短路实验测取短路特性Uk=f(Ik), Pk=f(I)。
3. 负载实验保持U1=U1N,cos?2?1的条件下,测取U2=f(I2)。
(一)填写实验设备表(二)空载实验1.填写空载实验数据表格2. 根据上面所得数据计算得到铁损耗PFe、励磁电阻Rm、励磁电抗Xm、电压比k(三)短路实验1. 填写短路实验数据表格O(四)负载实验1. 填写负载实验数据表格表3 cos?2=1(五)问题讨论1. 在实验中各仪表量程的选择依据是什么?根据实验的单相变压器额定电压、额定电流、额定容量、空载电压,单相变压器电源电压和频率、线圈匝数、磁路材质及几何尺寸等。
2. 为什么每次实验时都要强调将调压器恢复到起始零位时方可合上电源开关或断开电源开关?防止误操作造成人身伤害、防止对变压器及其它仪器仪表等设备过压过流而损坏。
3. 实验的体会和建议1.电压和电流的区别:空载试验在低压侧施加额定电压,高压侧开路;短路试验在高压侧进行,将低压侧短路,在高压侧施加可调的低电压。
2.测量范围的不同:空载试验主要测量的是铁芯损耗和空载电流, 而短路试验主测量的是短路损耗和短路电阻。
3.测量目的不同:空载试验主要测量数据反映铁芯情况,短路试验反映的是线圈方面的问题。
4.试验时,要注意电压线圈和电流线圈的同名端,要避免接错线。
电动机在线检测软件的技术试验报告软件部杨艳1.本项目的应用范用和主要功能1.1应用范围:电力、煤炭、化工、钢铁、水泥等系统的大型鼠笼式异步电动机。
在工业现场,对不同功率大小的交流电动机处理方式是完全不相同的。
对于小功率电机,如几百千瓦以下的,一般只作为一个元件,一般不搞在线监测,也很少进行离线测试,有故障就更换,有备用机。
对于大型电动机,如发电厂的吸风机、球磨机,功率为2000,或更大, 才有价值进行在线监测和离线监测,这种电机也有备用机,监测的程度远不如发电机。
1.2主要功能••对连续运行的异步电动机进行实时监测,对运行工况进行实时分析,在故障发生之前进行异常预警,避免发生事故及事故的扩大化,同时能够识别故障的性质,并提出相应的措施,对于异步电动机的维修提出了指导性的建议。
在非连续运行情况下,根据对启动过程的分析,可出具试验报告。
在发生真正故障时,还能够启动故障滤波, 对故障时候的电气量进行记录,作故障后分析,出具分析报告。
2.本项目的主要技术条件2.1在线检测可判定的故障类型、判断原理2.1.1转子断条故障危害:笼型异步电动机转子断条故障将导致电机出力下降、运行性能恶化。
加之转子断条故障发生概率高达10%,因此必须对其进行检测,特別是进行早期检测。
早期检测系统可以在故障发展初期及时告警,有助于现场组织、安排维修,避免事故停机,具有显著经济效益。
判断原理:笼型异步电动机发生转子断条故障后,在其定子电流屮将岀现/ = (1±2怠)力,伙=123)频率的附加电流分量($为转差率,fi为供电频率)。
由于定子电流信号易于采集,可以对定子电流信号进行频谱分析,提取故障频率分量幅值及基频分量幅值,以两者之比作为故障特征,设定检测阈值(一般设定为1-2%),超过此阈值则认为存在转子断条故障。
2. 1. 2气隙偏心故障危害:转子和定子由于装配、运行时振动和非平衡的径向此拉力,将会导致电动机的气隙偏心。
电机空载试验实验报告一、实验目的本次实验的主要目的是通过对电机空载试验的进行,了解电机的运行特性以及其电气参数,同时对电机的性能进行评估和分析。
二、实验装置与材料1. 实验平台:电机空载试验平台2. 电机:AC异步电机3. 测量仪器:电能表、电流表、电压表三、实验原理电机的空载试验是指在电机无负载情况下进行的试验,通过测量电机的输入电流、输入功率、输出功率等参数,可以评估电机的运行状态和效率。
在电机空载状态下,输入电流和功率主要用于克服电机内部的电磁压降和机械损耗,输出功率为零。
因此,可以通过测量输入电流和输入功率来估算电机的功率损耗。
根据电机的功率输入和损耗,可以计算出电机的效率。
四、实验步骤1. 将电机接入实验平台,并固定好电机底座。
2. 连接电能表、电流表和电压表到电机的输入端,确保连接正确。
3. 打开电源,将电能表、电流表和电压表的指针归零。
4. 调节电源的输出电压,使得电压表读数在额定电压范围内。
5. 开始记录电机的输入电流和电压。
6. 根据电流表和电压表的读数,计算出电机的输入功率。
7. 持续记录一段时间后,停止记录,并计算平均值。
五、实验结果与分析根据实验步骤中记录的数据,得到电机的输入电流和电压,可以计算出电机的输入功率。
根据电机的额定功率,可以计算出电机的效率。
根据实验数据计算出来的电机效率可以用来评估电机的健康程度和运行情况。
如果电机的效率较低,可能存在电机内部的损耗问题,需要进行进一步的检修和维护。
而如果电机的效率接近额定效率,则说明电机运行良好。
同时,通过对电机的输入功率和损耗进行分析,可以评估电机的性能和能耗。
如果电机的损耗较大,可能需要考虑替换更高效的电机来降低能耗。
六、存在问题与改进方向在本次实验中,由于时间和条件的限制,无法对电机的振动、温升等指标进行全面的测试和分析。
因此,在今后的实验中,可以加入更多的测试仪器和方法,对电机的各项指标进行更加全面的评估和分析。
此外,可以对不同负载下的电机性能进行测试,以获得更具体的数据和性能分析。
电机实习报告3篇电机实习报告篇1实习目的`:认识了解电机制造的一般工序流程及基本知识,掌握电机制造与加工的基本技能,了解社会工作岗位的基本情况。
并培养出良好的时间观念,纪律观念,工作态度和实践能力,为以后走上社会工作岗位做好准备。
实习单位综合概述:德州市恒力玛瑞电机制造有限责任公司成立于一九六六年,为原机械工业部船用电机定点生产厂家之一,长期以来一直为海军生产船用电机,是一家集电机研发,生产,销售和维修于一体的现代制造企业,拥有雄厚的资本,完整稳定的生产销售链和强大的自主研发能力,是德州制造业中有名的一家企业。
实习内容及进度:十一月一号,在进行入厂安全教育之后,参观了解电机的完整制造流程,初步接触电机定子的组装及加工。
二号到四号,在装配车间进行定子加工的具体学习和操作。
五号和六号,在装配车间和加工车间进行转子组装及加工,电机整体组装及加工的观摩学习和操作。
第七天上午参观学习数控加工,下午进行实习总结。
实习体验与心得:一号上午,进入车间,一切都是那么的陌生,大型机器的轰鸣声掩盖了几乎所有说话的声音,工人师傅都在忙碌,一切的一切在进入工厂的瞬间发现:现实与梦想之间是有距离的,在实习一周后我发现,这距离也并不是遥不可及的。
工厂,车间,陌生的环境,我只有在师傅的讲解与自己的观察中去慢慢了解他们的工作、生活并学习师傅众多的生活工作经验。
工作,师傅的工作看上去似乎很简单,但亲自动手操作后才发现并非如此,在看到、想到和做到之间还有很远的距离,不要理所当然的认为,看上去很简单的东西做起来也很简单。
有些同学认为很简单就不去亲手操作,有些同学认为这么简单,做了没有意义。
到此,我想起电视剧《士兵突击》里的一句话:不要对没做过的事说没意义。
才发现很多听过的至理名言以前并没有真正懂得。
一句话,知道它的意思不能叫懂得,最多算是了解,只有因此产生对人生的感悟才算是真正懂得了前辈们用实践换来的经验。
刚实习的第一天,分配给我的任务是对电机定子进行线圈紧固绑扎,我按照技术员教我的方法,运用操作工具开始慢慢学着绑扎定子,在加工的同时注意操作流程及有关注意事项等。
三相异步电动机试验报告单2三相交流异步电动机型式试验数据处理一、 被试电动机铭牌中的主要数据被试电动机铭牌中的主要数据二、 试验数据统计和计算(一)绝缘电阻的测定1、绝缘电阻测量结果汇总(见表1-1)表1-1 绝缘电阻测量结果汇总 注:测量时电机绕组温度(环境温度)为 ℃2、测量结果的判断一般电机标准中,都没有电机在冷状态时的绝缘电阻的考核标准,但电机绕组的绝缘电阻在冷状态下所测得的数值应不小于下式所求得的数值3式中:MCR 是电机绕组冷状态下绝缘电阻考核值,MΩ;U 是电机绕组的额定电压,V ; t 是测量时的绕组温度(一般用环境温度),℃。
3、思考题在绝缘电阻的测定中,如何选用兆欧表?(二)绕组在实际冷状态下直流电阻的测定1、冷状态下直流电阻测量结果汇总(见表2-1)表2-1 冷状态下直流电阻测量结果汇总2、测量结果的处理标准工作温度下的定子绕阻:475 1r =0T 75T R ⨯++θ3、思考题测量定子绕组的直流电阻为何不用万用表?(三)、空载特性的测量1、空载试验数据汇总(见表3-1)空载试验后立即测得的一个定子线电阻0R 。
表3-1 空载试验数据汇总52、试验数据计算(1)计算三相电压平均值0U 。
每点的三相电压平均值0U 为三个读数之和除以3。
(2)计算三相电流平均值0I 。
每点的三相电流平均值0I 为三个读数之和除以3。
(3)计算每点的输入功率仪表显示值0P 。
每点的输入功率仪表显示值0B P 为两功率表读数的代数和。
(4)计算每点的空载铜耗0Cu1P用公式0203R I P 0Cu1=求出各点的空载铜耗。
(5)计算求出各点的铁耗与机械耗之和'0P铁耗与机械耗之和为空载损耗与空载定子铜耗之差100Cu 0P P P -='上述计算结果见表3-26表3-2 空载试验计算结果3、绘制空载特性曲线和求取铁耗Fe P 及机械损耗m P (1)绘制空载特性曲线在同一坐标纸上绘制如下空载特性曲线:1)()0U f I =2)()00U f P=3)()20U f P ='(2)求取额定电压时的铁耗和机械损耗 (3)求额定电压时的空载电流和空载损耗 4、思考题如何分离铁耗和机械损耗?7(四)堵转试验1、堵转试验数据汇总(见表4-1)2、试验数据计算(1)计算堵转电压值KU 。
电机报告模板1. 引言在工业领域,电机是最重要的机械装置之一。
电机的使用范围非常广泛,涵盖了从家用电器到工业大型机械的领域。
为了保证电机的高效、可靠性能,工程师们需要对电机进行定期检修和维护。
本次实验主要目的是通过实验操作和分析,了解电机的基本工作原理、性能参数及其应用。
2. 实验仪器•电动机•电流表•电压表•万用表•安全绝缘电阻测试仪3. 实验步骤3.1 设备检查在进行实验前,需要先检查仪器和设备是否正常工作,如电压表、电流表、万用表是否准确,电机机械部分是否干净,电路线路是否良好连接等方面。
确保实验数据的准确。
3.2 电机组装将电机按工作要求连接,使用万用表测试线路的阻抗,并检查线路中是否有短路或断路情况。
3.3 电机的空载试验根据电机的额定电压和额定功率设置电压和电流限制,通过使用电压表和电流表,对电机进行空载试验。
记录输出的数据,包括额定电压、额定电流、空载电流、空载功率等。
3.4 电机的负载试验将电动机连接到负载电路上,增加转动力矩,记录各项指标,如电流、电压、功率等,以此来分析电机的负载能力和效率。
3.5 电机的绝缘测试使用安全测试仪检测电机绕组的安全绝缘电阻。
如果检测电阻值低于标准值,应及时维护和更换。
4. 数据分析通过本实验产生的数据,对电机进行性能分析和评估。
电机空载电流、空载功率、额定电压和额定电流是电机基本性能指标,反映了电机的空载特性。
电机负载后的电流、电压、功率等指标,可以评估电机的负载特性和效率。
评估指标主要包括电机效率、功率因素和启动电流等方面。
5. 结论本文主要介绍了电机的基本工作原理、性能参数及其应用,并介绍了一种实验方法,对电机性能参数和操作能力进行分析和检测。
通过实验数据的测量与分析,对电机的基本性能、负载特性等重要性能指标进行了评估和总结,以便工程师在实际应用工作中更科学地运用和维护电机,保证电机的高效可靠性能。
竭诚为您提供优质文档/双击可除三相交流电动机启动控制实验报告篇一:三相异步电动机的Y—△启动控制实验报告可编程控制器课程设计报告书三相异步电动机的Y—△启动控制学院名称:学生姓名:专业名称:班级:时间:自动化学院20XX年5月20日至5月31日三相异步电动机的Y—△启动控制一、设计目的:1.了解交流继电器、热继电器在电器控制系统中应用。
2.了解对自锁、互锁功能。
3.了解异步电动机Y—△降压启动控制的原理、运行情况及操作方法。
二、设计要求:1、设计电动机Y—△的启动控制系统电路;2、装配电动机Y—△启动控制系统;3、编写s7_300的控制程序;4、软、硬件进行仿真,得出结果。
三、设计设备:1.三相交流电源(输出电压线);2.继电接触控制、交流接触器、按钮、热继电器、熔断器、pLcs300;3.三相鼠笼式电动机。
四、设计原理:对于正常运行的定子绕组为三角形接法的鼠笼式异步电动机来说,如果在启动时将定子绕组接成星形,待起动完毕后再接成三角形,就可以降低启动电流,减轻它对电网的冲击,这样的起动方式称为星三角减压启动,或简称为星三角启动(Y-Δ启动)。
星三角起动法适用于正常运行时绕组为三角形联接的的电动机,电动机的三相绕组的六个出线端都要引出,并接到转换开关上。
起动时,将正常运行时三角形接法的定子绕组改接为星形联接,起动结束后再换为三角形连接。
这种方法只适用于中小型鼠笼式异步电动机.定子绕组星形连接时,定子电压降为三角形连接的1/√3,由电源提供的起动电流仅为定子绕组三角形连接时的1/3。
就是可以较大的降低启动电流,这是它的优点.但是,由于起动转矩与每相绕组电压的平方成正比,星形接法时的绕组电压降低了1/√3倍,所以起动转矩将降到三角形接法的1/3,这是其缺点。
Y-△降压启动器仅适用于△运行380V的三相鼠笼式电动机作空载或轻载启动。
三相鼠笼式异步电动机Y—△降压启动控制线路图,如图1所示。
图1原理图的分析:按下空开后,按下sb1按钮,Km,KmY线圈得点,同时计时器也开始计时,Km得点,sb1按钮断开,Km触点闭合实现自锁,此时Km、KmY触点闭合,电动机以Y 型启动;当计时器计时时间到,如上电路图KmΔ线圈得到,KmΔ常闭触点断开KmY线圈失电,KmY触点断开,KmΔ触点闭合进行工作,同时KmΔ动合触点闭合实现了互锁电路,此时电动机以Δ型运行。
电动机试验报告胜利排水闸站证书编号:K0034 水电六局电气试验室机电安装单元工程厂房温度 20 ℃湿度 80 %一、技术数据:额定容量4KW 型号额定频率50Hz 电压380V转速2900r/min 绝缘水平 B二、绝缘电阻测出厂编号测量值试: (MΩ)位置检修排水3718 200渗漏排水270空载试验:电动机空载起动三相电流平衡, 电动机运行都正常。
四: 结论: 合格。
试验年月日电动机试验报告胜利排水闸站证书编号:K0034 水电六局电气试验室机电安装单元工程进水口闸门温度 20 ℃湿度 80 %一、技术数据: 型号Y11ZW-6额定容量 2.2KW额定频率50Hz 电压380V 转速940r/min 绝缘水平 B二、绝缘电阻测试: (MΩ)位置出厂编号测量值1#闸门734 1002#闸门824 1203#闸门110 1004#闸门820 100空载试验:电动机空载起动三相电流平衡, 电动机运行正常。
四: 结论: 合格。
试验年月日审核年月日监理年月日电动机试验报告胜利排水闸站证书编号:K0034 水电六局电气试验室机电安装单元工程压水池闸门温度 20 ℃湿度 80 %一、技术数据: 型号Y112W-6额定容量 2.2KW额定频率50Hz 电压380V 转速940r/min 绝缘水平 B二、绝缘电阻测试: (MΩ)位置出厂编号测量值1#闸门202 2002#闸门170 1803#闸门1731 2004#闸门1723 220空载试验:电动机空载起动三相电流都平衡, 电动机运行都正常。
四: 结论: 合格。
试验年月日审核年月日监理年月日电动机试验报告胜利排水闸站证书编号:K0034 水电六局电气试验室机电安装单元工程排水闸门温度 20 ℃湿度 80 %一、技术数据: 型号Y112W-6额定容量 2.2KW额定频率50Hz 电压380V 转速940r/min 绝缘水平 B二、绝缘电阻测试: (MΩ)位置出厂编号测量值1#闸门285 1002#闸门203 1203#闸门1725 100空载试验:电动机空载起动三相电流都平衡, 电动机运行都正常。
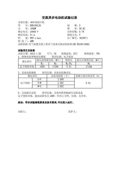
交流异步电动机试验记录
安装位置:4#料场削片机
型号:HXR450LJ6 相数:3
功率:450KW 频率:50 HZ
额定电压:10000 V 功率因数:0.79 额定电流:34 A 接线方式:Y
转速:993 r/min 出厂编号:4623874
制造厂:ABB
试验依据:电气装置安装工程电气设备交接试验标准(GB 50150-2006)
试验项目及结果
试验日期:2013.4.26 天气:晴现场温度:25℃现场湿度: 70%
1、绝缘电阻和吸收比测量使用仪器:电子摇表
测定部位耐压前绝缘电阻(MΩ)吸收比耐压后绝缘电阻(MΩ)R
15
R
60
R
60
/R
15
R
60
定子绕组对地4850 17200 3.54 17166
2、直流电阻测量使用仪器:直流电阻测试仪
测定部位直流电阻值(Ω)按最小值比的误差(%)
定子绕组U-V 2.050
0.01 V-W 2.052
W-U 2.052
3、交流耐压试验使用仪器:交流串联谐振耐压试验设备
定子绕组对地,施加试验电压16KV,时间1分钟,结果:无异常。
结论:符合试验规范要求及技术要求,可以投入运行。
试验人:监护人:。
电机实验报告第1篇扬州大学能源与动力工程学院本科生实习题目:课程:专业:班级:学号:姓名:指导教师:实习日期:电机学实习报告刘伟目录前言以及大中电机厂概况1、实习的目的及要求实习的目的实习的任务及要求2、电机整体结构及框架图电机整体结构电机各部分器件3、课程及参观内容第一天课程内容-------------安全生产教育第一天参观内容-------------电机制造的各个车间第二天课程内容-------------低压交流异步电动机技术简介第二天参观内容-------------锻压车间和绕线车间第三天课程内容-------------高压三相异步电动机技术简介和同步电机技术简介第三天参观内容-------------高压电机第四天课程内容--------------直流电动机技术简介和高压电机出厂试验、测试第四天参观内容-------------线圈制造分厂4、收获和体会文献来源电气工程及其自动化是一门非常普遍的学科。
电气工程一级学科包含电机与电器、电力系统及其自动化、高电压与绝缘技术、电力电子与电力传动、电工理论与新技术五个二级学科,电气工程的主要特点是以强电为主、弱电为辅、强弱电结合,电工技术与电子技术相结合、软件与硬件结合、元件与系统结合,具有交叉学科的性质,电力、电子、控制、计算机多学科综合,是“宽口径”专业。
电机实验报告第2篇实验报告格式一、实验报告知识述要实验报告是以实验本身为研究对象,或者以实验作为主要研究手段而得出科研成果后所写出的科研文书。
实验报告具有一般科研文书的科学性、实践性、规范性等特点。
(一)实验报告的概念和用途实验报告是实验者在某项科研活动或专业学习中,用简洁准确的语言完整真实地记录、描述某项实验过程和结果的书面材料,是对实验工作的总结和概括,是整个实验工作不可或缺的组成部分,也是实验成果的重要表现形式。
在科研活动中,实验是形成、发展和检验科学理论或假设的重要方法,而实验报告是实验环节的理吐升华,是实验工作的重要环节。
交流电动机试验报告一、实验目的本实验旨在通过对交流电动机的试验来掌握交流电动机的基本结构及工作原理,并通过对电动机的性能进行测试以了解其运行特性。
二、实验仪器和材料1.交流电动机2.测功机3.计算机4.电压表、电流表、频率表5.电能表6.电源7.电缆、连接线等三、实验步骤1.首先,将电动机正确连接到电源和测功机上,确保连接牢固可靠,避免接触不良或短路等问题。
2.调整电压表、电流表和频率表的量程,以便能够准确测量电动机运行时的电压、电流和频率。
3.打开电源,将电压调至额定电压,并将频率调节至额定频率。
同时,启动测功机,以设置负载参数。
4.在电动机运行过程中,通过电能表测量电机的输入功率和输出功率,计算电动机的效率。
5.测量电动机的电压和电流,并根据测得的数值计算出电动机的功率因数。
6.在试验过程中,注意观察电动机的运行情况,特别是是否存在异常震动、异常噪音等现象,及时记录并做出相应的处理。
7.在试验结束后,关闭电源,拔掉电源插头,并进行数据整理和统计。
四、实验结果及分析根据实验数据统计,得到了电动机的功率、效率和功率因数等参数。
通过对这些参数的比较和分析,可以得出电动机的性能表现。
五、实验结论通过对交流电动机的试验,了解了交流电动机的基本结构及工作原理,并对其性能进行了测试。
根据实验结果分析,得到了电动机的功率、效率和功率因数等参数,进一步了解了电动机的运行特性。
六、实验心得通过本次试验,我掌握了交流电动机的基本原理和试验方法。
在实验过程中,我认真观察电动机的运行情况,并做好了数据记录和数据分析。
通过实验,我对电动机的性能有了更深入的了解,并对未来的工作有了更清晰的认识。
同时,也提醒自己在实验操作中要保持谨慎,避免造成意外伤害或设备损坏。
2023年电机厂的实习报告七篇电机厂的实习报告篇1一、实习目的1、锻炼自我的动手潜力,将学习的理论知识运用于实践当中,反过来检验书本上理论的正确性。
将自我的理论知识与实践融合,进一步巩固、深化已经学过的理论知识,提高综合运用所学过的知识,并且培养自我发现问题、解决问题的潜力。
2、更广泛的直接接触社会,了解社会需要,加深对社会的认识,增强对社会的适应性,将自我融合到社会中去,培养自我的实践潜力,缩短我们从一名大学生到一名工作人员之间的思想与业务距离。
为以后进一步走向社会打下坚实的基础;3、了解公司部门的构成和职能,整个工作流程,从而确立自我在公司里最擅长的工作岗位。
为自我未来的职业生涯规划起到关键的指导作用。
二、实习时间:3月1号——4月30号三、实习地点:唐山__电机维修厂四、实习单位和部门:唐山__电机维修厂装配部五、实习资料在那里我第一次亲身感受了所学知识与实际的应用,电子技术在机械制造工业的应用了,精密机械制造在机器制造的应用了,等等理论与实际的相结合,让我们大开眼界,也是对以前所学知识的一个初审。
透过这次生产实习,进一步巩固和深化所学的理论知识,弥补以前单一理论教学的不足,为后续专业课学习和毕业设计打好基础。
也更加坚定了我对未来的学习与工作的决心与信心。
该厂是以维修电动机为主要营业项目的。
电动机是一种用来将电能与机械能相互转换的电磁装置,其运行原理基于电磁感应定律,电动机的种类与规格很多,按其电流类型很分为直流电机和交流电机两大类。
交流电机的基本结构由两个主要部分组成,固定不动的部分叫做定子,旋转部分叫转子,转子装在定子腔内,彼此之间有一个很小的均匀的气隙,此外还有盖端、轴承盖、风扇和风罩等。
直流电机的特点是能够无机变速,调速范围广,启动转距大,直流电机的构造好似一台装有换向器的交流电机,依靠换向器作用,把交流变直流。
它主要有两大部分组成。
定子和转子。
三相定子绕组星形与三角形连接:将三角形的首端d1、d2、d3、(或尾端)连接在一齐,而另外三个线端与三相电源相接,即成星形连接;将三相绕组的一相首端与另一相的尾端想连接,如d1-d6,d2-d4,d3-d5,组成闭合三角形,三个端点与电源相接,即成三角形接法。
竭诚为您提供优质文档/双击可除电机学实验报告三相感应电动机篇一:电机学实验报告_实验报告课程名称:电机学实验指导老师:章玮成绩:__________________实验名称:异步电机实验实验类型:______________同组学生姓名:杨旭东一、实验目的和要求(必填)二、实验内容和原理(必填)三、主要仪器设备(必填)四、操作方法和实验步骤五、实验数据记录和处理六、实验结果与分析(必填)七、讨论、心得一、实验目的1、测定三相感应电动机的参数2、测定三相感应电动机的工作特性二、实验项目1、空载试验2、短路试验3、负载试验三、实验线路及操作步骤电动机编号为D21,其额定数据:pn=100w,un=220V,In=0.48A,nn=1420r/min,R=40Ω,定子绕组△接法。
1、空载试验(1)所用的仪器设备:电机导轨,功率表(DT01b),交流电流表(DT01b),交流电压表(DT01b)。
(2)测量线路图:见图4-4,电机绕组△接法。
(3)仪表量程选择:交流电压表250V,交流电流表0.5A,功率表250V、0.5A。
(4)试验步骤:安装电机时,将电机和测功机脱离,旋紧固定螺丝。
试验前先将三相交流可调电源电压调至零位,接通电源,合上起动开s1,缓缓升高电源电压使电机起动旋转,注意观察电机转向应符合测功机加载的要求(右视机组,电机旋转方向为顺时针方向),否则调整电源相序。
注意:调整相序时应将电源电压调至零位并切断电源。
接通电源,合上起动开关s1,从零开始缓缓升高电源电压,起动电机,保持电动机在额定电压时空载运行数分钟,使机械损耗达到稳定后再进行试验。
调节电源电压由1.2倍(264V~66V)额定电压开始逐渐降低,直至电机电流或功率显著增大为止,在此范围内读取空载电压、空载电流、空载功率,共读取7~9组数据,记录于表4-3中。
注意:在额定电压附近应多测几点。
试验完毕,将三相电源电压退回零位,按下电源停止按钮,停止电机。
电动机试验报告一、试验目的本次电动机试验的主要目的是评估电动机的性能、质量和可靠性,以确定其是否符合设计要求和相关标准,为其在实际应用中的安全、稳定运行提供依据。
二、试验对象本次试验的电动机型号为_____,额定功率为_____kW,额定电压为_____V,额定电流为_____A,转速为_____r/min,生产厂家为_____。
三、试验设备及仪器1、电源:_____型号交流电源,输出电压范围为 0 ____V,输出电流范围为 0 ____A。
2、功率分析仪:_____型号功率分析仪,用于测量电压、电流、功率、功率因数等参数。
3、转速测量仪:_____型号转速测量仪,精度为_____r/min。
4、温度测量仪:_____型号红外测温仪,测量范围为_____℃至_____℃,精度为_____℃。
5、噪声测量仪:_____型号噪声测量仪,测量范围为_____dB(A)至_____dB(A),精度为_____dB(A)。
四、试验环境试验在室内进行,环境温度为_____℃,相对湿度为_____%,大气压为_____kPa。
五、试验项目及方法1、外观检查检查电动机的外观是否有损伤、变形、锈蚀等情况。
检查电动机的铭牌参数是否清晰、准确。
检查电动机的接线盒、风扇、端盖等部件是否安装牢固。
2、绝缘电阻测量使用兆欧表测量电动机定子绕组的绝缘电阻,测量时分别测量各相绕组对地及相间的绝缘电阻。
绝缘电阻的测量值应不低于_____MΩ。
3、直流电阻测量采用电桥法测量电动机定子绕组的直流电阻,测量时分别测量各相绕组的电阻值。
各相绕组直流电阻的相互差值不应超过最小值的_____%。
4、空载试验将电动机与负载脱开,接通电源,使其在额定电压下空载运行。
测量空载电流、空载功率、转速等参数。
空载电流不应大于额定电流的_____%,空载功率因数不应低于_____。
5、负载试验将电动机与负载连接,逐渐增加负载,使其在额定电压和额定负载下运行。
篇一:电机实习报告关于电机实习的实习报告重庆科技学院电气与信息工程学院张天峰一、前言电机实习是我们能够将课本中所学的理论知识与实践知识相结合的一个非常重要的环节,通过对电机生产过程的参观,电机实体结构的认识,可以更好的掌握课本中的理论知识。
这次实习主要分为去重庆赛力盟电机有限公司厂内工程师对电机生产过程的介绍参观和学习一位电机老师傅拆装电机,要求我们通过这次实习能够更清楚的认识电机的内部结构与生产流程。
二、实习内容2014年6月30号上午,我们全体电气工程及其自动化2012级同学乘坐校车前往重庆赛力盟电机有限公司进行实习参观,第一次从教室踏入工厂的车间只能用激动和震撼两个词来形容,接待我们负责讲解的是赛力盟电机公司一位年轻的研发部门的工作人员,当他说出自己也是从大学毕业后进入这里工作的时候一下子给我们拉近了距离。
在进入车间参观之前,工程师很热情严肃的给我们介绍参观实习过程中的安全注意事项,要注意头上的天车吊卸重物,胸前的参观牌在生产机器前要用手拿住以防被卷入机器中去。
工程师带我们进入的第一个车间是主要负责转轴加工的,工程师给我们讲解了转轴加工的主要流程:下料(做成一节一节圆乎乎的)—粗车—调制(热处理)—半精车(一圈圈红色的)—磨床—铣键槽(铣床),这个流程过后如果可以通过焊浮金使其对称,跟随着工程师的讲解,我们见到了一个个电线杆粗的转轴,真的很吃惊,没想到转轴竟然还有这么大和粗的。
工程师告诉我们这是大型电机的转轴,大型电机工作性能最好的可以一个小时之内将广州一个区的雨水排干净,紧接着我们看到了电机的外壳排内关盖箱体,工程师给我们了讲解了很多工作经验总结出来的知识,这些在课本内是找不到的,大型的电机主要采用方扁型的,圆形的很少用,比如说大型水轮机和发电机,压圈用做定子铁芯两端用的,飞轮可以增加转子的惯性,机座的外面要添加防锈漆,轴承可以分为稳动轴承和滑动轴承,焊接浮金可以加大直径等知识。
当我们走到一个滑动轴承边上时,一同学突然提出一个非常好的问题:为什么转轴铁芯有一边会有一圈圈减小的螺纹?工程师耐心的给我们解释这是因为那边是风扇位,另外一边是输出端,风扇位那端不需要太圆的轴承。