2020年维修电工知识竞赛试题160题及答案(三)
- 格式:docx
- 大小:43.07 KB
- 文档页数:29
第64题:共发射极放大电路如图所示,现在处于饱和状态,欲恢复放大状态,通常采用的方法是( )。
A、增大RBB、减小RBC、减小RCD、改变UGB第65题:三相异步电动机制动的方法一般有( )大类。
A、2B、3C、4D、5第66题:改变励磁磁通调速法是通过改变( )的大小来实现的。
A、励磁电流B、电源电压C、电枢电压D、电源频率第67题:低频信号发生器是用来产生( )信号的信号源。
A、标准方波B、标准直流C、标准高频正弦D、标准低频正弦第68题:同步电动机不能自行启动,其原因是:( )。
A、本身无启动转矩B、励磁绕组开路C、励磁绕组串电阻D、励磁绕组短路第69题:对额定电压为380伏,功率3千瓦及以上的电动机作耐压试验时,试验电压应取( )伏。
A、500B、1000C、1500D、1760第70题:三相半波可控整流电路,若负载平均电流为18A,则每个晶闸管实际通过的平均电流为( )。
A、18AB、9AC、6AD、3A第71题:一电流源的内阻为2Ω,当把它等效变换成10V的电压源时,电流源的电流是( )。
A、5AB、2AC、10AD、2.5A第72题:交磁电机扩大机直轴电枢反应磁通的方向为( )。
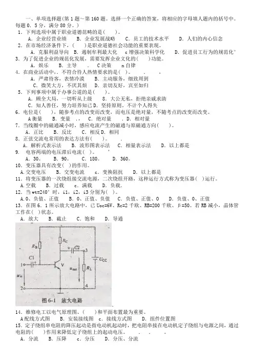
A、与控制磁通方向相同B、与控制磁通方向相反C、垂直于控制磁通D、不确定第73题:正弦交流电e=EmSin(ωt+φ)式中的(ωt+φ)表示正弦交流电的( )。
A、周期B、相位C、初相位D、机械角第74题:AXP-500型弧焊发电机他励励磁电路使用( )供电,以减小电源电压波动时对励磁回路的影响。
A、晶体管稳压整流电路B、晶闸管可控整流电路C、整流滤波电路D、铁磁稳压器第75题:用普通示波器观测一波形,若荧光屏显示由左向右不断移动的不稳定波形时,应当调整( )旋钮。
A、X位移B、扫描范围C、整步增幅D、同步选择第76题:对高压隔离开关进行交流耐压试验,在选择标准试验电压时应为38千伏,其加压方法在1/3试验电压前可以稍快,其后升压应按每秒( )%试验电压均匀升压。
一、单项选择题(第1题~第160题。
选择一个正确的答案,将相应的字母填人题内的括号中。
每题0.5分,满分80分。
)1.下列选项中属于职业道德范畴的是( )。
A.企业经营业绩 B.企业发展战略 C.员工的技术水平 D.人们的内心信念2.在市场经济条件下,( )是职业道德社会功能的重要表现。
A.克服利益导向 B.遏制牟利最大化 c增强决策科学化 D.促进员工行为的规范化°3.为了促进企业的规范化发展,需要发挥企业文化的( )功能。
A.娱乐 B.主导. C决策 n自律4.在商业活动中,.不符合待人热情要求的是( )。
.,A.严肃待客,表情冷漠 B.主动服务,细致周到C.微笑大方,不厌其烦 D.亲切友好,宾至如归5.下列事项中属于办事公道的是( )。
A.顾全大局,一切听从上级 8.大公无私,拒绝亲戚求助C.知人善任,努力培养知已D.坚持原则。
不计个人得失6.电位是( ),随参考点的改变而改变,而电压是绝对量,不随考点的改变而改变。
A衡量 B.变量., C.绝对量.D.相对量7.当线圈中的磁通减小时,感应电流产生的磁通与原磁通方向( )。
A.正比 B.反比 C.相反D.相同8.正弦交流电常用的表达方法有( )。
.A.解析式表示法 B.波形图表示法 C.相量表示法 D.以上都是9. 电容两端的电压滞后电流( )。
’A.30。
B.90。
C.180。
D.360。
10.变压器具有改变( )的作用。
A.交变电压 B.交变电流 c.变换阻抗 D.以上都是11.将变压器的一次绕组接交流电源,二次绕组开路,这种运行方式称为变压器( )运行。
A.空载 B.过载 c.满载 D.负载.12.当wt=240°时,i1,i2,i3分别为( )。
A.0、负值、正值 B.0、正值、负值 C.负值、正值、O D.负值、0、正值13.在图6.1所示放大电路中,已Uoc=6V、Rc=2千欧、RB=200千欧、β=50。
职业技能鉴定国家题库试卷3(高级维修电工)一、单项选择(第1题~第160题。
选择一个正确的答案,将相应的字母填入题内的括号中。
每题0.5分,满分80分。
)1、用独立的变频电路给同步电动机供电的称为(A)。
A、他控变频B、自控变频C、主控变频D、辅控变频2.改变逆变电路的输出(D)并协调地改变输出电压,即可实现同步电动机地调速。
A、电压B、电流C、功率D、频率3.在下列办法中,不能改变交流异步电动机转速的是(B)。
A、改变定子绕组地磁极对数B、改变供电电网地电压C、改变供电电网的频率D、改变电动机的转差率4.变频调速所用的VVVF型变频器,具有(C)功能。
A、调压B、调频C、调压与调频D、调功率5.直流电动机的转速公式为(A)。
A、n=(U-IaRa) /CeΦB、n=(U+IaR2) /CeΦC、n= CeΦ/ (U-IaRa)D、n= CeΦ/ (U+IaRa)6、直流电动机调速所用的斩波器主要起(D)作用。
A、调电阻B、调电流C、调电抗D、调电压7、线绕式异步电动机串级调速的特点是(D)。
A、机械特性软B、调速不平滑C、功率损耗大D、可在一定范围内调速8.线绕式异步电动机采用串级调速与转子回路串电阻调速相比(C)。
A、机械特性一样B、机械特性较软C、机械特性较硬D、机械特性较差9.三相并励换向器电动机调速适用于(A)负载。
A、恒转矩B、逐渐增大转矩C、恒功率D、逐渐减小转矩10.转子供电式三相并励交流换向器电动机的调速范围在(B)以内时,调速平滑性很高。
A、1:1B、3:1C、5:1D、10:111、无换向器电动机的逆变电路直流侧(B)。
A、串有大电容B、串有大电感C、并有大电容D、并有大电感12.无换向器电动机基本电路中,当电动机工作在再生制动状态时,逆变电路部分工作在(D)状态。
A、逆变B、放大C、斩波D、整流13.在实现恒转矩调速时,调频的同时(C)。
A、不必调整电压B、不必调整电流C、必须调整电压D、必须调整电流14、变频调速中的变频电源是(C)之间的接口。
低压电工作业安全培训考试题库及答案(3)低压电工作业安全培训考试题库及答案152. 三相异步电动机的额定温升,是指电动机额定运行时的额定温度。
( ) 答案:×153. 三相异步电动机在两相一零故障状态下运行时必将造成电动机外壳带电。
( ) 答案:× 154. 三相异步电动机在缺一相故障状态下运行时必将造成电动机外壳带电。
( ) 答案:× 155. 设备投入运行后,应检查电压、电流、声音、信号显示、油面等是否正常。
( ) 答案:√ 156. 生产过程中产生的粉尘、烟尘不含毒性,对作业人员基本无害。
( ) 答案:× 157. 生产经营单位必须依法参加工伤社会保险,为从业人员缴纳保险费。
( ) 答案:√ 158. 生产性毒物侵入人体只有呼吸道、皮肤和消化道三条途径。
( ) 答案:×159. 生产性噪声环境应使用防噪声耳塞。
( ) 答案:√160. 生产性噪声只是损害人的听觉。
( ) 答案:×161. 失爆是指电气设备的隔爆外壳失去耐爆性或隔爆性的现象。
( ) 答案:√162. 使用单位必须建立劳动防护用品定期检查和失效报废制度。
( ) 答案:√163. 使用伸缩式验电器时应保证其有足够长度。
( ) 答案:×164. 事故照明是在正常照明出现故障时,为了继续工作或从工作现场疏散人员而设臵的照明设施。
( ) 答案:√165. 手持式移动照明灯具(手把灯)应该采用“安全电压”作电源。
( ) 答案:√166. 受伤后伤者光有头痛头晕,说明是轻伤;此外还有瞳孔散大,偏瘫或者抽风,那至少是中等以上的脑伤。
( ) 答案:√167. 双重绝缘是指工作绝缘和保护绝缘。
( ) 答案:√168. 所有导线在室内明敷,需要穿墙、穿过楼板时都必须有保护套管。
( ) 答案:√ 169. 特种劳动防护用品实行三证制度,即生产许可证、安全鉴定证和产品合格证。
-1 C.减至一2“1 D. 减至一4电工学练习题〔A〕一、单项选择题:在以下各题中,有四个备选答案,请将其中唯一正确的答案填入题干的括号中.〔本大题共5小题,总计10分〕1、图示电路中,假设电压源U S 10 V,电流源|S 1 A,那么〔〕A.电压源与电流源都产生功率B.电压源与电流源都吸收功率C.电压源产生功率,电流源不一定电阻网络D.电流源产生功率,电压源不一定2、电路如下图,U s为独立电压源,假设外电路不变,仅电阻R变化时,将会引起〔〕A.端电压U的变化B.输出电流I的变化C.电阻R支路电流的变化D.上述三者同时变化3、电路如下图,支路电流I AB与支路电压U AB分别应为()A. 0.5 A 与15 VB. 0 A 与1 VC. 0 A 与1 VD. 1 A 与0 V4、图示正弦交流电路中, Ri1 3<2cos( t 45 )A,i2 4J2cos( t 45 ) A ,那么i3为()A .5 - 2 cos( t 81 ) A B. 5 2 cos( t 8.1 ) A 1 3 -1C. 5 2 cos t AD. 7 . 2 cos( t 45 )A5、可以通过改变电容来调节那么电容应〔〕RLC串联电路的谐振频率,假设要使谐振频率增大一倍,A.大4倍B.大2倍、填空题:〔共20分〕〔要求写出计算过程〕1、电路如下图,欲使电压源输出功率为零,那么电阻,所吸收功率为2、假设图〔a〕的等效电路如图〔b〕所示,那么其中I S为A, R S为-1 SO [T S3、图示正弦交流电路中,1R-CZI~--10「7 7、_____ -j5 I L、非客观题〔本大题10分〕电路如下图,应用KCL与ICZF4CZI --------------2A,4AKVL求电流I、电压U及元件X吸收的功率.四、非客观题〔本大题15分〕写出图示电路端口的电压电流关系式, 并画出其等效电路及伏安特性曲线. 〔15分〕五、非客观题〔本大题10分图示正弦交流电路中, R=〕1L ——=100 , I R 2 0 A.求U S和电路有功功率P. C一'组星形联接负载的二相功率 P 1=5.7kW , cos 1 相功率P 2.〔15分〕电工学练习题〔B 〕一、单项选择题:在以下各题中,有四个备选答案, 请将其中唯一正确的答案填入题干的括号中. 〔本大题共5小题,总计10分〕3、电路如下图,假设电流源的电流1s 1 A,那么电 路的功率情况为〔〕A.电阻吸收功率,电流源与电压源供出功率B.电阻与电流源吸收功率,电压源供出功率C.电阻与电压源吸收功率,电流源供出功率D.电阻无作用,电压源吸收功率,电流源供出功率 2、通过一个理想独立电压源的电流数值及其方向〔 〕A.可为任意值,仅取决于外电路,与电压源无关B.可为任意值,仅取决于电压源,与外电路无关C.必定大于零,取决于外电路与电压源本身D.可为任意值,取决于外电路与电压源本身3、电路如下图,支路电流1AB 与支路电压U AB 分别应为〔〕A. 0.5 A 与 1 VB. 1 A 与 2 VC. 0 A 与 0 VD. 1.5 A 与 3 V六、图示对称三相电路中,电源线电压 U AB 380 0 V,线电流 I A 17.32 30 A,第A B C 0.866 〔滞后〕,求第二组星形联接负载的三4 、图V ,u1 3.2sin 等于〔〕弦电压u 4Y 2 cos t 示正t V,那么图中电压表的读数应A. 1VB. 7VC. 5VD.5、RLC串联谐振电路的电感增至原来的谐振频率应为原来的A. 4倍14 C.一倍2二、填空题:〔共1、电路如下图,)8. 2倍1 、D.一倍420分〕〔要求写出计算过假设电流源吸收功率6W,所吸收的功率为Wo2、3、图示正弦交流电路中,I 10 A,那么图中所示电流三、非客观题〔题10分〕电路如下图, 求电流I1、I2及电压四、非客观题电路如下图,大题15分〕求⑴该电路的等效电路;源的功率,并指出是吸收还是供出功率.电压源供出功率为18 W,那么电阻U S.4倍时,程〕川2□R⑵ab开路时5 V电压五、非客观题〔本大题10分〕L =16 ,求:〔1〕电流i; 〔2〕电源电压u.六、非客观题〔本大题15分〕图示对称三相电路中, 星形联接负载〔复〕阻抗阻抗Z2 60 j80 ,假设测得图中星形联接负载电流有效in 43.试求三角形联接负载的三相功率P2.图示电路中,i[ 6<2 cos t A,i2 8 J2 cos〔 t 90 〕A,那么图中电流表读数为A. 5A .10A C. 12A D.5 2A6、LC 串联电路在谐振时的阻抗应等于BZ2 CA. 无穷大三、非客观题〔本大题弦电路12分〕中,X C1 =1R = 1 求:⑴,电源频率f = 50 Hz.电路的复阻抗Z; 〔2〕,X C2 =1 ,假设电源C. \ L图示正弦交流电路,u2 75』2cos t V, R2=18.75 ,1一=25,R i=12 , R i乙80 j60 ,三角形联接负载〔复〕U2R2电压U 10Z -300 V .求电流i 及电路有功功率P .四、非客观题〔本大题1 0分〕 应用电源等效变换求电压 U 和电流I . 五、非客观题〔本大题10分〕图示三角形联接的对称三相电路中,负载〔复〕阻抗 Z 38 30 .假设线电流?I A= 10 <3-60° A,求线电压的有效值和三相有功功率.,2时4A (-4+)12VI *六、非客观题〔本大题10分〕试用戴维宁定理求解图示电路中的 电压U .24 V。
电工安全知识竞赛试题及答案详解一、单选题1. 电工在进行电气作业时,必须遵守的最基本的安全操作规程是什么?A. 佩戴安全帽B. 穿戴绝缘手套C. 断电操作D. 使用安全工具答案:C2. 以下哪项不是电工作业时的防护措施?A. 佩戴护目镜B. 使用绝缘垫C. 穿导电鞋D. 穿戴绝缘手套答案:C3. 电工在高空作业时,以下哪项措施是错误的?A. 使用安全带B. 佩戴安全帽C. 穿戴绝缘手套D. 站在湿滑的表面上答案:D二、判断题1. 电工在进行带电作业时,可以不佩戴绝缘手套。
()答案:错误2. 电工在维修电气设备时,可以不切断电源。
()答案:错误3. 电工在作业前应检查个人防护装备是否完好。
()答案:正确三、简答题1. 简述电工在进行电气作业时,应采取哪些基本的安全措施?答案:电工在进行电气作业时,应采取以下基本的安全措施:首先,确保作业区域断电,避免带电作业;其次,佩戴必要的个人防护装备,如绝缘手套、护目镜等;再次,使用合格的绝缘工具和设备;最后,确保作业环境安全,避免在湿滑或不稳定的表面上作业。
2. 电工在高空作业时应注意哪些安全事项?答案:电工在高空作业时应注意以下安全事项:首先,使用安全带,确保身体固定;其次,作业平台应稳固,避免晃动;再次,避免在强风、雨雪等恶劣天气条件下作业;最后,确保作业区域下方无人员或物品,以防高空坠物。
四、案例分析题案例:某电工在进行电气设备维修时,未按规定断电,导致触电事故。
问题:分析此事故的原因,并提出预防措施。
答案:此事故的主要原因是电工未按规定断电,直接带电作业。
预防措施包括:严格执行断电操作规程,确保作业前切断电源;加强电工的安全教育和培训,提高安全意识;定期检查电气设备和工具,确保其安全性;建立事故应急预案,提高应对突发事件的能力。
结束语:电工安全知识竞赛试题及答案详解旨在提高电工的安全意识和操作技能,通过竞赛形式加强安全教育,确保电工在作业过程中能够严格遵守安全规程,有效预防和减少安全事故的发生。
一、单选题(共160题)1.单选题| 0.5分正确阐述职业道德与人生事业关系的选项是()。
A.没有职业道德的人,任何时刻都不会获得成功B.具有较高的职业道德的人,任何时刻都会获得成功C.事业成功的人往往并不需要较高的职业道德D.职业道德是获得人生事业成功的重要条件正确答案:A2.单选题| 0.5分职业道德是一种()的约束机制。
A.强制性B.非强制性C.随意性D.自发性正确答案:B3.单选题| 0.5分市场经济条件下,()不违反职业道德规范中关于诚实守信的要求。
A.通过诚实合法劳动,实现利益最大化B.打进对手内部,增强竞争优势C.根据交往对象来决定是否遵守承诺D.凡有利于增大企业利益的行为就做正确答案:B4.单选题| 0.5分下列关于勤劳节俭的论述中,不正确的选项是()。
A.勤劳节俭能够促进经济和社会发展B.勤劳是现代市场经济需要的,而节俭则不宜提倡C.勤劳和节俭符合社会可持续发展的要求D.勤劳节俭有利于企业增产增效正确答案:D5.单选题| 0.5分职业道德对企业起到()的作用。
A.决定经济效益B.促进决策科学化C.增强竞争力D.树立员工守业意识正确答案:C6.单选题| 0.5分下列选项中,关于职业道德与人生事业成功关系的正确论述是()。
A.职业道德是人生事业成功的重要条件B.职业道德水平高的人肯定能够取得事业的成功C.缺乏职业道德的人更容易获得事业的成功D.人生事业成功与否与职业道德无关正确答案:A7.单选题| 0.5分劳动者的基本义务包括()等。
A.执行劳动安全卫生规程B.超额完成工作C.休息D.休假正确答案:D8.单选题| 0.5分对自己所使用的工具,()。
A.每天都要清点数量,检查完好性B.可以带回家借给邻居使用C.丢失后,可以让单位再买D.找不到时,可以拿其他员工的正确答案:A9.单选题| 0.5分下列关于勤劳节俭的论述中,正确的选项是()。
A.勤劳一定能使人致富B.勤劳节俭有利于企业持续发展C.新时代需要巧干,不需要勤劳D.新时代需要创造,不需要节俭正确答案:B10.单选题| 0.5分爱岗敬业的具体要求是()。
汽车维修电工高级(车身电气)模拟试卷3(题后含答案及解析) 题型有:1. 简答题1.如何排除电动后视镜常见故障?正确答案:电动后视镜常见的故障主要有:①电动后视镜都不能工作;②电动后视镜部分功能不正常。
其检修方法如下:1)当电动后视镜都不能工作,应首先检查熔丝或电源线路是否出现断路、短路的故障,然后检查控制开关有无损坏或插头有无松脱的故障。
2)当电动后视镜部分功能不正常时,应重点检查线路连接情况以及电动后视镜开关或电动机是否正常。
涉及知识点:车身电气2.如何检修电动后视镜控制系统?正确答案:1)当电动后视镜出现故障时,应先检查熔断器和断路器,并用万用表电阻档测试开关总成,如果开关有故障应进行更换。
2)将12V电压直接接到电动机两电源接线端,检查工作情况。
通电时,如果电动机能够转动而当接线换相时,电动机也能反向转动,说明电动机工作正常,否则应更换或检查相关线路。
3)检查连接后视镜控制开关和车门或仪表板金属件的搭铁是否正常,如果出现异常应对相关的内容进行检修。
涉及知识点:车身电气3.如何调整与检修后视镜?正确答案:汽车后视镜安装位置角度,应与车型相适宜。
出车前要认真检查、维护,如发现镜面破损或安装不符合要求,必须立即检修调整或更换。
1)轿车后视镜的调整。
调整轿车后视镜时,白天将其调到车后的道路占后视镜面积的2/3左右;夜间稍微向上调整,以消除后车灯光照射所产生的眩目。
2)电动后视镜后视角度的调整。
两个后视镜分别由两个可逆永磁电动机进行上、下、左、右四个方向的调整。
每个后视镜有控制开关,开关可以上、下、左、右拨动,以控制电动机旋向。
调整后视镜时,应先调整好驾驶人座椅。
驾驶人按正确的驾驶姿势坐在座椅上,再观察左、右两旁的后视镜,根据后视镜的反光面调整其角度,向下拨动左开关杆时,开关罩向下运动,接通左侧电动机电路,驱动左后视镜向下偏转。
反之,向上拨动左开关杆时,电动机反转,则驱动后视镜向上偏转。
左后视镜的左、右调整以及右后视镜四个方向的调整方法同上。
2023年度高级维修电工资格考试理论知识复习题库及答案(共160题)1. 单相桥式可控整流电路电感性负载无续流管,控制角α=30°时,输出电压波形中( D )。
A、不会出现最大值部分B、会出现平直电压部分 C、不会出现负电压部分D、会出现负电压部分2. 单相桥式可控整流电路电阻性负载的输出电流波形( C )。
A、只有正弦波的正半周部分 B、正电流部分大于负电流部分C、与输出电压波形相似D、是一条近似水平线3. 单相桥式可控整流电路电阻性负载的输出电压波形中一个周期内会出现( A )个波峰。
A、2 B 、1 C 、4 D 、34. 单相桥式整流电路的变压器二次侧电压为20伏,每个整流二极管所承受的最大反向电压为( B )。
A 、20V B 、28.28VC 、40VD 、56.56V5. 当74LS94 的SL与Qo 相连时,电路实现的功能为(A )。
A、左移环形计数器B、右移环形计数器C、保持 D、并行置数6. 当74 LS94 的控制信号为01时,该集成移位寄存器处于( B )状态。
A、左移 B、右移C、保持D、并行置数7. 当74 LS94 的控制信号为01时,该集成移位寄存器处于( B )状态。
A、左移 B、右移C、保持 D、并行置数8. 当74LS94 的控制信号为11时,该集成移位寄存器处于( D )状态。
A、左移B、右移C、保持D、并行置数9. 当二极管外加的正向电压超过死区电压时,电流随电压增加而迅速( A )。
A、增加B、减小C、截止D、饱和10. 当交流测速发电机的转子转动时,由杯形转子电流产生的磁场与输出绕组轴线重合,在输出绕组中感应的电动势的频率与( C )。
A、励磁电压频率相同,与转速相关B、励磁电压频率不同,与转速无关C、励磁电压频率相同,与转速无关D、转速相关11.( D )用来提供一定波形及数值的信号。
A、数字万用表B、电子毫伏表C、示波器 D、信号发生器(A)是企业诚实守信的内在要求A、维护企业信誉B、增加职工福利C、注重经济效益D、开展员工培训12. “AC”灯闪表示PLC 的( A )报警。
广东省中等职业技术教育专业技能课程考试电工模拟题(三)一、单项选择题:(本大题共25小题,每小题2分,共50分)在每小题列出的四个备选项中只有一个是符合题目要求的,请将其代码填写在题后的括号内。
错选、多选或未选均不得分。
题目 1 2 3 4 5 6 7 8 9 10 11 12 13 答案 C D A D B D C A C D A C A 题目14 15 16 17 18 19 20 21 22 23 24 25 AAA 答案 A D C B C C C D A D C B AD1、图14所示为RC串联交流电路,已知电压表V2、V3的读数分别为6V、8V,则电压表V1的读数应为A、2VB、7VC、10VD、14V2、已知通过某电感元件的电流i=100sin(1000t-30°)mA,感抗X L=2Ω,则它两端的瞬时电压为A、u=50sin(1000t-30°)mVB、u=200sin(1000t-30°)mVC、u=50sin(1000t+60°)mVD、u=200sin(1000t+60°)mV3、某三相对称三角形连接负载,接于对称三相电源上,已知负载总功率为1800W,若将该负载改接成星形,并保持电源线电压不变,则负载总功率为A、600WB、1800/3WC、1800WD、5400W4、在三相四线制供电方式中,中性线的作用是保证负载端A、三相功率对称B、三相阻抗对称C、三相电流对称D、三相电压对称5、图15所示为正弦交流电路,已知电压表V2的读数大于电压表V1的读数,则Z元件的性质是A、感性B、容性C、纯电感D、纯电阻6、判断通电直导线周围磁场的方向,通常使用A、顺时针定则B、逆时针定则C、左手定则D、右手定则7、图示电路中,a点的电位为A、Va=IR+EB、Va=IR-EC、Va=-IR+ED、Va=-IR-E8、下列说法中,正确的是A 、不能把电流表与被测用电器并联B 、不能把电压表直接接到电源的两端C 、开关必须接在电源负极和用电器之间才能控制电路D 、所有电源都是把化学能转化为电能的装置9、图14所示为RC 串联交流电路,已知电压表V2、V3的读数分别为6V 、8V ,则电压表V1的读数应为A 、2VB 、7VC 、10VD 、14V10、有3个电池串联,若每个电池的电动势E=1.5V ,内阻r=0.2Ω,则串联电池组的电动势和内阻为A 、E 串=1.5V ,r 串=0.2ΩB 、E 串=1.5V ,r 串=0.4ΩC 、E 串=4.5V ,r 串=0.2ΩD 、E 串=4.5V ,r 串=0.6Ω11、一个额定值为“0.5W/200Ω”的碳膜电阻,下列能加在它两端的电压是 A 、9V B 、12V C 、15V D 、20V12、图示电路中,总电流I=300mA 恒定不变,R 2=100Ω,当R 1=50Ω时 A 、I 1=50mA I 2=250 mA B 、I 1=100mA I 2=200mA C 、I 1=200mA I 2=100 mA D 、I 1=250mA I 2=50 mA 13、电路的三种基本状态是指A 、通路、开路、短路B 、动态、静态、稳态C 、支路、回路、旁路D 、初态、瞬态、稳态14、图示为单相调压器原理图,使用单相调压器时,下列做法正确的是 A 、使用完毕后,手柄置于输出电压为“0”的位置 B 、X 端接电源火线C 、通电前,调压器手柄应调到与输出电压对应的位置D 、负载接在A 、X 两端15、行业规定,在干燥而触电危险性较大的环境下,下列为安全电压的是 A 、380V B 、220V C 、 110 D 、24V 16、视在功率的单位是A 、W ·h (瓦时)B 、var (乏)C 、V ·A (伏安)D 、W (瓦) 17、图示电路中,A 表示内阻可忽略不计的电流表,V 表示内阻较高的电压表,电源内阻不计,如果电压表被短接,则A、电灯将烧毁B、电流表将烧毁C、电压表将烧毁D、电灯特别亮18、图示电路中,当开关S接通后,灯L2将A、不亮B、较原来暗C、较原来亮D、与原来一样亮19、下列关于三相电路叙述中,错误的是A、负载作星形连接时,线电流等于相电流B、星形连接负载越接近对称,中线电流越小C、负载作三角形连接时,线电流等于相电流D、负载作三角形连接时,线电压等于相电压20、图示电路中,当可变电阻R3减小时,电流表和电压表的读数变化情况为A、电流表和电压表的读数都增大B、电流表的和电压表的读数都减小C、电流表的读数增大,电压表的读数减小D、电流表的读数减小,电压表的读数增大21、在感性负载的两端并联一个适当的电容,可以提高电路的A、无功功率B、有功功率C、视在功率D、功率因数22、图示电路中,a、b端的等效电容为A、2uFB、3uFC、6uFD、9uF23、电压u=1502sin(100πt)的有效值、角频率、初始相位分别为A、1502V、100πrad/s、0°B、1502V、100rad/s、100°C、150V、πrad/s、100°D、150v、100πrad/s、0°24、图示为某正弦交流电路的电压u和电流i的相量图(u与i为关联参考方向),该电路是A、纯电容电路B、纯电阻电路C、感性电路D、容性电路25、某电感元件接在电压u=2002sin(500t+30°)mV的电源上,感抗XL=10欧,该电感的电流为A、i=2002sin(500t+90°)mAB、i=202sin(500t-60°)mAC、i=2002sin(500t+120°)mAD、i=202sin(500t+90°)mA26、图示正弦交流电路中,已知电阻R=2欧、感抗XL =10欧,电压表V3的读数为20V,该电路的有功功率和无功功率分别为A、8W 40varB、8W 200varC、40W 200varD、200W 400var27、某三相对称三角形连接负载,接于对称三相电源上,已知负载总功率为900W,若将该负载改接成星形,并保持电源线电压不变,则该负载总功率为A、300WB、900/3WC、 9003WD、2700W=5V,AB两点间的电压Uab=20V,则B点的电28、图示电路中,以C为参考点,A点的电位VA=位是VBA、-15VB、-5VC、15VD、25V29、使用兆欧表测量电缆的绝缘电阻时,下列连线方式正确的是A、“L”端接线芯,“E”端接外壳,“G”端接线芯与外壳之间的绝缘层B、“L”端接外壳,“E”端接线芯,“G”端接线芯与外壳之间的绝缘层C、“G”端接线芯,“E”端接外壳,“L”端接线芯与外壳之间的绝缘层D、“L”端接外壳,“G”端接线芯,“E”端接线芯与外壳之间的绝缘层30、电压Uab=5V的意义是电场力将A、电荷从A点移到B点所做的功是5JB、电荷从A点移到参考点所做的功是5JC、电荷从B点移到参考点所做的功是5JD、1库仑电荷从A点移到B点所做的功是5J二、多项选择题:本大题共5小题,每小题2分,共10分。
2020年维修电工知识竞赛试题160题及答案(三)1. 小型变压器的绕制时,对铁心绝缘及绕组间的绝缘,按对地电压的(B)倍来选用。
A、1.5B、2C、3D、42. 直流电动机转速不正常,可能的故障原因是:(A)。
A、电刷位置不对B、启动电流太小C、电机绝缘老化D、引出线碰壳3. 数码寄存器的功能主要是(B)。
A、产生CP脉冲B、寄存数码C、寄存数码和移位D、移位4. 在我国,标准规定分度圆上的压力角为(B)度。
A、10B、20C、30D、455. 如图所示正弦交流电路,X C=10Ω,R=10Ω,U=10V,则总电流I等于( D )A。
A、2B、1C、4ICRUD、26. PLC可编程序控制器,整个工作过程分五个阶段,当PLC通电运行时,第四个阶段应为(B)。
A、与编程器通讯B、执行用户程序C、读入现场信号D、自诊断7. 在多级直流放大器中,对零点飘移影响最大的是(A)。
A、前级B、后级C、中间级D、前后级一样8. JT-1型晶体管特性图示仪测试台上的“测试选择”开关是用于改变(C)。
A、被测管的类型B、被测管的接地形式C、被测管A或BD、被测管耐压9. 使用SR-8型双踪示波器时,如果找不到光点,可调整“(D)”借以区别光点的位置。
A、X轴位移B、Y轴位移C、辉度D、寻迹10. SR-8型双踪示波器中的电子开关处在“交替”状态时,适合于显示(B)的信号波形。
A、两个频率较低B、两个频率较高C、一个频率较低D、一个频率较高11. 用晶体管作为电子器件制作的计算机属于(B)。
A、第一代B、第二代C、第三代D、第四代12. 一直导体放在磁场中,并与磁力线垂直,当导体运动的方向与磁力线方向成(A)夹角时导体中产生的电动势最大。
A、90°B、30°C、45°D、0°13. 微机的核心是(C)。
A、存储器B、总线C、CPUD、I/O接口14. 共发射极偏置电路中,在直流通路中计算静态工作点的方法称为(C)。
A、图解分析法B、图形分析法C、近似估算法D、正交分析法15. 发电机的基本工作原理是:(A)。
A、电磁感应B、电流的磁效应C、电流的热效应D、通电导体在磁场中受力16. JSS-4A型晶体管h参数测试仪的电源为(D)电源。
A、交流B、脉动直流C、高内阻稳压D、低内阻稳压17. 将二进制数00111011转换为十六进制数是(D)。
A、2AHB、3AHC、2BHD、3BH18. 定轴轮系首、未两轮转速之比,等于组成该轮系的(B)之比。
A、所有主动轮齿数连乘积与所有从动齿轮齿数连乘积B、所有被动轮齿数连乘积与所有主动齿轮齿数连乘积C、任意两个主动轮和从动轮D、中间惰轮齿数19. 在电力电子装置中,电力晶体管一般工作在(D)状态。
A、放大B、截止C、饱和D、开关20. 互感器线圈的极性一般根据(D)来判定。
A、右手定则B、左手定则C、楞次定律D、同名端21. 下列属于轮廓控制型数控机床是(C)。
A、数控车床B、数控钻床C、加工中心D、数控镗床22. 在电磁铁线圈电流不变的情况下,衔铁被吸合过程中,铁芯中的磁通将(A)。
A、变大B、变小C、不变D、无法判定23. JSS-4A型晶体三极管测试仪是测量中小功率晶体三极管在低频状态下的h参数和(C)的常用仪器。
A、击穿电压B、耗散功率C、饱和电流D、频率特性24. 直流电动机的机械特性是(D)之间的关系。
A、电源电压与转速B、电枢电流与转速C、励磁电流与电磁转矩D、电机转速与电磁转矩25. 正弦旋转变压器在定子的一个绕组中通入励磁电流,转子对应的一个输出绕组按高阻抗负载,其余绕组开路,则输出电压大小与转子转角α的关系是(D)。
A、成反比B、无关C、不定D、与转子转角α的正弦成正比26. 如果一直线电流的方向由北向南,在它的上方放一个可以自由转动的小磁针,则小磁针的N极偏向(A)。
A、西方B、东方C、南方D、北方27. 在梯形图编程中,常闭触头与母线连接指令的助记符应为(A)。
A、LDIB、LDC、ORD、ORI28. 涡流在电器设备中(C)。
A、总是有害的B、是自感现象C、是一种电磁感应现象D、是直流电通入感应炉时产生的感应电流29. 晶体管特性图示仪(JT-1)示波管X偏转板上施加的电压波形是(B)。
A、锯齿波B、正弦半波C、阶梯波D、尖脉冲30. 斩波器也可称为(C)变换。
A、AC/DCB、AC/ACC、DC/DCD、DC/AC31. 锥形轴与轮毂的键连接宜用(C)联接。
A、楔键B、平键C、半圆键D、花键32. 可以产生急回运动的平面连杆机构是(B)机构。
A、导杆B、双曲柄C、曲柄摇杆D、双摇杆33. 在蜗杆传动中,蜗杆的横向截面的模数和蜗轮的(C)模数应相等。
A、纵向截面B、横向截面C、端面D、法向截面34. 计算机在电力传动的自动控制,一般分为(A)。
A、生产管理级和过程控制级B、单机控制和多机控制C、直控级和监控级D、管理级和监控级35. 电力晶体管是(A)控制型器件。
A、电流B、电压C、功率D、频率36. 电枢电路由两组反向并联的三相全波可控整流器供电的(SCR-C)直流电梯,当正组整流桥(ZCAZ)控制角α=90°反组整流控制角α<90°时,则电机处于(C)状态。
A、正反馈B、正向电机C、反向电机D、反向回馈37. 交磁电机扩大机的补偿绕组嵌放在定子铁心的(C)槽中,且与电枢绕组串联,用来补偿直轴电枢反应磁通。
A、中槽和小B、大槽和中C、大槽和小D、大、中、小38. 斩波器中的电力晶体管,工作在(C)状态。
A、放大B、截止C、开关D、饱和39. 通常所说的486、586微机,其中486、586的含义是(B)。
A、主存的大小B、芯片的规格C、硬盘的容量D、主频40. 计算机发展的方向是巨型化、微型化、网络化、智能化,其中“巨型化”是指(D)。
A、体积大B、质量大C、外部设备更多D、功能更强、运算速度更快、存储量更大41. 中心距较大,温度不高又要求传动平动应采用(B)传动。
A、链B、带C、齿轮D、蜗杆42. 使用JSS-4A型晶体三极管测试仪时,在电源开关未接通前,将(C)。
A、“Vc调节”旋至最大,“Ic调节”旋至最小B、“Vc调节”旋至最小,“Ic调节”旋至最大C、“Vc调节”旋至最小,“Ic调节”旋至最小D、“Vc调节”旋至最大,“Ic调节”旋至最大43. 滑差电动机的转差离合器电枢是由(C)拖动的。
A、测速发电机B、工作机械C、三相鼠笼式异步电动机D、转差离合器的磁极44. 无静差调速系统的调节原理是(B)。
A、依靠偏差的积累B、依靠偏差对时间的积累C、依靠偏差对时间的记忆D、依靠偏差的记忆45. 7000表示(B)轴承。
A、推力球B、圆锥滚子C、圆柱滚子D、调心滚子46. 世界上发明的第一台电子数字计算机是(A)。
A、ENIACB、EDVACC、EDSACD、UNIVAC47. 正弦波振荡器的振荡频率f取决于(D)。
A、反馈强度B、反馈元件的参数C、放大器的放大倍数D、选频网络的参数48. 工时定额通常包括作业时间、布置工作地时间、(B)与生活需要的时间、以及加工准备和结束时间等。
A、辅助B、休息C、停工损失D、非生产性工作时所消耗49. 在大容量三相逆变器中,开关元件一般不采用(B)。
A、晶闸管B、绝缘栅双极晶体管C、可关断晶闸管D、电力晶体管50. 工时定额通常包括作业时间、布置工作地时间、休息与(B)时间,以及加工准备时间和结束时间。
A、辅助B、生活需要C、停工损失D、非生产性工作时所消耗51. 计数器主要由(D)组成。
A、RC环形多谐振荡器B、石英晶体多谐振荡器C、显示器D、触发器52. 一般要求模拟放大电路的输入电阻(A)些好。
A、大些好,输出电阻小B、小些好,输出电阻大C、输出电阻都大D、输出电阻都小53. 利用试验法判断变压器故障,当测得低压侧三相绕组电阻误差很大,可能产生的故障是(A)。
A、引线铜皮与瓷瓶导管断开B、分接开关损坏C、匝间短路D、分接开关接触不良54. 发电机——电动机组调速系统是一种典型的(A)调速自控系统。
A、开环B、半闭环C、单闭环D、全闭环55. 一般工业控制微机不苛求(A)。
A、用户界面良好B、精度高C、可靠性高D、实时性56. 1946年世界上第一台计算机由(D)研制成功。
A、英国B、法国C、日本D、美国57. 计算机之所以能实现自动连续运算,是由于采用了(A)。
A、布尔逻辑B、存储程序C、数字电路D、集成电路58. 感应同步器主要参数有动态范围、精度及分辨率,其中精度应为(C)um。
A、0.2B、0.4C、0.1D、0.359. 在模拟放大电路中,集电极负载电阻R c的作用是( C )。
A、限流B、减小放大电路的失真C、把三极管的电流放大作用转变为电压放大作用D、把三极管的电压放大作用转变为电流放大作用60. TTL与非门输入端全部接地(低电平)时,输出(C)。
A、零电平B、低电平C、高电平D、可能是低电平,也可能是高电平61. 微机没有(A)的特点。
A、可以代替人的脑力劳动B、价格便宜C、可靠性高D、高速度的运算62. 工时定额通常包括作业时间、(B)时间、休息与生活需要的时间、以及加工准备和结束时间等。
A、辅助B、布置工作地C、停工损失D、非生产性工作时所消耗63. 工时定额通常包括作业时间、布置工作地时间、休息与生活需要的时间、以及(A)和结束时间。
A、加工准备B、辅助时间C、停工损失时间D、非生产性工作时所消耗的时间64. 缩短基本时间的措施有(A)。
A、采用新技术、新设备、新工艺B、缩短辅助时间C、减少准备时间D、减少休息时间65. 在三相桥式半控整流电路中,对于共阴极组晶闸管来说,只有(A)一相的晶闸管且有触发脉冲时才能导通。
A、阳极电压最高B、阳极电压最低C、阴极电压最高D、阴极电压最低66. 在并联谐振式晶闸管逆变器中,为求得较高的功率因数和效率,应使晶闸管触发脉冲的频率(C)负载电路的谐振频率。
A、远大于B、大于C、接近于D、小于67. 关于计算机的特点,(D)是论述的错误。
A、运算速度高B、具有记忆和逻辑判断功能C、运算精度高D、运行过程不能自动、连续,需人工干预68. 交流异步电动机在变频调速过程中,应尽可能使气隙磁通(D)。
A、大些B、小些C、由小到大变化D、恒定69. 一个完整的计算机系统包括(C)。
A、计算机及其外围设备B、主机、键盘及显示器C、软件系统和硬件系统D、模拟电路部分和数字电路部分70. 在实际调整模拟放大电路的静态工作点时,一般是以(B)为准。
A、I bB、I cC、U ceD、U be71. PLC交流集选电梯,当电梯(司机状态)3层向上运行时,2层有人按向上呼梯按钮,4层有人按向下呼梯按钮,同时轿厢内司机接下5层指令按钮与直达按钮,则电梯应停于(C)层。