制定《员工手册》的民主程序
- 格式:doc
- 大小:68.00 KB
- 文档页数:3
员工手册制定程序员工手册制定程序用人单位制定的《员工手册》应当在通过民主程序制定并向劳动者公示后,在本单位内颁布施行。
如何走民主制订程序才是正确的呢?分为四个理解步骤:1、经职工代表大会或者全体职工讨论2、提出方案和意见3、与工会或者职工代表平等协商确定4、是单决权还是双决权?这个实质是是当企业与工会或者职工代表达不成一致意见时,企业有没有最终决定权?目前主流的意见,还是认同企业是享有最终决定权的,所以,应该是单决权。
这种法条的分解,有一定的指导意义,但是,在实践中,如何实际操作民主制订程序呢?经过与多家企业HR的交流与沟通,我们设计了以下流程,供各界HR们参考:电子邮件与纸质交叉法。
一、电子邮件法1、作出员工手册草案2、让公司网管将公司员工的电子信箱,设定为收到邮件后自动回复状态。
3、通过电子邮箱,向所有员工电子信箱发送,同时,在邮件正文中写明,限定大家一周内提出具体意见或者建议。
4、三天后,跟进一个群发邮件,说明公司已经收到了多少回复意见,限定的天数还有四天,希望大家踊跃提出自己的意见或者建议。
5、满一周后,终止民主制订程序。
二、纸质法1、将草案下发到职能部门,并要求职能部门领导监督该部门所有员工签收草案,同时说明一周内要提出具体意见,并提供提出意见的渠道和方式2、一周后结束民主制订程序以上两种方式同时进行,相互交叉,则公司的民主制订程序,应该不会有问题了。
员工手册的法律效力“员工手册”是企业规章制度、企业文化与企业战略的浓缩,是企业内的“法律法规”,同时还起到了展示企业形象、传播企业文化的作用。
站在企业的角度,合法的“员工手册”可以成为企业有效管理的“武器”;站在劳动者的角度,它是员工了解企业的渠道,也是自己行为规范的指南。
特别是,在企业单方面解聘员工时,合法的“员工手册”往往会成为有力的依据之一。
《劳动法》第二十五条规定的用人单位可以随时解除劳动合同的情形中包括“严重违反劳动纪律或者用人单位规章制度的”,但是如果用人单位没有规定,或者规定不明确,在因此引发劳动争议时,就会因没有依据或依据不明确而陷入被动。
员工手册民主制度表决方式引言公司致力于建立一个民主、公平、透明的工作环境,以保障员工的权益和参与决策的权力。
本员工手册旨在详细介绍公司的民主制度和表决方式,以便员工理解并参与其中。
民主制度公司治理公司采用民主制度进行决策和管理。
所有员工都有平等的权利参与公司的管理和决策过程。
公司将定期组织员工大会、员工代表会议等形式的民主会议,以讨论重要事务和制定决策。
员工参与公司鼓励员工积极参与决策和管理过程,增进员工与公司管理层之间的沟通和合作。
员工可以通过向公司管理层提出建议、意见和问题的方式参与决策。
选举制度公司的管理层和员工代表将通过选举产生。
选举过程将公正、公平、透明进行,确保每个员工都有平等的机会参与选举,并且选出的管理人员和员工代表能够真正代表员工的利益。
表决方式员工大会表决针对重大事务和决策,公司将组织员工大会进行表决。
员工将通过投票的方式表达自己的意见和决策。
表决结果将根据相应的规定进行统计和处理,以决定最终的决策结果。
员工代表会议表决员工代表会议是公司决策和管理的重要组织形式。
在员工代表会议中,代表将代表员工群体参与和讨论重要事务,并进行表决。
表决结果将成为公司决策的参考依据之一。
线上投票为方便员工参与决策,公司还将引入线上投票的方式。
通过公司内部的在线平台,员工可以在指定时间内进行投票,以表达自己的意见和决策。
结束语本员工手册仅为对公司的民主制度和表决方式的简要介绍,更多详细内容请参阅公司相关文件及政策。
公司将持续改进和完善民主制度,确保每位员工都能享有公平、平等的参与权利和决策权力。
感谢各位员工对公司的支持和参与!。
怎样制定《员工手册》随着企业发展,员工手册已经成为企业管理的一项重要工作,其制定对企业的稳定运行起到了很大的作用。
那么,怎样制定一份完备的员工手册呢?在本文中,我们将详细介绍员工手册的制定步骤、内容要求和注意事项。
一、员工手册制定步骤1、明确制定目的制定员工手册是为了更好地规范企业内部管理,提高员工的工作效率,维护企业的稳定发展。
在制定员工手册之前,必须明确其制定目的,此外也要考虑员工手册的受众。
2、明确制定范围员工手册所涉及的范围应该非常明确,要涵盖企业内部各个方面的规范性事项,既包括员工的基本权利,也包括企业的基本规章制度。
3、制定员工手册的基本原则要制定员工手册,必须有一些基本原则。
这包括:(1)公平员工手册中规定的制度,适用于所有员工,都要遵守。
(2)可操作性员工手册制定的规定,必须照顾到企业内部具体的工作环境和业务特点。
(3)可更新性员工手册的规章制度是不能永远不变的,应该具备弹性,随时可以更新。
4、明确内容和格式在明确员工手册的基本原则之后,需要根据企业的实际情况确定员工手册内容的具体要求和形式。
具体内容应该涵盖岗位职责、工作流程、员工权利和义务等方面的内容,并应该符合法律、法规等相关规定。
而手册的形式一般采用电子版和纸质版相结合。
5、定期检查更新员工手册制定后,企业内部应该定期对手册内容进行检查和更新,保证手册的有效性和及时性。
二、员工手册的内容要求在制定员工手册中,必须涵盖如下内容:1、企业基本情况介绍包括企业的使命、愿景、组织结构,并应该有足够的信息来介绍企业对员工的关心和支持。
2、员工权利和义务员工手册必须对员工的职业权利和义务进行明确规定,明确员工在企业内部应该遵守的规则和制度。
3、员工的职位和责任员工手册需要明确员工的职位,他们的工作职责和职位要求,并对员工的工作流程进行介绍。
4、薪资和福利制度员工手册所涉及的内容还应该包括员工的薪资和福利制度,并简要介绍一些福利政策,有多种福利可以选择。
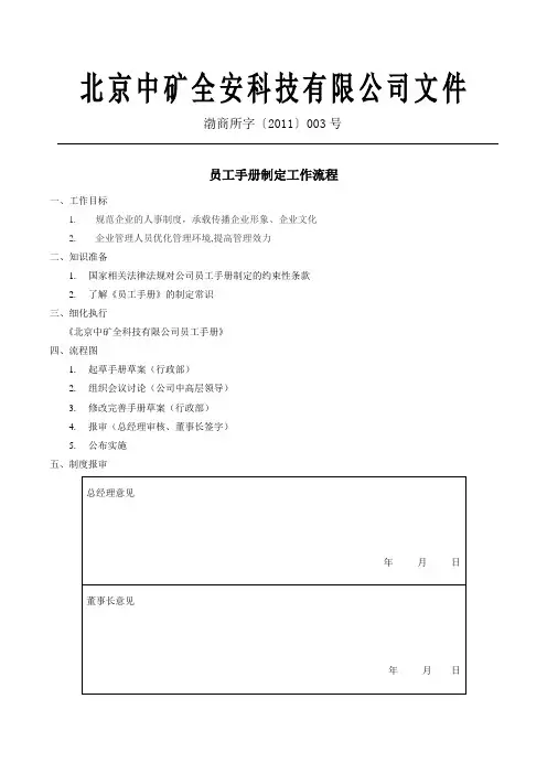
北京中矿全安科技有限公司文件
渤商所字〔2011〕003号
员工手册制定工作流程
一、工作目标
1.规范企业的人事制度,承载传播企业形象、企业文化
2.企业管理人员优化管理环境,提高管理效力
二、知识准备
1.国家相关法律法规对公司员工手册制定的约束性条款
2.了解《员工手册》的制定常识
三、细化执行
《北京中矿全科技有限公司员工手册》
四、流程图
1.起草手册草案(行政部)
2.组织会议讨论(公司中高层领导)
3.修改完善手册草案(行政部)
4.报审(总经理审核、董事长签字)
5.公布实施
五、制度报审。
员工手册、规章制度制定的法定程序员工手册、公司规章制度的制定是公司的一种内部“立法”行为,这是法律赋予企业的一项重大权利,用以体现和贯彻企业的管理意志。
根据《劳动合同法》第四条第二款规定:“用人单位在制定、修改或者决定劳动报酬、…『|作时间、休息休假、劳动安全卫生、保险福利、职工培训、劳动纪律以及劳动定额管理等直接涉及劳动者切身利益的规章制度或者重大事项时,应当经职工代表大会或者全体职工讨论,提出方案和意见,与工会或者职工代表平等协商确定”;第四款规定:“用人单位应当将直接涉及劳动者切身利益的规章制度和重大事项决定公示,或者告知劳动者。
”但是,企业规章制度必须按照以下法律规定的程序来制定:一、企业职工民主参与按照《劳动合同法》和有关法律、法规及最高法院司法解释的规定,制定企业规章制度应通过以下程序:(一)召开职工大会或者职工代表大会通过;(二)由企业工会参与制定;(三)如果既未召开职工大会或者职工代表大会,也未设立工会,则应通过适当方式,在制定规章制度的过程中使员工有提出意见、建议的权利,并且员工的建议和意见应充分反映在规章制度的制定过程中。
企业在采取上述方式制定规章制度的过程中,应注意保留职工大会、工会或者员工参与制定规章制度的证据。
二、规章制度的公示《最高人民法院关于审理劳动争议案件适用法律若干问题的解释》第十九条也规定,用人单位根据《劳动法》第四条的规定:“通过民主程序制定的规章制度,不违反国家法律、行政法规及政策规定,并已向劳动者公示的,可以作为人民法院审理案件的依据”。
目前,在我国的一些企业中,仅将劳动规章制度写在员工手册里就作为正式公布,这是不妥当的,此种方式仅是使劳动规章制度的内容为员工所知晓,而不是对劳动规章制度的正式公布。
企业对规章制度进行公示的时候,要注意保留已经公示的证据。
通常,以下方法可以达到这样的效果:(一)将规章制度交由每个员工阅读,并且在阅读后签字确认。
阅读规章制度的签字确认;(二)在厂区将规章制度内容公告,并且将公告的现场进行拍照、录像等方式的记录备案,并可由厂区的治安、物业管理等人员见证;(三)召开职工大会公示,并以适当方式保留证据;(四)委托工会公示,并保留证据。
员工手册和规章制度制定程序
一、确定制定员工手册和规章制度的目的和范围
在制定员工手册和规章制度前,企业应明确制度的目的和范围。
目的包括规范员工行为、提升组织效率、维护企业形象等;范围包括制度适用对象、适用范围、具体规定等。
二、明确制度制定的原则和流程
制定员工手册和规章制度的原则包括公平、公正、透明、可执行等。
制定流程包括确定制度起草组成员、制定时间表、制定沟通方案等。
三、搜集相关资料和法规
企业在制定员工手册和规章制度前,应搜集相关资料和法规,包括劳动法、公司章程、企业文化等,确保制度的合法合规。
四、起草员工手册和规章制度
企业可邀请内部管理人员或聘请专业律师起草员工手册和规章制度,确保其合理、全面、可执行。
五、征求相关人员意见
在制定员工手册和规章制度的过程中,应征求相关人员的意见,包括员工代表、人力资源部门、法务部门等,确保制度的可行性和合理性。
六、审批员工手册和规章制度
制定员工手册和规章制度完成后,应提交企业领导审批,确保其具有权威性和可执行性。
七、发布员工手册和规章制度
制定员工手册和规章制度经领导审批后,应及时发布并告知全员,确保员工了解和遵守制度。
八、定期修订员工手册和规章制度
员工手册和规章制度是动态的管理文件,应根据企业的实际情况和法律法规变化进行定期修订,确保其时效性和效力性。
以上就是员工手册和规章制度制定程序的详细步骤,企业在制定员工手册和规章制度时应注意遵循以上步骤,确保制度的权威性和可执行性。
通过制定员工手册和规章制度,企业能够有效管理员工,提升企业管理水平和运营效率。
工作人员手册民主程序完整版目录1. 引言2. 组织结构3. 决策流程4. 民主程序5. 总结1. 引言本手册旨在为工作人员提供民主决策和程序的指南,并确保组织内的所有成员都能参与决策过程。
通过民主程序的使用,我们将创建一个开放、公平和参与度高的工作环境。
2. 组织结构我们的组织遵循扁平化的结构,尊重每个成员的权利和责任。
决策过程中的重要角色包括:- 组织负责人:制定组织的愿景和目标,负责最终的决策结果。
- 决策者:负责参与决策讨论和投票。
- 代表:代表特定利益群体或团队,为他们的观点提供支持并参与决策。
3. 决策流程我们使用以下决策流程来确保决策的民主性和公正性:1. 提案:任何组织成员都可以提出一个决策提案,包括详细的描述和理由。
2. 讨论:提案将在特定的讨论场合进行公开讨论。
决策者和代表将提出他们的观点和建议,并就提案达成一致意见。
3. 投票:决策者和代表将进行投票。
在投票过程中,他们可以选择支持、反对或弃权。
4. 结果宣布:投票结束后,宣布决策结果。
如果决策结果是通过,将制定行动计划和时间表。
如果决策结果是未通过,那么必须回顾提案并进行修改。
4. 民主程序在决策过程中,我们鼓励以下民主程序的使用:- 广泛的参与:鼓励所有成员参与决策,无论他们的职位或地位如何。
- 平等发言权:确保每个成员都有平等的机会发表观点和提出建议。
- 尊重和倾听:尊重每个成员的观点和意见,并进行充分的倾听和理解。
- 公开透明:决策的讨论和结果应该是公开和透明的,以便让所有成员了解决策的过程和原因。
- 回顾和改进:每个决策的结果都应该被回顾和评估,以检查改进的机会。
5. 总结本工作人员手册民主程序完整版为工作人员提供了一个指南,以确保决策过程的公正性和民主性。
通过广泛的参与、平等的发言权和公开透明的讨论,我们将建立一个积极和充满活力的工作环境。
请每个成员遵守这些程序,并为组织的民主和公正做出贡献。
关于员工手册民主流程问题员工手册民主流程的主要步骤为:步骤一,民主协商。
员工手册草案经职工代表大会或全体职工讨论,提出修改方案或由用人单位向其征求意见;企业与工会或者职工代表平等协商确定。
步骤二,公示或告知,将协商确定的员工手册公示告知员工。
一、对《员工手册》进行民主协商的流程企业高层或相关部门(人力资源部)制订《员工手册》草案→职工代表大会或全体职工讨论→提出方案和意见→与工会或职工代表平等协商确定。
民主协商的方式有:说明:1.企业通过召开职工代表大会或召开全体职工大会讨论员工手册草案。
企业建立工会的,应与工会协商,未建立工会的,与职工代表协商。
对于没有工会组织或职工代表大会的用人单位,可将员工手册向每位员工送达、征求意见(发放纸质和通过内部办公系统或电子邮件方式不同),并注明异议回复期限。
2、企业应保留职工代表大会或全体职工讨论、与工会或职工代表协商的书面证据。
二、对《员工手册》履行公示或告知的方式企业可以采取以下方法,将员工手册向劳动者公示或告知:说明:1.企业可以根据以上公示或告知方式的优缺点,结合自身情况选择组合适用,建议不要单独采用第3.4.5种方式公示或告知。
2.证据保存环节还要注意留取证据的细节,如确认表、签到表等必须是员工本人的签名;拍照或录像要保障清晰度、完整度,照片或录像的内容是否和企业告知员工手册的内容有关等。
附:相关法条1.最高人民法院《关于审理劳动争议案件适用法律若干问题的解释(一)》第十九条规定,用人单位根据规定,通过民主程序制定的规章制度,不违反国家法律、行政法规及政策规定,并已向劳动者公示的,可以作为人民法院审理劳动争议案件的依据。
2.《劳动合同法》第四条规定,用人单位应当依法建立和完善劳动规章制度,保障劳动者享有劳动权利、履行劳动义务。
用人单位在制定、修改或者决定有关劳动报酬、工作时间、休息休假、劳动安全卫生、保险福利、职工培训、劳动纪律以及劳动定额管理等直接涉及劳动者切身利益的规章制度或者重大事项时,应当经职工代表大会或者全体职工讨论,提出方案和意见,与工会或者职工代表平等协商确定。
员工手册等规章制度如何成为有效法律文件(全文2185字)一、程序民主《劳动合同法》第四条:“用人单位应当依法建立和完善劳动规章制度,保障劳动者享有劳动权利、履行劳动义务。
用人单位在制定、修改或者决定有关劳动报酬、工作时间、休息休假、劳动安全卫生、保险福利、职工培训、劳动纪律以及劳动定额管理等直接涉及劳动者切身利益的规章制度或者重大事项时,应当经职工代表大会或者全体职工讨论,提出方案和意见,与工会或者职工代表平等协商确定。
在规章制度和重大事项决定实施过程中,工会或者职工认为不适当的,有权向用人单位提出,通过协商予以修改完善。
用人单位应当将直接涉及劳动者切身利益的规章制度和重大事项决定公示,或告知劳动者。
“根据上述法律规定,用人单位制定规章制度或员工手册的民主程序分为三个步骤:第一步:职工代表大会或者全体职工讨论;第二步:职工或职工代表提出修改完善方案或意见;第三步:企业与工会或者职工代表平等协商确定最终文本。
(一)职工代表大会或全体职工讨论1.依法推选职工代表:——是否必须召开人数确定人员构成任期首先,企业不是必须要组建“职工代表大会”,须视企业人数而定。
对于人数较少的私营企业,可以召开全体员工大会讨论规章制度。
《企业民主管理规定》第八条第一款规定:企业可以根据职工人数确定召开职工代表大会或者职工大会。
其次,关于参会人数的确定。
如果企业员工人数较多,可以召开职工代表大会,职工代表按全体职工人数的5%确定,最少不少于三十人。
《企业民主管理规定》第八条第二款规定:企业召开职工代表大会的,职工代表人数按照不少于全体职工人数的百分之五确定,最少不少于三十人。
职工代表人数超过一百人的,超出的代表人数可以由企业与工会协商确定。
再其次,关于职代会人员构成。
职工代表大会从人员构成上要体现民主原则,即不同部门、各个分公司的职工均参与其中,将民主落到实处,管理人员一定要控制在一定比例内。
《企业民主管理规定》第九条规定:职工代表大会的代表由工人、技术人员、管理人员、企业领导人员和其他方面的职工组成。
关于《员工手册》的民主程序请参考以下步骤一、提出议案根据企业状况,认为《员工手册》需要哪些方面建立制度,提出议案。
二、立项和起草确定起草的部门或人员、时间要求等事项,确保员工手册各项制度的内容合法性、完善性和可操作性。
三、征求意见1. 起草后的《员工手册》讨论稿两本,一本用于讨论开会,另一本用于公开的挂在员工能够看见的张贴栏里,听取讨论意见。
《员工手册》封面上注明讨论稿即可,日期以实际讨论日期为准,可定为2010年10月。
在《员工手册》具体条款的最后一页中的实施日期要空着,比如:第一百十九条(实施)本手册自2010年月日起实施(该条款实施日期讨论时要空着) 。
2.准备好《员工手册》讨论稿的会议纪要。
3.初步拟定2010-10-1 2举行全体员工讨论会。
会议上可选择性宣读《员工手册》约20分钟,同时做好签到工作,注意实际出席人数占应出席人数的2/3为有效。
4.讨论会后, 将有员工签到的会议纪要及《员工手册》讨论稿加盖骑缝章,并保留好。
5. 讨论会当天在显眼位置张贴《员工意见征询函》,张贴时限为一周即可(10月12日——10月18日止),同时把另一本《员工手册》讨论稿挂出,最好留影保存。
6. 搜集意见(1) 10月19日逐个请员工到办公室签署《员工意见征询函》,先易后难。
(2) 统计同意人数、不同意人数、弃权人数,应到人数二分之一以上同意为有效。
(3) 10月20日由公司高层若干就《员工手册》开会,一致确定《员工手册》生效并决定实施日期。
7. 确定该《员工手册》的最终稿。
将定稿的《员工手册》最后一页实施日期写上,并制作2本《员工手册》正本,将这两本《员工手册》盖骑缝章。
四、公示和告知1、公示10月21日张贴〈施行通知〉,注意日期和《员工手册》正本上的日期一致,最好留影保存。
2、告知10月21日逐个请员工到办公室签署承诺两套,公司和知轩各留一套。
3、今后新进的员工,不需再走民主程序但需要在生效的《员工手册》后面,让新进员工在用工单位和知轩留存的《员工手册》上逐个签名。
员工手册民主程序操作流程一、前言员工手册是企业对员工进行管理和规范的重要工具,它包含了企业的价值观、行为准则、管理制度等内容。
民主程序是指在制定和修改员工手册的过程中,充分听取员工的意见和建议,使员工手册更加符合实际需要,提高员工的认同感和满意度。
本操作流程旨在为企业提供一个民主程序的参考方案,帮助企业更好地实施民主程序,提高员工手册的质量。
二、民主程序操作流程1. 成立员工手册民主程序工作小组企业应当成立一个由人力资源部门、各部门负责人和部分员工代表组成的员工手册民主程序工作小组,负责组织和实施员工手册的民主程序。
2. 制定员工手册民主程序工作计划员工手册民主程序工作小组应当根据企业的实际情况,制定详细的员工手册民主程序工作计划,包括工作目标、工作内容、工作时间、工作方法等。
3. 征求员工意见在制定员工手册的过程中,企业应当通过各种途径征求员工的意见和建议,如发放征求意见表、召开座谈会、开展网络调查等。
企业还应当鼓励员工提出合理化建议,对于提出优秀建议的员工给予适当的奖励。
4. 分析员工意见员工手册民主程序工作小组应当对收集到的员工意见进行认真的分析和研究,找出其中的共性问题和关键问题,为制定和完善员工手册提供依据。
5. 修改员工手册根据员工意见的分析结果,员工手册民主程序工作小组应当对员工手册进行修改和完善。
在修改过程中,企业应当充分考虑员工的意见和建议,确保员工手册的内容更加符合实际需要。
6. 征求上级主管部门意见在员工手册修改完成后,企业应当将员工手册报送上级主管部门进行审查。
上级主管部门应当对企业的员工手册进行认真的审查,提出修改意见。
7. 完善员工手册根据上级主管部门的修改意见,企业应当对员工手册进行进一步的完善。
在完善过程中,企业应当充分听取员工的意见和建议,确保员工手册的内容更加完善。
8. 审批员工手册在员工手册完善完成后,企业应当将员工手册报送上级主管部门进行审批。
上级主管部门应当对企业的员工手册进行审批,确保员工手册的内容符合国家法律法规和企业的实际情况。
企业通过《员工手册》等重大规章制度“工会、职代会”通过流程模板2015年7月13日18:19阅读617(一)公司开展企业《人力资源管理制度》及《员工手册》制定协商要约书工会:为构建和谐用工关系,维护职工合法权益,促进企业健康发展,根据《劳动法》、《劳动合同法》等有关法律法规、文件要求,结合公司实际情况,需要双方就企业现有休息休假、保险福利、职工培训、劳动纪律等人力资源规章制度及员工手册内容的制定进行集体协商。
具体事宜如下:一、协商的时间和地点1、时间:建议定于2012年月日进行协商。
2、地点:协商地点建议在。
二、协商的内容1、人员招聘、录用。
2、试用期管理、人员异动。
3、员工薪酬、福利。
4、员工培训管理、离职管理。
5、劳动合同管理、考勤及假期。
6、员工奖励与惩罚。
7、基本行为道德规范。
8、安全守则。
9、其它与员工利益相关的需要协商的人事管理事项三、协商代表的确定按照有关规定,建议双方各选派5名协商代表。
我方协商代表为:首席代表,其他代表为。
请公司工会方尽快提出协商代表名单,以便工作沟通,做好协商前的准备工作。
四、请收到本要约书起10日内作出书面答复。
公司(章):2012年月日(二)关于对公司开展开展企业《人力资源管理制度》及《员工手册》制定协商应答书公司:你公司发出的《开展企业<人力资源管理制度>及<员工手册>制定协商要约书》已收悉,现就有关事项答复如下:1、同意要约书中提出的协商时间和地点。
2、同意要约书中提出的协商内容。
3、工会方协商代表总共5名,确定为:首席代表,其他代表为。
以上答复如有异议,请及时沟通。
工会(章):2012年月日(三)公司《人力资源管理制度》及《员工手册》制定协商会议纪要一、协商时间:2012年月日二、协商地点:三、协商议题:《人力资源管理制度》、《员工手册》四、公司方协商代表:五、职工方协商代表:六、协商内容如下:(详情《人力资源管理制度》、《员工手册》)1、总则2、机构编制管理3、招聘管理4、人员录用5、试用期管理6、职务异动7、薪资管理8、福利管理9、培训管理10、离职管理11、劳动合同管理12、人事档案管理13、考勤及假期管理14、奖励与处罚15、基本行为道德规范16、安全守则17、附则18、其它与《人力资源管理制度》、《员工手册》相关需协商事项七、协商过程双方代表就制度、员工手册制定内容面对面进行讨论,沟通,工会方代表、、、、就制度及员工手册制定内容进行提问,公司方代表、1、、、分别予以答复。
2021年版员工手册前言尊敬的各位员工:您好!为健全管理制度和组织功能,规范员工行为,提升员工队伍整体素质,明确公司和员工双方的权利和义务,公司(以下简称“公司”)特地制订本手册。
本手册是公司对员工管理的基本准则,它介绍了公司的基本情况,解释了公司的规章制度以及其他相关规定,包括员工聘用与工作职责、工作时间与休假、考核与奖惩、薪资与福利、培训与发展、环境安全与卫生等信息,是与每一位员工在公司的工作、生活息息相关的综合性手册。
本手册可以帮助您迅速适应工作环境,请您务必仔细阅读,经常重温本手册会有助于您在公司充分发挥自己的才能并获得职业生涯的成功。
本手册适用于公司全体员工,它不仅仅是一本指南或者参考,而且是公司全体员工必须严格遵守的行为规范。
本手册由公司人力资源部编写,已经过协商程序,并经公司最高管理层批准并实施。
本手册自实施之日起替代了之前所有旧版本手册。
本手册及相应的规章制度将根据公司的生产经营的情况进行不定期的修订或补充,员工应及时通过电子邮件、公司办公平台查阅了解公司颁布的最新制度,并按最新的制度执行。
本手册内容如与国家或地方法律法规相违背,则以国家或地方法律、法规和规定为准。
公司人力资源部保留本手册内容的最终解释权。
公司第一章公司介绍一、公司简介(略)二、公司使命(略)三、公司发展战略(略)四、公司文化(略)五、公司组织架构(略)第二章劳动关系管理制度第一条适用范围本制度适用于公司所有部门(包括生产、销售、财务等各部分,以下简称各部门),适用于所有与公司建立全日制劳动关系员工。
公司的劳务派遣用工、退休返聘员工、实习学生、非全日制用工等,应参照适用规章制度中关于员工行为规范、劳动纪律、考勤等方面制度。
第二条风险防范人力资源部是公司用工管理的负责部门。
人力资源部门应提高风险防范意识,对公司所有部门的所有用工均按本制度进行有效管理,建立完善的职工档案,保留相关书面材料。
各部门亦应加强用工规范化,配合人力资源部门进行劳动关系管理。
员工手册工作流程一、引言员工手册是一份重要的企业内部文件,用于规范和指导员工在工作中的行为和流程。
本文将详细介绍员工手册的工作流程,确保员工能够全面了解和遵守相关规定,提高工作效率和团队协作。
二、员工手册的编制1. 找到资料:编制员工手册前,需收集企业相关政策、规定及流程文件。
2. 确定内容:根据企业需求,确定适用的内容,并进行筛选和整理。
3. 编写格式:根据企业风格,制定统一的格式,包括封面、目录、章节等。
三、员工手册的内容1. 公司简介:介绍公司背景、目标和核心价值观,使员工了解企业文化。
2. 员工权益:详细说明员工享有的权益,如薪酬、工作时间、休假制度等。
3. 行为准则:规定员工在工作中应遵守的行为准则,如诚信、保密、尊重等。
4. 岗位职责:明确各岗位的职责和要求,确保员工理解自己的工作职责。
5. 绩效评估:说明绩效评估的标准和流程,激励员工积极工作并提供发展机会。
6. 员工培训:介绍企业培训计划和机制,帮助员工提升专业技能和职业素质。
7. 升迁晋升:说明升职机制和晋升途径,激励员工追求个人发展和成长。
8. 安全环保:关注员工的工作环境和安全,确保员工的身体健康和工作安全。
四、员工手册的发布和培训1. 分发方式:将员工手册以电子版或纸质版形式分发给全体员工。
2. 培训会议:组织员工手册的培训会议,对员工手册的重要内容进行解读和说明。
3. 确认知晓:要求员工签署确认书,确保每位员工已了解和知晓员工手册的内容。
五、员工手册的更新和维护1. 定期检查:定期对员工手册进行检查和修订,确保内容与企业实际运营相符。
2. 反馈机制:建立员工对员工手册的提议和反馈机制,持续优化手册内容。
3. 通知更新:一旦有更新,及时通知员工,并要求重新确认知晓。
六、员工手册的执行和监督1. 监督机制:建立员工手册执行的监督机制,确保员工按规定执行。
2. 处罚措施:对违反员工手册行为的处理,根据企业制定的纪律处分规定执行。
员工手册民主规程表决方式
目的
本文档的目的是规定员工手册中的民主规程和表决方式,旨在
确保员工参与决策过程,并保证公平、透明和民主的决策结果。
民主规程
1. 所有员工有权参与民主决策过程,包括制定和修改员工手册
中的规章制度和政策。
2. 任何员工都有权提出建议或提案,以改善工作环境、待遇或
公司政策等方面。
3. 公司会定期组织员工大会,讨论重要事宜,并邀请员工提出
意见和建议。
4. 员工手册的修订和修改必须经过民主表决,以获得员工的共
识和支持。
5. 公司会保障员工表达意见和建议的权利,并及时回复和处理。
表决方式
1. 员工手册的修订和修改要求采用表决方式决定。
常见的表决
方式包括但不限于以下几种:
- 简单多数表决:根据赞成票的数量来决定是否通过。
- 超过半数表决:超过半数员工支持时通过。
- 无异议表决:无员工反对时通过。
- 公平表决:采用无记名投票方式,保护员工的隐私和公正性。
2. 表决结果必须记录并保存,以备查证和参考。
请注意,本文档仅为参考,具体民主规程和表决方式请根据公
司实际情况进行调整。
以上是对《员工手册民主规程表决方式》的文档编写。
如有
需要,请及时与我联系。
《员工手册》制定或修订的民主程序注意事项《员工手册》制定或修订的民主程序注意事项《员工手册》修订的民主程序注意事项如下:一、提出议案人力资源部提出《员工手册》制定或修订的议案。
二、立项和起草确定修订的部门或人员、时间要求等事项,确保员工手册各项制度的内容合法性、完善性和可操作性。
三、征求意见准备制定或修订后的《员工手册》草案,将草案的电子版发至全体员工的电子邮箱,在邮件正文中写明限定员工一周内提出具体意见或者建议。
(留存该电子邮件)四、召开会议、民主讨论征求意见结束后,组织员工代表(2/3全体员工)或全体员工参加《员工手册》制定或修订的讨论会议(留影保存),制作会议纪要,并由全体参会人员签字确认。
(留存会议纪要)五、形成定稿根据员工反聩意见和讨论会议的结果制作《员工手册》的定稿。
六、公示将《员工手册》定稿在公司宣传栏或显眼位置公示一周。
(留影保存)七、签收1. 将《员工手册》定稿的电子版发至全体员工的电子邮箱(PDF 版),并要求员工回复确认。
(留存该电子邮件)2. 将《员工手册》定稿的纸质版下发到各职能部门,并要求职能部门领导监督该部门全体员工在签收单上签字确认。
(留存该签收单)提示说明:一、民主程序的重要性:鉴于《员工手册》作为公司管理员工、处理劳动争议的重要依据,属于涉及员工利益的重大规章制度。
劳动法明确规定该类制度在制订过程中,需要走过民主制订程序,否则即视为无效。
据此请公司重视《员工手册》制定或修订的民主程序,切勿因改程序复杂、冗长而草草了事。
二、注意在修订的民主程序中保存相关证据,特别是对会议纪要、签字(收)文件、影像文件和电子邮件的留存和保管。
员工规章制度民主程序第一章总则第一条为了规范员工行为,维护公司的正常运转,保障员工权益,特制定本规章制度。
第二条本规章制度适用于公司全体员工,公司员工在工作过程中应当遵守本规章制度的规定。
第三条公司员工应当尊重公司管理人员的工作,遵守公司规章制度,维护公司形象。
第四条公司员工应当密切配合公司的工作安排,积极开展工作,不得对公司的决策提出反对意见。
第五条公司员工有权对本规章制度进行监督,如有违规行为,可向公司人事部门举报。
第六条公司员工不得泄露公司的商业机密,违者将承担法律责任。
第七条公司员工应当遵守国家法律法规,不得从事违法行为。
第八条公司员工应当尊重他人,团结同事,共同为公司的发展贡献力量。
第九条公司员工应当遵守工作纪律,不得迟到早退,不得擅自外出,不得私自使用公司资源。
第十条公司员工应当保护公司财产,禁止私自挪用公司资金,禁止私自损坏公司设备。
第二章人事管理第十一条公司员工的招聘、晋升、调整、降级等事项,应当按照公司相关规定进行,不得擅自决定。
第十二条公司员工的薪酬、福利待遇,应当按照公司规定执行,不得擅自要求加薪,否则将受到相应处罚。
第十三条公司员工有权根据自身能力和表现要求晋升,公司将进行评定,并根据评定结果决定是否晋升。
第十四条公司员工有权保留自己的意见和看法,可通过民主程序向公司管理人员提出建议和意见。
第十五条公司员工有权参加公司举办的培训和学习活动,提升自己的能力和知识水平。
第十六条公司员工有权享受公司提供的福利待遇,包括社保、住房公积金、健康保险等。
第十七条公司员工有义务保护公司的知识产权,不得私自泄露公司的商业机密。
第十八条公司员工应当服从公司的管理,不得对公司的决策提出异议,如有异议可通过民主程序提出。
第十九条公司员工应当遵守公司的工作纪律,不得迟到早退,不得擅自外出,不得私自使用公司资源。
第二十条公司员工应当努力工作,为公司的发展做出贡献,不得怠工玩忽职守。
第三章民主程序第二十一条公司员工有权参加公司举办的各种会议和活动,提出建议和意见,共同促进公司的发展。
关于《员工手册》的民主程序请参考以下步骤
一、提出议案
根据企业状况,认为《员工手册》需要哪些方面建立制度,提出议案。
二、立项和起草
确定起草的部门或人员、时间要求等事项,确保员工手册各项制度的内容合法性、完善性和可操作性。
三、征求意见
1. 起草后的《员工手册》讨论稿两本,一本用于讨论开会,另一本用于公开的挂在员工能够看见的张贴栏里,听取讨论意见。
《员工手册》封面上注明讨论稿即可,日期以实际讨论日期为准,可定为2010年10月。
在《员工手册》具体条款的最后一页中的实施日期要空着,
比如:第一百十九条(实施)
本手册自2010年月日起实施(该条款实施日期讨论时要空着) 。
2.准备好《员工手册》讨论稿的会议纪要。
3.初步拟定2010-10-1 2举行全体员工讨论会。
会议上可选择性宣读《员工手册》约20分钟,同时做好签到工作,注意实际出席人数占应出席人数的2/3为有效。
4.讨论会后, 将有员工签到的会议纪要及《员工手册》讨论稿加盖骑缝章,并保留好。
5. 讨论会当天在显眼位置张贴《员工意见征询函》,张贴时限为一
周即可(10月12日——10月18日止),同时把另一本《员工手册》讨论稿挂出,最好留影保存。
6. 搜集意见
(1) 10月19日逐个请员工到办公室签署《员工意见征询函》,先易后难。
(2) 统计同意人数、不同意人数、弃权人数,应到人数二分之一以上同意为有效。
(3) 10月20日由公司高层若干就《员工手册》开会,一致确定《员工手册》生效并决定实施日期。
7. 确定该《员工手册》的最终稿。
将定稿的《员工手册》最后一页实施日期写上,并制作2本《员工手册》正本,将这两本《员工手册》盖骑缝章。
四、公示和告知
1、公示
10月21日张贴〈施行通知〉,注意日期和《员工手册》正本上的日期一致,最好留影保存。
2、告知
10月21日逐个请员工到办公室签署承诺两套,公司和知轩各留一套。
3、今后新进的员工,不需再走民主程序但需要在生效的《员工手册》后面,让新进员工在用工单位和知轩留存的《员工手册》上逐个签名。