离心风机蜗壳设计安装尺寸推荐1
- 格式:pdf
- 大小:57.52 KB
- 文档页数:1
离心风机蜗壳降噪技术探究摘要:随着生活水平的提高以及小户型居室的普及,用户对吸油烟机的振动和噪声水平有了更苛刻的要求。
本文对吸油烟机蜗壳设计不合理产生出风不均的噪声,进行了优化设计研究。
关键词:离心风机;蜗壳;降噪前言随着经济的发展和人民生活水平的提高,吸油烟机已成为厨房必备的家用电器。
近年来,为增强吸油烟机的工作性能,各厂家纷纷推出大风量吸油烟机。
但是同时也使得吸油烟机的噪声过大,严重影响了居民的生活质量和身心健康。
因此,对离心风机展开降噪技术探究,对于控制噪声排放具有现实意义。
1.离心蜗壳设计本文在标准离心风轮上对蜗壳进行参数设计,风轮参数:半径R=125mm,叶片数Z=60,宽度h=125mm,叶片进口安装角β1=41°,叶片出口安装角β2=139°。
理想状态下,离心风轮外圆周流体质点的运动轨迹,即为蜗壳的型线。
一般蜗壳型线有2种设计方法:对数螺旋线法和阿基米德螺旋线法。
对数螺旋线法流体质点运动轨迹方程为:式中Rφ——蜗壳内壁半径,mmR——风轮半径,mmQ——空气额定流量,m3/hB——蜗壳厚度,mmc2μ——气流离开叶轮后的周向速度,m/sφ——蜗壳任一截面与蜗壳起始面的夹角,°阿基米德螺旋线法流体质点运动轨迹方程为:在工程中常采用基元圆弧蜗壳型线法近似替换阿基米德蜗壳型线方法来绘制蜗壳。
基元圆弧蜗壳型线法包含等边基元法和不等边基元法。
在低比转速下2种方法气流轨迹相近,本文采用等边基元法绘制蜗壳型线。
在额定流量下,蜗壳的出口截面张开度A的计算式为:A=Q/(Bc2μ)(3)一般蜗壳厚度B=162.5mm,取蜗壳厚度B=160mm。
综合设计参数取蜗壳截面张开度A=80mm。
以风轮为中心做边长a=A/4正方形基元,以正方形4个定点为圆心R1,R2,R3,R4为半径做圆,4段圆弧平滑连接成的螺旋线即蜗壳型线。
其中R1=190mm,R2=170mm,R3=150mm,R4=130mm。
离心风机安装尺寸标准一、风机型号与规格首先,需要根据所需风量、风压、使用环境等要求选择合适的风机型号和规格。
不同型号的风机具有不同的叶轮直径、转速、进出口尺寸等参数,需确保所选择的风机能够满足实际需求。
二、风机叶轮直径和转速叶轮直径和转速是离心风机的重要参数,直接影响风机的风量、风压、噪声等性能。
根据所需风量和风压,选择具有适当叶轮直径和转速的风机,以确保风机能够提供足够的空气动力。
三、风机进出口尺寸离心风机的进出口尺寸对风机的风量、风压等性能有影响。
在安装风机时,需确保风机的进出口与周围环境相匹配,避免出现瓶颈或过度消耗能量的情况。
四、风机基础尺寸和重量离心风机需要安装在稳固的基础上,以避免振动和噪音。
根据所选择的风机型号和规格,需要制定适当的基础尺寸和重量,以确保风机安装稳固。
五、风机安装高度和仰角离心风机的安装高度和仰角对风机的性能有影响。
在安装过程中,需确保风机的高度和仰角符合设计要求,以优化风机的空气动力学性能。
六、风机支架和底座尺寸离心风机的支架和底座是支撑风机的重要结构。
根据所选择的风机型号和规格,需要设计适当的支架和底座尺寸,以确保风机安装稳固且便于维护。
七、风机控制箱位置和尺寸离心风机的控制箱是用于控制风机启停、调速等功能的重要设备。
在安装过程中,需确保控制箱的位置和尺寸符合设计要求,以便于操作和维护。
八、风管尺寸和连接方式离心风机需要与风管相连接以输送空气。
根据实际需要,需选择适当的风管尺寸和连接方式,以确保空气能够顺畅地流动并减少能量损失。
常见的风管连接方式包括法兰连接、承插连接等。
在选择风管材料时,需要考虑其耐腐蚀性、耐高温性能等因素。
九、风机的电气要求离心风机需要接入合适的电源以驱动其运转。
根据所选择的风机型号和规格,需要提供合适的电气要求,如电压、电流、功率等参数,以确保风机能够正常运行并不出现安全隐患。
同时,在安装过程中需要注意电气线路的铺设和保护。
十、风机调试和维护要求完成离心风机的安装后需要进行调试和维护以确保其正常运行。
0 引言蜗壳的作用是将离开叶轮的气体导向蜗壳出口,并将部分动压转变为静压。
蜗壳的结构是复杂的空间曲面体,理论上,蜗壳的型线是螺旋线,但是由于螺旋线结构较复杂,难于手工绘制。
因此,在生产中通常用简化的模型来近似。
由于蜗壳是离心通风机的关键部件,蜗壳型线的绘制不仅直接关系到蜗壳内的流动损失,还对叶轮的气动性能有很大影响,它直接影响风机的效率及输出流量、压力等性能参数,当工况变化时,需要重新计算并设计 , 使得产品设计周期延长。
本文应用三维建模工具CATIA,对蜗壳型线进行精确参数化建模,实现蜗壳的快速设计。
1 蜗壳的型线及结构参数1. 1 蜗壳的对数螺线型线及结构蜗壳的型线见图1。
图中R为蜗壳处半径,R 2 为叶道出口半径。
对于每一个角度φ值都可以得到一个R值,把各点连接起来就是蜗壳的型线。
其中:截面a-a 称为终了截面,A称为终了截面的张开度。
蜗壳的尺寸与张开度A有关,任意角度φ处的张开度Aφ为理论上,为了便于分析和计算,假定气流在蜗壳中为定常流动,忽略气体的粘性,气体沿着整个叶轮出口均匀地流出[1]。
图2表示在蜗壳型线起始段气体在蜗壳内的流动。
图中:R2为叶轮半径(即叶道出口半径),c为距离轮心R处的气流速度,a为气流角,c u、c m分别为R处的周向速度和径向速度。
c′2为叶道出口速度,c′2u、c′2m、a′2分别为叶道出口后的周向速度、径向速度及气流角(叶道出口后速度——刚出口时气流未充满截面,很快即互相混合,混合后的速度也即蜗壳的进口速度)。
蜗壳整个截面充满有效气流,由于忽略空气黏性,蜗壳内的流动满足动量守恒定律,当蜗壳宽度B为常数时,得任意截面处R与φ的函数关系式[1]为式中b 2 为叶片出口宽度,mm;α’ 2 为叶道出口后气流角,(°);φ为该截面与起始截面之间的夹角,rad。
此式表明蜗壳型线为对数螺线。
将式(2)按照泰勒级数展开,并代入式(1),得任意角度φ处的张开度为式(3)即为按等环量法[4]设计的蜗壳型线模型。
0 引言蜗壳的作用就是将离开叶轮的气体导向蜗壳出口,并将部分动压转变为静压。
蜗壳的结构就是复杂的空间曲面体,理论上,蜗壳的型线就是螺旋线,但就是由于螺旋线结构较复杂,难于手工绘制。
因此,在生产中通常用简化的模型来近似。
由于蜗壳就是离心通风机的关键部件,蜗壳型线的绘制不仅直接关系到蜗壳内的流动损失,还对叶轮的气动性能有很大影响,它直接影响风机的效率及输出流量、压力等性能参数,当工况变化时,需要重新计算并设计 , 使得产品设计周期延长。
本文应用三维建模工具CATIA,对蜗壳型线进行精确参数化建模,实现蜗壳的快速设计。
1 蜗壳的型线及结构参数1、 1 蜗壳的对数螺线型线及结构蜗壳的型线见图1。
图中R为蜗壳处半径,R 2 为叶道出口半径。
对于每一个角度φ值都可以得到一个R值,把各点连接起来就就是蜗壳的型线。
其中:截面a-a 称为终了截面,A称为终了截面的张开度。
蜗壳的尺寸与张开度A有关,任意角度φ处的张开度Aφ为理论上,为了便于分析与计算,假定气流在蜗壳中为定常流动,忽略气体的粘性,气体沿着整个叶轮出口均匀地流出[1]。
图2表示在蜗壳型线起始段气体在蜗壳内的流动。
图中:R2为叶轮半径(即叶道出口半径),c为距离轮心R处的气流速度,a为气流角,c u、c m分别为R处的周向速度与径向速度。
c′2为叶道出口速度, c′2u、c′2m、a′2分别为叶道出口后的周向速度、径向速度及气流角(叶道出口后速度——刚出口时气流未充满截面,很快即互相混合,混合后的速度也即蜗壳的进口速度)。
蜗壳整个截面充满有效气流,由于忽略空气黏性,蜗壳内的流动满足动量守恒定律,当蜗壳宽度B为常数时,得任意截面处R与φ的函数关系式[1]为式中b 2 为叶片出口宽度,mm;α’ 2 为叶道出口后气流角,(°);φ为该截面与起始截面之间的夹角,rad。
此式表明蜗壳型线为对数螺线。
将式(2)按照泰勒级数展开,并代入式(1),得任意角度φ处的张开度为式(3)即为按等环量法[4]设计的蜗壳型线模型。
型离心通风机安装及外形尺寸图(一)4-72型系列风机高效率中低压玻璃钢离心通风机,既节约钢材,又具有重量轻,震动小、起动快、噪音低、维护少、寿命长等优点;(二)用途4-72型玻璃钢离心风机可以作为一般通风换气用,YBF4-72型防爆离心风机用于防爆通风系统,性能结构与F4-72型风机相同。
其使用条件如下:1、应用场所:适用于化工、冶金、轻纺、食品、医药、石油等行业的排温、空调、酸雾净化以及输送含有酸性气体或需耐大气腐蚀等场合。
即可用作输入气体,也可用作输出气体。
特别适用与各种型式的废气净化塔配套使用。
是废气净化塔的理想的辅助设备。
2、输送气体种类:空气、酸性气体、碱性气体、腐蚀性的气体。
3、气体内的杂质:气体内不许有粘性物质,所含的尘土及硬质颗粒物不大于150mg/m3。
4、气体的温度:不得超过80℃。
(三)风机的型式风机可以制作成右旋转和左旋转二种形式,从电动机一端正视,叶轮按顺时针方向旋转,称为右旋转风机,以“右”表示。
按逆时针旋转,称为左旋转风机,以“左”表示。
风机的出口位置,以机壳的出风口角度表示。
F4-72型玻璃钢通风机No 2.8~12在出厂时均作成1种形式,使用单位根据要求再安装成所需要的位置。
订货时不需注明。
No 2.8出风口位置调整范围0°~225°,间隔是45°。
No 2.8~6出风口位置调整范围0°~225°,间隔是22.5°。
No8~12出风口位置调整范围0°~180°,除No 12间隔15°外,其它二风机间隔为22.5°。
No 16、20出风口位置制成固定的三种:0°,90°,180°,不能调整,订货时需注明。
风机的传动方式,计有A、B、C、D四种,A式表示无轴承箱装置,以电机直联传动。
B式表示悬臂支承装置,皮带传动,皮带轮在轴承中间。
C式表示悬臂支承装置,皮带传动,皮带轮在轴承外侧。
9-19、9-26型高压离心风机一、特性及应用9-19、9-26型高压离心通风机,一般用于锻冶炉及高压强制通风,并广泛用于输送空气和其他不自燃的、对人体无害的、对钢铁材料无腐蚀性的气体。
气体内不含粘性物质,所含尘土及硬质颗粒物不大于150mg/m3,气体温度不得超过80℃。
二、型式? 9-19、9-26型高压离心通风机均可制成右旋转和左旋转两种型式。
从电动机一侧正视,叶轮顺时针旋转称右旋风机,以“右”表示;叶轮逆时针旋转称左旋风机,以“左”表示。
? ? 风机的出口位置,以机壳的出风口角度表示。
“左”、“右”均可制成0°、45°、90°、135°、180°、225°共六种角度。
? ?三、结构特点? ? (1)、叶轮:9-19型风机叶片为12片,9-26型风机叶片为16,均属前向弯曲型叶片。
叶轮扩压器外缘最高圆周速度不超过140m/s。
叶轮成型后经静、动平衡校正,空气性能优良,效率高,运转平稳可靠。
? ? (1)、叶轮:9-19型风机叶片为12片,9-26型风机叶片为16,均属前向弯曲型叶片。
叶轮扩压器外缘最高圆周速度不超过140m/s。
叶轮成型后经静、动平衡校正,空气性能优良,效率高,运转平稳可靠。
? ?? ? (3)、进风口:进风口制成收敛式流线型整体结构,装于风机的侧面;与轴向平行的截面为曲线形状,能使气体顺利进入叶轮,且损失较小。
? ? (4)、传动组:传动部分由主轴、轴承箱、联轴器等组成。
主轴由优质钢制成。
轴承箱整体结构采用球轴承,用轴承润滑脂润滑。
四、产品图形五、性能参数表9-19型性能参数表机号No. 转速(r/min)风量(m3/h)全压(Pa)内效率(%)内功率(kW)所需功率(kW)电动机型号功率(kW)4A 2900 8249701116126435843665364735977073.575.5761.161.331.481.641.51.71.92.1Y90L-2 2.214101558170435073384325375.573.5701.801.972.172.32.62.6Y100L-2 34.5A 2900 1174 4603 71.2 2.07 2.5Y112M-2 41616 1839 2062 4672458044477777.376.22.682.983.293.23.63.92281 2504 4297411273.8703.634.034.44.8Y132S1-2 5.55A 2900 161019322254257628445697576857405639551772.776.278.278.577.23.433.984.505.045.544.14.85.45.86.4Y132S2-2 7.5316634885323508074.570.56.176.867.17.9Y160M1-2 115.6A 2900 2622271431673619718272737236710972.776.278.278.56.057.027.938.887.08.19.110.2Y160M1-2 1139964448490169546709640077.274.570.59.7610.8812.0911.212.513.9Y160L-2 18.56.3A 2900 3220386545095153914992659219905572.776.278.278.510.9112.6514.3016.0012.514.516.418.4Y160L-2 18.556906334697888578543814877.274.570.517.5919.6021.7920.222.525.1Y200L1-2 307.1D 2900 55326454737611868118071159676.278.278.522.9925.9929.0927.030.534.1Y200L2-2 3781449066998811340109351042677.274.570.531.9835.6339.6537.541.846.5Y250M-2 558D 29006594791392321055011649150341522915151148771454672.776.278.278.577.236.0241.7547.2152.8358.0842.349.055.462.068.2Y280S-2 751296814287140211336274.570.564.7171.9575.984.4Y315S-2 110 145032973957461636203665364772.776.278.24.55.225.905.56.16.9Y132M-4 7.5 5275582564847144358435073384323178.577.274.570.56.607.268.098.997.78.59.510.6Y160L-4 159D 1450 4695563365727511459746554632455172.776.278.278.58.119.4110.6311.909.511.012.514.0Y160L-4 15829492334453429777.274.513.0814.5815.417.1Y180L-4 2210D 1450 64407942944510947124505840594158915740549576.58081.58178.213.3816.0318.5921.1223.8415.718.821.824.828.0Y200L-4 3013952154555244495874.57026.7929.8831.435.1Y225S-4 3711.2D 14509047111581326915380736474917428723676.58081.58123.5828.2532.7637.2227.733.238.443.7Y225M-4 4517491196022171369276609624678.274.57042.0247.2152.6649.355.461.8Y280S-4 75 96059907388878510182115803182323732103128299676.58081.58178.26.848.209.5110.8012.198.09.611.212.714.3Y180L-6 1512978143752860270574.57013.7015.2816.117.9Y200L2-6 2212.5D 1450 125771551218447922993909310906876.58081.540.8448.9256.7247.957.466.6Y280S-4 7521381 9068 81 64.46 75.6Y315S-4 11027251 30186 8278782274.57081.7591.1795.9107.0960 8327102701221314156397540434009390776.58081.58111.8514.2016.4618.7113.916.719.321.9Y200L2-6 2216099180421998537413571337778.274.57021.1123.7226.4624.827.831.1Y250M-6 3714D 145017670217932591611668118741177176.58081.571.9786.2299.9684.5101.2117.3Y315M-4 132 3004034163382864240911464109671045798788178.274.570113.59128.22144.06160.69133.3150.5169.1188.6Y355M-4 220 96011699144281715850045090504776.58081.520.8925.0229.0124.529.434.0Y250M-6 37 1988822618253482807849174709449442488178.274.57032.9737.2141.8146.6354.738.743.749.154.7Y315S-6 7516D 1450 26377325313868615425157001556376.58081.5140.31168.09194.89164.6197.2228.7Y355M3-4 31550995 1448878.2 249.98 293.35715063305138086627 74.570280.88313.29329.6367.6JS138-4 410960 17463215382561365706683662776.58081.540.7248.7856.5647.857.266.4Y315S-6 75 2968733762378374191264566180589855758178.274.57064.7272.5581.5290.9275.485.195.7106.7Y315L1-6 1109-26型性能参数表机号No. 转速(r/min)风量(m3/h)全压(Pa)内效率(%)内功率(kW)所需功率(kW)电动机型号功率(kW)4A 2900 2198236825362706287730443215385238203765358436073502340774.775.575.77573.872.1703.113.283.463.653.864.064.293.73.94.14.44.64.95.2Y132S1-2 5.54.5A 2900 31303407368549104863477676.177.177.15.515.876.246.36.87.2Y132S2-2 7.5 39634237466145457674.56.647.067.68.1Y160M1-2 114792 4256 70 7.98 9.25A 2900 42934706511455275941634960355984586957255553538177.278.27876.774.972.79.129.8010.4811.2312.0012.8110.511.312.012.913.814.7Y160M2-2 15 6762 5180 70 13.65 15.7 Y160L-2 18.55.6A 2900 60326612718576107546740077.278.27816.0917.2718.4718.519.921.2Y180M-2 22 7766934689199500721870006781652776.774.972.77019.7921.1522.5724.0622.824.326.027.7Y200L1-2 306.3A 2900 858894151023011056118839698961694299195891577.278.27876.774.928.9931.1233.2835.6638.1233.335.838.341.043.8Y225M-2 4512699135258636831072.77040.6743.3546.849.9Y250M-2 557.1D 2900 12292134751464312427123211207877.278.27852.7056.5760.4961.866.471.0Y280S-2 7515826 11776 76.7 64.84 76.1Y315S-2 11018177 19360 110551063572.77073.9478.8286.892.58D 290017584192772094715955158181550477.278.27895.72102.73109.86112.3120.5128.9Y315M-2 132 226402433226003276961511214644141771363476.774.972.770117.75125.85134.28143.14138.2147.7157.6168.0Y315L2-2 200 1450879296361047311320121663834380237293638352977.278.27876.774.911.9612.8413.7314.7215.7314.015.116.117.318.5Y180M-4 18.513001138483421329472.77016.7917.8919.721.0Y200L-4 309D 1450 12518137231491348694828473677.278.27821.5623.1424.7525.327.229.0Y200L-4 30 16118173221851219717462044814343418176.774.972.77026.5328.3530.2532.2431.133.335.537.8Y225M-4 4510D 1450 17172193192146561436056592080.481.280.435.6939.1943.0241.946.050.5Y250M-4 5525758 27905 30052 55605309506576737051.3555.3559.3460.365.069.6Y280S-4 7511.2D 145024126271423015733173361897747763774647264700980.481.280.478.67662.9069.0775.8283.0190.5073.881.089.097.4106.2Y315S-4 110392054222166916382737097.54104.58114.5122.7Y315M-4 132 96015973179691996621963334632993225314080.481.280.478.618.2520.0422.0024.0921.423.525.828.3Y225M-6 3023959259562795330312895276376737026.2628.3130.3530.833.235.6Y250M-6 3712.5D 145033540377324192597139575935680.481.280.4108.91119.60131.30127.8140.3154.1Y315L1-4 160 46117503105450358694910387828381799378.6767370143.75156.70168.90181.10168.7183.9198.2212.5Y355M2-4 250 96022206249814179412180.481.231.6134.7137.140.7Y280S-6 4530533 3921 78.6 41.72 49.033309 36084 38860 37853615345076737045.4849.0252.5653.457.561.7Y315S-6 7514D 14504712153011122851210980.481.2191.94210.78225.3247.3Y355M2-4 250 5890264792706827657282463118301150811099105891009580.478.6767370231.39253.33276.16297.66319.16271.5297.3324.1349.3374.3JS138-4 410 96031197350975262518880.481.255.7061.1765.471.8Y315S-6 75 38997428974679650696545965071493647644549434180.478.676737067.1573.5280.1586.3992.6378.886.394.0101.4108.7Y315L1-6 11016D 14507033979131162501601480.481.2374.22410.95439.1482.2JSQ147-4(3000V)500 8792396716105500114300123090156401521014663139831332480.478.6767370451.14493.92538.43580.35622.26529.4579.6631.8681.0730.2JSQ158-4(3000V)850 96046569 6911 80.4 108.60 127.4Y355M1-6 18552390 58211 64032 69854 681366596481625481.280.478.676119.26130.92143.34156.25139.9153.6168.2183.375675 81496 597156967370168.42180.58197.6211.9Y355M3-6 220六、外形及安装尺寸(单位:mm)9-19、9-26系列No.4A~6.3A离心通风机外形及安装尺寸图)9-19、9-26系列No.4A~6.3A离心通风机外形及安装尺寸表系列机号No. D1 D2 D3 n1-d1 A1 A2 A3 A4 A5 A6 X Y n2-d29-194A Φ180 Φ220 Φ250 8-Φ7 128 174 214 92 138 178 3 2 10-Φ7 4.5A Φ200 Φ250 Φ280 8-Φ7 144 198 230 104 152 192 3 2 10-Φ7 5A Φ224 Φ265 Φ305 8-Φ7 160 206 246 115 160 202 3 2 10-Φ75.6A Φ250 Φ308 Φ348 8-Φ10 179 225 265 129 174 215 3 2 10-Φ76.3A Φ280 Φ335 Φ375 8-Φ10 202 246 288 145 189 231 3 2 10-Φ79-264A Φ224 Φ254 Φ284 8-Φ7 196 228 250 128 165 184 4 3 14-Φ7 4.5A Φ250 Φ280 Φ310 8-Φ10 221 252 275 144 177 200 4 3 14-Φ7 5A Φ280 Φ320 Φ360 8-Φ10 245 284 299 160 192 216 4 3 14-Φ75.6A Φ315 Φ355 Φ395 8-Φ10 274 304 328 179 216 235 5 4 14-Φ76.3A Φ355 Φ395 Φ435 8-Φ10 309 340 365 202 236 261 5 4 14-Φ7系列机号No. E F G K M N a b c d e9-194A 108 361 692 286 715 420 200 350 50 300 385 4.5A 120 344 716 322 782 450 240 390 50 340 430 5A 126 376 788 258 868 500 340 450 50 440 4955.6A 140 415 874 401 962 550 350 480 50 450 5346.3A 157 461 975 451 1085 620 450 570 60 570 6269-264A 132 360 711 287 761 450 240 390 50 340 430 4.5A 147 405 799 322 849 500 340 450 50 440 495 5A 165 450 887 359 939 550 350 485 50 450 5345.6A 186 504 993 402 1053 620 450 570 60 570 6266.3A 209 567 1117 451 1167 680 550 720 70 690 780系列机号No.D1 D2 A1 A2 A3 A4 A5 A6 n-Φd n1×b1 n2×b29-19 7.1D Φ315 Φ395 227 272 313 163 218 248 14-Φ10 3×68 4×68 8D Φ355 Φ436 256 312 342 184 244 294 14-Φ10 3×76 4×74 9D Φ400 Φ506 288 348 398 207 263 313 18-Φ10 4×63 5×66厂家声明:上虞聚英风机厂不断进行技术完善改进更新,风机技术性能参数提供以厂家最新样本为准;我厂主营优势风机种类推荐: 离心风机:高压离心风机、防爆离心风机、4-72、4-79离心风机、9-19、9-26离心风机、除尘(排尘)离心风机、锅炉离心风机、高温离心风机、空调离心风机、HTFC 柜式离心风机、防腐离心风机、玻璃钢离心风机;屋顶风机:屋顶离心风机、屋顶轴流风机、屋顶排烟风机、防爆屋顶风机、玻璃钢屋顶风机、铝制屋顶风机、RTC 离心式屋顶风机、DWT 轴流式屋顶风机、无动力屋顶风机、屋顶自然通风器;10D Φ450 Φ550 320 386 426 230 300 340 18-Φ10 4×69 5×72 11.2D Φ500 Φ620 359 420 484 258 328 388 18-Φ12 4×79 5×83 12.5D Φ560 Φ680 400 456 489 288 344 380 20-Φ12 4×86 6×76 14D Φ630 Φ750 448 516 557 322 405 448 22-Φ12 5×81 6×86 16D Φ710 Φ830 512 574 621 368 440 484 24-Φ12 5×88 7×82 9-267.1D Φ400 Φ500 348 390 414 227 272 296 20-Φ10 4×68 6×65 8D Φ450 Φ550 393 432 458 256 300 325 20-Φ10 4×756×729DΦ500 Φ620 441 483 507 288 330 357 20-Φ10 4×82.5 6×80.5 10D Φ560 Φ680 490 528 556 320 356 389 20-Φ10 4×89 6×88 11.2D Φ630 Φ750 549 600 638 358 410 450 26-Φ12 5×82 8×75 12.5D Φ710 Φ830 613 664 702 400 456 492 28-Φ12 6×76 8×83 14D Φ800Φ920686 747 795 448 516 564 30-Φ12 6×869×8316DΦ900 Φ1040 784 840 89351258862834-Φ12 7×84 10×84系列机号 No. E F G H KN L0L Wi j δ 9-197.1D 177 466 680 1200 507 656 1230 2100 1150 400 450 4~6 8D 200 525 760 1350 572 733 1256 2220 1250 440 520 4~6 9D226 590 850 1520 644 821 1289 1930 1400 500 600 4~6 10D 250 656 940 1680 723 9081317 2060 1500 550 650 6~8 11.2D 280 735 1050 1890 801 1025 1595 2440 1700 600 800 6~8 12.5D 313 820 1160 2100 895 1140 1633 2550 1900 700 900 8~10 14D 350 920 1280 2400 1001 1270 2030 2900 2050 800 95012~1416D 400 1050 1440 2700 1144 1460 2090 3400 2250 880 1040 12~14 9-267.1D 237 639 730 1260 509 716 1317 2290 1200 420 520 4~6 8D 262 720 810 1410 574 803 1349 2330 1400 500 600 4~6 9D294 810 920 1590 646 900 1392 2140 1500 550 650 6~8 10D 327 900 1000 1760 717 995 1433 2260 1600 600 700 6~8 11.2D 367 1008 1130 1980 803 1122 1724 2660 1850 700 850 8~10 12.5D 418 1125 1240 2190 896 1247 1755 2690 1950 740 940 8~10 14D 469 1260 1450 2500 1003 1380 2200 3350 2050 800 95012~1416D524144015402800114816102270365023009001100 12~14。
离心风轮蜗壳设计
离心风轮蜗壳是风力发电机组中的重要组成部分,它承担着保护风轮和转子的作用。
在设计离心风轮蜗壳时,需要考虑结构的强度、稳定性和流体动力学特性,以确保风力发电机组的正常运行和长期稳定性。
离心风轮蜗壳的设计需要考虑其结构强度。
由于风力发电机组在工作时会受到风力的作用,因此蜗壳需要能够承受风力的冲击和压力。
设计蜗壳时应选用适当的材料,如高强度钢材,以确保其能够承受风力的作用力,并保持结构的稳定性。
离心风轮蜗壳的设计需要考虑其稳定性。
由于蜗壳是与风轮和转子紧密连接的部分,其稳定性对于整个风力发电机组的运行至关重要。
设计蜗壳时需要考虑受力情况和结构形式,合理布置支撑点和连接方式,以提高蜗壳的稳定性。
此外,还需要进行结构强度分析和模拟实验,以验证设计的稳定性。
离心风轮蜗壳的设计还需要考虑其流体动力学特性。
蜗壳的设计应能够使风力充分利用,提高风轮的转速和功率输出。
在设计中,需要合理选择蜗壳的进出口形状和尺寸,以确保气流的顺利流动,并减小能量损耗。
此外,还需要进行流场模拟和优化设计,以提高风力发电机组的发电效率。
离心风轮蜗壳的设计是风力发电机组设计中的重要环节。
在设计过
程中,需要综合考虑结构强度、稳定性和流体动力学特性等因素,以确保风力发电机组的正常运行和长期稳定性。
通过合理的设计和优化,离心风轮蜗壳能够提高风力发电机组的发电效率,为可持续能源的发展做出贡献。
9-19、9-26型高压离心风机一、特性及应用9-19、9-26型高压离心通风机,一般用于锻冶炉及高压强制通风,并广泛用于输送空气和其他不自燃的、对人体无害的、对钢铁材料无腐蚀性的气体。
气体内不含粘性物质,所含尘土及硬质颗粒物不大于150mg/m3,气体温度不得超过80℃。
二、型式9-19、9-26型高压离心通风机均可制成右旋转和左旋转两种型式。
从电动机一侧正视,叶轮顺时针旋转称右旋风机,以“右”表示;叶轮逆时针旋转称左旋风机,以“左”表示。
风机的出口位置,以机壳的出风口角度表示。
“左”、“右”均可制成0°、45°、90°、135°、180°、225°共六种角度。
风机的传动方式为A(No.4~6.3)和D(No.7.1~16)两种。
三、结构特点No.4~6.3主要有叶轮、机壳、进风口等部分配直联电动机组成,No.7.1~16除具有上述部分外还有传动部分。
(1)、叶轮:9-19型风机叶片为12片,9-26型风机叶片为16,均属前向弯曲型叶片。
叶轮扩压器外缘最高圆周速度不超过140m/s。
叶轮成型后经静、动平衡校正,空气性能优良,效率高,运转平稳可靠。
(1)、叶轮:9-19型风机叶片为12片,9-26型风机叶片为16,均属前向弯曲型叶片。
叶轮扩压器外缘最高圆周速度不超过140m/s。
叶轮成型后经静、动平衡校正,空气性能优良,效率高,运转平稳可靠。
(2)、机壳:机壳是用优质钢板焊接而成的蜗形体。
No.2.8~12.5机壳做成整体,不能拆开。
No.16、No.20的机壳制成两开式,沿中分水平面分为两半,用螺栓连接。
(3)、进风口:进风口制成收敛式流线型整体结构,装于风机的侧面;与轴向平行的截面为曲线形状,能使气体顺利进入叶轮,且损失较小。
(4)、传动组:传动部分由主轴、轴承箱、联轴器等组成。
主轴由优质钢制成。
轴承箱整体结构采用球轴承,用轴承润滑脂润滑。
0 引言蜗壳的作用是将离开叶轮的气体导向蜗壳出口,并将部分动压转变为静压。
蜗壳的结构是复杂的空间曲面体,理论上,蜗壳的型线是螺旋线,但是由于螺旋线结构较复杂,难于手工绘制。
因此,在生产中通常用简化的模型来近似。
由于蜗壳是离心通风机的关键部件,蜗壳型线的绘制不仅直接关系到蜗壳内的流动损失,还对叶轮的气动性能有很大影响,它直接影响风机的效率及输出流量、压力等性能参数,当工况变化时,需要重新计算并设计,使得产品设计周期延长。
本文应用三维建模工具CATIA,对蜗壳型线进行精确参数化建模,实现蜗壳的快速设计。
1蜗壳的型线及结构参数1. 1蜗壳的对数螺线型线及结构蜗壳的型线见图1。
图中R为蜗壳处半径,R 2为叶道出口半径。
对于每一个角度©值都可以得到一个R值,把各点连接起来就是蜗壳的型线。
其中:截面a-a 称为终了截面,A称为终了截面的张开度。
蜗壳的尺寸与张开度A有关,任意角度©处的张开度A为理论上,为了便于分析和计算,假定气流在蜗壳中为定常流动,忽略气体的粘性,气体沿着整个叶轮出口均匀地流出⑴图2表示在蜗壳型线起始段气体在蜗壳内的流动。
图中:R为叶轮半径(即叶道出口半径),c为距离轮心R处的气流速度,a为气流角,6、6分别为R处的周向速度和径向速度。
c' 2为叶道出口速度,c'2u、c' 2m、a' 2分别为叶道出口后的周向速度、径向速度及气流角(叶道出口后速度一一刚出口时气流未充满截面,很快即互相混合,混合后的速度也即蜗壳的进口速度)图2气悴在娟壳內硫动蜗壳整个截面充满有效气流,由于忽略空气黏性,蜗壳内的流动满足动量守恒定律,当蜗壳宽度B为常数时,得任意截面处R与©的函数关系式[1]为—,r tan «》、R 二 R 尹2曲= Jt 2e s ⑵式中b 2为叶片出口宽度,mm a' 2为叶道出口后气流角,(°); ©为该截面与起始截面之间的夹角,rad 。
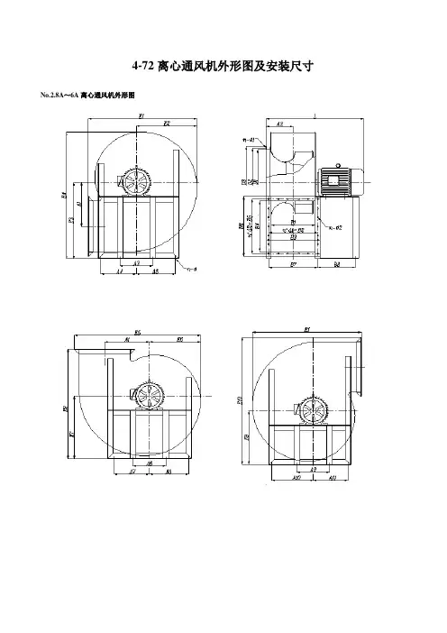
4-72离心通风机外形图及安装尺寸No.2.8A~6A离心通风机外形图
No.2.8A~6A离心通风机安装尺寸表
No.6C~12C离心通风机外形图
No.6C~8C离心通风机(结构紧凑型)安装尺寸表
注:(1)4-72No.6C风机出口180℃配Y132S-4-5.5kW及以上电机不采用此结构,配防爆电机时不采用此结构。
(2)4-72No.6C风机出口0℃配Y160M-4-11kW及以上电机不采用此结构,配YB112M-4
4kW及以上防爆电机时不采用此结构。
(3)4-72No.6C风机出口90℃配Y160M-4-11kW及以上电机不采用此结构,配YB132S-4
5.5kW及以上防爆电机时不采用此结构。
(4)4-72No.7C风机出口180℃配Y160M-4-11kW及以上电机不采用此结构,配YB32S-4
5.5kW及以上防爆电机时不采用此结构。
(5)4-72No.7C风机出口90℃、0℃配Y160L-4-15kW及以上电机不采用此结构,配YB160M-4-11kW及以上防爆电机时不采用此结构。
(6)4-72No.8C风机出口180℃配Y160L-4-15kW及以上电机不采用此结构,配YB132S-4
5.5kW及以上防爆电机时不采用此结构。
(7)4-72No.8C风机出口90℃、0℃配Y160L-4-15kW及以上电机不采用此结构,配YB160M-4-11kW及以上防爆电机时不采用此结构。
No.6C~12C离心通风机(结构标准型)安装尺寸图
No.16B、No.20B离心通风机外形图
No.16B、No.20B离心通风机安装尺寸表。
离心高压风机安装尺寸以及性能参数图SANY标准化小组 #QS8QHH-HHGX8Q8-GNHHJ8-HHMHGN#9-19、9-26型高压离心风机一、特性及应用9-19、9-26型高压离心通风机,一般用于锻冶炉及高压强制通风,并广泛用于输送空气和其他不自燃的、对人体无害的、对钢铁材料无腐蚀性的气体。
气体内不含粘性物质,所含尘土及硬质颗粒物不大于150mg/m3,气体温度不得超过80℃。
二、型式9-19、9-26型高压离心通风机均可制成右旋转和左旋转两种型式。
从电动机一侧正视,叶轮顺时针旋转称右旋风机,以“右”表示;叶轮逆时针旋转称左旋风机,以“左”表示。
? 风机的出口位置,以机壳的出风口角度表示。
“左”、“右”均可制成0°、45°、90°、135°、180°、225°共六种角度。
?三、结构特点(1)、叶轮:9-19型风机叶片为12片,9-26型风机叶片为16,均属前向弯曲型叶片。
叶轮扩压器外缘最高圆周速度不超过140m/s。
叶轮成型后经静、动平衡校正,空气性能优良,效率高,运转平稳可靠。
(1)、叶轮:9-19型风机叶片为12片,9-26型风机叶片为16,均属前向弯曲型叶片。
叶轮扩压器外缘最高圆周速度不超过140m/s。
叶轮成型后经静、动平衡校正,空气性能优良,效率高,运转平稳可靠。
(3)、进风口:进风口制成收敛式流线型整体结构,装于风机的侧面;与轴向平行的截面为曲线形状,能使气体顺利进入叶轮,且损失较小。
(4)、传动组:传动部分由主轴、轴承箱、联轴器等组成。
主轴由优质钢制成。
轴承箱整体结构采用球轴承,用轴承润滑脂润滑。
四、产品图形五、性能参数表9-19型性能参数表9-26型性能参数表六、外形及安装尺寸(单位:mm)9-19、9-26系列~离心通风机外形及安装尺寸图)厂家声明:上虞聚英风机厂不断进行技术完善改进更新,风机技术性能参数提供以厂家最新样本为准;我厂主营优势种类推荐::高压离心风机、防爆离心风机、4-72、4-79离心风机、9-19、9-26离心风机、除尘(排尘)离心风机、锅炉离心风机、高温离心风机、空调离心风机、HTFC柜式离心风机、防腐离心风机、玻璃钢离心风机;:屋顶离心风机、屋顶轴流风机、屋顶排烟风机、防爆屋顶风机、玻璃钢屋顶风机、铝制屋顶风机、RTC离心式屋顶风机、DWT轴流式屋顶风机、无动力屋顶风机、屋顶自然通风器;。
尺寸限制条件下离心风机蜗壳型线的设计研究方挺1,3漆石球1王宇贤1温选锋2,3毛义军4(1.广东志高暖通设备有限公司;2.中山宜必思科技有限公司;3.西安交通大学能源与动力工程学院;4.华中科技大学航空航天学院)摘要:由于暖通空调行业在通风换热系统中的一些产品对于紧凑结构的要求很高,因此前向多翼离心风机及其风道系统的设计常常受到结构尺寸的限制。
在实际应用中大量多翼离心风机采用“大叶轮、小蜗壳”结构,造成蜗壳型线与叶轮流动参数的不匹配。
为了能够在空间受限的条件下,尽可能设计出相对高效和大风量的前向多翼离心风机,本文对比分析了受限空间下两种思路设计得到的多种蜗壳型线方案,利用数值仿真确定最优方案,并通过实验测试对仿真计算结果进行了验证。
在此基础上分析了最优方案内部的流动特征。
关键词:空调;离心风机;空间限制;气动设计;气动性能中图分类号:TH432;TK05文章编号:1006-8155-(2020)01-0022-07文献标志码:A DOI:10.16492/j.fjjs.2020.01.0003Volute Profile Design of Centrifugal Fan with SpaceLimitationTing Fang1,3Shi-qiu Qi1Yu-xian Wang1Xuan-feng Wen2,3Yi-jun Mao4(1.Guangdong Chigo Heating&Ventilation Equipment Co.,Ltd,2.Zhongshan EBS Technology Co.,LTD.,3.School of Energy and Power Engineering Xi'an Jiao Tong University,4.School of Aerospace Engineering,Huazhong University ofScience and Technology)Abstract:Forward-curved multi-blade centrifugal fans and associated airduct are usually designed with the space limitation due to the requirement of space compactness utilized in air-conditioning systems.The design idea of so-called big impeller and small casing usually results in a mismatch between the centrifugal impeller and volute casing.This paper performs a comparative study on two methods for designing volute profiles with the space limitation.An optimal design scheme was determined by using the flow simulation method,and experimental measurement was performed to validate the design scheme.The flow characteristic inside the optimal centrifugal fan was analyzed.Keywords:Air-conditioner,Centrifugal Fan,Space Limitation,Aerodynamic Design,Aerodynamic PerformanceChinese Journal of Turbomachinery Vol.62,2020,No.10引言空调柜机、风机盘管、空气清新机和除湿机等家用暖通产品由于受安装场所的限制,对结构的紧凑性要求很高,其中通风换热系统的设计常常让步于整体系统的结构限制,因此,通常以牺牲风机性能为代价来达到系统紧凑的目的。