认证工程师岗位说明书
- 格式:doc
- 大小:46.00 KB
- 文档页数:3
认证工程师_审核员岗位说明书
岗位描述:
1、根据公司要求制定iso9000/iso14000内审、产品、过程审核计划;
2、负责质量及环境管理体系文件的制定与修改工作;
3、维护质量体系,组织执行iso9000体系的审核,针对各种审核中发现的问题组织相关人员制定措施并追踪;
4、制定修改相应的质量程序,完成对质量体系流程的培训工作;
5、负责产品质量的认证工作和第三方测试。
任职资格:
1、相关专业大学本科学历;英语读写流利;
2、3-5年以上质量工程师的工作经历;3年质量认证工作经验;
3、熟悉管理体系认证(iso9000、iso14000、ohsas18000);具有iso9000/iso14000/ts16949内审员资格;熟练使用office软件;
4、有较强的语言和文字表达能力及沟通能力。
认证工程师岗位职责
岗位名称:认证工程师。
所属部门:质量管理部。
直接上级:质量管理部部长。
直接下级:质量员。
职责概要:
组织质量管理体系的认证工作、认证的年检、年审工作及文件修改工作;组织质量体系的认证和推广、实施;确保公司质量管理体系的健全、完善。
详细职责:
1、编写公司质量管理体系文件,协作部长参加公司质量方针、目标的制订;推动各项质量体系的运作和实施;
2、编写符合ISO标准的质量手册和程序文件,办理认证申请并通过认证;办理其他质量体系的认证申请;
3、质量体系认证通过后,在公司内部推广实施并严格监督执行;
4、认证的年检、年审工作,以及年检、年审后的修改工作和各项文件的定期修订;
5、质量体系相关文件和资料的归类、存档管理。
任职要求:
学历要求:高校本科以上学历。
阅历要求:5年以上相关工作阅历。
实力要求:了解国家公布的质量标准和国际认证的质量标准,熟识国内外质量管理的最新动向和最新进展趋势,全面把握质量认证的标准文件,了解公司的生产作业流程;为完成质量管理和质量体系认证,协调多方资源的实力。
认证工程师_审核员岗位说明书
领导执行、实施董事长的各项决议:全面领会董事长的各项决议内容及其重要意义、
组织实施董事长的各项决议;对各项决议的实施过程进行监控,发现问题及时纠正,确保
决议的贯彻执行。
审计经理根据年度审计计划和总经理的临时指令确定具体审计项目、审计对象和实施
时间,指定相关人员组成审计小组;
岗位说明书是对该岗位职责及任职要求的说明,下面为大家搜集的一篇“化验员岗位
说明书”,供大家参考借鉴,希望可以帮助到有需要的朋友!
对于收银员的岗位职责,你了解吗,下面为大家搜集了2篇“收银员岗位说明书范本”,供大家参考借鉴,希望可以帮助到有需要的朋友!
在从事业务员的岗位之前,要先好好了解一下业务员的岗位说明书哦。
下面为大家搜
集的一篇“业务员岗位说明书2020”,供大家参考借鉴,希望可以帮助到有需要的朋友!
根据公司生产实际情况,编制可行的维修计划,交相关人员对设备实施维修,确保
生产能力和产品质量要求。
按照安全操作规程规定和质量验收标准要求,组织班组开展质量及安全的自检、互检、交接检三检制度,努力提高工人技术素质和自我防护能力。
对施工现场设置的交通安全设
施和机械设备等安全防护装置经组织验收合格后方可进行工程项目的施工。
感谢您的阅读,祝您生活愉快。
工程师岗位说明书工程师岗位说明书(精选26篇)说明书是以应用文体的方式对某事或物来进行相对的详细描述,方便人们认识和了解某事或物。
以下是本店铺整理的工程师岗位说明书,希望对大家有所帮助。
工程师岗位说明书 1职责描述:1、在工程部经理的领导下,负责公司工程进行项目前期的规划、设计及开工前的准备工作。
负责工程项目进行基础、主体结构、装饰、装修等分项工程的技术管理工作。
2 、土建专业施工全过程管理(图纸审定、拨款、质量、安全、进度、变更、签证、甩向、档案、竣工验收、移交、维修)3、土建类合同文本、招标文件拟定人,负责完成土建类合同签订前的准备性工作(设计任务书土建部分、图纸审定、招标文件、合同文本等)在授权范围内对此类合同进行履约及对对方的履约进行监管。
主要职责:1、制定本人周、月、季、年工作计划,报部门经理审定。
2、拟定和修改本职工作涉及的规章制度、工作规程、岗位职责、报表及审批表,经上级领导批准后执行。
3、拟定本人学习计划,不断学习本职工作的各项技能及各类新知识、新材料、新工艺,不断提高执业技能和执业素质。
4、负责完成本人应负责的合同的签订,督促其他部门及人员应当完成的前置性工作,在授权范围内代表公司执行和监管合同对方对合同的履行,具体办理本人负责的合同款拨付审批事项。
在施工阶段发现施工企业、监理公司未能履约或未能完全履约的,可暂停合同款拨付并可向其开具罚单,报公司领导审批后,移交财务。
5、严格按照国家和当地行政主管部门所制定的规范、规程、标准、规定的内容和程序,代表公司对土建工程施工全面履行管理和监督职能,对土建工程施工的质量、进度、安全及拨款负责。
6、参与公司开发项目的前期论证与可行性报告的土建部分和分期开发计划、上述工程各期施工前工作计划、上述工程各期施工工作计划的制定工作,报上级领导审定后实施。
7、对单体工程的图纸会审、设计变更、签证、甩项、进行审查,并督促部门人员办理公司规定的相关手续后,报上级领导审定。
工程师岗位说明书关键信息项:1、岗位名称:工程师2、所属部门:____________________________3、直接上级:____________________________4、直接下级:____________________________5、岗位职责:____________________________6、任职资格:____________________________7、工作权限:____________________________8、工作条件:____________________________9、工作时间:____________________________10、绩效考核:____________________________11 岗位概述工程师是负责技术领域相关工作的专业人员,其工作涵盖设计、开发、测试、维护等环节,以确保产品或项目达到预期的技术要求和质量标准。
111 岗位职责1、负责产品的技术研发工作,包括方案设计、详细设计、技术选型等。
2、编写技术文档,如需求规格说明书、设计文档、测试报告等。
3、参与项目的需求分析,提出技术可行性建议和解决方案。
4、进行系统的架构设计和模块划分,确保系统的可扩展性和稳定性。
5、负责代码的编写、调试和优化,保证代码质量和性能。
6、对产品进行测试,包括单元测试、集成测试、系统测试等,发现并修复软件缺陷。
7、协助解决生产过程中的技术问题,提供技术支持和指导。
8、关注行业技术发展动态,不断学习和引进新技术,提升产品的竞争力。
9、参与团队技术交流和分享,提高团队整体技术水平。
112 任职资格1、本科及以上学历,相关专业背景,如计算机科学、电子工程等。
2、具有X年以上相关工作经验。
3、熟练掌握至少一种编程语言,如 Java、C++、Python 等。
4、熟悉数据库设计和开发,如 MySQL、Oracle 等。
5、具备良好的算法和数据结构基础。
认证工程师岗位职责•相关推荐认证工程师岗位职责在社会发展不断提速的今天,越来越多地方需要用到岗位职责,制定岗位职责有利于提高工作效率和工作质量。
想必许多人都在为如何制定岗位职责而烦恼吧,以下是店铺整理的认证工程师岗位职责,欢迎大家分享。
认证工程师岗位职责1岗位职责:1.主要负责城市轨道交通车辆牵引传动系统的产品认证工作;2.负责拟定认证技术方案和计划书。
3.负责检测报告、认证报告审查和结果分析,建立内外部技术文件体系。
4.完成公司交办的'其他业务事项。
职位要求:1.理工科机车车辆专业、电气专业背景,本科以上学历;2.熟悉城轨车辆牵引传动系统的设计、制造、组装、运行技术规范和质量标准,熟悉产品技术标准、型式试验大纲、测试方案;3.具有车辆厂或研究所工作经验,有车辆牵引传动系统设计、总装、调试和运用经验者优先,熟悉系统安全评估或rams者优先;具有车辆牵引传动检测、产品认证工作经验者优先;4.有较强的报告编制和技术文件撰写能力;5.职业道德良好,工作态度积极,具有较强内外部协调能力、团队协作精神和良好的质量安全意识。
6.具有一定市场开发能力,有志于从事于我国城轨装备认证事业。
认证工程师岗位职责2职责描述:1、有效地执行并达成既定的销售目标;2、在现有的和新的市场中,拓展新的销售机会;3、维护并加强现有的客户关系,处理售后服务事宜;4、为客户提供技术支持;5、收集市场信息,关注竞争对手及市场发展趋势,进一步拓展新的`业务。
任职要求:1、大专及以上学历,电子、通信类相关专业优先考虑;2、一年以上通信产品出口认证销售工作经验,有意从事认证销售类工作的应届生亦可;3、优秀的沟通表达及协调能力,积极主动,责任感强;4、具有亲和力,反应灵敏,抗压力强;5、英文cet4及以上,办公软件操作熟练。
认证工程师岗位职责3职责描述:1.负责3c认证的申报与管理;2.负责出具相关整车cop检验报告;3.负责3c认证相关法律、法规要求的收集及整理并贯彻执行;4.负责公司产品、技术相关企业标准的制修订、审核和宣贯,负责最新上级标准法规的'收集与宣贯。
工程师岗位说明书
职位概述:
我们正在寻找一名具有卓越技术能力和创新思维的工程师加入我们的团队。
工程师将负责设计、开发和维护我们的产品和系统,确保其性能、可靠性和安全性。
主要职责:
1. 设计和开发新的产品和系统,根据客户需求和市场趋势进行创新和改进。
2. 负责制定和执行测试计划,确保产品和系统的性能和可靠性。
3. 参与解决产品和系统的技术问题,提供技术支持和解决方案。
4. 与团队成员和其他部门合作,确保项目按时交付和符合质量标准。
5. 持续学习和研究最新的技术发展和行业趋势,为产品和系统的改进提供技术支持。
任职要求:
1. 本科或以上学历,工程学、计算机科学或相关专业。
2. 三年以上工程师或相关岗位工作经验。
3. 精通至少一种编程语言和相关开发工具,熟悉软件开发流程和方法。
4. 具有良好的沟通能力和团队合作精神,能够与多个团队合作并解决问题。
5. 对技术有强烈的兴趣和热情,具有创新思维和解决问题的能力。
薪酬福利:
1. 具有竞争力的薪资和福利待遇。
2. 职业发展和晋升机会。
3. 良好的工作氛围和团队合作环境。
如果您对工程师岗位感兴趣,并且符合以上要求,请将您的简历发送至我们的人力资源部门。
期待您的加入!。
认证工程师岗位职责(共15篇)第1篇:质量认证工程师岗位职责认证工程师/审核员岗位职责1、负责建立并改善公司质量环境管理体系,识别体系运行所需要的过程,编制并修订体系文件及流程,通过稽查和内部审核,对职能部门体系及流程的运行进行维护和指引,确保体系得到有效实施和保持;2、组织年度管理评审,评价体系运行的充分性、适宜性和有效性;3、负责应对体系认证公司的年度监督审查,确定日程安排及审查内容,提前通知各部门做好准备,安排接待事宜,全面跟进审查过程,组织并跟进审查不合格项的整改及回复认证公司;4、组织建立公司和部门质量指标和考核体系;按时进行指标测评及部门质量绩效考核;5、对违反流程操作事件进行调查、处理、考核,并对相关部门进行教育,预防事故的再次发生;6、协助接待体系认证公司以外的机构的工厂审查,组织对审查不合格项的整改与验证;7、负责对各级质量协会、技术监督局、环保局的联络工作。
任职资格:1.三年以上体系运营管理经验(****质量、14001环境、18001职业健康)2.有体系建立、维护、修订、审核、培训、日常维护经验3.管理标准与企业运行相结合的成功项目经历4.标准化流程、思路清晰、思维逻辑能力强,较强的文字写作、表达、组织、培训能力。
第3篇:3C认证工程师岗位职责(推荐)高级驻地监理工程师(项目总监)岗位职责1、负责本监理合同段的全面监理工作,向总公司及业主负责。
2、主持编制本监理合同段的《监理规划》,制定详细工作计划。
3、组织审核施工图纸,组织监理人员熟悉合同文件和设计文件。
4、主持第一次工地会议及每月的工作例会、现场协调会议。
5、审查并批准承包商的分项工程开工报告,审查其施工组织设计、总施工计划。
6、审查承包商的材料来源、施工人员、装备进场情况,对其施工技术水平进行评估。
7、审查变更设计方案,提出审查意见后报业主。
8、明确质量标准,确定质量公差,经常巡视工地,解决施工中的重大技术问题,处理影响工程质量的问题,确定试验路段、试验项目,审查承包商提出的特殊工艺与技术措施,向承包商发出质量控制的指示。
认证工程师岗位职责认证工程师是指负责验证和确认各种系统、设备或软件的性能和功能是否符合特定标准和要求的专业人士。
他们在各个行业中都扮演着重要的角色,帮助确保产品的质量和安全性。
本文将介绍认证工程师的岗位职责,并详细描述其在工作中的重要性和挑战。
1. 背景检查与需求分析:认证工程师在开始工作之前,首先需要进行背景检查和需求分析。
他们会仔细研究相关的行业标准和法规要求,了解产品的基本要求和技术规范。
此外,他们还需要与客户或内部团队进行沟通,了解项目的具体需求和目标。
通过背景检查和需求分析,认证工程师能够为后续的认证过程提供指导和准确性。
2. 认证计划制定:认证工程师需要根据客户需求和相关标准,制定详细的认证计划。
该计划包括认证策略、方法和时间表。
他们需要考虑不同测试环境的适用性,并确保计划的合理性和可行性。
认证计划的制定对于认证工程师来说至关重要,它是整个认证过程的指南和蓝图。
3. 测试与分析:认证工程师负责执行各种测试活动,以验证产品的性能和功能。
他们会使用各种测试工具和设备,进行系统测试、性能测试、兼容性测试等。
测试结果的分析和评估也是他们的责任范围之一。
在测试过程中,认证工程师需要保证准确性和可靠性,并及时解决测试中出现的问题和挑战。
4. 报告和文件编制:认证工程师需要编写详细的测试报告和认证文件。
这些文件包括测试结果、问题解决方案和建议等。
报告的编制需要准确反映测试过程和结果,为客户提供准确的参考和决策依据。
认证文件的编制要求工程师有扎实的专业知识和文档撰写能力。
5. 客户咨询与支持:认证工程师还需要与客户进行沟通和咨询,解答他们的问题和提供技术支持。
他们需要与客户保持紧密合作,确保客户对认证过程的理解和满意度。
认证工程师在与客户互动的过程中,需要具备良好的沟通和解决问题的能力。
总结:认证工程师是产品质量保障过程中至关重要的一环。
他们不仅需要具备扎实的专业知识和丰富的实践经验,还需要具备良好的沟通和解决问题的能力。
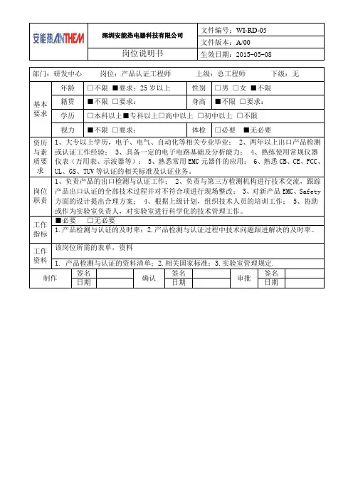
深圳安能热电器科技有限公司
文件编号:WI-RD-05
文件版本:A/00
岗位说明书生效日期:2015-05-08
部门:研发中心岗位:产品认证工程师上级:总工程师下级:无
基本要求年龄□不限■要求:25岁以上性别□男□女■不限籍贯■不限□要求:身高■不限□要求:学历□本科以上■专科以上□高中以上□初中以上□不限
视力■不限□要求:体检□必要■无必要
资历与素质要求1、大专以上学历,电子、电气、自动化等相关专业毕业; 2、两年以上出口产品检测或认证工作经验; 3、具备一定的电子电路基础及分析能力; 4、熟练使用常规仪器仪表(万用表、示波器等); 5、熟悉常用EMC元器件的应用; 6、熟悉CB、CE、FCC、UL、GS、TUV等认证的相关标准及认证业务。
岗位职责1、负责产品的出口检测与认证工作; 2、负责与第三方检测机构进行技术交流,跟踪产品出口认证的全部技术过程并对不符合项进行现场整改; 3、对新产品EMC、Safety 方面的设计提出合理方案; 4、根据上级计划,组织技术人员的培训工作; 5、协助或作为实验室负责人,对实验室进行科学化的技术管理工作。
工作指标■必要□无必要
1.产品检测与认证的及时率;
2.产品检测与认证过程中技术问题跟进解决的及时率。
工作资料该岗位所需的表单,资料
1. 产品检测与认证的资料清单;
2.相关国家标准;
3.实验室管理规定.
制作签名
确认
签名
审批
签名日期日期日期。
工程师职务说明书一、岗位概述工程师是一种综合性的专业技术人员,主要从事工程设计、研究、开发、施工、管理、监督和其他相关工作。
工程师以其专业技术和管理能力为企业和社会发展做出了重要贡献。
他们承担着推动科技进步、提高生产效率、改善人们生活质量的重要使命。
二、岗位职责1、参与工程项目的规划、设计、施工和运营管理,确保项目进度、质量和安全;2、利用专业知识和技能,解决工程项目中的技术难题和技术矛盾,提出合理的解决方案;3、根据工程项目的具体要求,编制项目方案、施工图纸、设计报告等相关技术文件;4、独立或配合相关部门,进行工程测量、工程设计、工程监理和工程质量检测等工作;5、对工程项目的成本、进度和质量进行全面跟踪,确保项目按时按质完成;6、对工程项目的安全生产和环境保护进行全面监管和管理,确保工程项目的安全和环保;7、推动新技术、新材料和新工艺的应用,提高工程施工效率和质量;8、参与工程项目的投标、招投标、工程合同的签订等相关工作;9、在项目实施中主动与客户、监理单位、施工单位、供应商和其他相关部门进行沟通和协调,确保项目的顺利进行。
三、任职资格1、工程类相关专业本科及以上学历,年龄25-35岁;2、具有3年以上相关工作经验,有一定的工程实践经验和项目管理经验;3、熟悉有关建筑、水利、交通、电力等相关行业的技术规范和工程标准;4、具有较强的沟通能力、团队合作能力和良好的抗压能力;5、熟练使用AutoCAD、PKPM、Solidworks等专业软件;6、熟悉常用办公软件,具备良好的数据分析及报表生成能力;7、具有注册工程师资格证书者优先考虑。
四、薪酬福利1、工程师的薪酬按照行业标准和个人绩效进行调整,享受社会保险和住房公积金等福利;2、公司为工程师提供专业的技能培训和职业发展通道,鼓励员工不断提升自己的专业能力;3、公司为工程师提供良好的工作环境和发展平台,倡导员工之间的团队合作和共同成长。
五、工作环境1、公司为工程师提供舒适的办公环境和齐全的办公设备,保障员工的工作生活质量;2、公司为工程师提供良好的职业保障和职业发展机会,倡导员工之间的团队合作和共同成长;3、公司为工程师提供具有竞争力的薪酬待遇和丰厚的绩效奖金,让员工享有较高的幸福感。
认证工程师岗位职责一、岗位介绍认证工程师是企业职能部门中负责进行产品、系统或流程认证的专职人员。
他们负责确保企业的产品、系统或流程符合相关法律法规和标准要求,以保证产品的质量和安全性。
认证工程师在工作中需要具备深厚的专业知识、技能和严谨的工作态度,以确保认证工作的准确性和可靠性。
二、岗位职责1.负责确定认证目标:认证工程师需要依据企业的需求,确定需要进行认证的产品、系统或流程。
他们需要深入了解产品、系统或流程的特点和要求,以订立相应的认证目标。
2.订立认证计划:认证工程师需要依据认证目标,订立认真的认证计划。
认证计划需要包含认证的时间布置、所需人员和资源的配备等。
认证工程师需与相关部门进行沟通,确保计划的可行性。
3.进行认证测试:认证工程师需要依据认证计划,进行认证测试。
他们需要依据相关的法律法规、标准要求和认证流程,对产品、系统或流程进行全面、准确的测试。
认证工程师需要认真记录测试结果,并对测试结果进行分析和评估。
4.编写认证报告:认证工程师需要依据认证测试的结果,编写认真的认证报告。
认证报告需要清楚地描述产品、系统或流程的认证情况,包含认证的目标、测试方法和结果等。
认证报告需要准确、客观地反映认证工作的过程和结果。
5.参加认证审查:认证工程师需要参加认证审查的过程,与相关部门共同审查认证报告。
他们需要依据认证报告,评估产品、系统或流程是否符合相关的法律法规和标准要求。
认证工程师需提出合理的建议和看法,以确保认证的准确性和可靠性。
6.管理认证流程:认证工程师需要对认证流程进行全面管理。
他们需要与相关部门共同协调,确保认证工作按计划进行,并与相关人员保持良好的沟通和协作。
认证工程师需及时解决认证过程中的问题和困难,确保认证工作的顺利进行。
7.更新认证要求:认证工程师需要及时了解相关法律法规和标准的更新情况,对认证要求进行更新和调整。
他们需要与相关部门共同研究和讨论,确保企业的认证工作符合最新的要求。
认证工程师岗位说明书关键信息项:岗位名称:认证工程师所属部门:____________________________直接上级:____________________________直接下级:____________________________岗位定员:____________________________薪酬类型:____________________________1、岗位概述11 认证工程师负责公司产品在国内和国际市场上的认证工作,确保产品符合相关法规和标准的要求,以顺利进入目标市场。
2、岗位职责21 标准研究与法规跟踪211 持续关注国内外产品认证相关的标准、法规和指令的更新与变化。
212 收集、整理并分析行业内认证要求的动态信息,为公司产品认证策略的制定提供依据。
22 认证项目管理221 制定产品认证计划,包括时间节点、任务分配和资源需求。
222 协调公司内部各部门,如研发、生产、质量控制等,确保认证工作的顺利进行。
223 与认证机构保持密切沟通,及时解决认证过程中出现的问题。
23 技术文件准备231 编写和整理产品认证所需的技术文件,如产品规格说明书、测试报告、电路图等。
232 确保技术文件的准确性、完整性和合规性。
24 测试与检验协调241 安排产品的测试和检验工作,包括选择合适的测试实验室和检验机构。
242 跟进测试和检验进度,及时获取测试报告和检验结果。
25 认证申请与维护251 向相关认证机构提交认证申请,并跟踪申请进度。
252 在认证证书有效期内,负责证书的维护和更新工作,确保产品持续符合认证要求。
26 问题解决与风险应对261 对认证过程中出现的不符合项进行分析,制定整改措施并推动实施。
262 评估认证工作中的风险,制定相应的应对策略,以降低对公司业务的影响。
3、岗位权限31 有权要求公司内部各部门提供与产品认证相关的技术资料和信息。
32 有权对不符合认证要求的产品或流程提出改进建议和意见。
3C认证工程师岗位职责
3C认证工程师是指具备相关技术水平和经验,负责对电子和信
息技术产品进行3C认证的专业人员。
其主要职责包括以下几个方面:
一、负责3C认证项目的组织与管理
1. 整理3C认证的相关文件和资料,了解3C认证的法律法规及
有关规定;
2. 研究产品的技术性能,制定3C认证测试方案;
3. 管理3C认证项目进展,确保项目按时交付。
二、负责测试与检验项目的执行
1. 根据测试方案测试电子、信息技术产品的质量和可靠性,确
保产品符合3C认证标准;
2. 对测试结果进行分析和总结,准确把握产品的性能和技术情况;
3. 发现产品存在的问题,分析原因并制定解决方案,提出改进
意见。
三、负责和客户沟通和对接
1. 对产品的性能、规格和技术参数进行充分了解,向客户介绍
3C认证流程和标准;
2. 协调和处理客户提出的问题和需求,与客户沟通建立良好的
合作关系;
3. 能够清晰、准确地向客户解释3C认证流程和标准,保障客
户信息的准确性。
四、负责维护和更新3C认证测试与设备工具
1. 维护3C认证测试设备和工具,保证设备和工具处于可用状态,定期维护设备,并协同技术部门维护测试软件和硬件设备;
2. 将监控、管理和维护测试设备和工具的记录,包括测试设备使用情况、测试软件和测试工具的升级和更新,以及维护等信息记录和存档。
以上便是3C认证工程师的岗位职责,通过加强对产品质量和技术标准的把握,确保产品符合相关法律法规和国家标准,保证产品具有高质量和可靠性的要求。
认证工程师岗位职责模板1. 岗位职责1.1 工作职责•负责进行认证产品的测试、验证和实施工作,确保产品符合相关认证标准和技术规范。
•负责撰写和维护测试计划、测试用例、测试报告等相关文档。
•负责认证项目的进度跟踪和问题解决,确保项目定时完成和交付。
•参加认证项目的技术评审和验收工作,供应技术支持和解决方案。
1.2 技术支持•帮助销售和市场部门进行技术支持工作,解答用户关于产品认证的技术问题。
•为客户供应技术咨询和培训,确保客户了解和正确使用认证产品。
•分析客户需求,为客户供应定制化解决方案。
1.3 管理职责•组织和协调认证相关的各项工作,确保相关项目的顺利进行。
•建立和维护认证项目的文档管理系统,确保相关文档的准确性和完整性。
•对团队成员进行技术培训和业务引导,提高团队整体素养和工作效率。
•定期向上级汇报工作进展和问题,提出改进建议。
2. 管理标准2.1 工作流程认证工程师在进行工作时,应依照以下流程进行操作:1.进行项目需求分析,订立认证测试计划。
2.依据测试计划,订立认真的测试用例。
3.执行测试用例,记录测试数据和问题。
4.分析测试结果,修改和优化产品。
5.撰写测试报告和相关文档。
6.参加技术评审和验收工作。
7.供应技术支持和解决方案。
2.2 接口协作认证工程师与其他部门的接口协作如下:•与研发部门:协商产品修改和优化方案。
•与销售和市场部门:供应技术支持和解答用户问题。
•与客户:协商解决方案、供应技术咨询和培训。
2.3 项目管理认证工程师应依照项目管理的要求进行工作,包含但不限于以下方面:•订立项目计划和里程碑。
•定期跟踪项目进度,及时解决问题。
•完成项目交付,并进行验收。
3. 考核标准3.1 工作本领评估认证工程师的工作本领评估重要从以下方面进行考核:•职责履行情况:是否依照岗位职责进行工作,能否独立完成任务。
•技术本领:是否熟识认证产品的技术要求和测试方法,是否能够解决技术问题。
•项目管理本领:是否能够依照项目管理要求进行工作,是否能够定时完成项目。