高填方路基段强夯施工方案样本
- 格式:doc
- 大小:5.38 MB
- 文档页数:12
强夯施工方案本条约段段路基重要由特别路基处置惩罚、石方路基、路基防护、排水工程等构成。
本段路基均匀填土高度2.66~6.27m,K3+800~K5+900段地基为Ⅰ级非自重湿陷性黄土,K6+222~K6+680段地基为II级湿陷性黄土。
按照湿陷性黄土原地表处置惩罚方案:K3+800~K5+900段接纳夯击能为600KN·m和K6+222~K6+680段接纳夯击能为1000KN·m强夯处置惩罚。
2、强夯重要工程量及工期摆设鉴于地基强夯属专业性较强的施工项目,如我企业中标,将在本投标方案底子上体例更为专业及实行性的专项施工方案以引导施工,下面当场基强夯作一简朴的论述。
一、参数简直定强夯施工参数简直定依据是本工程园地的地质条件即高填方路段的土质环境和详细工程划定以确定,重要参数有:单点夯击能、最佳夯击能与夯击边数、夯击隔断时间、夯点安插及夯距。
最佳夯击能与夯击边数:我企业按照以往雷同工程的实际行工履历,本工程施工筹划夯击3~5遍,然后接纳低能量搭夯。
夯击隔断时间:对砂性土,由于其透水性能好,夯击时孔隙压力消散快,可一连夯击。
对粘性土,需隔断2周前后才气一连夯击。
以上参数在实际行工中应联合计划图纸和试夯环境作得当调解以满意工程所需。
二、施工机具的配备按照本工程的实际环境,拟投入2台大吨位履带式起重机、PC220挖机、推土机、压路机各一台、夯锤对砂性土锤底面积为3-4m2,粘性土为4-6m2,夯锤数目与起重机配套。
挖机重要用于施工历程中的喂料和备料,推土机用于园地平坦,压路机用于部分路基的碾压。
配备自卸车和水泵多少个,用于土方的运输和施工现场的排水。
三、施工措施1、丈量放样:接纳1台DS-3水准仪和1台J6经纬仪按施工图划定确定强夯地区及点位安插,并在强夯范畴外设置坐标操纵网点基桩,同时在其四周公道安插水准点作为操纵高程、路基沉落的依据。
2、试夯:在重锤夯击施工前,应试夯,以确定夯锤重量、底面积和落距,以便确定末了下沉量及相应的最小夯击遍数和总下沉量。
第1篇一、工程概况本工程位于某市某区,占地面积约为10,000平方米。
地基土层主要为粉质黏土、砂土和碎石土,地基承载力较低,不满足上部结构的要求。
为了提高地基承载力,确保工程安全,特制定本强夯地基工程施工方案。
二、施工目的通过强夯地基施工,提高地基土的密实度,增强地基承载力,减少地基沉降,确保工程结构的安全性和稳定性。
三、施工依据1. 国家相关工程建设标准规范;2. 地基处理设计文件;3. 施工图纸及施工组织设计;4. 施工现场实际情况。
四、施工工艺1. 施工设备(1)强夯设备:选用冲击能量为1000kN·m的强夯设备;(2)振动设备:选用振动能量为300kN·m的振动设备;(3)施工机械:挖掘机、装载机、平板振动器、钻机等。
2. 施工流程(1)施工准备:场地平整、排水、施工道路等;(2)测量放线:根据设计图纸,进行场地测量放线;(3)钻机就位:根据放线结果,将钻机就位;(4)钻孔:按照设计要求,进行钻孔作业;(5)夯击:根据设计要求,进行强夯或振动夯击;(6)检测:对施工效果进行检测,确保达到设计要求;(7)验收:对施工质量进行验收。
3. 施工要点(1)场地平整:场地平整要求平整度达到设计要求,排水设施完善;(2)测量放线:放线准确,确保施工精度;(3)钻孔:钻孔深度、直径、倾斜度等应符合设计要求;(4)夯击:夯击顺序、夯击次数、夯击时间等应符合设计要求;(5)检测:检测方法、检测时间、检测部位等应符合设计要求。
五、施工质量控制1. 施工材料:选用符合国家标准的施工材料,确保施工质量;2. 施工设备:设备性能良好,操作人员熟练;3. 施工工艺:严格按照施工工艺进行施工,确保施工质量;4. 施工检测:对施工过程进行检测,确保施工质量达到设计要求;5. 施工验收:对施工质量进行验收,确保工程安全、稳定。
六、施工安全措施1. 人员安全:施工人员必须佩戴安全帽、安全带等防护用品;2. 设备安全:设备运行正常,定期进行维护保养;3. 施工环境:施工场地安全,排水设施完善;4. 施工现场:设置安全警示标志,防止安全事故发生。
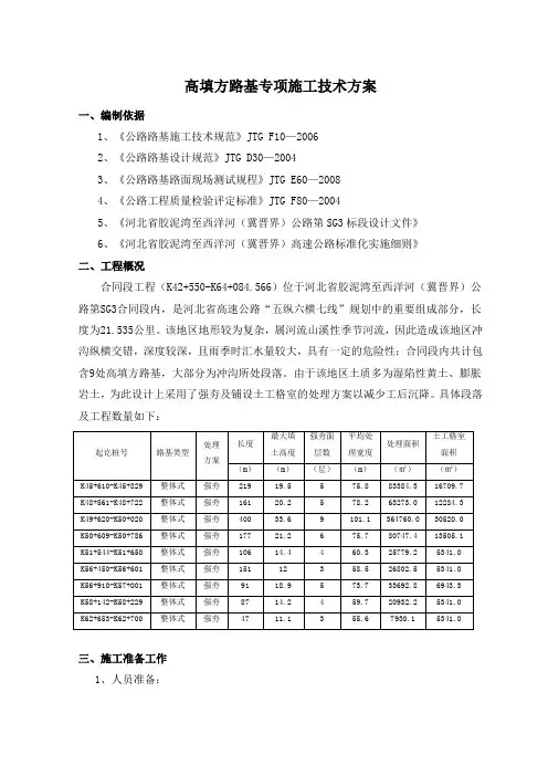
高填方路基专项施工技术方案一、编制依据1、《公路路基施工技术规范》JTG F10—20062、《公路路基设计规范》JTG D30—20043、《公路路基路面现场测试规程》JTG E60—20084、《公路工程质量检验评定标准》JTG F80—20045、《河北省胶泥湾至西洋河(冀晋界)公路第SG3标段设计文件》6、《河北省胶泥湾至西洋河(冀晋界)高速公路标准化实施细则》二、工程概况合同段工程(K42+550-K64+084.566)位于河北省胶泥湾至西洋河(冀晋界)公路第SG3合同段内,是河北省高速公路“五纵六横七线”规划中的重要组成部分,长度为21.535公里。
该地区地形较为复杂,属河流山溪性季节河流,因此造成该地区冲沟纵横交错,深度较深,且雨季时汇水量较大,具有一定的危险性;合同段内共计包含9处高填方路基,大部分为冲沟所处段落。
由于该地区土质多为湿陷性黄土、膨胀岩土,为此设计上采用了强夯及铺设土工格室的处理方案以减少工后沉降。
具体段落及工程数量如下:三、施工准备工作1、人员准备:用作路基填方的材料,按招标文件及监理工程师的要求进行试验,试验方法按《公路土工试验规程》进行,经监理工程师认可。
4、测量准备:根据设计院所给定的导线点、水准点,我项目经理部测量工程师复测加密,经监理工程师确认无误后,利用其进行路线中桩、边桩的测量放样。
路基直线段每20m一点,曲线段每10m一点。
路基清表前必须首先检测原地面标高,测绘路基横断面,报送监理工程师审核批复。
四、路基施工工艺1、路基填料应满足的要求:(1)含草皮、生活垃圾、树根、腐殖质的土严禁作为路基填料。
(2)泥炭、淤泥、冻土、强膨胀土、有机质土及易溶盐超过允许含量的土,不得直接用于填筑路基;确需使用时,必须采用技术措施进行处理,经检验满足设计要求后方可使用。
(3)液限大于50%、塑性指数大于26、含水量不适宜直接压实的细粒土,不得直接作为路堤填料;需要使用时,必须采取技术设施进行处理,经检验满足设计要求后方可使用。
填方段路基强夯施工方案一、背景介绍填方段路基强夯施工是指在路基填筑施工中采用强夯的一种建筑技术。
其主要目的是通过强夯作业,提高路基填筑的土质密实度和承载力,确保路基坚实可靠,提高路面使用寿命和安全性。
本文将介绍填方段路基强夯施工方案的相关内容。
二、施工准备在进行填方段路基强夯施工前,需要做好以下准备工作:•确定施工方案:根据填方段路基的设计要求和现场实际情况,制定合理的施工方案。
•准备设备:包括强夯机、挖掘机、压路机等必要施工设备。
•安排人员:按照施工方案要求,安排合适的施工人员参与作业。
三、施工过程填方段路基强夯施工主要包括以下几个步骤:1. 土方开挖首先,对填方段路基的原始土地进行开挖作业,使土地平整开阔,为后续施工作业提供条件。
2. 土方填筑在开挖完毕后,进行土方填筑作业。
将符合设计要求的填料填入土地中,逐层夯实,确保填方段路基的坚实稳固。
3. 强夯施工接着,利用强夯机对填方段路基进行强夯作业。
强夯机通过自身的重物对土地进行震动夯实,提高土质的密实度和承载力。
4. 环境保护在施工过程中,需注意环境保护,并采取相应的措施,确保施工过程对周围环境的影响降到最低。
四、施工质量控制为确保填方段路基强夯施工的质量,需要进行严格的质量控制:•材料检查:对填料进行检查,确保符合设计要求。
•施工过程监控:对施工过程进行实时监控,发现问题及时处理。
•质量验收:完成施工后,进行质量验收,确保填方段路基的质量合格。
五、施工注意事项在填方段路基强夯施工过程中,需注意以下事项:•安全第一:确保施工过程中的安全,做好安全防护工作。
•环保意识:注意环境保护,减少对周围环境的污染。
•施工效率:合理安排施工进度,提高施工效率。
六、总结填方段路基强夯施工是一项重要的工程技术,需要经过科学的施工方案设计和严格的质量控制,才能确保路基的质量和稳定性。
希望本文所述内容能够为填方段路基强夯施工提供一定的参考和帮助。
高填路提强夯施工方案一、编制依据1、娄衡高速公路路基强夯补强加固施工技术指南。
2、JTG F10/-2006《公路路基施工技术规范》3、娄衡高速公路路基标准化施工指南。
4、湖南省娄底至衡阳高速公路施工图纸。
二、工程概况本合同段起讫桩号为K55+100~K69+200,全长14.101Km。
按高速公路标准设计,全封闭、全立交,双向四车道,路基宽度26m,路面宽22.5m,采用沥青砼路面,计算行车速度为100km/h,桥涵设计荷载为公路-I级、设计洪水频率特大桥1/300,路基和大、中、小桥涵为1/100。
三、施工计划我部对高填路堤强夯施工计划开工日期为2015年8月20日,计划2015年10月20日全部完工。
四、高填路提强夯施工工艺及流程夯击击数:单点夯击3锤(注:当该点的夯沉量小于25cm时,该点的夯击完成;当该点夯沉量大于或等于25cm时,该点再夯击一锤)注:用水平仪检测每个夯击点的沉降量。
加固深度:在94区顶采用一层强夯加固施工,有效加固深度为5.5m。
半填半挖路基:夯击能及落距:同“全填路基”。
强夯施工工艺流程:强夯前路基质量检测(压实度、触探)→强夯夯点放线→强夯→强夯后路基质量检测(压实度、触探、夯沉量)。
强夯法施工机具:起重机械:根据工程所用的夯锤和起重高度来选用起重机的型号;起重力应大于夯锤质量的3~4倍,起重高度一般在10~25m之间。
锚系设备(门架):由横梁和2个支腿组成,支腿的结构形式有格构式或管式,门架上部横梁中心铰接于吊杆顶部。
脱钩装置:由带拉杆的吊钩和滑轮组成,配上牵引钢丝绳,当夯锤升到规定高度时能自动脱钩。
夯锤:夯锤的选择是根据地质情况、设计要求和强夯能级决定。
夯锤重为120kN,设不少于4个上下贯通通气孔,锤底形状为圆形,底面直径为2m。
推土机:是强夯法必不可少的辅助机械,作为场地整平压实之用。
强夯法施工步骤现场强夯施工按以下步骤进行:(1)清理并平整场地,测量路基在夯击前的路基承载力和压实度。
强夯工程施工方案一、工程概述本工程为某道路高填方路段地基处理工程,需要对填湖区路段进行地基强夯处理。
根据地基条件及工程要求,确定采用强夯法进行地基加固。
本施工方案将详细阐述强夯施工的参数确定、施工准备、施工工艺及质量控制等方面内容。
二、强夯施工参数1. 单点夯击能:根据工程地质条件及以往施工经验,计划采用锤重10~25t,落距10~25m。
2. 最佳夯击能与夯击边数:本工程施工计划夯击3~5遍,然后采用低能量搭夯。
3. 夯击间隔时间:对砂性土,由于其透水性能好,夯击时孔隙压力消散快,可连续夯击。
4. 夯点布置及夯距:根据设计图纸及现场实际情况进行夯点布置,确保夯点间距离符合设计要求。
三、施工准备1. 清除表层土:清除强夯施工范围内的表层土30cm,然后进行场地平整。
2. 碾压松散土:对平整后的场地进行表层松散土碾压,以提高地基的密实度。
3. 修筑施工便道:在施工区周边修筑施工便道,以便施工设备的进入和撤离。
4. 排水措施:在施工区周边设置排水沟,确保场地排水通畅,防止积水。
5. 查明地下构造物及管线:查明强夯场地范围内地下构造物及管线的位置,并采取必要措施,防止因强夯施工造成破坏。
6. 测量放线:测量放线,定出控制轴线、强夯施工场地边线,并在不受强夯影响的地点,设置水准基点。
四、施工工艺1. 强夯施工:按照设计要求,采用10~25t的重锤和10~40m的落距,对地基土进行冲击,施加冲击能。
2. 夯击遍数:根据工程要求,施工计划夯击3~5遍,然后采用低能量搭夯。
3. 夯点布置:根据设计图纸进行夯点布置,确保夯点间距离符合设计要求。
4. 夯击间隔时间:对砂性土,夯击间隔时间可连续夯击。
五、质量控制1. 施工过程中,严格按照设计要求和施工方案进行施工,确保施工质量。
2. 施工过程中,对夯击能量、夯点布置、夯击间隔时间等参数进行监测和记录,确保施工参数符合设计要求。
3. 施工过程中,加强对施工人员的培训和管理,确保施工安全。
第1篇一、工程概况本工程位于XX地区,属于市政道路工程。
由于地质条件复杂,地基承载能力较低,为确保道路的稳定性和安全性,决定采用强夯法对地基进行处理。
二、施工准备1. 技术准备:根据工程地质勘察报告,结合工程实际情况,制定强夯施工方案。
施工前,对施工人员进行技术培训,确保施工质量。
2. 材料准备:准备强夯设备、施工工具、安全防护用品等。
确保材料符合国家标准,并检验合格。
3. 施工现场准备:平整场地,设置施工便道,搭建施工平台,确保施工顺利进行。
三、施工步骤1. 钻孔:按照设计要求,对地基进行钻孔。
钻孔深度根据土层厚度和设计要求确定。
2. 灌注:将碎石、砂石等材料灌入钻孔中,确保灌注质量。
3. 强夯:采用强夯设备对灌注后的地基进行强夯处理。
具体步骤如下:a. 调整强夯设备,确保其稳定。
b. 将夯锤提升至预定高度,进行强夯。
c. 每次强夯后,观察地基变化,如需调整夯击能,重新进行强夯。
4. 检查:强夯完成后,对地基进行质量检查,确保满足设计要求。
四、施工要求1. 施工过程中,严格按照施工方案进行操作,确保施工质量。
2. 加强施工过程中的安全防护,防止安全事故发生。
3. 定期对施工人员进行安全教育和培训,提高安全意识。
4. 施工过程中,做好环境保护工作,减少施工对周边环境的影响。
五、施工进度安排根据工程实际情况,强夯施工进度安排如下:1. 钻孔:5天2. 灌注:3天3. 强夯:10天4. 检查:2天总计:20天六、质量保证措施1. 严格控制施工材料的质量,确保施工质量。
2. 加强施工过程中的质量控制,严格执行施工规范。
3. 定期对施工人员进行质量培训,提高施工人员质量意识。
4. 施工过程中,做好施工记录,为后期工程验收提供依据。
通过以上施工方案的实施,确保本工程强夯施工顺利进行,为市政道路工程奠定坚实基础。
第2篇一、工程概况本工程位于某市某区,占地面积约为10万平方米。
该工程地基土质为粉土,含水量较高,存在湿陷性,不满足工程建设的地基承载力要求。
自贡市东部新城生态示范区一期工程PPP项目”两横两纵”道路工程路基填方强夯专项施工方案编制单位: 四川星星建设集团有限公司编制时间: 10月20日目录一、编制原则及依据 (1)二、工程概况、设计要求 (1)三、强夯施工 (3)四、质量保证措施 (9)五、安全保证及环境保护措施 (10)六、文明生产措施 (12)路基强夯专项施工方案一、编制原则及依据1、编制依据⑴国家现行的公路工程建设施工规范、验收标准、路基施工设计图。
⑵《两横两纵道路工程施工图设计文件》⑶《公路路基施工技术规范》JTGF10-⑷《公路软土地基设计与施工技术规范》DB33 T 904-2、编制原则⑴施工总体布置体现确保质量, 满足工期的原则。
⑵施工过程坚持安全第一, 预防为主和保护环境的原则。
⑶遵循专业队伍施工, 机械配套的原则。
二、工程概况、设计要求2.1、工程概况自贡市东部新城位于自贡市中心城区东部, 东临成自泸高速公路, 北靠内宜铁路, 西、南以釜溪河为界, 整个新城跨越高新区、自流井区、大安区、沿滩区四个区域, 规划总面积34平方公里, 是自贡城市东扩和战略东进的聚集地。
根据自贡市城市总体规划及自贡城市总体”东进”战略发展目标, 随着东环线与东盐都大道的通车, 东部新城的建设提上议事日程。
起步区作为东部新城的先行先试区, 肩负自贡城市发展腾飞之路, 是自贡城市发展的方向。
本工程填方约300万立方, 填土高度最高为31米左右。
由于本工程工期建设单位大幅压缩后工期较紧, 路基没有规范要求的沉降期。
为了增强路基整体性及避免路面施工后沉降量超出设计允许值, 按照设计变更图纸文件, 需对填方高度大于6米的填方路堤进行强夯处理。
2.2设计要求及参数1) 强夯应分层强夯, 有软基处理的填方路段, 从换填表面2-3米开始强夯第一层; 没有软基处理的填方路段, 填方填筑4米后开始强夯第一层, 以后每隔5米夯击一层。
主夯、副夯、间夯夯击能量不小于3000KN.m, 满夯夯击能量为1000KN.m2) 强夯采用先点夯( 主夯、副夯、间夯) 后满夯的顺序, 夯点布置间距5m×5m梅花形布置。
高填方路基强夯专项施工方案目录第一章编制说明及编制依据 (1)一、编制说明 (1)二、编制依据 (1)第二章工程概况 (1)一、工程概况 (1)二、工程地质 (3)三、强夯法的原理和特点 (5)第三章施工准备 (5)一、施工计划 (5)二、施工前期准备 (5)三、设备准备 (6)四、劳动力准备 (6)五、技术准备 (7)第四章施工技术参数 (7)第五章施工方案及要点 (9)一、施工程序 (9)二、工艺流程 (9)三、机具设备 (10)四、施工方法要点 (12)五、质量控制要点 (13)第七章施工质量控制及检验 (14)一、质量保证体系 (14)二、质量控制 (14)三、质量检验 (14)第八章安全保证体系及保证措施 (15)一、安全保证体系 (15)二、安全保证措施 (15)第九章施工应急措施 (16)一、建立应急预案 (16)二、建立应急响应机制 (17)第十章文明施工及环境保护措施 (17)第一章编制说明及编制依据一、编制说明本专项施工方案是我项目部根据施工图设计,认真学习领会设计意图,通过对施工现场的调查研究,参照施工规范和工程质量验收标准,本着切实可行的原则,依据我单位积累的成熟技术、科技成果、同类工程施工经验以及现场踏勘调查获取的资料进行编制,在编制过程中,我们对方案进行了实施性论证,同时充分考虑到外界不利因素对工程施工的影响,配备了足够的人员和设备,制定了详细的质量、安全、环境保护措施,争取达到“技术先进、方案合理、保证工期”的目标,用于指导弋阳县弋江大道道路工程路基强夯工程现场施工。
二、编制依据1、本工程施工设计文件和施工图纸以及有关设计文件、地勘资料。
2、《建筑地基处理技术规范》(JGJ 79-2012)3、《强夯地基处理技术规程》(CECS279:2010)4、《建筑地基基础工程施工质量验收规范》(GB 50202-2013)5、《城镇道路施工与质量验收规范》(CJJ1-2008)6、《建筑施工安全检查标准》(JGJ59-2011)第二章工程概况一、工程概况弋阳县工业园区扩区调区(二期)基础设施建设项目位于弋阳县,为城南小区工业园的配套道路。
高填方路段强夯施工方案一、强夯原理强夯法是使用吊升设备将设计重量的锤反复起吊至一定高度后,使其自由落下,产生的巨大冲击能量和振动能量作用于地基,给地基以冲击和振动,从而在一定范围内使地基的强度提高,压缩性降低,改善地基的受力性能。
它的基本原理是:土层在巨大的强夯冲击能作用下,土中产生了很大的压实和冲击波,致使土中孔隙压缩,土体局部液化,夯击点周围一定深度内产生的裂隙形成了良好的排水通道,使土中的孔隙水(气)顺利溢出,土体迅速固结,从而降低此深度范围内土的压缩性,提高地基承载力。
二、施工机具设备和人员安排1、机械设备:根据处理路段的实际情况,拟投入1台采用带有自动脱钩装臵的履带式起重机,夯锤为圆形铸铁钢锤,底面直径1.8m。
推土机1台,用于场地平整。
2、人员配臵:现场负责人1名,技术负责人1名,安全负责人1名,质检人员1名,测量人员2名,试验人员1名。
三、施工工艺1、测量放样采用1台DS-3水准仪和1台top750全站仪按施工图要求确定强夯区域及点位布臵,并在强夯范围外设臵坐标控制网点基桩,同时在其周围合理布臵水准点作为控制高程、路基沉降的依据。
2、试夯在重锤夯击施工前应试夯,以观测夯锤落距与下沉量的对应关系,验证最后夯击后总下沉量。
2.1试夯应确定的参数:①强夯机具,夯锤重量及夯锤落距;②单点总夯击能(或夯击次数)与夯入度;③夯点间距及夯遍间歇时间;③夯击遍数;⑤有效加固深度;⑥夯后土的承载力标准f k值,压缩模量E s值或变形模量E0值等。
2.2具体的施工要求本合同段高填方路基施工的指导工序为:首先进行路基土方层压施工,当累计上土厚度>1.5m时,再进行强夯施工,重复上述工序直至填土高度达到设计要求,本方案只考虑强夯施工中的各项要求。
每夯点连续夯击两下为一遍,当两次夯击沉陷量之差≤5cm或两次夯沉量均<15cm,即达到要求。
当夯击一遍后沉陷量无法满足要求时,用推土机整平并静臵3天后,再进行第二遍夯击,重复上述过程直至夯沉量满足要求。
填方路基强夯施工方案灌凤高速公路第一合同段项目经理部二○一二年三月十日填方路基强夯施工方案一、工程概况灌阳(永安关)至全州(凤凰)高速公路No。
1合同段,位于广西壮族自治区桂林市全州县石塘镇内,标段起于灌阳县文市镇永安关(湘桂界),接厦门至成都高速公路湖南省宁远至道县段高速公路,中经文市、灌阳新圩、石塘,在全州县凤凰乡三里村附近,与全州至兴安高速公路相接,路线全长47.964721公里,本工区起止桩号为K27+000~K47+997。
265.1。
1、工程特点项目区地处广西东北部,为南岭山脉的西段,地势西部、北部及东南部高,中部较低.路线布设于地势相对较低的中部“湘桂夹道”内,为东-西、南东—北西走向,海拔高程在190-450米之间。
根据现场调查,本标段沿线天然筑路材料中石料和土料基本满足工程要求,砂料较为缺乏,水电沿途均有,使用方便.1.2、气候特点项目区属亚热带季风气候,春季温暖多雨,夏季炎热多暴雨,秋凉气爽,冬冷霜降。
年平均气温16~19℃,1月最冷,最低气温可达—7.5℃,7、8月份最热,最高气温达38℃。
开区域为广西降雨最充沛的地区之一,年总降雨量为1400~2200mm,主要集中在4~7月,超过全年的一半,秋天有干旱现象.风向和风速随季节有变化,多北东向或近南北向,春节风速较大,最大风速可达24m/s,夏季受南来海洋气团影响,秋、冬、春季主要受寒潮控制.1。
3、工程数量本工区共计两段强夯施工路段,一段为K27+925 K28+220,长度为295m,另一段为K30+381 K30+580,长度为199m.二、编制依据2.1、灌阳(永安关)至全州(凤凰)两阶段施工图设计文件;2。
2、灌阳(永安关)至全州(凤凰)公路土建工程招标文件相关技术规范及合同文件;2。
3、《公路桥涵施工技术规范》(JTG/T F50—2011);2。
4、《公路桥涵设计通用规范》JTG-D—2004;2。
5、《公路桥涵地基与基础设计规范》JTG-D63—2007;2。
高填方路基强夯施工方案高填方路基强夯施工方案一、编制依据1、《建筑工程施工质量验收统一标准》(GB 50300-2013)2、《建筑地基基础工程施工质量验收规范》(GB 50202-2002)3、《建筑地基处理技术规范》(JGJ 79-2012)4、本工程设计图纸、地质资料二、工程概况及技术要求1、工程概况体育公园次干道实施范围K-1+550至K0+000段,全线总长450m,标准路幅宽度为22m,该道路为城市次干路,设计车速为30km/h;体育中心后山路延伸段实施范围K0+020至K0+237.394,总长217.394m,标准路幅宽度为12m,该道路为城市支道,设计车速为20km/h。
本工程次干道和后山路路基均为高填方路基,最大填筑高度均超过20米,为避免路基填筑后的不均匀沉降,提高路基整体承载力,特设计此路基强夯施工方案。
2、处理面积次干道K-1+606~K-1+800,长194m,面积为4656m2。
后山路延伸段K0+020~K0+090,长70m,面积为980㎡。
3、工程技术要求夯击点距离为5m;单点夯击能主夯与副夯采用1000KN.m,满夯时采用800KN.m;夯击次数需满足下列条件:最后两击的平均夯沉量不大于50mm;夯坑周围地面不应发生过大的隆起;不因夯坑过深而发生起锤困难。
设计采用4击,夯击遍数采用主夯、副夯与满夯三遍:第一遍:主夯,按规定间距,正方形布置;第二遍:副夯,在各主夯点位中间穿插进行;第三遍:满夯,采用夯点彼此搭接1/4连续夯击;夯击间隔时间:对砂性土,由于其透水性能好,夯击时孔隙压力消散快,可连续夯击。
对粘性土,需间隔2周左右才能连续夯击。
三、施工准备(一)设备准备1、夯锤:用钢板制作外壳,内部焊接骨架后灌注混凝土制成。
夯锤底采用圆形,重量10T,并设2个排气孔,孔径为250mm。
2、起重机械:选用50t的履带式起重机,以满足夯锤起吊重量和提升高度,并设安全装置,防止夯击时臂杆后仰。
贵州省贵阳至黔西高速公路白云至卫城段起讫桩号: K7+000~K14+350路基强夯试验段施工技术方案编制:复核:审查:中交路桥北方工程有限企业贵黔高速公路第二合同段部项目经理部二零一四年五月目录1、编制依照及原则 .............................................- 3 -编制依照 . ..............................................- 3 -编制原则 . ..............................................- 3 -2、工程概略 ...................................................- 3 -设计概略 . ..............................................- 3 -施工自然条件 . ..........................................- 4 -3、施工准备 ...................................................- 5 -技术要求与准备 . ........................................- 5 -人员准备 . ..............................................- 5 -机械装备 . ..............................................- 5 -暂时道路准备 . ..........................................- 6 -4、强夯施工计划安排 ...........................................- 6 -5、施工方法 ...................................................- 6 -强夯试验段选择 . ........................................- 6 -强夯施工工艺 . ..........................................- 7 -施工重点 . (10)强夯机具要求 . (10)施工注意事项 . (11)6、雨季施工举措 (12)7、质量控制举措 (12)基本要求 . (12)外观判定 . (13)检查项目 . (13)施工总结 . (13)8、安全及文明施工 (14)主要危险源辨别 . (14)安全生产举措 . (14)安全及文明施工举措 (14)控制噪音污染 . (15)9、环境保护保证举措 (15)水土及生态环境的保护举措 (15)控制水环境 . (15)10、职业健康保证举措 (16)1、编制依照及原则1.1 编制依照、贵州贵阳至黔西高速公路第二合同段施工设计图纸;、《公路路基施工技术规范》 JTG F10-2006;、《公路工程质量查验评定标准》JTG F80/1-2004 ;、《公路工程安全技术规程》 JTJ076-95 ;、《公路工程施工质量查收规范》DGJ08-119-2005;、《公路土工试验规程》 JTG E40-2007;、《工程丈量规范》 GB50026—2007;、《公路工程技术标准》 JTJ B01—2003;、《公路排水设计规范》 JTG/T D33-2012;、《高速公路施工标准化技术指南》交通运输部公路局2012 年 11 月;、本单位对工程现场及周边环境的踏勘和检查;、本单位现有的施工力量、技术装备和施工管理能力;、中交路桥北方工程有限企业有关程序言件。
高填方路基地基强夯施工方案1、编制依据施工现场调查及现场踏勘。
2、适用范围3、工程概况3.1地质概貌根据设计说明,该地段为低山丘陵地貌,地形起伏变化不大,地区场内基本为农田覆盖,该层厚度一般为2.0m,从工程地质报告方面分析,对高填路堤的残坡积层进行适当清理后,地基地质条件基本满足高填路堤的施工要求。
其中K0+00—K0+00段填方路基基底分布有溶洞,溶洞高1。
2M,埋深6.8m,为防止填筑塌陷,在填筑前对基底进行强夯处理。
K0+00—K0+00段场坪既有1-14m厚的人工填筑土,灰褐色,稍密状,局部稍为松散,稍湿,主要为工业废料填土,以粉质煤渣为主,含少量碎石和角砾,局部夹少量植物根,为中、高压缩性,软硬不均,为D组填料,基本承载力达120Kpa,该填筑土未达到规定的填料要求和压实度,为减少不均匀沉降,确保路基的整体稳定性,对该段路基进行强夯处理。
K0+00—K0+00段进场道路与既有场场坪之间修筑2-8米高的挡土墙,为减少强夯对既有挡土墙的破坏影响,该段挡土墙外侧边缘至铁路路基(靠山侧)15米范围内采用钻孔注浆加固。
3.2材料要求1)在本路堤1.2米以下路堤范围内要求填置C类填料,1。
2米以上部分采用B类填料。
2)为避免路堤不均匀沉降导致路面开裂,在路面底面以下铺设土工格栅,土工格栅宽幅4。
0米,间距0.5米。
3)双向土工格栅抗拉强度≥40KN/m,延伸率小于等于≤3%,土工格栅的施工严格按照《土工格栅施工技术要求》执行,并保证搭接长度。
4、施工部暑4.1施工部暑本段高填方地段填料采用挖掘机开挖装车,大吨位自卸汽车运输,采用分层水平填筑,分层压实,推土机平整的施工方案。
压实度采用灌砂法检测,建立填方路堤稳定观测站进行沉降稳定观测。
施工队伍由经验丰富的施工作业班组进行施工。
4.2人员、料具及设备配备及劳动生产率1)机械设备机械设备配置情况表注;投入数量根据以上数据按工作量大小而增减。
2)人员人员配置情况表注;投入数量根据以上数据按工作量大小而增减。
高填方路基段强夯施工方案
一、工程概况
由我单位承建的XX高速公路XX合同段, 属高填方路基夯实路段的有两段, 里程桩号为LK86+210~LK86+235, RK86+830~RK86+930, 处理长度共125m, 其各项参数要求如下表所示。
高填方路基夯实设计及数量表
序号 1 2
起讫桩号分离式
路基
LK86+210~LK86+235 LK86+830~LK86+930 小计
处理长度
( m)
25 100 125 强夯层数 4 7
强夯平均
宽度( m)
26~50 30~93
强夯平均
高度( m)
15.6 24.5
处理面积
( m2)
3000 31500 34500 加固深度
( m)
4 4
夯击遍数
( 遍)
3 3
主、副夯
单点夯击
能( KN.m)
夯点间距
( m)
4 4
主、副夯
点击数
( 数)
4 4
主夯夯点
击数( 数)
192 1985 2177 副夯夯点
数( 点)
183 **** **** 满夯能量
( KN.m)
1000 1000
满夯面积
( m2)
3000 31500 34500
资料内容仅供您学习参考,如有不当或者侵权,请联系改正或者删除。
路基中心线路床底面
立 面 图平 面 图
主夯点副夯点注:
1、图中尺寸以厘米计,其中B为路基宽度。
2、本图适用于高填方路基及基底的强夯处理,地基处理完,每填筑4米再强夯一次。
3、高填路段距基底每隔4.0m强夯一次,主、副夯完成后进行全副满夯。
4、d为夯点间距,夯点击数为4次。
5、当地面坡度陡于1:5时,挖2~4%反坡台阶,台阶长度不小于2.0m。
6、未尽事宜详见相关说明。
重庆高速公路发展有限公司渝东分公司 国家重点公路杭州至兰州线
重庆奉节至云阳段高速公路B9合同段
特殊路基高填方路段(强夯)
设计图日期:2007年
施工单位:中铁十三局集团四公司
二、施工方法简介
强夯法是利用起重机械吊起大吨位夯锤(一般不小于8t),起重到很高(6-30m)处自由落下,给地基以强大冲击能量的夯击,使土中出现冲击波和很大应力,迫使土体孔隙压缩,排除孔隙中的气和水,使土粒重新排列,迅速固结,从而提高地基强度降低其压缩性。
三、施工准备
1、施工场地准备
( 1) 、施工场地要求坚实平整, 能满足大型车辆的走行。
( 2) 、所有施工现场及施工便道的排水系统必须完善, 保证降雨后无积水。
( 3) 、填筑后场地平整要求: 按10m×10m方格网测量其层面标高, 标高偏差应小于±10cm。
强夯前场地平整及画格
2、施工材料准备
采用粒径不大于80厘米的弱风化块碎石或强风化块碎石, 石料的含泥量应小于15%, 同时石料不得含有腐植土和植物根系。
填料厚度1.3~1.7m, 采用推土机推平。
3、人员及机械准备
( 1) 、人员投入
拟将路基强夯施工交给专门负责路基施工的机械四队队进行, 队伍人员主要包括队长1名, 副队长2名, 技术及测量人员3人, 施工管理人员8人, 吊车司机2人, 起重指挥人员2人, 各种施工设备操作人员共14人, 施工工人16人。
队伍有着丰富的路基施工经验, 其中的特种设备操作人员均经过专门培训, 持证上岗, 施工工人均从事过类似工程的施工, 具备熟练的操作技术。
( 2) 、主要的施工机具
a、夯机: 采用1台日立KH180型50T履带式吊车, 其起重臂杆接长22米, 提升高度8米;
b、夯锤: 要求的满夯能量为 KN.m, 故夯锤采用25T重的夯锤
, 此夯锤底面直径2.2 m, 底面积 3.8平方米, 锤底静压力: 41.1kpa;
c、钢丝绳、卡环、钢丝绳卡、花篮螺丝;
d、电焊机1台;
e、经纬仪2台, 水准仪1台, 50m钢尺1把。
强夯设备
四、施工方案
施工前应进行地质勘探, 并做出试验段, 试夯尺寸不小于20×20m; 强夯前应平整场地, 周围做好排水沟, 按夯点布置测量放线确定夯位; 开夯前应根据现场情况考虑夯机进出场顺序, 并根据夯机性能和提高施工效率, 夯机行走路线为两排夯点的中心线, 夯机每就位一次以夯击两点为宜。
锤击方法采取退着夯的施工顺序。
强夯应分段进行, 顺序从边缘夯向中央( 如图) , 每夯完一遍, 用推土机整平场地, 即可接着进行下一遍夯击。
夯击时,
落锤应保持平稳, 夯位应准确, 夯击坑内积水应及时排除。
坑底土含水量过大时, 可铺砂石后再进行夯击。
强夯顺序
施工过程中, 夯机不挂架, 以自动脱钩装置直接提升夯锤进行强夯施工, 为防止臂杆在脱钩时后仰以及锤钩回弹撞击臂杆, 必须在臂杆的锤钩敲击处, 设置防护装置,
以保护臂杆不受损害。
夯击前后应对地基土进行原位测试, 包括室内土分析试验、 野外标准贯入、 静力( 轻便) 触探、 旁压仪( 或野外荷载试验) , 测定有关数据, 以确定地基的影响深度, 检测深度和平均位置按设计要求确定, 同时现场测定每遍夯击点后的地基平均变性值, 以检验强夯效果。
五、 施工顺序及工艺流程 1、 施工顺序
( 1) 、 场地平整, 测量层面标高; ( 2) 、 夯点定位放线;
( 3) 、 机械夯锤就位对点开夯; ( 4) 、 第一遍夯完验完场地整平; ( 5) 、 第二遍夯点定位放线;
16 13 10 7 4 1 17
14
11
8
5
2
18
15
12
9
6
3
18` 15` 12` 9` 6` 3`
17` 14` 11` 8` 5` 2` 16` 13` 10` 7` 4` 1`。