四合一磷化液配方
- 格式:docx
- 大小:3.38 KB
- 文档页数:3
磷化液配方及制作方法
磷化液具有除油、除锈、磷化和钝化等性能。
轻度锈蚀的黑色金属器件,或有液状油污的黑色金属制品,均可直接用此药液进行磷化处理,所得磷化膜对金属有很好的防护作用,提高了金属的抗腐蚀性和绝缘性以及涂料的附着力。
一、配方(克/升)
氧化锌 30-50
重铬酸钾 0.2-0.4
硝酸锌 150-170
烷基磺酸钠 20-40
酒石酸 5-10
80%磷酸 110-180
氯化镁 15-30
水 600-900毫升
钼酸铵0.8-1.2
二、制法
把氧化锌用适量水调成糊状,在不断搅拌条件下,缓慢加入磷酸,溶解以后加入硝酸锌,酒石酸和氯化镁,再用水稀释至总体积的三分之二,搅拌,溶解。
把重饹酸钾和钼酸铵分别溶解后,加入上述药液中,搅拌混匀,继之加入烷基磺酸钠并加水至足量,充分搅拌,混合均匀即可。
三、说明
1.磷化处理时,药液温度控制在55-65℃(不能超过70℃),金属在其中浸泡处理5-15分钟即可。
2.药液中的亚铁含量在5-7克/升左右时,才有较好的处理效果。
3.游离酸与总酸度之比最好控制在1:8左右。
磷化液配方及制作方法磷化液是一种化学处理剂,常用于金属表面的磷化处理。
磷化液可以在金属表面形成一层均匀的磷化膜,提高金属的抗腐蚀性能和涂层附着力。
以下是一种常见的磷化液配方及制作方法。
1.硝酸:80-100g2.磷酸:120-150g3.二氧化硅:10-20g4.硫酸:5-10g5.氨水:10-20g6.高锰酸钾:5-10g7. 温水: 800-1000ml制作方法:1.将硝酸、磷酸和温水加入容器中,搅拌均匀,形成硝酸磷酸溶液。
2.将二氧化硅加入硝酸磷酸溶液中,搅拌均匀。
二氧化硅可以增加液体粘度,促进金属表面的磷化反应。
3.将硫酸加入溶液中,搅拌均匀。
硫酸可以调节溶液的酸碱度。
4.将氨水加入溶液中,搅拌均匀。
氨水可以中和溶液的酸性。
5.将高锰酸钾加入溶液中,搅拌均匀。
高锰酸钾可以作为催化剂,加速金属的磷化反应。
6.继续搅拌溶液,待溶液中的所有成分充分混合均匀。
7.将制作好的磷化液过滤,去除悬浮颗粒和杂质,得到清澈的磷化液。
使用磷化液时,应注意以下事项:1.磷化液的pH值通常在1-3之间,酸性较强,请在操作时佩戴防护手套、护目镜和防护服,避免溅入皮肤和眼睛。
2.使用磷化液时,应先清洗金属表面的油污和氧化物,确保表面干净。
3.将金属置于磷化液中浸泡一段时间,通常为10-30分钟,可以根据具体情况调整。
4.浸泡时间过长可能导致磷化膜过厚,降低涂层附着力;浸泡时间过短可能导致磷化膜过薄,影响金属的抗腐蚀性能。
5.浸泡结束后,用清水冲洗金属表面,去除多余的磷化液,然后干燥金属。
总之,磷化液的制作方法相对简单,但在使用时需要注意安全和正确操作步骤,以确保磷化效果和金属表面的质量。
一、磷化液的制造原料:1.一般家庭式作坊所用原料:A.85%磷酸(液体)+磷酸二氢锌(粉体)+硝酸锌(粉体)B.85%磷酸(液体)+40%~98%硝酸(液体)+95%氧化锌(粉体)或者锌渣或锌灰(固体)注:无效成分约30%。
2.国际标准使用原料:A.85%磷酸(液体)+68%硝酸(液体)+99.7%氧化锌(粉体)B.85%磷酸(液体)+68%硝酸(液体)+99.99锌锭(金属)注:无效成分约10%。
二、磷化液的国际标准化学组成(总酸度)为液体状态:A.磷酸(约20%)+磷酸二氢锌(约35%)+硝酸锌(约35%)+磷酸锌(无效成分约10%)B.磷酸(约20%)+磷酸二氢锌(约45%)+硝酸锌(约35%)注:按《化工产品物性辞典》解释1.磷酸二氢锌为白色结晶或黏稠状液体,溶于水和酸,水溶液呈酸性。
为磷化皮膜剂的主要成分,用于钢铁的防腐蚀。
2.磷酸锌为无色斜方结晶或白色微晶粉末,溶于无机酸(盐酸、硫酸、硝酸、磷酸);不溶于乙醇;水中几乎不溶,其溶解度随温度上升而减少。
三、磷化液的制作方法:1.一般家庭式作坊:使用瓷缸或塑料桶为反应容器,以人工木棒的搅拌操作。
原料用水以井水或自来水。
2.国际标准:使用不锈钢为反应容器,以机械不锈钢棒的搅拌操作。
原料用水为纯水。
四、一般处理物为钢铁时,其反应机构如下:1.化学反应(化)铁+磷酸(游离酸)→磷酸二氢铁(铁分)+氢气(气泡)......(1)↓↓↓〔促进剂〕↓〔促进剂〕↓└→水...........(2)└→磷酸铁(淡黄色沉渣)...........(3)2.皮膜生成反应(成)磷酸二氢锌→磷酸锌(H皮膜)+磷酸.......................(4)铁(离子)+磷酸二氢锌→磷酸锌铁(P皮膜)+磷酸.........(5)〔说明〕钢铁表面与磷化处理液接触,钢铁表面发生溶解,表面附近的磷化处理液中的氢离子减少,PH值由3上升至4.6。
其结果引起(4)、(5)式的化学反应,不溶性的磷酸锌(Hopeite)、磷酸锌铁(Phosphophyllite)结晶在钢铁表面析出,形成皮膜。
磷化液配制方法(20公斤)文件编号OEC910.088 1、用耐酸容器放入氧化锌550克,再放入碳酸铜100克,分之混合加温水或开水搅拌成糊状。
2、加入磷酸640毫升,搅拌至不起泡为止。
3、再加入硝酸520毫升,搅拌至呈透明蓝色为止。
4、另用耐酸容器放入硝酸锌1500克,再放入氟化钠120克、六次甲基四胺(乌洛托品)80克、水2kg,再加入磷酸40ml,混合搅拌至无块状物为止。
将上述两容器配成的药物混合,把第一容器的药品放入第二容器中,搅拌后放入20升的耐酸槽中,再加水到20kg,;磷化液就配成了。
存放24小时后用。
磷化膏由磷化液加入中性滑石粉适量,呈糊状后涂到防爆面上2小时再刮去磷化膏,用棉纱将剩余磷化膏擦净。
磷化膏不能久存,隔日则失效。
附:磷化液配比放入20升的耐酸容器中加水到20公斤。
磷化操作工艺说明1、用醇酸稀料或酒精清洗隔爆面上的油脂、污物。
2、用细纱布把隔爆面去锈,再用干净的棉纱擦干净,不得用化学的方法使隔爆面漏出金属光泽。
3、按冷磷化处理工艺守则文件编号OEC910.088配置的磷化液与滑石粉搅拌均匀,成为磷化涂膏。
4、涂膏前,隔爆面必须干燥,光泽干净。
5、将磷化膏均匀的涂在隔爆面上,厚度为2-4毫米,不得漏出金属表面,室温在30℃左右时,磷化时间为半小时,室温在20℃左右时,时间为5-10小时,室温在0度左右时,时间为20小时,涂膏时速度要快。
6、磷化膏不能长时间存放,超过24小时后,则失效。
7、金属表面涂膏后,用非金属刮刀除去涂膏,再用水冲洗干净,使金属表面出现一层棕色而均匀的磷化膜。
8、为了提高抗腐能力,可再涂上一层微薄的防锈油,如:石油碳酸钡,凡士林等油脂,若采用机油与石油碳酸钡各50%的混合液防锈效果更好。
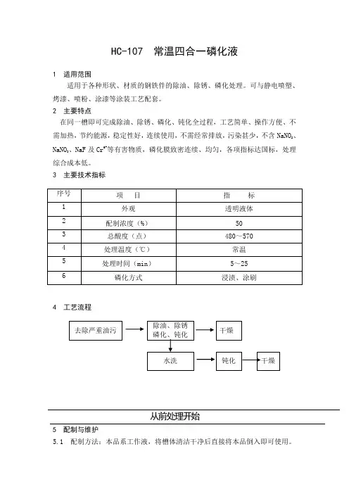
HC-107 常温四合一磷化液
1 适用范围
适用于各种形状、材质的钢铁件的除油、除锈、磷化处理。
可与静电喷塑、烤漆、喷粉、涂漆等涂装工艺配套。
2 主要特点
在同一槽即可完成除油、除锈、磷化、钝化全过程,工艺简单、操作方便、不
、需加热,节约能源,稳定性好,连续使用,不需经常排放,污染甚少,不含NaNO
2、NaF及Cr6+等有害物质,磷化膜致密连续、均匀,各项指标达国标,处理NaNO
3
综合成本低。
3主要技术指标
4工艺流程
从前处理开始
5 配制与维护
5.1 配制方法:本品系工作液,将槽体清洁干净后直接将本品倒入即可使用。
5.2 按期打捞槽底沉渣、液面油污或翻槽。
5.3 当处理效果明显下降时,应补充磷化剂使指标在规定范围内。
5.4 最好使处理的工件与液体作相对运动。
5.5 磷化膜彻底干燥以前,应禁止手摸、雨淋或沾水。
5.6 处理槽最好用玻璃钢、不锈钢、聚氯乙烯板等耐酸材料制作。
5.7 检测方法
总酸度(TA):取磷化槽液10mL,加50mL蒸馏水,用酚酞为指示剂,以0.1mol/L的标准NaOH溶液滴定至溶液变粉红色时为终点,所耗用的NaOH标液的毫升数为总酸度,用“点”来表示。
5.8 槽液调整:1m3槽液,补加磷化液2kg,可提高总酸度约1点。
将磷化粉配制成浓缩液后进行补加。
6 包装储存
25kg塑料桶包装,储存于阴晾干燥处,注意防止破损泄漏;运输过程中防止雨淋、潮湿。
7注意事项
装卸时轻拿轻放,防止破损飞溅到眼睛里,配制或使用过程中应配戴防护用品(如耐酸橡胶手套,工作服),如接触皮肤或眼睛立即用水冲洗。
常温磷化液的配方
磷化液是一种用于金属表面处理的溶液,可以形成一层保护性的磷化膜。
常温磷化液在低温下进行磷化处理,适用于对金属表面进行防腐蚀和增加附着力的需求。
1.成分
-磷酸:500克
-亚硫酸氢钠:100克
-重铬酸:20克
-氯化亚铜:10克
-硝酸:5克
-氯化亚锡:2克
-高锰酸钾:5克
-氯酸钠:2克
-液状石碱:0.2克
-氧化锌:0.5克
-无水氢氟酸:0.5克
-离子交换水:适量
2.配制方法
1)首先用离子交换水稀释磷酸,将500克磷酸稀释至1000毫升,搅拌均匀。
2)将亚硫酸氢钠加入到磷酸溶液中,搅拌溶解。
3)在容器中加入重铬酸、氯化亚铜、硝酸、氯化亚锡、高锰酸钾、氯酸钠和液状石碱,搅拌均匀。
4)在溶液中加入氧化锌搅拌溶解。
5)最后,在溶液中加入少量无水氢氟酸,搅拌均匀。
3.使用方法
1)首先,将金属零件清洗干净,去除表面的油脂和污垢。
2)将金属零件完全浸泡在配制好的磷化液中,保持一定时间。
浸泡时间的长短取决于所需的磷化层厚度。
3)期间可以加热溶液,加快反应速度。
加热时需要注意控制温度,防止溶液过热。
4)磷化结束后,将金属零件从磷化液中取出,用清水彻底冲洗干净。
5)最后,将金属零件晾干或用热风吹干。
一、配制磷化液A液/B液:配比:1:20 兑水(体积比)步骤:1、800ml水中先加3ml中和剂,搅拌均匀。
2、加入40ml磷化原液。
继续搅拌均匀。
3、如果中途发现磷化成膜速度缓慢,或是成膜不均匀,需要追加磷化液B液(1公斤加1克,必须先拿出部件,将磷化液稀释后才可加入,并不断搅拌至均匀)。
二、测量游离酸度与总酸度。
仪器与试剂:烧杯,锥形瓶,碱式滴定管,滴定台,量杯,移液管,搅拌棒,发酵管,NaOH标准液,甲基橙指示剂,酚酞指示剂,氨基磺酸等。
步骤:1、安装好滴定台和滴定管,移入NaOH标准液到满刻度。
2、取配好的磷化液A液8ml加入到锥形瓶中,再加40ml纯净水。
3、在步骤2中滴入4滴甲基橙指示剂,摇匀。
4、用步骤1的NaOH标准液,慢慢滴定步骤3中的磷化液,颜色由红色变为橙色即止,记下数值变化,即为游离酸酸度值,最佳范围:0.8~1.2.5、接着换一只锥形瓶,取配好的磷化液A液8ml加入到锥形瓶中,再加40ml纯净水。
6、在步骤5中滴入4滴酚酞指示剂,摇匀。
7、用步骤1的NaOH标准液,快速滴定步骤6中的磷化液,颜色有橙色变为红色即止,记下数值变化,即为游离酸总酸度值,游离酸值与游离酸总酸值比的最佳范围:1:18~208、如果游离酸度值偏高,可以追加中和剂(1.5ml),但是,中和剂一定要稀释后在加入到磷化液中,并搅拌均匀。
三、追加1ml促进剂,搅拌均匀。
四、测量促进剂点数。
1、取适量步骤三中的磷化液,倒入发酵管并排出气泡。
2、取适量氨基磺酸快速放进发酵管,并迅速封口倒置摇晃一下。
然后正过来放在台上。
3、过几分钟,等发酵管顶部不再下降,该时刻度即为促进剂点数。
最佳范围:1~2。
五、配制脱脂剂(除油剂)配比:1:10(体积比)兑水步骤:取适量液体除油剂和固体除油剂,加水稀释,搅拌均匀。
(液体多一点,固体少一点)六、配制表调剂配比:1吨水:3~4公斤七、工艺流程脱脂一次水洗二次水洗表调磷化水洗干燥喷涂备注:1、有锈的情况下,要先除油再除锈。
磷化液配方介绍磷化液是一种化学处理液,用于将金属表面转化为磷化层,以提高金属的耐腐蚀性和附着力。
本文将介绍一种常用的磷化液配方,以及配方中各种成分的作用和用量。
配方以下是该磷化液的配方:•磷酸:500g•亚磷酸钠:150g•氯化铵:100g•氯化亚铁:10g•氧化锌:10g•硝酸铜:1g•硝酸银:1g•氢氧化钾:20g•硝酸钠:1g•硝酸:10ml•水:适量成分和作用下面是每种成分的作用和用量说明:1.磷酸:作为磷化液的主要成分,起到溶解金属氧化物和产生磷酸盐的作用。
用量:500g2.亚磷酸钠:作为还原剂,与磷酸反应生成磷化物,起到催化剂的作用。
用量:150g3.氯化铵:增加溶液的离子强度,有利于金属表面的磷酸盐形成。
用量:100g4.氯化亚铁:提供亚铁离子,加速反应速度和磷酸盐的形成。
用量:10g5.氧化锌:调节溶液的pH值,维持合适的酸碱度,有助于磷化过程的进行。
用量:10g6.硝酸铜:作为催化剂,加速亚磷酸钠与金属之间的反应。
用量:1g7.硝酸银:检测溶液中是否有氢氧化物存在,反应生成红色沉淀物。
用量:1g8.氢氧化钾:调整溶液的酸碱度,有助于磷化过程的进行。
用量:20g9.硝酸钠:添加到磷化液中,起到稳定其他成分的作用。
用量:1g10.硝酸:调节溶液的酸碱度,有助于磷化过程的进行。
用量:10ml11.水:用于稀释以上成分,调整磷化液的浓度和体积。
配方制备方法1.将磷酸、亚磷酸钠和一部分水混合,搅拌至完全溶解。
2.逐步加入氯化铵和氯化亚铁,继续搅拌至溶解。
3.加入氧化锌和硝酸铜,搅拌均匀。
4.加入硝酸银和硝酸钠,搅拌均匀。
5.将氢氧化钾溶解在少量水中,然后缓慢地加入磷酸溶液中,搅拌均匀。
6.最后加入硝酸和适量的水,调整溶液的酸碱度和稀释度。
7.得到的磷化液即可使用。
使用注意事项1.使用磷化液时,应戴上手套、眼镜等个人防护装备,避免直接接触皮肤和眼睛。
2.磷化液应在通风良好的地方使用,避免吸入有害气体。
磷化液配方1. 简介磷化液是一种用于金属表面磷化处理的化学溶液。
磷化处理可以形成一层致密的磷化物保护膜,提高金属材料的耐腐蚀性和附着力。
磷化液的配方是确定磷化工艺和性能的重要因素。
本文将介绍一种常用的磷化液配方,供参考和实验使用。
2. 配方成分磷化液的配方主要包括以下成分:•磷酸铁:100g•硝酸:50ml•磷酸:150ml•氢氧化钠:50g•氯化铵:20g•硫酸:15ml•磷酸氢二钾:10g•硝酸亚铁:5g•硫酸亚铁:2g3. 操作步骤1.在一个清洁的容器中,加入适量的去离子水。
2.依次向容器中加入磷酸铁、磷酸、硝酸、氢氧化钠、氯化铵、硫酸、磷酸氢二钾、硝酸亚铁和硫酸亚铁。
注意,每次加入一个成分后要充分搅拌混合,确保溶液均匀。
3.将溶液调至适当的pH值。
一般来说,磷化液的pH值应控制在4.0-4.5之间。
4.将溶液过滤,去除其中的悬浮物和杂质。
5.将磷化液倒入磷化槽中,待温度稳定后,即可使用。
4. 注意事项•在制备磷化液过程中,应注意安全操作,佩戴防护手套、眼镜等个人防护装备,避免接触皮肤和眼睛。
•磷化液过程中产生的废液应分类收集和处理,避免对环境造成污染。
•使用磷化液进行磷化处理时,应先进行试验以确定最佳工艺参数,然后再进行大规模生产或应用。
5. 结论以上是一种常用的磷化液配方,它包含了磷酸铁、硝酸、磷酸、氢氧化钠、氯化铵、硫酸、磷酸氢二钾、硝酸亚铁和硫酸亚铁等成分。
通过按照一定的操作步骤和注意事项进行配制,可以得到适合磷化处理的磷化液。
然而,值得注意的是,不同金属材料可能具有不同的磷化液配方和工艺参数,因此在实际应用中,应根据具体情况进行调整和优化。
四合一磷化液操作工艺一、准备工作1.环境准备:操作过程中要保持通风良好的工作环境,以防止有害气体的积聚。
2.个人防护:操作人员需要戴上防护手套、口罩、护目镜和防护服,确保安全。
3.设备检查:检查磷化槽及相关设备是否完好,如有异常需要及时修复或更换。
4.材料准备:准备好磷化液、材料篮、磷化剂等相关材料,并确保其质量和稳定性。
二、处理工艺1.金属预处理:将待处理的金属表面进行打磨、清洗等预处理工作,确保金属表面干净。
2.磷化液配制:按照磷化液使用说明书中的比例将磷化液与水混合,注意顺序和比例的准确性。
3.槽液调整:将配制好的磷化液倒入磷化槽中,同时根据磷化槽中的金属种类和要求调整液面的PH值和温度。
4.处理金属:将预处理好的金属装入材料篮中,然后放入磷化槽中浸泡一定的时间,时间可根据金属和工艺进行调整。
5.洗涤处理:将金属从磷化槽中取出后,进行水洗,去除残留的磷化液,以免影响后续的处理效果。
6.除油处理:如果需要对金属进行除油处理,可使用烷基苯磺酸和去离子水进行浸泡,再进行水洗。
7.烘干处理:对处理完的金属进行烘干,可使用热风烤箱或其他烘干设备进行处理。
8.检查质量:将处理完的金属进行质量检查,检测表面的磷化膜是否均匀,附着力是否符合要求。
三、注意事项1.操作工艺需要按照磷化液使用说明书中的要求进行,不可随意更改。
2.在操作过程中要严格控制液面的温度和PH值,以保证磷化效果的稳定性。
3.操作人员需要注意个人防护,避免磷化液溅入皮肤或眼睛中。
4.磷化槽和相关设备需要定期进行清洗和维护,以保持其良好的工作状态。
5.金属表面预处理工作需认真进行,确保金属表面的清洁度和平整度。
6.在操作过程中,注意磷化液的用量,不可过多或过少,以免影响处理效果。
7.根据金属种类和处理要求,调整处理时间和温度,确保磷化效果的一致性。
8.处理完的金属需进行质量检查,确保其达到要求的防腐蚀性和附着力。
总结:四合一磷化液是一种常用的金属表面处理液,在实际操作过程中,需要按照相关操作工艺要求进行操作,注意液面温度和PH值的控制,同时注意个人防护和设备维护,以提高处理效果和工作安全性。
磷化液配方总范文磷化液是一种常用的表面处理液体,通过其特殊的化学反应能够使金属材料的表面形成磷化层,从而提高金属材料的耐腐蚀性和粘着性,常用于汽车、电子、建筑等行业。
磷化液的主要成分包括磷酸、硝酸、氢氧化物等,下面是一种常见的磷化液的配方总结。
配方1:-磷酸:250g-硝酸:50g-氢氧化钠:50g-硫酸:100mL-离子交换水:1000mL步骤:1.将250g磷酸、50g硝酸、50g氢氧化钠和100mL硫酸加入到1000mL离子交换水中。
2.搅拌溶解,直到完全溶解。
3.使用前,将溶液过滤以去除杂质。
配方2:-磷酸:160g-碳酸氢铵:80g-氢氧化钠:20g-硝酸:35g-离子交换水:1000mL步骤:1.将160g磷酸、80g碳酸氢铵、20g氢氧化钠和35g硝酸加入到1000mL离子交换水中。
2.搅拌溶解,直到完全溶解。
3.使用前,将溶液过滤以去除杂质。
配方3:-磷酸:180g-亚硝酸铵:70g-碳酸氢铵:60g-硝酸:40g-离子交换水:1000mL步骤:1.将180g磷酸、70g亚硝酸铵、60g碳酸氢铵和40g硝酸加入到1000mL离子交换水中。
2.搅拌溶解,直到完全溶解。
3.使用前,将溶液过滤以去除杂质。
这些配方只是其中的一部分,实际上磷化液的配方可以根据实际需要进行调整。
磷化液的配方取决于所需的磷化层的厚度、粘附力以及金属材料的种类等因素。
因此,在使用磷化液之前,务必根据具体情况进行实验和调整。
同时,在使用磷化液时,也需要注意安全措施,例如佩戴防护手套、护目镜等。
由于磷化液中含有一些强酸和强碱,可能对皮肤和眼睛造成刺激和伤害。
使用过程中还需要确保通风良好的工作环境,以避免吸入有害气体。
总结来说,磷化液是一种广泛应用于金属表面处理的化学液体,其配方和使用方法可以根据具体需要进行调整和优化。
在使用磷化液时,相应的安全措施也需要得到充分的重视。
磷化液配方成分及其作用时间:2009-12-27 10:19:06 来源:百度百科责任编辑:岩石阅读:磷化液的主要成分是磷酸二氢盐,如Zn(H2PO4)2以及适量的游离磷酸和加速剂等。
加速剂主要起降低磷化温度和加快磷化速度的作用。
作为化学加速剂用得最多的氧化剂如NO3-、NO2-、CIO3-、H2O2等。
磷化是金属与稀磷酸或酸性磷酸盐反应而形成磷酸盐保护膜的过程李氏老配方:200元/桶,原液或1比1、1比2兑水使用,适用于冷板。
代理价160元/桶。
吕氏二代:200元/桶,原液原液或1比1兑水使用,适用于冷板。
除锈效果佳,不起白灰。
屈氏四合一 : 200元/桶,可1比5至1比10兑水使用,适用于冷热板。
代理价160元/桶。
吕氏三代:130元/桶,原液使用,适用于冷板。
代理价110元/桶。
姚氏热板:150元/桶,原液或1比1使用,适用于热板。
代理价 120元/桶。
代理商前三次不限量,之后每次订货不低于10桶,代收货款。
空桶押金10元/个。
桶须张贴公司标签,不得私自拆除。
严禁私自兑水。
磷化的基本原理原则上说,当金属工件一旦浸入加热的稀磷酸溶液中,就会生成一层膜。
但由于这种膜的保护性差,所以通常的磷化在含有Zn、Mn等酸性溶液中进行。
磷化液中存在的动力学平衡磷化液的基本平衡方程式3M(H2PO4)2=M3(PO4)2+4H3PO4此方程的平衡常数K=[M3(PO4)2][ H3PO4]^4/[M(H2PO4)2]^3M代表Zn、Mn等由上述议程式可以看出,常数K值越大,磷酸盐沉积的比率越大。
而K值随一代和三代金属盐的金属的性质,溶液的温度,PH值及总浓度有关。
所以影响磷化液性能的至少有PH值、游离酸度、总酸度、温度和金属性质。
磷化液分类1 按磷化膜体系分类按磷化成膜体系主要分为:锌系、锌钙系、锌锰系、锰系、铁系、非晶相铁系六大类。
锌系磷化槽液主体成他是:Zn2+、H2PO3-、NO3-、H3PO4、促进剂等。
四合一磷化液配方
四合一磷化液是一种常用的表面处理液,可以用于金属表面的磷化处理。
它由多种不同成分组成,具有多种功能。
下面将详细介绍四合一磷化液的配方和其功能。
四合一磷化液的配方主要包括酸性成分、螯合剂、阻垢剂和促进剂。
其中,酸性成分通常是酸性盐酸,它的作用是提供酸性环境,加速金属表面的腐蚀反应。
螯合剂是一种有机物,可以与金属离子形成配位键,保护金属表面不被进一步腐蚀。
阻垢剂的作用是减少金属表面的氧化反应,防止金属表面生成氧化物。
促进剂是一种助剂,可以提高磷化液的反应速度和均匀性。
四合一磷化液的功能主要有四个方面:防腐蚀、增强附着力、改善润湿性和提高耐磨性。
四合一磷化液的酸性成分和螯合剂可以形成一层保护膜,有效防止金属表面的腐蚀。
这一保护膜可以降低金属的氧化速度,延长金属的使用寿命。
四合一磷化液可以增强涂层的附着力。
金属表面经过磷化处理后,形成的磷化层可以与涂层更好地结合,提高涂层的附着力,减少涂层剥落的可能性。
磷化液可以改善润湿性。
经过磷化处理的金属表面具有更好的润湿性,涂层可以更均匀地附着在金属表面上,提高涂层的质量和均匀
性。
四合一磷化液还可以提高金属的耐磨性。
经过磷化处理的金属表面形成的磷化层具有一定的硬度和耐磨性,可以减少金属表面的磨损和划痕,延长金属的使用寿命。
四合一磷化液是一种常用的金属表面处理液,它由酸性成分、螯合剂、阻垢剂和促进剂组成,具有防腐蚀、增强附着力、改善润湿性和提高耐磨性等功能。
使用四合一磷化液可以有效保护金属表面,提高金属制品的质量和使用寿命。
磷化工艺操做规程1. 磷化工艺的应用范围应用于钢铁件2. 生产工艺流程脱脂—热洗—冷水洗—酸洗—冷水洗—中和—水洗—表调—磷化—水洗—中和热洗3. 工艺和配方3.1脱脂3.1.1工艺配方NaOH 50~80g/LNaCO3 30~50gLNaPO4 20~30g/LNa2SiO3 10~15gL3.1.2工艺条件温度80~95℃3.2酸洗3.2.1工艺配方200~500ml/L盐酸水溶液3.22工艺条件温度:室温时间:5分钟3.3中和3.3.1工艺配方碳酸钠10~20g/L亚硝酸钠1~2g/L3.3.2工艺条件温度室温时间1分钟3.4表调3.4.1工艺配方草酸3~5g/L3.4.2工艺条件温度室温时间1分钟3.5磷化3.5.1工艺配方马日夫盐20~30g/L磷酸二氢锌20~30g/L硝酸锌80~100g/L亚硝酸钠1~2g/L3.5.2工艺条件温度50~70℃时间 5 ~10分钟3.6 中和热洗3.6.1工艺配方碳酸钠20~50g/L亚硝酸钠3~5g/L3.6.2工艺条件温度80~90 ℃时间2~3分钟4. 磷化液的配制在磷化槽中加水260升,将所需数量的马日夫盐8公斤和磷酸二氢锌12公斤用水溶解后加入槽中,再将硝酸锌32公斤加入,搅拌均匀后加热至沸点,使其进一步溶解,加水至工作面。
然后将经过除油和酸洗过的铁屑(3~5)公斤放入槽内,进行熟化处理,增加亚铁离子,等磷化溶液颜色转为棕绿色,然后取出铁屑。
取样化验分析合格后,试生产。
5. 游离酸和总酸度的调整磷化液的游离酸度(点):4~7总酸度(点):60~80当溶液中游离酸度低时,可加入磷酸二氢锌或马日夫盐(5~6克/升,游离酸升高1点,同时总酸度升高5点),若游离酸在规定范围内,而总酸度过低,可加入硝酸锌或硝酸锰。
若游离酸度高,可加入碳酸钠;总酸度高时可以加水。
6. 操作要点6.1在磷化时对工件摆放的要求:工件不能形成气囊,不能有接触不到磷化液的表面。
磷化液配制方法范文磷化液是一种常用的金属防锈处理剂,可以用于铁、铜、铝等金属的表面处理,提供防锈保护功能。
下面是一种常用的磷化液配制方法。
材料:1.磷酸(H3PO4):纯度大于85%2.氮化铵(NH4H2PO4):纯度大于98%3.活性剂:如硝酸(HNO3)或镍或锌离子源4.水(H2O)步骤:1.将一定量的水加入容器中,作为磷化液的基础。
基础水的量取决于要配制的磷化液的总体积,通常基础水的体积大约为总体积的75%。
2.将磷酸缓慢地加入到基础水中,同时搅拌溶解,直到磷酸完全溶解。
磷酸的添加量取决于所需的磷化液浓度,通常为总体积的10-30%。
3.添加氮化铵到容器中,同时搅拌溶解。
氮化铵的添加量也取决于所需的磷化液浓度,通常为总体积的1-10%。
4.在前三个步骤的基础上,添加适量的活性剂(如硝酸或镍离子源),以调节磷化液的pH值和性质。
活性剂的添加量和种类取决于具体的使用要求。
5.继续搅拌混合磷化液,直到所有成分充分混合,并保持磷化液的均匀悬浮状态。
6.最后,使用pH计检测磷化液的pH值,确保其在所需范围内。
通常,磷化液的pH值应在2-4之间。
注意事项:1.在配制磷化液过程中,应避免使用金属容器,因为磷化液可能会与金属发生反应,影响磷化液的性能。
2.在配制磷化液时应戴上防护眼镜和手套,并注意避免磷酸和氮化铵的直接接触皮肤和眼睛。
3.磷化液的配制过程中应注意搅拌稳定,确保各种成分混合均匀。
4.配制好的磷化液应储存在密封容器中,避免其与空气接触,以免其化学性质发生变化。
5.使用磷化液前,应对其进行试验,确保其符合所需的使用要求和效果,同时了解具体的使用方法和注意事项。
总结:磷化液是一种常用的金属防锈处理剂,其配制方法相对简单。
在配制磷化液时应注意化学品的安全操作,并确保所有成分均匀混合。
配制好的磷化液应储存在密封容器中,并进行试验以确保其符合使用要求。
希望以上内容对您有所帮助。
水 1000
2.操作步骤
把氧化锌用适量水调成糊状,在不断搅拌条件下,缓慢加入磷酸。
待磷酸将氧化锌充分溶解后,顺序加硝酸锌、酒石酸和氯化镁,再用水稀释至总体积的2/3,搅拌,溶解。
把重铬酸钾和钼酸铵分别溶解,加入上述药液中,搅拌、混合均匀,继之加入十二烷基苯磺酸钠并加水至足量,充分搅拌,混合均匀即可。
三、产品质量指标
外观透明溶液
PH值 1~2
相对密度 1.05~1.10
凝固点(℃)﹤-15
游离酸(以H
3PO
4
计,g/L)﹥ 100
四、产品使用方法与效果
将金属浸入70℃的处理液中5~15分钟,可使除油、除锈、钝化、磷化一次完成。
对于带有轻锈、轻油污的工件,可以简化工序,效果极好;对于重锈、重油脂及氧化皮也有较好的去除效果。
处理15分钟后,工件在磷化液中形成的磷化膜约为0.5g/m2左右。
四合一磷化液使用细则一、性状:浅蓝色透明水基溶液,不燃、不爆,不挥发,性能稳定,pH≤2,稀释比l:5~10二、使用办法:浸泡、喷淋、刷涂均可,常温使用,作用时间只需3~5分钟。
1、氧化发黑工艺流程:脱脂→水洗→酸洗除锈→水洗→发黑→水洗→(皂化)→油封→检验→入库2、黑磷化工艺流程:除油除锈→水洗→发黑→水洗→自干或烘干→磷化→自干或烘干→(油封)检验→入库三、工序说明:脱脂——可采用碱性加温除油或有机溶剂除油或市售脱脂剂除油,为发黑提供洁净表面。
除锈——可采用酸洗除锈或喷砂喷丸除锈,为发黑处理提供洁净而活化的表面。
建议采用18~20%工业盐酸加JT309缓蚀抑雾剂酸洗除锈或JTL-7型4号除油除锈液除锈。
发黑——一般采用一次发黑,也可采用二次发黑。
一次发黑时间为3~5分钟,二次发黑经2~3分钟发黑后,取出在空气中停留2~3分钟,再浸入发黑液中2~3分钟。
发黑剂的稀释比和发黑时间由零部件材质决定,需在实践中摸索掌握,如铸铁件需稀释比小些,发黑时间长些。
油封——一般应采用脱水防锈油油封,经数分钟后取出沥尽浮油或甩干,入库存放。
磷化——经发黑自干或烘干的工件,再经JTL-7常温磷化一步液或抗锈灵浸涂或抹涂处理,自干成高抗蚀性与高附着力的黑色磷化钝化膜,一般不需油封,但油封可增加其色泽装饰性。
检验——可根据相关国标、行标、企标检验,外观目视检查,膜层应连续均匀一致,无花斑,无红色挂灰。
铸铁件为暗褐色,其它为黑色或蓝黑色,经24小时后检验,其抗蚀性2~3%硫酸铜点滴试验30S。
黑磷化膜用3%氯化钠浸检≥1小时,室内存放一年应无锈蚀。
四、注意事项:1、发黑处理前,工件必须彻底除油除锈,这是保证发黑质量的关键。
2、工序间水洗应是洁净流动水洗,需防止残留酸洗液等带入发黑液中影响发黑效果。
3、发黑前经水洗后的工件,应在一分钟之内浸入发黑液中处理,否则会出现薄锈泛黄现象,影响发黑质量。
四合一磷化液配方
四合一磷化液是一种常用的金属表面处理剂,广泛应用于金属材料的防腐蚀和改善表面性能的工艺。
本文将介绍四合一磷化液的配方和其在金属表面处理中的应用。
一、四合一磷化液的配方
四合一磷化液的配方主要由四种主要成分组成,分别是酸性成分、氧化剂、缓蚀剂和添加剂。
其中,酸性成分主要用于调节液体的酸碱度,氧化剂用于催化磷化反应,缓蚀剂用于抑制金属的腐蚀,添加剂用于提高磷化涂层的性能。
具体的四合一磷化液配方如下:
- 酸性成分:主要成分为硝酸和磷酸,以调节液体的酸碱度和提供磷化反应所需的酸性环境。
- 氧化剂:主要成分为高锰酸钾或过氧化氢,用于催化金属表面的磷化反应,形成磷化层。
- 缓蚀剂:主要成分为有机胺类化合物,通过吸附在金属表面形成保护膜,抑制金属的腐蚀。
- 添加剂:主要成分为有机酸类化合物和表面活性剂,用于提高磷化涂层的附着力和耐腐蚀性能。
二、四合一磷化液的应用
四合一磷化液主要应用于金属表面的磷化处理,其作用是在金属表
面形成一层致密的磷化层,提高金属的耐腐蚀性能和润滑性能。
以下是四合一磷化液在不同金属表面处理中的应用:
1. 钢铁材料表面处理:四合一磷化液可以在钢铁表面形成一层黑色磷化层,这种磷化层具有良好的耐腐蚀性能和润滑性能,可以提高钢铁材料的使用寿命和性能。
2. 铝合金表面处理:四合一磷化液可以在铝合金表面形成一层浅灰色的磷化层,这种磷化层可以增强铝合金的耐磨性能和耐蚀性能,减少表面的摩擦系数,提高铝合金的使用寿命。
3. 镁合金表面处理:四合一磷化液可以在镁合金表面形成一层浅黄色的磷化层,这种磷化层可以提高镁合金的耐蚀性能和耐热性能,减少表面的摩擦系数,改善镁合金的表面质量。
4. 锌合金表面处理:四合一磷化液可以在锌合金表面形成一层浅蓝色的磷化层,这种磷化层可以提高锌合金的耐腐蚀性能和耐磨性能,减少表面的摩擦系数,延长锌合金的使用寿命。
总结:
四合一磷化液是一种常用的金属表面处理剂,其配方包含酸性成分、氧化剂、缓蚀剂和添加剂。
四合一磷化液广泛应用于钢铁、铝合金、镁合金和锌合金等金属材料的表面处理,可以提高金属材料的耐腐蚀性能和润滑性能,延长材料的使用寿命。
在实际应用中,需要根据具体的金属材料和处理要求选择合适的四合一磷化液配方和处理
工艺,以达到最佳的表面处理效果。