基坑工程设计 监测单位从业资质及从业范围
- 格式:xls
- 大小:18.50 KB
- 文档页数:1
工程勘察、设计资质等级承担任务范围前言工程勘察和设计资质是工程行业中的重要资质等级,承担着对工程项目的勘察和设计等重要任务。
在实际工程项目中,不同等级的资质具有各自针对性的任务承担范围,了解其范围对于工程项目的顺利进行具有极为重要的作用。
本文主要介绍不同等级资质的任务承担范围,以及不同等级资质在实际工程项目中的应用。
一、工程勘察和设计资质等级根据《企业资质管理办法》的规定,工程勘察和设计资质分为五个等级,分别为甲级、乙级、丙级、丁级和戊级。
五个等级资质的授予条件、工程项目等级范围以及承担任务范围各不相同,具体如下:资质等级授予条件工程项目等级范围承担任务范围甲级已取得工程建设相关专业技术职称,具有规模、质量和数量较为显着的工程勘察和设计业绩任何等级的工程项目从项目规划、可行性研究、初步设计、施工设计到竣工验收文件编制等全部或部分工作乙级取得国家注册工程师证书,具有一定规模、较高质量和数量的工程勘察和设计业绩允许承担的工程项目等级,根据资格审查的规定确定根据其授权范围从项目规划、可行性研究、初步设计到竣工验收文件编制等全部或部分工作丙级取得相关专业技术职称,具有一定规模、较高质量和数量的工程勘察和设计业绩允许承担的工程项目等级,根据资格审查的规定确定根据其授权范围从项目规划、可行性研究、初步设计到竣工验收文件编制等全部或部分工作丁级取得国家注册土木工程师或注册建筑师证书,具有规模适中、质量较高、数量合理的工程勘察和设计业绩允许承担的工程项目等级,根据资格审查的规定确定根据其授权范围从项目规划、可行性研究、初步设计到竣工验收文件编制等全部或部分工作戊级具有工程师资格或相关专业技术职称、从事工程勘察和设计工作的十年以上,具有一定规模、一定工艺和质量的工程勘察和设计仅能承担规模较小、工作量不大或质量要求不高的工程项目根据其授权范围从项目规划、可行性研究、初步设计到竣工验收文件编制等部分工作业绩二、不同等级资质的任务承担范围根据以上表格可以看出,不同等级的资质在承担工程项目任务时的范围具有一定的差异。
工程设计资质是指从事工程设计活动的企业或个人应当具备的条件和能力。
在中国,工程设计资质的管理遵循国家相关法律法规和标准。
工程设计资质分为若干等级,不同的资质等级对应不同的业务范围和专业领域。
工程设计资质标准范围主要包括以下几个方面:
1. 资质类别:根据工程性质和技术特点,工程设计资质分为综合资质、行业资质、专业资质和专项资质。
2. 资质等级:综合资质分为甲级、乙级;行业资质和专业资质分为甲级、乙级、丙级;专项资质根据需要设置等级。
3. 业务范围:资质证书上会明确标注企业或个人可以承担的设计业务范围,包括工程项目类型、规模、总投资限额等。
4. 专业领域:资质证书还会注明企业或个人可以从事的专业领域,如建筑工程、道路工程、水利工程、电力工程等。
5. 技术条件:包括企业或个人的技术装备、技术力量、技术水平、管理体系等。
6. 财务条件:包括企业的注册资本、净资产、营业收入等财务指标。
7. 业绩和信誉:企业或个人在工程设计领域的业绩和信誉状况。
取得工程设计资质的企业或个人,应当在其资质等级和业务范围内从事工程设计活动。
未取得资质或超出资质等级范围从事工程设计活动的,将依法承担相应的法律责任。
需要注意的是,工程设计资质的具体标准和要求可能会随着国家政策的调整而变化,因此,应当关注最新的法律法规和行业标准。
监理单位资质等级及业务范围1、水利工程施工监理专业资质甲级可以承担各等级水利工程的施工监理业务乙级可以承担堤防2级以下各等级水利工程的施工监理业务丙级可以承担堤防3级以下各等级水利工程的施工监理业务2、水土保持工程施工监理专业资质甲级可以承担各等级水土保持工程的施工监理业务乙级可以承担2级以下各等级水土保持工程的施工监理业务丙级可以承担3级以下水土保持工程的施工监理业务同时具备水利工程施工监理专业资质和乙级以上水土保持工程施工监理专业资质的,方可承担淤地坝中的骨干坝施工监理业务。
3、机电及金属结构设备制造监理专业资质甲级可以承担水利工程中的各类型机电及金属结构设备制造监理业务乙级可以承担水利工程中的中、小型机电及金属结构设备制造监理业务4、水利工程建设环境保护监理专业资质可以承担各类各等级水利工程建设环境保护监理业务施工单位资质等级和业务范围一、施工总承包企业资质等级标准1、房屋建筑工程施工总承包企业资质特级可承担各类房屋建筑工程的施工可承担单项建安合同额不超过企业注册资本金5倍的下列房屋建筑工程的施工:(1)40层及以下、各类跨度的房屋建筑工程; 一级 (2)高度240米及以下的构筑物;(3)建筑面积20万平方米及以下的住宅小区或建筑群体。
可承担单项建安合同额不超过企业注册资本金5倍的下列房屋建筑工程的施工。
(1)28层及以下、单跨跨度36米及以下的房屋建筑工程; 二级 (2)高度120米及以下的构筑物;(3)建筑面积12万平方米及以下的住宅小区或建筑群体。
可承担单项建安合同额不超过企业注册资本金5倍的下列房屋建筑工程的施工:(1)14层及以下、单跨跨度24米及以下的房屋建筑工程; 三级 (2)高度70米及以下的构筑物;(3)建筑面积6万平方米及以下的住宅小区或建筑群体。
注:房屋建筑工程是指工业、民用与公共建筑(建筑物、构筑物)工程。
工程内容包括地基与基础工程,土石方工程,结构工程,屋面工程5内、外部的装修装饰工程,上下水、供暖、电器、卫生洁具、通风、照明、消防、防雷等安装工程。
工程设计资质从业范围
工程设计资质是指具备一定技术、经济和管理条件,能够在特定领域内进行工程设计工作的资格。
常见的工程设计资质包括建筑工程设计资质、机电工程设计资质、市政工程设计资质等。
从业范围主要包括以下几个方面:
1. 建筑工程设计资质:包括建筑物及其附属设施的建筑设计、结构设计、电气设计、给排水设计等,如住宅、商业建筑、工业厂房等。
2. 机电工程设计资质:包括机电设备、安装工程的设计和咨询服务,如空调、供暖、照明、电梯、电气系统等。
3. 市政工程设计资质:包括公路、桥梁、隧道、铁路、轨道交通、港口码头、水利工程等市政基础设施的设计和咨询服务。
4. 环境工程设计资质:包括环境治理、环境保护、环境影响评价等环境工程的设计和咨询服务。
5. 水利水电工程设计资质:包括水利水电工程的设计和咨询服务,如水库、水电站、排灌和水资源利用等。
此外,还有一些特定领域的工程设计资质,如火电、核电、输配电、航空航天、石油化工等。
不同国家和地区对于工程设计资质的要求可能有所不同,具体参考当地相关法律法规和政策。
工程监理企业资质等级及业务范围在建筑行业中,工程监理企业扮演着至关重要的角色,它们负责对工程项目进行监督和管理,确保工程的质量、进度、安全和成本等方面符合相关标准和要求。
而工程监理企业的资质等级和业务范围则直接决定了其能够承接的项目规模和类型。
接下来,让我们详细了解一下工程监理企业的资质等级以及相应的业务范围。
一、工程监理企业资质等级目前,我国的工程监理企业资质等级分为综合资质、专业资质和事务所资质。
1、综合资质综合资质是工程监理企业资质中的最高等级。
具有综合资质的企业可以承担所有专业工程类别建设工程项目的工程监理业务,并且规模不受限制。
综合资质的要求非常严格,企业需要在技术、管理、人员等多个方面具备卓越的能力和丰富的经验。
2、专业资质专业资质按照工程性质和技术特点划分为 14 个专业工程类别,包括房屋建筑工程、市政公用工程、电力工程、矿山工程、化工石油工程等。
每个专业工程类别又分为甲级、乙级和丙级三个级别。
甲级资质:可承担相应专业工程类别建设工程项目的工程监理业务,其规模不受限制。
乙级资质:可承担相应专业工程类别二级以下(含二级)建设工程项目的工程监理业务。
丙级资质:可承担相应专业工程类别三级建设工程项目的工程监理业务。
3、事务所资质事务所资质不分等级,可承担三级建设工程项目的工程监理业务,但限定在房屋建筑、水利水电、公路和市政公用工程范围内。
二、工程监理企业业务范围不同资质等级的工程监理企业,其业务范围也有所不同。
1、综合资质企业综合资质企业的业务范围最为广泛,能够承接各类工程项目的监理工作。
无论是大型的基础设施建设项目,还是复杂的工业项目,或者是民用建筑项目,综合资质企业都有能力胜任。
2、专业资质企业甲级专业资质企业:可以承接本专业类别内的各种规模的项目监理工作,包括大型、特大型项目。
乙级专业资质企业:适用于中型及以下规模的项目,对于一些大型或特大型项目可能无法承接。
丙级专业资质企业:主要负责小型项目的监理。
一、工程勘察设计证书按资质等级可承担任务范围(一)一一综合类工程勘察单位承担工程勘察业务范围和地区不受限制。
(二)一一专业类甲级工程勘察单位承担本专业工程勘察业务范围和地区不受限制。
(三)一一专业类乙级工程勘察单位可承担本专业工程勘察中、小型工程项目(工程勘察中、小型工程项目见附表),承担工程勘察业务的地区不受限制。
(四)一一专业类丙级工程勘察单位可承担本专业工程勘察小型工程项目(工程勘察小型工程项目见附表),承担工程勘察业务限定在省、自治区、直辖市所辖行政区范围内。
(五)一一劳务类工程勘察单位只能承担岩土工程治理、工程钻探、凿井等工程勘察劳务工作,承担工程勘察劳务工作的地区不受限制。
【附表1:工程勘察甲级工程项目划分表】〖岩土工程〗1.具有重大意义或影响的国家重点项目;2.场地等级为一、二级,抗震设防烈度高于8度的强震区,存在其它复杂环境岩土工程问题的地区,以及岩土工程条件复杂的工程项目;3.按《地基基础设计规范》、《岩土工程勘察规范》等有关规范规定的一级建筑物;4.需要采取特别处理措施的极软弱的或非均质地层,极不稳定的地基;建于不良的特殊性土上的大、中型项目;5.有强烈地下水运动干扰或有特殊要求的深基开挖工程,有特殊工艺要求的超精密设备基础工程;大型深埋过江(河)地下管线、涵洞、核废料等深埋处理、高度超过lOOm的高耸构筑物基础,大于100m 的高边坡工程,特大桥、大桥、大型立交桥、大型竖井、巷道、平洞、隧道、地下铁道、地下洞室、地下储库工程,深埋工程,超重型设备,大型基础托换、基础补强工程;6.大深沉井、沉箱,大于30m的超长桩基、墩基,特大型、大型桥基,架空索道基础;7.复杂程度按有关规范规程划分为中等或复杂的岩土工程设计;8.其他行业设计规模为大型的建设项目的工程勘察。
〖水文地质勘察〗1.大、中城市规划和大、中型企业供水水源可行性研究及水资源评价;2.国家重点工程、国外投资或中外合资水源勘察和评价;3.供水量10000m3/d以上的水源工程勘察和评价;4.水文地质条件复杂的水资源勘察和评价;5.干旱地区、贫水地区、未开发地区水资源评价。
勘察、设计、监理、施工等有关资质等级及承包工程范围(摘录)(2000年1月10日国务院第25次常务会议通过2000年1月30日中华人民共和国国务院令第279号公布自公布之日起施行)一、工程勘察单位资质及承担任务范围:工程勘察单位资质分为综合类和专业类。
专业类资质等级等能分为甲、乙、丙三级。
各级别勘察单位承担业务范围如下:(一)综合类工程勘察单位承担工程勘察业务范围和地区不受限制。
(二)专业类甲级工程勘察单位承担本专业工程勘察业务范围和地区不受限制。
(三)专业类乙级工程勘察单位承担本专业工程勘察中、小型工程项目(工程勘察中、小型工程项目见附表2),承担工程勘察业力的地区不受限制。
(四)专业类丙级工程勘察单位承担本专业工程勘察小型工程项工程(勘察小型工程项目见附表3),承担工程勘察业务限定在省、自治区、直辖市所辖行政区范围内。
附表1工程勘察甲级工程项目划分表附表2工程勘察乙级工程项目划分表附表3工程勘察丙级工程项目划分表二、建筑工程设计单位资质等级及承担任务范围:根据民用建筑的类型和特征等因素将民用建筑分为特、一、二、三级四个等级,划分工程等级的类型及特征详见附表4,建筑及构筑物的等级分类和特征在各级别资质承担任务范围中表述。
各级别设计单位承担任务范围如下:(一)、甲级承担建筑工程设计项目的范围绕不受限制。
(二)、乙级1、民用建筑:承担工程等级为二级及以下的民用建筑设计项目。
2、工业建筑:跨度不超过30米、吊车吨位不超过30吨的单层厂房和仓库,跨度不超过12米、6层及以下的多层厂房和仓库。
3、构筑物:高度低于45米的烟囱,容量小于100立方米的水塔,容量小于2000立方米的水池,直径小于12米或边长小于9米的料仓。
(三)、丙级1、民用建筑:承担工程等级为三级的民用建筑设计项目。
2、工业建筑:跨度不超过24米、吊车吨位不超过10吨的单层厂房和仓库,跨度不超过6米、楼盖无动荷载的3层及以下的多层厂房和仓库。
工程监理企业资质等级及业务范围在建筑工程领域,工程监理企业扮演着至关重要的角色。
它们负责对工程项目进行监督、管理和协调,确保工程的质量、进度和投资得到有效控制。
而工程监理企业的资质等级和业务范围,则是衡量其能力和所能承接业务的重要标准。
一、工程监理企业资质等级目前,我国工程监理企业资质分为综合资质、专业资质和事务所资质三个等级。
综合资质是工程监理企业的最高资质等级。
拥有综合资质的企业可以承担所有专业工程类别建设工程项目的工程监理业务。
这意味着,无论工程项目属于何种专业领域,综合资质的监理企业都具备承接的资格。
然而,获得综合资质并非易事,企业需要在人员、业绩、管理等方面达到极高的标准。
专业资质则按照工程性质和技术特点划分为若干工程类别。
常见的工程类别包括房屋建筑工程、市政公用工程、电力工程、铁路工程、通信工程等。
每个工程类别又分为甲级、乙级和丙级三个级别。
甲级专业资质企业可以承接本专业类别内所有规模的工程项目监理业务;乙级专业资质企业可以承接本专业类别中二、三级建设工程项目的监理业务;丙级专业资质企业则只能承接本专业类别中三级建设工程项目的监理业务。
事务所资质是工程监理企业资质中的特殊类别。
这类企业只能承担三级建设工程项目的工程监理业务,但是其特点是可以不划分专业。
二、工程监理企业业务范围不同资质等级的工程监理企业,其业务范围也有所不同。
综合资质的监理企业业务范围最为广泛,几乎涵盖了所有类型和规模的工程项目。
无论是大型的基础设施建设,还是复杂的工业项目,亦或是民用建筑,综合资质企业都能够提供全面的监理服务。
拥有甲级专业资质的企业,在其所属专业领域内具有较强的竞争力,可以承接各类大型和重要的工程项目。
例如,甲级房屋建筑工程监理企业能够监理大型商业综合体、高层住宅等项目。
乙级专业资质企业的业务范围相对较窄,主要集中在中、小型工程项目上。
以市政公用工程为例,乙级企业可能更多地参与城市支路、小型桥梁等项目的监理工作。
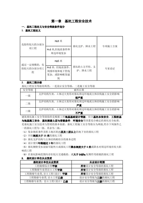
第一章基坑工程安全技术一.基坑工程定义与安全等级条件划分1.基坑工程定义基坑工程安全等级有两类:一是设计安全等级,二是施工安全等级建筑基坑施工安全等级指的是根据工程地基基础设计等级,结合基坑本体安全,工程桩基与地基施工安全,基坑侧壁土层与荷载条件,环境安全等因素综合确定的基坑安全标准,是基坑施工安全技术与管理的基本依据。
基坑工程施工安全等级分为两级,符合下列条件之一的基坑工程为一级,其余为二级:(1)复杂地质条件及软土地区的二层及二层以上的地下室的基坑工程(2)开挖深度大于15米的基坑工程(3)基坑支护结构与主体结构相结合的基本过程(4)设计使用年限超过2年的基坑工程(5)基坑侧壁受水浸湿可能性大或基坑工程降水深度大于6米或降水对周边环境有较大影响的工程(6)在基坑影响范围内存在较大交通载荷,或大于34KPa短期作用荷载的基坑工程领取了施工许可证的施工总承包单位可以自行施工总承包合同上所有专业工程内容不需要额外的资质地基基础工程专业承包资质设一级,二级和三级,一级最高。
一级资质,不限二级资质,开挖深度15米以下三级资质,开挖深度12米以下二.基坑工程前期安全管理1。
前期工作涉及建设单位,勘察设计单位和建设工程周边相关企事业单位,建设单位是前提工作的主导单位(1)基坑工程开工前,建设单位应当组织设计,施工,监理,监测单位进行技术交底(2)一般而言,勘察单位除提供正确完整的建筑场区的地质勘察文件外,还应当提供基坑开挖的边坡稳定计算和支护设计所需的岩土技术参数,论证其对周围已有建筑物和地下设施的影响(3)提供基坑施工降水的有关技术参数及施工降水方法的意见(4)提供用于计算地下水浮力的设计水位(5)软土地基区域的建设工程勘察,除了满足承载力外,基坑工程还应当进行稳定性验算,地基变形验算,基坑开挖与支护稳定性验算,以及按有关规定进行坑底抗隆起验算和抗渗漏稳定的验算(6)设计文件应当包括设计计算书、施工图纸和其他文字资料等2.施工安全管理要求(1)施工单位应编制基坑工程专项施工方案(2)坑机深度2倍距离内不宜设置塔吊等大型设备和搭设职工宿舍(3)发生基坑工程质量安全事故,或者严重威胁周边环境安全时,施工、建设、监理单位必须迅速采取措施控制事态发展并立即按有关规定向工程所在地建设行政主管部门报告(4)工程施工总承包单位的总工程师和项目技术负责人在基坑工程开挖深度达到住房和城乡建设部规定标准时,应当常驻施工现场,随时处置施工过程中的安全隐患和安全技术问题3。
建筑工程设计企业资质等级及承接业务的范围勘察、设计、监理和施工是建筑行业中的关键环节。
为了规范这些环节,国务院在2000年1月10日第25次常务会议通过了有关资质等级和承包工程范围的规定。
这些规定被收录在2000年1月30日中华人民共和国国务院令第279号中,自公布之日起开始施行。
首先,我们来看一下工程勘察单位的资质和任务范围。
工程勘察单位的资质分为综合类和专业类,而专业类资质等级则分为甲、乙、丙三级。
不同等级的勘察单位承担的业务范围也不同。
综合类工程勘察单位的任务范围和地区不受限制。
而专业类甲级工程勘察单位则可以承担本专业工程勘察业务范围和地区不受限制。
专业类乙级工程勘察单位则可以承担本专业工程勘察中、小型工程项目的任务,而这些项目的具体范围可以参考附表2.乙级勘察单位的任务地区也不受限制。
最后,专业类丙级工程勘察单位只能承担本专业工程勘察小型工程项目的任务,而这些项目的具体范围可以参考附表3.丙级勘察单位的任务范围只限于省、自治区和直辖市所辖行政区。
附表1列出了工程勘察甲级工程项目的划分表。
这些项目包括具有重大意义或影响国家重点项目的工程、场地等级为一、二级、抗震设防烈度高于8度的强震区、存在其他复杂环境岩土工程问题的地区以及岩土工程条件复杂的项目。
此外,还包括按照《地基基础设计规范》、《岩土工程勘察规定》等有关规范规定的一级建筑物,需要采取特别处理措施的极软弱的或非均质地层,极不稳定的地基,以及建于不良的特殊性土上的大、中型项目。
还包括有强烈地下水运动干扰或有特殊要求的深基开挖工程,有特殊工艺要求的超精密设备基础工程,大型深埋过江(河)地下管线、涵洞、核废料等深埋工程。
附表1还列出了水文地质勘察、工程测量和岩土工程三个专业领域中的甲级工程项目。
水文地质领域的项目包括大、中城市规划和大、中型企供水水源可行性研究及水资源评价,国家重点工程、国外投资或中外合资水源勘察和评价。
工程测量领域的项目包括50km以上大比例尺大、中型城乡规划测量,10km以上大比例尺大、中型工厂、矿山测量,1km以上改扩建竣工图和现状图测量,以及地籍测量。
安徽省基坑监测单位资质标准
应当具有工程勘察综合类资质或岩土工程勘察、设计专项的专业类乙级及以上的资质。
一类深基坑工程或安全等级为一级的深基坑工程设计应当由具有工程勘察综合类资质或甲级岩土工程设计资质的单位承担。
工程勘察综合资质只设甲级;工程勘察专业资质设甲级、乙级,根据工程性质和技术特点,部分专业可以设丙级;工程勘察劳务资质不分等级。
国务院建设主管部门负责全国建设工程勘察、工程设计资质的统一监督管理。
国务院铁路、交通、水利、信息产业、民航等有关部门配合国务院建设主管部门实施相应行业的建设工程勘察、工程设计资质管理工作。
省、自治区、直辖市人民政府建设主管部门负责本行政区域内建设工程勘察、工程设计资质的统一监督管理。
省、自治区、直辖市人民政府交通、水利、信息产业等有关部门配合同级建设主管部门实施本行政区域内相应行业的建设工程勘察、工程设计资质管理工作。
地基基础工程检测监测机构资质标准一级地基基础工程检测(监测)机构资质标准1. 具备独立法人资格,单项净资产不少于300万元。
2. 所申请的检测资质对应的检测项目(参数)应通过省级以上计量认证。
3. 人员要求:⑴具有质量检测(监测)、施工、监理或设计经历并接受相关检测技术培训的技术人员不少于40人(基坑监测人员不少于10人)。
其中,从事地基基础检测工作5年以上的工程系列中级(含中级)以上职称不得少于15人,工程系列高级职称不少于5人;具备注册岩土工程师资格不少于1人,并应在检测机构担任授权签字人或检测报告审核人。
⑵技术负责人、检测报告审核人应具备工程系列高级职称,注册岩土工程师担任授权签字人或报告审核人的,任职条件不受职称及培训时间限制。
4. 检测仪器设备的配置和精度必须满足相关检测标准、规范的要求。
5. 申请地基基础一级检测资质的检测机构必须能够检测下列项目及参数(附表1-1),并配备相应的仪器设备;仪器设备的性能、精度及量程应符合相应标准规范的要求(附表1-2)。
6. 检测机构申请一级地基基础检测(监测)资质,须取得二级地基基础检测(监测)资质三年以上,资质有效期内无不良行为记录,业绩完成静载荷试验不少于1000组,低应变检测不少于10000根,高应变检测不少于50根,声波透射法检测不少于100根。
附表1-1一级地基基础工程检测(监测)项目及参数附表1-2一级地基基础工程检测(监测)设备配置表注:配重总量不少于30000kN二级地基基础工程检测机构资质标准1. 具备独立法人资格,单项净资产不少于200万元。
2. 所申请的检测资质对应的检测项目(参数)应通过省级以上计量认证。
3. 人员要求:⑴具有质量检测、施工、监理或设计经历,并接受相关检测技术培训的技术人员不少于20人。
其中,从事地基基础检测工作3年以上的工程系列中级(含中级)以上职称不少于7人,工程系列高级职称不少于2人;具备注册岩土工程师资格不少于1人,并应在检测机构担任授权签字人或检测报告审核人。
基坑监测单位资质要求第一篇:基坑监测单位资质要求基坑监测单位资质要求:1.获得工商部门颁发的营业执照的法人经济实体;2.具备行政主管部门颁发的工程勘察综合甲级资质或同时具备岩土工程专业甲级和工程测量专业甲级资质的企业;3.拟派检测项目负责人必须具有岩土工程或工程测量相关专业中级或以上职称;4.业绩要求:近2年已成功独立完成三项以上(含三项)深基坑(10m或以上)监测工程业绩,需提供合同或其他业绩证明材料;5.监测单位不得与被监测项目的基坑开挖及支护施工单位、监理单位有任何隶属关系和经济利害关系。
第二篇:分包单位资质要求关于专业分包和劳务分包的相关知识和要求一、关于分包有哪些法规规定1、房屋建筑和市政基础设施工程施工分包管理办法(建设部令第124号)2、建筑业企业资质管理规定(建设部令第159号)3、关于建立和完善劳务分包制度发展建筑劳务企业的意见(建市【2005】131号)4、关于印发《江苏省二级建造师注册实施办法》的通知(苏建管企【2007】22号)5、南京市房屋建筑工程施工分包管理办法(宁政发【2004】238号)注:以上文件可登陆南京市建筑安装管理处网站(http://)查询。
二、分包管理知识1、问:什么是建筑工程分包?答:建筑工程分包是指发生在建筑施工企业之间的工程施工承、发包关系。
依法实施的分包活动受法律保护。
2、问:建筑工程分包有哪几类?答:建筑工程分包分为专业分包和劳务分包。
专业分包:是指工程总承包人或施工总承包人依据专业分包合同的约定,将承包的工程中的专业工程分包给具有相应资质条件的专业分包人完成,由工程总承包人支付工程分包价款,并由总承包人与分包人对分包工程项目负连带责任的的工程承包方式。
劳务分包:是指工程总承包人、施工总承包人或工程专业分包人依据劳务分包合同约定,将所承包的工程中的施工劳务分包给具有相应资质条件的劳务分包人完成,并由发包人支付劳务报酬的承包方式。
3、问:对建筑施工企业分包有哪些要求?答:施工总承包企业可以将专业工程或劳务作业依法分包给具有相应资质的专业承包企业或劳务分包企业;专业承包企业可将承接的专业工程中的劳务作业分包依法分包给具有相应资质的劳务分包企业;劳务分包作业不得再分包。
勘探、设计、监理、施工等有关资质品级及承包工程范围(摘录)(2000年1月10日国务院第25次常务会议通过2000年1月30日中华人民共和国国务院令第279号发布自发布之日起实施)一、工程勘探单位资质及承担任务范围:工程勘探单位资质分为综合类和专业类。
专业类资质品级等能分为甲、乙、丙三级。
各级别勘探单位承担业务范围如下:(一)综合类工程勘探单位承担工程勘探业务范围和地域不受限制。
(二)专业类甲级工程勘探单位承担本专业工程勘探业务范围和地域不受限制。
(三)专业类乙级工程勘探单位承担本专业工程勘探中、小型工程项目(工程勘探中、小型工程项目见附表2),承担工程勘探业力的地域不受限制。
(四)专业类丙级工程勘探单位承担本专业工程勘探小型工程项工程(勘探小型工程项目见附表3),承担工程勘探业务限定在省、自治区、直辖市所辖行政区范围内。
附表1工程勘探甲级工程项目划分表附表2工程勘探乙级工程项目划分表附表3工程勘探丙级工程项目划分表二、建筑工程设计单位资质品级及承担任务范围:依照民用建筑的类型和特点等因素将民用建筑分为特、一、二、三级四个品级,划分工程品级的类型及特点详见附表4,建筑及构筑物的品级分类和特点在各级别资质承担任务范围中表述。
各级别设计单位承担任务范围如下:(一)、甲级承担建筑工程设计项目的范围绕不受限制。
(二)、乙级1、民用建筑:承担工程品级为二级及以下的民用建筑设计项目。
2、工业建筑:跨度不超过30米、吊车吨位不超过30吨的单层厂房和仓库,跨度不超过12米、6层及以下的多层厂房和仓库。
3、构筑物:高度低于45米的烟囱,容量小于100立方米的水塔,容量小于2000立方米的水池,直径小于12米或边长小于9米的料仓。
(三)、丙级1、民用建筑:承担工程品级为三级的民用建筑设计项目。
2、工业建筑:跨度不超过24米、吊车吨位不超过10吨的单层厂房和仓库,跨度不超过6米、楼盖无动荷载的3层及以下的多层厂房和仓库。
附建设工程质量检测机构资质标准及业务范围(专项检测)
建设工程质量检测机构资质标准及业务范围(专项检测)
建设工程质量检测机构资质标准及业务范围(专项检测)
建设工程质量检测机构资质标准及业务范围(专项检测)
建设工程质量检测机构资质标准及业务范围(专项检测)
建设工程质量检测机构资质标准及业务范围(专项检测)
建设工程质量检测机构资质标准及业务范围(专项检测)
建设工程质量检测机构资质标准及业务范围(专项检测)
建设工程质量检测机构资质标准及业务范围
建设工程质量检测机构资质标准及业务范围
建设工程质量检测机构资质标准及业务范围
建设工程质量检测机构资质标准及业务范围
建设工程质量检测机构资质标准及业务范围
建设工程质量检测机构资质标准及业务范围
建设工程质量检测机构资质标准及业务范围
建设工程质量检测机构资质标准及业务范围
建设工程质量检测机构资质标准及业务范围。