暖通空调专业术语图例
- 格式:doc
- 大小:2.17 MB
- 文档页数:11
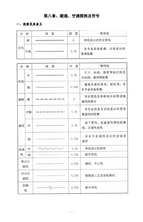
第八章、暖通、空调图例及符号一、线型及其含义精选文档二、比例精选文档三、水、汽管道代号精选文档精选文档四、水、汽管道阀门和附件图例序号名称图例备注1 截止阀2 闸阀3 球阀4 柱塞阀5 快开阀6 蝶阀7 旋塞阀8 止回阀9 浮球阀10 三通阀11 平衡阀12 定流量阀13 定压差阀14 自动排气阀15 集气罐、放气阀16 节流阀17 调节止回断阀水泵出口用18 膨胀阀19 排入大气或室外20 安全阀21 角阀22 底阀23 漏斗24 地漏25 明沟排水26 向上弯头27 向下弯头28 法兰封头或管封29 上出三通精选文档30 下出三通31 变径管32 活接头或法兰连接33 固定支架34 导向支架35 活动支架36 金属软管37 可屈挠橡胶软接头38 Y形过滤器39 疏水器40 减压阀左高右低41 直通型(或反冲型)除污器42 除垢仪43 补偿器44 矩形补偿器45 套管补偿器46 波纹管补偿器47 弧形补偿器48 球形补偿器49 伴热器50 保护套管51 爆破膜52 阻火器53 节流孔板、减压孔板54 快速接头55 介质流向在管道断开处时;流向符号宜标注在管道中心线上,其余可精选文档五、风道代号一、风口和附件代号17 J 喷口18 SD 旋流风口19 K 蛋格形风口20 KH 门铰形蛋格式回风口21 L 花板回风口22 CB 自垂百叶23 N 防结露送风口24 T 低温送风口25 W 防雨百叶26 B 带风口风箱27 D 带风阀28 F 带过滤网八、暖通空调设备图例暖通空调设备的图例宜按表3.3.1采用。
1 散热器及手动放气阀左为平面图画法,中为剖面图画法,右为系统图(Y轴侧)画法2 散热器及温控阀3 轴流风机4 轴(混)流失管道风机5 离心式管道风机6 吊顶式排气扇7 水泵8 手摇泵9 变风量末端10 空调机组加热、冷却盘管从左到右分别为加热、冷却及双功能盘管11 空气过滤器从左至右分别为粗效、中效及高效12 挡水板13 加湿器14 电加热器15 板式换热器 16 立式明装风机盘管17 立式暗装风机盘管 18 卧式明装风机盘管 19 卧式暗装风机盘管20 窗式空调器21 分体空调器 22 射流诱导风机23减振器左为平面图画法, 右为剖面图画法九、调控装置及仪表图例序号 名称 图例1 温度传感器2 湿度传感器3 压力传感器4 压差传感器5 流量传感器6 烟感器7 流量开关8 控制器9 吸顶式温度传感器10温度计11 压力表12 流量计13 能量计14 弹簧执行机构15 重力执行机构16 记录仪17 电磁(双位)执行机构18 电动(双位)执行机构19 电动(调节)执行机构20 气动执行机构21 浮力执行机构22 数字输入量DI23 数字输出量DO24 模拟输入量AI25 模拟输出量AO各种执行机构可与风阀、水阀组合表示相应功能的控制阀门。
第八章、暖通、空调图例及符号一、线型及其含义二、比例三、水、汽管道代号四、水、汽管道阀门和附件图例序号 名称 图例备注 1 截止阀2 闸阀3 球阀4 柱塞阀5 快开阀6 蝶阀7 旋塞阀8 止回阀9 浮球阀10 三通阀 11 平衡阀 12 定流量阀 13 定压差阀 14 自动排气阀15集气罐、 放气阀16 节流阀17 调节止回断阀 水泵出口用 18 膨胀阀19 排入大气或室外20 安全阀21 角阀 22 底阀23 漏斗24 地漏 25 明沟排水26 向上弯头 27 向下弯头 28 法兰封头或管封 29上出三通30 下出三通31 变径管32 活接头或法兰连接33 固定支架34 导向支架35 活动支架36 金属软管37 可屈挠橡胶软接头38 Y形过滤器39 疏水器40 减压阀左高右低41 直通型(或反冲型)除污器42 除垢仪43 补偿器44 矩形补偿器45 套管补偿器46 波纹管补偿器47 弧形补偿器48 球形补偿器49 伴热器50 保护套管51 爆破膜52 阻火器53 节流孔板、减压孔板54 快速接头55 介质流向在管道断开处时;流向符号宜标注在管道中心线上,其余可五、风道代号一、风口和附件代号17 J 喷口18 SD 旋流风口19 K 蛋格形风口20 KH 门铰形蛋格式回风口21 L 花板回风口22 CB 自垂百叶23 N 防结露送风口24 T 低温送风口25 W 防雨百叶26 B 带风口风箱27 D 带风阀28 F 带过滤网八、暖通空调设备图例暖通空调设备的图例宜按表3.3.1采用。
1 散热器及手动放气阀左为平面图画法,中为剖面图画法,右为系统图(Y轴侧)画法2 散热器及温控阀3 轴流风机4 轴(混)流失管道风机5 离心式管道风机6 吊顶式排气扇7 水泵8 手摇泵9 变风量末端10 空调机组加热、冷却盘管从左到右分别为加热、冷却及双功能盘管11 空气过滤器从左至右分别为粗效、中效及高效12 挡水板13 加湿器14 电加热器15 板式换热器 16 立式明装风机盘管17 立式暗装风机盘管 18 卧式明装风机盘管 19 卧式暗装风机盘管20 窗式空调器21 分体空调器 22 射流诱导风机23减振器左为平面图画法, 右为剖面图画法九、调控装置及仪表图例序号 名称 图例1 温度传感器2 湿度传感器3 压力传感器4 压差传感器5 流量传感器6 烟感器7 流量开关8 控制器9 吸顶式温度传感器10温度计11 压力表12 流量计13 能量计14 弹簧执行机构15 重力执行机构16 记录仪17 电磁(双位)执行机构18 电动(双位)执行机构19 电动(调节)执行机构20 气动执行机构21 浮力执行机构22 数字输入量DI23 数字输出量DO24 模拟输入量AI25 模拟输出量AO各种执行机构可与风阀、水阀组合表示相应功能的控制阀门。
第八章、暖通、空调图例及符号一、线型及其含义二、比例三、水、汽管道代号四、水、汽管道阀门和附件图例五、风道代号六、风道、阀门及附件图例七、风口和附件代号八、暖通空调设备图例暖通空调设备的图例宜按表3.3.1采用。
九、调控装置及仪表图例各种执行机构可与风阀、水阀组合表示相应功能的控制阀门。
十、管道和设备布置平面图、剖面图示例管道和设备布置平面图应按假象除去上层板后俯视规则绘制,其相应的垂直剖面图应在平面图中表明剖切符号。
标准层平面图平、剖面示例十一、平面图、剖面图索引符号的画法平面图、剖面图中的局部需另绘详图时,应在平、剖面图上标注索引符号。
索引符号的画法见下图。
索引符号的画法十二、内视符号画法当表示局部位置的相互关系,在平面图上应标注内视符号。
内视符号画法十三、系统编号1、一个工程设计中同时有供暖、通风、空调等两个及以上的不同系统时,应进行系统编号。
2、暖通空调系统编号、入口编号,应由系统代号和顺序号组成。
3、系统代号用大写拉丁字母表示,顺序号用阿拉伯数字表示。
当一个系统出现分支时,可采用下图的画法。
系统代号系统图代号、编号的画法十四、立管号的画法竖向布置的垂直管道系统,应标注立管号,在不一致引起误解时,可只标注序号,但应与建筑轴线编号有明显区别。
立管号的画法十五、管道相对标高的画法1、在无法标注垂直尺寸的图样中,应标注标高。
标高应以m为单位,并应精确到cm 或mm。
2、标高符号应以直角等腰三角形表示。
当面标准层较多时,可只标注与本层楼(地)板面的相对标高。
3、水、汽管道所标高未予说明时,应表示为管中心标高。
4、水、汽管道标注管道外底或顶标高时,应在数字前加“底”或“顶”字样。
5、矩形风管所注标高应表示管底标高;圆形风管所注标高应表示管中心标高。
当不采用此方法标注时,应进行说明。
6、平面图中无坡度要求的管道标高可标注在管道截面尺寸后的括号内。
必要时,应在标高数字前加“底”或“顶”的字样。
相对标高的画法十六、管道截面尺寸的标注符号及画法1、低压流体输送用焊接管道规格应标注公称通径或压力。
暖通空调图例与符号第⼋章、暖通、空调图例及符号⼀、线型及其含义⼆、⽐例三、⽔、汽管道代号四、⽔、汽管道阀门与附件图例4 柱塞阀5 快开阀6 蝶阀7 旋塞阀8 ⽌回阀9 浮球阀10 三通阀11 平衡阀 12 定流量阀 13 定压差阀14 ⾃动排⽓阀15集⽓罐、放⽓阀16 节流阀17 调节⽌回断阀⽔泵出⼝⽤ 18 膨胀阀19 排⼊⼤⽓或室外20 安全阀21 ⾓阀 22 底阀23 漏⽃24 地漏 25 明沟排⽔26 向上弯头 27 向下弯头 28 法兰封头或管封 29 上出三通 30 下出三通31 变径管 32活接头或法兰连接33固定⽀架34 导向⽀架35 活动⽀架36 ⾦属软管37 可屈挠橡胶软接头38 Y形过滤器39 疏⽔器40 减压阀左⾼右低41 直通型(或反冲型)除污器42 除垢仪43 补偿器44 矩形补偿器45 套管补偿器46 波纹管补偿器47 弧形补偿器48 球形补偿器49 伴热器50 保护套管51 爆破膜52 阻⽕器53 节流孔板、减压孔板54 快速接头55 介质流向在管道断开处时;流向符号宜标注在管道中⼼线上,其余可同管径标注位置56 坡度及坡向坡度数值不宜与管道起、⽌点标⾼同时标注。
标注位置同管径标注位置五、风道代号⼀、风⼝与附件代号21 L 花板回风⼝22 CB ⾃垂百叶23 N 防结露送风⼝24 T 低温送风⼝25 W 防⾬百叶26 B 带风⼝风箱27 D 带风阀28 F 带过滤⽹⼋、暖通空调设备图例暖通空调设备得图例宜按表3、3、1采⽤。
1 散热器及⼿动放⽓阀左为平⾯图画法,中为剖⾯图画法,右为系统图(Y轴侧)画法2 散热器及温控阀3 轴流风机4 轴(混)流失管道风机5 离⼼式管道风机6 吊顶式排⽓扇7 ⽔泵8 ⼿摇泵9 变风量末端10 空调机组加热、冷却盘管从左到右分别为加热、冷却及双功能盘管11 空⽓过滤器从左⾄右分别为粗效、中效及⾼效12 挡⽔板13 加湿器14 电加热器15 板式换热器 16 ⽴式明装风机盘管17 ⽴式暗装风机盘管18 卧式明装风机盘管19 卧式暗装风机盘管20 窗式空调器21 分体空调器22 射流诱导风机23减振器左为平⾯图画法, 右为剖⾯图画法九、调控装置及仪表图例序号名称图例1 温度传感器2 湿度传感器3 压⼒传感器4 压差传感器5 流量传感器6 烟感器7 流量开关8 控制器9 吸顶式温度传感器10 温度计11 压⼒表12流量计13能量计14弹簧执⾏机构15 重⼒执⾏机构16 记录仪17 电磁(双位)执⾏机构18 电动(双位)执⾏机构19 电动(调节)执⾏机构20 ⽓动执⾏机构21 浮⼒执⾏机构22 数字输⼊量DI23 数字输出量DO24 模拟输⼊量AI25 模拟输出量AO各种执⾏机构可与风阀、⽔阀组合表⽰相应功能得控制阀门。
暖通、空调图例及符号一、线型及其含义二、比例三、水、汽管道代号四、水、汽管道阀门和附件图例序号 名称 图例备注 1 截止阀2 闸阀3 球阀4 柱塞阀5 快开阀6 蝶阀7 旋塞阀8 止回阀9 浮球阀10 三通阀 11 平衡阀 12 定流量阀 13 定压差阀 14 自动排气阀15集气罐、 放气阀16 节流阀17 调节止回断阀 水泵出口用 18 膨胀阀19 排入大气或室外20 安全阀21 角阀 22 底阀23 漏斗24 地漏 25 明沟排水26 向上弯头 27 向下弯头 28 法兰封头或管封 29上出三通30 下出三通31 变径管32 活接头或法兰连接33 固定支架34 导向支架35 活动支架36 金属软管37 可屈挠橡胶软接头38 Y形过滤器39 疏水器40 减压阀左高右低41 直通型(或反冲型)除污器42 除垢仪43 补偿器44 矩形补偿器45 套管补偿器46 波纹管补偿器47 弧形补偿器48 球形补偿器49 伴热器50 保护套管51 爆破膜52 阻火器53 节流孔板、减压孔板54 快速接头55 介质流向在管道断开处时;流向符号宜标注在管道中心线上,其余可同管径标注位置56 坡度及坡向坡度数值不宜与管道起、止点标高同时标注。
标注位置同管径标注位置五、风道代号序号代号管道名称备注1 SF 送风管——2 HF 回风管一、二次回风可附加1、2区别3 PF 排风管——4 XF 新风管——5 PY 消防排烟风管——6 ZY 加压送风管——7 P(Y)排风排烟兼用风管——8 XB 消防补风风管——9 S(B)送风兼消防补风风管——六、风道、阀门及附件图例序号名称图例备注1 矩形风管宽X高(mm)2 圆形风管直径(mm)3 风管向上4 风管向下5 风管上升摇手弯6 风管下降摇手弯7 天圆地方左接矩形风管,右接圆形风管8 软风管9 圆弧形弯头10 带导流片的巨形弯头11 消声器12 消声弯头13 消声静压箱14 风管软接头15 对开多叶调节风阀16 蝶阀17 插板阀18 止回风阀19 余压阀20 三通调节阀21 防烟、防火阀22 方形风口条缝型风口23 条形风口24 矩形风口25 圆形风口26 侧面风口27 防雨百叶28 检修门29 气流方向30 远程手控盒31 防雨罩七、风口和附件代号序号代号图例备注1 AV 单层格栅风口,叶片垂直——2 AH 单层格栅风口,叶片水平——3 BV 双层格栅风口,前组叶片垂直——4 BH 双层格栅风口,前组叶片水平——5 C﹡矩形散流器,*为出风面数量——6 DF 圆形平面散流器——7 DS 圆形凸面散流器——8 DP 圆盘形散流器——9 DX﹡圆形斜片散流器,﹡为出风面数量——10 DH 圆环形散流器——11 E﹡条缝形风口,﹡为条缝数——12 F﹡细叶形斜出风散流器,﹡为出风面数量——13 FH 门铰形细叶回风口——14 G 扁叶形直出风散流器——15 H 百叶回风口——16 HH 门铰形百叶回风口——17 J 喷口——18 SD 旋流风口——19 K 蛋格形风口——20 KH 门铰形蛋格式回风口——21 L 花板回风口——22 CB 自垂百叶——23 N 防结露送风口冠于所用类型风口代号前24 T 低温送风口冠于所用类型风口代号前25 W 防雨百叶——26 B 带风口风箱——27 D 带风阀——28 F 带过滤网——八、暖通空调设备图例暖通空调设备的图例宜按表3.3.1采用。
第八章、暖通、空调图例及符号一、线型及其含义二、比例三、水、汽管道代号四、水、汽管道阀门和附件图例序号 名称 图例备注 1 截止阀 2 闸阀 3 球阀 4 柱塞阀 5 快开阀6 蝶阀7 旋塞阀8 止回阀9 浮球阀10 三通阀 11 平衡阀 12 定流量阀 13 定压差阀14 自动排气阀15集气罐、 放气阀16 节流阀17 调节止回断阀 水泵出口用 18 膨胀阀19 排入大气或室外20 安全阀 21 角阀22 底阀23 漏斗 24 地漏 25 明沟排水26 向上弯头 27 向下弯头28 法兰封头或管封 29上出三通30下出三通31变径管32活接头或法兰连接33固定支架34导向支架35活动支架36金属软管37可屈挠橡胶软接头38Y形过滤器39疏水器40减压阀左高右低41直通型(或反冲型)除污器42除垢仪43补偿器44矩形补偿器45套管补偿器46波纹管补偿器47弧形补偿器48球形补偿器49伴热器50保护套管51爆破膜52阻火器53节流孔板、减压孔板54快速接头55介质流向在管道断开处时;流向符号宜标注在管道中心线上,其余可五、风道代号一、风口和附件代号17J喷口18SD旋流风口19K蛋格形风口20KH门铰形蛋格式回风口21L花板回风口22CB自垂百叶23N防结露送风口24T低温送风口25W防雨百叶26B带风口风箱27D带风阀28F带过滤网八、暖通空调设备图例暖通空调设备的图例宜按表3.3.1采用。
1散热器及手动放气阀左为平面图画法,中为剖面图画法,右为系统图(Y轴侧)画法2散热器及温控阀3轴流风机4轴(混)流失管道风机5离心式管道风机6吊顶式排气扇7水泵8手摇泵9变风量末端10空调机组加热、冷却盘管从左到右分别为加热、冷却及双功能盘管11空气过滤器从左至右分别为粗效、中效及高效12 挡水板13 加湿器14 电加热器15 板式换热器 16 立式明装风机盘管17 立式暗装风机盘管 18 卧式明装风机盘管 19 卧式暗装风机盘管20 窗式空调器21 分体空调器 22 射流诱导风机23减振器左为平面图画法, 右为剖面图画法九、调控装置及仪表图例序号 名称 图例1 温度传感器2 湿度传感器3 压力传感器4 压差传感器5 流量传感器6 烟感器7 流量开关8 控制器9 吸顶式温度传感器10温度计11压力表12流量计13能量计14弹簧执行机构15重力执行机构16记录仪17电磁(双位)执行机构18电动(双位)执行机构19电动(调节)执行机构20气动执行机构21浮力执行机构22数字输入量DI23数字输出量DO24模拟输入量AI25模拟输出量AO各种执行机构可与风阀、水阀组合表示相应功能的控制阀门。
第八章、暖通、空调图例及符号一、线型及其含义二、比例三、水、汽管道代号四、水、汽管道阀门和附件图例五、风道代号六、风道、阀门及附件图例七、风口和附件代号八、暖通空调设备图例暖通空调设备的图例宜按表3.3.1采用。
九、调控装置及仪表图例各种执行机构可与风阀、水阀组合表示相应功能的控制阀门。
十、管道和设备布置平面图、剖面图示例管道和设备布置平面图应按假象除去上层板后俯视规则绘制,其相应的垂直剖面图应在平面图中表明剖切符号。
标准层平面图平、剖面示例十一、平面图、剖面图索引符号的画法平面图、剖面图中的局部需另绘详图时,应在平、剖面图上标注索引符号。
索引符号的画法见下图。
索引符号的画法十二、内视符号画法当表示局部位置的相互关系,在平面图上应标注内视符号。
内视符号画法十三、系统编号1、一个工程设计中同时有供暖、通风、空调等两个及以上的不同系统时,应进行系统编号。
2、暖通空调系统编号、入口编号,应由系统代号和顺序号组成。
3、系统代号用大写拉丁字母表示,顺序号用阿拉伯数字表示。
当一个系统出现分支时,可采用下图的画法。
系统代号系统图代号、编号的画法十四、立管号的画法竖向布置的垂直管道系统,应标注立管号,在不一致引起误解时,可只标注序号,但应与建筑轴线编号有明显区别。
立管号的画法十五、管道相对标高的画法1、在无法标注垂直尺寸的图样中,应标注标高。
标高应以m为单位,并应精确到cm或mm。
2、标高符号应以直角等腰三角形表示。
当面标准层较多时,可只标注与本层楼(地)板面的相对标高。
3、水、汽管道所标高未予说明时,应表示为管中心标高。
4、水、汽管道标注管道外底或顶标高时,应在数字前加“底”或“顶”字样。
5、矩形风管所注标高应表示管底标高;圆形风管所注标高应表示管中心标高。
当不采用此方法标注时,应进行说明。
6、平面图中无坡度要求的管道标高可标注在管道截面尺寸后的括号内。
必要时,应在标高数字前加“底”或“顶”的字样。
相对标高的画法十六、管道截面尺寸的标注符号及画法1、低压流体输送用焊接管道规格应标注公称通径或压力。
第八章、暖通、空调图例及符号一、线型及其含义二、比例三、水、汽管道代号四、水、汽管道阀门和附件图例序号 名称 图例备注 1 截止阀 2 闸阀 3 球阀 4 柱塞阀 5 快开阀6 蝶阀7 旋塞阀8 止回阀9 浮球阀10 三通阀 11 平衡阀 12 定流量阀 13 定压差阀14 自动排气阀15集气罐、 放气阀16 节流阀17 调节止回断阀 水泵出口用 18 膨胀阀19 排入大气或室外20 安全阀 21 角阀22 底阀23 漏斗 24 地漏 25 明沟排水26 向上弯头 27 向下弯头28 法兰封头或管封 29上出三通30下出三通31变径管32活接头或法兰连接33固定支架34导向支架35活动支架36金属软管37可屈挠橡胶软接头38Y形过滤器39疏水器40减压阀左高右低41直通型(或反冲型)除污器42除垢仪43补偿器44矩形补偿器45套管补偿器46波纹管补偿器47弧形补偿器48球形补偿器49伴热器50保护套管51爆破膜52阻火器53节流孔板、减压孔板54快速接头55介质流向在管道断开处时;流向符号宜标注在管道中心线上,其余可五、风道代号一、风口和附件代号17J喷口18SD旋流风口19K蛋格形风口20KH门铰形蛋格式回风口21L花板回风口22CB自垂百叶23N防结露送风口24T低温送风口25W防雨百叶26B带风口风箱27D带风阀28F带过滤网八、暖通空调设备图例暖通空调设备的图例宜按表3.3.1采用。
1散热器及手动放气阀左为平面图画法,中为剖面图画法,右为系统图(Y轴侧)画法2散热器及温控阀3轴流风机4轴(混)流失管道风机5离心式管道风机6吊顶式排气扇7水泵8手摇泵9变风量末端10空调机组加热、冷却盘管从左到右分别为加热、冷却及双功能盘管11空气过滤器从左至右分别为粗效、中效及高效12 挡水板13 加湿器14 电加热器15 板式换热器 16 立式明装风机盘管17 立式暗装风机盘管 18 卧式明装风机盘管 19 卧式暗装风机盘管20 窗式空调器21 分体空调器 22 射流诱导风机23减振器左为平面图画法, 右为剖面图画法九、调控装置及仪表图例序号 名称 图例1 温度传感器2 湿度传感器3 压力传感器4 压差传感器5 流量传感器6 烟感器7 流量开关8 控制器9 吸顶式温度传感器10温度计11压力表12流量计13能量计14弹簧执行机构15重力执行机构16记录仪17电磁(双位)执行机构18电动(双位)执行机构19电动(调节)执行机构20气动执行机构21浮力执行机构22数字输入量DI23数字输出量DO24模拟输入量AI25模拟输出量AO各种执行机构可与风阀、水阀组合表示相应功能的控制阀门。
第八章、暖通、空调图例及符号一、线型及其含义二、比例三、水、汽管道代号四、水、汽管道阀门和附件图例序号 名称 图例备注 1 截止阀2 闸阀3 球阀4 柱塞阀5 快开阀6 蝶阀7 旋塞阀8 止回阀9 浮球阀10 三通阀 11 平衡阀 12 定流量阀 13 定压差阀 14 自动排气阀15集气罐、 放气阀16 节流阀17 调节止回断阀 水泵出口用 18 膨胀阀19 排入大气或室外20 安全阀21 角阀 22 底阀23 漏斗24 地漏 25 明沟排水26 向上弯头 27 向下弯头 28 法兰封头或管封 29上出三通30 下出三通31 变径管32 活接头或法兰连接33 固定支架34 导向支架35 活动支架36 金属软管37 可屈挠橡胶软接头38 Y形过滤器39 疏水器40 减压阀左高右低41 直通型(或反冲型)除污器42 除垢仪43 补偿器44 矩形补偿器45 套管补偿器46 波纹管补偿器47 弧形补偿器48 球形补偿器49 伴热器50 保护套管51 爆破膜52 阻火器53 节流孔板、减压孔板54 快速接头55 介质流向在管道断开处时;流向符号宜标注在管道中心线上,其余可同管径标注位置56 坡度及坡向坡度数值不宜与管道起、止点标高同时标注。
标注位置同管径标注位置五、风道代号序号代号管道名称备注1 SF 送风管——2 HF 回风管一、二次回风可附加1、2区别3 PF 排风管——4 XF 新风管——5 PY 消防排烟风管——6 ZY 加压送风管——7 P(Y)排风排烟兼用风管——8 XB 消防补风风管——9 S(B)送风兼消防补风风管——六、风道、阀门及附件图例序号名称图例备注1 矩形风管宽X高(mm)2 圆形风管直径(mm)3 风管向上4 风管向下5 风管上升摇手弯6 风管下降摇手弯7 天圆地方左接矩形风管,右接圆形风管8 软风管9 圆弧形弯头10 带导流片的巨形弯头11 消声器12 消声弯头13 消声静压箱14 风管软接头15 对开多叶调节风阀16 蝶阀17 插板阀18 止回风阀19 余压阀20 三通调节阀21 防烟、防火阀22 方形风口条缝型风口23 条形风口24 矩形风口25 圆形风口26 侧面风口27 防雨百叶28 检修门29 气流方向30 远程手控盒31 防雨罩七、风口和附件代号序号代号图例备注1 AV 单层格栅风口,叶片垂直——2 AH 单层格栅风口,叶片水平——3 BV 双层格栅风口,前组叶片垂直——4 BH 双层格栅风口,前组叶片水平——5 C﹡矩形散流器,*为出风面数量——6 DF 圆形平面散流器——7 DS 圆形凸面散流器——8 DP 圆盘形散流器——9 DX﹡圆形斜片散流器,﹡为出风面数量——10 DH 圆环形散流器——11 E﹡条缝形风口,﹡为条缝数——12 F﹡细叶形斜出风散流器,﹡为出风面数量——13 FH 门铰形细叶回风口——14 G 扁叶形直出风散流器——15 H 百叶回风口——16 HH 门铰形百叶回风口——17 J 喷口——18 SD 旋流风口——19 K 蛋格形风口——20 KH 门铰形蛋格式回风口——21 L 花板回风口——22 CB 自垂百叶——23 N 防结露送风口冠于所用类型风口代号前24 T 低温送风口冠于所用类型风口代号前25 W 防雨百叶——26 B 带风口风箱——27 D 带风阀——28 F 带过滤网——八、暖通空调设备图例暖通空调设备的图例宜按表3.3.1采用。
第八章、暖通、空调图例及符号一、线型及其含义二、比例三、水、汽管道代号四、水、汽管道阀门和附件图例序号 名称 图例备注 1 截止阀 2 闸阀 3 球阀 4 柱塞阀 5 快开阀6 蝶阀7 旋塞阀8 止回阀9 浮球阀10 三通阀 11 平衡阀 12 定流量阀 13 定压差阀14 自动排气阀15集气罐、 放气阀16 节流阀17 调节止回断阀 水泵出口用 18 膨胀阀19 排入大气或室外20 安全阀21 角阀22 底阀23 漏斗 24 地漏25 明沟排水26 向上弯头27 向下弯头28 法兰封头或管封 29上出三通30 下出三通31 变径管32 活接头或法兰连接33 固定支架34 导向支架35 活动支架36 金属软管37 可屈挠橡胶软接头38 Y形过滤器39 疏水器40 减压阀左高右低41 直通型(或反冲型)除污器42 除垢仪43 补偿器44 矩形补偿器45 套管补偿器46 波纹管补偿器47 弧形补偿器48 球形补偿器49 伴热器50 保护套管51 爆破膜52 阻火器53 节流孔板、减压孔板54 快速接头55 介质流向在管道断开处时;流向符号宜标注在管道中心线上,其余可五、风道代号一、风口和附件代号17 J 喷口18 SD 旋流风口19 K 蛋格形风口20 KH 门铰形蛋格式回风口21 L 花板回风口22 CB 自垂百叶23 N 防结露送风口24 T 低温送风口25 W 防雨百叶26 B 带风口风箱27 D 带风阀28 F 带过滤网八、暖通空调设备图例暖通空调设备的图例宜按表3.3.1采用。
1 散热器及手动放气阀左为平面图画法,中为剖面图画法,右为系统图(Y轴侧)画法2 散热器及温控阀3 轴流风机4 轴(混)流失管道风机5 离心式管道风机6 吊顶式排气扇7 水泵8 手摇泵9 变风量末端10 空调机组加热、冷却盘管从左到右分别为加热、冷却及双功能盘管11 空气过滤器从左至右分别为粗效、中效及高效12 挡水板13 加湿器14 电加热器15 板式换热器 16 立式明装风机盘管17 立式暗装风机盘管18 卧式明装风机盘管 19 卧式暗装风机盘管20 窗式空调器21 分体空调器22 射流诱导风机23减振器左为平面图画法, 右为剖面图画法九、调控装置及仪表图例序号 名称 图例1 温度传感器2 湿度传感器3 压力传感器4 压差传感器5 流量传感器6 烟感器7 流量开关8 控制器9 吸顶式温度传感器10温度计11 压力表12 流量计13 能量计14 弹簧执行机构15 重力执行机构16 记录仪17 电磁(双位)执行机构18 电动(双位)执行机构19 电动(调节)执行机构20 气动执行机构21 浮力执行机构22 数字输入量DI23 数字输出量DO24 模拟输入量AI25 模拟输出量AO各种执行机构可与风阀、水阀组合表示相应功能的控制阀门。
第八章、暖通、空调图例及符号一、线型及其含义二、比例三、水、汽管道代号四、水、汽管道阀门与附件图例4 柱塞阀5 快开阀6 蝶阀7 旋塞阀8 止回阀9 浮球阀10 三通阀11 平衡阀 12 定流量阀 13 定压差阀14 自动排气阀15集气罐、 放气阀16 节流阀17 调节止回断阀 水泵出口用 18 膨胀阀19 排入大气或室外20 安全阀21 角阀 22 底阀23 漏斗24 地漏 25 明沟排水26 向上弯头 27 向下弯头 28 法兰封头或管封 29 上出三通 30 下出三通31 变径管 32活接头或 法兰连接33 固定支架34 导向支架35 活动支架36 金属软管37 可屈挠橡胶软接头38 Y形过滤器39 疏水器40 减压阀左高右低41 直通型(或反冲型)除污器42 除垢仪43 补偿器44 矩形补偿器45 套管补偿器46 波纹管补偿器47 弧形补偿器48 球形补偿器49 伴热器50 保护套管51 爆破膜52 阻火器53 节流孔板、减压孔板54 快速接头55 介质流向在管道断开处时;流向符号宜标注在管道中心线上,其余可同管径标注位置56 坡度及坡向坡度数值不宜与管道起、止点标高同时标注。
标注位置同管径标注位置五、风道代号一、风口与附件代号21 L 花板回风口22 CB 自垂百叶23 N 防结露送风口24 T 低温送风口25 W 防雨百叶26 B 带风口风箱27 D 带风阀28 F 带过滤网八、暖通空调设备图例暖通空调设备的图例宜按表3、3、1采用。
1 散热器及手动放气阀左为平面图画法,中为剖面图画法,右为系统图(Y轴侧)画法2 散热器及温控阀3 轴流风机4 轴(混)流失管道风机5 离心式管道风机6 吊顶式排气扇7 水泵8 手摇泵9 变风量末端10 空调机组加热、冷却盘管从左到右分别为加热、冷却及双功能盘管11 空气过滤器从左至右分别为粗效、中效及高效12 挡水板13 加湿器14 电加热器15 板式换热器 16 立式明装风机盘管17 立式暗装风机盘管18 卧式明装风机盘管19 卧式暗装风机盘管20 窗式空调器21 分体空调器22 射流诱导风机23减振器左为平面图画法, 右为剖面图画法 九、调控装置及仪表图例序号 名称 图例1 温度传感器2 湿度传感器3 压力传感器4 压差传感器5 流量传感器6 烟感器7 流量开关8 控制器9 吸顶式温度传感器10 温度计11 压力表12流量计13能量计14弹簧执行机构15 重力执行机构16 记录仪17 电磁(双位)执行机构18 电动(双位)执行机构19 电动(调节)执行机构20 气动执行机构21 浮力执行机构22 数字输入量DI23 数字输出量DO24 模拟输入量AI25 模拟输出量AO各种执行机构可与风阀、水阀组合表示相应功能的控制阀门。
第八章、暖通、空调图例及符号一、线型及其含义二、比例三、水、汽管道代号四、水、汽管道阀门和附件图例序号 名称 图例备注 1 截止阀2 闸阀3 球阀4 柱塞阀5 快开阀6 蝶阀7 旋塞阀8 止回阀9 浮球阀10 三通阀 11 平衡阀 12 定流量阀 13 定压差阀 14 自动排气阀15集气罐、 放气阀16 节流阀17 调节止回断阀 水泵出口用 18 膨胀阀19 排入大气或室外20 安全阀21 角阀 22 底阀23 漏斗24 地漏 25 明沟排水26 向上弯头 27 向下弯头 28 法兰封头或管封 29上出三通30 下出三通31 变径管32 活接头或法兰连接33 固定支架34 导向支架35 活动支架36 金属软管37 可屈挠橡胶软接头38 Y形过滤器39 疏水器40 减压阀左高右低41 直通型(或反冲型)除污器42 除垢仪43 补偿器44 矩形补偿器45 套管补偿器46 波纹管补偿器47 弧形补偿器48 球形补偿器49 伴热器50 保护套管51 爆破膜52 阻火器53 节流孔板、减压孔板54 快速接头55 介质流向在管道断开处时;流向符号宜标注在管道中心线上,其余可同管径标注位置56 坡度及坡向坡度数值不宜与管道起、止点标高同时标注。
标注位置同管径标注位置五、风道代号序号代号管道名称备注1 SF 送风管——2 HF 回风管一、二次回风可附加1、2区别3 PF 排风管——4 XF 新风管——5 PY 消防排烟风管——6 ZY 加压送风管——7 P(Y)排风排烟兼用风管——8 XB 消防补风风管——9 S(B)送风兼消防补风风管——六、风道、阀门及附件图例序号名称图例备注1 矩形风管宽X高(mm)2 圆形风管直径(mm)3 风管向上4 风管向下5 风管上升摇手弯6 风管下降摇手弯7 天圆地方左接矩形风管,右接圆形风管8 软风管9 圆弧形弯头10 带导流片的巨形弯头11 消声器12 消声弯头13 消声静压箱14 风管软接头15 对开多叶调节风阀16 蝶阀17 插板阀18 止回风阀19 余压阀20 三通调节阀21 防烟、防火阀22 方形风口条缝型风口23 条形风口24 矩形风口25 圆形风口26 侧面风口27 防雨百叶28 检修门29 气流方向30 远程手控盒31 防雨罩七、风口和附件代号序号代号图例备注1 AV 单层格栅风口,叶片垂直——2 AH 单层格栅风口,叶片水平——3 BV 双层格栅风口,前组叶片垂直——4 BH 双层格栅风口,前组叶片水平——5 C﹡矩形散流器,*为出风面数量——6 DF 圆形平面散流器——7 DS 圆形凸面散流器——8 DP 圆盘形散流器——9 DX﹡圆形斜片散流器,﹡为出风面数量——10 DH 圆环形散流器——11 E﹡条缝形风口,﹡为条缝数——12 F﹡细叶形斜出风散流器,﹡为出风面数量——13 FH 门铰形细叶回风口——14 G 扁叶形直出风散流器——15 H 百叶回风口——16 HH 门铰形百叶回风口——17 J 喷口——18 SD 旋流风口——19 K 蛋格形风口——20 KH 门铰形蛋格式回风口——21 L 花板回风口——22 CB 自垂百叶——23 N 防结露送风口冠于所用类型风口代号前24 T 低温送风口冠于所用类型风口代号前25 W 防雨百叶——26 B 带风口风箱——27 D 带风阀——28 F 带过滤网——八、暖通空调设备图例暖通空调设备的图例宜按表3.3.1采用。
第八章、暖通、空调图例及符号一、线型及其含义二、比例三、水、汽管道代号四、水、汽管道阀门和附件图例五、风道代号六、风道、阀门及附件图例七、风口和附件代号八、暖通空调设备图例暖通空调设备的图例宜按表3.3.1采用。
九、调控装置及仪表图例各种执行机构可与风阀、水阀组合表示相应功能的控制阀门。
十、管道和设备布置平面图、剖面图示例管道和设备布置平面图应按假象除去上层板后俯视规则绘制,其相应的垂直剖面图应在平面图中表明剖切符号。
标准层平面图平、剖面示例十一、平面图、剖面图索引符号的画法平面图、剖面图中的局部需另绘详图时,应在平、剖面图上标注索引符号。
索引符号的画法见下图。
索引符号的画法十二、内视符号画法当表示局部位置的相互关系,在平面图上应标注内视符号。
内视符号画法十三、系统编号1、一个工程设计中同时有供暖、通风、空调等两个及以上的不同系统时,应进行系统编号。
2、暖通空调系统编号、入口编号,应由系统代号和顺序号组成。
3、系统代号用大写拉丁字母表示,顺序号用阿拉伯数字表示。
当一个系统出现分支时,可采用下图的画法。
系统代号系统图代号、编号的画法十四、立管号的画法竖向布置的垂直管道系统,应标注立管号,在不一致引起误解时,可只标注序号,但应与建筑轴线编号有明显区别。
立管号的画法十五、管道相对标高的画法1、在无法标注垂直尺寸的图样中,应标注标高。
标高应以m为单位,并应精确到cm或mm。
2、标高符号应以直角等腰三角形表示。
当面标准层较多时,可只标注与本层楼(地)板面的相对标高。
3、水、汽管道所标高未予说明时,应表示为管中心标高。
4、水、汽管道标注管道外底或顶标高时,应在数字前加“底”或“顶”字样。
5、矩形风管所注标高应表示管底标高;圆形风管所注标高应表示管中心标高。
当不采用此方法标注时,应进行说明。
6、平面图中无坡度要求的管道标高可标注在管道截面尺寸后的括号内。
必要时,应在标高数字前加“底”或“顶”的字样。
相对标高的画法十六、管道截面尺寸的标注符号及画法1、低压流体输送用焊接管道规格应标注公称通径或压力。
暖通空调图例与符号(1)第八章、暖通、空调图例及符号一、线型及其含义二、比例三、水、汽管道代号四、水、汽管道阀门和附件图例序号 名称 图例备注 1 截止阀 2 闸阀 3 球阀 4 柱塞阀 5 快开阀 6 蝶阀 7 旋塞阀 8 止回阀9 浮球阀10 三通阀 11 平衡阀 12 定流量阀 13 定压差阀 14 自动排气阀 15 集气罐、 放气阀16 节流阀17 调节止回断阀 水泵出口用 18 膨胀阀19 排入大气或室外 20 安全阀 21 角阀22 底阀23 漏斗 24 地漏 25 明沟排水26 向上弯头 27 向下弯头 28 法兰封头或管封 29 上出三通30 下出三通31 变径管 32 活接头或 法兰连接 33 固定支架 34 导向支架 35 活动支架36金属软管37 可屈挠橡 胶软接头38 Y 形过滤器39 疏水器40 减压阀左高右低 41 直通型(或反冲型) 除污器42 除垢仪 43 补偿器44 矩形补偿器 45 套管补偿器 46 波纹管补偿器47 弧形补偿器 48 球形补偿器49 伴热器 50 保护套管 51 爆破膜52 阻火器53 节流孔板、减压孔板 54 快速接头55介质流向在管道断开处时; 流向符号宜标注在管 道中心线上,其余可 同管径标注位置 56 坡度及坡向坡度数值不宜与管道起、止点标高同时标注。
标注位置同管径标注位置五、风道代号序号 代号 管道名称 备注 1 SF 送风管 ——2 HF 回风管 一、二次回风可附加1、2区别3 PF 排风管 ——4 XF 新风管 ——5 PY 消防排烟风管 —— 6ZY加压送风管——7 P(Y)排风排烟兼用风管——8 XB 消防补风风管——9 S(B)送风兼消防补风风管——六、风道、阀门及附件图例序号名称图例备注1 矩形风管宽X高(mm)2 圆形风管直径(mm)3 风管向上4 风管向下5 风管上升摇手弯6 风管下降摇手弯7 天圆地方左接矩形风管,右接圆形风管8 软风管9 圆弧形弯头10 带导流片的巨形弯头11 消声器12 消声弯头13 消声静压箱14 风管软接头15 对开多叶调节风阀16 蝶阀17 插板阀18 止回风阀19 余压阀20 三通调节阀21 防烟、防火阀22 方形风口条缝型风口23 条形风口24 矩形风口25 圆形风口26 侧面风口27 防雨百叶28 检修门29 气流方向30 远程手控盒31 防雨罩七、风口和附件代号序号代号图例备注1 AV 单层格栅风口,叶片垂直——2 AH 单层格栅风口,叶片水平——3 BV 双层格栅风口,前组叶片垂直——4 BH 双层格栅风口,前组叶片水平——5 C﹡矩形散流器,*为出风面数量——6 DF 圆形平面散流器——7 DS 圆形凸面散流器——8 DP 圆盘形散流器——9 DX﹡圆形斜片散流器,﹡为出风面数量——10 DH 圆环形散流器——11 E﹡条缝形风口,﹡为条缝数——12 F﹡细叶形斜出风散流器,﹡为出风面数量——13 FH 门铰形细叶回风口——14 G 扁叶形直出风散流器——15 H 百叶回风口——16 HH 门铰形百叶回风口——17 J 喷口——18 SD 旋流风口——19 K 蛋格形风口——20 KH 门铰形蛋格式回风口——21 L 花板回风口——22 CB 自垂百叶——23 N 防结露送风口冠于所用类型风口代号前24 T 低温送风口冠于所用类型风口代号前25 W 防雨百叶——26 B 带风口风箱——27 D 带风阀——28 F 带过滤网——八、暖通空调设备图例暖通空调设备的图例宜按表3.3.1采用。
一张表详解暖通空调专业术语与图形代码管道:供水管:空调系统的冷水供水管,给室内风机盘管送冷水。
回水管:空调系统的冷水回水管,冷水通过室内风机盘管吸热后,变为热水,通过回水管,回到制冷机冷凝水管:冷凝水管的作用是排除风机盘管(或空调器)积水盘内的冷凝水的,仅此而已。
空调运行制冷状态下,会产生冷凝水,冷凝水管就是排除冷凝水功能。
附件:阀门:是一种结构简单的调节阀,其主要作用是防止介质倒流、和普通阀门不同的是底部有一出口,是具有四个油口的控制阀。
液体容易产生汽蚀现象,疏水器中的受热元件收缩,采暖设备:进出口在同一直线上,且进出口口径相同,仿似一段管道,进出口相同并在同一直线上,型过滤器具有结构先进,在启动前,必须使泵壳和吸水管内充满水,然后启动电机,风管:管件:顾名思义是具有柔性作用的连接器,风口:通风空调阀门:风管插板阀:又称手动刀型闸阀,刀形闸阀它是一种闸板与阀座始终紧密接触密封的阀门,其原理是闸板上开有一个通径大小的圆口,通过闸板启闭使得闸板上圆口跟通径做完全脱离和相吻合的动作。
此阀门的优点在于阀体通径无凹槽,介质不会卡阻堵塞,并且具有全通径流通特性,其密封结构可以分软密封、硬密封结构。
穿透式刀闸阀是具有精密构造,工艺性好,结构紧凑等特点,密封阀座为活动结构设计,有防磨损和自动补偿功能,因而寿命更长。
在关闭和开启过程中阀座跟闸板一直紧贴运动,使得阀门启闭力稳定,并且具有切断介质等特点。
风管防火阀:安装在中央空调风道系统中,工作原理是利用阀门上安装的极易熔合金的温度控制,利用重力作用和弹簧机构的作用,当火灾发生时,火焰入侵风道,高温使阀门上的易熔合金熔解,或使记忆合金产生形变使阀门自动关闭,用于风道与防火分区贯穿的场合。
通风空调设备:空气过滤器:从气源出来的压缩空气中含有过量的水汽和油滴,同时还有固体杂质,如铁锈、沙粒、管道密封剂等,这些会损坏活塞密封环,堵塞元器件上的小排气孔,缩短元器件的使用寿命或使之失效。