建筑制图习题集答案(最新)1到52页
- 格式:doc
- 大小:2.05 MB
- 文档页数:20
建筑制图及识图测试题与参考答案一、单选题(共43题,每题1分,共43分)1.确定各基本形体大小的尺寸称为( )。
A、定位尺寸B、定形尺寸C、标志尺寸D、构造尺寸正确答案:B2.φL表示( )。
A、Ⅰ级螺纹钢筋B、冷拉Ⅰ级钢筋C、Ⅰ级锰硅人字纹钢筋D、Ⅰ级光圆钢筋正确答案:B3.比例指的是图形与实物要素( )尺寸之比。
A、重量B、体积C、线性D、面积正确答案:C4.图线中的粗线宽度为b,b又称基本线宽,则细线的宽度为( )b。
A、0.25B、0.5C、0.15D、0.75正确答案:A5.有一栋房屋在图上量得长度为50cm,用的是1:100比例,其实际长度是( ).A、50mB、500mC、5000mD、5m正确答案:A6.有一配件图其比例为1:2,从图上量得高度5mm,其实际高度是( ).A、1mmB、10mmC、50mmD、5mm正确答案:B7.下列建筑中不属于公共建筑的是()。
A、旅社B、学校C、宿舍D、医院正确答案:C8.建筑平面图是采用一假想的( )以上位置切开,将上部移去后所得的水平投影图。
A、水平剖切面沿楼地面B、水平剖切面沿窗台C、垂直剖切面沿高度D、水平剖切面沿基础顶面正确答案:B9.圆球在三个基本投影面上的投影结果为( )。
A、三个大小不相等的圆B、两个圆一个正方形C、三个大小相等的圆D、一个圆两个正方形正确答案:C10.平屋面或坡度不大于1/10的屋面,易受雷击的部位是( ).A、屋角、屋脊、檐角B、屋脊、屋角、女儿墙C、檐角、女儿墙、屋檐D、屋角、屋脊、檐角、屋檐正确答案:C11.“φ8@200”没能表达出这种钢筋的( )。
A、直径B、间距C、级别D、弯钩形状正确答案:D12.当平面垂直投影面时.在该投影面上的投影结果为( )A、反映实形B、一个点C、不确定D、一根线正确答案:D13.避雷装置的引下线采用扁钢制作时,扁钢截面不应小于( ) .A、40平方毫米B、56平方毫米C、64平方毫米D、48平方毫米正确答案:D14.三投影面体系中,H面、V面投影在X轴方向均反映形体的长度且互相对正,称之为( )。
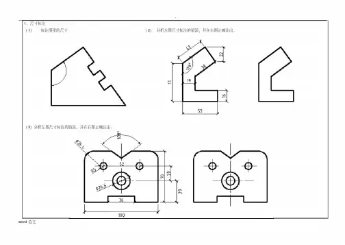
1、尺寸标注(1)标注图形的尺寸(2)分析左图尺寸标注的错误,并在右图正确注出。
(3)分析左图尺寸标注的错误,并在右图正确注出。
1 / 792 / 792-1、求各点的第三投影,并填上各点到投影面的距离。
2-4 已知E (22,30,20),F 点在E 点之左10mm ,之下10mm ,之后 10mm ;G 点在E 点的正右方12mm ,作出点E 、F 、G 的三面投影。
A 点距V 面( )、距H 面( )、距W 面( )B 点距V 面( )、距H 面( )、距W 面( )C 点距V 面( )、距H 面( )、距W 面( )D 点距V 面( )、距H 面( )、距W 面( )E 点距V 面( )、距H 面( )、距W 面( )F 点距V 面( )、距H 面( )、距W 面( )2-3、比较A 、B 、C 三点的相对位置。
(上、下)A 点在B 点 (左、右)(前、后)(上、下)B 点在C 点 (左、右)(前、后)(上、下)C 点在A 点 (左、右)(前、后)3 / 792-5 在立体的投影图上,标出直线的三个投影,并说明其对投影面的相对位置(参照立体图)。
(1) (2)2-6判断下列直线的位置。
AB 是_________线;BK 是_________线;AC 是_________线。
DE 是_________线;DF 是_________线; GH 是_________线。
AB是,CD是,EF是,MN是。
2-7判别AB和CD两直线的相对位置(平行、相交、交叉)。
2-8 完成平面五边形ABCDE的投影。
2-9 完成正方形ABCD的两面投影。
4 / 795 / 792-10 如图中平面A 所示,在投影图中标出各平面的三个投影, 2-11 补画各平面图形的第三面投影,并填写它们是何种位置平面。
并写出属何种位置平面。
_________面 __________面A 是_________面;B 是_________面;C 是_________面;D 是_________面。
一、判断题(在下面的横线上填写两直线的相对位置)(10分)两直线;两直线;两直线;两直线;两直线二、选择题(12分)1.已知点A(20,0,0)和点B(20,0,10),关于点A和点B的相对位置,哪一种判断是正确的?()A、点B在点A前面B、点B在点A上方,且重影于V面上C、点A在点B下方,且重影在OX轴上D、点A在点B前面2.侧垂面的H投影()。
A、呈类似形B、积聚为一直线C、反映平面对W面的倾角D、反映平面对H面的倾角3.两等直径圆柱轴线正交相贯,其相贯线是()A、空间曲线B、椭圆C、直线D、圆4.正垂面与侧垂面相交,其交线是()。
A、侧垂线B、水平线C、一般线D、正平线5.选择正确的三面投影图()。
(A)(B)(C)6.选择形体正确的W面投影()。
三、过点M作一条与平面ABC平行的水平线。
(6分)四、补全组合体H面、V面上所缺的线(8分)五、补绘组合体的H面投影(17分)六、补全两形体的相贯线(10分)七、补绘被截圆锥的另外两面投影。
(18分)八、在指定位置绘出下面构件的1-1剖面图和2-2断面图(19分)。
试卷答案一、判断题(在下面的横线上填写两直线的相对位置)(10分)两直线平行;两直线相交;两直线相交;两直线交叉;两直线交叉二、选择题(12分)1.已知点A(20,0,0)和点B(20,0,10),关于点A和点B的相对位置,哪一种判断是正确的?( C )A、点B在点A前面B、点B在点A上方,且重影于V面上C、点A在点B下方,且重影在OX轴上D、点A在点B前面2.侧垂面的H投影( A )。
A、呈类似形B、积聚为一直线C、反映平面对W面的倾角D、反映平面对H面的倾角3.两等直径圆柱轴线正交相贯,其相贯线是( B )A、空间曲线B、椭圆C、直线D、圆4.正垂面与侧垂面相交,其交线是(C )。
A、侧垂线B、水平线C、一般线D、正平线5.选择正确的三面投影图( A )。
(A)(B)(C)6.选择形体正确的W面投影( D )。
建筑工程制图习题集答案在建筑工程制图中,习题集是帮助学生掌握制图技能和理解工程图纸的重要工具。
以下是一些可能包含在习题集中的题目类型和相应的解答示例,以帮助学生更好地理解制图的基本原则和技巧。
题目1:绘制简单的平面图解答:1. 首先,确定平面图的比例尺,例如1:50或1:100。
2. 根据比例尺,绘制出房间的四边,确保尺寸准确。
3. 标注房间内的主要家具和设施,如床、桌子、椅子等。
4. 使用适当的线型来表示墙体、门窗等。
5. 确保所有的尺寸标注清晰,且与实际尺寸相符。
题目2:绘制立面图解答:1. 选择一个视角,通常是正面或侧面,绘制建筑物的立面。
2. 确定立面图的比例尺,与平面图保持一致。
3. 绘制建筑物的轮廓线,包括屋顶、窗户、门等。
4. 标注出建筑物的高度和其他重要尺寸。
5. 确保立面图与平面图保持一致,如门窗的位置和尺寸。
题目3:绘制剖面图解答:1. 选择剖面的位置,通常是通过建筑物内部的一个垂直剖面。
2. 绘制剖面图的轮廓线,包括楼板、墙体、屋顶等。
3. 标注出剖面图中的尺寸,如楼板厚度、墙体厚度等。
4. 使用不同的线型来区分不同的材料和结构。
5. 确保剖面图清晰地展示了建筑物的内部结构。
题目4:标注尺寸和细节解答:1. 确定需要标注的尺寸类型,如线性尺寸、角度尺寸或直径尺寸。
2. 使用合适的尺寸线和尺寸文字,确保尺寸标注清晰。
3. 遵循制图规范,例如尺寸线应垂直于被标注的线段。
4. 确保所有尺寸标注准确无误,且与图纸中的其他信息一致。
题目5:绘制结构详图解答:1. 选择需要详细展示的结构部分,如梁、柱或楼梯。
2. 绘制详图的比例尺,通常比平面图和立面图的比例尺要大。
3. 详细绘制结构的各个部分,包括连接点、支撑点等。
4. 标注出结构详图中的所有尺寸和材料类型。
5. 确保详图与整体设计保持一致,且能够清晰地指导施工。
在实际的习题集中,每个题目都会附有具体的图纸和要求,学生需要根据这些要求来完成习题。
1、尺寸标注(1)标注图形的尺寸(2)分析左图尺寸标注的错误,并在右图正确注出。
(3)分析左图尺寸标注的错误,并在右图正确注出。
2-1、求各点的第三投影,并填上各点到投影面的距离。
2-4 已知E (22,30,20),F 点在E 点之左10mm ,之下10mm ,之后 10mm ;G 点在E 点的正右方12mm ,作出点E 、F 、G 的三面投影。
A 点距V 面( )、距H 面( )、距W 面( )B 点距V 面( )、距H 面( )、距W 面( )C 点距V 面( )、距H 面( )、距W 面( )D 点距V 面( )、距H 面( )、距W 面( )E 点距V 面( )、距H 面( )、距W 面( )F 点距V 面( )、距H 面( )、距W 面( )2-3、比较A 、B 、C 三点的相对位置。
(上、下)A 点在B 点 (左、右)(前、后)(上、下)B 点在C 点 (左、右)(前、后)(上、下)C 点在A 点 (左、右)(前、后)。
2-5 在立体的投影图上,标出直线的三个投影,并说明其对投影面的相对位置(参照立体图)。
(1) (2)2-6判断下列直线的位置。
AB 是 , CD 是 , EF 是 , MN 是 。
AB 是_________线;BK 是_________线;AC 是_________线。
DE 是_________线;DF 是_________线; GH 是_________线。
2-7判别AB 和CD 两直线的相对位置(平行、相交、交叉)。
2-8 完成平面五边形ABCDE 的投影。
2-9 完成正方形ABCD 的两面投影。
2-10 如图中平面A 所示,在投影图中标出各平面的三个投影,2-11补画各平面图形的第三面投影,并填写它们是何种位置平面。
并写出属何种位置平面。
2-12 判别图中所指的表面是曲面或平面,如果为平面,指出它属于哪一类平面。
_________面__________面A是_________面;B是_________面;C是_________面;D是_________面。
建筑制图习题册答案建筑制图是建筑设计和施工过程中不可或缺的一部分,它涉及到对建筑物的精确表达和详细说明。
以下是一些建筑制图习题册中可能包含的题目类型及其答案的示例:1. 平面图绘制:- 题目:绘制一个简单的住宅平面图,包括客厅、卧室、厨房和卫生间。
- 答案:平面图应显示所有房间的布局,包括墙体、门窗位置、家具布置等。
尺寸标注应准确,以毫米为单位。
2. 立面图绘制:- 题目:为上述住宅平面图绘制相应的南立面图。
- 答案:立面图应展示建筑物的南面外观,包括窗户、门、屋顶轮廓等。
需要标注出层高、门窗尺寸和材料。
3. 剖面图绘制:- 题目:绘制上述住宅的剖面图,通过客厅和卧室。
- 答案:剖面图应清晰展示建筑物的内部结构,如楼板、墙体、屋顶等。
剖面线应均匀分布,尺寸和材料标注应准确。
4. 详图绘制:- 题目:绘制住宅入口门的详图。
- 答案:详图应展示门的构造细节,包括门框、门扇、五金配件等。
尺寸应细致到螺丝孔的位置。
5. 结构图绘制:- 题目:为住宅的某个部分绘制结构图,如基础或梁。
- 答案:结构图应展示构件的尺寸、材料和连接方式。
对于基础,可能包括地基承载力、基础类型等信息;对于梁,可能包括梁的截面尺寸、配筋等。
6. 电气图绘制:- 题目:为住宅绘制电气平面图,包括照明和插座布置。
- 答案:电气图应展示所有电气设备的布局和连接方式,包括开关、插座、灯具等。
应标注电线类型和电缆尺寸。
7. 给排水图绘制:- 题目:绘制住宅的给水和排水平面图。
- 答案:给排水图应展示水管的走向、阀门、水龙头、马桶等的位置。
需要标注管径、材料和连接方式。
8. 施工图说明:- 题目:为上述建筑制图提供一套施工说明。
- 答案:施工说明应包括施工方法、材料选择、施工顺序等。
应详细说明施工过程中的注意事项和质量控制标准。
请注意,以上答案仅为示例,实际习题册的答案会根据具体题目的要求而有所不同。
建筑制图需要遵循相关的规范和标准,确保图纸的准确性和实用性。
《建筑制图》课程习题集一、作图题11.求R面与六棱锥各侧面的交线求球被R面截断后的投影及断面实形3.补全圆锥被R面截断后的V投影4.补全被截切后圆锥的三面投影。
5.补全相贯体的H面投影。
6.作半球与四棱柱的相贯线,并补全贯体的V面投影和W面投影。
7.补全两相贯圆柱体的V面投影。
8.补全两相贯圆柱体的V面投影。
9.补全图中的V面投影。
二、作图题310.作正垂面Q垂直于正平线CD11. 求作水平线MN 与交叉三直线AB 、CD 、EF 相交。
b a e ba'''''12. 已知等腰三角形ABC 的顶点C 在直线EF 上,AB 为正平线,求此三角形的两面投影。
13.已知点K到三角形的距离为30,求K点到H面的投影k。
14.过点B作矩形ABCD,短边AB=25且垂直于V面,长边BC=40,α=30°,求作矩形ABCD 的V、H投影15.补出第三面视图,在投影图上注全各指表面的名称并填出平面对投影面的相对位置。
16.补出第三面视图,在投影图上注全各指表面的名称并填出平面对投影面的相对位置。
17.已知五边形平面上的V投影和部分H投影,试补全其H投影。
18.已知条件如图1。
(1)投影图上注明各指定表面(Q,R,S,M,N)的名称,如P面名称,V 面用p’标出,H面用p标出;(2)填空。
,19.已知条件如图1。
(1)在投影图上注明各指定表面(P、Q、R、M)的名称,如F面名称,V面用f’标出,H面用f标出;(2)填空。
P面平行于( )投影面Q面垂直于( )投影面R面平行于( )投影面AB是( )面和( )面的交线三、填空题20.判断线面位置关系判断下列各题中直线与平面相对位置(平行、相交垂直、相交不垂直),并填写在括号里。
21.判断下列各题中平面与平面相对位置(平行、相交垂直、相交不垂直),并填写在括号里。
22.判断下列各题中平面与平面、直线与平面的相对位置(平行、相交垂直、相交不垂直),并填写在括号里。
大学建筑制图试题及答案一、选择题(每题2分,共20分)1. 在建筑制图中,表示墙体厚度的线型是:A. 虚线B. 点划线C. 粗实线D. 细实线答案:C2. 建筑平面图中,表示门窗位置的符号通常是:A. 圆形B. 矩形C. 正方形D. 多边形答案:B3. 以下哪个不是建筑制图中常用的比例尺?A. 1:50B. 1:100C. 1:200D. 1:1000答案:D4. 在建筑制图中,表示楼板的线型是:A. 虚线B. 点划线C. 粗实线D. 细实线答案:A5. 建筑立面图中,表示屋顶的线型通常是:A. 虚线B. 点划线C. 粗实线D. 细实线答案:C6. 建筑剖面图中,表示楼梯的线型是:A. 虚线B. 点划线C. 粗实线D. 细实线答案:A7. 在建筑制图中,表示结构柱的线型是:A. 虚线B. 点划线C. 粗实线D. 细实线答案:C8. 建筑制图中,表示基础的线型是:A. 虚线B. 点划线C. 粗实线D. 细实线答案:B9. 在建筑制图中,表示排水沟的线型是:A. 虚线B. 点划线C. 粗实线D. 细实线答案:A10. 建筑制图中,表示阳台的线型通常是:A. 虚线B. 点划线C. 粗实线D. 细实线答案:A二、填空题(每空1分,共20分)1. 建筑制图中,表示墙体材料的图例通常用________表示。
答案:符号或缩写2. 在建筑平面图中,________是用来表示房间的名称或编号。
答案:文字说明3. 建筑立面图中,________是用来表示建筑物的垂直面。
答案:立面图4. 建筑剖面图中,________是用来表示建筑物的垂直切割面。
答案:剖面图5. 在建筑制图中,________是用来表示建筑物的平面布局。
答案:平面图6. 建筑制图中,________是用来表示建筑物的外部轮廓。
答案:轮廓线7. 建筑制图中,________是用来表示建筑物的内部结构。
答案:结构线8. 在建筑制图中,________是用来表示建筑物的尺寸。
建筑制图与识图习题集1-1 找出与轴测图相对应的三视图,在每题的括号内填写轴测图的序号(一) 11-1 找出与轴测图相对应的三视图,在每题的括号内填写轴测图的序号(一) 21-2 画三视图练习班级姓名学号 31-3 已知正等轴测图,量取尺寸,画出三视图。
班级姓名学号 4 1. 2.3. 4.1-3已知正等轴测图,量取尺寸,画出三视图。
班级姓名学号 5 5. 6.7. 8.1-4 根据两视图,参照轴测图补画第三视图。
班级姓名学号 6 1. 2.3. 4.1-4 根据两视图,参照轴测图补画第三视图。
班级姓名学号7 5. 6.7. 8.1-5 根据两视图,补画第三视图。
班级姓名学号8 1. 2.3. 4.1-5 根据两视图,补画第三视图。
班级姓名学号9 5. 6.7. 8.1-6 根据轴测图补全视图中的漏线。
班级姓名学号10 1. 2.3. 4.1-6 根据已知视图补画缺线。
班级姓名学号11 1. 2.3. 4.1-7 点的投影班级姓名学号12 1.按立体图作各点的两面投影。
2. 已知点A在V面之前40,点B在H面之上12,点C在V面上,点D在H面上,点E在投影轴上,补全各点的两面投影。
1-7点的投影班级姓名学号13 3. 根据立体图,画A点的三面投影图。
4.根据A,B,C三点的立体图作出它们的投影图。
1-8 点的投影班级姓名学号145. 已知A点的投影,B点在A点左方15、前方25、上方13,求作B 点的三面投影。
6.已知点B在点A的正左方15;点C与点A是对V面的重影点,点D在点A的正下方20,,补全各点的三面投影,并表明可见性。
1-8 线的投影班级姓名学号151. 判断下列直线对投影面的相对位置,并填写直线类型。
AB是_____线;EF是_____线;CD是_____线;KL是_____线。
2.根据直线的两投影求第三投影,并判断直线对投影面的相对位置,并填写直线类型。
线线线线1-8 线的投影班级姓名学号163.己知直线的两面投影,求作其第三面投影,并说明直线的空间位置及反映实长的投影,同时求出直线上点的投影。
精品文档1、尺寸标注标注图形的尺寸 (2) 分析左图尺寸标注的错误,并在右图正确注出。
(3)分析左图尺寸标注的错误,并在右图正确注出。
精品文档精品文档2-1、求各点的第三投影,并填上各点到投影面的距离。
2-4 已知E (22,30,20),F 点在E 点之左10mm ,之下10mm ,之后 10mm ;G 点在E 点的正右方12mm ,作出点E 、F 、G 的三面投影。
A 点距V 面( )、距H 面( )、距W 面( )B 点距V 面( )、距H 面( )、距W 面( )C 点距V 面( )、距H 面( )、距W 面( )D 点距V 面( )、距H 面( )、距W 面( )E 点距V 面( )、距H 面( )、距W 面( )F 点距V 面( )、距H 面( )、距W 面( )2-3、比较A 、B 、C 三点的相对位置。
(上、下)A 点在B 点 (左、右)(前、后)(上、下)B 点在C 点 (左、右)(前、后)(上、下)C 点在A 点 (左、右)(前、后)精品文档2-5 在立体的投影图上,标出直线的三个投影,并说明其对投影面的相对位置(参照立体图)。
(1) (2)2-6判断下列直线的位置。
AB 是_________线; BK 是_________线;AC 是_________线。
DE 是_________线; DF 是_________线; GH 是_________线。
AB是,CD是,EF是,MN是。
2-7判别AB和CD两直线的相对位置(平行、相交、交叉)。
2-8 完成平面五边形ABCDE的投影。
2-9 完成正方形ABCD的两面投影。
精品文档精品文档2-10 如图中平面A 所示,在投影图中标出各平面的三个投影, 2-11 补画各平面图形的第三面投影,并填写它们是何种位置平面。
并写出属何种位置平面。
_________面 __________面A 是_________面;B 是_________面;C 是_________面;D 是_________面。
建筑制图习题册答案建筑制图是建筑设计和施工过程中不可或缺的一部分,它涉及到对建筑物的精确表达和详细说明。
以下是一些建筑制图习题册中可能包含的题目类型及其答案的示例:1. 平面图绘制:- 题目:绘制一个简单的住宅平面图,包括客厅、卧室、厨房和卫生间。
- 答案:平面图应显示所有房间的布局,包括墙体、门窗位置、家具布置等。
尺寸标注应准确,以毫米为单位。
2. 立面图绘制:- 题目:为上述住宅平面图绘制相应的南立面图。
- 答案:立面图应展示建筑物的南面外观,包括窗户、门、屋顶轮廓等。
需要标注出层高、门窗尺寸和材料。
3. 剖面图绘制:- 题目:绘制上述住宅的剖面图,通过客厅和卧室。
- 答案:剖面图应清晰展示建筑物的内部结构,如楼板、墙体、屋顶等。
剖面线应均匀分布,尺寸和材料标注应准确。
4. 详图绘制:- 题目:绘制住宅入口门的详图。
- 答案:详图应展示门的构造细节,包括门框、门扇、五金配件等。
尺寸应细致到螺丝孔的位置。
5. 结构图绘制:- 题目:为住宅的某个部分绘制结构图,如基础或梁。
- 答案:结构图应展示构件的尺寸、材料和连接方式。
对于基础,可能包括地基承载力、基础类型等信息;对于梁,可能包括梁的截面尺寸、配筋等。
6. 电气图绘制:- 题目:为住宅绘制电气平面图,包括照明和插座布置。
- 答案:电气图应展示所有电气设备的布局和连接方式,包括开关、插座、灯具等。
应标注电线类型和电缆尺寸。
7. 给排水图绘制:- 题目:绘制住宅的给水和排水平面图。
- 答案:给排水图应展示水管的走向、阀门、水龙头、马桶等的位置。
需要标注管径、材料和连接方式。
8. 施工图说明:- 题目:为上述建筑制图提供一套施工说明。
- 答案:施工说明应包括施工方法、材料选择、施工顺序等。
应详细说明施工过程中的注意事项和质量控制标准。
请注意,以上答案仅为示例,实际习题册的答案会根据具体题目的要求而有所不同。
建筑制图需要遵循相关的规范和标准,确保图纸的准确性和实用性。
1、尺寸标注(1)标注图形的尺寸(2)分析左图尺寸标注的错误,并在右图正确注出。
(3)分析左图尺寸标注的错误,并在右图正确注出。
122-1、求各点的第三投影,并填上各点到投影面的距离。
2-4 已知E (22,30,20),F 点在E 点之左10mm ,之下10mm ,之后 10mm ;G 点在E 点的正右方12mm ,作出点E 、F 、G 的三面投影。
A 点距V 面( )、距H 面( )、距W 面( )B 点距V 面( )、距H 面( )、距W 面( )C 点距V 面( )、距H 面( )、距W 面( )D 点距V 面( )、距H 面( )、距W 面( )E 点距V 面( )、距H 面( )、距W 面( )F 点距V 面( )、距H 面( )、距W 面( ) 2-3、比较A 、B 、C 三点的相对位置。
(上、下)A 点在B 点 (左、右)(前、后)(上、下)B 点在C 点 (左、右)(前、后)(上、下)C 点在A 点 (左、右)(前、后)32-5 在立体的投影图上,标出直线的三个投影,并说明其对投影面的相对位置(参照立体图)。
(1) (2)2-6判断下列直线的位置。
AB 是_________线;BK 是_________线;AC 是_________线。
DE 是_________线;DF 是_________线; GH 是_________线。
AB是,CD是,EF是,MN是。
2-7判别AB和CD两直线的相对位置(平行、相交、交叉)。
2-8 完成平面五边形ABCDE的投影。
2-9 完成正方形ABCD的两面投影。
452-10 如图中平面A 所示,在投影图中标出各平面的三个投影, 2-11 补画各平面图形的第三面投影,并填写它们是何种位置平面。
并写出属何种位置平面。
_________面 __________面A 是_________面;B 是_________面;C 是_________面;D 是_________面。