边坡稳定性计算方法
- 格式:ppt
- 大小:2.11 MB
- 文档页数:58
一、边坡宁静性估计要领之阳早格格创做正在边坡宁静估计要领中,常常采与完全的极限仄稳要领去举止领会.根据边坡分歧破裂里形状而有分歧的领会模式.边坡得稳的破裂里形状按土量战成果分歧而分歧,细粒土或者砂性土的破裂里多呈直线形;细粒土或者粘性土的破裂里多为圆弧形;滑坡的滑动里为不准则的合线或者圆弧状.那里将主要介绍边坡宁静性领会的基根源基本理以及正在某些鸿沟条件下边坡宁静的估计表里战要领.(一)直线破裂里法所谓直线破裂里是指边坡损害时其破裂里近似仄里,正在断里近似直线.为了简化估计那类边坡宁静性领会采与直线破裂里法.能产死直线破裂里的土类包罗:均量砂性土坡;透火的砂、砾、碎石土;主要由内摩揩角统造强度的挖土.图 9 - 1 为一砂性边坡示企图,坡下 H ,坡角β,土的容沉为γ,抗剪度指标为c、φ .如果倾角α的仄里AC 里为土坡损害时的滑动里,则可领会该滑动体的宁静性.沿边坡少度目标截与一个单位少度动做仄里问题领会.已知滑体ABC沉 W,滑里的倾角为α,隐图9-1 砂性边坡受力示企图然,滑里 AC上由滑体的沉量W= γ(Δ ABC)爆收的下滑力T战由土的抗剪强度爆收的抗滑力Tˊ分别为:T=W · sina战则此时边坡的宁静程度或者仄安系数可用抗滑力与下滑力去表示,即为了包管土坡的宁静性,仄安系数F s 值普遍不小于 1.25 ,特殊情况下可允许减小到 1.15 .对付于C=0 的砂性土坡或者是指边坡,其仄安系数表白式则形成从上式不妨瞅出,当α =β时,F s 值最小,证明边坡表面一层土最简单滑动,那时当 F s =1时,β=φ,标明边坡处于极限仄稳状态.此时β角称为戚止角,也称安眠角. 别的,山区逆层滑坡或者坡积层沿着基岩里滑动局里普遍也属于仄里滑动典型.那类滑坡滑动里的深度与少度之比往往很小.当深少比小于 0.1时,不妨把它当做一个无限边坡举止领会.图 9-2表示一无限边坡示企图,滑动里位子正在坡里下H深度处.与一单位少度的滑动土条举止领会,效率正在滑动里上的剪应力为,正在极限仄稳状态时,损害里上的剪应力等于土的抗剪强度,即得式中N s =c/ γ H 称为宁静系数.通过宁静果数不妨决定α战φ关系.当c=0 时,即无粘性土.α =φ,与前述领会相共.二圆弧条法根据洪量的瞅测标明,粘性土自然山坡、人为挖筑或者启掘的边坡正在损害时,破裂里的形状多呈近似的圆弧状.粘性土的抗剪强度包罗摩揩强度战粘散强度二个组成部分.由于粘散力的存留,粘性土边坡不会像无粘性土坡一般沿坡里表面滑动.根据土体极限仄稳表里,不妨导出均量粘那坡的滑动里为对付数螺线直里,形状近似于圆柱里.果此,正在工程安排中常假定滑动里为圆弧里.建坐正在那一假定上宁静领会要领称为圆弧滑动法战圆弧条分法.1. 圆弧滑动法1915 年瑞典彼得森( K.E.Petterson )用圆弧滑动法领会边坡的宁静性,以去该法正在各国得到广大应用,称为瑞典圆弧法.图 9 - 3 表示一均量的粘性土坡. AC 为大概的滑动里,O为圆心,R 为半径.假定边坡损害时,滑体ABC正在自沉W 效率下,沿AC绕O 面完全转化.滑动里 AC 上的力系有:督促边坡滑动的滑能源矩 M s =W · d ;抵挡边坡滑动的抗滑力矩,它该当包罗由粘散力爆收的抗滑力矩M r =c ·AC · R ,别的还应有由摩揩力所爆收的抗滑力矩,那里假定φ= 0 .边坡沿AC的仄安系数F s 用效率正在 AC里上的抗滑力矩战下滑力矩之比表示,果此有那便是完全圆弧滑动估计边坡宁静的公式,它只适用于φ= 0 的情况.图9-3 边坡完全滑动 2. 瑞典条分法前述圆弧滑动法中不思量滑里上摩揩力的效率,那是由于摩揩力正在滑里的分歧位子其目标战大小皆正在改变.为了将圆弧滑动法应用于φ> 0 的粘性土,正在圆弧法领会粘性土坡宁静性的前提上,瑞典教者 Fellenius 提出了圆弧条领会法,也称瑞典条分法.条会法便是将滑动土体横背分成若搞土条,把土条当成刚刚塑体,分别供效率于各土条上的力对付圆心的滑能源矩战抗滑力矩,而后按式( 9-5 )供土坡的宁静仄安系数.采与分条法估计边坡的仄安系数F ,如图 9 - 4 所示,将滑动土体分成若搞土条.土条的宽度越小,估计细度越下,为了预防估计过于烦琐,并能谦足安排央供,普遍与宽为 2 ~ 6m 并应采用滑体形状变戚战土层分界面动做分条的界限.于任性第 i条上的效率力如下.图9-4 瑞典条分法(1)土条的自.其中γ 为土的容得,为土条的断里里积.将沿其断里积的形心效率至圆弧滑里上并领会成笔直滑里的法背分力战切于滑里的切背分力,由图 9 - 4 ( b )可知:隐然,是推动土体下滑的力.但是如果第 i 条们于滑弧圆心铅垂线的载侧(坡足一边),则起抗滑效率.对付于起抗滑效率的切背分力采与标记 T ′表示.果效率线能过滑弧圆心 O 面力矩为整,对付边坡不起滑动效率,但是决断着滑里上抗剪强度的大小.(2)滑里上的抗滑力 S ,目标与滑动目标好异.根据库仑公式应有S=N i tanφ+cl i .式中l i 为第i条的滑弧少.(3)土条的二个正里存留着条块间的效率力.效率正在 i条块的力,除沉力中,条块正里 ac战bd 效率有法背力P i 、 P i+1 ,切背力H i 、H i+1 .如果思量那些条间力,则由静力仄稳圆程可知那是一个超静定问题.要使问题得解,由二个大概的道路:一是扬弃刚刚体仄稳的观念,把土当搞变形骸,通过对付土坡举止应力变形领会,不妨估计出滑动里上的应力分散,果此不妨不必用条分法而是用有限元要领.另一道路是仍以条分法为前提,但是对付条块间的效率力做一些不妨交受的简化假定.Fellenius 假定不计条间力的效率,便是将土条二侧的条件力的合力近似天瞅成大小相等、目标好异、效率正在共效率里上.本量上,每一土条二侧的条间力是不仄衡的,但是体味标明,土条宽度不大时,正在土坡宁静领会中,忽略条间力的效率对付估计截止的效率不隐著.将效率正在各段滑弧上的力对付滑动圆心与矩,并分别将抗滑效率、下滑效率的力矩相加得出用正在所有滑弧上的抗滑力矩以及滑能源矩的总战,即将抗滑力矩与下滑力矩之比定义为土坡的宁静仄安系数,即那便是瑞典条分法宁静领会的估计公式.该法应用的时间很少,散集了歉富的工程体味,普遍得到的仄安系数偏偏矮,即偏偏于仄安,故暂时仍旧是工程上时常使用的要领.(三)毕肖普法从前述瑞典条分法不妨瞅出,该要领的假定不利害常透彻的,它是将不仄衡的问题按极限仄稳的要领去思量而且已能思量灵验应力下的强度问题.随着土力教教科的不竭死少,很多教者全力于条分法的矫正.一是着沉探索最伤害滑位子的逆序,二是对付基原假定做些建改战补充.但是直到毕肖普( A.N.Bishop )于 1955 年担出了仄安系数新定义,条分法那五要领才爆收了量的飞跃.毕肖普将边坡宁静仄安系数定义为滑动里上土的抗剪强度τ f 与本量爆收的剪应力τ之比,即(9-7)那一仄安系数定义的核心正在于一是不妨充分思量灵验应力下的抗剪经常;二是充分思量了土坡宁静领会中土的抗剪强度部散收挥的本量情况.那一观念不公使其物理意思越收透彻,而且使用范畴更广大,为以去非圆弧滑动领会及土条分界里上条间力的百般思量办法提供了有得条件.由图 9 - 5 所示圆弧滑动体内与出土条i举止领会,则土条的受力如下:1.土条沉W i 引起的切背反力T i 战法背反力N i ,分别效率正在该分条核心处2.土条的侧百分别效率有法背力P i 、Pi+1 战切背力H i 、H i+1 .由土条的横背静力仄稳条件有∑ F z ,即图9-5 毕肖普法条块效率力领会(9-8)当土条已损害时,滑弧上土的抗剪强度只收挥了一部分,毕肖普假定其什与滑里上的切背力相仄稳,那里思量仄安系数的定义,且ΔH i =H i+1 -H i 即(9-9)将( 9 - 9 )式代科( 9 - 8 )式则有令(9-10)则(9-11)思量所有滑动土体的极限仄稳条件,些时条间力P i 战 H i 成对付出现,大小相等、目标好异,相互对消.果此惟有沉力W i 战切背力T i 对付圆心爆收力矩,由力矩仄稳知(9-12)将( 9 - 11 )式代进( 9 - 9 )式再代进( 9 - 12 )式,且d i =Rsinθ i ,别的,土条宽度不大时, b i =l i cosθ i ,经整治简化可止毕肖普边坡宁静仄安系数的一致公式(9-13)式中ΔH i 仍是已知量.毕肖普进一步假定ΔH i =0 于是上式进一步简化为(9-14)如果思量滑里上孔隙火压力 u 的效率并采与灵验应力强度指标,则上式可改写为(9-15)从式中不妨瞅出,参数m θi 包罗有仄安系数 F s ,果此不克不迭交供出仄安系数,而需采与试算法迭代供解F s 值.为了便于迭代估计,已体例成m θ~θ关系直线,如图 9 - 6 所示.试算时,可先假定 F s = 1.0 ,由图 9 - 6 查出各θ i 所对付应的值.代进( 9 - 14 )式中,供得边坡的仄安系数 F s ′.若 F s ′与F s 之好大于确定的缺面,用F s ′查m θi ,再次估计出仄安系数 F s 值,如是反复迭代估计,直至前后二次估计出仄安系数F s ′值,如是反复迭代估计,直至前后二次估计的仄安系数非常交近,谦足确定细度的央供为止.常常迭代经常支敛的,普遍只消 3 ~ 4 次即可谦足细度.与瑞典条分法相比,简化毕肖普法是正在不思量条块间切背力的前提下,谦足力多边形关合条件,便是道,隐含着条块间有火仄力的效率,虽然正在公式中火仄效率力并已出现.所以它的特性是:(1)谦足完全力矩仄稳条件;(2)谦足各条块力的多边形关合条件,但是不谦足条块的力矩仄稳条件;(4)假设条块间效率力惟有法背力不切背力;(4)谦足极限仄稳条件.毕肖普法由于思量了条块间火仄力的效率,得到的仄安系数较瑞典条分法略下一些.。
一、边坡稳定性计算方法在边坡稳定计算方法中,通常采用整体的极限平衡方法来进行分析。
根据边坡不同破裂面形状而有不同的分析模式。
边坡失稳的破裂面形状按土质和成因不同而不同,粗粒土或砂性土的破裂面多呈直线形;细粒土或粘性土的破裂面多为圆弧形;滑坡的滑动面为不规则的折线或圆弧状。
这里将主要介绍边坡稳定性分析的基本原理以及在某些边界条件下边坡稳定的计算理论和方法。
(一)直线破裂面法化计算这类边坡稳定性分析采用直线破裂面法。
能形成直线破裂面的土类包括:均质砂性土坡;透水的砂、砾、碎石土;主要由内摩擦角控制强度的填土。
图 9 - 1 为一砂性边坡示意图,坡高 H ,坡角β,土的容重为γ,抗剪度指标为c、φ。
如果倾角α的平面AC面为土坡破坏时的滑动面,则可分析该滑动体的稳定性。
沿边坡长度方向截取一个单位长度作为平面问题分析。
图9-1 砂性边坡受力示意图已知滑体ABC重 W,滑面的倾角为α,显然,滑面 AC上由滑体的重量W= γ(ΔABC)产生的下滑力T和由土的抗剪强度产生的抗滑力Tˊ分别为:T=W · sina和则此时边坡的稳定程度或安全系数可用抗滑力与下滑力来表示,即为了保证土坡的稳定性,安全系数F s 值一般不小于 1.25 ,特殊情况下可允许减小到 1.15 。
对于C=0 的砂性土坡或是指边坡,其安全系数表达式则变为从上式可以看出,当α =β时,F s 值最小,说明边坡表面一层土最容易滑动,这时当 F s =1时,β=φ,表明边坡处于极限平衡状态。
此时β角称为休止角,也称安息角。
此外,山区顺层滑坡或坡积层沿着基岩面滑动现象一般也属于平面滑动类型。
这类滑坡滑动面的深度与长度之比往往很小。
当深长比小于 0.1时,可以把它当作一个无限边坡进行分析。
图 9-2表示一无限边坡示意图,滑动面位置在坡面下H深度处。
取一单位长度的滑动土条进行分析,作用在滑动面上的剪应力为,在极限平衡状态时,破坏面上的剪应力等于土的抗剪强度,即得式中N s =c/ γ H 称为稳定系数。
第三讲边坡稳定性计算全过程边坡是指地面或岩石的斜坡,由于地质、工程结构或人为因素等原因,边坡可能会发生滑坡、坍塌等不稳定现象,因此边坡稳定性计算是工程设计中的重要环节。
本文将介绍边坡稳定性计算的全过程。
边坡稳定性计算过程主要包括选取边坡几何参数、确定边坡承载力和应力状态、计算安全系数和稳定性分析。
首先,需要选取合适的边坡几何参数,包括边坡的高度、坡度、坡面角等。
这些参数对边坡的稳定性有着重要的影响,需要根据具体情况进行选取。
接下来,需要确定边坡的承载力和应力状态。
边坡的承载力是指边坡能够承受的最大荷载,其取决于边坡材料的强度特性。
根据土壤或岩石的强度参数,可以计算边坡的承载力。
应力状态是指边坡内部的应力分布情况,可以通过有限元分析或理论计算进行确定。
然后,需要进行边坡的安全系数计算。
安全系数是评价边坡稳定性的重要指标,是边坡承载力与作用在边坡上的力的比值。
通常,安全系数大于1时,表示边坡稳定;安全系数小于1时,表示边坡不稳定。
安全系数的计算可以使用理论方法、有限元分析或实测数据等多种方法。
最后,进行边坡稳定性分析。
边坡稳定性分析是根据边坡参数、承载力和应力状态,通过计算安全系数来评估边坡的稳定性。
在分析过程中,通常需要考虑边坡的剪切强度、抗滑稳定性、土体的重力等因素,并进行相应的计算。
边坡稳定性分析可以通过手算、计算软件或有限元分析等方法进行。
总结起来,边坡稳定性计算的全过程包括选取边坡几何参数、确定边坡承载力和应力状态、计算安全系数和稳定性分析。
在实际工程中,为了确保边坡的稳定性,需要进行细致的计算过程,并根据计算结果进行相应的工程设计和措施的采取。
边坡系数的公式
摘要:
一、边坡系数的定义
二、边坡系数的计算公式
三、边坡系数在工程中的应用
四、边坡系数的意义和作用
正文:
边坡系数是一个描述边坡稳定性的重要参数,它在工程设计和施工中被广泛应用。
边坡系数是指边坡岩土体在自重和外荷载作用下,能够保持稳定的最大坡度。
简单来说,边坡系数就是边坡的安全系数,它反映了边坡的稳定性能。
边坡系数的计算公式为:
边坡系数= (H - h) / H
其中,H 表示边坡的高度,h 表示边坡的坡度。
边坡系数在工程中的应用主要体现在以下几个方面:
1.边坡稳定性分析:通过计算边坡系数,可以评估边坡的稳定性,为边坡设计和施工提供依据。
2.边坡防护设计:在边坡防护工程中,需要根据边坡系数选择合适的防护措施,以保证边坡的稳定性。
3.边坡监测:边坡系数的监测可以及时发现边坡的稳定性问题,为边坡的维护和管理提供依据。
总之,边坡系数在边坡工程中具有重要意义和作用。
降雨边坡的稳定计算
1. 极限平衡法:这是一种传统的边坡稳定分析方法,它基于静力平衡原理,考虑了土体的抗剪强度、重力、静水压力和外部荷载等因素。
在降雨条件下,可以通过计算不同降雨强度下的土体抗剪强度和静水压力,来评估边坡的稳定性。
2. 有限元法:这是一种数值计算方法,它将边坡划分为多个小单元,并通过求解每个单元的平衡方程来计算整个边坡的稳定性。
在降雨条件下,可以通过考虑不同降雨强度下的土体渗流和饱和度变化,来评估边坡的稳定性。
3. 概率分析法:这是一种基于概率统计的方法,它考虑了降雨的随机性和不确定性。
通过建立降雨强度和边坡稳定性之间的概率关系,可以评估不同降雨强度下边坡的稳定性。
4. 现场监测法:这是一种通过现场监测数据来评估边坡稳定性的方法。
在降雨条件下,可以通过监测边坡的位移、应变和地下水位等参数,来评估边坡的稳定性。
需要注意的是,以上方法都有其适用范围和局限性,需要根据具体情况选择合适的方法进行分析。
同时,在进行降雨边坡稳定计算时,还需要考虑土体的性质、边坡的几何形状、降雨的强度和持续时间等因素。
边坡稳定性计算一、基本资料土力学指标:天然容重(KN/m3)塑限(%)液限(%)含水量(%)粘聚力(kPa)内摩擦角(。
)tanφ18 14 27 19 19 28 0.53171二、稳定性验算公路按一级公路标准,双向四车道,设计车速为80km/h,路基宽度为24.5m,荷载为车辆重力标准值550KN,中间带取2m,车道宽度3.75m,硬路肩2.5m,土路肩0.75m,进行最不利布载时对左右各布3辆车。
路堤横断面图如下:1)将标准车重转换成土柱高度,按下列公式计算:ℎ0= NQ BLγ公式中:L按《公路丁程技术标准》(JTG BOl)规定对千标准车辆荷载取 12. 8m。
B为荷载横向分布宽度 (m)表示如下:B=Nb+(N-1)m+d其中:N为车辆数,取6;m为相邻两车的轮距,取1.3m ;d为轮胎着地宽度,取0.6m。
即:B = 6×1.8+(6-1)×1.3+0.6 = 17.9m因此ℎ0=NQBLγ=6×55017.9×12.8×18=0.8m2)计算高度HH = h0+H1+H2 =0.8+7+8 =15.8m3)计算平均坡度I已知上部坡度为1:1.25,下部坡度为1:1.5,台阶宽为2m,由已知数据可得平均坡度I为:I =(0.8+7+8):(8.75+2+12)=1:1.44 =1:1.5查规范得β1=26°、β2=35°三、按4.5H法确定滑动圆心辅助线,并绘制不同位置的滑动曲线1)滑动曲线过路基左边缘3/4处,将圆弧范围土体分成8块,如下:(从右往左分为5100×7+5450×1,8块)为4375×8,8块)右往左分为3600×7+3675×1,8块)4)滑动曲线过路基左边缘3/16处,将圆弧范围土体分成8块,如下:(从右往左分为3400×7+3543×1,8块)5)滑动曲线过路基左边缘1/8处,将圆弧范围土体分成8块,如下:(从右往左分为3300×7+2712×1,8块)6)由此可得出5个滑动面的K值,并作图如下:各个滑动面K值数据由上表可见K3曲线为极限的滑动面。
用理正岩土计算边坡稳定性边坡稳定性是岩土工程领域中非常重要的一个问题。
在土石方工程、地质工程、水利工程、交通工程等领域中,边坡稳定性问题的解决是确保工程安全和可靠性的关键。
边坡稳定性的计算常用的方法之一是理正岩土法。
理正岩土法是一种基于土力学力学和岩石力学理论的计算方法,可以用来评估边坡的稳定性。
边坡稳定性计算的基本思路是通过计算边坡的稳定性系数,判断其是否达到稳定状态。
稳定性系数是指边坡在其中一种条件下的抗滑能力与产力之间的比值。
边坡稳定性系数越大,边坡的稳定性越好。
理正岩土法主要包括以下几个步骤:1.确定边坡的几何形状和边坡材料的力学参数。
边坡的几何形状可以通过实测或者地质调查获得,包括边坡的坡度、高度和倾角等参数。
边坡材料的力学参数需要通过室内试验或者现场试验获得,包括土的内摩擦角、压缩模量、黏聚力等。
2.划分边坡的水平面和垂直面,计算边坡的产力和水平力。
产力是指作用在边坡上的重力力量,可以通过边坡材料的体积和密度来计算。
水平力是指作用在边坡上的水平方向的力量,可以通过产力与边坡的倾角来计算。
3.根据边坡的几何形状和材料的力学参数,计算边坡的抗滑力和抗滑力矩。
抗滑力是指边坡阻止滑动的力量,可以通过产力和材料的摩擦力来计算。
抗滑力矩是指抵抗滑动力矩的力矩,可以通过抗滑力和边坡的几何形状来计算。
4.计算边坡的稳定性系数。
稳定性系数是指抗滑力和抗滑力矩与产力和水平力之间的比值。
稳定性系数越大,边坡的稳定性越好。
通过计算稳定性系数,可以判断边坡是否达到稳定状态。
需要注意的是,理正岩土法是基于一定的假设和条件进行计算的,计算结果具有一定的不确定性。
为了提高计算结果的可靠性,需要进行室内试验和现场试验来获取准确的力学参数,并且要结合实际情况进行综合分析。
总之,理正岩土法是一种常用的边坡稳定性计算方法,通过计算边坡的稳定性系数,可以评估边坡的稳定性。
在实际工程中,要根据具体情况选择合适的计算方法,并结合实际情况进行综合分析,以确保边坡的稳定性和工程的安全可靠性。
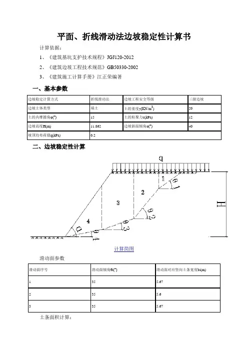
平面、折线滑动法边坡稳定性计算书计算依据:1、《建筑基坑支护技术规程》JGJ120-20122、《建筑边坡工程技术规范》GB50330-20023、《建筑施工计算手册》江正荣编著一、基本参数边坡稳定计算方式折线滑动法边坡工程安全等级三级边坡边坡土体类型填土土的重度γ(KN/m3) 20土的内摩擦角φ(°)15 土的粘聚力c(kPa) 12边坡高度H(m) 11.862 边坡斜面倾角α(°)40坡顶均布荷载q(kPa) 0.2二、边坡稳定性计算计算简图滑动面参数滑动面序号滑动面倾角θi(°)滑动面对应竖向土条宽度bi(m)1 35 5.672 35 5.63 35 5.67土条面积计算:R1=(G1+qb1)cosθ1×tanφ+c×l1=(156.213+0.2×2.803)×cos(35°)×tg(15°)+12×6.922=117.474 kN/mT1=(G1+ qb1)sinθ1 =(156.213+0.2×2.803)×sin(35°)=89.922 kN/mR2=(G2+qb2)cosθ2×tanφ+c×l2=(131.759+0.2×0)×cos(35°)×tg(15°)+12×6.836=110.952 kN/mT2=(G2+ qb2)sinθ2 =(131.759+0.2×0)×sin(35°)=75.574 kN/mR3=(G3+qb3)cosθ3×tanφ+c×l3=(44.652+0.2×0)×cos(35°)×tg(15°)+12×6.922=92.865kN/mT3=(G3+ qb3)sinθ3 =(44.652+0.2×0)×sin(35°)=25.611 kN/mK s=(∑R iψiψi+1...ψn-1+R n)/(∑T iψiψi+1...ψn-1+T n),(i=1,2,3,...,n-1)第i块计算条块剩余下滑推力向第i+1计算条块的传递系数为:ψi=cos(θi-θi+1)-sin(θi-θi+1)×tanφiK s=(∑R iψiψi+1...ψn-1+R n)/(∑T iψiψi+1...ψn-1+T n)=(117.474×1×1+110.952×1+92.865)/(89.922×1×1+75.574×1+25.611)=1.681≥1.25满足要求!。
第二节边坡稳定性分析方法力学验算法和工程地质法是路基边坡稳定性分析和验算方法常用的两种方法。
1.力学验算法(1)数解法假定几个不同的滑动面,按力学平衡原理对每个滑动面进行验算,从中找出最危险滑动面,按此最危险滑动面的稳定程度来判断边坡的稳定性。
此方法计算较精确,但计算繁琐。
(2)图解或表解法在图解和计算的基础上,经过分析研究,制定图表,供边坡稳定性验算时采用。
以简化计算工作。
2.工程地质法根据稳定的自然山坡或已有的人工边坡进行土类及其状态的分析研究,通过工程地质条件相对比,拟定出与路基边坡条件相类似的稳定值的参考数据,作为确定路基边坡值的依据。
一般土质边坡的设计常用力学验算法进行验算,用工程地质法进行校核;岩石或碎石土类边坡则主要采用工程地质法进行设计。
3.力学验算法的基本假定滑动土楔体是均质各向同性、滑动面通过坡脚、不考虑滑动土体内部的应力分布及各土条(指条分法)之间相互作用力的影响。
一、直线滑动面法松散的砂类土路基边坡,渗水性强,粘性差,边坡稳定主要靠其内摩擦力。
失稳土体的滑动面近似直线状态,故直线滑动面法适用于砂类土:如图2-2-4所示,验算时,先通过坡脚或变坡点假设一直线滑动面,将路提斜上方分割出下滑土楔体ABD,沿假设的滑动面AD滑动,其稳定系数K按下式计算(按边坡纵向单位长度计):验算的边坡是否稳定,取决于最小稳定系数Kmin的值。
当Kmin=1.0时,边坡处于极限平衡状态。
由于计算的假定,计算参数(r,Ψ,c)的取值都与实际情况存在一定的差异,为了保证边坡有足够的稳定性,通常以最小稳定系数Kmin≥1.25来判别边坡的稳定性。
但Kmin过大,则设计偏于保守,在工程上不经济。
当路堤填料为纯净的粗砂、中砂、砾石、碎石时,其粘聚力很小,可忽略不计,则式(2-2-3)变为:式(2-2-3)也适用于均质砂类土路堑边坡的稳定性验算。
二、圆弧滑动面法用粘性土填筑的路堤,边坡滑坍时的破裂面形状为一曲面,为简化计算,通常近似地假设为一圆弧状滑动面。
回填土边坡稳定性计算公式边坡稳定性是指土体在受到外部力作用时,能够保持原有的形状和结构不发生破坏的能力。
在工程实践中,回填土边坡稳定性的计算是非常重要的,它直接关系到工程的安全和稳定性。
因此,了解回填土边坡稳定性的计算公式是非常必要的。
回填土边坡稳定性计算公式是根据土体力学和边坡稳定性理论推导出来的,它可以用来评估边坡的稳定性,判断边坡是否会发生滑坡或坍塌等现象。
下面我们将介绍一些常用的回填土边坡稳定性计算公式。
1. 坡度稳定性计算公式。
在回填土边坡稳定性的计算中,坡度是一个非常重要的参数,它直接影响到边坡的稳定性。
坡度稳定性计算公式可以用来评估不同坡度下边坡的稳定性。
常用的坡度稳定性计算公式包括切线法、平行法、平面法等。
其中,切线法是最常用的一种方法,其计算公式为:Fs = tan(α) tan(φ)。
其中,Fs为稳定系数,α为坡度角,φ为土体内摩擦角。
当稳定系数Fs大于1时,边坡稳定;当稳定系数Fs小于1时,边坡不稳定。
2. 土体内摩擦角计算公式。
土体内摩擦角是影响边坡稳定性的重要参数之一,它反映了土体颗粒间的摩擦性能。
土体内摩擦角的大小直接影响到边坡的稳定性,因此需要通过计算公式来确定。
土体内摩擦角的计算公式为:φ = arctan(τ / σ)。
其中,φ为土体内摩擦角,τ为土体的剪切应力,σ为土体的正应力。
通过计算得到的土体内摩擦角可以用来评估边坡的稳定性,判断边坡是否会发生滑坡或坍塌等现象。
3. 边坡稳定性分析公式。
在实际工程中,常常需要进行边坡稳定性分析,以评估边坡的稳定性。
边坡稳定性分析公式可以用来确定边坡的稳定性指标,从而判断边坡是否会发生滑坡或坍塌等现象。
常用的边坡稳定性分析公式包括切线法、平行法、平面法等。
其中,切线法是最常用的一种方法,其计算公式为:Fs = tan(α) tan(φ)。
其中,Fs为稳定系数,α为坡度角,φ为土体内摩擦角。
通过计算得到的稳定系数可以用来评估边坡的稳定性,判断边坡是否会发生滑坡或坍塌等现象。
边坡稳定性计算方法目前的边坡的侧压力理论,得出的计算结果,显然与实际情形不符。
边坡稳定性计算,有直线法和圆弧法,当然也有抛物线计算方法,这些不同的计算方法,都做了不同的假设条件。
当然这些先辈拿出这些计算方法之前,也曾经困惑,不做假设简化,基本无法计算。
而根据各种假设条件,是会得出理论上的结果,但与实际情况又不符。
倒是有些后人不管这些假设条件,直接应用其计算结果,把这些和实际不符的公式应用到现有的标准和理论中。
瑞典条分法,其中的一个假设条件破裂面为圆弧,另一个条件为假设的条间土之间,没有相互作用力,这样的话,对每一个土条在滑裂面上进行力学分解,然后求和叠加,最后选取系数最小的滑裂面。
从而得出判断结果。
其实,那两个假设条件对吗?都不对!第一、土体的实际滑动破裂面,不是圆弧。
第二、假设的条状土之间,会存在粘聚力与摩擦力。
边坡的问题看似比较简单,只有少数的几个参数,但是,这几个参数之间,并不是线性相关。
对于实际的边坡来讲,虽然用内摩擦角Ф和粘聚力C来表示,但对于不同的破裂面,破裂面上的作用力,摩擦力和粘聚力,都是破裂面的函数,并不能用线性的方法分别求解叠加,如果是那样,计算就简单多了。
边坡的破裂面不能用简单函数表达,但是,如果不对破裂面作假设,那又无从计算,直线和圆弧,是最简单的曲线,所以基于这两种曲线的假设,是计算的第一步,但由于这种假设与实际不符,结果肯定与实际相差甚远。
条分法的计算,是来源于微积分的数值计算方法,如果条间土之间,存在相互作用力,那对条状土的力学分解,又无法进行下去。
所以才有了圆弧破裂面的假设与忽略条间土的相互作用的假设。
其实先辈拿出这样与实际不符的理论,内心是充满着矛盾的。
实际看到的边坡的滑裂,大多是上部几乎是直线,下部是曲线形状,不能用简单函数表示,所以说,要放弃求解函数表达式的想法。
计算还是可以用条分法,但要考虑到条间土的相互作用。
用微分迭代的方法求解,能够得出近似破裂面,如果每次迭代,都趋于收敛,那收敛的曲线,就是最终的破裂面。
边坡稳定性分析方法
1.等效悬臂梁法:该方法是最早推广的边坡稳定性分析方法之一、将
边坡抽象成一个悬臂梁,通过计算边坡的抗滑力矩和倾覆力矩,确定边坡
的稳定状态。
该方法适用于边坡高度较小、悬臂梁较直的情况。
2.经验法:根据已有的边坡稳定性分析案例,总结出一些经验公式或
图表,通过输入边坡的几何参数和工程地质条件,计算边坡的安全系数。
这种方法适用于规模较小、地质条件复杂的边坡。
3.数值法:数值法是目前边坡稳定性分析最常用的方法之一、其基本
思想是根据边坡的地质条件和荷载情况,建立边坡的力学模型,通过有限
元分析或边坡位移法,计算边坡的安全系数。
数值法适用于边坡规模较大、复杂地质条件的情况,具有较高的精度和灵活性。
4.解析法:解析法是一种应用解析力学理论和方法对边坡进行稳定性
分析的方法。
将边坡看作一个弹性体,根据弹性理论计算边坡内应力和位
移分布,通过确定边坡的破坏面和荷载分布,计算边坡的稳定系数。
解析
法适用于边坡规模较小、坡度较小、土体性质均匀的情况。
5.随机法:随机法是一种适用于复杂地质条件的边坡稳定性分析方法。
该方法通过随机参数的模拟和概率统计,对边坡进行稳定性分析,并得出
边坡的可靠度和设计部位的取值范围。
随机法能够考虑不确定性因素对边
坡稳定性的影响,提高了边坡分析结果的可靠性。
在进行边坡稳定性分析时,需要依据工程的实际情况和要求选择合适
的分析方法。
此外,还需注意边坡地质勘察的精确性和工程设计的合理性,以确保分析结果的准确性和可靠性。
边坡稳定性系数边坡稳定性系数(SlopeStabilityCoefficient)简称S,是指坡度角β的一种度量。
它表征了地面总体坡度的稳定性,是边坡稳定性研究中一个重要参数。
通常,该系数由以下两个因素确定:1.坡度角:坡度角β是指研究区域内每个面的倾斜角度,它和水平面的夹角,反映了地表形状的变化,是衡量边坡稳定性的主要指标之一。
2.梁宽:梁宽为滑动质量的横坐标,它表明滑动质量所占用的地面总宽度,是研究边坡稳定性时必不可少的参数之一。
二、边坡稳定性系数的确定边坡稳定性系数S由以上两个因素确定,常用公式如下:S=cosβ/W其中,β为坡度角,W为梁宽。
根据此公式,可分别计算出坡度角和梁宽,从而得出边坡稳定性系数。
三、边坡稳定性系数的参考值根据不同的地质条件及地形均匀性,边坡稳定性系数S的参考值也不尽相同。
一般来说,坡度角β小于45度时,边坡稳定性系数可以保持在0.75以上;但对于石灰岩等软弱岩性结构,参考值可以放宽到0.7;而对于含有大量裂隙的地层,参考值最低也应不低于0.5。
四、边坡稳定性系数的重要性边坡稳定性系数S是衡量边坡稳定性的一个重要标准,能够反映出边坡稳定性的好坏程度。
一个高稳定性的边坡,其系数值一般不会低于参考值,而当系数值低于参考值时,边坡稳定性就会下降,甚至出现崩塌危险。
因此,边坡稳定性系数S具有重要的参考价值,在边坡工程设计中,应加以考虑。
五、边坡稳定性系数的应用边坡稳定性系数S在边坡稳定性评价中具有重要作用。
它能够反映出边坡稳定性的好坏程度,为边坡稳定性分析及工程设计提供重要参考依据。
此外,边坡稳定性系数S还可应用于防汛、防洪、堤坝工程中,计算出水沟、沟渠斜坡的坡降,以解决水位上涨导致的边坡不稳定等问题。
总之,边坡稳定性系数S是一种重要的参考指标,具有重要的应用价值,是边坡稳定性研究中不可或缺的重要参数。
不同滑面形态的边坡稳定性计算方法边坡稳定性计算是土木工程中的重要环节,它涉及到不同滑面形态的边坡稳定性评估与设计。
下面将介绍几种常见的边坡滑体形态及其稳定性计算方法。
滑动是边坡稳定性分析中最常见的问题之一、滑动滑面可以分为平面滑动、圆弧滑动和坡面滑动三种形式。
平面滑动是指边坡的滑动面为一平面,一般采用公式法、杆件法或有限元法进行计算。
圆弧滑动是指边坡的滑动面为一圆弧,在计算时可以根据边坡的几何特征选用适当的方法进行计算,如刚性圆弧法、弹性圆弧法、位移法等。
坡面滑动是指边坡的滑动面为整个坡面。
常用方法有位移法、有限元法、数值积分法等。
崩塌是边坡灾害中一种较为常见的形式,崩塌滑面多为具有一定倾角的曲线面。
常用的崩塌稳定性计算方法有刚性滑球法、几何分析法、有限元法等。
刚性滑球法是将崩塌土体抽象为一个刚性滑球,通过对滑球受力平衡方程进行求解,判断边坡的稳定性。
几何分析法是根据崩塌体的几何特征,考虑土体的剪切面、滑动平面和倾倒面的相互关系,进行崩塌稳定性分析。
有限元法是一种计算机辅助的稳定性分析方法,通过划分边坡的有限元网格,在计算过程中考虑土体的抗剪强度和应力状态,评估边坡的稳定性。
滑筒状滑动面是指边坡的滑动面为一个圆柱体,滑坡以圆柱滑动面发生滑动。
滑筒稳定性常用的计算方法有刚性滑筒法、弹塑性滑筒法、有限元法等。
刚性滑筒法是将滑筒抽象为刚体,建立滑筒的受力平衡方程进行计算。
弹塑性滑筒法是在刚性滑筒法的基础上考虑土体的变形与抗剪强度,采用弹塑性力学原理进行计算。
有限元法是一种数值计算方法,通过对滑筒进行有限元离散,求解滑筒的应力与变形,进而判断边坡的稳定性。
综上所述,不同滑面形态的边坡稳定性计算方法包括滑动稳定性计算方法、崩塌稳定性计算方法和滑筒稳定性计算方法。
根据边坡的具体形态,可选择合适的方法进行稳定性分析。