温度二次仪表技术报告2014改后的
- 格式:doc
- 大小:427.50 KB
- 文档页数:17
2024年热工技术监督实施细则1目的规范热工技术监督管理行为,理顺热工技术监督工作关系,确保发电设备安全、经济运行。
2适用范围本细则适用于芜湖发电有限责任公司热工技术监督管理。
3规定和程序3.1总则3.1.1热工技术监督工作遵循的原则3.1.1.1热工技术监督工作应认真贯彻“安全第一,预防为主”的方针,并实行技术责任制。
要从设计审查、设备选型、安装、调试、试生产到运行、停用、检修和技术改造的全过程实施技术监督。
3.1.1.2热工技术监督工作以质量为中心,以标准为依据,以计量为手段,建立质量、标准、计量三位一体的技术监督体系。
3.1.1.3热工技术监督工作要依靠技术进步,采用和推广成熟、行之有效的新技术、新方法,不断提高技术监督的专业水平。
3.1.1.4热工技术监督的主要任务是通过对热工仪表及控制装置进行正确的系统设计、设备选型、安装调试、维护、检修、检定、调整、技术改造和技术管理等工作,保证热控设备完好与正确可靠工作。
3.2监督的范围和内容3.2.1监督范围3.2.1.1热工参数检测、显示、记录系统;3.2.1.2模拟量控制系统;3.2.1.3保护联锁及工艺信号系统;3.2.1.4顺序控制系统;3.2.1.5锅炉炉膛安全监控系统;3.2.1.6汽轮机控制系统;3.2.1.7电气控制系统;3.2.1.8电厂辅助控制系统(如脱硫、除灰、化水、输煤等);3.2.1.9计量标准器具和装置。
3.2.2监督内容3.2.2.1检测元件(温度、压力、流量、转速、振动、物位、火焰等物理量的一次传感器);3.2.2.2脉冲管(一次阀门后的管路及阀门等);3.2.2.3二次线路(补偿导线、补偿盒、热工仪表及控制装置的电缆、电缆槽架、支架、二次接线盒及端子排等);3.2.2.4二次仪表(指示、记录仪表、累计仪表、数据采集装置、操作开关或按钮等);3.2.2.5保护联锁及工艺信号设备(保护或联锁设备、信号灯及音响装置等);3.2.2.6控制系统电源、仪表气源,控制系统接地的监测;3.2.2.7控制系统驱动装置(电磁阀、气动、电动、液压执行机构等);3.____分散控制系统硬件(控制器、I/O、通讯、电源模件、SOE、操作员站、打印机等);3.____分散控制系统系统软件(操作系统、支撑软件、应用软件);3.2.2.10计量标准器具及装置。
计量标准技术报告
计量标准名称温度二次仪表检定装置计量标准负责人冯世伟
建标单位名称(公章) 句容市计量所
填写日期2009年9月
目录
一、建立计量标准的目的………………………………………………( 1 )
二、计量标准的工作原理及其组成……………………………………( 1 )
三、计量标准器及主要配套设备………………………………………( 2 )
四、计量标准的主要技术指标…………………………………………( 3 )
五、环境条件……………………………………………………………( 3 )
六、计量标准的量值溯源和传递框图…………………………………( 4 )
七、计量标准的重复性试验……………………………………………( 5 )
八、计量标准的稳定性考核……………………………………………( 6 )
九、检定或校准结果的测量不确定度评定……………………………( 7~9 )
十、检定或校准结果的验证……………………………………………( 10 ) 十一、结论………………………………………………………………( 11 ) 十二、附加说明…………………………………………………………( 11 )。
计量标准技术报告计量标准名称计量标准负责人建标单位名称(公章)填写日期目录一、建立计量标准的目的……………………………………………………( )二、计量标准的工作原理及其组成…………………………………()三、计量标准器及主要配套设备………………………………………( )四、计量标准的主要技术指标………………………………………()五、环境条件……………………………………………………………( )六、计量标准的量值溯源和传递框图………………………………………( )七、计量标准的重复性试验………………………………………………( )八、计量标准的稳定性考核…………………………………………………( )九、检定或校准结果的测量不确定度评定…………………………………( )十、检定或校准结果的验证…………………………………………………( ) 十一、结论……………………………………………………………………( ) 十二、附加说明………………………………………………………………( )七、计量标准的重复性试验取一台数字温度指示仪表(配K型电偶)精度为0.5级做被测对象,对其在600℃检定点上进行连续测量10次,结果如下:序号测量值X(mV)u i = x i-u i21 24.900 -0.007 0.0000492 24.9100.003 0.0000093 24.9100.003 0.0000094 24.904--0.003 0.0000095 24.905-0.002 0.0000046 24.9120.005 0.0000257 24.9120.005 0.0000258 24.9080.001 0.0000019 24.903-0.004 0.00001610 24.9080.001 0.000001 24.907 ()()112--=∑=nxxxsnii= 0.004该计量标准的测量重复性S = 0.004mV,符合技术要求。
计量标准技术报告计量标准名称温度二次仪表检定装置计量标准负责人建标单位名称填写日期目录一、建立计量标准的目的…………………………………………………( 3 )二、计量标准的工作原理及其组成………………………………………( 3 )三、计量标准器及主要配套设备…………………………………………( 4 )四、计量标准的主要技术指标……………………………………………( 5 )五、环境条件………………………………………………………………( 5 )六、计量标准的量值溯源和传递框图……………………………………( 6 )七、计量标准的稳定性试验………………………………………………(7 )八、检定或校准结果的重复性试验………………………………………(8 )九、检定或校准结果的不确定度评定………………………………(9 )十、检定或校准结果的验证………………………………………………(17 )十一、结论…………………………………………………………………(18 )十二、附加说明……………………………………………………………(18 )注:应当提供《检定或校准结果的重复性试验记录》。
九、检定或校准结果的测量不确定度评定配热电偶数字温度指示调节仪检定装置示值误差测量不确定度评定1 概述1.1 测量依据:JJG617-1996《数字温度指示调节仪检定规程》,按其中“输入基准法”进行测量。
1.2 测量环境:温度(20±5)℃;相对湿度45%~75%RH 。
1.3 测量标准:特稳携式检验仪,不确定度U rel =1×10-4, k =2。
1.4 被测对象: 配热电阻数字温度指示调节调节仪(可简称“仪表”),型号:SWP-D90,测量范围(-200~1300)℃,准确度等级为0.5级,仪表最小分辨率为1℃。
1.5 测量过程通过特稳携式检验仪输出温度值,采用直接比对法检定数字温度调节仪的示值误差,以配K 型热电偶数字温度指示调节调节仪为例,以1300℃为例,进行测量不确定度评定。
浅析温度二次仪表自动化校准系统关键词:温度二次仪表;自动化;校准系统引言温度二次仪表是一种工业温度计量检测工具,在检测过程中能实现参数变化可视化,因此在多个行业中都有较为深入的应用。
温度二次仪表的质量对于测温、控制等影响极大,如果测量数据不准确,产生较大的误差,会造成大量的不合格产品。
因此,优化温度二次仪表自动化校准系统,并结合现代信息技术,全面提升计量效率,是当前计量校准行业亟待解决的问题之一。
1当前温度二次仪表计量校准的不足20世纪90年代中期至后期,中国开始测试和校准温度二次仪表。
最初校准水平相对较低。
随着时间的发展和电子数字测控设备的应用,校准的精度和自动化得到了提高。
但是,这种校准方法仍然主要依靠低效率的说话和运动。
手动标定检测首先必须确定标准信号源,通常通过直流电阻箱和直流电位差实现。
然后由传感器模拟电气信号,手动设置默认信号源设备,并依次测量每个识别点的电气数量值。
将二级测温仪显示的温度值记录为原始数据。
最后,通过手动计算方法减少或消除误差,并对校准结果进行评价。
由于整个过程是手动操作的,因此监工的干扰因素很多,如原始记录的繁琐记录、工作效率低、校准精度差,校准结果中主观成分过多,导致了一定的误差。
伴随着社会的发展,二次温度仪器在工业生产中的应用越来越多,测量校准的重要性也越来越大。
传统液体温度计逐渐被新的数字温度计所取代。
为了准确校准二次测温设备,许多制造商也加强了这方面的研究,努力实现半自动校准方法或校准系统。
首先手工进行测量校准,然后用计算机分析采集的数据。
与传统的手动校准方法相比,校准自动化程度有一定程度的提高。
但是,由于这种校准系统的可扩展性较差,系统功能相对简单,仍然难以有效地捕获大量原始数据,因此在实际使用中存在诸多不便。
在这种情况下,还需要不断提高温度二次仪表测量校准的自动化程度,不断提高校准水平。
2温度二次仪表自动化校准系统探究2.1标准器标准器在本系统设计中也起着重要的作用,主要功能为稳定地提供标准电量值,并输入到二次仪表内。
二次仪表通用技术参数输入输出信号二次仪表定义: 接受由变送器、转换器、传感器(包括热电偶、热电阻)等送来的电或气信号,并指示所检测的过程工艺参数量值的仪表二次仪表通用技术参数一.主要电性能参数1. 正常工作条件:1.1 使用电源:默认值220V±10% 50HZ±5% ;功耗约5W(高可靠TM电源)(开关电源型90~260V 50~60HZ 功耗约5W)可定制使用AC380V DC24V等电源规格的品种)1.2 环境温度:0~50℃1.3 环境湿度: ≤85%RH1.4 大气条件:无腐蚀性气体或粉尘的场合1.5 外磁场: ≤400A/m2. 与测量有关的参数:2.1 数显式仪表显示码:0~99、-199~999、-1999~1999、-199.9~399.9、-199.9~999.9、-150.00~399.99、-100.000~499.999等可选2.2 数显式仪表基本误差:≤±(1%F.S+1d)、≤±(0.05%F.S+1d)、≤±(0.2%F.S+1d)、≤±(0.05%F.S+2d)等可选2.3 磁电系仪表基本误差:≤±1.5%F.S 、≤±2.5%F.S可选2.4 24小时示值飘移: ≤±(0.3×基本误差限)2.5 输入串模干扰影响: ≤±0.5×基本误差2.6 输入共模干扰影响: ≤±0.5×基本误差2.7 温度系数:在0℃~50℃范围内偏离20℃±2℃时≤(0.05×基本误差限)/ ℃2.8 热电偶冷端补偿范围: 0℃~50℃2.9 热电偶冷端补偿误差: ≤±1℃、≤±2℃可选3. 与控制输出有关的参数3.1 继电器触电输出:AC250V/5A(阻性负载)或AC250V/5A(感性负载)3.2 驱动可控硅脉冲输出:幅度≧3V,宽度≧40us的移相或过零触发脉冲3.3 驱动固态继电器信号输出:驱动电流≧15Ma 电压≧9V3.4 内装可控硅输出:600V/1A(仅供用于可控硅阳极触发)3.5 模拟量输出:0~10Ma (负载≤1KΩ); 4~20Ma (负载≤500Ω)0~5V (负载≧100KΩ); 1~5V(负载≧100KΩ)3.6 声报警输出:频率为2300Hz的断续声,讯响器声压约80Db/10mm4. 与附加输出有关的参数:4.1 馈电输出:DC 5V±5%、12V±5%、24V±5%(负载电流≤30Ma)4.2 变送模拟信号输出:4.2.1 输出电压:DC 0~1V、0~2V、0~5V、1~5V、0~10V等4.2.2 输出电流:DC 0~10Ma 、4~20Ma等4.2.3 变送信号非线性校准误差: ≤±0.2%F.S、≤±0.5%F.S、≤±1%F.S可选4 .2.4 变送输出幅度误差: ≤±0.2%F.S除非申明,输入信号与变送输出的模拟信号之间不作直流隔离4.3 通讯输出:RS-232或RS-485 ;5. 与调节有关的参数:5.1 设定点偏差:模拟处理的数显仪表≤±2d5.2 设定误差:刻度盘或拨码设置的仪表≤±1%F.S; ≤±1.5%F.S可选5.3 可设置范围:刻度盘或拨码设置的仪表≧1~100%F.S模拟处理式数显仪表≧1~100%F.S数字处理式仪表≧1~100%F.S5.4 回差:模拟处理的仪表≤0.5×基本误差;数字处理的仪表0.2~20间可调5.5 周期时间:模拟式时间比例控制仪表40s±10s数字处理式仪表等周期时25s±5s驱动固态继电器及可控硅2s±0.5s5.6 PID调节仪表出厂参数设置值:P=5%;I=210s D=30s6. 与报警有关的参数6.1 跟随式上限报警值:控制值+(4%~6%F.S)(默认)6.2 跟随式下限报警值:控制值-(4%~6%F.S)(默认)6.3 报警值可设置时的范围: ≧1~100%F.S6.4 报警回差:模拟处理的仪表≤1.5%F.S;数字处理的仪表为1d67. 其他:7.1数据断电保护时间:使用E2PROM时超过十年,使用内置电池时间说明书7.2 重量:0.1KG---1.0KG二. 输入信号及范围输入名称分度号测量范围(℃)热电偶镍铬- 铜镍 E 0~200;0~300; 0~400; 0~600镍铬-镍硅K 0~300;0~400; 0~800; 0~1300铂铑10-铂S 0~1600;700~1600铜-铜镍T -200~50;0~200; 0~300; 0~400铁-铜镍J 0~300;0~500; 0~800铂铑30-铂铑6 B 400~1800;700~1800铂铑13-铂铑R 0~1800;700~1800钨铼3-钨铼25 WRe3-WRe25 0~2300热电阻铜电阻Cu50 0~50.0;0~99.9;0~150;-150.0~150.0铜电阻Cu100 0~50.0;0~99.9;0~150;-150.0~150.0铂电阻Pt100 0~99.9;0~199.9;0~300;-50.0~50.0;-200~600;0~399.9;0~399.99;-100.000~300.000铂电阻Pt1000 0~99.9;0~199.9;0~300;-50~400WFT-202 辐射感温器F2 700~2000AD590类半导体传感器PN -50~5002.其他输入信号:以电压、电流、电阻、频率、无源触点、相位差等作输入信号,可以用压力、流量、湿度、物位、液位、重量、溶氧、PH值、糖度、酸碱度等作计量单位.输入名称单位输入范围电压mV 0~20 Mv;0~50 mV, 0~100 mV;与霍尔、湿度传感器等配套电压V 0~5V(与DDZ-Ⅱ等配套);1~5V(与DDZ-Ⅲ等配套)电流mA 0~10Ma(DDZ-Ⅱ等配套); 4~20Ma(DDZ-Ⅲ等配套) 电阻30~350Ω与YTZ-150等远传压力变送器配套频率 F 0~10KHZ; 0~20KHZ; 0~50KHZ;*~100KHZ等无源触点K ON OFF用户指定/。
浅析温度二次仪表的自动化校准发表时间:2018-10-01T16:30:54.080Z 来源:《基层建设》2018年第24期作者:许超[导读] 摘要:随着我国社会经济的发展进步,尤其是科学技术的发展进步,使得我国的温度二次仪表的自动化校准技术与过去相比较出现了较大的发展,但是与西方发达国家相比,我国温度二次仪表的自动化校准还存在着较多的问题,所以本文主要是针对我国温度二次仪表的自动化校准出现的问题进行分析研究,针对存在的问题提出改进的措施,使得我国温度二次仪表的自动化校准满足社会实际工作的需要。
身份证号码:32028219870802xxxx摘要:随着我国社会经济的发展进步,尤其是科学技术的发展进步,使得我国的温度二次仪表的自动化校准技术与过去相比较出现了较大的发展,但是与西方发达国家相比,我国温度二次仪表的自动化校准还存在着较多的问题,所以本文主要是针对我国温度二次仪表的自动化校准出现的问题进行分析研究,针对存在的问题提出改进的措施,使得我国温度二次仪表的自动化校准满足社会实际工作的需要。
关键词:温度;二次仪表;自动化;校准一.温度二次仪表概述。
我们所说的温度二次仪表其实是一种就是手传感器电信号,并且在这个过程中指示出其所测量出的一些参数量值的一种仪表设备。
由于温度二次仪表在我国各个行业中发挥着胡重要的作用,所以这就使得其在我国社会中的应用是比较普遍的。
我们在应用温度二次仪表的过程中,由于其工作性能的好坏对测量的温度以及控制等各个方面的情况有着重要的影响,甚至严重的时候还可以大大的降低产品的质量,所以我们需要定时定期的对温度二次仪表的自动化校准进行检查,一旦出现问题我们就可以及时的采取措施,改进温度二次仪表自动化校准,使之符合我国社会社会各个方面的实际工作需求。
二.存在的问题分析。
我国温度二次仪表检测校准的发展是比较晚的,大约起步于20世纪90年代的中后期,经过近几十年的发展,虽然出现了一些数字式和电子式的温度计量检测校准设备,但是在实际应用的过程中,计量的校准方法还主要是以手工操作为主。
温度二次仪表校准方法的改进探究发布时间:2023-02-02T07:38:24.776Z 来源:《科学与技术》2022年18期作者:杨帆[导读] 温度二次仪表是一种用于接收温度传感器输出的电信号,杨帆中国石油天然气股份有限公司抚顺石化分公司烯烃厂摘要:温度二次仪表是一种用于接收温度传感器输出的电信号,并对信号进行处理后显示出所测温度值的仪表。
目前针对温度二次仪表校准的主要技术依据为JJG617-1996《数字温度指示调节仪检定规程》,使用标准器模拟输出各种电信号对仪表进行校准。
其中模拟热电偶信号进行校准时,由于热电偶产生的热电势信号对应的分度表是基于冷端温度为0℃制定的,所以在对此类二次仪表进行校准时,需要将导线引入冰瓶以消除仪表冷端补偿的影响。
由于规程制定时间较长,目前大部分计量机构都配置了高精度智能温度校验仪作为温度二次仪表校准的主标准器,此类标准器可以自动测量或手动设置冷端补偿温度,校准时与被校仪表直接连接。
关键词:温度二次仪表;校准方法;改进引言二次测温仪是一种工业测温工具,可用于查看检测过程中参数的变化,从而在多个行业中得到更深入的应用。
二次测温仪器的质量对测温、控制等有很大影响如果测量数据不准确,就会出现很大的误差,会造成大量不合格品。
因此,优化二次测温仪自动校准系统,结合现代信息技术全面提高测量效率,是需要解决的问题之一。
1依据规程方法进行校准依据规程提供的方法进行校准,使用标准直流电压源输出标准电势信号,通过在冰槽内与补偿导线相连,接入被校仪表。
为更为直观的显示误差分析过程,现举实例进行说明,设校准点为1000℃,K型热电偶信号,输出热电势表示为E(1000,0),用标准铂电阻温度计实测冰槽接线点位置温度为0.011℃,标准铂电阻温度计实测环境温度为21.135℃,则接入冰槽和被校仪表之间的补偿导线所产生的热电势为E(0.011,21.135),设仪表内部补偿测温为21.35℃,则仪表自动补偿电势值为E(21.35,0),根据热电偶中间温度定律,被校仪表实际接收到的电势值为:由式(1)可以得出,实际影响被校仪表显示误差的因素为后两项:E(21.135,0.011)、E(21.35,0),理想状态下,冰槽温度为0℃,环境温度与被校仪表内部补偿温度一致,因此两项抵消,而在实际工作中,此因素成为校准误差的主要影响量。
温度二次仪表的自动化校准研究摘要:我国的自动化计量检测技术发展起步很晚,特别是对比于欧美等发达国家就显现出了明显的差距。
我国目前的自动化校准主要是运用电子式和数字式等设备。
在实际工作中目前现有的自动化计量检测技术还无法满足工作或研究需要,还有很大一段的提升进步空间。
本文首先针对于目前我国的温度二次仪表检测校准情况进行简要介绍,然后描述目前我国自动化计量检测技术存在的缺点或不足之处,在这种情况下出现的温度二次仪表自动化校准系统的工作原理以及优缺点,最后进行系统的实际运行检验,根据相应的检验结果对本文进行总结。
关键字:温度二次仪表,自动化校准,计量检测温度测量的发展大大带动了很多工业、农业的发展,温度计量是检测化工或建筑行业质量和品质的金标准,是无可替代的检测方法。
由于目前很多的计量工作通常都是由传统的人工进行操作,所以温度测量的精准性就会因人而异产生些许误差,同时也说明温度测量的精确性就至关重要了。
我国的自动化计量检测技术发展起步很晚,特别是对比于欧美等发达国家就显现出了明显的差距。
我国在计量检测领域、温度计量行业,技术经历了传统机械式、模拟式设备的第一代和电子式、数字式设备的第二代革新,但是对比于国外的先进技术,我们的现有校准方法依然十分落后。
目前的计量检测技术需要全程的全手工式操作。
一、简介我国的温度二次仪表检测校准包含热电阻和热电偶的温度传感器是温度一次仪表。
温度一次仪表是直接将所测的温度值转换为对应的电量值如热电势或电阻值。
温度一次仪表校准只能通过人工来进行标准信号源设备的调整,而且通过手工记录的原始数据进行一系列复杂繁琐的计算得出最终结果。
这种校准方法需要大量的人力成本投入而且手工操作计算出现误差的概率很大,对于校准工作来说效率比较低,干扰因素比较多,校准精确不够精确。
在20世纪90年代的中后期,一些先进的欧美等发达国家开始了基于虚拟仪器的温度二次仪表检测系统的研发和使用,与此同时计算机的发展也达到了一个前所未有的高度,在这种大的历史需求条件和技术发展前沿的环境下,我国开始研究研发温度二次仪表检测校准。
计量标准技术报告
计量标准名称
计量标准负责人
建标单位名称(公章)
填写日期
目录
一、建立计量标准的目的……………………………………………………( )
二、计量标准的工作原理及其组成…………………………………()
三、计量标准器及主要配套设备………………………………………( )
四、计量标准的主要技术指标………………………………………()
五、环境条件……………………………………………………………( )
六、计量标准的量值溯源和传递框图………………………………………( )
七、计量标准的重复性试验………………………………………………( )
八、计量标准的稳定性考核…………………………………………………( )
九、检定或校准结果的测量不确定度评定…………………………………( )
十、检定或校准结果的验证…………………………………………………( ) 十一、结论……………………………………………………………………( ) 十二、附加说明………………………………………………………………( )
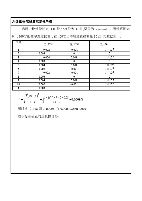
七、计量标准的重复性试验
取一台数字温度指示仪表(配K型电偶)精度为0.5级做被测对象,对其在600℃检定点上进行连续测量10次,结果如下:
序号测量值X(mV)u i = x i-u i2
1 24.900 -0.007 0.000049
2 24.910
0.003 0.000009
3 24.910
0.003 0.000009
4 24.904
--0.003 0.000009
5 24.905
-0.002 0.000004
6 24.912
0.005 0.000025
7 24.912
0.005 0.000025
8 24.908
0.001 0.000001
9 24.903
-0.004 0.000016
10 24.908
0.001 0.000001 24.907 ()
()
1
1
2
-
-
=
∑
=
n
x
x
x
s
n
i
i
= 0.004
该计量标准的测量重复性S = 0.004mV,符合技术要求。
数字温度指示调节仪(配热电偶)示值误差测量结果的不确定度评定
1、 概述
1.1测量依据:JJG617-1996数字温度指示调节仪检定规程。
1.2测量环境:温度(20±2)℃,相对湿度(45-75)%RH 。
1.3测量标准: ConST316多功能校验仪。
1.4被测对象:本次评定的对象是分辨力为0.1 ℃的仪表,规格为K 型,测量范围(0~1000)℃,准确度等级为0.5级。
1.5测量方法:按JJG617-1996中“输入基准法”进行测量。
1.6 评定结果的使用:符合上述条件的测量结果,一般可参照使用本不确定度评定。
2、数字模型 b t e t t i t A s d t
±⎥⎦⎤
⎢⎣
⎡⎪⎭⎫ ⎝⎛∆∆+-=∆/
式中:t ∆----仪表的示值误差; b ----仪表的分辨力 s
t
----标准器电阻示值对应的温度值
d
t
----仪表的显示值; e ----补偿导线的修正值
3、各输入量的标准不确定度分量的评定 3.1、A 类标准不确定度分量1u
用“输入基准法”测量时,在500℃检定点上进行连续测量10次。
得到一组测量列,测量数据列于下表:
序 号
测量值X (mV )
u i = x i - u i 2 1 20.610 -0.003 0.000009 2 20.646 0.033 0.001089 3 20.596 0.017 0.000289 4 20.646 0.033 0.001089 5 20.648 0.035 0.001225 6 20.600 -0.013 0.000169 7 20.594 -0.019 0.000361 8 20.610 -0.003 0.000009 9 20.594 -0.019 0.000361 10 20.589 -0.024 0.000576
∑ 206.133
20.613。