基坑工程安全检查表
- 格式:docx
- 大小:44.69 KB
- 文档页数:2
基坑开挖支护安全检查表验收意见
基坑开挖是建筑施工中的重要环节,为确保施工质量与安全,需要进行支护安全检查表的验收。
根据相关法律法规和规范,以下是一份常见的基坑开挖支护安全检查表验收意见,供参考:
1. 基坑开挖支护结构的设计符合相关规范和要求,支护形式、材料、尺寸等满足稳定和安全要求。
2. 基坑开挖过程中,支护结构施工符合设计要求和技术规范,采用的材料符合质量标准。
3. 基坑开挖过程中,临时支撑措施合理,承重性能良好,支撑构件与地下管线、设备等没有干扰或冲击。
4. 基坑周边的排水系统完善,有效地控制了基坑内外的水分。
5. 基坑开挖过程中,工地周边的安全警示标志、围栏等设施完好,能够防止人员和交通工具误入危险区域。
6. 基坑开挖施工期间,施工现场有专职安全员进行安全检查和监督,施工人员配备了必要的个人防护装备。
7. 基坑开挖施工期间,有防护措施和预案,能够应对突发事件和紧急情况。
8. 基坑开挖施工期间,定期进行安全教育和技术培训,提高工作人员的安全意识和技能。
请注意,以上是一份常见的基坑开挖支护安全检查表验收意见,具体情况还需根据实际工程来进行具体的检查和评估。
在验收过程中,应当严格按照法律法规和相关规范要求进行操作,并由专业人员进行评估和判断。
基坑安全状态监测表(样表)
1. 监测日期:YYYY年MM月DD日
- 基坑工程名称:
- 监测地点:
- 监测单位:
- 监测人员:
2. 基坑工程概况
- 工程类型:
- 工程规模:
- 工程进度:
- 工程地质情况:
- 工程设计要求:
4. 监测结果评价
根据监测数据的情况,对基坑工程的安全状态进行评价,并提
出相应的建议和措施。
5. 监测单位意见
监测单位对监测结果进行评价和确认,并提出必要的补充说明。
6. 监测人员签名
监测人员签名及日期。
以上为《基坑安全状态监测表》的样表,用于记录基坑工程的
安全状态监测数据。
根据实际情况,填写监测数据,并进行评价和
建议。
请监测人员严格按照监测标准进行监测,并及时更新监测表。
监测单位要对监测结果进行确认,并提出必要的补充说明。
监测人
员的签名和日期是对监测工作的确认和认可。
注意:本样表仅供参考,根据实际需求可进行适当修改和调整。
---
以上是《基坑安全状态监测表(样表)》的内容,用于记录基
坑工程的安全状态监测数据。
希望对您有所帮助。
基坑支护安全检查表1. 前言基坑支护是基础工程中非常重要的一个环节,它能够保证建筑物的稳定性和安全性。
因此,对于基坑支护的安全问题必须引起足够的重视。
本文将介绍基坑支护的安全检查表,以供工程师们参考。
2. 基坑支护安全检查表编号检查项目检查内容检查结果备注1 围护结构是否完好√ / ×2 支撑系统是否牢固√ / ×3 落水管道是否畅通√ / ×4 水土保持是否有效√ / ×5 设备安装是否规范√ / ×6 施工进度是否符合要求√ /×7 现场环境是否保洁√ / ×2.1 围护结构围护结构是指用来限制土体水平位移和竖向变形的结构,它包括了深基坑的围护和坑外加筋。
围护结构的安全性是基坑支护中重要的一环。
检查项目:•围护结构是否完好检查内容:•围护结构是否有严重沉降或拱起现象检查结果:•√ / ×备注:•如出现异常情况,应及时采取措施2.2 支撑系统支撑系统是指作为支撑土体的结构系统,包括了土钉墙、锚固、支撑梁、支撑柱等。
检查项目:•支撑系统是否牢固检查内容:•支撑系统是否有断裂、变形等情况检查结果:•√ / ×备注:•如出现异常情况,应及时采取措施2.3 落水管道落水管道是指将基坑内积水排出的管道,它的畅通与否关乎基坑的安全。
检查项目:•落水管道是否畅通检查内容:•检查落水管道内是否有沉积物、杂物等检查结果:•√ / ×备注:•如出现异常情况,应及时清理2.4 水土保持水土保持是指对冲洗的泥土和渗透的水进行有效防护,以保护环境和减少建筑物基础的沉降问题。
检查项目:•水土保持是否有效检查内容:•检查水土保持措施是否到位检查结果:•√ / ×备注:•如出现异常情况,应及时采取措施2.5 设备安装设备安装是指工程中需要在基坑内使用的各种机械设备、工具、安全设施等的安装情况。
检查项目:•设备安装是否规范检查内容:•设备安装是否符合安全要求检查结果:•√ / ×备注:•如出现异常情况,应及时采取措施2.6 施工进度施工进度要求施工单位按照施工设计方案及时进度施工。
工程施工质量与安全检查表一、项目概况项目名称:XXXX工程建设单位:XXXXXXXX公司施工单位:XXXXX施工公司项目地址:XXXXX施工总负责人:XXX安全负责人:XXX施工总工程师:XXX施工监理单位:XXXXX监理公司监理工程师:XXX二、施工质量检查1. 土方开挖- 按照设计要求进行土方开挖,开挖深度、坡度、边坡稳定性等符合要求。
- 土方开挖边坡采取支护措施,确保施工安全。
- 土方开挖材料使用符合规定,不得使用混凝土等硬质材料填充土方。
2. 地基处理- 地基处理前应对场地进行勘察,确定地基土质、承载力等情况。
- 地基处理采取合理的方法,确保地基稳定性和承载力。
- 地基处理后进行验收,符合要求后方可进行下一步施工。
3. 基础施工- 基础施工前应进行基坑开挖和支护,确保基础施工安全。
- 基础混凝土浇筑前进行检查,确保模板支撑、配筋等符合设计要求。
- 基础施工后进行验收,合格后方可进行上部结构施工。
4. 结构施工- 结构施工前应进行结构验算,确保结构受力合理。
- 结构施工采用合格的材料,施工工艺符合规范。
- 结构施工过程中应注意混凝土浇筑的质量,配筋的位置和数量等。
5. 设备安装- 设备安装前进行设备检验,确保设备质量符合标准。
- 设备安装过程中应注意安装位置、固定方式等,确保设备安全稳定。
- 设备安装后进行运行试验,确认设备正常运转才能投入使用。
6. 精装修- 精装修前应进行材料验收,保证材料质量符合要求。
- 精装修施工中应注意工艺要求,确保施工质量。
- 精装修完工后进行验收,合格后方可交付使用。
三、安全检查1. 安全生产责任制- 施工单位应制定安全责任制,明确责任人和责任范围。
- 安全责任制应落实到每一个工作环节,确保安全生产。
2. 安全培训- 施工单位应对施工人员进行安全培训,提高安全意识。
- 安全培训内容包括安全操作规程、事故应急处理等。
3. 安全检查- 安全检查应定期进行,发现安全隐患及时整改。
高处作业、起重作业、基坑作业检查表
(一)高处作业
检查项目包括:安全帽、安全网、安全带、临边防护、攀登作业、悬空作业、操作平台及通道等内容。
表-1高处作业检查表
(二)机电设备
施工用电检查包含:外电防护、接零与防雷、配电线路、配电箱
与开关箱、电气消防安全、现场照明。
机具设备检查包含:钢筋机械、电焊机、振捣器、气瓶、运输车
辆、挖掘机。
机电设备操作人员以及指挥人员一旦发现异常应停止相关作业, 并及时向现场管理人员汇报,现场维护修理人员及时检修。
在整个施工期间,机电设备操作、维护人员必须定期对设备进行检修、维护与保养。
(三)起重工程检查
起重工程检查包括:起重机械、钢丝绳与吊索具、作业环境、资质与人员、起重吊重、警戒监护等内容。
表-2起重工程安全检查表
(四)基坑检查
基坑检查内容包含:方案与交底、地下水控制、基坑支护、基坑开挖、施工荷载、安全防护等内容。
表-3基坑检查表。
建筑施工安全检查表建筑施工安全检查表项目名称:检查时间:月日序号检查项目检查内容1 全面管理 1.是否制定管理目标,并分解、考核;是否建立安全生产责任制。
2.项目经理、安全员、特种作业人员是否持证上岗,安全员是否由企业直派。
基坑、脚手架、模板、起重设备是否编制专项方案,项目安审批手续齐全。
2 文明施工 1.现场是否连续围档,有大门,门前道路、场地是否硬化。
2.是否设置办公区、生活区,并与作业区进行三区分开。
3.是否设置消防水源,配备消防器材。
3 基础工程 1.基础是否硬化,并设排水措施。
4 脚手架工程 1.跨距、步距、高度是否符合设计要求,剪刀撑是否连续设置。
2.拉结是否一顶一拉,24m以上脚手架是否采用钢性连结。
3.是否采用密目网封闭,封闭是否严密牢固。
5 模板工程 1.立杆接长,底部垫板,纵横连结是否符合要求,模板荷载是否符合规范。
2.模板是否有量化验收,模板拆除前是否有混凝土强度报告。
6 用电工程 1.是否采用TN-S系统供电,三级配电、二级防护是否到位,是否直接传递给立杆。
2.材料是否集中分区堆放,并标识。
3.漏电保护器参数是否匹配。
4.是否设立符合规范要求的总配电室。
5.是否存在私拉乱扯现象。
7 升降机工程 1.安全装置是否齐全、灵敏、有效。
2.安拆队伍是否有资质,是否经过安装验收、检测。
3.操作、指挥、司索人员是否持有有效证件上岗。
4.升降机是否制定防碰撞措施。
5.是否使用单独开关箱供电,电缆是否采取隔离措施。
8 塔吊工程 1.是否选用正规厂家生产产品,有无制造许可证、产品合格证明。
2.防冒顶、高坠、楼层停靠、吊蓝、安全门等安全保险装置是否物料提齐全。
3.与墙体连续是否采用人字型连结,位置符合要求。
4.进料口、料台口是否设置安全防护门。
5.是否按规范附墙,安装后有无验收,是否采用单绳提升吊篮。
9 施工机具 1.各类施工机具安全防护装置是否齐全。
2.是否搭设机械作业棚。
3.是否违规使用倒顺开关操作机械。
建筑工程施工现场安全生产检查表一、现场应急措施1. 是否设置了应急预案并告知所有参与施工人员?•[ ] 是•[ ] 否2. 是否设置了安全疏散通道,并保持畅通?•[ ] 是•[ ] 否3. 是否配备了足够数量的消防器材和消防车辆?•[ ] 是•[ ] 否4. 是否设置了应急照明设备,并保持正常工作状态?•[ ] 是•[ ] 否5. 是否定期组织应急演练,并记录演练情况?•[ ] 是二、施工场地安全管理1. 是否设置了围挡和警示标志?•[ ] 是•[ ] 否2. 是否设置了作业区域和非作业区域,并进行有效隔离?•[ ] 是•[ ] 否3.是否定期检查围挡和警示标志的完好程度,并及时修复或更换?•[ ] 是•[ ] 否4. 是否定期清理施工现场垃圾,并保持整洁?•[ ] 是•[ ] 否5. 是否按照规定摆放、存放和堆放材料、机械设备,并保持稳固?•[ ] 是三、安全用电和用火管理1. 是否安装了漏电保护器,并定期检测其功能是否正常?•[ ] 是•[ ] 否2. 是否严格遵守用电安全操作规程?•[ ] 是•[ ] 否3. 是否设置了专用的用火区域,并设置了灭火设备?•[ ] 是•[ ] 否4. 是否对电气线路进行了隔离保护,并定期进行检查?•[ ] 是•[ ] 否5. 是否对易燃物品进行了分类储存,并设置了明显的标识?•[ ] 是•[ ] 否四、机械设备安全管理1. 是否进行了机械设备的安全评估并制定了使用规范?•[ ] 是•[ ] 否2. 是否定期检查机械设备的安全装置是否完好?•[ ] 是•[ ] 否3. 是否定期检查机械设备的工作状况,并进行维护和保养?•[ ] 是•[ ] 否4. 是否培训了相关人员对机械设备进行正确操作?•[ ] 是•[ ] 否5. 是否严格遵守机械设备的使用要求,并制定了使用计划?•[ ] 是•[ ] 否五、高空、深基坑和洞口作业管理1. 是否进行了高空作业的风险评估,并制定了相应的安全措施?•[ ] 是•[ ] 否2.是否对高空作业人员进行了专业培训,并持有有效的上岗证书?•[ ] 是•[ ] 否3. 是否设置了安全网等安全保护设施?•[ ] 是•[ ] 否4. 是否对深基坑和洞口进行了有效的支护和防护措施?•[ ] 是•[ ] 否5. 是否严禁未经许可的人员进入高空、深基坑和洞口作业区域?•[ ] 是•[ ] 否六、现场人员安全防护1.是否配备了足够数量的安全帽、安全鞋等个人防护装备,并要求人员佩戴?•[ ] 是•[ ] 否2.是否制定了施工现场人员的安全操作规程,并进行了知识培训?•[ ] 是•[ ] 否3. 是否设置了安全警示标语,并进行了宣传教育?•[ ] 是•[ ] 否4. 是否对特殊作业人员进行了专业培训和合格证书的认证?•[ ] 是•[ ] 否5. 是否对职工进行了健康体检,并建立了健康档案?•[ ] 是•[ ] 否检查表仅供参考,实际检查应结合具体施工现场情况进行细化和补充。
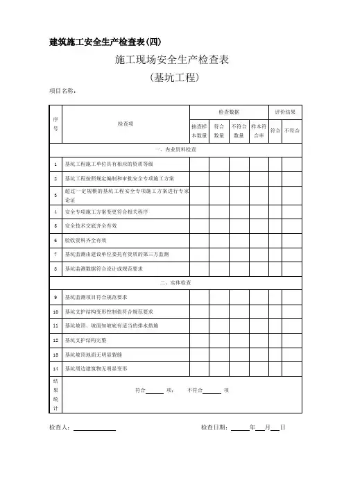
土方开挖与基坑支护安全检查表
人工挖孔桩开挖深度>10m时有专门向井下送风的设备, 10m时根据地质情况采取有效措施保证孔内空气符合施工条件。
注:
1、方案栏,先选择是或否(在相应□ 内打),再在与是或否有关的栏目□ 内,肯定的打,否定的打;检查结论栏,仅选一项并在选项的□ 内打;其余栏目,在□ 内,肯定的打,否定的打;缺项的留空不填。
2、深基坑工程判断标准:开挖深度超过5m(含5m)或地下室三层以上(含三层);或深度虽未超过5m(含5m),但地质条件和周围环境及地下管线极其复杂的工程。
3、以下工程属于危险性较大的分部分项工程,需要编制专项施工方案。
(1)基坑支护与降水工程
基坑支护工程是指开挖深度超过5m(含5m)的基坑(槽)并采用支护结构施工的工程;或基坑虽未超过5m,但地质条件和周围环境复杂、地下水位在坑底以上等工程。
(2)土方开挖工程
1/ 2
土方开挖工程是指开挖深度超过5m(含5m)的基坑、槽的土方开挖。
4、依据标准:《建筑施工安全检查标准》JGJ59-99和《建筑桩基技术规范》JGJ94-94。
2/ 2。
表一1 工程名称:(西区块H1-H23#及地下室)检查日期:检查人:被检查人:表一2 工程名称:()检查日期:检查人:被检查人:基坑开挖阶段文明施工检查表表二工程名称:(西区块H1-H23#及地下室)检查日期:检查人:被检查人:基坑开挖阶段临时用电检查表表三1 工程名称:(西区块H1-H23#及地下室)检查日期:检查人:被检查人:基坑开挖阶段临时用电检查表表三2工程名称:(西区块H1-H23#及地下室)检查日期:检查人:被检查人:核对基坑的位置、平面尺寸、坑底标高,是否符合勘察、设计文件;2 核对基坑的岩土体和地下水情况,是否与勘察报告一致;3 检查是否有洞穴、古墓、古井、暗沟、防空掩体及地下埋设物,并查清其位置、深度、性状;4 检查基坑底土质是否受到施工的扰动,及扰动的范围和深度;5 冬、雨期施工时应注意检查基坑底的防护措施,检查基坑底土质是否受冻、浸泡和冲刷、干裂等,并查明影响的范围和深度。
6 对地基土,可采用轻型圆锥动力触探进行检验。
轻型圆锥动力触探的规格及操作应符合《岩土工程勘察规范》(GB 50021)的规定;7 地基检验还应满足《建筑地基基础工程施工质量验收规范》(GB 50202)的规定。
基坑支护安全检查记录表基坑现场检查表检查人员:检查日期:年月日基坑安全检查表(区域/城市公司)项目名称:检查人:检查日期:项目基坑工程安全检查记录表项目经理:安全总监:基坑(沟槽)工程安全检查记录表(B-6-08)编号:续表说明:1、该检查由施工单位组织并填写,根据基坑施工情况、监测情况、施工方案和规范要求进行定期检查;2、施工项目部每周至少进行一次专项检查。
基坑开挖回填工程检查说明
基坑开挖回填安全检查要求:
1、土方:基坑支护无明显变形、无边坡塌方的危险。
2、管沟临边防护:1)高度不低于1.2m的工具式防护网(含不低于180mm的挡脚板,固定立柱间距符合刚度要求即在防护任何处均能承受任何方向的最小1KN的外力作用),与地面固定牢固(采用预埋件或打入),连续设置无缺口。
2)采用钢管扣件搭设,设置两道横杆、立杆、踢脚板。
上杆离地高度1.2m,挡脚板高度不低于180mm,下杆在上杆与挡脚板中间,立杆间距≤2m(当防护栏杆高度>1.2m时,增设横杆,横杆间距≤600mm。
),并应用密目安全网将临边进行全封闭。
3)当基坑周边采用板桩时,防护应设置板桩外侧。
4)安全标志、夜间警示灯齐全有效无破损污染现象。
3、降排水:降水措施有效,基坑底积水及时排除。
降水井防护盖板或围栏齐全,固定牢固有效。
基坑周边挡水墙齐全、无损坏,周边排水设施通畅有效。
4、人员通道:具备稳固的供人员上下的专用梯道,梯道的防护栏杆、踢脚线、防滑条齐全。
5、机械设备:基坑内开挖、支护过程中,工人与机械设备保持足够的安全距离。
6、材料与道路:基坑周边材料堆放、大型车辆及机械设备运输道路与基坑保持足够的安全距离
三、检查人:工段长(明确姓名)复查人:安全管理人员(明确姓名)
四、检查时间:
基坑开挖回填工程检查表
注:合格标“√”,不合格标“×”。
安全生产检查及事故隐患整改情况台账检查人(签字):复查人(签字):被检查负责人(签字):被检查负责人(签字):日 期: 年 月 日 日 期: 年 月 日3、在检查过程中发现新的检查内容时,应填写补充检查项,并作连续编号,填写检查结果。
主检人:参检人: 检查时间: 年 月 日填表说明:1、根据检查内容,在对应检查结果栏□中打√或×;2、受检项目部不涉及的检查内容,在备注栏画斜线(左低右高对角线);钻机安全生产检查表主检人: 参检人: 检查时间: 年 月 日填表说明:1、根据检查内容,在对应检查结果栏□中打√或×;2、受检项目部不涉及的检查内容,在备注栏画斜线(左低右高对角线);3、在检查过程中发现新的检查内容时,应填写补充检查项,并作连续编号,填写检查结果。
主检人:参检人员:安全生产检查表检查日期:受检项目:受检项目负责人:填表说明:1、受检项目部符合要求的检查内容,在检查结果栏打√,不符合要求的打×;2、受检项目部不涉及的检查内容,在检查结果栏画斜线(左低右高对角线);3、标注“可选”的项,有条件的应做好;没有条件的,在检查结果栏画斜线(左低右高对角线);4、在检查过程中发现新的检查内容时,应填写补充检查项,并作连续编号,填写检查结果。
路线地质日常检查表检查日期: 年 月 日检查人:受 检 人:路线地质日常检查表检查日期: 年 月 日检查人:车辆日常安全检查表备注:各车辆司机每日出车前对车辆进行检查,按照实际情况检查结果合格的打“√”;检查结果不合格的打“×”。
对于检查结果不合格的要及时维修,维修期间不允许出车,直至维修完善并经检查合格后才能出车。
安全检查台账汇总。