数控冲床模具维护指导书
- 格式:doc
- 大小:94.00 KB
- 文档页数:8
数控冲床模具维护指南KETEC版数控冲床模具是在工业生产中使用较为广泛的一种机械设备,它们常常被用于制作金属零件和零配件,以及制造汽车、飞机等大型机械设备。
在使用数控冲床模具的过程中,经常需要进行维护和保养,以保证其正常使用和延长其使用寿命。
KETEC公司作为一家专业生产数控冲床模具的企业,其产品质量和技术水平在国内同行中处于领先地位。
为方便用户更好地维护和保养数控冲床模具,KETEC公司特制定了一份数控冲床模具维护指南,以下是该指南的详细内容。
1.模具表面清理保养数控冲床模具的表面往往会沾上一些油渍、灰尘等杂物,在使用过程中,这些杂物会对模具的表面产生腐蚀和损坏,所以需要定期清理。
具体方法如下:(1)用软毛刷轻轻地擦拭模具表面。
刷子不要太硬,以免把模具表面刮伤。
(2)用软布或纱布蘸上清洁剂,在模具表面轻轻擦拭。
注意:勿使用酸、碱性液体进行擦拭,以免对模具表面造成腐蚀。
(3)清理完毕之后,用软布把表面擦干。
2.油润滑保养油润滑是数控冲床模具保养的重要环节之一,它可以有效的保护模具的表面,减少磨损,并且有助于提高模具的使用寿命。
具体方法如下:(1)在使用数控冲床模具前,先将润滑油涂在模具表面。
(2)当模具在使用过程中出现卡顿或者摩擦的现象时,应及时向模具表面涂抹润滑油,并对模具进行清洗处理。
(3)为避免润滑油的污染,需选择质量较好的润滑油,并定期对数控冲床模具进行更换。
3.定期检查维护数控冲床模具在正常使用的过程中,难免会出现一些故障和损坏,所以需要定期进行检查和维护。
具体方法如下:(1)检查模具有无变形、裂纹等情况,若出现以上情况,应及时报修。
(2)检查模具有无损口、厚度不均等情况,若出现以上情况,应及时修补。
(3)检查模具表面状况,若出现损坏的情况,应及时用研磨工具进行修复处理。
(4)定期更换润滑油,避免油质污染对模具的损坏。
(5)定期清理模具的内部,避免一些留在内部的杂物影响模具的正常使用。
数控冲床模具维护指导书
数控冲床模具是一种用于制造金属零件的工具,通过数控技术能够实现高效、精准的加工。
而模具的维护对于确保其正常使用、延长寿命以及减少设备故障具有至关重要的作用。
因此,下面将介绍数控冲床模具的维护指导书,帮助操作人员更好地进行设备维护,提高设备的使用效率。
一、模具的保养
1. 模具加工前应彻底清洁并检查模具表面是否有损坏,如发现损坏部位应及时修复。
2. 加工期间,要注意模具的保护措施,包括避免过度磨损和损坏,避免因不当操作而造成损坏。
3. 在模具未使用时,应注意存放环境,避免湿度过高或温度过低,建议在模具表面涂一层防锈油,避免生锈。
4. 完成零件加工后,必须及时清洁模具和设备表面,注意保持设备整洁干燥。
二、模具的保养细节
1. 在加工过程中,注意保护模具表面,避免手指和其他硬物不慎碰撞模具表面,这样可以减少模具的磨损程度。
2. 在模具使用前,应对模具的每个定位孔和夹紧孔的加工尺寸进行检查,确保精度正常,避免在使用过程中因非常规的加工引起的零件误差。
3. 在零件加工、模具调试和更换模具过程中,应注意严格遵守规则,避免因不当操作而导致模具的损坏。
在调整过程中,应小心操作,轻柔扭动调整装置,避免使用工具强行操作。
4. 避免过度使用模具,这样不仅会加速模具的磨损,而且还会耗费时间和资源,影响生产效率,要合理的分配模具使用时间。
5. 定期检查数控冲床模具的尺寸計算,特别是加工尺寸是否与设计规格相符,确保模具能够正常工作。
以上就是数控冲床模具的维护指导书,保养模具可以延长其使用寿命,提高设备的使用效率,确保生产工作的顺利进行。
600V
來
,
脫
更換或修復損壞的零件開機正常。
材料工具整理,並歸位。
2.計數器不工作。
600V
認
鈕
計
更換或修復損壞的零件開機正常。
材料工具整理,並歸位。
3. 主馬達電機不動作
關
電
否
否
的
是
更換或修復損壞的零件開機正常。
材料工具整理,並歸位
電動滑塊調整失效
圈
滑塊調馬達安裝
在滑塊後面
接。
,。
其
斷
更換或修復損壞的零件開機正常。
材料工具整理,並歸位。
二度落紅燈一直亮
路
損
更換或修復損壞的零件開機正常。
材料工具整理,並歸位。
雙手操作無法動作
線
燈
值
斷
線
更換或修復損壞的零件開機正常。
材料工具整理,並歸位。
数控冲床的模具使用及维护下文论述数控转塔冲床模具在使用和维护中应遵循的一些技术要点,并针对实际问题提出相应的解决办法,可能对用户具有良好的指导作用。
一、保证最佳的模具间隙模具间隙是指冲头进入下模中,两侧的间隙之和。
它与板厚、材质以及冲压工艺有关,选用合适的模具间隙,能够保证良好的冲孔质量,减少毛刺和塌陷,保持板料平整,有效防止带料,延长模具寿命。
通过检查冲压废料的情况,可以判定模具间隙是否合适。
如果间隙过大,废料会出现粗糙起伏的断裂面和较小的光亮面。
间隙越大,断裂面与光亮面形成的角度就越大,冲孔时会形成卷边和断裂,甚至出现一个薄缘突起。
反之,如果间隙过小,废料会出现小角度断裂面和较大的光亮面。
当进行开槽、步冲、剪切等局部冲压时,侧向力将使冲头偏转而造成单边间隙过小,有时刃边偏移过大会刮伤下模,造成上下模的快速磨损。
模具以最佳间隙冲压时,废料的断裂面和光亮面具有相同的角度,并相互重合,这样可使冲裁力最小,冲孔的毛刺也很小。
二、适时刃磨可有效延长模具的使用寿命如果工件出现过大的毛刺或冲压时产生异常噪音,可能是模具钝化了。
检查冲头及下模,当其刃边磨损产生半径约0.10mm的圆弧时,就要刃磨了。
实践表明,经常进行微量的刃磨而不是等到非磨不可时再刃磨,不仅会保持良好的工件质量,减小冲裁力,而且可使模具寿命延长一倍以上。
除了知道模具何时刃磨之外,掌握正确的刃磨方法尤其重要。
模具刃磨规程如下:1) 刃磨时,将冲头竖直夹持于平面磨床磁性卡盘的V型槽或夹具内,每次磨削量为0.03~0.05mm,重复磨削直至冲头锋利,最大磨削量一般为0.1~0.3mm。
2) 使用烧结氧化铝砂轮,硬度D~J,磨粒大小46~60,最好选适用于高速钢磨削的砂轮。
3) 当磨削力大或模具接近砂轮时,加冷却液可防止模具过热而开裂或退火,应按照制造商要求选用优质多用途冷却液。
4) 砂轮向下进刀量0.03~0.08 mm,横向进给量0.13~0.25 mm,横向进给速率2.5~3.8m/min。
以下为冲床保养作业指导书,一起来看看吧。
1、目的和范围为完善设备保养工作,使设备保养落到实处,更有效为产品服务。
适用于设备二级保养。
2、职责2.1设备维修人员负责执行。
2.2综合部负责监督。
3、要求3.1工作前准备3.1.1 活口------300 1把铁锤-------10磅1把梅花扳手1套改锥--------一字通心1把铜棒-------φ30*200 1根龙门架吊1台手拉葫芦-------2T 1件攀车杆---------600 1根内六扳手1套开口扳手1套虎口钳1把螺丝-------常用6条刚锉1套清洗油5㎏棉纱 2㎏3.1.2断掉电源。
3.2 具体工作3.2.1拆掉冲床防护罩检查三角带是否老化,如老化去备件库取新件更换。
3.2.2拆开冲床润滑油管,检查各油管是否通畅,如有堵塞,需要拆卸该油管相对应的部位,检查该部位是否因缺油造成润滑面拉伤,如拉伤要清洗、刮研,排除所发现的问题后清洗疏通油管,清洗储油杯,然后注如新油,将油管安装。
3.2.3松开冲床制动器,用攀车杆转动飞抡,检查轴瓦间隙,滑块间隙,如间隙过大调整。
3.2.4拆卸飞轮,清洗各部件,看是否有拉伤,有异常修整。
3.2.5踩动离合操纵器,感受脚踏板是否发沉,有异常拆卸清洗,离合器中轴、凸轮如磨损,修整更换,完毕后安装。
3.2.6安装飞轮,检查制动器是否老化,安装防护罩。
3.2.7检查配电箱,线路线头是否松动,接触器等电器元件是否有损,有异常排除,检查照明是否安全有效,确认没有问题后接通电源。
3.2.8向各润滑部位注油后开启机床,无异常情况由技术员安装模具。
3.3、保养完毕后由设备主管跟踪验证。
记录:设备保养记录 聊城市人和轴承有限公司质量管理体系支持性文件 冲床二级保养 作业指导书文件编号ZC6.3-21修改码 A/0 页码 2/2冲床,就是一台冲压式压力机。
在国民生产中,冲压工艺由于比传统机械加工来说有节约材料和能源,效率高,对操作者技术要求不高及通过各种模具应用可以做出机械加工所无法达到的产品这些优点,因而它的用途越来越广泛。
冲床保养作业指导书一、前言冲床是一种重要的金属加工设备,为了确保冲床的正常运行和延长使用寿命,进行定期的保养维护是必要的。
本指导书将详细介绍冲床保养的步骤和注意事项,帮助操作人员正确进行冲床保养作业。
二、冲床保养步骤1. 清洁冲床外表面首先,需要用干净的布或刷子清洁冲床的外表面,将积尘、油污等污垢清除干净。
注意,清洁时要注意安全,避免触摸动作部件。
2. 检查冲床润滑系统然后,检查冲床润滑系统是否正常。
查看润滑器的油位,确保油位在规定范围内,同时检查润滑管路是否通畅。
如果油位过低或润滑管路堵塞,需要及时添加润滑油或清理管路。
3. 检查冲床电气系统接下来,需要检查冲床的电气系统。
检查电源线、开关、保险丝等是否正常,确保电气系统无故障。
如发现异常,应及时修复或更换。
4. 检查冲床气动系统对冲床的气动系统进行检查也是必要的。
检查气源压力是否稳定,气管是否破损,气动元件是否灵活。
如有异常,应及时修复或更换。
5. 检查冲床刀具和模具对冲床的刀具和模具进行检查也是非常重要的。
检查刀具是否磨损严重,模具是否有裂纹或损坏。
如发现问题,需要及时更换。
6. 保养冲床液压系统冲床的液压系统是冲床的核心部件,保养液压系统尤为重要。
定期更换液压油,并清洗液压油箱、滤芯等部件。
同时,定期检查液压系统的密封件是否完好,如有老化或损坏应及时更换。
7. 保养冲床传动系统冲床的传动系统是冲床正常运行的关键。
保养传动系统可以延长冲床的使用寿命。
定期检查传动系统的皮带、链条、齿轮等部件是否磨损,如有磨损应及时更换或修复。
8. 检查冲床安全装置最后,还需要检查冲床的安全装置是否完好。
确保安全装置的灵敏度正常,如安全门、急停按钮等。
如有问题,应及时修复或更换。
三、冲床保养注意事项1. 在进行冲床保养作业前,应切断电源,确保操作的安全性。
2. 保养过程中,不得随意拆卸冲床内部零部件,以防误操作引发事故。
3. 保养作业完成后,应及时清理保养工具和工作区域,保持整洁。
数控冲床模具维护指导书(doc 8页)数控冲床模具维护指南(KETEC版)一、数控冲床模具冲压过程退料板与板料接触→冲头接触板料,板料开始变形→材料在应力点开始断裂→废料从板材中断裂出来→冲头冲压到底→冲头回缩,废料自由下落,冲压工序完成(图1)二、从废料情况看出的信息(压塌角、光亮带、断裂带、毛刺)(图2)1、废料本质上就是成形孔的反像。
即位置相反的相同部位。
通过检查废料,你可以判断下模间隙是否正确。
如果间隙过大,废料会出现粗糙、起伏的断裂面和一窄光亮带区域。
间隙越大,断裂面与光亮带区域所成角度就越大。
如果间隙过小,废料会呈现出一小角度断裂面和一宽光亮带区域。
2、过大间隙形成带有较大卷边和边缘撕裂的孔,令剖面稍微有一薄边缘突出。
太小的间隙形成带稍微卷边和大角度撕裂,导致剖面或多或少地垂直于材料表面。
3、一个理想的废料应有合理的压塌角和均匀的光亮带。
这样可保持冲压力最小并形成一带极少毛刺的整洁圆孔。
从这点看,通过增大间隙来延长模具寿命是以牺牲成品孔质量换取的。
三、为什么要使用正确的下模间隙?1、最佳间隙:剪切裂缝接合,均衡冲压力、工件质量和模具寿命。
2、间隙太小:次等的剪切裂缝,冲压力提升,缩短模具使用寿命。
四、模具间隙的选择模具的间隙与所冲压的材料的类型及厚度有关。
不合理的间隙可以造成以下问题:1、间隙过大,所冲压工件的毛刺就比较大,冲压质量差。
如果间隙偏小,虽然冲孔的质量较好,但模具的磨损比较严重,大大降低模具的使用寿命,而且容易造成冲头的折断。
2、间隙过大或过小都容易在冲头材料上产生的粘连,从而造成冲压时带料。
过小的间隙容易在冲头底面与板料之间形成真空而发生废料反弹。
3、合理的间隙可以延长模具寿命,卸料效果好,减少毛刺和翻边,板材保持洁净,孔径一致不会刮花板材,减少刃磨次数,保持板材平直,冲孔定位准确。
请参造下表选择模具间隙(表中数据为百分数)间隙的选择(总间隙)材料最小最好最大紫铜8﹪12﹪16﹪黄铜6﹪11﹪16﹪低碳钢10﹪15﹪20﹪铝(软)5﹪10﹪15﹪不锈钢15﹪20﹪25﹪﹪X材料的厚度=模具间隙五、何提高模具的使用寿命对用户来讲,提高模具的使用寿命可以大大降低冲压成本。
模具维护保养作业指导书一、引言模具是工业生产中常用的设备之一,它的使用寿命和维护保养直接关系到产品质量和生产效率。
本文将为大家介绍模具的维护保养作业指导,以确保模具的正常运行和延长其使用寿命。
二、模具的维护保养重要性1.保证产品质量:模具是生产高精度产品的关键设备,只有保持模具的良好状态,才能确保产品的精度和质量。
2.提高生产效率:模具的正常运行和维护保养可以避免停机维修,减少生产线的停工时间,提高生产效率。
3.延长模具使用寿命:定期维护保养模具可以减少磨损和损坏,延长模具的使用寿命,降低生产成本。
三、模具的日常保养1.清洁模具表面:使用布或软刷清洁模具表面的灰尘和杂质,避免灰尘进入模具内部影响产品质量。
2.涂抹防锈剂:定期涂抹防锈剂,保护模具表面不被氧化和腐蚀,延长模具使用寿命。
3.定期检查紧固件:检查模具上的紧固件是否松动,如有松动及时拧紧,避免在工作过程中产生振动和噪音。
4.定期润滑模具滑动部位:使用适量的润滑油或脂润滑模具的滑动部位,减少摩擦和磨损,确保模具的正常运行。
四、模具的定期维护1.检查模具磨损情况:定期检查模具的磨损情况,如发现严重磨损或损坏的部位,及时更换或修复,避免影响产品质量。
2.清理模具内部:定期清理模具内部的残渣和杂质,保持模具的清洁,并使用适当的防锈剂进行处理。
3.检查模具冷却系统:检查模具冷却系统的管道和冷却水流是否正常,如发现异常情况及时处理,防止模具过热导致损坏。
4.校正模具尺寸:定期使用测量工具检查模具的尺寸是否偏差过大,如有偏差及时进行调整,确保产品的精度和质量。
五、模具的特殊保养1.模具存放:在模具不使用时,应放置在干燥、通风、无腐蚀性气体的环境中,避免受潮和腐蚀。
2.模具包装:对于长时间不使用的模具,应进行适当的包装,防止灰尘和湿气进入,影响模具的使用效果。
3.模具运输:在模具运输过程中,应注意防止碰撞和振动,避免对模具造成损坏。
六、模具的故障排除1.模具卡料:如发现模具卡料,应立即停机检查,清理卡料并查找原因,如模具磨损或设计不合理,及时修复或调整。
模具维护保养作业指导书一、引言模具是工业生产中常用的工具,其质量和使用寿命直接影响产品质量和生产效率。
为了保证模具的正常运行和延长使用寿命,进行定期的维护保养是必不可少的。
本指导书旨在为模具维护保养作业提供详细的指导,确保模具的可靠性和稳定性。
二、模具维护保养作业流程1. 模具清洁:使用软布或刷子清除模具表面的灰尘和污垢,避免进入模具内部影响使用效果。
2. 模具润滑:使用适当的润滑剂对模具进行润滑,减少摩擦和磨损。
润滑剂的选择应根据不同模具材质和工作环境来确定。
3. 模具调整:定期检查模具的各个部位是否松动或变形,及时进行调整和修复,确保模具的精度和稳定性。
4. 模具保养:根据模具的具体情况,进行定期保养工作,如更换密封圈、清理冷却通道等,防止出现故障和损坏。
5. 模具存放:对于长时间不使用的模具,应进行适当的包装和存放,避免灰尘和湿气侵入,影响模具的质量。
三、模具维护保养常见问题及解决方法1. 模具生锈:模具长时间不使用或存放不当容易出现生锈现象,可以用防锈剂进行喷涂,也可以使用干燥剂吸湿防潮。
2. 模具损坏:在使用过程中,模具可能会出现损坏,如裂纹、变形等,这时需要及时进行修复或更换损坏部件。
3. 模具磨损:模具的磨损会影响产品的质量和精度,可以定期对模具进行磨削或涂覆保护层,延长使用寿命。
4. 模具密封不良:密封不良会导致产品质量不稳定和泄漏等问题,可以更换密封圈或进行调整,确保密封效果良好。
5. 模具冷却不均匀:冷却不均匀会导致产品变形和品质问题,可以清理冷却通道或增加冷却装置,保证均匀冷却效果。
四、模具维护保养注意事项1. 定期检查模具的各个部位是否正常工作,如有异常及时处理。
2. 使用合适的工具和设备进行模具维护保养,避免使用过大或过小的力量造成损坏。
3. 在清洁和润滑模具时,避免使用化学溶剂或腐蚀性液体,以免对模具造成损害。
4. 在模具保养期间,严禁随意拆卸或更换模具的零部件,以免引起其他问题。
数控转塔冲床模具的使用和维护
一、模具使用前的准备
1.检查模具的各种连接螺栓,是否完好无损,有没有松动过。
2.检查模具的调平度,确保水平度合格。
3.检查模具内部尺寸,确保所有尺寸和图纸要求一致。
4.检查模具的润滑情况,给模具内部给足够的油脂,保证模具正常工作。
二、模具的使用
1.在使用之前,必须清理模具内外的油污及应力损伤。
2.控制负荷,禁止超荷使用,以免损坏模具。
3.在每次使用完毕后,轻拆模具,对定位面和刀槽进行清洁,必要时用润滑剂进行润滑。
4.加工时,尤其是处理大型板材时,要注意衬板的支承,以免发生裂痕。
5.加工结束后,必须隔热清除,禁止突然冷却,以免模具变形。
三、模具的维护
1.模具应清洁、干燥,用气���刮擦或用酚醛液清洗,禁止用砂磨机砂磨模具表面。
2.模具应充分润滑,以延长模具寿命。
3.模具的长杆应经常检查,旋转轴两端轴承应经常润滑,滚轮表面的油膜应稀释,以保持长时间工作。
4.变速箱应经常检查更换箱油,换油必须在转塔冲床关机停止后,换油后,变速箱要加电调速,保证转塔冲床正常使用。
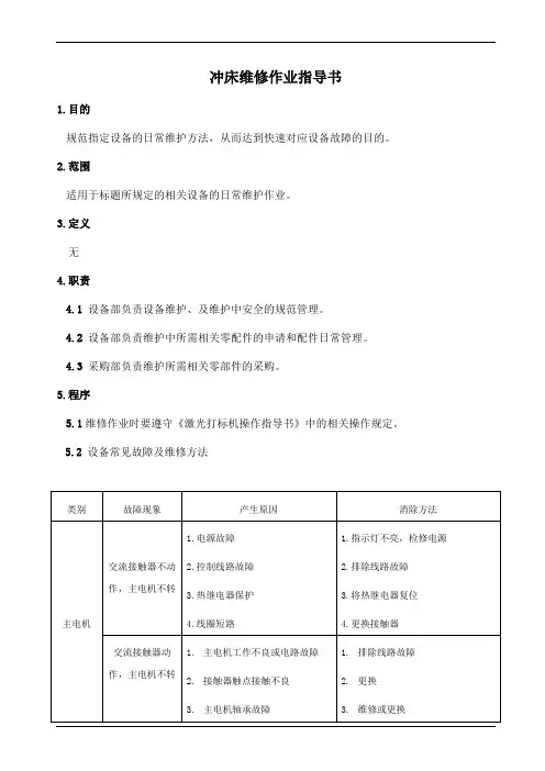
冲床维修作业指导书
1.目的
规范指定设备的日常维护方法,从而达到快速对应设备故障的目的。
2.范围
适用于标题所规定的相关设备的日常维护作业。
3.定义
无
4.职责
4.1 设备部负责设备维护、及维护中安全的规范管理。
4.2 设备部负责维护中所需相关零配件的申请和配件日常管理。
4.3 采购部负责维护所需相关零部件的采购。
5.程序
5.1维修作业时要遵守《激光打标机操作指导书》中的相关操作规定。
5.2设备常见故障及维修方法
6.涉及文件
无
7.相关记录
<设备维修申请表> 8.附件
无。
文件编号版 次页 次一、目的二、范围:本公司适用模具的维修和保养。
三、职责:本标准必须经由培训合格的注塑技术人员和模具管理人员执行。
注塑领班负责实施和检查督导,主管定期督导。
四、定时检查、维护:需由模具维修、上下模人员进行定时保养和检查。
1.每日的例行检查和维护:1.1.运行中的模具是否处于正常状态。
a.是否有低压锁模保护;b.活动部位如导柱、顶杆、复位杆、斜滑块等是否磨损,润滑是否良好?要求至少12小时要 加一次润滑油,特殊结构要增加加油次数或使用专用顶针润滑油。
c.模具的固定模板的螺丝和斜压块(与斜滑块配合)是否松动,斜滑块内是否有异物。
冷却 水、模温孔是否畅通;1.2.生产正常状况:检查产品的缺陷是否与模具有关;1.3.下机时要对模具进行全面检查并进行防锈处理: 抹干型腔、型芯、顶出机构和行位等部位 水份并喷洒模具防锈剂或涂抹黄油;下机后的模具要放在指定地点并作好记录: (1)模具状况:完好还是待修。
(2)下模时的防 锈处理方式。
2.每季的例行检查:主要是对放置两个月以上没有使用的模具进行清理维护。
2.1.打开模具,检查内部防锈效果,有异常情况,须重新进行防锈处理. 长期不使用的模具须涂 抹黄油;2.2. 放回原位并作好记录。
五、注塑模具的保养内容分为:1.生产前模具的保养:1.1.须对模具的表面的油污,铁锈清理干净检查模具的冷却水孔是否有异物,是否有水路不通。
1.2.需检查模具胶口套中的圆弧是否损伤,是否有残留的异物.运动部件是否有异常,动作是否 顺畅。
2.生产中模具的保养:2.1.每天检查模具的所有导向的导柱、导套、回针、推杆、滑块、型芯等是否损伤, 要随时观 这些察,定时检查,适时擦洗,并要定期对其加油保养,每天上下班保养两次,以保证 滑动件运动灵活。
2.2.清洁模具分型面和排气槽的异物胶丝,异物,油物等并检查模具的顶针是否异常并定期打油 。
分模面、流道面清扫每日两次,引导梢、衬套、位置决定梢的给油每日一次。
冲床保养作业指导书一、引言冲床作为一种重要的金属加工设备,具有广泛的应用。
为了确保冲床的正常运行和延长其使用寿命,进行定期的保养是至关重要的。
本文将详细介绍冲床保养的作业指导,以帮助操作人员正确进行保养工作。
二、保养前的准备工作1. 停止冲床的运行,将电源切断,并确保冲床处于安全状态。
2. 检查冲床的工作环境,确保没有杂物、油污等对保养工作造成干扰的物品。
3. 准备好所需的保养工具和材料,如润滑油、擦拭布等。
三、润滑系统的保养1. 检查润滑系统的油位,确保油位在规定范围内。
2. 清洁润滑系统的滤芯,防止阻塞影响润滑效果。
3. 检查润滑系统的管路是否有漏油现象,如有,及时进行修复。
4. 根据冲床润滑系统的规定,定期更换润滑油,保证润滑效果。
四、冲床床身的保养1. 清洁冲床床身表面的杂物和油污,使用擦拭布擦拭干净。
2. 检查冲床床身的表面是否有划痕和损坏,如有,及时进行修复。
3. 检查冲床床身的平整度,如有偏差,需进行调整。
五、冲床模具的保养1. 清洁冲床模具表面的残留物和油污,使用擦拭布擦拭干净。
2. 检查冲床模具的磨损情况,如有磨损严重的地方,需及时更换模具。
3. 对冲床模具进行润滑,使用适量的润滑油进行润滑,防止模具生锈和卡滞。
六、冲床电气系统的保养1. 检查冲床电气系统的连接是否牢固,如有松动现象,需及时进行固定。
2. 检查冲床电气系统的开关和按钮是否正常,如有异常,需进行修复或更换。
3. 定期对冲床电气系统进行清洁,防止灰尘和杂物进入影响正常使用。
七、冲床安全设备的保养1. 检查冲床的安全门和防护罩是否完好,如有损坏,需及时更换。
2. 检查冲床的急停开关是否正常,如有故障,需进行修复或更换。
3. 对冲床的安全设备进行定期的检测和维护,确保其正常工作。
八、保养记录和反馈1. 对每次保养进行记录,包括保养时间、保养内容和保养人员等信息。
2. 对保养过程中发现的问题和需要注意的事项进行记录,以便后续参考。
数控冲床模具维护指南(KETEC版)
一、数控冲床模具冲压过程
退料板与板料接触→冲头接触板料,板料开始变形→材料在应力点开始断裂→废料从板材中断裂出来→冲头冲压到底→冲头回缩,废料自由下落,冲压工序完成(图1)
二、从废料情况看出的信息(压塌角、光亮带、断裂带、毛刺)(图2)
1、废料本质上就是成形孔的反像。
即位置相反的相同部位。
通过检查废料,你可以判断下模间隙是否正确。
如果间隙过大,废料会出现粗糙、起伏的断裂面和一窄光亮带区域。
间隙越大,断裂面与光亮带区域所成角度就越大。
如果间隙过小,废料会呈现出一小角度断裂面和一宽光亮带区域。
2、过大间隙形成带有较大卷边和边缘撕裂的孔,令剖面稍微有一薄边缘突出。
太小的间隙形成带稍微卷边和大角度撕裂,导致剖面或多或少地垂直于材料表面。
3、一个理想的废料应有合理的压塌角和均匀的光亮带。
这样可保持冲压力最小并形成一带极少毛刺的整洁圆孔。
从这点看,通过增大间隙来延长模具寿命是以牺牲成品孔质量换取的。
三、为什么要使用正确的下模间隙?
1、最佳间隙:剪切裂缝接合,均衡冲压力、工件质量和模具寿命。
2、间隙太小:次等的剪切裂缝,冲压力提升,缩短模具使用寿命。
四、模具间隙的选择
模具的间隙与所冲压的材料的类型及厚度有关。
不合理的间隙可以造成以下问题:
1、间隙过大,所冲压工件的毛刺就比较大,冲压质量差。
如果间隙偏小,虽然冲孔的质量较好,但模具的磨损比较严重,大大降低模具的使用寿命,而且容易造成冲头的折断。
2、间隙过大或过小都容易在冲头材料上产生的粘连,从而造成冲压时带料。
过小的间隙容易在冲头底面与板料之间形成真空而发生废料反弹。
3、合理的间隙可以延长模具寿命,卸料效果好,减少毛刺和翻边,板材保持洁净,孔径一致不会刮花板材,减少刃磨次数,保持板材平直,冲孔定位准确。
请参造下表选择模具间隙(表中数据为百分数)
五、何提高模具的使用寿命
对用户来讲,提高模具的使用寿命可以大大降低冲压成本。
影响模具使用寿命的因素如下:
1、材料的类型及厚度。
2、是否选择合理的下模间隙。
3、模具的结构形式。
4、材料冲压时是否有良好的润滑。
5、模具是否经过特殊的表面处理,如镀钛、碳素氮化钛。
6、上下转塔的对中性。
7、调整垫片的合理使用。
8、是否适当采用斜刃口模具。
9、尽量不用标准模具去加工非标准形状。
10、机床模座是否已经磨损。
六、冲压力的计算
如果冲压厚板,所冲孔径又比较大,就需要精确计算所需要的冲裁力。
如果超过机器的额定吨位,容易造成机器和模具的损坏。
因此在大工位上冲压加工比较厚的板料时,需要采用下面的公式来计算冲压力:
冲压力(KN)=冲压孔的周长(L)×材料厚度(T)×0.345×材料因素(F)×剪切因素(S)
计算单位为mm 材料因素(F)的选择(见下表)
材料因数表:
剪切因数曲线表(见下图3):
剪切强度(当刃口不是斜刃口时,剪切因数为100﹪)
冲孔周长的计算,(见下图4):。