(国网)配网施工作业票最新版
- 格式:docx
- 大小:18.67 KB
- 文档页数:6
国网公司施工作业票范围
国网公司施工作业票的范围包括
施工作业的描述:对施工作业的具体描述,包括施工地点、施工内容、施工时间等必要信息,以确保施工作业的准确性和明确性。
施工作业的安全措施:详细列出施工作业中需要采取的安全措施,包括个人防护措施、现场安全要求、使用的安全设备等,以确保施工人员的安全。
施工作业的工具和设备:列出施工作业中需要使用的工具、设备和机械设备,包括其规格、型号和数量,以确保施工所需的工具和设备齐全。
施工作业的人员要求:明确列出施工作业中所需的人员要求,包括施工负责人、施工人员和监督人员等,以确保施工团队的组成和角色明确。
施工作业的材料和供应:列出施工作业中所需的材料和供应要求,包括材料名称、规格、数量和供应来源等,以确保施工过程中材料的准备和供应。
施工作业的配合要求:说明施工作业中需要与其他部门或单位进行配合的要求,以确保施工进程的顺利进行,如电力供应、交通管制等。
施工作业的验收标准:明确列出施工作业的验收标准和要求,包括质量验收、安全验收和环境验收等,以确保施工作业的质量和合规性。
附录:安全施工作业票背面说明:(一)本票由现场技术员填写,现场安全员申述,现场负责人签发生效。
现场负责人开工前核对风险控制措施并宜(宣)读。
(二)工作内容、地点、安全措施不变时本票最长时使用十天,否则应重新办票,用后上交备查;当人员发生变更时,应在备注栏记录变更情况,对新增人员进行交底,并签名确认。
(三) 根据现场条件、范围和环境,补充安全事项或平面布置图。
(四)当风险等级与基准风险等级不一致时,项目部应组织相关人员重新进行风险评估并制定措施。
(五)基准风险等级与风险控制措施在开工现场打“√”。
(六)签名不齐全(含代签名的)均作废票处理。
01钢管杆、铁塔组立安装作业安全施工作业票工程名称:施工班组:编号:02钢筋混凝土杆组立安装作业安全施工作业票工程名称:施工班组:编号:03杆、塔拉线安装作业安全施工作业票工程名称:施工班组:编号:04横担、金具及绝缘子安装作业安全施工作业票工程名称:施工班组:编号:05跨越设施搭设与拆除作一安全施工作业票工程名称:施工班组:编号:06导、地线放作业安全施工作业票工程名称:施工班组:编号:07导、地线放作业安全施工作业票工程名称:施工班组:编号:08导、地线放作业安全施工作业票工程名称:施工班组:编号:09导、地线放作业安全施工作业票工程名称:施工班组:编号:编码:DLBYQ-02-01/0121导、地线放作业安全施工作业票工程名称:施工班组:编号:23台架变压顺安装作业安全施工作业票工程名称:施工班组:编号:28户外断路器、负荷开关安装作业安全施工作业票工程名称:施工班组:编号:29 户外隔离开关安装作业安全施工作业票工程名称:施工班组:编号:30 户外互感器安装作业安全施工作业票工程名称:施工班组:编号:31 户外避雷器安装作业安全施工作业票工程名称:施工班组:编号:32 跌落式熔断器安装作业安全施工作业票工程名称:施工班组:编号:33高压计量装置安装作业安全施工作业票工程名称:施工班组:编号:35变压器试验作业安全施工作业票工程名称:施工班组:编号:42接地网试验作业安全施工作业票工程名称:施工班组:编号:55一般土石方工程作业安全施工作业票工程名称:施工班组:编号:编码:TSFGCH-02-01/0155泥水坑及流砂坑开挖作业安全施工作业票工程名称:施工班组:编号:编码:TSFGCH-03-01/0107岩石开挖作业安全施工作业票编码:TSFGC-04-01/0158掏挖基坑开挖作业安全施工作业票编码:GTJC-01-01/0159 杆塔基础工程作业安全施工作业票编码:GTJC-01-01/0160 接地工程作业安全施工作业票工程名称:施工班组:编号:编码:GTJC-01-01/0166 施工测量作业安全施工作业票工程名称:施工班组:编号:编码:GTJC-01-01/0167 基础开挖作业安全施工作业票编码:GTJC-03-01/0168 地基处理作业安全施工作业票编码:GTJC-04-01/0169 钢筋混凝土基础作业安全施工作业票编码:PDFTJ-17-01/0182 防雷与接地作业安全施工作业票工程名称:施工班组:编号:。
配网工程施工安全作业票是为了确保施工安全,明确施工责任、施工内容、施工安全措施和施工人员等而制定的。
本文将详细介绍配网工程施工安全作业票的填写要求和内容。
一、配网工程施工安全作业票的填写要求1. 作业票应由施工负责人填写,填写时应字迹清楚,内容完整,不得涂改。
2. 作业票应提前办理,办理时间为施工前一日。
3. 作业票应一式两份,一份由施工负责人持有,一份挂在施工现场明显位置。
4. 作业票应使用蓝色或黑色钢笔填写,不得使用圆珠笔、铅笔或红色笔。
5. 作业票的填写内容应真实反映施工情况,不得虚假记载。
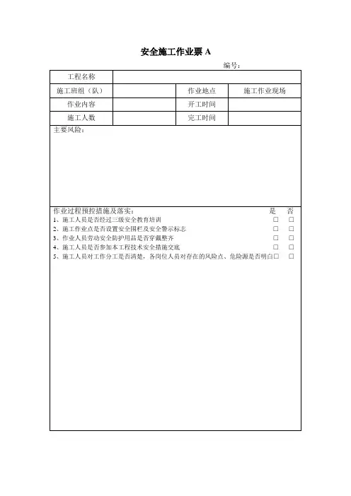
二、配网工程施工安全作业票的内容1. 工程名称:填写配网工程的具体名称,如“XX变电站10kV线路改造工程”。
2. 施工地点:填写施工的具体地点,如“XX变电站10kV线路XX号塔”。
3. 施工班组(队):填写施工班级或队伍的名称,如“XX变电站施工一班”。
4. 工序及作业内容:填写施工的具体工序和作业内容,如“塔上作业、电缆敷设”。
5. 施工人数:填写参与施工的作业人员数量。
6. 计划开始时间:填写施工计划开始的时间,如“2022年1月1日08:00”。
7. 实际开始时间:填写施工实际开始的时间,如“2022年1月1日08:30”。
8. 实际结束时间:填写施工实际结束的时间,如“2022年1月1日12:00”。
9. 主要风险:填写施工过程中可能遇到的主要风险,如“高处坠落、触电、物体打击”。
10. 风险最高等级:填写主要风险的最高等级,如“高处坠落(Ⅲ级)”。
11. 工作负责人:填写施工负责人的姓名。
12. 安全监护人:填写负责现场安全管理的人员姓名。
13. 具体分工:填写施工人员的具体分工,包括特殊工种作业人员。
14. 其他施工人员:填写除施工负责人、安全监护人以外的施工人员姓名。
15. 作业必备条件及班前会检查:填写施工前的必备条件和班前会检查内容,如“作业人员着装是否规范、精神状态是否良好,是否经安全培训”。
配电网工程安全施工作业票A
配电网工程安全施工作业票B
10. 安全文明施工设施是否符合要求,是否齐全、完好□□
11. 是否编制安全技术措施,安全技术方案是否制定并经审批或专家论证□□
12. 作业票是否已办理并进行交底□□
13. 施工人员是否参加过本工程技术安全措施交底□□
14. 施工人员对工作分工是否清楚□□
15. 各工作岗位人员对施工中可能存在的风险及预控措施否明白□□
16. 施工点必施配备足够的应急药品,尽量避免在恶劣气象条件下工作。
□□具体措施见风险预控措施
全员签名
编制人(工作负责人) 审核人(安全、技术)
安全监护人签发人(施工项目部项目经理)
签发日期
监理人员(三级及以上风险)业主项目部项目经理(四级及以上风险)
备注
风险预控措施:。
附件1:
配电网工程施工作业票
工程名称:(实际,机选)编号:(项目组提供,实际,机选)
新增人员签名:(作业过程中结合实际补充,手签)
注:.作业票一式三份,一份作业负责人现场收执,一份施工项目部收执归档,一份建管
单位备案。
2.《每日站班会及风险控制措施检查记录表》作为施工作业票附件,代替站班会记录,每日结合当天具体工作内容使用。
3.作业票在作业内容、地点、人员无变化时,最长使用时间不得超过一周(7天)。
附件2 :
每日站班会及风险控制措施检查记录表施工作业票票号:。
配电网工程安全施工作业票签发编号:施工单位名称 班组工程名称工作内容工作地点范围 计划工作时间自年月日时分开始至本日时分工作终结工作人员:工作负责人共人人员分组、分工(含现场所有作业人员):班前会内容(二级安全技术交底)备注□ 1. 作业人员着装是否规范、安全帽是否粘贴准入证、精神状态是否良好□ 2. 施工机械安全工器具是否经准入检查、是否检查完好 作业□ 3. 作业人员安全防护用品配备是否齐全、完好必备条件□ 4. 安全设施是否符合要求,是否齐全、完好检查□ 5. 作业人员对工作分工是否清楚□ 6. 各作业岗位人员对施工中可能存在的风险及预控措施是否明白基础 □ 1. 在土质松软处挖坑,应有防止塌方措施。
如加挡板、撑木等□ 2. 在人口密集区及交通道路附近开挖的基础, 应设置坑盖, 装设围挡, 悬挂各 类施工安全标示牌,夜间悬挂红色警示灯。
作 业□ 1. 不准未经检验的吊车从事吊装作业。
类 型□ 2. 不准无特种作业资格人员驾驶或操作起重设备。
□ 3. 不准未经接地的起重设备从事临近带电设备的吊装作业。
安 全□ 4. 不准起重设备吊钩、钢丝绳等承载、传动设备带缺陷作业。
□ 5. 不准起重设备在单侧支撑状态从事吊装作业。
风 险 吊装□ 6. 起重设备在吊装作业时,不准在被吊物体未完全固定时将吊索钢丝绳脱 作业防 控钩。
措施□ 7. 安全技术交底不到位,不准从事起重作业。
□ 8. 不准无专人指挥从事吊装作业。
□ 9. 起重作业时,吊车臂或起吊物体下方不准滞留人员。
□ 10. 不准无作业方案从事大件复杂设备吊装作业。
立杆塔作业高空作业放紧线作业拆除配电线路作业□ 1. 排杆作业中应使用汽车吊或炮车搬运电杆,并使用绳索绑扎,严禁使用机动车直接拖拽(电杆与地面接触)的方式和使用铁丝绑扎电杆从事电杆二次搬运。
□2. 杆基培土未到位或未夯实前,严禁施工人员上杆从事撤除钢丝绳套索和安装作业。
□ 3. 施放底盘时,应使用带挂钩吊带施放电杆底盘,严禁施工人员进入杆坑施放或调整底盘位置。
户表安装施工作业票工程名称:单项工程名称(村网工程为村名+台区名称)编号:配网XX队(施工队伍名称)1807001施工单位及作业班组风险等级施工任务户表安装作业地点开始时间结束时间作业流程施工准备→站队四交→表箱安装→箱内原件安装作业人数(不含工作负责人)具体人员分工由工作负责人根据实际工作填写主要风险高处坠落、触电或电弧烧伤。
作业必备条件确认1.特种作业人员持证上岗。
□2.作业人员无妨碍工作的职业禁忌。
□3.无超龄或年龄不足人员参与作业。
□4.配备个人安全防护用品,并经检验合格,齐全、完好。
□5.编制施工“三措”方案,并经审批。
□6.施工人员经安全教育培训,并考试合格。
□7.施工工机具、安全工器具、仪器仪表有合格证并检测合格。
□8.安全文明施工设施配置符合要求,齐全、完好。
□9.各工作岗位人员对施工中可能存在的风险控制措施清楚。
□作业过程风险控制措施及质量控制要点一、作业过程风险控制措施(一)施工准备1. 每日进行站队四交,录音记录清晰。
2.工器具准备:工器具经检验合格。
3. 人员准备:工作负责人、施工人员及其他人员进入施工现场的施工人员必须正确佩带安全防护用品,高空作业时必须采用双保险。
4. 施工现场布置:严格按照要求设置安全警戒线、警示牌、友情提示牌等安全设施。
(二)现场作业1.登高前应检查并确认梯身合格、基础牢固、定位可靠;作业时梯子应与地面成60°左右的斜角,距梯顶不得少于1米,要有专人全过程扶守,并采取防滑措施。
2.安装户表前,应分清线路是否带电,并进行验电后方能进行作业。
二、质量工艺要点(一)施工准备1. 电表箱、电表、电缆、绝缘导线等规格、型号、数量及外观质量满足《验收规范》及设计要求。
(二)表箱安装1.电表箱安装位置合理,电表的倾斜不大于1o,固定牢固,接线正确;表箱底部距地面高度应统一,宜为1.8m-2.0m;电表箱应垂直安装,不得倾斜,表箱与墙体的固定点不少于三个。
第二部分:变电电器安装表01 变压器/油浸式的电抗器的安装作业安全施工作业票工程名称:翼城南唐110kV变电站安装工程施工班组:编号:工作时间工作地点技术员现场安全员现场负责人安全风险分析及控制措施序号危害名称风险种类风险等级风险控制措施1 无资质的人员进行特种作业设备破损□可接受的风险现场作业应严格执行相关安全规程及安全技术措施,并重点关注但不限于以下措施:□关键施工前,项目总工对施工人员进行详细的技术交底,使施工人员熟悉工序。
□充氮变压器、电抗器未经确认充分排氮,任何人不准进入变压器、电抗器内,并远离排气口处。
□进入变压器、电抗器内部检查时,通风和照明必须良好,安全照明电压为12V,注意防滑及碰头。
□吊车吊附件时,应检查车况是否良好,由专人指挥,指挥信号必须清晰、准确。
□套管吊装所用绳索、卡扣,要详细检查,有伤痕及不合格的严禁使用。
□吊绳绑扎的位置要适当,防止起吊倾斜、翻倒,并拴好控制方向的控制绳,方能起吊。
□起吊过程中要保持与非吊物间一定距离,以免发生碰撞损坏设备、瓷件。
□套筒及开口扳手要防止滑脱损坏设备及人员。
□施工现场内严禁吸烟,注意防火,配备适量的合格的灭火器。
□进入吊装现场人员必须戴好安全帽,高处作业人员系好安全带,坚守岗位,听从指挥,不得高声喧哗,发现问题及时报告。
□主变压器内检区域加装临时围栏或警告绳,非工作人员严禁入内。
□吊芯检查应分别制订措施。
□充氮变压器、电抗器内部检查时,未经负责人确认充分排氮后,任何人不准进入变压器、电抗器内,并远离排气口处。
□进入变压器、电抗器内部检查时,必须穿着专用工作服,事先对所用工器具进行详细检查,并注册登记,工作结束后按数收回,防止遗留在器身内;携带手电筒进入设备内部检查,照明必须良好,安全照明电压不小于12V,防止碰撞。
□在进行设备内部检查作业时,使用温湿度计监测环境湿度,使用塑料布进行工作区域遮蔽,严禁在雨天、大风(4级以上)和相对湿度75%以上的天气进行设备内部作业2 未正确佩戴安全帽打击□可接受的风险3 未系安全带的高空作业坠落□低风险4 关键工序不熟悉设备破损□可接受的风险5 进入施工区域的非工作人员触电□可接受的风险6 无防护的孔洞坠落□可接受的风险7 无序的施工碰撞、设备破损□可接受的风险8 撬棍插入设备箱内过深设备破损□可接受的风险9 敲打设备箱内侧设备破损□可接受的风险10 朝天的铁钉刺伤□可接受的风险11 飞溅的异物设备破损□可接受的风险12 不正确使用梯子坠落□中等风险13 含氧量不足的设备内部窒息□可接受的风险14 遗漏在设备内的施工工具设备烧损□可接受的风险15 设备内部照明不足碰撞□可接受的风险16 有缺陷的起重机打击□低风险17 指挥信号不清碰撞□可接受的风险18 有缺陷的工器具设备破损□低风险19 歪斜的绑扎设备破损、打击□低风险20 摆动的重物设备破损□低风险21 滑落的工具打击□可接受的风险22 氧气瓶与乙炔气瓶不按规定放置爆炸□低风险23 明火爆炸□低风险24 恶劣的天气坠落□可接受的风险25 高温设备性能下降□可接受的风险表02 绝缘油的过滤及真空注油作业安全施工作业票工程名称:翼城南唐110kV变电站安装工程施工班组:编号:工作时间工作地点技术员现场安全员现场负责人安全风险分析及控制措施序号危害名称风险种类风险等级风险控制措施1 接地不良的施工机具物理危害□中等风险现场作业应严格执行相关安全规程及安全技术措施,并重点关注但不限于以下措施:□操作人员必须熟悉和执行滤油机的安全操作规程,工作人员应按规定办理交接班和做好滤油值班记录。
送电线路安全施工作业票工程名称:施工班组:工序:施工测量及分坑作业编号:安全施工作业票工程名称:施工班组:工序:爆破作业编号:工程名称:施工班组:工序:人力运输及装卸作业编号:工程名称:施工班组:工序:机动车辆运输作业编号:安全施工作业票工程名称:施工班组:工序:水上运输作业编号:工程名称:施工班组:工序:机械装卸作业编号:工程名称:施工班组:工序:钢筋绑扎及支模作业编号:工程名称:施工班组:工序:基础浇制及拆模作业编号:安全施工作业票工程名称:施工班组:工序:普通基础作业编号:工程名称:施工班组:工序:掏挖式基础作业编号:工程名称:施工班组:工序:人工挖孔桩基础作业编号:工程名称:施工班组:工序:灌注桩基础作业编号:工程名称:施工班组:工序:接地工程作业编号:安全施工作业票工程名称:施工班组:工序:钢管杆组立作业编号:工程名称:施工班组:工序:外拉线悬浮抱杆组塔作业编号:工程名称:施工班组:工序:内拉线悬浮抱杆组塔作业编号:工程名称:施工班组:工序:跨越架搭设与拆除作业编号:工程名称:施工班组:工序:挂绝缘子串放线滑车作业编号:工程名称:施工班组:工序:导引绳展放作业编号:工程名称:施工班组:工序:牵引绳展放作业编号:工程名称:施工班组:工序:导地线展放作业编号:工程名称:施工班组:工序:导地线紧线作业编号:安全施工作业票工程名称:施工班组:工序:平衡挂线作业编号:工程名称:施工班组:工序:导地线压接施工作业编号:工程名称:施工班组:工序:附件安装作业编号:工程名称:施工班组:工序:间隔棒安装作业编号:工程名称:施工班组:工序:跳线安装作业编号:工程名称:施工班组:工序:防护设施施工作业编号:工程名称:施工班组:工序:高压电缆安装作业编号:说明:(一)现场工作负责人填写、班队安全员审核、班队长签发生效。
现场施工负责人开工前核对风险控制措施并宣读,宣读结束后,作业点全体施工人员必须在作业票的背面履行本人签字手续;(二)工作内容、地点、安全措施不变时本票最长可使用十天,否则应重新办票,用后上交备查;当人员发生变更时,应在备注栏记录变更情况。
户表安装施工作业票
台区名称)编号:配网队施工队伍名称
工程名称:单项工程名称(村网工程为村名
一、 作业过程风险控制措施
(一) 施工准备
1. 每日进行站队四交,录音记录清晰。
2. 工器具准备:工器具经检验合格。
3. 人员准备:工作负责人、施工人员及其他人员进入施工现场的施工人员必须正确佩带安 全防护用品,高空作业时必须采用双保险。
4. 施工现场布置:严格按照要求设置安全警戒线、警示牌、友情提示牌等安全设施。
(二) 现场作业
1. 登高前应检查并确认梯身合格、 基础牢固、定位可靠;作业时梯子应与地面成60°左右的 斜角,距梯顶不得少于1米,要有专人全过程扶守,并采取防滑措施。
2. 安装户表前,应分清线路是否带电,并进行验电后方能进行作业。
二、 质量工艺要点
(一)施工准备
1. 电表箱、电表、电缆、绝缘导线等规格、型号、数量及外观质量满足《验收规范》及设 计要求。
(二)表箱安装
1. 电表箱安装位置合理,电表的倾斜不大于 应统一,宜为1.8m-
2.0m ;
2. 表箱孔洞封堵严密;
3. 箱体编号、用户名、 (三)箱内原件安装
1. 装在电能表箱内的开关、熔断器等设备应垂直安装,上端接电源,下端接负荷。
相序应一 致,从左侧起排列相序为:单相用户为 U (V w )N 三相用户为U V 、W N
2. 电能表后应装设有明显断开点的控制电器、 过流保护装置。
每户应装设末级剩余电流动作 保护器;漏电保护装置动作电流不大于 30mA 动作时间不大于0.1s ,安装后检测动作可靠;
3. 电流互感器二次回路每个接线端子最多只允许接入两根同截面导线;
4. 当导线接入的端子是接触螺钉,应根据螺钉的直径将导线的末端弯成一个环, 其弯曲方向 应与螺钉旋入方向相同,螺钉(或螺帽)与导线间、导线与导线间应加垫圈;
5. 当导线小于端子孔径较多时,应在接入导线上加扎线后再接入。
三、 现场新增风险情况及补充控制措施
1.变化情况
10,固定牢固,接线正确;表箱底部距地面高度 电
表箱应垂直安装,不得倾斜,表箱与墙体的固定点不少于三个。
各电能表窗
口正对电能表的窗口。
客服电话、国网公司标志等应规范、完整、醒目。
2.控制措施
施工作业票票号: 工作负责人每日站班会及风险控制措施检查记录表
施工日期
四交交任务施工作业票所列工作任务已宣读清楚。
□交安全
1.交安全措施(见作业过程风险控制措施)已宣读清楚。
□
2.补充安全措施已交待清楚。
□交技术
1.施工作业票所列安全技术措施已宣读清楚。
□
2.补充技术措施已交待清楚。
□交环保 1.对现场进行清理,做到工完料尽场地清。
□
检查内
容
三查
(查衣着、
查三宝、查精神
状态)
1.作业人员
着装规范、精神状态良好,经安全培训。
□
2.安全工器具、测量仪具检验合格,在有效期内。
□
3.安全文明施工设施符合要求,齐全、完好。
□
4.施工人员对工作分工清楚。
□
5.各工作岗位人员对施工中可能存在的风险及控制措施清□
当日控制措施
检查
具体执行见作业过程风险控制措施。
施工任务
当日风险等级参加施工人员签名:
当日需执行措施 、控制措施
施工准备
每日进行站队四交,录音记录清晰。
工器具准备:工器具经检验合格。
人员准备:工作负责人、施工人员及其他人员进入施工现场的施工人员必须正确佩带安全 防护用品,高空作业时必须采用双保险。
高空作业时必须采用双保险。
施工现场布置:严格按照要求设置安全警戒线、警示牌、友情提示牌等安全设施。
现场作业 登高前应检查并确认梯身合格、 基础牢固、定位可靠;作业时梯子应与地面成60°左右的 斜角,距梯顶不得少于1米,要有专人全过程扶守,并采取防滑措施 安装户表前,应分清线路是否带电,并进行验电后方能进行作业。
二、现场风险补充控制措施
1、新增风险
2. 补充控制措施
注:当日需执行的综合控制措施根据作业实际情况确认。
作业过程风险控制措施
落实情况。