离岸公司外贸业务流程图
- 格式:doc
- 大小:156.00 KB
- 文档页数:11
进出口业务流程图第一部分进口业务一、合同商谈合同,就合同中主要条款:品名、数量、价格、发运期、付款等进行商谈。
形成文字材料——合同。
这是交易双方最重要的依据。
合同订立后,双方各自按合同约定进行准备,并经常保持联络,就执行合同过程中的一问题、进展等情况,以电话、电子邮件、传真等形式进行交流,以确保合同的如期执行。
二、备货、开立信用证卖方负责备货,依合同规定的数量、品质、件数如期备好出口货物。
买方负责开立信用证,标明品名、数量、装运期、单价、总金额、目的港、要提交单据等。
信用证由买方向其银行(开证行)申请,向卖方指定的银行(通知行)开出的付款保证。
三、发货,准备单证,寄单卖方依据出货品名、数量、价格、金额,出具相关的发票,装箱明细单,提单以及相关的其它信用证要求的单据,信用证正本,一整套单据向银行(可是原先的通知行,也可以是其它银行)交单。
银行收到单证后,经审核后,向开证行寄单。
四、赎单,报关,提货整套单据到达开证银行后,经审与信用证规定是否一致,并通知信用证申请人,前来付款、赎单。
买方凭提单向签发此提单的船公司或其代理,换取码头提货单,连同卖方的发票、装箱单、原产地、报关委托书、进料加工手册等其它必需单据,经报关行,向货物所在地海关进行申报,海关审核材料,价格,数量等无误后,海关放行。
同时,地于法定必须检验的商品,必须向所在地商检局申报品质、数量检,商检申核,取样,收取费用后,商检放行。
上述两个放行后,就可以码头提货了。
四、买方验货,核销买方提货后,检验货物品质、数量是否符合要求,如出现品质不合格、数量短少等情况,要及时与卖方联系,协商处理意见。
将进口报关单,银行付款水单、核销单等相关单据向所在地主管外汇管理局办理外汇核销手续。
至此,进口业务基本结束!。
下面这些是我在别处看到的,仅供参考,船东单:MASTER BILL OF LOADING 货代单:HOUSE BILL OF LOADING(FORW ARDER BILL OF LOADING)区别:1、MB/L是船公司出的提单,只要有MB/L,任何人都可以在目的港直接向船公司提货。
HB/L是货代基于MB/L出的提单,需要在目的港的指定代理或分公司换取MB/L。
!m(u$T/\!x(R2、如果你想预付运费并快捷提货,就出MB/L,还可以省十几美金换单费。
如果你想控制货权、运费到付等,你就要出HB/L,或代可以帮你做到这些,当然、不是免费的。
)B&i-G!K*G2A7d+{6r3、如果你的货物不是整柜的,而是零散的货物,就一定只能出HB/L,因为船公司是不会帮你拼箱的,到目的港也不会帮你分货。
这种情况只能出HB/L。
6S q9K0S,|)T.r ~#]4、如果你是做L/C的,但是你在规定的交货期生产不出来,上不了船,那幺你可以选择出HB/L,并且要求货代帮你倒签提单。
当然这个也是不正规的做法,所以一般要你出担保函。
5、总之、船东单(MB/L)是最基本的物权凭证,但是死板,里面的许多条款你无法左右。
例如,深圳有多个码头,YANTIAN / SHEKOU / CHIWAN 等等,有些船公司提单的启运港就只能显示具体码头。
可是实际上许多客人开过来的L/C是要求启运港显示SHENZHEN,这个问题我碰到好几次了,一不小心就改L/C,要钱的啊。
(V7T'~.N1c!E.o.~,G7a货代单(HB/L)就相对灵活许多,可以按照你的要求修改,只要不违背原则就好。
并且可以控制货权。
但是这个也是它致命的地方,要知道,真正控制物权的是货代公司。
所以如果他想勒索你,你是很被动的,你手里的HB/L这时就像一张白纸,目的港不得到通知是不放货的。
所以,出货代单(HB/L)一定要找信誉好、有实力的货代公司。
4u6o7Z+G$A2Z0w M,Q*S1n-p6G!O如何区分货代单vs船东单?回答:1.一般的货代单B/L编号,不进入海关舱单管理系统,和进口报关单上的提单号不一样;2.货代单B/L上都有换单公司名称和联络方法,而该联络公司不是外代或外运等口岸船代公司。
香港有限公司操作流程及优势(此文仅以香港公司为例此文仅以香港公司为例,,其它岛屿公司操作与此完全一致其它岛屿公司操作与此完全一致))1)个人外贸通过离岸公司操作流程如下图如下图::中国A 公司美国C 公司货物USD80万USD100万香港B 公司1,签定合同:如图所示,我们香港B 公司与中国A 公司签定一套进口合同,金额80万美金。
同时香港B 公司再与美国C 公司签定一套出口合同,金额为100万美金。
其实此时,我们就充当了一位香港本地贸易商的角色,从中国大陆采购货物后,再卖到欧美等其它国家去。
2,物流:很简单,如果中国A 公司有自营进出口权,则可由A 公司直接出口报关(如果没有,则您可以指定代理公司为其出口报关,当然也可以让工厂自己去找代理),报关金额当然为80万,并且是卖给香港公司的名义,但货物目的港为美国,也就是由中国大陆直接将货物发到美国客户那边,绝对不需要经过香港转港的。
3,资金流:美国C 公司将全款100万直接付给我们的香港B 公司,如果您香港公司帐户开在国内的深发展银行,那就意味着这100万直接汇到了您离岸帐户上面了,银行将直接给您入帐,同时您通过网上银行便可以查询是否已到帐。
到帐后,您通过网上银行便可以将80万打回中国A 公司,A 公司收到80万的外汇便可以非常顺利的进行核销退税,当然中国A 公司是按80万来退税的。
在整个操作的过程中,涉及到一个非常重要的环节,便是换单。
如果是TT ,则非常简单,单据是不需要经过银行的。
这里我以信用证为例。
一般我们客户会做转让信用证。
程序为:1,美国客户直接开一个可转让不可撤消的信用证直接开给我们香港公司,金额为100万美金,也就是信用证直接开到了浦发银行,我们当天便可以向银行申请将信用证的部分如80万转让给中国公司。
中国公司接到转让过来的80万信用证后,便会安排生产备货制单。
中国公司会将其制作好的全套单据交给我们的浦发银行,浦发银行收到中国公司交的全套单据后,将通知我们换单。
1香港/离岸公司的优势1)税务筹划,降低税负例:中国A公司与美国C公司做USD1000万生意。
.货USD1000万(图1)中国A公司美国C公司款USD1000万如(图1)中国A公司直接与美国C公司做USD1000万生意,中国A公司所有收入USD1000万应按中国现行的税种及税率来计算纳税。
USD200万香港B公司(图2)USD800万下单接单USD1000万货物中国A公司美国C公司出口报关USD800万图2:如果中国A公司在香港设立一间香港B公司,然后用这间香港B公司来做中转贸易接美国C公司的订单(如:USD1000万),然后以合理的价格(如:USD800万)由香港B公司下订单给中国的A公司生产和出口,这样香港B公司能赚取200万的利润。
如果我们所有的操作流程是在香港以外的地方发生的话,根据《香港税务条例》利得税课税范围“凡在本港经营任何行业、专业或业务而从该行业、专业或业务获得于香港产生或得自香港的所有利润(由出售资本资产所得的利润除外)的人士,包括法团、合伙商号、信托人或团体,均须缴税。
征税对象并无本港居民或非本港居民的分别。
因此,本港居民可从海外赚取利润而无须在本港纳税,反过来说,非本港居民如在本港赚取利润,则须在本港纳税”的规定,这USD200万的利润可以向税务局申请免税,因此,最终这USD200万的利润可以不用向香港政府缴纳任何税收。
2)保留外汇,减少汇率兑换损失还是以上面(图2)为例,由于香港没有外汇管制,所以USD200万的利润保留在香港公司的银行帐户里面不会存在强制结汇的情况发生,企业可以根据自己的需要随意保留。
对于需要大量使用外汇的中国内地的企业、需要有外汇从海外购买原材料、设备及做其他用途的企业,通过这种安排可以减少频繁的外汇兑换,从而达到保留外汇,减少外汇兑换的损失。
3)保护商业机密不被泄露中国D企业(图3)货物:委托出口收回扣除佣金后的货款接订单货款1000外贸A公司美国C公司出口报关USD1000万图3:一家没有自营进出口权的中国D企业委托外贸A公司代理出口的话,由于资金流和物流都要通过外贸A公司,所以就会产生三个问题:一是由于资金流要经过外贸A公司再到中国D企业帐户,因此资金方面中国D企业会很被动、不能自由的掌控。
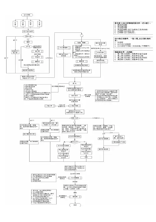
进出口业务流程(仅供参考)图1 进出口贸易流程图如图1所示,进口运行程式对比出口运行程式,全局透视进出口贸易的操作十七.报关图4 进出口报关流程图图5 一般贸易通关流程图货物集中港区后,发货单位必须向海关办理申报出口手续。
由发货单位专业持有报关证人员备妥出口货物报关单,连同装货单、发票、装箱单(或磅码单)、商检证、出口结汇核销单、出口货物合同副本及有关单证向海关申报出口,经海关官员检查单证和货物,确认单货相符和手续齐备后,即在装货单上加盖放行章。
经海关查验放行的出口货物,方能开始装船。
有四个环节:申报、查验、征税、放行一般在拖柜同时就将报关所需资料交给合作报关行,委托做商检通关换单及出口报关。
通常要给报关留出两天时间(船截关前)。
委托报关时,应提供一份装柜资料,内容包括所装货物及数量,口岸,船公司,定仓号,柜号,船开截关时间,拖车公司,柜型及数量,本公司的联系人和电话等。
图6 进口报关流程(公共保税库出库)图十八.交接发货单位现场工作人员要严格按照港口规章,及时与港方仓库、货场办妥交换手续,做好现场记录,划清船、港、货三方面的责任。
十九.装船海关放行后,发货单位凭海关加盖放行章的装货单与港务部门和理货人员联系,查看现场货物并做好装船准备,在装船前,理货员代表船方,收集经海关放行货物的装货单和收货单,经过整理后,按照积载图和舱单,负责点清货物,逐票分批接货装船。
港口装卸作业区负责装货,并按照安全积载的要求,做好货物在舱内的堆码、隔垫和加固等工作。
装船过程中,托运人委托的货运代理应有人在现场监装,随时掌握装船进度并处理临时发生的问题。
装货完毕,理货组长要与船方大副共同签署收货单,交与托运人。
监装人员对一级危险品、重大件、贵重品、特种商品和驳船来货的船边接卸直装工作,要随时掌握情况,防止接卸和装船脱节。
图7 出口集装箱流程图1、出口集装箱进入港区后,港区向海关发送出口集装箱进场咨训。
2、待货主作出口报关后,海关向港区发送出口集装箱查验或放行资讯3、港区将形成的预备船图发送给船代和外理4、船代按预配船图形成出口舱单发送给海关。
外贸详细操作流程图取得外贸交易的资格1.取得进出口权2.准备货源3.商品检验4.申报出口5.办理国际运输6.通过银行收取国外客户支付的货款----一般是美金。
7.向外汇管理局申报8.向税务机关申报1.外贸洽谈前期,制作形式发票用于报价、交易参考或客户申请进口许可等。
2.交易确认以后,制作外贸合同。
3.准备交货的时候,制作商业发票、装箱单、核销单、报关单,申请商检放行单等报关出口。
4.报关后海关退返核销单、报关单的收汇联与核销联等。
5.交货付运后,得到三证三副提单。
6.制作、申办、整理客户所需的全套单据,如发票、装箱单、商检证、产地证、受益人证明等等以收取货款。
7.凭收汇银行水单、核销单、报关单核销联等办理核销与退税。
申请外贸经营权1.在工商局办理个体工商户注册。
2.到外经贸委作个人外贸经营权登记。
3.到海关办理“中国电子口岸”入网手续。
4.到外汇管理局办理“对外付汇进出口单位名录”或者出口收汇核销备案登记手续。
5.在银行开立个人对外贸易结算帐户,办理外汇收付。
1.提单(即提货单Bill of loading,缩写为B/L)2.发票(Invoice)。
3.装箱单(Packing List)。
4.其他说明货物情况的文件,如证明货物品质的检验证书,证明产地的产地证书等。
信用证最基本的一般有四个关系方:1.进口商----负责向自己的开户银行申请开立信用证,叫做信用证申请人。
2.进口商的银行----负责开立信用证并审核单据、拨付款项,叫做信用证开证行。
3.出口商----负责根据信用证出货,享有信用证保障的付款,叫做信用证受益人。
4.出口商的银行----负责替出口商领取信用证、转交单证并与开证行接洽,叫做通知行。
产品从出厂到通过集装箱远洋运输交付到国外客户指定的外国海港码头或某个地点,将可能产生下列几种或全部费用:1.产品的出厂价格。
2.申报进出口商品检验检疫局检验以及出具品质证明的费用,即商检费。
3.申报中国海关出口的费用,即出口报关费。
企业业务运作流程图及说明书目录封面 (2)目录 (2)前言 (3)企业业务运作流程重组的概念 (5)一.基本概念: (5)二.企业业务运作流程重组的原则 (5)三.企业业务运作流程重组后的变革 (6)刘服公司业务运作流程重组方案 (7)一、刘服现有业务运作流程描述 (7)二、重组后的刘服业务运作流程描述 (9)结束语 (38)前言在以信息网络技术为主导的知识经济时代,企业置身于激烈的市场竞争中,要想获得更大的生存和发展空间,必须更新经营管理理念,改变传统的管理方式,建立符合信息时代特征的企业管理模型。
我们讲企业面临的挑战归纳起来有三方面因素:顾客、变革和竞争,简称3C因素:⏹顾客(Customer):➢随着社会经济的发展,物资供应无论从品种、数量或是渠道的多样化,顾客选择商品的余地大为扩展,市场的主导已经转入顾客手中,市场已由卖方市场转变为买方市场。
➢因此,如何最大程度地满足顾客的需求,成为企业的奋斗目标和一切工作的归宿。
➢有了忠诚的顾客群体,企业才有生存的空间。
⏹变革(Change):➢科技进步日新月异,产品生命周期不断缩短,这些变化已成为不可阻挡的潮流,促使企业必须加快变革步伐。
➢而科技的进步,必然带来生产(管理)工具的革命,从而引发一系列生产作业方式的变革,这时,若不跟随时代的变革而变革,企业就会失去生存的基础和发展的源动力。
⏹竞争(Competition):➢市场发展渐趋成熟,那种仅凭“物美价廉”的商品就能在竞争中稳操胜券的简单竞争方式已被多层面的竞争方式所取代,➢企业必须做到以下四点:按合同及时交货或新产品及时上市;保证有好的产品质量;具有竞争优势的产品成本;售前咨询服务及售后维护、升值服务,即能够提供独占性的产品和一流的服务,才能够赢得竞争。
➢市场占有率已成为评判企业是否具有竞争力的最集中体现。
以上三种因素应使企业意识到,要想适应外界环境的迅速变化,要能在激烈的竞争中求生存、求发展,不仅要采用先进的科学技术,而且要尽快地改变与现代化生产经营不相适应的管理方式,企业应建立对外部环境变化做出灵活反应的管理机制和组织结构。
:进出口贸易流程图:进口运行程序对比出口运行程序,全局透视进出口贸易的操作出口交易成本费用示意图:显示出口交易中各项可能涉及到的成本外贸出口流程图:从联络外商发盘到收到货款退税完成每项出口操作细致流程图图解:不同国家的包装偏好图解:不同国家的颜色偏好图解:信用证流程图解:一般贸易通关流程图图解:风险与海损图解:汇票传递示意图图解:加工贸易业务审批流程图图解:出口企业或特准退税的企业在获得进出口经营权或特准退税业务发生后30日内向主管出口退税的国税机关申请办理出口退税登记.出口企业改变单位名称、法定代表人、经营地点、进出口经营范围、经营方式、开户银行及账号等事项,自工商行政管理机关办理变更登记或者有关批准宣布变更之日起30日内,持变更登记的有关证明文件和原退税登记证件等资料到退税机关办理退税变更登记。
出口企业发生破产、解散、撤销以及其他依法应当终止退税事项的情况,须在批准撤并之日起30日内,向工商行政管理机关办理注销登记前,申报办理出口退税注销登记.图解:进出口报关流程图图解:空运进口单证操作流程图图解:出口集装箱流程图1、出口集装箱进入港区后,港区向海关发送出口集装箱进场信息。
2、2、待货主作出口报关后,海关向港区发送出口集装箱查验或放行信息。
3、3、港区将形成的预配船图发送给船代和外理。
4、4、船代按预配船图形成出口舱单发送给海关。
5、5、外理按预配船图形成出口船图发送给海关。
图解:进口报关流程(公共保税库出库)图解:堆场操作流程图之空箱出场流程解:堆场操作流程图之空箱进场流程图解:进出口报关租船订舱流程图解:生产企业出口退税流程图图解:铁路运输清关流程图图解:临时进口报关流程图图解:货运业务流程图图解:海运流程操作一、托运1、托运人提供:(1)箱型(2)箱量(3)目的港(4)出运时间(5)货物品名(美国线,必须报品名)2、客户接收海运价后若要委托装箱,货运公司向货主问明装箱方式。
(1)厂地装箱(托运人提供工厂地址)(2)仓库装箱(货运公司向托运人提供仓库地址)3、货运公司向托运人索要报关资料.二、定舱货运公司把货物情况提供给船公司与船公司确定价格,向船公司定舱。
离岸公司外贸业务流程图随着新贸易法颁布及进出口权的放开,中小企业及自然人进军国际贸易的脚步日渐加快。
但国际贸易并不是“一买一卖”那么简单,它覆盖了众多知识和领域,因此也存在着诸多风险。
中小型生产(贸易)企业、自然人在国际贸易中的最大优势就是对产品和国外客户信息的把握,其它复杂的环节并没有足够的经验和人力。
从社会化分工的角度,发挥自己的优势,将其它复杂的业务外包给专业的外贸公司是最佳的选择。
所以,当前找外贸公司做代理是最主要也是最经济的外贸运作方式。
但这样可能存在贸易信息被窃取、出口收汇被占用等等一系列的风险。
一、防止贸易信息被盗取找外贸公司做代理,信用证(或D/P、D/A、T/T)会首先经过外贸公司,这样就很有可能会被信用证通知部门其他业务员、结汇人员看到。
由于利益的驱使,不能保证不会有人恶意利用这些信息。
而一旦信息被窃取,对客户来说是非常被动的。
况且谁也不能保证一直用一个外贸公司,一旦有什么变化,也会影响到对国外客户的信誉。
即便国外客户是老客户不会被撬走,但随着国际贸易竞争的日益激烈,中国利润会越来越少(对工厂、对客户和国外客户都是这样)。
而当利润少到一定程度时,成本的降低对任何一方都具有相当的诱惑力。
而这时,如果竞争对手(或客户的工厂)窃取您的信息,向国外客户报出比您低的价格,国外客户为了自保也未必不动心。
即使竞争对手没有挖走您的国外客户,但国外客户知道别人出的价格比您低,也很有可能会跟您讲价,这样对您来说也是不利的。
而通过香港或离岸公司做国际贸易,以香港(离岸)公司的名义与国外客户签订合同,以香港(离岸)公司为受益人接受信用证,所有贸易信息均由您个人控制,就会防止贸易信息被他人窃取。
二、避免出口收汇被占用找外贸公司做代理,国外回款先回到外贸公司的银行帐户。
而外贸公司现在越来越不景气,出口收汇被占用的可能时有发生:第一种可能是外贸公司总公司或其它部门占用货款;第二种可能是外贸公司的债权人(外贸公司不景气,在外欠债是常有的事)起诉外贸公司或强行扣款;第三种可能是外贸公司的债权银行扣款,而这种可能性会越来越大:国家最终要将国有银行推上市,而银行上市的前提就是清理资产和坏账,银行一旦清理坏账,扣款是必然的。
上述三种情况无论哪种情况,发生一次就是致命的:货被国外客户提走了,货款被占用或扣下,无法支付工厂货款,贸易链整个中断。
现在可能没有出现这种问题,但这种风险越来越大,一旦出现一次,对做中间贸易商来说,绝对是致命的。
而运用香港(离岸)公司的离岸贸易运作方式就能完全解决这个问题:以香港(离岸)公司的名义在自己控制的银行交单议付,不论是即期还是远期,直至国外款回来这一段时间,都是在自己公司的银行掌控之下。
假设这时外贸公司出现债务纠纷,可以将外汇放在自己的账户停留一段时间或划到外贸公司其它安全的银行账户上,之后结成人民币迅速将货款划至工厂。
在外贸公司的账户上只停留一天时间(即只有一天的风险),这跟以前至少一个月被扣款的风险比较,则要安全许多。
甚至可以不落外贸公司帐户直接以支票背书转让的方式付给工厂,这样就绝对没有风险了。
三、不动用资金赚取中间商利润既有国外买家,又有合适的国内生产厂家,就是没有资金,生产厂家又不愿意赊货只接受信用证,丰厚的中间商利润只能放弃。
利用香港(离岸)公司就能解决这个问题:国外买家开信用证给您的香港(离岸)公司,您再将信用证转让给工厂。
既不需要一分钱保证金,又可以把国外买家、价格等机密信息隐藏起来。
同样,对于进口贸易也轻而易举:国内最终买家开信用证给您的香港(离岸)公司,您再将信用证转让给国外卖家。
四、外汇资金调拨自如,无外汇管制做国际贸易,无论是进口还是出口,外汇的自由收付是至关重要的。
但目前或将来很长的一段时期,我国仍受外汇管制,在实际工作中非常不便于贸易的操作。
而离岸公司属境外公司,其在国内开设的外汇帐户属离岸帐户,在法律上,我国认可其不受外汇管理。
这种离岸帐户是自由的外汇帐户,无论是汇出还是汇入;无论是国外还是国内;无论是公司还是个人,外汇都是自由收付的,而且这三者可以相互交叉使用。
上面是总体的概念,具体的好处有如下几个方面。
对于出口,离岸公司可以自由收付国内外佣金、付海运费和保险费、便于核销退税等等;对于进口,离岸公司不仅可以自由收付国内外佣金,还可以预付货款、进口付汇、开立或转让信用证等等。
五、提高出口退税速度和效率目前有些地区的外贸公司退税太慢。
由于您有自己的海外公司,主动权掌握在自己的手中,您就可以自己找那些出口退税快的地区的外贸公司做代理。
而如果您已有进出口权的工厂办理出口核销,那退税就更快了,其实是根本没有征税。
(国家有规定:对于工厂直接出口采用“免抵退”政策,通俗理解就是不征也不退)Q: ①我想急于核销退税,但国外的回款还得等一段时间,那怎么办?②前一段时间,我有几票出口,回款的余额都小于出口申报的金额,以至于还有不少余款没有办核销退税,离岸公司是否能解决这个问题?A:完全没有问题。
这也正是离岸公司在核销退税上的最大好处。
您知道,离岸公司在银行的帐户属离岸帐户,汇款自由,不受外汇管制:只要您帐户上有外汇,无论什么时间,无论票数和金额有多少,您都可以自由的将外汇汇到国内的银行帐户上结汇核销,并办理退税。
即可以提前核销退税,也可以补办未核销退税的金额。
六、有利于企业规避贸易及非贸易壁垒中国的国内企业,在向美国、西欧等发达国家出口产品时,通常需要申请配额及一系列的相关手续,为此需多花费1—2倍的成本。
同时,这些发达国家为保护本国企业的利益,经常对发展中国家的企业设置例如:关税壁垒、反倾销、反补贴、绿色壁垒、技术性壁垒等的限制。
如果该企业拥有一家离岸公司,由企业向自己的离岸公司出口,再由离岸公司向这些发达国家出口,就能在一定程度上规避这些贸易及非贸易壁垒的歧视和限制。
七、财务运作,合理降低成本,增加利润既不违反法规又尽量避免或减少税赋是每一个企业的经营策略。
离岸公司及离岸业务的最大好处就是通过财务运作,合理降低成本,增加利润。
八、与生产企业结合,进行资本运作,成立三资企业,拥有进出口权出口生产企业——贸易中间商——国外客户,这是国际贸易链中不可缺少的三个主体。
但随着国际贸易竞争的日益激烈,利润空间越来越小。
与此同时,随着市场信息的日益透明,贸易中间商的处境越来越难。
与生产企业结合,是贸易中间商做大做强的必然出路。
离岸公司不仅为贸易中间商在规避贸易风险等方面提供诸多好处,而且在与生产企业结合方面也发挥着诸多优势。
因为离岸公司属于国外企业,可以利用离岸公司收购国内生产企业的资产或股权,进行资本运作。
也可以与国内生产企业成立三资企业,当然这也自然拥有了进出口权。
这样,利用离岸公司不仅使利润最大化,同时也享受国家各种优惠政策。
这也是离岸公司运用的最高境界。
九、提高企业形象和信誉,便于开拓国际市场或以国际品牌开拓国内市场香港公司的前店后厂模式:十、利用离岸公司,充分整合一般贸易、进料加工贸易、来料加工贸易的优势。
背景知识:一般贸易是针对加工贸易而言的。
它指的是利用国内的原料和配件生产出产成品直接出口至国外或直接进口国外的产成品在国内销售。
加工贸易的特点是原材料及配件来自国外,加工后成品也销往国外市场。
加工贸易主要有两种方式:进料加工和来料加工。
进料加工的企业需自筹资金从国外购入原料和配件,然后自行向国外市场销售,进口料件和出口是两笔独立的交易,企业所获得的是出口成品的利润。
来料加工贸易,又称加工装配贸易。
来料加工的企业即承接方无需支付进口料件资金,进、出为一笔交易的两个方面。
料件和成品的所有权均为国外委托方所有,企业所获得的是加工费,即劳动力的费用,但也不承担销售风险。
由于近年来国家为保护国内资源,增加就业机会,积极鼓励发展加工贸易,也给予在税收等方面相当的优惠政策。
目前加工贸易比例迅速上升,与一般贸易相比达到6:4,而且增势不减。
综合来说,如果运作技巧适当,从优势的比较来说,来料加工> 进料加工> 一般贸易。
那么,怎样运用海外公司把这三种贸易方式的优势整合起来呢?进料加工转来料加工示意图:来料加工转进料加工示意图:附:关于银行结算的问题Q1:以离岸公司的名义做贸易,那银行的结算单据怎么处理?A1:这很简单。
首先您以离岸公司的名义跟国外客户签合同,国外客户开信用证(受益人为您的海外公司)到您的银行,银行通知信用证给您。
之后跟以前一样:找外贸公司或有进出口权的工厂做代理,以他们的名义报关、领取官方单据(原产地证、商检证等)。
而货物的生产、运输、装船跟以前一样没有任何区别,之后取得正本提单。
最后,将上述官方单据、正本提单再加上自己打印以离岸公司名义出具的发票、箱单、汇票等成为一整套单据交给您的银行议付就可以了。
Q2:那提单、原产地证、商检证这些单据的抬头是外贸公司或工厂,这不是与其他单据不相符了吗?A2:没有问题。
这些单据属于第三方单据,在银行国际结算UCP600条款中已明确指出:第三方单据可以接受,不算是不符点。
况且,提单的发货人(SHIPPER)船务公司是完全可以打成以离岸公司为抬头的。
如果您非常在意不想让国外客户通过原产地证、商检证等单据知道自己是中间商,您可以在注册离岸公司起名时,英文名称相同或相近于外贸公司(或工厂)就可以了。
Q3:如果原产地证、商检证的抬头与信用证和发票不相符,那国外进口报关时会不会有问题?A3:没有问题。
国外进口报关检查的是收货人是谁、货物的实质品名和数量是否与单据相符,而对发货人是否与发票相符并不核对。