预制块及水沟盖板技术交底
- 格式:doc
- 大小:120.50 KB
- 文档页数:3
预制盖板施工技术交底施工技术交底记录工程名称涵洞工程桩号DK3+318工序名称预制盖板的制作交底日期交底单位交底人接收单位接收人交底内容:一、施工准备1、材质要求:⑴水泥:水泥品种、强度等级应根据设计要求确定。
质量符合现行水泥标准。
⑵砂、石子:根据结构尺寸,钢筋密度,砼工程施工工艺,砼强度等级的要求确定石子粒径、砂子密度。
砂、石质量符合现行标准。
⑶水:自来水或不含有害物质的洁净水。
⑶钢筋:钢筋的级别、规格必须符合设计要求,质量符合现行标准。
钢筋表面应保持清洁,无锈蚀和油污,必要时做化学分析。
⑷脱模剂:脱模剂的质量符合现行标准要求。
2、施工机具搅拌机、磅秤、手推车或翻斗车、铁锹、振捣棒、塑料布、调直机、弯曲机、切断机、电焊机、撬棍、扳手、水平尺、钢卷尺等。
二、施工方法与工艺流程:涵洞预制盖板按照设计图纸的尺寸要求,选择合适的场地集中预制。
模板可采用竹胶板或定型钢模板,具体施工工艺流程见下图。
涵洞预制盖板工艺流程图1、钢筋施工钢筋在运输、储存过程中,应防止锈蚀、污染和避免压弯钢筋(含加工完毕待安装的钢筋),级别、规格分类架空放置在仓库(棚)内,并分类标识。
钢筋在加工前应进行调直,钢筋表面的油渍、水泥浆和用锤击能够剥落的浮皮、铁锈等均应清除干净,钢筋应平直,无局部扭曲,加工后的钢筋,表面不应有削弱钢筋截面的痕迹。
钢筋的弯制和末端弯钩应符合设计要求。
场地平模板绑扎钢浇注试达到设计模板钢筋加制作模板吊满足吊钢筋接头设置在钢筋承受应力较小处,并应分散布置。
配置在同一截面的受力钢筋的接头的截面面积不超过全面积的50%,钢筋接头处距弯点不应小于10d。
同一截面指两钢筋接头相距在30d以内或两钢筋接头相距50cm以内,一根钢筋不得有2个接头,在施工中分不清受拉还是受压,按受拉考虑。
钢筋绑扎搭接长度不小于35d。
钢筋焊接时,焊缝长度单面焊不小于10d,双面焊不小于5d。
同一构件中相邻纵向受力钢筋的绑扎搭接接头宜相互错开。
砼预制块排水沟施工技术交底XXX一工区在2012年5月编制了混凝土预制块排水沟施工技术交底。
本文旨在介绍排水沟设计概况,施工准备,预制块加工,安装,质量检验以及安全和环保要求。
排水沟设计的原则是确保排水系统的有效性和可靠性。
排水沟的设计应该遵循以下原则:1.确定排水沟的位置和长度,以确保排水沟可以收集和排放地面和附近区域的水。
2.选择适当的排水沟类型和尺寸,以确保排水沟可以容纳预期的水流量。
3.确保排水沟的坡度和流速合适,以确保水可以流动并防止水淤积。
4.选择适当的排水沟材料,以确保排水沟可以承受预期的水流量和环境条件。
5.设计排水沟的出口,以确保水可以安全地排放到附近的水体或排水系统中。
二、施工准备在进行排水沟施工之前,必须做好充分的准备工作。
这包括:1.确定施工计划和时间表,以确保施工可以按时完成。
2.确定施工人员和设备,以确保施工可以顺利进行。
3.确定施工现场和材料存储区域,以确保施工安全和材料可以及时供应。
4.确定施工过程中的质量控制和安全措施,以确保施工的质量和安全。
三、排水沟预制块加工预制块是混凝土排水沟的主要构件之一。
在预制块加工过程中,必须注意以下事项:1.确定预制块的尺寸和数量,以确保可以满足设计要求。
2.选择适当的混凝土材料和配比,以确保预制块的质量和强度。
3.确定预制块的模具和加工工艺,以确保预制块的形状和尺寸符合设计要求。
4.进行预制块的浇筑、养护和拆模等工序,以确保预制块的质量和强度。
四、排水沟预制块安装预制块的安装是排水沟施工的关键环节之一。
在预制块安装过程中,必须注意以下事项:1.确定预制块的安装位置和顺序,以确保预制块可以正确地组装在一起。
2.确定预制块的连接方式和密封材料,以确保排水沟的密封性和可靠性。
3.进行预制块的吊装、定位和固定等工序,以确保预制块的稳定性和安全性。
4.进行预制块的填缝和修整等工序,以确保排水沟的外观和质量。
五、质量检验质量检验是排水沟施工过程中的重要环节之一。
排水沟预制盖板技术交底桥面附属施工即将开始,现将预制盖板施工技术交底下发你队,在施工过程中严格遵守:一、模板工程1.混凝土浇筑前要将模板内的杂物、积水清洗干净,模板与混凝土的接触面应清洗干净并涂刷脱模剂,模板如有缝隙,应填塞严密。
2.待混凝土强度达到一定强度(最少24小时)后开始拆模,拆模时尽量避免碰掉预制块的棱角并且不允许出现沾模的情况。
3.由于模板为塑料模板,所以拆模后及时将模板清洗干净,堆放整齐,以备下次使用。
避免出现模板破损。
二、混凝土工程1.混凝土拌和站集中拌合,严格按照试验室配合比搅拌混凝土。
2. 浇筑前,检查混凝土的和易性和坍落度。
3. 浇筑混凝土时,采用振动器振动捣实。
不能出现孔洞,蜂窝以及麻面等影响盖板质量外观的情况。
振动器振捣应符合下列规定:a、使用插入式振动器时,移动间距不应超过振动器作用半径的1.5倍。
b、对每一振动部位,必须振动到该部位混凝土密实为止。
密实的标志是混凝土停止下沉、不再冒出气泡、表面呈现平坦、泛浆。
c、混凝土的浇筑应连续进行,如因故必须间断时,其间断时间应小于前层混凝土的初凝时间,须采取保证质量措施或按工作缝处理。
混凝土浇筑完成后,及时用土工布覆盖并养护。
4.盖板养护,浇筑完成后,要及时(终凝之前)对盖板的顶面进行二次抹面,混凝土养护用土工布覆盖在表面,洒水养护,保证混凝土表面湿润,拆摸时不能出现沾模的现象出现。
三、预制块堆放1.预制块堆放的场地要干净,无生活垃圾,以及影响外观的泥巴等,场地的选择要有利于以后运输方便。
2.制作好的预制块要根据类型(壁板、底槽)分别堆放整齐。
3.堆放时注意尽量避免碰掉棱角影响美观。
一、交底目的为确保水沟盖板施工过程中的安全,防止安全事故发生,特进行本次安全技术交底。
通过交底,使所有参与施工人员充分了解水沟盖板施工过程中的安全注意事项,提高安全意识,确保施工安全。
二、交底对象1. 施工负责人2. 施工班组长3. 作业人员4. 监理人员三、交底内容一、施工前的准备工作1. 施工人员应熟悉水沟盖板施工图纸,了解施工工艺和施工要求。
2. 施工现场应设置安全警示标志,明确危险区域。
3. 施工人员必须穿戴好个人防护用品,如安全帽、工作服、安全鞋等。
4. 施工前应对施工设备进行检查,确保其正常运行。
二、施工过程中的安全注意事项1. 人员安全- 施工人员应严格遵守操作规程,不得擅自改变施工方法。
- 高处作业时,必须系好安全带,并确保安全带连接牢固。
- 上下传递物品时,应使用工具,不得直接抛掷。
- 施工现场严禁酒后作业、疲劳作业。
2. 机械安全- 施工机械必须定期检查、维护,确保其安全性能。
- 机械设备操作人员应持有相应资格证书,熟练掌握操作技能。
- 机械设备操作区域应设置警示标志,非操作人员不得进入。
3. 材料安全- 水沟盖板材料应检验合格,不得使用不合格产品。
- 材料堆放应整齐有序,不得超高堆放,以免发生倾倒事故。
4. 施工环境安全- 施工现场应保持通风良好,防止有害气体积聚。
- 施工现场应设置排水沟,防止雨水浸泡施工区域。
- 施工现场应设置临时围挡,防止无关人员进入。
三、事故应急处理1. 发生事故时,应立即停止施工,并立即上报相关部门。
2. 组织人员进行现场救援,确保伤者安全。
3. 保护事故现场,等待相关部门进行调查处理。
四、交底人及日期交底人:XXX交底日期:XXXX年XX月XX日五、接受人签字施工负责人:________________班组长:________________作业人员:________________监理人员:________________六、备注1. 本交底内容为水沟盖板施工过程中的基本安全要求,具体施工过程中应结合实际情况进行调整。
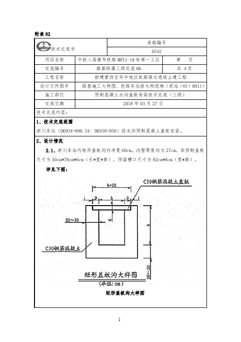
附表82技术交底书表格编号0542项目名称中铁八局蒙华铁路MHTJ-19标第一工区第页交底编号路基附属三级交底06 共 4页工程名称新建蒙西至华中地区铁路煤运通道土建工程设计文件图号路基施工大样图、铁路车站排水构筑物(贰站(01)8011)施工部位预制混凝土水沟盖板安装技术交底(三级)交底日期2018年03月27日技术交底内容:1、技术交底范围淅川车站(DK934+898.34- DK938+050)段水沟预制混凝土盖板安装。
2、设计情况2.1、淅川车站内矩形盖板沟内净宽60cm,沟壁厚度均为27cm,其预制盖板尺寸为50cm*78cm*6cm(长*宽*高),预留槽口尺寸为82cm*8cm(宽*高)。
详见下图:矩形盖板沟大样图2.2、淅川车站内碴顶、底式纵向排水槽,内净宽60cm,沟壁底厚均为40cm,沟壁顶厚均为30cm,其预制盖板尺寸为50cm*80cm*8cm(长*宽*高),预留槽口尺寸为82cm*8cm(宽*高)。
碴顶、底式纵向排水槽大样图2.3、淅川车站内公路排水槽,内净宽60cm,沟壁厚均为40cm,其预制盖板尺寸为50cm*80cm*15cm(长*宽*高),预留槽口尺寸为82cm*15cm(宽*高)。
公路排水槽大样图3、施工工艺1、清理水沟盖板预留槽→测量计算→预制件安装4、施工方法1、施工前应先清理水沟盖板预留槽口,并用清水湿润。
2、利用皮尺,直接标示出每块盖板的位置,注意要与沉降缝对应。
3、挂线进行盖板第一次预铺,第一次预铺时将盖板置于预留槽中间位置,观察盖板是否水平,线性是否顺直。
再进行第二次铺设,第二次铺设时根据挂线标高,用M10砂浆找平,盖上盖板,盖板左右挪动,并用手锤敲击密实后,调整盖板置于水平中心,再次用M5砂浆对盖板与预留槽口之间的纵向间隙进行填补。
对于矩形盖板沟应在每两块盖板连接的位置沿水沟纵向预铺20cm长,2.5cm厚的M10砂浆,再挂线放入水沟盖板,待调整盖板连接密实,线性顺直,居中、水平后。
一、工程名称:[工程名称]二、施工部位:[施工部位]三、施工时间:[施工时间]四、参加人员:[参加人员名单]五、交底人:[交底人姓名]六、安全负责人:[安全负责人姓名]七、质量负责人:[质量负责人姓名]一、工程概况1. 水沟盖板工程是本工程的重要组成部分,主要用于排水、防渗和美化环境。
2. 水沟盖板采用[材料名称],规格为[尺寸]。
3. 水沟盖板安装位置为[具体位置]。
二、安全技术交底内容1. 施工前准备(1)施工人员必须经过专业培训,了解水沟盖板安装的相关知识和操作技能。
(2)熟悉施工现场环境,了解周边设施,确保施工安全。
(3)施工前对水沟盖板进行检查,确保无裂纹、变形等缺陷。
2. 施工操作要求(1)安装前,应将水沟清理干净,确保排水畅通。
(2)安装过程中,操作人员应站在稳固的支点上,避免因地面湿滑导致滑倒。
(3)安装时,应确保水沟盖板与沟槽的间隙均匀,避免排水不畅。
(4)安装完成后,对水沟盖板进行检查,确保无松动、翘起等现象。
3. 安全防护措施(1)操作人员必须佩戴安全帽、安全带等个人防护用品。
(2)高处作业时,应设置安全网或护栏,防止人员坠落。
(3)施工过程中,严禁酒后作业、疲劳作业。
(4)施工区域应设置警示标志,提醒过往人员注意安全。
4. 紧急救援措施(1)施工现场应配备急救箱、消防器材等应急救援设备。
(2)操作人员应掌握基本的急救知识和技能,以便在发生意外时进行自救和互救。
(3)一旦发生事故,应立即启动应急预案,确保人员安全。
三、质量要求1. 水沟盖板安装应平整、牢固,无明显翘起、松动等现象。
2. 水沟盖板与沟槽的间隙均匀,排水畅通。
3. 施工过程中,严格按照设计要求进行,确保工程质量。
四、注意事项1. 施工过程中,严禁违规操作,确保施工安全。
2. 施工结束后,应及时清理施工现场,保持环境整洁。
3. 施工过程中,如遇特殊情况,应立即向项目负责人汇报,及时处理。
五、验收标准1. 水沟盖板安装平整、牢固,无明显翘起、松动等现象。
一、交底目的为确保预制水沟盖板施工过程中的安全,防止事故发生,特制定本安全技术交底。
二、交底对象参加预制水沟盖板施工的全体人员。
三、交底时间(具体时间)四、交底内容1. 工程概况(1)工程名称:____________________(2)工程地点:____________________(3)施工单位:____________________(4)监理单位:____________________2. 施工工艺及流程(1)预制水沟盖板的生产:采用混凝土预制,严格按设计要求进行配料、搅拌、浇筑、养护、脱模等工序。
(2)运输及堆放:运输过程中,应保持盖板平稳,防止倾覆。
堆放时,应选择坚实平整的场地,按规格分类堆放,堆放高度不超过2米,避免受潮、变形。
(3)安装:安装前,应对盖板进行检查,确保无裂缝、破损等现象。
安装时,应使用专用工具,严格按照设计要求进行,确保盖板安装牢固、平整。
3. 安全技术措施(1)施工人员应佩戴安全帽、安全带、防护眼镜等个人防护用品。
(2)操作人员应熟悉预制水沟盖板的施工工艺和安全操作规程。
(3)施工现场应设置明显的警示标志,防止人员误入危险区域。
(4)预制水沟盖板的生产、运输、安装过程中,应注意以下几点:1)生产过程中,应避免人员直接接触高温、高压设备,防止烫伤、高压伤害。
2)运输过程中,应保持车辆平稳,防止盖板倾覆。
3)安装过程中,应确保人员安全,避免高空坠落、物体打击等事故。
4)遇有恶劣天气,如雨、雪、雾等,应暂停施工,确保人员安全。
4. 应急措施(1)发生人员受伤事故时,应立即停止施工,将伤者送往医院救治。
(2)发生物体打击事故时,应立即采取措施,防止事故扩大,同时报告相关部门。
五、交底要求1. 施工单位应组织全体施工人员进行安全技术交底,确保每位人员了解并掌握施工过程中的安全要求。
2. 施工人员应严格遵守安全技术措施,确保施工安全。
3. 施工单位应定期对施工现场进行安全检查,及时发现并消除安全隐患。
5.方茴说:“那时候我们不说爱,爱是多么遥远、多么沉重的字眼啊。
我们只说喜欢,就算喜欢也是偷偷摸摸的。
”6.方茴说:“我觉得之所以说相见不如怀念,是因为相见只能让人在现实面前无奈地哀悼伤痛,而怀念却可以把已经注定的谎言变成童话。
”7.在村头有一截巨大的雷击木,直径十几米,此时主干上唯一的柳条已经在朝霞中掩去了莹光,变得普普通通了。
8.这些孩子都很活泼与好动,即便吃饭时也都不太老实,不少人抱着陶碗从自家出来,凑到了一起。
9.石村周围草木丰茂,猛兽众多,可守着大山,村人的食物相对来说却算不上丰盛,只是一些粗麦饼、野果以及孩子们碗中少量的肉食。
1.“噢,居然有土龙肉,给我一块!”2.老人们都笑了,自巨石上起身。
而那些身材健壮如虎的成年人则是一阵笑骂,数落着自己的孩子,拎着骨棒与阔剑也快步向自家中走去。
技 术 交 底 书 编号:JHS-1-11-工程名称 新建吉林至珲春客运专线工程JHS-1标段 施工单位 吉图珲一标十一工区工程部位 截水沟预制板 交底时间5.方茴说:“那时候我们不说爱,爱是多么遥远、多么沉重的字眼啊。
我们只说喜欢,就算喜欢也是偷偷摸摸的。
”6.方茴说:“我觉得之所以说相见不如怀念,是因为相见只能让人在现实面前无奈地哀悼伤痛,而怀念却可以把已经注定的谎言变成童话。
”7.在村头有一截巨大的雷击木,直径十几米,此时主干上唯一的柳条已经在朝霞中掩去了莹光,变得普普通通了。
8.这些孩子都很活泼与好动,即便吃饭时也都不太老实,不少人抱着陶碗从自家出来,凑到了一起。
9.石村周围草木丰茂,猛兽众多,可守着大山,村人的食物相对来说却算不上丰盛,只是一些粗麦饼、野果以及孩子们碗中少量的肉食。
1.“噢,居然有土龙肉,给我一块!”2.老人们都笑了,自巨石上起身。
而那些身材健壮如虎的成年人则是一阵笑骂,数落着自己的孩子,拎着骨棒与阔剑也快步向自家中走去。
交底内容:1、说明本技术交底针对路基排水工程—截水沟预制板预制,桩板型号、尺寸等。
排水沟盖板制安技术交底公路项目部施工质量安全技术交底1.1钢筋混凝土沟盖板预制1)、钢筋工程:1、所选用钢筋应具有出厂质量证明书和试验报告单,钢筋进场后应抽取试样做机械性能和力学性能试验。
2、钢筋的连接需采用焊接时,必须根据施工条件进行试焊,试焊结束后,取样并送试验室做机械及力学性能试验,合格后方可正式施焊及应用;焊工必须持合格证上岗。
3、凡需施焊的各种钢材。
均应有材质证明书或试验报告单。
焊条、焊剂应有合格证,各种焊接材料的性能符合现行的规定。
4、钢筋的交叉点应用钢丝绑扎结实,必要时,亦可用电焊焊牢。
5、为保证构件的保护层厚度,应在钢筋与模板间设置垫块。
垫块应与钢筋扎紧,并相互错开。
非焊接钢筋骨架的多层钢筋之间,应用短钢筋支垫,保证位置准确。
2)、模板工程1、所选模板为组合钢模板或木制定型模板,模板板面之间应平整,接缝严密,不漏浆。
保证结构物外露面雅观,线条流畅。
2、浇筑混凝土之前,模板应涂刷脱模剂。
不得使用废机油等旧料,且不得污染钢筋及混凝土的施工缝处。
3、重复使用的模板应始终保持表面平整、形状准确、不漏浆、有足够的强度和刚度。
4、装置侧模板时,应防止模板移位和凸出。
设立外支撑牢固或公路项目部施工质量安全技术交底栏杆牢固。
5、模板的拆除期限应根据结构物特点,模板部位和混凝土所达到的强度来决定。
对于预制钢筋混凝土盖板来说,混凝土强度能保证其表面积棱角不致因拆模而受损破坏时方可拆模。
一般应在混凝土抗压强度达到2.5Mpa时方可拆除侧模。
3)、制作浇注盖板混凝土①、制作砼所需原材料都必须经过检验,符合规定后方可利用。
②、砼配合比应通过设计和试配来确定,并且砼浇注前呈报监理工程师审批。
③、砼拌好后,用运输车转运到浇筑现场,用人工入模,按顺序进行浇注。
在砼运输过程中要防止砼发生离析现象,如发生离析,对砼要进行二次搅拌。
从加水拌和至入模浇注的最长时间,应由试验根据水泥初凝时间及施工气温来确定,并应符合施工规范的要求。
技术交底书技术交底书 排水沟预制盖板施工技术交底书表格编号项目名称新建合肥至安庆铁路HAZQ-4标段桐城北制梁场 第 1 页 共 3 页交底编号工程名称合安铁路四标桐城北制梁场工程 设计文件图号施工部位排水沟预制混凝土盖板技术交底 交底日期 2017 年 月 日 技术交底内容:1、技术交底范围;2、设计情况;3、施工条件及施工准备;4、施工工艺;5、质量要求;6、其他应注意的事项;7、环境保护;附件及附图:盖板大样图表格编号排水沟预制盖板施工技术交底书项目名称合安铁路第四标段桐城北制梁场第 2 页共 3 页交底编号1、技术交底范围:适用于桐城北制梁场排水沟预制盖板施工。
2、设计情况:梁场排水沟盖板设计为钢筋混凝土预制盖板,盖板尺寸为40*70,板厚为10cm,共计315块,钢筋布置等具体尺寸详见附图。
3、施工条件及施工准备:(1)施工器械准备:盖板摸具、小型振捣棒等。
(2)人员准备:技术人员1人,施工作业人员5人,质量检查人员1人。
4、施工工艺材料准备模具制作及安装钢筋加工及安装浇筑混凝土及抹面拆模养护(1)按照设计图制作安装或购买模具。
(2)钢筋按图纸尺寸下料绑扎成钢筋网片,浇筑混凝土前放入模具内固定,确保浇筑成型后,钢筋保护层厚度。
(3)混凝土采用C30混凝土浇筑,浇筑时用振动棒振捣密实。
(4)混凝土达到龄期拆模后,洒水养护。
5、质量要求:1、表面光滑平整,尺寸符合设计要求,无露筋,无气泡。
2、盖板尺寸允许偏差:(1)、顶面标高为±20mm;(2)、厚度为+5mm,-2mm。
(3)、长、宽为±5mm。
(4)、板间缝宽最大不超过10mm。
3、盖板强度符合要求,放置平稳,盖板顶部平整顺直;脚踩无松动感。
6、其他应注意的事项:⑴安全、环保、文明施工等技术措施;⑵树立“质量第一,安全至上”的思想,以保安全,保质量为前提施工;⑶机械操作人员必须按照操作规程进行操作;⑷不得随意倾倒生活、施工垃圾;不得随意搭建帐篷;⑸运料车在居民区行驶应遵守交通规程,注意声音污染,影响居民休息。
技 术 交 底 书单位 施技科 T18—3CX —03 主送单位隧道一队预制盖板工班 编号 技交FJPJK-2011-003 工程项目名称 西秦岭隧道水沟、电缆槽盖板预制作业 日期 2011年06月25日交底内容:西秦岭隧道水沟、电缆槽预制盖板作业技术交底一、编制依据1、兰渝施隧Ⅰ-53(第四册、第五册),兰渝施隧Ⅰ-522、铁路隧道工程施工技术指南(TZ204-2008)3、铁路混凝土工程施工技术指南(铁建设[2010]241号)4、铁路隧道工程施工质量验收标准(TB10417-2003)5、铁路混凝土工程施工质量标准(TB10424-2010)6、兰渝铁路水沟、电缆槽盖板建设管理细则7、本公司施工经验二、工序流程安排三、施工准备工作1、选择足够的平整场地作为施工场地和盖板存放场地。
2、拌和站经标定合格,能连续生产、供应合格的砼原料。
3、根据设计要求,加工足够数量的盖板专用模板,并配备振动平台等相应的施工机器具。
4、对所有进场的劳务人员进行质量安全、技术标准、作业标准、施工工艺、法律法规和规章制度的培训教育,经考试合格后持证上岗。
四、施工作业1、各类盖板尺寸及数量见“技交XQLGCB-2011-002”号交底。
钢筋布置见附图。
编制者 复核者 签收者钢筋骨架制作 合模钢筋安放 浇筑砼 抹面养护 脱模验收 存放技术交底书单位施技科 T18—3CX—03 主送单位隧道一队预制盖板工班编号技交FJPJK-2011-003日期2011年06月25日工程项目名称西秦岭隧道水沟、电缆槽盖板预制作业2、施工场地应保证能摆放每一循环的周转使用的模板数量并能展开施工,做好场地的硬化和排水工作。
3、钢筋骨架的制作。
钢筋骨架的制作应在加工棚制作成成品,钢筋的长度和弯折位置等应符合设计要求。
横、纵向钢筋间连接采用绑扎连接,每个结点均需绑扎牢固。
骨架制作完成后存放在加工棚应进行下垫上盖,防止生锈。
4、在平整硬化过的场地上安放好振动平台,模板放置在振动台上,将侧模和端模进行调整,使钢模长、宽尺寸偏差在±1.5mm范围内。
技术交底书单位施技科T18 —3CX —交底内容:西秦岭隧道水沟、电缆槽预制盖板作业技术交底 一、 编制依据1、 兰渝施隧I -53 (第四册、第五册),兰渝施隧I -522、 铁路隧道工程施工技术指南(TZ204-2008 )3、 铁路混凝土工程施工技术指南(铁建设[2010]241号)4、 铁路隧道工程施工质量验收标准(TB10417-2003 )5、 铁路混凝土工程施工质量标准(TB10424-2010 )6、 兰渝铁路水沟、电缆槽盖板建设管理细则7、 本公司施工经验 二、 工序流程安排钢筋骨架制作 ——合模 ——厂钢筋安放——— 浇筑碇―► 抹面三、 施工准备工作1、 选择足够的平整场地作为施工场地和盖板存放场地。
2、 拌和站经标定合格,能连续生产、供应合格的砼原料。
3、 根据设计要求,加工足够数量的盖板专用模板,并配备振动平台 等相应的施工机器具。
4、 对所有进场的劳务人员进行质量安全、技术标准、作业标准、施 工工艺、法律法规和规章制度的培训教育,经考试合格后持证上岗。
四、 施工作业1、各类盖板尺寸及数量见“技交 XQLGCB-2011-002 ”号交底。
钢筋布置见附图。
18 — 3CX11 — 4.9技术交底书单位 施技科T18 — 3CX —2、施工场地应保证能摆放每一循环的周转使用的模板数量并能展开施工,做好场地的硬化和排水工作。
施工过程控制程序18 —3CX11 —4.9技术交底书单位施技科T18 —3CX —0318 —3CX11 —4.9技术交底书单位施技科T18 —3CX —03盖板预制作业10、混凝土盖板脱模后应及时进行验收。
盖板验收由技术人员按 照标准要求进行外形、外观、尺寸检查,并做好详细记录。
盖板构件 的外观质量要求及尺寸和偏差要求见表 2和表3。
表2盖板构件的外观质量要求项目 质量指标检验方法 处理原则空洞深度w 3mm 长度w 10mm钢尺、深度尺检测合格 不满足上述要求 不合格 平整凸起或凹下(包括错位)w4mm/m 钢尺、深度尺检 测合格不满足上述要求 不合格 蜂窝麻面深度w 3mm 长度w 10mm 不2超过10个/m钢尺、深度尺检测合格深度>3mm 且<8mm 长 度 >10mm,且 <20mm修补 深度》8mm 长度》20mm不合格硬伤掉角深度w 10m m 长度w 10mm钢尺、深度尺检 测合格 不满足上述要求 不合格表面裂纹不允许出现表面裂缝「 10s 20倍刻度 放大镜量测20倍放 大镜检测合格 有表面裂缝不合格表3盖板构件的尺寸和偏差要求注:L 为盖板长度11、盖板应集中存放并分类堆码,存放场地要求开阔、平整,施工过程控制程序 18 — 3CX11 — 4.9主送单位隧道一队预制盖板工班 编号技交 FJPJK-2011-003西秦岭隧道水沟、电缆槽2011 年 06 月 25工程项目名称日期项目 长度 高度/宽度 厚度 翘曲允许偏差(mm ) 人行道盖板 +3, -2 +3, -3 +2, 0 L/500检验方法钢尺检验,钢尺量一端及中部,取其最大值 调平尺在两端量测编制者复核者签收者技术交底书单位施技科且排水条件好;存放地面应找平压实,支垫稳固,预制板与地面及每层 间用小方木支垫;堆码要稳固,高度以不超过 1.5m 左右为宜。
成渝客专 CYSG-2标段第四项目分部工程技术室技术交底书技术交底书编制单位 /部门:成渝客专CYSG-2 标段第四项目分部工程技术室主送单位架子三队编号CYSG-2-4-SD-020项目名称地道沟渠、电缆槽盖板日期预制施工技术交底交底内容:本交底适用于DK117+295~DK129+950管段 4418m全部地道正洞段的水沟、电缆槽盖板的预制施工。
一、编制依照:1、《成渝施隧参 3201-25 》2、高速铁路地道工程施工技术指南(铁建设[2010]241 号)3、铁路混凝土工程施工技术指南(铁建设[2010]241 号)4、高速铁路地道工程施工质量查收标准(TB10753-2010)5、铁路混凝土工程施工质量查收标准(TB10424-2010)二、工序流程安排:钢筋骨架制作合模钢筋布置浇筑砼抹面养护脱模查收存放三、施工准备工作:1、场所基础办理:电缆槽、沟渠盖板预制场所必定采用混凝土硬化,硬化厚度不小于5cm,施工前要测量找平,保证场所混凝土平展,施工场所地址要有利于洒水养护。
2、拌和站经标定合格,能连续生产、供应合格的砼原料。
3、依照设计要求,加工足够数量的盖板专用模板,并装备振动平台等相应的施工机器具。
4、对全部进场的劳务人员进行质量安全、技术标准、作业标准、施工工艺、法律法规和规章制度的培训教育,经考试合格后持证上岗。
四、施工作业:1、各样盖板尺寸及钢筋部署见以下图;其中 1 号盖板预制 44180 块, 2号盖板预制 22090 块, 3 号盖板预制 11045 块。
(以上数量均不计耗费)420470 700R15250上上上4441#盖板2#盖板3#盖板220地道盖板与手孔部署图(单位: mm )2020204 0442226661#盖板2#盖板3#盖板地道盖板钢筋横断面部署图(单位:mm )66043038042047070040 115110 1154040130130 0130 40401241241240124 124400 20 20 24441φ61φ61φ6111631111111112444202220220φ81#盖板φ82#盖板2φ83#盖板2地道盖板钢筋平面部署图(单位: mm )2、施工场所应保证能摆放每一循环周转使用的模板数量,并能张开施工,做好场所的硬化和排水工作。