防错装置点检表
- 格式:xlsx
- 大小:219.07 KB
- 文档页数:1
重点安全装置检查表
简介
本文档是一份重点安全装置检查表,旨在确保相关设备安全可靠,预防事故的发生。
确认清单
一、消防设施
- [ ] 灭火器是否按期检验,并且未有破损
- [ ] 灭火栓是否完好,使用方便,未被占用
- [ ] 灭火水泵是否定期检修
- [ ] 自动喷水灭火系统是否定期检修
- [ ] 防烟排烟系统是否正常运行,疏散通道是否畅通
二、电气设备
- [ ] 电气线路是否符合要求,电器是否按要求接地
- [ ] 电气设备是否定期检修,维护记录是否完善
- [ ] 开关箱、控制箱是否有明显的氧化、开裂现象
- [ ] 电器开关使用是否正常
三、危化品设备
- [ ] 储罐、管道是否漏底,周围是否有积水
- [ ] 泄漏情况预案是否备齐
- [ ] 危化品存储是否符合规定和标识完善
- [ ] 危化品装卸作业是否进行分类管理
四、其他设备
- [ ] 压力是否符合安全标准,定期检验是否完成
- [ ] 起重机械、叉车等是否按规定使用,维护保养是否及时- [ ] 安全防护网是否完好,工作平台是否固定稳定
- [ ] 照明设备是否完好
结论
通过本文档的检查,我们可以确保重点安全装置的可靠性和安全性。
希望相关人员可以认真做好每个检查项目,确保设备安全,预防安全事故的发生。
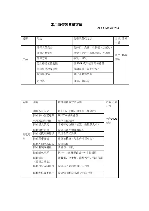
验证岗位管理规定编号:验证岗位管理规定1、目的减少缺陷零件数量,提高一次合格率和过程能力,降低成本,提高客户满意度。
2、范围生产操作、装配区域,及所有实施100%全检或遏制的区域。
3、定义3.1 验证岗位:是一个通过预防,探测和遏制异常情况的在线制造质量系统。
它能在缺陷产生前发现错误或缺陷产生时及时发现并分离出错误。
3.2 边界样件:是指通过防错装置时能证明不符合操作或者能被探测出的不合格产品,专门用于检测生产线的防错装置。
3.3 备用方案:是指验证装置失效后,在保证质量的前提下,为保证正常生产而采取的临时措施,如100%人工检验、使用其他替代性的检验工具等。
4、职责4.1 在产品设计及设计验证阶段(包括设计变更),研发工程师负责组织包括工艺、制造、品管、分供方及顾客代表等方面的人员组成小组进行防错设计。
4.2 在产品批量生产阶段,工艺工程师负责组织包括制造、品管及分供方等方面的人员组成小组进行防错设计。
4.3 制造部各部门工程师负责识别各岗位的防错装置,品管部和技术部负责对防错应用的确认和审核。
5、流程5.1 防错装置的设立5.1.1 在产品开发阶段,依据类似产品的经验(产品不良履历、顾客意见和抱怨、管理评审中的信息、质量体系审核出的问题等)来考虑防错装置的设立。
原则上但不限于以下几方面应考虑设立防错装置:a. 设计性能、安全方面的;b. 风险系数和严重度高的;c. 关键特殊特性优先考虑防错装置的使用。
条款变更内容变更理由日期担当承认编号:验证岗位管理规定5.1.2 在设计和设计验证阶段,防错是PFMEA的关键输出,在该阶段输出的所有防错应整合到控制计划中,并在批量生产阶段被严格执行,同时对其可靠性进行确认。
5.1.3 技术部根据PFMEA的设计输出,以及制造现场防错装置的设立,形成产品和过程《防错装置清单》,清单包括:a. 防错装置的编号(与控制计划对应);b. 工作原理;c. 检查方法;d. 检查频次;e. 备用方案。
重点安全装置检查表一、概述本文档旨在提供一份重点安全装置检查表,以确保设备的安全性和合规性。
本检查表适用于所有设备,包括但不限于机械设备、电气设备、化学设备等。
通过定期检查安全装置,我们可以及时发现并解决潜在的安全隐患,保障工作场所的安全。
二、检查内容1. 紧急停止装置- 确保所有设备都配备了紧急停止装置。
- 检查紧急停止装置的位置是否明显并易于操作。
- 确保紧急停止装置的功能正常可靠。
2. 报警系统- 检查设备上的报警系统是否完好,是否能及时发出警报。
- 测试报警系统的响应时间和声音是否足够响亮。
3. 安全防护装置- 检查设备上的安全防护装置是否完好、可靠。
- 确保安全防护装置能有效地隔离危险部位,防止事故发生。
4. 逃生通道和紧急照明- 检查逃生通道是否畅通无阻。
- 检查紧急照明设备是否正常工作,并能在停电时提供充足的照明。
5. 消防设备- 检查灭火器、灭火栓等消防设备是否符合规定要求。
- 确保消防设备容易被发现和操作,并定期进行维护和检修。
6. 电气安全- 检查设备的电气接地是否良好。
- 检查电线、插座等电气设备的使用状况,确保无损坏和安全隐患。
7. 化学品安全- 检查化学品存放区域是否符合安全要求。
- 确保化学品标签清晰可见,并符合规定标识要求。
三、检查频率- 建议每月对重点安全装置进行一次检查。
- 针对部分高风险设备或场所,可以增加检查频率。
四、记录和报告- 检查过程中,记录每个安全装置的检查结果、发现的问题及解决情况。
- 如发现问题无法及时解决,应立即向上级报告并采取紧急措施。
五、总结定期检查重点安全装置是保障工作场所安全的重要环节。
通过本检查表的使用,我们可以及时发现并解决潜在的安全隐患,降低工作场所事故的风险。
为了确保检查结果的准确性,请严格按照检查内容和频率进行操作,并做好记录和报告的工作。
安全装置检查表工程质量保证措施1、质量目标本工程质量目标为合格。
为确保工程质量,从质量管理体系的各工序质量程度网络控制两大方面严格控制,并制定出相应的质量保证措施以确保工程的质量。
质量保证体系的管理组织,从公司到项目部,配套管理,形成严格的统一管理体系,定员定岗责任到人。
2、质量保证体系(1)建立健全质量保证体系,配备足够的专业质量检查人员,确保工程质量。
(2)加强技术管理,认真贯彻国家规范、操作规程及各项管理制度,确确岗位责任制,组织学习图纸、施工组织设计和工艺卡,做好技术交底工作,并建立技术考核制度。
(3)施工过程中,按部位检查操作方法和施工效果、及时纠正差错。
按部位及时填写应检查项目的隐、预检记录单,接受建设单位和质量检查人员检查。
督促班组执行自检、互检制和岗位责任制。
工程变更应提前办理。
如发生涉及结构的质量问题必须及时上报、不准擅自处理。
(4)测量、定位、放线必须准确,严格按施工测量定位方案进行。
定位控制桩要保护好,不得扰动。
(5)绑扎钢筋前要熟悉图纸,近配料检查加工的钢筋品种、规格、数量和形状,是否符合要求。
焊接接头经施焊人员自检后,抽样送到试验室进行机械性能试验。
(6)所有材料和半成品进场应有出厂合格证或检验报告,钢材应双控(合格证和检验报告)。
砼配合比示经试验室和技术经理同意,不得擅自变动。
原材料计量要准确,坍落度要严格控制,不得随意加水,搅拌机后台挂牌,标明配合比和每盘砼用料,砂、石、水泥要做原材料试验。
砼要振捣密实,防止漏振。
拆模后加强浇水养护,进行湿润养护并养护。
(7)严格工序交接制度。
要及时做好隐蔽工程验收记录,认真填写施工日记,确保技术资料完整。
(8)坚持预先定标准、定样板、定材料、定做法。
进场材料、半成品和加工品应执行验收手续,不符合要求的材料不得进场。
(9)土建和水电、安装由现场统一指挥,及时做好预埋件,认真做好各分项工程施工情况及检查记录和隐蔽工程验收记录,及时签证。