租入机械设备进场验收签证表(非特种机械)
- 格式:docx
- 大小:18.87 KB
- 文档页数:2
机械设备进场安全验收单一、验收单位基本情况•单位名称:•地址:•邮政编码:•联系人:•联系电话:二、进场机械设备基本情况•设备名称:•品牌型号:•出厂编号:•规格:•制造厂商:•进场日期:三、安全验收内容1. 基本信息•设备出厂合格证明是否齐全:•设备使用说明书是否齐全:•设备进场时是否有货运单据:•设备出厂生产日期是否符合使用要求:•设备生产厂家是否为正规厂家:•设备进场时已被检测清零是否确定过:2. 设备安装•设备是否固定在规定位置:•设备架底座是否合理、稳固:•设备电气接线是否规范,接地是否良好:•设备管道连接是否牢固、松动情况是否检查过:•设备安装是否符合要求,是否与相关图纸一致:•设备运行是否平稳、无明显振动和噪音(负载、无负载两工况):3. 设备检测•设备内部连接、固定、松动部分是否检查清楚:•设备硬件、软件、传感器、控制器等电器元件是否检查过:•设备各部位功能及联动是否检测过,如电气、机械、液压、气动等:•设备运行是否可靠稳定,工艺参数是否满足技术要求:•设备启动时间、负载及停机时间是否记录、留样:4. 安全保护•设备的保护措施、防护装置是否完善有效:•电气控制柜是否各自有完整的线路图、电气原理图、接线图:•设备是否标志牌标明额定电压、相数、额定电流(功率)、使用环境温度等:•设备保险、熔断及过流保护装置是否齐全、灵敏:•设备安全限位开关、过载保护开关、急停配备是否符合安全要求和技术规范:四、验收结果此次机械设备进场安全验收结果为:•合格•不合格•其他说明:验收人签名:年月日。
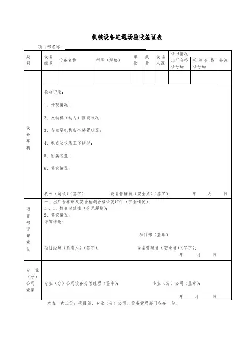
项目部机械设备进场验收会签单
机械编号:进场日期:
一车一档
备注:此表由材料会计填写、项目相关部门参与验收、报公司物资部存档。
()项目部机械设备退场单机械编号:退场日期:
一车一档
备注:此表由材料会计填写、项目相关部门参与验收、报公司物资部存档。
施工设备()运转记录表
单位名称:机械当月时间表开始时间小时.月末时间小时.当月施工小时
机械加油月报表
项目名称:日期:月26日- 月25日
制表:材料员:项目经理:
备注:此表由项目材料会计填写,并以月报形式报公司物资设备部存档。
临时机械使用记录表
机械车辆台班统计表
备注:此表是《机械运转记录表》的月结算统计表,由材料会计汇总填写,转合同部出结算。
机械车辆台班统计表
车主:统计:复核:日期:。