标准原木检验等级评定
- 格式:doc
- 大小:51.50 KB
- 文档页数:5
国家木材检尺标准及计算方法根据现行的中华人民共和国国家标准GB4814-84《原木材积表》、GB4815-84《杉原条材积表》、GB449-84《锯材材积表》推算得出的,供各部门的木材经销、木材检量等人员用于迅速查定各类木材的累计材积数。
一、查定方法(1)单根的或不满10根的原木、原条、特等锯材和普通锯材的材积累计数,可直接从本手册中分别查得。
(2)根数为10根、20根、30根……的整十位数的原木、原条、特等锯材和普通锯材的材积累计数,可先相应查出1根、2根、3根……的材积数,然后将小数点右移一位(即扩大10倍)得到。
(3)10根以上且带有个位数根数的原木、原条、特等锯材和普通锯材的材积累计数,可先得出整十位数根数的材积数,然后再加上直接查得的个位数根数的材积数而得。
二、对GB4814-84《原木材积表》的说明1、GB4814-84《原木材积表》的规定本标准适用于所有树种的原木材积计算。
(1)检尺径自4-12cm的小径原木材积由下式确定:V=0.7854L(D+0.45L+0.2)²÷10000式中:V——材积(m³);L——检尺长(m);D——检尺径(cm)。
(2)检尺径自14cm以上的原木材积由下式确定:V=0.7854L[D+0.5L+0.005L²+0.000125L(14-l)²(D-10)]²÷10000(3)原木的检尺长、检尺径按GB144.2-84《原木检验尺寸检量》的规定检量。
(4)检尺径4-6cm的原木材积数字保留四位小数,检尺径自8cm以上的原木材积数字,保留三位小数。
2、GB4814-84《原木材积表》中的附录(圆材材积计算公式)的规定(1)检尺长超出原木材积表所列范围而又不符合原条标准的特殊用途圆材,其材积按下式计算:V=0.8L(D+0.5L)²÷10000(2)圆材的检尺长、检尺径按GB144.2-84《原木检验尺寸检量》的规定检量。
原木产品检验标准一、前言原木是指从森林中采伐下来的未经加工的木材。
原木是木材行业的重要资源之一,广泛应用于建筑、家具、造纸等领域。
为确保原木产品的质量和安全,需要对其进行检验。
本文旨在介绍原木产品的检验标准,以便相关人员进行参考和实践。
二、检验对象原木产品的检验对象包括原木的大小、形状、干燥度、杂质、木质素含量、木材密度、强度等方面。
其中,检验原木的大小和形状主要是为了判断其是否符合规格要求;检验原木的干燥度则是为了保证其使用性能;检验原木的杂质和木质素含量是为了保证其品质;检验原木的木材密度和强度则是为了判断其力学性能。
三、检验方法1. 检验原木的大小和形状检验原木的大小和形状主要依据以下步骤进行:(1)测量原木长度、宽度、高度,并记录数据。
(2)检查原木表面是否平整、光滑,有无开裂、翘曲等现象。
(3)根据原木的规格要求,判断其是否符合标准。
2. 检验原木的干燥度检验原木的干燥度主要依据以下步骤进行:(1)取样检查原木内部含水率。
(2)使用湿度计测定木材的含水率,并与标准比较。
(3)根据含水率的结果,判断原木是否适用于特定的用途。
3. 检验原木的杂质和木质素含量检验原木的杂质和木质素含量主要依据以下步骤进行:(1)选择一定数量的样品,进行取样。
(2)对木材中的杂质进行分析和鉴定,并记录数据。
(3)使用高效液相色谱法检测木质素含量,并与标准比较。
(4)根据结果,判断原木是否适用于特定的用途。
4. 检验原木的木材密度和强度检验原木的木材密度和强度主要依据以下步骤进行:(1)选择一定数量的样品,进行取样。
(2)使用万能试验机测试木材的密度和强度。
(3)根据结果,判断原木是否适用于特定的用途。
四、结论综上所述,对于原木产品的检验,应该根据不同的需求和规格要求,采取不同的检验方法,确保原木产品的质量和安全。
同时,在进行检验时需要遵守相关的标准和要求,确保检验结果的准确性和可靠性。
原木分级标准《原木分级标准,你了解多少?》嘿,朋友们!你们知道吗?在木材的奇妙世界里,原木分级标准就像是一把神奇的魔法钥匙,要是没有它,那可就像是超级英雄失去了超能力一样混乱不堪呀!原木的分级可太重要啦,不搞懂这个,那你在木材领域的闯荡就像是没头苍蝇一样乱撞,还不知道问题出在哪呢!一、外观颜值担当:无缺陷的完美主义在原木的世界里,外观那可是相当重要呀!“原木的脸蛋要漂亮,缺陷瑕疵别来逛”。
这就是说呀,原木的表面不能有太多明显的缺陷,比如节子、裂缝啥的。
这就好比选美比赛,长得歪瓜裂枣的肯定拿不到好名次呀!一块好的原木,它的表面应该是光滑平整的,就像模特的脸蛋一样吸引人。
比如说那些高档的家具木材,要是表面坑坑洼洼的,谁还愿意用它来打造精美的家具呢?那不是自毁招牌嘛!二、尺寸的精准追求:不能差之毫厘“尺寸不是儿戏,一毫一厘都要在意”。
原木的尺寸可不能马虎呀,这就像是给房子打地基,要是尺寸不对,那后面可就全乱套啦!原木的长度、直径等都有严格的标准要求,就像运动员参加比赛,每个项目都有特定的规则。
如果原木的尺寸不达标,那在加工和使用过程中就会出现各种问题,比如拼接不紧密、浪费材料等等。
所以呀,一定要严格把控原木的尺寸,让它们都乖乖地符合标准。
三、材质的优劣之分:好木材就是不一样“木材也有三六九等,好的材质就是牛哄哄”。
原木的材质可是决定其价值的关键因素之一呀!不同的木材有着不同的特性和用途。
就好比不同的英雄有不同的技能一样,有的木材坚硬耐磨,适合做地板;有的木材纹理美观,适合做雕刻。
我们要学会分辨这些木材的优劣,就像伯乐相马一样,找出那些真正的“千里马”。
比如说橡木,它质地坚硬,纹理漂亮,就是做家具的好材料;而一些软木,虽然也有它的用途,但在某些方面就比不上硬木啦。
四、含水率的重要性:不干燥可不行“原木不能太潮湿,干燥才是好路子”。
原木的含水率可是个大问题呀!如果含水率太高,那原木在使用过程中就容易变形、开裂,就像一个人发了高烧一样难受。
木材等级标准划分
木材等级标准划分是按照木材的品质、外观和用途等方面进行划
分和评定的。
目前,我国普遍使用的木材等级标准一般包括以下几类:
一、原木等级
原木等级分为一级、二级、三级和四级,其中一级为最优等级,四级
为最低等级。
评定原木等级主要考虑原木的直径、形状、树皮、杂物、倒伏、枯死、病虫害等因素。
二、锯材等级
锯材等级分为特等、一等、二等、三等和四等。
特等为最高等级,四
等为最低等级。
评定锯材等级主要考虑锯材的干燥度、颜色、纹理、
裂纹、疵痕、尺寸精度、截面形状和舒适度等因素。
三、胶合板等级
胶合板等级分为A级、B级、C级和D级。
A级为最优等级,D级为最
低等级。
评定胶合板等级主要考虑板材表面平整度、厚度、涂料均匀度、缺陷程度、含水率等因素。
四、人造板等级
人造板等级分为E0级、E1级、E2级和F4星级。
E0级为最高等级,F4星级为最低等级。
评定人造板等级主要考虑板材的甲醛释放量、板芯
密度、表面质量、尺寸稳定性等因素。
以上就是我国常用的木材等级标准划分,通过对不同类型木材进
行等级评定,可以有效提高木材的利用价值和市场竞争力。
木材质量评估与检验标准1. 介绍木材是一种常用的建筑材料,对于确保木材质量的评估和检验是至关重要的。
本文将介绍木材质量评估的相关标准和检验方法。
2. 木材质量评估标准2.1 干燥度评估木材的干燥度是衡量其质量的重要指标之一。
常见的评估标准包括湿度、溶质含量等。
相应的检验方法可以采用电子天平测量湿度和溶质含量。
2.2 常见缺陷评估木材常见的缺陷包括裂纹、叉行纹、疤痕等。
评估木材的缺陷需要进行目视检查和手工测试,确保木材无肉眼可见的瑕疵。
2.3 物理性能评估木材的物理性能包括密度、抗拉强度、耐磨性等。
评估木材的物理性能可以采用实验室测试方法,如密度测量、抗拉实验等。
3. 木材检验方法3.1 外观检验通过目视检查来评估木材的外观缺陷,如裂纹、变形等。
确保木材外观光滑平整,无明显瑕疵。
3.2 尺寸检验测量木材的尺寸,包括长度、宽度、厚度等。
确保木材符合规定的尺寸标准。
3.3 密度检验通过测量木材的质量和体积,计算出木材的密度。
确保木材的密度达到要求。
3.4 力学性能检验通过实验室测试来评估木材的力学性能,如抗弯强度、抗拉强度等。
确保木材的力学性能符合相关标准。
3.5 湿度检验使用湿度计或其他相关仪器来测量木材的湿度。
确保木材的湿度达到规定要求。
4. 结论木材质量评估与检验标准是确保木材质量的重要手段。
通过合适的评估标准和检验方法,可以确保木材符合相关质量要求,提高其应用性能和使用寿命。
在购买、使用木材时,应遵循相应的评估标准和检验方法,确保木材的质量问题得到有效解决。
5. 参考文献[1] "木材检验理论与实践". 木材检验. 2019.[2] "木材质量评估与检验标准". 木材科学与技术. 2018.。
(一)原木检验尺寸检量标准国家标准局1984 年12 月22 日发布,1985 年12 月1 日实施。
中华人民共和国国家标准UDC634-0-81 原木检验尺寸检量标准GB144.2-84 一、检尺长检量1、检尺长是指按木材材种标准经进舍后的长度,通常简称长级。
2、检量原木的长度量至(cm)止,不足1cm 的舍去。
3、原木的检尺长是在大小两端断面之间相距最短处取直检量。
如量得的实际长度小于原木标准规定的检尺长,但不超过负偏差(公差)时,仍按标准规定的检尺长计算;如超过负偏差(公差)时,则按下一级检尺长计算。
4、原木断面偏斜或干形弯曲的,其检尺长应自大头断面斧口或锯口至小头断面检尺径拉成直线相距最短的长度。
5、原木端头打有水眼(指扎排水眼),应扣除水眼内侧至端头的长度,再确定其检尺长。
6、原木大小头的斧口砍痕(含运输磨损),如该端断面的短径,经进舍后不小于检尺径的,材长仍自大头端部量起;如小于检尺径的,应让去小于检尺径的长度。
7、原木兜部砍成尖削的,检尺长应自斧口上缘量起。
二、检尺径检量1、原木检尺径是以小头通过断面中心的最小直径(短径)作为检尺径(经进舍后)。
带树皮的应扣除树皮厚度。
2、原木检尺径是以2cm 为一个增进单位,如实际尺寸不足2cm 时,凡是足1cm 的进级,不足1cm 的舍去不计。
3、原木小头断面下锯偏斜,检量检尺径时应将尺杆与材长成垂直量取,不得顺斜面检量。
4、原木小头因打水眼而让尺或原木的实际长度超过检尺长者,其检尺径仍在小头断面量取,不能进入检尺长部位检量。
5、原木小头断面呈椭圆形(含各种不正形的断面)检尺径的量取,是通过小头断面的中心,先量短径,再通过短径的中心垂直量取长径(均量至厘米止,,带皮者去皮厚)如短径不足26cm,其长短径之差自2cm 以上者,或短径自26cm以上,其长短径之差自4cm 以上者,以其长短径的平均数经进舍后为检尺径。
长短径之差小于上述规定者,均以短径经进舍后为检尺径。
原材料进场后的检验标准一、中密度纤维板、硬质纤维板检验标准1、适用围:本标准规定了中密度纤维板、硬质纤维板进场后的技术要求、检验规则。
2、术语:2.1、局部松软铺装不良或胶接不佳而产生的局部疏松。
2.2、边角缺损板的角或边缘被损坏而造成的缺损。
3、技术要求:3.1、中密度纤维板不低于GB11718.2-1999中的一级品技术要求,其密度应满足70型以上。
3.2、硬质纤维板不低于GB12626.2-90中的一级品技术要求,其密度应满足85型以上。
3.3、甲醛释放量应符合GB18580-2001的规定。
3.4、批量抽检采用GB2828中的一次抽样案。
3.5、表面质量要求及检验法见表一:表一:表面质量要求及检验法3.6、幅面和厚度规格及尺寸偏差检验法见表二:表二:幅面和厚度规格及尺寸偏差检验法3.7、力学性能指标检测不得低于表三规定:表三:力学性能指标检测不得低于表三规定3.8、物理性能指标检测符合表四规定:表四:物理性能指标检测符合表四规定4、检验规则:4.1、检验分类产品检验分为进场检验和生产工序检验。
4.1.1、进场检验包括以下项目:A.外观质量检验,应符合3.5条的规定。
B.规格尺寸检验应符合3.6条的规定。
C.物力性能检测应符合3.7条的规定。
D.物理性能检测应符合3.8条的规定。
4.1.2、生产工序检验同4.1.1条A、B两项。
5、进场抽样检验与判定规则。
5.1、外观质量检验,采用GB2828中一次抽检样案,其检查水平为Ⅱ:合格质量水平为4.0依据3.5条规定判定合格批与不合格批。
5.2、规格尺寸检量,采用GB2828中一次抽样案,其检查水平为S-4,合格质量水平为6.5,依据3.6条规定判定合格批与不合格批。
5.3、物理力学性能及板甲醛释放量的测定,应在每批产品中,任意抽取0.1﹪(但不得少于1)得样板进行测试,每样板各项指标得平均测试结果应符合3.6,3.7条的规定。
如不符合时,允在该产品中加倍抽样复检一次,经复检仍不合格时,则该产品判定不合格。
原木检验1 范围本文件规定了原木产品检验的尺寸检量、材质评定、检量工具、原木标志和原木材积计算。
本文件适用于原木生产、流通、使用、监督检验等领域。
2 规范性引用文件下列文件中的内容通过文中的规范性引用而构成本文件必不可少的条款。
其中,注日期的引用文件,仅该日期对应的版本适用于本文件;不注日期的引用文件,其最新版本(包括所有的修改单)适用于本文件。
LY/T 1511 原木产品 标志 号印 3 GB/T 143锯切用原木GB/T 155 原木缺陷GB/T 4814 原木材积表GB/T 15787 原木检验术语LY/T 1369次加工原木术语和定义GB/T 155、GB/T 15787界定的以及下列术语和定义适用于本文件。
原木检验log inspection 对原木产品进行尺寸检量、材质评定、原木标志和原木材积计算工作的总称。
4[来源:GB/T 15787—2017,2.2,有修改]尺寸检量通用要求4.1.1原木的检尺长、检尺径进级及公差,均按原木产品标准的规定执行。
长度检量4.2.1检量原木的材长以米为单位,量至厘米,不足1cm 者舍去。
原木的材长是在原木两端断面之间相距最短处取直检量,见图1。
如检量的材长小于原木产品标准规定的检尺长,但不超过下偏差,仍按原木产品标准规定的检尺长计算;如超过下偏差,则按下一级检尺长计算。
注: L —材长。
注: L —材长图1材长4.2.2原木有下楂断面的,测量材长时应让去下楂部分的长度取直检量,见图2。
图2 下楂断面注: d 1—短径;d 2—直径检量4.3.1检量原木的直径以厘米为单位,量至毫米,不足1mm 者舍去,小于等于14cm 的,四舍五入至厘米。
检尺径的确定,是通过小头断面中心先量短径,再通过短径中心垂直检量长径,见图3。
其长短径之差自2cm 以上,以其长短径的平均数经进舍后为检尺径;长短径之差小于2cm ,以短径经进舍后为检尺径。
长径。
图3 长短径4.3.2 检量原木的直径、短径、长径,一律扣除树皮和根部肥大部分。
国家标准木材等级标准木材是一种重要的建筑材料,其质量和等级标准对于建筑工程的质量和安全至关重要。
国家标准木材等级标准是指对木材按照其质量和用途进行分类和评定的标准,其制定旨在规范木材市场,保障建筑工程的质量和安全。
首先,国家标准木材等级标准主要包括以下几个方面,原木等级、锯材等级、干燥等级和加工等级。
原木等级是指对采伐的原木按照其外观质量和结构特征进行评定的等级,包括一级、二级和三级等级。
锯材等级是指对原木经过锯切加工后的木材按照其质量和用途进行评定的等级,包括特级、一级、二级和三级等级。
干燥等级是指对木材经过干燥处理后的质量进行评定的等级,包括干燥材和湿材两个等级。
加工等级是指对木材经过加工处理后的质量进行评定的等级,包括一级、二级和三级等级。
其次,国家标准木材等级标准对于木材的质量和用途有着具体的要求。
例如,特级锯材适用于高级家具、地板和装饰材料;一级锯材适用于一般家具、建筑结构和包装材料;二级锯材适用于地板、包装材料和临时建筑等;三级锯材适用于包装材料和临时建筑等。
干燥材适用于地板、家具和装饰材料;湿材适用于包装材料和临时建筑等。
一级加工材适用于高级家具和地板;二级加工材适用于一般家具和包装材料;三级加工材适用于包装材料和临时建筑等。
此外,国家标准木材等级标准对于木材的检验和验收也有着具体的要求。
木材的检验应当按照国家标准进行,对于不符合要求的木材应当进行退货或者重新加工。
木材的验收应当由专业人员进行,对于不符合要求的木材应当及时予以处理,以保障建筑工程的质量和安全。
总之,国家标准木材等级标准是建筑工程中不可或缺的重要标准,其制定和执行对于规范木材市场、保障建筑工程的质量和安全具有重要意义。
各相关单位和个人应当严格遵守国家标准木材等级标准,共同维护建筑工程的质量和安全。
原木产品检验标准一、引言原木产品是指未经加工的天然木材,主要用于家具制作、建筑工程等领域。
原木产品的质量直接影响到最终制成品的质量和安全性。
为了保障原木产品的质量,制定科学合理的检验标准是非常必要的。
二、标准适用范围本标准适用于原木产品的检验,包括但不限于天然木材的水分含量、木材种类鉴定、木材干燥处理等方面的检验。
三、术语和定义1. 原木产品:指未经加工的天然木材。
2. 水分含量:木材中所含水分的百分比。
3. 木材种类鉴定:对原木产品所属木材种类进行识别鉴定。
4. 木材干燥处理:对原木产品进行去除部分水分的处理过程。
四、检验项目及方法1. 水分含量检验:方法:采用电子水分测定仪等设备,按照相关标准进行检测。
标准:原木产品的水分含量应符合国家标准要求,一般在10%以下为宜。
2. 木材种类鉴定:方法:利用显微镜、化学试剂等工具,对木材的纹理、颜色、纹理特征等进行鉴定。
标准:根据国家相关标准,对原木产品所用木材种类进行鉴定确认。
3. 木材干燥处理检验:方法:通过检测木材的密度、重量等指标,判断木材是否经过干燥处理。
标准:木材干燥处理后应符合国家相关标准要求,确保木材稳定性和质量。
五、检验结果评定标准1. 合格品:原木产品经检验符合相关标准要求,可以用于生产加工。
2. 不合格品:原木产品经检验不符合相关标准要求,不能用于生产加工,需要进行退货或重新加工处理。
六、检验报告1. 检验报告应包括原木产品的基本信息、检验项目、检验结果、评定标准等内容。
2. 检验报告应由具有资质的检测机构出具,并加盖公章,具有法律效力。
七、检验标准的意义1. 保障产品质量:制定科学合理的原木产品检验标准,可以有效提高产品的质量和安全性。
2. 维护消费者权益:严格执行检验标准,可以保障消费者的合法权益,避免购买不合格产品。
3. 促进行业健康发展:规范原木产品市场秩序,促进行业的健康发展和可持续发展。
八、结论制定科学合理的原木产品检验标准,对于保障产品质量、维护消费者权益以及促进行业健康发展具有重要意义。
第二部分原木检验 1第一节尺寸的检量 2第二节材质评定31第三节材种区分72第四节材积计算73第五节标注工作75第二部分原木检验原木检验:对原木产品进行树种识别、尺寸检量、材质评定、材种区分、材积计算和标注工作的总称。
树种识别:是通过木材的内、外部特征来识别树种的一种适用技术,其任务是掌握木材外观特性、构造特征和木材性质并进行快速、准确地识别木材树种,为木材检验及合理使用创造条件。
尺寸检量:包括对木材的长度检量和直径的检量,即对原木检尺长和检尺径的检量和确定。
材质评定:对原木进行缺陷检量、等级评定、检量和鉴定的过程。
材种区分:区分根据树种特性相似、材性及材质相近为原则归类统一命名的原木。
材积计算:按标准规定检尺径和检尺长计算的原木体积。
标注工作:将原木的树种、材种、长级、径级和检验责任者标记在原木上。
第一节尺寸的检量1.1检尺长的检量1.1.1材长材长:原木两端断面之间相距最短处检量的尺寸。
图1.1.1 材长的检量备注:检量原木的材长量至厘米为止,不足厘米舍去。
1.1.2全材长全材长:原木两端头之间检量的最大尺寸。
图1.1.2 全材长的检量1.1.3检尺长(长级)检尺长(长级):按标准规定,经过进舍后的长度。
图1.1.3 检尺长的检量备注:检量原木的材长量至厘米为止,不足厘米舍去。
材长经过进舍后就是检尺长。
又比如:材长为3.42m,检尺长为3.4m。
长级:按标准规定的长度。
当原木的长度在2m以下时,每10cm进级,例如:检尺长为0.5m,0.6m,0.7m,……1.8m,1.9m,2.0m;当长度在2m以上8m以下时,每20cm进级,例如:检尺长为2.0m,2.2m,2.4m,2.5m,2.6m,2.8m ……7.8m,8.0m;8m以上,例如:检尺长为:8.0m,8.2m,8.4m,8.5m,……20.0m。
备注:2.5米为一个长级(如枕木),也有8.5m、9.5m作为长级的。
根据供需双方的协定,也可以自定长级。
欧洲云杉原木等级标准
欧洲云杉原木等级标准在制定过程中,需要考虑多种因素,包括原木的尺寸、形状、质量、健康状况、树种以及产地等。
以下是具体的等级标准:
一、尺寸和质量
1. 长度:原木的长度通常根据其用途和运输能力来确定。
一般来说,最短长度不应低于3米,最长不应超过12米。
2. 直径:原木的直径也是根据用途来确定的。
通常来说,直径不应低于15厘米,不应超过50厘米。
3. 体积:原木的体积可以通过计算其长度、直径和高度来得出。
一般来说,体积不应低于0.03立方米,不应超过0.2立方米。
4. 质量:原木的质量通常通过称重来得出。
一般来说,质量不应低于10千克,不应超过200千克。
二、形状和健康状况
1. 形状:原木的形状应该比较规则,没有过多的弯曲和分叉。
如果原木的形状过于不规则,会影响其加工和使用。
2. 健康状况:原木的健康状况应该良好,没有明显的病虫害和损伤。
如果原木的健康状况不佳,会影响其使用寿命和加工质量。
三、树种和产地
1. 树种:欧洲云杉的原木应该来自指定的树种,通常是欧洲云杉或其他相似的松柏科树种。
不同树种的木材性质和用途可能会有所
不同。
2. 出处:原木的出处应该明确,并能够提供证明文件。
如果原木来自非法砍伐或非法交易,将会受到法律制裁。
总之,欧洲云杉原木等级标准的制定需要考虑多种因素,包括尺寸和质量、形状和健康状况、树种和产地等。
这些因素都会影响原木的质量和使用寿命,因此在选择和使用原木时应该充分考虑这些因素。
木材定级方法
木材定级是根据木材的外表、质量、力学特性等因素进行评估的过程。
定级的目的是为了确定木材的品质和用途,方便合理的利用木材资源。
常见的木材定级方法有以下几种:
1.原木定级:主要是针对原木外貌的品质进行评估,并根据木材的长度、直径等要素进行分类。
2.切割面定级:评估木材切割面的清晰度、直线度、裂纹、孔洞等情况,以及木材的纹路、色泽等。
3.弹性模量定级:通过测试木材在受力下的形变和回弹能力来评估其
弹性模量,从而反映木材的组织结构和力学性能。
4.抗弯强度定级:通过测试木材在受力下的抗弯能力来评估其强度等级,以及水分含量、储存时间等因素对木材强度的影响。
5.粗放式定级:根据不同国家或地区的传统惯例和标准,使用主观评
估方法对木材进行分类。
以上是常见的木材定级方法,不同方法的使用依据不同,但都是为了
保证木材使用的质量和有效性。
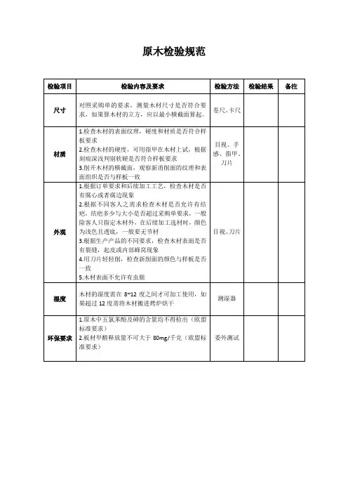
标准原木检验等级评定
本标准适用于原木产品。
根据GB 155.3-84《针叶树木材缺陷基本检量方法》、GB 44823.3-84《阔叶树木材缺陷基本检量方法》中有关圆材检量方面的规定,对原木的等级评定作出具体规定。
1 原木缺陷名称、定义的解释,按GB 155.2-84《针叶树木材缺陷名称、定义和对材质的影响》、GB 4823.2-84《阔叶树木材缺陷名称、定义和对材质的影响》的规定执行,各种缺陷的允许限度,按原木标准的规定执行。
评定原木等级时有两种或几种缺陷的,又降等最低的一种缺陷为准。
如缺陷超过针、阔叶原木三等材限度规定和GB 142-84《直接用原木》限度规定者,统按等外原木处理。
其中的针叶树和杨木可用作造纸。
2 检量各种缺陷的尺寸单位规定为:
2.1 纵裂长度、外夹皮长度、弯曲水平长度、弯曲拱高、扭转纹倾斜高度、环裂半径、弧裂拱高、外伤深度、偏枯深度均量至厘米止(以下均以cm表示),不足厘米者舍去。
2.2 其他各种缺陷均量至毫米止(以下均以mm表示),不足毫米者舍去。
对节子尺寸、虫眼最小直径和深度、裂纹宽度、外夹皮深度的计算起点尺寸,均按本标准有关条款的规定执行。
3 检尺长范围外的缺陷,除漏节、腐朽外,其他缺陷不予计算。
4 节子:
4.1 节子尺寸的检量是与树干纵长方向成垂直量得的最大节子尺寸与检尺径相比,以百分率节子尺寸不足30mm和阔叶树的活节,均不计算尺寸和个数。
4.1.1 针叶树的活节,应检量颜色较深、质地较硬部分(似黑眼球)的尺寸。
4.1.2 节子基部呈凸包形的,应量凸包上部的节子正常部位尺寸,见图1。
图1
4.1.3 阔叶树活节断面上的腐朽或空洞,按死节处理。
量其腐朽或空洞尺寸(与量节子尺寸方法相同)作为死节尺寸,见图2。
图2
4.1.4 大头连岔,指在树干两个分岔下部造材形成,断面有两个髓心并呈两组年轮系统,这种现象,不论连岔部位有无缺陷均不计算;如不构成两组年轮系统或因一般节子形成者,则按节子计算。
4.2 节子个数的统计是在材身检尺长范围内,任意选择节子个数最多的1m中查定。
但跨在该1m长一端交界线上不足二分之一的节子和检尺长终止线上及断面上的节子均不予计算,见图3。
图3
统计1m中的节子个数时,针叶树原木的活节、死节、漏节应相加计算;阔叶树原木的死节、漏节应相加计算。
5 漏节
漏节不论其尺寸大小,均应查定在全材长范围内的个数,在检尺长范围内的漏节,还应计算其尺寸。
6 材腐朽(外部腐朽):
6.1 边材腐朽的检量:断面上的边材腐朽(包括不正形的),以通过腐朽部位径向量得的量大厚度与检尺径
相比,以百分率表示,见图4。
图4
材身上的边材腐朽以弧长最宽处量得的边材腐朽深度与检尺径相比,如边材腐朽弧长不超过该断面圆周长的一半者,则以边材腐朽深度的二分之一与检尺径相比。
检量材身边材腐朽深度,以尺杆顺材长贴平材身表面,与尺杆成垂直径向最取。
6.1.1 表现在断面的多块边材腐朽,其各块边材腐朽的弧长应相加计算。
6.1.2 表现在材身的多块边材腐朽,以弧长最大一块的最宽处量得边材腐朽深度为准。
计算弧长时,应将该处同一圆周线上的多块边材腐朽弧长相加,见图5。
图5
6.2 材身、断面均有边材腐朽(含材身贯通到断面的),应以降等最低一处为评等依据。
断面上边材腐朽与心材腐朽相连的,按边材腐朽评等;断面边材部位的腐朽未露于材身外表的,按心材腐朽评等。
7 心材腐朽(内部腐朽):
7.1 心材腐朽的检量,是以腐朽面积与检尺径断面面积(指按检尺径计算的面积)相比,以百分率表示。
在同一断面内有多块各种形状(弧状、环状、空心等)的分散腐朽,均合并相加,调整成相当于腐朽的实际面积与检尺径断面面积相比。
7.2 在同一断面同时存在心材腐朽和边材腐朽,如该两种腐朽同属于三等原木限度者,应降为等外原木。
7.3 桦木断面粗糙,材色正常(有的是伪心材),木质坚硬的属于正常现象。
如木质粗糙松软,年轮不清晰,材异变,这种状态按腐朽处理。
7.4 已脱落劈裂材劈裂面上的腐朽,如贯通材身表面的按边材腐朽计算,通过腐朽部位径向检量其腐朽厚度;未贯通材身表面的按心材腐朽计算,与材长方向成垂直检量腐朽最大宽度作为心材腐朽直径,并视为圆形面积与检尺径断面面积相比;腐朽露于断面的以断面上腐朽的面积与检尺径断面面积相比。
8 虫眼
在材身检尺长范围内,任意选择虫眼最多的1m中查定个数。
应计算的虫眼,是指虫眼最小直径自3mm以上,同时深度自10mm以上,不足以上尺寸的不计。
虫眼直径以量得最小孔径为准;深度以贴平材表面垂直量得的深度为准。
查定虫眼个数量,跨在1m长交界线上和检尺长终止线上的虫眼以及原木断面上的虫眼,均不予计算。
9 裂纹
原木中一般只计算纵裂纹。
裂纹在针叶树原木中,其宽度不足3mm;阔叶树原木中,其宽度不足5mm的不予计算。
9.1 纵裂纹是以其长度与检尺长相比,以百分率表示。
9.1.1 材身有两根或数根纵裂,彼此相隔的木质宽度不足3mm的,应合并为一根计算长度;自3mm以上的,应分别计算其长度。
9.1.2 沿材身扭转开裂的裂纹,按纵裂计算。
应与材长纵轴平行检量裂纹长度。
9.1.3 松木的油线开裂和阔叶树材身的冻裂,其开裂部分的长度,均按纵裂计算。
9.2 环裂、弧裂,以断面最大一处环裂(指开裂超过半环的)半径或弧裂(指开裂不超过半环)拱高与检尺径相
比,见图6。
图6
9.3 阔叶树原木断面径向开裂成三块或数块,其中有三条裂口,宽度表现在该端材身上均足10mm,称为“炸裂”。
炸裂应按裂纹评等后再降一等,但三等的不再降等。
10 弯曲:
10.1 检量弯曲应从大头至小头拉一直线,其直线贴材身两个落线点间的距离为内曲水平长,与该水平直线成垂直量其弯曲拱高,与该内曲水平长相比,以百分率表示。
如有几个弯曲,评等时应以最大拱高的弯曲为准,见图7。
遇有两处最大弯曲拱高相等,则以其降等最低一处弯曲为准。
图7
10.2 量内曲水平长时,遇有节子、瘤包应当让去,取正常部位检量。
对于双心、肥兜、凸兜形成树干外形弯曲,均不按弯曲计算。
11 扭转纹
扭转纹是检量小头1m长范围内的纹理扭转起点至终点的倾斜高度(在小头断面上表现为弦长)与检尺径相比,以百分率表示。
12 外夹皮:
外夹皮深度不足3cm的不计。
自3cm以上的,则检量其夹皮全长与检尺长相比,以百分率表示。
12.1 外夹皮是顺材长呈沟条状,有的沟条底部裸露枯死木质,近似偏枯。
为了便于区别检量,凡沟条最宽处的两内侧或底部的宽度不超过检尺径10%的,按外夹皮计算;超过10%的,按偏枯处理。
12.2 断面上外夹皮处木质有腐朽,如腐朽位于沟条内侧或底部的,按外夹皮、心材腐朽降等最低缺陷量算;腐朽位于沟条外部的,按外夹皮、边材腐朽降等最低一种缺陷计算.
12.3 材身外夹皮沟条处木质有腐朽,按外夹皮、漏节降等最低一种缺陷计算。
13 偏枯
偏枯是量其径向深度与检尺径相比,以百分率表示。
已腐朽的偏枯,按偏枯、边材腐朽降等最低一种缺陷计算。
检量偏枯深度或边材腐朽深度,应以尺杆横贴原木表面径向量取。
14 外伤
外伤包括割脂伤、摔伤、烧伤、风折、刀斧伤、材身磨伤和其他机械损伤(打枝伤、刨勾眼不计)。
风折是查定个数,锯口伤限制深度外,其他各种外伤均量其损伤深度与检尺径相比,以百分142-84《直接用原木》和GB 143.3-84《针叶树加工用原木分等》、GB 4813.3-84《阔叶树加分等》中,均不得超过检尺径的20%,超过者应予让尺。
15 其他:
15.1 材身树瘤外表完好的,不按缺陷计算。
如树瘤上有空洞或腐朽的,按死节计算;已引起内部木质腐朽的,按漏节计算。
15.2 啄木鸟眼按虫眼和外伤计算。
如引起树干内部木质腐朽,按漏节计算;引起树干外表木质腐朽的,则按边材腐朽处理。
15.3 原木大头抽心,其抽心面积不超过检尺径断面面积16%的不计;超过16%应评为二等材。
15.4 白蚂蚁蛀蚀,其深度不足10mm的不计;自10mm以上的,在材身上按边材腐朽计算,在断面上按心材腐朽计算。
附加说明:
本标准由中华人民共和国林业部提出。
本标准由原木标准起草小组起草。