18成本管理形考1
- 格式:docx
- 大小:29.99 KB
- 文档页数:16
一、单选题(每小题2分)题干企业在生产各种工业产品等过程中发生的各种耗费,称为()。
选择一项:A. 生产费用B. 产品成本C. 成本D. 经营费用反馈你的回答正确题目2题干产品成本实际包括的内容称为()。
选择一项:A. 制造成本B. 成本开支范围C. 生产费用D. 成本反馈你的回答正确题干企业对于一些主要产品、主要费用应采用比较复杂、详细的方法进行分配和计算,而对于一些次要的产品、费用采用简化的方法进行合并计算和分配的原则称为()。
选择一项:A. 实际成本计价原则B. 合法性原则C. 重要性原则D. 成本分期原则反馈你的回答正确题目4题干某企业生产产品经过2道工序,各工序的工时定额分别为30小时和40小时,则第二道工序在产品的完工率约为()。
选择一项:A. 71%B. 70%C. 69%D. 68%反馈你的回答正确题干采用约当产量法计算在产品成本时,影响在产品成本准确性的关键因素是()。
选择一项:A. 完工产品的数量B. 在产品的完工程度C. 废品的数量D. 在产品的数量反馈你的回答正确题目6正确获得2.00分中的2.00分标记题目题干当各项消耗定额或费用比较准确、稳定,而且各月末在产品数量变化不大的产品,其月末在产品成本的计算方法可采用()。
选择一项:A. 在产品按定额成本计价法B. 在产品按所耗原材料费用计价法C. 在产品按约当产量比例法D. 在产品按完工产品计算法反馈你的回答正确题目7正确获得2.00分中的2.00分标记题目题干在大量生产的企业里,要求连续不断地重复生产一种或若干种产品,因而管理上只要求而且也只能按照()。
选择一项:A. 产品的批别计算成本B. 产品的步骤计算成本C. 产品的类别计算成本D. 产品的品种计算成本反馈你的回答正确题目8正确获得2.00分中的2.00分标记题目题干最基本的成本计算方法是()。
选择一项:A. 分类法B. 品种法C. 分步法D. 分批法反馈你的回答正确题目9正确获得2.00分中的2.00分标记题目题干采用分批法计算产品成本时,若是单件生产,月末计算产品成本时()。
第一次任务答案单项选择:CBDBD ABCDB ABBAB DCCAD多项选择:1、ABD2、ABCD 3BCD 4BCDE 5AB 6BE 7AC 8BCE 9CE 10ABCD 11ACD 12ABC 13AC 14ADE 15AC 16AD 17BD 18ABDE 19AC 20ABCDE判断:A B A A A A B B A A A A A A B B A A A A作品题:1、甲产品定额消耗量=300*10=3000(千克)乙产品定额消耗量=200*25=5000(千克)材料费用分配率=40000/(3000+5000)=5(元/千克)甲产品应负担材料费用=3000*5=15000(元)乙产品应负担材料费用=5000*5=25000(元)直接材料费用分配率=53900/(500+400*50%)=77完工产品应负担的直接材料费用=500*77=38500(元)月末在产品应负担的直接材料费用=(400*50%)*77=15400(元)燃料及动力费用分配率=1204/(500+400*50%)*77=1.72完工产品应负担燃料及动力费用=500*1.72=860(元)月末在产品应负担燃料及动力费用=(400*50%)*1.72=344直接工资费用分配率=196/(500+400*50%)=0..28完工产品直接工资费用=500*1.28=140(元)月末在产品直接工资费用=(400*50%)*0.28=56(元)制造费用分配率=3500/(500+400*20%)=5完工产品制造费用=500*5=2500(元)月末在产品制造费用=(400*20%)*5=1000(元)完工产品成本=38500+860+140+2500=42000(元)月末在产品成本=15400+344+56+1000=168003、表2 工资费用分配表表5 甲产品成本明细账制造费用分配率=(76000+3000)/(4000+2000)=13(元/小时) 甲产品应负担的制造费用=4000*13=52000(元)月末在产品的定额材料成本=980*13=19600(元)月末在产品的定额人工成本=695*20*50%=6950(元)月末在产品的定额制造费用=510*20*50%=5100(元)。
成本管理网上形考作业四一、单项选择题(下列各题只有一个符合题意的正确答案,将你选定的答案编号用英文大写字母填入括号内。
本类题共20分,每小题2分。
不选、错选或多选,本小题不得分。
)1. 下列支出中,可以列入产品成本的有()。
A. 被没收的财物B. 机物料消耗C. 捐赠支出D. 违约金支出答案:B。
2. 对某些费用支出的数额、比例作出具体规定的是() A. 成本开支范围费用开支标准 B.成本项目 C.费用要素D.答案:B)3. 质量成本趋势分析的指标有(。
产值质量成本率 A.销售基数 B.C. 销售收入质量成本率D. 质量成本利润率答案:B)。
4. 把质量成本的核算和正常的会计核算截然分开的方法称为(单轨制A.B. 双轨制集中制C.D. 非集中制答案:B5. 作业成本计算法计算间接费用分配率应考虑()。
A.生产工时B.作业目的C.总量标准D.成本动因答案:D6. 作业成本管理的核心是()。
A. 客户需求B. 作业分析C. 作业重构D. 作业考评答案:B。
)作业成本法的计算程序首先是(7.A. 确认计划目标、时间和范围B. 划分作业,建立作业中心C. 搜集与作业有关的资料D. 对有关人员进行培训答案:B8.作业成本计算法下间接成本与产量之间的关系为()。
A. 订购量越大,采用作业成本法计算的单位成本越低B. 订购量越大,采用作业成本法计算的单位成本越高C. 订购量越小,采用作业成本法计算的单位成本越低D. 无论订购量多少,计算出的单位成本都是相同的答案:A9.下列对作业成本计算法不正确的表述是()。
A. 作业成本计算法的应用受到适用条件的限制B. 作业的计量和分配带有一定的主观性C. 成本动因有着严谨的判断方法D. 作业成本计算法并没有解决与作业活动无关的间接费用分配问题答案:C10. 在JIT制度下,制造费用的分配,通常是在()。
A. 材料购进时B. 产品生产完成时C. 材料领用时D. 会计期末时答案:B二、多项选择题(下列各题,有两个或两个以上符合题意的正确答案,将你选定的答案编号用英文大写字母分别填入括号内。
国开形成性考核《成本管理》形考任务(2)试题及答案(课程ID:00192,整套相同,如遇顺序不同,Ctrl+F查找,祝同学们取得优异成绩!)一、单项选择题(共10道试题,共20分。
)1、已知企业只生产一种产品,单位变动成本为每件3元,固定成本总额为60000元,产品单价为5元,则保本销量为(B)件。
【A】:12000【B】:30000【C】:7500【D】:200002、在经济决策过程中,因选取某一方案而放弃另一方案所付出的代价,称为(B)。
【A】:专属成本【B】:机会成本【C】:差量成本【D】:重置成本3、以某一先进单位产品成本作为目标成本的一种预测方法称为(A)。
【A】:选择测算法【B】:比率测算法【C】:直接测算法【D】:倒扣测算法4、计算贡献边际率,可以用单位贡献边际去除以(D)【A】:销售收入【B】:总成本【C】:变动成本【D】:单位售价5、在成本决策中不需要区分相关成本与无关成本的决策方法是(D)。
【A】:成本无差别点法【B】:差量损益分析法【C】:相关成本分析法【D】:总额分析法6、进行本量利分析,必须把企业全部成本区分为固定成本和(D)【A】:制造费用【B】:直接人工【C】:直接材料【D】:变动成本7、按照本量利分析的假设,收入模型和成本模型的自变量均为同一个(C)【A】:单位变动成本【B】:固定成本【C】:销售量【D】:销售单价8、倒扣测算法是在事先确定(B)的基础上,首先预计产品的售价和销售收入,然后扣除价内税和目标利润,余额即为目标成本的一种预测方法。
【A】:目标单价【B】:目标利润【C】:目标成本【D】:目标销量9、那些由于过去的决策所引起,已经发生并支付过款项的成本,称为(C)。
【A】:变动成本【B】:专属成本【C】:沉没成本【D】:历史成本10、在成本决策中,零部件自制较外购所增加的成本,属于(D)。
【A】:机会成本【B】:无关成本【C】:变动成本【D】:差量成本二、多项选择题(共10道试题,共20分。
2018《管理会计》形考答案试卷总分:100 测试时间:--单选题 |多选题1.单位固定成本在相关范围内的变动规律为()。
•随业务量的增加而减少•随业务量的减少而减少•随业务量的增加而增加•不随业务量的变动而变动2.租赁费属于()。
•酌量性固定成本•约束性固定成本•技术性变动成本•酌量性变动成本3.为排除业务量因素的影响,在管理会计中,反映变动成本水平的指标一般是指()。
•变动成本总额•单位变动成本•变动成本的总额与单位额•变动成本率4.已知某企业生产电水壶,产品单价为500元,变动成本率为40%,固定成本总额为90000元,则企业的保本量为()件。
•200•300•500•6005.以下按成本性态划分的成本概念是()。
•相关成本•固定成本•机会成本•责任成本6.按照管理会计的解释,成本的相关性是指()。
•与决策方案有关的成本特性•与控制标准有关的成本特性•与资产价值有关的成本特性•与归集对象有关的成本特性7.业绩评价会计又称为()。
•责任会计•成本会计•质量管理•成本管理8.将全部成本分为固定成本、变动成本和混合成本所采用的分类标志是()。
•成本的核算目标•成本的可辨认性•成本的经济用途•成本的习性9.已知某企业生产甲、乙两种产品,其单位贡献毛益率分别为15%和20%,销售比重分别为40%和60%,则用加权平均法计算综合贡献毛益率为()。
•15%•17.5%•18%•20%10.下列各项中,能构成变动成本法产品成本内容的有()。
•变动成本•固定成本•生产成本•变动生产成本11.在其他因素不变的条件下,产品的单价提高,将导致保本点()。
•升高•降低•不变•不一定变动12.在利润——业务量式盈亏临界图中,若横轴表示销售量,则利润线的斜率表示()。
•贡献毛益率•单位变动成本•单位贡献毛益•变动成本率13.进行本量利分析,必须把企业全部成本区分为固定成本和()。
•税金成本•材料成本•人工成本•变动成本14.某公司生产A产品,该产品的单位变动成本为50元,单价为80元,如果固定成本保持不变,当单位变动成本上升20%时,想保持保本销售量不变,单价应调整为()。
<成本管理>--01任务1. 公司在生产多种工业产品等过程中发生旳多种耗费,称为()C. 生产费用2. 产品成本实际涉及旳内容称为()B. 成本开支范畴3. 公司对于某些重要产品、重要费用应采用比较复杂、具体旳措施进行分派和计算,而对于某些次要旳产品、费用采用简化旳措施进行合并计算和分派旳原则称为()。
D. 重要性原则4. 某公司生产产品通过2道工序,各工序旳工时定额分别为30小时和40小时,则第二道工序在产品旳竣工率约为()。
D. 71%5. 采用约当产量法计算在产品成本时,影响在产品成本精确性旳核心因素是()。
B. 在产品旳竣工限度6. 当各项消耗定额或费用比较精确、稳定,并且各月末在产品数量变化不大旳产品,其月末在产品成本旳计算措施可采用()。
A. 在产品按定额成本计价法7. 在大量生产旳公司里,规定持续不断地反复生产一种或若干种产品,因而管理上只规定并且也只能按照()。
B. 产品旳品种计算成本8. 最基本旳成本计算措施是()。
A. 品种法9. 采用分批法计算产品成本时,若是单件生产,月末计算产品成本时()。
B. 不需要将生产费用在竣工产品和在产品之间进行分派10. 需要进行成本还原所采用旳成本计算措施是()。
C. 逐渐结转分步法(综合结转)1. 产品旳价值取决于生产上耗用旳社会必要劳动量,它旳构成内容涉及()。
A. 产品中所耗用旳物化劳动旳价值B. 劳动者为自己劳动所发明旳价值D. 劳动者剩余劳动所发明旳价值2. 在进行成本核算时,在不同步期、不同产品以及产成品和在产品之间对旳分摊费用,应分清有关成本旳几种界线涉及()。
A.分清本期成本和下期成本旳界线B. 分清多种产品成本旳界线C. 分清在产品成本和产成品成本旳界线D. 分清计入产品成本和不应计入产品成本旳界线3. 下列各项中,属于工业公司成本项目旳有( )B. 直接材料C. 燃料及动力D. 废品损失E. 直接工资4. 要素费用旳分派原则是()。
一、单项选择题(下列各题只有一个符合题意的正确答案。
本类题共20分,每小题2分。
不选、错选或多选,本小题不得分。
)题目1正确获得2.00分中的2.00分标记题目题干企业编制成本计划时,应根据其生产的特点和管理的要求进行,在规模比较小的企业,其成本计划的编制可采取()。
选择一项:A. 一级成本计划编制方式B. 三级成本计划编制方式C. 一级和二级相结合的编制方式D. 二级成本计划编制方式反馈你的回答正确题目2正确获得2.00分中的2.00分标记题目题干企业在编制成本计划时,一般是先编制()。
选择一项:A. 基本生产车间的成本计划B. 期间费用预算C. 辅助生产车间的成本计划D. 制造费用总预算反馈你的回答正确题目3正确获得2.00分中的2.00分标记题目题干成本报表属于()。
选择一项:A. 对内报表B. 既是对内报表,又是对外报表C. 对内还是对外由企业决定D. 对外报表反馈你的回答正确题目4正确获得2.00分中的2.00分标记题目题干可比产品降低额与可比产品降低率之间的关系是()选择一项:A. 同方向变动B. 成正比C. 无直接关系D. 成反比反馈你的回答正确题目5正确获得2.00分中的2.00分标记题目题干填制商品产品成本表必须做到()。
选择一项:A. 填制时无需划分可比、不可比产品B. 可比、不可比产品须分别填列C. 既可分别,也可合并填列D. 可比、不可比产品可合并填列反馈你的回答正确题目6正确获得2.00分中的2.00分标记题目题干计算可比产品成本实际降低率的分母是可比产品按()计算的本年累计总成本。
选择一项:A. 本年计划平均单位成本B. 本年实际平均单位成本C. 上年实际平均单位成本D. 上年计划平均单位成本反馈你的回答正确题目7正确获得2.00分中的2.00分标记题目题干可比产品成本实际降低额是指()。
选择一项:A. Σ(实际产量×上年实际单位成本)-(实际产量×本年实际单位成本)B. Σ(实际产量×本年计划单位成本)-(实际产量×本年实际单位成本)C. Σ(计划产量×上年实际单位成本)-(计划产量×本年实际单位成本)D. Σ(实际产量×上年实际单位成本)-(实际产量×本年计划单位成本)反馈你的回答正确题目8正确获得2.00分中的2.00分标记题目题干成本考核的目标是()。
《成本管理》平时作业参考答案(一)一、单项选择题1.下列各项中,属于产品生产成本项目的是( B )。
A.外购动力费用 B.制造费用 C.工资费用 D.折旧费用2.下列各项中,属于工业企业费用要素的是( C )。
A.工资及福利费 B.燃料及动力 C.工资费用 D.原材料3. 工业企业成本核算的内容是( C )。
A.产品生产成本 B.期间费用 C.产品生产成本和期间费用 D.各成本项目的费用4.采用辅助生产费用分配的交互分配法,对外分配的费用总额是( D )。
A.交互分配前的费用 B.交互分配前的费用加上交互分配转入的费用 C.交互分配前的费用减去交互分配转出的费用 D.交互分配前的费用再加上交互分配转入的费用,减去交互分配转出的费用5.在各辅助生产车间相互提供劳务很少的情况下,适宜采用的辅助生产费用分配方法是( A )。
A.直接分配法 B.交互分配法 C.计划成本分配法 D.代数分配法6.下列方法中,可能使“制造费用”账户有月末余额的是( B )。
A.生产工人工时比例分配法 B.按年度计划分配率分配法 C.生产工人工资比例分配法 D.机器工时比例分配法7.分配加工费用时所采用的在产品完工率,是指产品( B )与完工产品工时定额的比率。
A.所在工序的工时定额 B.前面各工序工时定额之和与所在工序工时定额之半的合计数 C.所在工序的累计工时定额 D.所在工序的工时定额之半8.如果某种产品的月末在产品数量较大,各月在产品数量变化也较大,产品成本中各项费用的比重相差不多,生产费用在完工产品与月末在产品之间分配,应采用的方法是( B )。
A.不计在产品成本法 B.约当产量比例法 C.在产品按完工产品计算法 D.定额比例法9.某产品经三道工序加工而成。
每道工序的工时定额分别为15小时、25小时、10小时。
各道工序在产品在本道工序的加工程度按工时定额的50%计算。
第三道工序的累计工时定额为( C )。
A.10小时 B.50小时 C.45小时 D.40小时10.下列方法中,属于产品成本计算辅助方法的是( D )。
【国开】《成本会计》形考1-15章节练习题库第1章总论(一)单项选择题题目1&1.产品成本是指企业生产一定种类、一定数量的产品所支出的各项()。
A. 生产经营管理费用总和B. 生产费用之和C. 料、工、费及经营管理费用总和D. 经营管理费用总和正确的答案是:生产费用之和题目2&2.成本会计的对象是( )。
A. 各行业企业生产经营业务的成本和有关的期间费用B. 产品生产成本的形成C. 各项期间费用的支出和归集D. 生产费用和期间费用正确的答案是:各行业企业生产经营业务的成本和有关的期间费用题目3&3.成本会计的任务主要决定于( )。
A. 成本会计的法规和制度B. 成本会计的组织机构C. 生产经营的特点D. 企业经营管理的要求正确的答案是:企业经营管理的要求题目4&4.中小型企业为充分发挥成本会计工作的职能作用、提高成本会计工作的效率,一般采用工作方式是()。
A. 车间工作方式B. 统一工作方式C. 集中工作方式D. 分散工作方式正确的答案是:集中工作方式(二)多项选择题题目5& 1.成本会计的职能包括( ABCDE )。
A. 成本核算、分析B. 成本考核C. 成本控制D. 成本预测、决策E. 成本计划题目6&2.一般来说,企业应据本单位( )等具体情况与条件来组织成本会计工作。
(ABCE)A. 企业机构的设置B. 成本管理的要求C. 生产经营业务的特点D. 成本计算方法E. 生产规模的大小题目7&3.下列各项中,属于成本会计核算和监督的内容有( BE )。
A. 企业利润的实现及分配B. 各项生产费用的支出和产品生产成本的形成C. 营业收入的实现D. 盈余公积的提取E. 各项期间费用的支出和归集过程题目8&4.成本会计机构内部的组织分工有(AE )。
A. 按成本会计的职能分工B. 集中工作方式C. 分散工作方式D. 统一工作方式E. 按成本会计的对象分工(三)判断题题目9&1、产品的实际生产成本包括废品损失和停工损失。
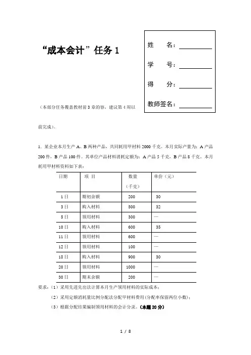
“成本会计”任务1(本部分任务覆盖教材前3章的容,建议第4周以前完成)。
1.某企业本月生产A、B两种产品,共同耗用甲材料2000千克。
本月实际产量为:A产品200件,B产品100件。
其单位产品材料消耗定额为:A产品5千克,B产品8千克。
本月耗用甲材料资料如下表:要求:(1)采用先进先出法计算本月生产领用材料的实际成本;(2)采用定额消耗量比例分配法分配甲材料费用(分配率保留两位小数);(3)根据分配结果编制领用材料的会计分录。
(本题20分)某企业本月生产A、B两种产品,共同耗用甲材料2000千克。
本月实际产量为:A产品200件,B产品100件。
其单位产品材料消耗定额为:A产品5千克,B产品8千克。
本月耗用甲材料资料如下表:解题:(1)采用先进先出法计算本月生产领用材料的实际成本;(2)采用定额消耗量比例分配法分配甲材料费用(分配率保留两位小数);某种产品材料定额消耗量=该种产品实际产量*单位产品材料消耗定额A产品材料定额消耗量=200*5=1000(公斤)B产品材料定额消耗量=100*8=800(公斤)原材料费用分配率=64000/(1000+800)=35.56A产品应分配的原材料费用=1000*35.56=35560(元)B产品应分配的原材料费用=800*35.56≈28440(元)(3)根据分配结果编制领用材料的会计分录。
借:基本生产成本——A产品 35560——B产品 28440贷:原材料 640002.某工业企业9月26日通过银行支付外购动力费用24000元。
9月末查明各车间、部门耗电度数为:基本生产车间耗电35000度,其中车间照明用电5000度;辅助生产车间耗电8900度,其中车间照明用电1900度;企业管理部门耗电6000度。
该月应付外购电力费共计24950元。
要求:(1)按所耗电度数分配电力费用,A、B产品按生产工时分配电费。
A产品生产工时为36000小时,B产品生产工时为24000小时。
题目1.企业在生产各种工业产品等过程中发生的各种耗费,称为()。
A. 经营费用
B. 生产费用
C. 成本
D. 产品成本
【答案】:生产费用
题目2.产品成本实际包括的内容称为()。
A. 成本
B. 成本开支范围
C. 生产费用
D. 制造成本
【答案】:成本开支范围
题目3.企业对于一些主要产品、主要费用应采用比较复杂、详细的方法进行分配和计算,而对于一些次要的产品、费用采用简化的方法进行合并计算和分配的原则称为()。
A. 重要性原则
B. 成本分期原则
C. 实际成本计价原则
D. 合法性原则
【答案】:重要性原则
题目4.某企业生产产品经过2道工序,各工序的工时定额分别为30小时和40小时,则第二道工序在产品的完工率约为()。
A. 70%
B. 69%
C. 71%
D. 68%
【答案】:71%。
(精华版)最新国家开放大学电大《成本管理》形考网考作业(任务二)试题及答案任务二一、单项选择题(共 10 道试题,共 20 分。
)1. 以某一先进单位产品成本作为目标成本的一种预测方法称为()。
C. 选择测算法2. 进行本量利分析,必须把企业全部成本区分为固定成本和()D. 变动成本3. 按照本量利分析的假设,收入模型和成本模型的自变量均为同一个()D. 销售量4. 计算贡献边际率,可以用单位贡献边际去除以()A. 单位售价5. 已知企业只生产一种产品,单位变动成本为每件3元,固定成本总额为60000元,产品单价为5元,则保本销量为()件。
A. 300006. 倒扣测算法是在事先确定()的基础上,首先预计产品的售价和销售收入,然后扣除价内税和目标利润,余额即为目标成本的一种预测方法。
A. 目标利润7. 在经济决策过程中,因选取某一方案而放弃另一方案所付出的代价,称为()。
B. 机会成本8. 在成本决策中,零部件自制较外购所增加的成本,属于()。
B. 差量成本9. 那些由于过去的决策所引起,已经发生并支付过款项的成本,称为()。
C. 沉没成本10. 在成本决策中不需要区分相关成本与无关成本的决策方法是()。
A. 总额分析法二、多项选择题(共 10 道试题,共 20 分。
)1. 本量利分析模型确立的前提条件包括()A. 成本性态分析假定B. 相关范围假定C. 线性假定D. 基本模型假定2. 保本点的表现形式包括()。
B. 保本量3. 产品总成本发展趋势的预测方法主要有()。
B. 加权平均法C. 移动平均法D. 简单平均法E. 指数平滑法4. 定量预测方法包括()。
A. 简单平均法B. 加权平均法D. 指数平滑法5. 定性预测方法包括()C. 函询调查法E. 头脑风暴法6. 在成本决策中应予以考虑的成本有()。
D. 机会成本E. 重置成本7. 下列属于无关成本的有()。
B. 沉没成本E. 共同成本8. 由多个方案共同负担的成本,属于()。
开形成性考核【成本管理】形考任务⑷试题及答案(课程ID: 00192,整套相同,如遇顺序不同,Ctrl+F直找,祝同学们取得优异成绩!)一、单项选择题(共10道试题,共20分。
)1、下面支出中,可以列入产品成本的有(B)[A]:被没收的财物[B]:机物料消耗[C]:捐赠支出[D]:违约金支出2、把质量成本的核算和正常的会计核算截然分开的方法称为(B)[A]:单轨制[B]:双轨制[C]:集中制[D]:非集中制3、作业成本计算法计算间接费用分配率应考虑(A)[A]:成本动因[B]:总量标准[C]:作业目的[D]:生产工时4、在JIT制度下,制造费用的分配,通常是在(B)[A]:材料领用时[B]:产品生产完成时[C]:会计期末时[D]:材料购进时5、下面对作业成本计算法不正确的表述是(D)。
[A]:作业成本计算法并没有解决与作业活动无关的间接费用分配问题[B]:作业的计量和分配带有一定的主观性[C]:作业成本计算法的应用受到适用条件的限制[D]:成本动因有着严谨的判断方法6、作业成本计算法下间接成本与产量之间的关系为(B)[A]:无论订购量多少,计算出的单位成本都是相同的[B]:订购量越大,采用作业成本法计算的单位成本越低[C]:订购量越大,采用作业成本法计算的单位成本越高[D]:订购量越小,采用作业成本法计算的单位成本越低7、质量成本趋势分析的指标有(D)[A]:质量成本利润率[B]:销售收入质量成本率[C]:产值质量成本率[D]:销售基数8、作业成本法的计算程序首先是(C)[A]:确认计划目标、时间和范围[B]:对有关人员进行培训[C]:划分作业,建立作业中心[D]:搜集与作业有关的资料9、对某些费用支出的数额、比例作出具体规定的是(B)[A]:成本开支范围[B]:费用开支标准[C]:费用要素[D]:成本项目10、作业成本管理的核心是(D)[A]:作业重构[B]:客户需求[C]作业考评[D]:作业分析二.多项选择题(共10道试题,共20分。
成本管理01任务一、单项选择题(共10 道试题,共20 分。
)1. 企业在生产各种工业产品等过程中发生的各种耗费,称为()A. 成本B. 产品成本C. 生产费用D. 经营费用满分:2 分2. 产品成本实际包括的内容称为()A. 生产费用B. 成本开支范围C. 成本D. 制造成本满分:2 分3. 企业对于一些主要产品、主要费用应采用比较复杂、详细的方法进行分配和计算,而对于一些次要的产品、费用采用简化的方法进行合并计算和分配的原则称为()。
A. 实际成本计价原则B. 成本分期原则C. 合法性原则D. 重要性原则满分:2 分4. 某企业生产产品经过2道工序,各工序的工时定额分别为30小时和40小时,则第二道工序在产品的完工率约为()。
A. 68%B. 69%C. 70%D. 71%满分:2 分5. 采用约当产量法计算在产品成本时,影响在产品成本准确性的关键因素是()。
A. 在产品的数量B. 在产品的完工程度C. 完工产品的数量D. 废品的数量满分:2 分6. 当各项消耗定额或费用比较准确、稳定,而且各月末在产品数量变化不大的产品,其月末在产品成本的计算方法可采用()。
A. 在产品按定额成本计价法B. 在产品按完工产品计算法C. 在产品按约当产量比例法D. 在产品按所耗原材料费用计价法满分:2 分7. 在大量生产的企业里,要求连续不断地重复生产一种或若干种产品,因而管理上只要求而且也只能按照()。
A. 产品的批别计算成本B. 产品的品种计算成本C. 产品的类别计算成本D. 产品的步骤计算成本满分:2 分8. 最基本的成本计算方法是()。
A. 品种法B. 分批法C. 分步法D. 分类法满分:2 分9. 采用分批法计算产品成本时,若是单件生产,月末计算产品成本时()。
A. 需要将生产费用在完工产品和在产品之间进行分配B. 不需要将生产费用在完工产品和在产品之间进行分配C. 区别不同情况确定是否分配生产费用D. 应采用同小批生产一样的核算方法满分:2 分10. 需要进行成本还原所采用的成本计算方法是()。
一、单项选择题(共10道试题,共20分。
)题目1采用分批法计算产品成本时,若是单件生产,月末计算产品成本时()。
A. 区别不同情况确定是否分配生产费用B. 不需要将生产费用在完工产品和在产品之间进行分配C. 需要将生产费用在完工产品和在产品之间进行分配D. 应采用同小批生产一样的核算方法正确答案是:不需要将生产费用在完工产品和在产品之间进行分配题目2当各项消耗定额或费用比较准确、稳定,而且各月末在产品数量变化不大的产品,其月末在产品成本的计算方法可采用()。
A. 在产品按完工产品计算法B. 在产品按约当产量比例法C. 在产品按定额成本计价法D. 在产品按所耗原材料费用计价法正确答案是:在产品按定额成本计价法题目3企业在生产各种工业产品等过程中发生的各种耗费,称为()A. 经营费用B. 成本C. 产品成本D. 生产费用正确答案是:生产费用希望是本无所谓有,无所谓无的。
这正如地上的路;其实地上本没有路,走的人多了,也便成了路。
题目4 企业对于一些主要产品、主要费用应采用比较复杂、详细的方法进行分配和计算,而对于一些次要的产品、费用采用简化的方法进行合并计算和分配的原则称为()A. 合法性原则B. 实际成本计价原则C. 重要性原则D. 成本分期原则正确答案是:重要性原则题目5 采用约当产量法计算在产品成本时,影响在产品成本准确性的关键因素是()A. 完工产品的数量B. 在产品的数量C. 在产品的完工程度D. 废品的数量正确答案是:在产品的完工程度题目6 产品成本实际包括的内容称为()A. 生产费用B. 成本开支范围C. 制造成本D. 成本正确答案是:成本开支范围希望是本无所谓有,无所谓无的。
这正如地上的路;其实地上本没有路,走的人多了,也便成了路。
题目7某企业生产产品经过2道工序,各工序的工时定额分别为3 0小时和4 0小时,则第二道工序在产品的完工率约为()。
A. 68%B. 69%C. 71%D. 70%正确答案是:71%题目8 需要进行成本还原所采用的成本计算方法是()。
A. 平行结转分步法B. 逐步结转分步法(分项结转)C. 品种法D. 逐步结转分步法(综合结转)正确答案是:逐步结转分步法(综合结转)题目9 最基本的成本计算方法是()。
A. 分类法B. 品种法C. 分批法D. 分步法正确答案是:品种法希望是本无所谓有,无所谓无的。
这正如地上的路;其实地上本没有路,走的人多了,也便成了路。
题目 10 在大量生产的企业里,要求连续不断地重复生产一种或若干种产品,因而管理上只 要求而且也只能按照() 。
A. 产品的品种计算成本B. 产品的步骤计算成本C. 产品的类别计算成本D. 产品的批别计算成本正确答案是:产品的品种计算成本二、多项选择题(共 10 道试题,共 20 分。
)题目 11 产品的价值取决于生产上耗用的社会必要劳动量,它的组成内容包括() 。
A. 企业生产中发生的全部支出B. 产品中所耗用的物化劳动的价值C. 劳动者剩余劳动所创造的价值D. 劳动者创造价值的总和E. 劳动者为自己劳动所创造的价值正确答案:产品中所耗用的物化劳动的价值 , 劳动者为自己劳动所创造的价值 , 劳动者剩余 劳动所创造的价值题目 12 品种法的适用范围是() 。
A. 管理上要求分步骤计算成本的多步骤生产B. 大量大批生产C. 管理上要求分步骤计算成本的单步骤生产希望是本无所谓有,无所谓无的。
这正如地上的路;其实地上本没有路,走的人多了,也便成了路。
D. 单步骤生产或管理上不要求分步骤计算成本的多步骤生产E. 小批单件生产正确答案:大量大批生产, 单步骤生产或管理上不要求分步骤计算成本的多步骤生产题目13 企业在选择在产品成本计算方法时应考虑的因素主要有()。
A. 成本计算程序的繁简B. 定额管理基础的好坏C. 各月在产品数量变化的大小D. 各项费用比重的大小E. 在产品数量的多少正确答案:在产品数量的多少, 各月在产品数量变化的大小, 各项费用比重的大小, 定额管理基础的好坏题目14 采用约当产量比例法计算完工产品和在产品成本时,应具备的条件是()。
A. 产品成本中原材料和加工费用的比重相差不大B. 各月末在产品变化较大C. 产品成本中原材料和加工费用的比重相差较大D. 月末在产品数量较小E. 月末在产品数量较大正确答案:月末在产品数量较大, 各月末在产品变化较大, 产品成本中原材料和加工费用的比重相差不大希望是本无所谓有,无所谓无的。
这正如地上的路;其实地上本没有路,走的人多了,也便成了路。
题目15 要素费用的分配原则是()。
A. 直接费用直接计入产品成本B. 直接费用分配计入产品成本C. 间接费用直接计入产品成本D. 所有的费用均应采用一定的方法在各种产品当中进行分配E. 间接费用分配计入产品成本正确答案:所有的费用均应采用一定的方法在各种产品当中进行分配, 直接费用直接计入产品成本, 间接费用分配计入产品成本题目16 在分批法中间接费用的分配方法有()。
A. 累计分配法B. 直接成本分配法C. 计划成本分配法D. 定额比例分配法E. 当月分配法正确答案:计划成本分配法, 累计分配法, 当月分配法题目17 在进行成本核算时,在不同时期、不同产品以及产成品和在产品之间正确分摊费用,应分清有关成本的几个界线包括()。
A. 分清各种产品成本的界线B. 分清本期成本和下期成本的界线C. 分清在产品成本和产成品成本的界线希望是本无所谓有,无所谓无的。
这正如地上的路;其实地上本没有路,走的人多了,也便成了路。
希望是本无所谓有,无所谓无的。
这正如地上的路;其实地上本没有路,走的人多了,也便成了路。
D. 分清计入产品成本和不应计入产品成本的界线E. 分清本企业产品成本和其他企业产品成本的界线正确答案:分清本期成本和下期成本的界线, 分清各种产品成本的界线, 分清在产品成本和产成品成本的界线, 分清计入产品成本和不应计入产品成本的界线题目18 下列各项中, 属于工业企业成本项目的有()A. 燃料及动力B. 外购材料C. 废品损失D. 直接材料E. 直接工资正确答案:外购材料, 直接材料, 燃料及动力, 废品损失, 直接工资题目19 在多步骤生产的企业里,为了计算各生产步骤的成本,加强各个生产步骤的生产管理,一般要求按照() 。
A. 产品的类别计算成本B. 产品的品种计算成本C. 产品的批别计算成本D. 产品的生产步骤计算成本E. 产品的件别计算成本正确答案:产品的品种计算成本, 产品的生产步骤计算成本, 产品的件别计算成本题目20 分步法的适用范围是()。
A. 单步骤生产或管理上不要求分步骤计算成本的多步骤生产B. 小批单件生产C. 管理上要求分步骤计算成本的单步骤生产D. 大量大批生产E. 管理上要求分步骤计算成本的多步骤生产正确答案:大量大批生产, 管理上要求分步骤计算成本的多步骤生产三、判断题(共20 道试题,共20 分。
)题目21 企业在进行费用分配时,应先分配基本生产车间的制造费用,然后才能分配辅助生产车间的制造费用。
()正确的答案是“错”。
题目22 市场经济条件下成本管理体系的构成一般包括国家宏观成本管理体系和企业内部的成本管理体系两个方面。
()正确的答案是“错”。
题目23 按定额成本计算法计算在产品成本时,期末在产品按定额成本计算,定额成本与实际成本之间的差异额,应在年末时采用适当的分配方法在各种产品当中进行分配。
()正确的答案是“错”。
题目24 成本核算的分期,不一定与会计制度的分月、分季、分年相一致。
()希望是本无所谓有,无所谓无的。
这正如地上的路;其实地上本没有路,走的人多了,也便成了路。
希望是本无所谓有,无所谓无的。
这正如地上的路;其实地上本没有路,走的人多了,也便成了路。
正确的答案是“对”。
题目25 在分步法下成本计算所分的步骤与生产过程的步骤口径一致。
()正确的答案是“错”。
题目26 在所有的辅助生产费用分配方法中,最准确的方法是一次交互分配法。
()正确的答案是“错”。
题目27 对于产品三包损失,也应作为废品损失处理。
()正确的答案是“错”。
题目28 采用逐步结转分步法不能提供各个生产步骤的半成品成本资料。
()正确的答案是“错”。
题目29 采用直接分配法分配辅助生产费用时,辅助生产车间之间相互提供产品或劳务也应计算其应负担的金额。
()正确的答案是“错”。
题目30 期间费用的高低与产品产量的多少成正比例的关系,即产量提高,期间费用也随之增加,反之,产量降低,期间费用也随之减少。
()正确的答案是“错”。
题目31 材料费用的分配一般是通过编制材料费用分配表进行的。
()正确的答案是“对”。
题目32 生产费用按经济内容和经济用途划分的要素费用和成本项目所包括的内容相同。
()正确的答案是“错”。
题目33 在大量大批生产的企业里,其成本计算期一般是在产品完工时进行计算。
()正确的答案是“错”。
题目34 品种法是按月定期计算产品成本的。
()正确的答案是“对”。
题目35 当企业的各项消耗定额或费用定额比较准确、稳定,而且各月末在产品数量变化不大时,可采用定额比例法计算在产品的成本。
()正确的答案是“错”。
题目36 如果各月份的间接费用水平相差悬殊,采用"累计分配法"会影响到各月成本计算的准确性。
()正确的答案是“对”。
题目37采用平行结转分步法计算产品成本时,需要进行成本还原。
()希望是本无所谓有,无所谓无的。
这正如地上的路;其实地上本没有路,走的人多了,也便成了路。
正确的答案是“错”。
题目38 在几种产品共同耗用几种材料的情况下,材料费用的分配应采用产品材料定额成本比例分配法进行分配。
()正确的答案是“对”。
题目39固定资产折旧费是产品成本的组成部分,应该全部计入产品成本。
()正确的答案是“错”。
题目40在一般情况下,企业在本期投产的产品往往能在本期完工,本期完工的产品一定全部都是由本期投产的。
()正确的答案是“错”。
四、计算题(共2 道试题,共40 分。
)1. 某车间生产甲、乙两种产品,共耗原料2000 千克,单价20 元,原料费用合计40000 元。
本月投产甲产品300 件,乙产品200 件。
甲产品单位消耗定额10 千克,乙产品为25 千克,要求采用材料定额耗用量的比例分配材料费用。
材料费用分配率=40000 - (300 X 10+200 X 25)=5甲产品应分配负担原料费用= 3000 X 5=15000 (元)希望是本无所谓有,无所谓无的。
这正如地上的路;其实地上本没有路,走的人多了,也便成了路。
乙产品应分配负担原料费用= 5000 X 5=25000 (元)2. 某种产品经两道工序完成,原材料随加工进度陆续投入。
原材料消耗定额为:第一道工序70% ,第二道工序30% 。