定向井专用工具分解
- 格式:ppt
- 大小:2.77 MB
- 文档页数:92
第五讲定向井、水平井专用工具水平井是最大井斜角保持在90 “左右,并在目的层中维持一定长度水平井段的特殊定向井。
水平井钻井技术是常规定向井钻井技术的延伸和发展。
水平井要求在产层或某一指定的地层钻成有一定长度延伸的水平段,这就决定了其工艺上固有的特殊性。
而工具的选择与使用必须能够保证钻头(或钻柱)按照设计的井眼轨迹准确运行。
水平井、特别是中半径水平井井身轨迹的特殊性,需要造斜工具必须具有较高的造斜能力,这是钻成水平井的基本保障;其次,在满足高造斜率要求的基础上还必须使工具有较好的稳定性。
要想使井眼有一定的偏斜并不困难,以往的定向钻井工艺早已解决了这方面的问题,但当井斜角大到一定程度后,继续增斜、至使井斜角接近或超过90°,这就存在着很大的难度,这是常规的定向钻井工具所不能完成的。
另外,水平井段的钻进也是我们前未遇的新问题,钻柱在这种特殊状态下的延伸必须有特殊的工具辅以维持。
为了满足水平井钻井施工的需要,设计制造出钻各种大、中曲率半径水平井的井下专用工具,通过现场试验使用进一步改进完善,总结出适合水平井钻井的工具模式。
一般说来,水平井钻井的生产工序环节,大致上分为造斜,增斜、稳斜或稳平,有时根据地质要求需另附加水平取芯段。
水平井井身轨迹的控制要求严格,各阶段使用的工具不尽相同,各种工具的研究技术难点也各不相同。
水平井钻井工具主要包括水平井钻井常用井下工具和地面工具两部分,该章主要介绍的井下工具是稳定器、无磁钻铤、螺旋钻铤、加重钻杆、定向接头、弯接头、定向弯接头、定向造斜专用PDC钻头、井底动力钻具(螺杆动力钻具、涡轮钻具)?和水平井取心工具等。
地面工具主要包括转盘量角器、钻杆量角器、钻铤量角器、方钻杆标定尺、钻杆划线规、定向键调节扳手。
壬刍宀沖稳定器、概述稳定器用途最为广泛,不论是增斜、降斜段,还是稳斜、稳平段,都是不可缺少的工具之一。
根据不同生产段的需要和水平井自身的特点,稳定器有不同的形状及几何尺寸。
第三章定向井主要钻井工具介绍3.1泥浆马达介绍泥浆马达由:驱动头、轴承总成、万向接头、转子、定子和旁通阀组成。
其马达部分由定子和转子组成,泵入钻具的钻井液流经马达推动转子转动后再流经钻头,转子的旋转力传递给钻头带动钻头旋转。
图3-1,井下马达的主要部件。
图3-1井下马达的主要部件图卜h井下马达询主要部件F面以纳维钻具为例分别介绍泥浆马达的各主要部件: 3.1.1旁通阀旁通阀是为了使循环液绕过马达,因此,下钻时可让循环液灌入钻柱;起钻或接钻杆时可让管内液体泻出。
当无循环或低泵量循环时,弹簧使活塞处于上部位置,此时,孔道开启,泥浆可流入钻柱或自钻柱流出。
活塞的动作取决于排量,相当于推荐最大排量的30%寸活塞被下推座于活塞座上,于是孔道被封闭,钻井液径直流经马达如果停泵,弹簧再将活塞顶回到原来上部位置,孔道又被开启。
图3-2旁通阀示意图图3四旁通阀示憲图3.1.2 多级马达目前各类井下马达多为容积式马达,基本由以下两部分组成:①具有螺旋形内腔的橡胶硫化定子。
②螺旋形的钢转子,其表面镀有硬度材料以减少磨损并防止腐蚀。
在定子橡胶和转子抗磨及抗腐蚀金属表面间是连续密封的,所以当泥浆经马达时转子就转动(如图3-3所示)。
,图37 容联式马达赫子和定子剧视图图3-3容积式马达转子和定子剖视图这种马达最大优点是:①钻井扭矩直接和马达产生的压降成正比。
②转子的转速只取决于排量,不受扭矩的影响,因此,当进行钻井作业时,在钻台上就可以确定并控制转速和扭矩。
3.1.3 万向轴转子下端和万向轴总成相连,万向轴可把转子的非同心转动转变为驱动接头的同心转动。
万向轴总成由两个万向接头组成,每个万向接头均以抗油强力橡胶套密封并充满黄油,橡胶套密封的作用旨在使万向接头不受泥浆污染。
3.1.4轴承总成和驱动接头用轴承支撑的驱动接头将马达的转动和扭矩传给钻头。
约有2%的泥浆排量通过并润滑轴承,绝大部分钻井泥浆经径向轴承上面的水槽进入驱动轴并经钻头流出。
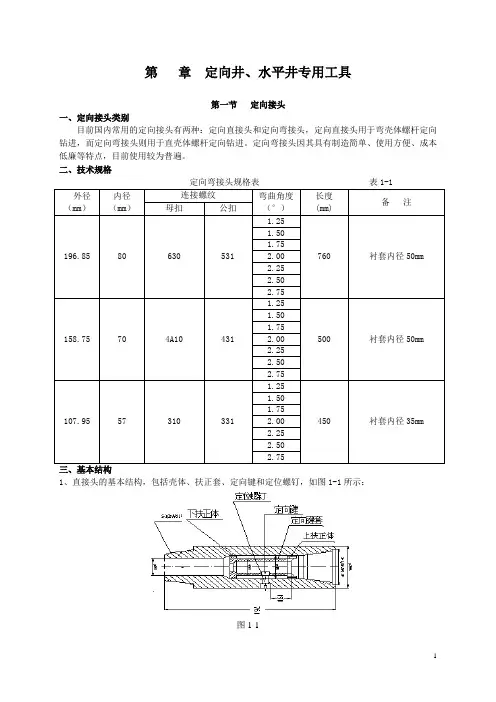
第章定向井、水平井专用工具第一节定向接头一、定向接头类别目前国内常用的定向接头有两种:定向直接头和定向弯接头,定向直接头用于弯壳体螺杆定向钻进,而定向弯接头则用于直壳体螺杆定向钻进。
定向弯接头因其具有制造简单、使用方便、成本低廉等特点,目前使用较为普遍。
二、技术规格定向弯接头规格表表1-1外径(mm)内径(mm)连接螺纹弯曲角度(°)长度(mm)备注母扣公扣196.85 80 630 531 1.25760 衬套内径50mm 1.501.752.002.252.502.75158.75 70 4A10 431 1.25500 衬套内径50mm 1.501.752.002.252.502.75107.95 57 310 331 1.25450 衬套内径35mm 1.501.752.002.252.502.75三、基本结构1、直接头的基本结构,包括壳体、扶正套、定向键和定位螺钉,如图1-1所示:图1-12.定向弯接头的基本结构,包括壳体、扶正套、定向键、定位螺钉如图1-2所示:定向弯接头结构示意图图1-2弯接头弯曲度数的计算公式:α=57.3(a-b)/d式中:α——弯曲角度(º)a——长边长度(mm)b——短边长度(mm)d——外径(mm)四、弯接头性能不同螺杆钻具使用弯接头在不同井眼的造斜率表1-2第二节无磁钻铤一、作用由于所有磁性测量仪器在测量井眼的方向时,感应的是井眼的大地磁场,因而测量仪器必须是一个无磁环境。
然而在钻井过程中,钻具往往具有磁性,具有磁场,影响磁性测量仪器,不能得到正确的井眼轨迹测量信息数据,利用无磁钻铤可实施无磁环境,并且具有钻井中钻铤的特性。
国外已有相当数量的无磁钻铤产品于1990年列入API标准。
我国根据国外产品和产品样本制订了SY/T 5145-86《无磁钻铤》标准。
二、工作原理无磁钻铤工作原理如图2-1所示:无磁钻铤的作用原理示意图2-1注:①地磁场线;②磁性测量仪;③钢钻铤;④干扰磁场线;⑤钻头接头;⑥无磁钻铤无磁钻铤上下的干扰磁场线对测量仪器部位没有影响,因而无磁钻铤为磁性测量仪器创造了一个无磁环境,保证了磁性测量仪器测到的数据为真实大地磁场信息。
定向井工具面基础知识定向井工具是石油工业中常用的一种工具,它可以帮助钻井工程师在钻井过程中改变井眼的方向和角度。
定向井工具可以实现垂直井眼的转换为水平井眼,或者将水平井眼转换为斜井眼,这样可以帮助钻井工程师从一个位置到达另一个位置,以便更有效地勘探和开采石油储藏层。
定向井工具通常包括测斜仪、导向钻头和悬挂物等部件。
测斜仪可以测量井眼的方向和角度,导向钻头可以改变井眼的方向和角度,而悬挂物则可以将这些工具悬挂在钻杆上,以便在钻井过程中使用。
测斜仪是定向井工具中最重要的部件之一,它可以测量井眼相对于地球表面的方向和角度。
测斜仪通常由一个或多个加速度计组成,这些加速度计可以测量井眼相对于重力的方向和角度。
通过对这些数据进行处理,钻井工程师可以了解井眼的位置和方向,以便调整导向钻头的位置和方向。
导向钻头是定向井工具中最重要的部件之一,它可以改变井眼的方向和角度。
导向钻头通常由一个或多个导向翼组成,这些导向翼可以产生侧向力,将井眼向所需方向偏转。
导向钻头通常由钻头、传感器和控制装置组成,控制装置可以控制导向钻头的运动,以便实现所需的井眼方向和角度。
悬挂物是定向井工具中的重要部件,它可以将测斜仪和导向钻头悬挂在钻杆上,以便在钻井过程中使用。
悬挂物通常由上、下两个部分组成,上部分可以固定在钻杆上,下部分可以固定测斜仪和导向钻头。
在钻井过程中,钻杆可以旋转和推进,测斜仪和导向钻头可以根据所需方向和角度进行调整,以便实现井眼的转向和调整。
总的来说,定向井工具是石油钻井工程中至关重要的一种工具,它可以帮助钻井工程师在钻井过程中实现井眼的转向和调整,以便更有效地勘探和开采石油储藏层。
定向井工具的面基础知识包括测斜仪、导向钻头和悬挂物等部件,以及它们的功能和使用方法。
第五节定向井造斜工具及轨迹控制造斜:由垂直井段开始钻出具有一定方位的斜井段的工艺过程。
造斜点:开始造斜时的深度。
垂直井段开始倾斜的起点。
造斜工具:(1)井底动力钻具造斜工具;(2)转盘钻造斜工具。
(3)混合钻进造斜工具——导向式马达第五节定向井造斜工具及轨迹控制一、井底动力钻具造斜工具动力钻具(井下马达):涡轮钻具、螺杆钻具、电动钻具。
工作特点:在钻进过程中,动力钻具外壳和钻柱不旋转,有利于定向造斜。
1、动力钻具造斜工具的种类三种:弯接头、弯外壳马达、偏心垫块。
(1)弯接头(斜接头)造斜原理:迫使钻头倾斜,造成对井底的不对称切削;井壁迫使弯曲部分伸直,由钻柱的弹性力使钻头产生侧向切削。
影响弯接头造斜率的因素:弯角越大,造斜率越大;一般为0.5°~2.5°。
弯曲点以上钻柱的刚度越大,造斜率越大;弯点至钻头的距离越小且重量越小,造斜率越大;钻速越小,造斜率越高。
(2)弯外壳马达(原理与弯接头类似)(3)偏心垫块杠杆原理,垫块作为支点。
弯接头、弯外壳马达、偏心垫块。
2.涡轮钻具的结构与特性结构:特性:转速与流量成正比,扭矩与流量的平方成正比,压降与流量的平方成正比,功率与流量的三次方成正比。
流量一定时,转速随扭矩的减小而增大。
空转时,转速达到最高,所以不应当用涡轮钻具进行划眼。
涡轮钻具工作特性图2.螺杆钻具的结构与特性特性:(1)螺杆钻具的转速、扭矩、压力降、功率与流量之间的关系,与涡轮钻具相同。
(2)螺杆钻具的扭矩与压力降成正比。
压力降可从泵压表上读出,扭矩则反映所加钻压的大小,所以可以看着泵压表打钻。
根据泵压表上的压力降还可以换算出钻头上的扭矩,从而可以较为准确地求得反扭角。
螺杆钻具螺杆钻具工作特性示意图二、转盘钻造斜工具变向器、射流钻头、扶正器组合。
1、变向器早期造斜工具。
现在仅用于套管内开窗侧钻,或不适宜用动力钻具的井内。
钻头上安放1个大喷嘴、2个小喷嘴。
靠大喷嘴射流冲击出斜井眼。