边坡生态防护技术指南SZDBZ 31-2010
- 格式:pdf
- 大小:1.19 MB
- 文档页数:28
竭诚为您提供优质文档/双击可除边坡防护技术规范篇一:高边坡防护施工技术方案湖北省宜巴高速公路29合同段高边坡防护施工技术方案中交路桥北方工程有限公司湖北省宜巴高速公路土建第29标项目经理部二0一0年九月二十八日目录1、编制依据................................................. ................................................... ................................................... ........................................32、工程概况................................................. ...........................................................................................33、施工组织及进度计划................................................. ................................................... ................................................... ..............33.1施工人员及机械配备................................................. ................................................... ...33.2高边坡治理措施及总体施工顺序................................................. ..................................53.2.1高边坡治理措施(附设计图)............................................... ....................................53.2.2高边坡防护总体施工顺序................................................. ..........................................73.3分项工程施工进度安排................................................. .. (7)4、施工工艺与方................................................... ................................................... ..........................84.1截水沟施工................................................. ................................................... ...................84.2窗式护面墙及浆砌片石方格网植草护坡施工................................................. ..............84.3锚杆框架植草护坡施工................................................. (104).4排水孔施工................................................. ................................................... .................114.5抗滑桩施工工艺及方法................................................. (124).5.1施工准备................................................. ................................................... .................124.5.2基桩开................................................... .................134.5.3绑扎护壁钢筋................................................. ................................................... .........134.5.4锁口施工................................................. ................................................... .................134.5.5护壁模板制安................................................. ................................................... .........134.5.6护壁砼浇筑................................................. ................................................... .............144.5.7检底................................................. ................................................... .........................154.5.8桩身钢筋制安................................................. ................................................... .........154.5.9灌注桩身砼..............................................................164.6预应力锚索施工方法................................................. ................................................... .164.6.1施工准备................................................. ................................................... .................174.6.2钻孔................................................. ................................................... .........................174.6.3清孔................................................. ................................................... .........................174.6.4锚索制作................................................. ................................................... .................174.6.5锚索安装与注浆................................................. ................................................... .....184.6.6浇筑锚索混凝土垫座..................................................6.7张拉与二次注浆................................................. ................................................... .....184.6.8抗拔力试验................................................. ................................................... .............195、质量保障措施................................................. ................................................... ................................................... .............................195.1质量目标................................................. ................................................... .....................195.2质量保障体系................................................. ................................................... .............205.3质量保证措施................................................. ................................................... .............205.3.1技术控制措施..........................................................205.3.2测量(边坡监测)控制措施................................................. ....................................245.3.3试验控制措施................................................. ................................................... .........255.3.4施工过程应急预案................................................. ................................................... .256、安全保证措施................................................. ................................................... ................................................... .............................266.1安全管理目标................................................. ................................................... .............266.2安全控制管理机构................................................. ................................................... .....266.3人工挖孔桩施工安全措施.................................................破作业安全控制................................................. ................................................... .....286.5施工用电安全................................................. ................................................... .............297、文明施工及环境保护措施................................................. ................................................... ................................................... ....308、节能减排措施................................................. ................................................... ................................................... .. (32)高边坡防护工程施工技术方案1、编制依据(1)(2)(3)(4)(5)(6)(7)(8)《宜昌至巴东高速公路两阶段施工图设计》;《宜巴至巴东高速公路项目技术规范》;《公路工程技术标准》jtgb01-20xx;《公路桥涵设计通用规范》jtgd60-20xx;《公路钢筋混凝土及预应力混凝土桥涵设计规范》jtgd62-20xx;《公路桥涵施工技术规范》jtj041—2000;《公路工程施工安全技术规范》jtj076—95;《公路工程质量检验评定标准》jtgF80/1-20xx2、工程概况k165+547~k165+800段路基所处地理位臵属构造剥蚀低山地貌,斜坡地形,坡向193~253°,坡度23.4~31.3°,山坡上以堆积体为主,结构松散。
边坡生态防护施工工法边坡生态防护施工工法一、前言随着城市化进程的加速推进,土地资源的开发利用也变得越来越紧张。
边坡工程是土地利用中的重要部分,但其在施工过程中往往面临着较大的风险和挑战。
为了保护土地资源的安全和生态环境的完整,边坡生态防护施工工法应运而生。
本文将详细介绍边坡生态防护施工工法的特点、适应范围、工艺原理、施工工艺、劳动组织、机具设备、质量控制、安全措施、经济技术分析和工程实例。
二、工法特点边坡生态防护施工工法以生态保护和环境修复为目标,注重边坡稳定性与生态功能的综合发展。
工法特点主要包括:1. 生态效益显著:通过植被覆盖和生物多样性保护等措施,提高边坡的生态功能,使其具有水土保持、生物修复和景观绿化等多重效益。
2. 抗冲刷耐候性强:采用特殊的材料和结构设计,具有较强的抗冲刷和抗侵蚀能力,可以适应不同的气候条件和水土结构。
3. 工程造价较低:相对于传统边坡防护工法,边坡生态防护施工工法不仅造价相对较低,而且具有较长的使用寿命和较低的维护成本。
三、适应范围边坡生态防护施工工法适用于各种土地利用场景中的边坡工程,特别适用于:1. 岩质边坡工程:可以有效增加岩石边坡的稳定性,减少岩石裂缝和风化层的发展,降低岩块的脱落风险。
2. 土质边坡工程:通过植被覆盖和土壤改良措施,提高土质边坡的抗冲刷和抗滑的能力,改善土质的物理力学性能。
3. 河岸边坡工程:可以修复和保护河岸边坡的生态环境,提高河岸的稳定性和抗洪能力。
四、工艺原理边坡生态防护施工工法的基本原理是通过生态修复和土壤改良等技术手段,提高边坡的稳定性和生态效益。
具体包括以下几个方面:1. 植被覆盖:通过选择适宜的植物种类和植物配置方式,形成密集的根系系统和多层次的植被覆盖,增加土地的保持力和自然保护能力。
2. 土壤改良:采用物理、化学或生物等方法改良边坡土壤的物理结构和化学性质,提高土壤的稳定性和抗冲刷能力。
3. 水保措施:通过设置防渗排水系统和防雨水系统,有效控制边坡内的水分平衡,减少土壤的渗透和侵蚀。
高速公路边坡生态防护施工技术作者:杨峰俞梓安来源:《城市建设理论研究》2013年第04期摘要:高速公路边坡绿化应尽量突出生态、景观效益,贯彻“色彩丰富、简洁明快、三季有花、四季常绿、错落有致”的设计原则,满足高等级公路绿化功能的需要,达到改善环境、遮光防眩、诱导视线并使边坡稳定的目的,为驾乘人员提供安全、舒适、优美的外部环境。
在对计公路边坡的绿化设计过程中,边坡较高时,为了防止乔、灌木枝叶对公路交通产生影响,一般在接近公路的边坡种植草本植物。
关键词:高速公路边坡生态防护中图分类号:U412.36+6文献标识码: A 文章编号:伴随着我国高等级公路建设的飞速发展,高速公路里程不断增长,与此同时建设中带来的负面影响越来越受到有关部门和社会公众的关注,如在施工中经常需要挖方填土、破山开路等,低填、高挖往往会对原本的坡体平衡和生态环境造成破坏,从而形成大量土石裸露的边坡,不但容易造成坡体滑坡、水土流失、泥石流、土石塌方等交通安全隐患,而且还会破坏公路周边生物圈,严重破坏周边自然生态环境。
在此情况下,如何在建设公路的施工过程中,尽量减少对周围环境的伤害,使人与自然能够和谐相处,建设生态型高等级公路,逐渐成为研究的焦点。
一、生态恢复与环境保护存在的问题1)责任主体不明,规章制度缺失。
目前我国尚无一部完整的部门规章对参建各方的环保责任进行认定,对高速公路建设的环保问题的管理仍旧处于起步阶段,没有对参建各方的行为进行约束,结果就导致承包商在施工中无所顾忌,造成了环境遭破坏后也无法追究相关单位的责任。
2)先破坏后恢复。
很多高速公路在建设过程中,盲目地进行大规模的破坏性施工,没有针对生态恢复和环境保护提出系统的的设计方案,等主体工程完工后才想到要进行生态恢复,这样往往会使生态恢复的成本大大增加,难度也大大增加,甚至一些地方被破坏非常严重,已经完全无法恢复。
即使在施工结束后针对性的提出了一些景观设计方案,也往往与周边环境不协调,主要体现在:①人造景观、圬工体过多。
公路边坡生态防护技术客土喷播技术1. 边坡修整清理。
清理排队边坡上的杂物与浮石,对边坡作简易修整,边坡特别凸出的地方用榔头修理,特别凹的地方用石块填补,陡急的凹处用水泥耗资将石块粘结砌平。
主要施工设备:客土喷播机(空气压缩机)、输送管、普通卡车、抽水泵、自动震动筛。
2. 施工顺序:边坡开挖、明、暗排水施工、边坡刚性骨架防护、边坡表面清理、修饰、边坡岩、土质酸碱度检测、酸碱性岩、土的中和处理(在肥料中添加中和剂)、客土材料的准备(草、灌木、乔木、耕植土、粘结剂、稳定剂、水)、设备调试、试生产、检验喷播效果、调整后规模生产。
注意事项:(1)边坡开挖要采取动态施工的方法,注意观测边坡的稳定性,边开挖、边完善排水并同步进行刚性骨架防护工程施工;(2)边坡防护要动态设计,岩土工程复杂多变,要根据边坡开挖岩质情况与勘探资料核对,对设计方案及时进行调整,确保边坡稳定;(3)对边坡的岩质情况、裂隙发育情况、水理情况、酸碱度等进行分析、测试,做到一坡一客土喷播配比方案;(4)施工时注意天气的变化,大雨前禁止施工,以防突然降雨造成冲刷破坏;(5)施工最好选在雨季施工,减少浇水灌溉的施工投入;(6)注意高空作业的安全生产工作,做到安全生产措施到位。
工程防护1、抹面。
将石灰炉渣混合砂浆。
石灰炉渣三合土、四合土或水泥石灰砂浆涂抹在路堑边坡上,厚3~10,封闭防护。
适用于页岩、泥灰岩、千枚岩、泥质板岩等。
2、捶面。
将三合土、四合土或水泥炉渣混合土摊铺于坡面,人工夯实,形成封闭的隔离层。
主要适用于易受冲刷的土质边坡,或风化剥落的坡度缓于1:0.5的软岩边坡。
3、喷浆及喷混凝土。
主要适用于易风化但尚未严重风化的岩石边坡。
喷射砂浆强度不低于10,厚度为5~7,喷射混凝土的强度不低于C15,厚度为10~15cm,当坡面岩石较破碎时,可采用¢4~10mm,间距10cm×10 cm钢丝网平铺于坡面,并用锚钉固定,再喷射混凝土。
边坡生物防护工程施工技术生物防护工程施工应结合边坡的地质、水文条件以及高度和坡率,选择不同的防护形式,尽量选用当地草种,坚持草灌结合、冷暖结合、四季常绿的原则,总体上满足稳定坡体、美化景观的要求。
一、客土喷播防护1、适用范围:石质路堑边坡防护2、工作内容客土喷播是一种将含有草种的有机质混合物喷射在岩石上,达到既防护边坡又恢复植被的边坡处理方法。
对于边坡稳定性不足的岩质边坡,首先在坡面上打设锚杆并挂镀锌铁丝网,稳定坡面,然后将按照一定配方拌和的植壤土、粘合剂、保水剂、土壤改良剂以及草木种籽等混合物喷射在边坡上。
3、一般要求1)根据坡率和坡面的破碎程度,喷射厚度一般为0.08~0.12m;2)草灌种籽及喷植混合料配比应满足业主提出的草灌结合、冷暖结合的要求,并拌和均匀。
3)喷射在坡面上混合物应具有足够的孔隙率和肥力以保证植物生长良好。
4)生成的植被在陡于1:0.75的边坡上应具备保护坡面和抵抗雨水冲刷的必要强度。
4、具体施工工艺1)清理边坡松动的孤石。
2)打设锚杆。
锚杆为φ14以上的螺纹钢,长50~80cm。
锚杆数量为25根/100m2。
3)挂镀锌铁丝网。
将镀锌铁丝网固定在锚杆上,铁丝网搭接为20cm,搭接处以铁丝固定。
4)钢筋辅助固定。
根据铁丝网与坡面的接触情况,打设辅助钢筋,将铁丝网紧固在坡面上。
5)将植壤土打碎过筛,然后将植壤土、纤维物、粘合剂、肥料、植物生长剂、土壤稳定剂等充分混和,搅拌均匀。
6)将上述均匀混合物通过喷浆机喷射于已挂铁丝网的坡面上后,将草灌种籽与上面第5)条中所述物质充分拌和,通过喷浆机喷射于已喷混合物土的坡面上。
7)喷射完毕,用无纺布覆盖坡面,然后进行养护管理至草坪成坪。
5、材料选定1)绿化基材:由土壤改良剂、保水剂、胶粉等混合而成。
2)BPR混合植被种子:按冷暖结合、草灌结合、四季常绿的原则进行配种。
3)纤维:取秸秆、树枝叶等机械粉碎成10mm目数即可。
4)植壤土:地表土壤,经风干后过8mm筛即可。
边坡绿化与生态防护技术随着社会进行各项基础工程的建设,形成了各种类型的边坡,这些边坡的存在对生态环境造成了不良影响,有些甚至会引起灾害隐患。
针对这些边坡,根据具体坡面立地条件,因地制宜地选择防护技术模式,在实现坡体稳定的同时还能够保证一定程度的植被覆盖率或是与自然相融合的坡面景观是当前急需解决的课题。
本书结合工程和设计实践,采用案例进行工程分析,对指导工程建设项目形成的不同立地类型坡面实现生态防护具有重要的实践指导作用。
边坡生态防护现状近十多年来人们开发出了多种既能起到良好边坡防护作用,又能改善工程环境、体现自然环境美的边坡植物防护新技术,与传统的坡面工程防护措施共同形成了边坡工程植物防护体系。
边坡绿化与生态防护技术根据不同的边坡土质条件,采用不同的施工方法和施工工艺可将边坡植物防护技术分为:①人工种草护坡;②平铺草皮护坡;③液压喷播植草护坡;④土工网植草护坡;⑤OH液植草护坡;⑥行栽香根草护坡;⑦蜂巢式网格植草护坡;⑧客土植生植物护坡;⑨喷混植生植物护坡。
各类边坡植物防护技术的主要作用及应用条件各不相同。
人工种草护坡人工种草护坡,是通过人工在边坡坡面简单播撒草种的一种传统边坡植物防护措施。
多用于边坡高度不高、坡度较缓且适宜草类生长的土质路堑和路堤边坡防护工程。
具有施工简单、造价低廉等特点。
但由于草籽播撒不均匀,草籽易被雨水冲走,种草成活率低等原因,往往达不到满意的边坡防护效果,而造成坡面冲沟,表土流失等边坡病害,导致大量的边坡病害整治、修复工程,使得该技术近年应用较少。
平铺草皮护坡,是通过人工在边坡面铺设天然草皮的一种传统边坡植物防护措施。
具有施工简单、工程造价较低等特点。
适用于附近草皮来源较易、边坡高度不高且坡度较缓的各种土质及严重风化的岩层和成岩作用差的软岩层边坡防护工程,是设计应用最多的传统坡面植物防护措施之一,但由于施工后期养护管理困难,平铺草皮易被冲走,且成活率低,工程质量往往难以保证,达不到满意的边坡防护效果,而造成坡面冲沟,表土流失、坍滑等边坡病害,导致大量的边坡病害整治、修复工程。
公路边坡生态防护技术公路边坡生态防护技术是非常重要的,公路上行驶车辆产生的尾气对周围环境会造成巨大影响,防护措施做好才能更好的处理细节。
公路建设不可防止地要对道路通过地区的生态环境产生影响,主要表现为改变原地形地貌、扰乱土壤构造、破坏植物群落、降低生物多样性、影响局地气候、增加水土流失危险性等。
边坡的开挖使地表植被遭到破坏,水土流失加剧;同时在坡度较大或构造不良的地方,还可能造成崩塌、滑坡等,给工农业生产和人民生活带来严重危害。
如不对公路边坡实施保护措施,不仅公路自身的设施安全和行车安全得不到保障,还将对周边地区的生态环境带来不利影响。
如何处理好公路边坡综合防护问题,使公路边坡与生态环境能够协调发展,是今后公路建设工程面临的一个重大的课题。
一、边坡生态防护的优越性对于道路边坡防护设计来说,防护类型是多种多样的,有生物防护、坡面防护、砌石防护、锚杆防护、抗滑桩防护、挡土墙防护等等。
生物防护主要就是在边坡上种植草丛或灌木或两者兼有,以减缓边坡上的水流速度,利用植物根系固结边坡土壤以有效减轻冲刷,从而到达保护边坡的目的。
这对于一切适合种植的土质边坡都是应当首先选用的防治措施。
生物防护还可以绿化环境和周围景观相协调,这也是一种符合环保要求的防护方法。
生物防护具有施工工期短、造价低(生物防护的资金投入约为工程措施的1/3)等多种优点。
但过去受多方面因素的影响如:新技术、新材料、思想意识等,限制了生物防护技术的推广应用。
二、边坡生态防护的功能边坡生态防护主要是用植物或者植物和非生命的材料相结合的方式,代替纯工程防护方式,起到稳定边坡和防止侵蚀的作用。
边坡生态防护的功能表达在以下几个方面:(一)边坡防护边坡防护是生态防护最基本的功能。
合理的边坡生态防护能防治边坡水土流失、坡面失稳、塌陷或者滑坡等常见的病害。
生态防护一方面是通过工程防护作为受力或施力框架来维持边坡的稳定性,另一方面是通过植被恢复来利用植物护坡功能来进一步稳固土体,同时植物根系起到加筋作用,防治坡面的破坏。
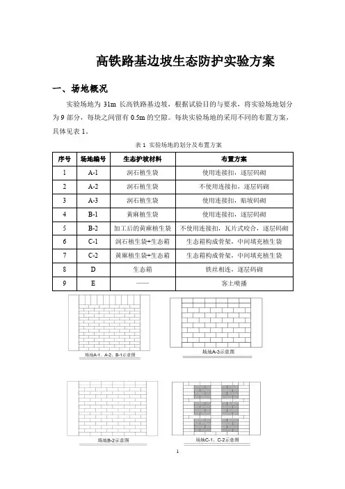
高铁路基边坡生态防护实验方案一、场地概况实验场地为31m长高铁路基边坡,根据试验目的与要求,将实验场地划分为9部分,每块之间留有0.5m的空隙。
每块实验场地的采用不同的布置方案,具体见表1。
表1 实验场地的划分及布置方案二、基质土的配比改良种植土的基质包含复合肥、秸秆、保水剂三部分1.复合肥(1) 氮肥能够促使茎,叶生长茂盛,叶色浓绿;钾肥能够增强病虫害和提高抗倒伏能力,促进糖分和淀粉的生成;磷肥能够促使作物根系发达,增强抗寒抗旱能力。
(2) 一般养护水平的草坪年施氮量8g/m2左右。
磷施肥量一般养护水平草坪4.5g/m2。
(3) 三者的比例一般为10:6:4或10:5:5为宜,为避免施肥后立即产生不适当的刺激作用;并保证养分源源不断供给草坪,至少有一半的氮应是缓效氮。
2.秸秆(1) 秸秆还田对于土壤物理性状的影响:一是增加表层土壤的湿度,提高土壤保水能力;二是有机物增加加深了土壤颜色,产生增温效益。
(2) 秸秆还田对土壤化学性状的影响:秸秆中的有机物质分解矿化,可以改变土壤的化学性状,大大提高土壤中的有机质和氮元素的含量,既可以节省化肥成本,又达到了施肥的效果。
(3) 秸秆与微生物:秸秆在土壤中被微生物腐解以后产生的腐殖质可以提高土壤的粘结性,改善通透性,给作物更加适宜的生长环境。
3.保水剂(1) 由于京雄高铁段属于温带大陆性季风气候,年均降雨量454.4mm,降雨量不足,而且所需植被种植密度大,因此考虑加入保水剂。
(2) 保水剂是一种无毒无害的功能性高分子化学材料,它遇水可反复吸收膨胀数倍。
保水剂可将偶然降雨迅速地吸收而膨胀成凝胶将水分贮藏起来,干旱时缓释给植物的根系,当保水剂全部吸水膨胀后,可以供应草坪持续干旱一天的生长需要。
(3) 用量:保水剂用量一般取30到50g/m2。
4.材料配比按20cm厚的土壤基质来计算:取氮肥80g/m2,磷、钾各40g/m2,复合肥共160g/m2,秸秆500g/m2,保水剂40g/m2。
公路边坡生态防护施工技术摘要:随着我国经济的迅速发展,我国公路建设工程也取得了良好的发展成果。
边坡生态防护技术的应用能有效促进公路建设工程的可持续发展,其具有的调节自然环境、减少噪音、稳固边坡等优势,使其在实际中得到广泛的应用。
本文首先阐述了生态防护的概念及内涵,之后分析了边坡生态防护的作用,最后对公路边坡生态防护形式展开研究,可供参考。
关键词:公路;边坡生态防护;施工技术导言:生态防护技术是随着世界范围内高速公路建设而兴起的一门工程技术。
不同于传统的工程防护技术,生态防护技术充分利用植物自身特点并结合必要的工程防护起到工程建设与环境保护兼顾的目的。
在越来越重视环境保护和生活质量的今天,生态防护已成了公路边坡防护的一种趋势,代表着边坡防护的发展方向。
1边坡生态防护理念生态保护的理念已经应用于土木工程建设的各个领域。
其基本概念是利用植物或植物和非生物植物材料的组合来减少边坡不稳定性和气候侵蚀。
狭义的生态保护是在斜坡上种植植物,通过人工手段使植物覆盖斜坡,防止水土流失,保护水资源。
生态防护的基本原理是通过植物的根系发展,使根茎与土壤之间相互缠绕并提高附着力,以加固边坡并提高边坡表面抗冲刷能力,同时还能防止边坡表面被侵蚀,能够恢复公路边坡的自然生态环境,是一种行之有效的固坡和护坡方式。
2生态防护特点生态防护与常规工程防护有区别。
正常的工程防护在短时间内生效,并能以相对较低的成本发挥稳定的作用。
但是,由于设计初期理念简单,缺乏对生态保护和环境保护的综合分析,二者存在差异,不能满足生态防护的实际要求。
此外,在公路边坡的形成中实施生态防护,首先种植新鲜植被,利用植物和土壤进行保护,可以发挥显著的保护优势。
此外生态边坡的防护也是关键,可以修复由于生态防护不当引起的问题,需要从修复建设的角度入手,避免破坏,只有做好生态环境评估工作,才能达到维护生态平衡的效果。
3边坡生态防护的作用生态保护在公路边坡防护中起着非常重要的作用。
高铁路基边坡生态防护实验方案一、场地概况实验场地为31m长高铁路基边坡,根据试验目的与要求,将实验场地划分为9部分,每块之间留有0.5m的空隙。
每块实验场地的采用不同的布置方案,具体见表1。
表1 实验场地的划分及布置方案二、基质土的配比改良种植土的基质包含复合肥、秸秆、保水剂三部分1.复合肥(1) 氮肥能够促使茎,叶生长茂盛,叶色浓绿;钾肥能够增强病虫害和提高抗倒伏能力,促进糖分和淀粉的生成;磷肥能够促使作物根系发达,增强抗寒抗旱能力。
(2) 一般养护水平的草坪年施氮量8g/m2左右。
磷施肥量一般养护水平草坪4.5g/m2。
(3) 三者的比例一般为10:6:4或10:5:5为宜,为避免施肥后立即产生不适当的刺激作用;并保证养分源源不断供给草坪,至少有一半的氮应是缓效氮。
2.秸秆(1) 秸秆还田对于土壤物理性状的影响:一是增加表层土壤的湿度,提高土壤保水能力;二是有机物增加加深了土壤颜色,产生增温效益。
(2) 秸秆还田对土壤化学性状的影响:秸秆中的有机物质分解矿化,可以改变土壤的化学性状,大大提高土壤中的有机质和氮元素的含量,既可以节省化肥成本,又达到了施肥的效果。
(3) 秸秆与微生物:秸秆在土壤中被微生物腐解以后产生的腐殖质可以提高土壤的粘结性,改善通透性,给作物更加适宜的生长环境。
3.保水剂(1) 由于京雄高铁段属于温带大陆性季风气候,年均降雨量454.4mm,降雨量不足,而且所需植被种植密度大,因此考虑加入保水剂。
(2) 保水剂是一种无毒无害的功能性高分子化学材料,它遇水可反复吸收膨胀数倍。
保水剂可将偶然降雨迅速地吸收而膨胀成凝胶将水分贮藏起来,干旱时缓释给植物的根系,当保水剂全部吸水膨胀后,可以供应草坪持续干旱一天的生长需要。
(3) 用量:保水剂用量一般取30到50g/m2。
4.材料配比按20cm厚的土壤基质来计算:取氮肥80g/m2,磷、钾各40g/m2,复合肥共160g/m2,秸秆500g/m2,保水剂40g/m2。
XXXX旅游公路前腰铺服务区至雁门关段边坡生态防护方案目录一、方案综述二、生态防护段落划分三、方案实施要点1、本方案的指导原则2、具体方案3、植物配置四、施工后的验收标准1、喷播面2、金属网的埋入程度3、植物群落的发芽与生长评价4、评价时的注意事项:一、方案综述XXXXXX公路前腰铺服务区至雁门关段长公里,为三级公路,路基宽7.5米。
该项目是一条旅游专线,专门服务于景区车辆通行。
项目所在地区山势陡峭,起终点高差较大,可供路线布设区域局限性很大,虽路线经过区域山体破碎,填挖方工程量较大,但经技术、经济比较该区域内无更理想布线方案。
项目沿线均为石质山体,表层出露以泥灰岩和片麻岩为主,大部分为弱分化,根据沿线地形特点,路基设计以挖方断面为主,挖方边坡坡率1:0.5,每10米高度设一平台,平台宽2米,对高度在30米以上的边坡设计中考虑了采用锚喷混凝土的方法进行防护。
路基开挖后,边坡总体上较为稳定,岩层多为水平产状,基本无顺层情况,对边坡稳定较为有利。
但岩体裂隙发育,开挖形成的坡面很破碎,极易落石。
且石质多为变质岩,暴露失水后表面呈粉末状。
这样一种情况下原设计中考虑的锚喷防护效果就要大打折扣。
为了更好的保护坡面,阻止风化,避免由于风化的逐步严重而造成边坡失稳,结合项目的实际情况,决定部分边坡采取生态防护的形式。
二、生态防护段落划分通过对全线所有已开挖路段(项目公路所有需开挖路段均已实施)边坡情况的多次调查,根据其坡面的高度、岩体破碎情况,初步确定对以下两段采用生态防护的形式进行边坡防护。
1、K1+028~K1+300段,面积5722.84平方米;2、K2+280~K2+543段,面积7616.7平方米。
两段合计共13339.54平方米。
三、施工方案1、本方案的指导原则:依据工程区的地质、环境条件,设计安全、易行的边坡绿化方案,在此前提下,尽力营造良好的近自然植被的边坡景观环境。
指导原则的细化:①采用木本植物种子繁殖方法,采用团粒喷播植被恢复技术,使用专门的喷播机播种造林。
边坡客土喷播生态防护技术标准全文共四篇示例,供读者参考第一篇示例:边坡客土喷播生态防护技术标准边坡客土喷播生态防护技术是指在施工边坡上,通过专用的设备将种子、肥料、黏结剂等材料混合喷洒于边坡表面,形成维护层,使其快速覆盖,提高边坡的抗风蚀能力,防止边坡坍塌、滑动等灾害,从而达到生态环保的目的。
该技术以其绿色、环保、经济、高效等特点,被广泛应用于边坡防护,水土保持等领域。
边坡客土喷播生态防护技术的原理主要包括以下几个方面:首先是混合材料的选用。
在施工过程中,根据边坡的具体情况和要求,选择适宜的种子、肥料、黏结剂等材料进行混合使用。
其次是坡面形成。
通过特殊的喷播设备将混合材料均匀喷洒于边坡表面,形成一层均匀的维护层。
最后是种子发芽生长。
喷播的种子在适宜的环境下发芽生长,形成覆盖层,起到固土保护植被的作用。
1. 边坡勘测。
在进行客土喷播施工之前,必须进行边坡勘测工作,准确了解边坡的地形、土质、坡度等情况,为后续施工提供数据支撑。
2. 材料准备。
根据边坡的具体情况和要求,选用适宜的种子、肥料、黏结剂等材料进行混合准备。
3. 喷播施工。
利用专用的客土喷播设备,将混合好的材料均匀喷洒于边坡表面,形成覆盖层。
4. 养护管理。
施工完成后对边坡进行适当的养护管理,促进种子发芽,加强土壤与植被的结合。
1. 施工单位必须具备相关的施工资质和技术团队,严格按照规范要求进行施工。
2. 选择优质的种子、肥料、黏结剂等材料,确保施工质量。
3. 在施工过程中,必须严格按照工艺流程操作,均匀喷洒材料,保证覆盖层的质量。
5. 定期对施工后的边坡进行监测和评估,确保其效果和效益。
第二篇示例:边坡客土喷播生态防护技术标准随着城市化进程的加速,建筑工程项目日益增多,边坡防护成为一项重要的工程任务。
边坡防护技术有很多种,其中客土喷播生态防护技术是一种颇具特色的选择。
该技术在边坡防护中发挥着重要作用,能够有效减少地质灾害的发生,保护生态环境,是一种值得推广的生态友好型技术。
DB 山东省工程建设标准DB 37/T XXXX—2020 J XXXXX—2020边坡生态防护技术规范Specification for Slope Ecological Protective Technology(征求意见稿)2020-XX-XX 发布 2020-XX-XX 实施山东省住房和城乡建设厅联合发布山东省市场监督管理局山东省工程建设标准边坡生态防护技术规范Specification for Slope Ecological Protective Technology(征求意见稿)DB 37/T XXXX—2020住房和城乡建设部备案号:J XXXXX—20202020济南前言根据山东省住房和城乡建设厅、山东省市场监督管理局《关于印发〈2018 年第二批山东省工程建设标准制修订计划〉的通知》(鲁建标字〔2018〕17 号)的要求,规范编制组经广泛调查研究,认真总结实践经验,参考国内有关规范,在广泛征求意见的基础上,制定本规范。
本规范共分为6章,主要内容包括:1.总则,2.术语,3.基本规定,4.设计,5.边坡生态防护施工,6.质量检查与验收。
本规范由山东省住房和城乡建设厅负责管理,由山东大学负责具体技术内容的解释。
若执行过程中对本规范有任何意见或建议,请寄送山东大学《边坡生态防护技术规范》编制管理组(地址:济南市经十路17922号,邮编:250061),以供今后修订时参考。
本规范主编单位:山东大学本规范参编单位:山东科技大学齐鲁交通发展集团有限公司山东正元建设工程有限责任公司滕州市建筑安装工程集团公司中国电建集团华东勘测设计研究院有限公司山东高速集团有限公司山东宇通路桥集团有限公司本规范主要起草人员:崔新壮孙涛张炯薛志超郑全明金青邹宗民李炳良郑亨何东林齐辉李天飞盖国晖王志刚周昆刘勇闫韶兵徐贞社韩健张砚泽邢兰景王炳雷马国栋王艺霖李骏张小宁王洁茹孙玉杰孙华琛王帅苏俊伟卢途夏霜韩若楠胡念刘强代朝霞佘蕊孟博雯谭怡然张中泽明瑞平本规范主要审查人员:目次1 总则 (1)2 术语 (2)3 基本规定 (3)4 设计 (4)4.1 一般规定 (4)4.2 边坡防护设计 (4)4.3 植被设计要求 (6)5 边坡生态防护施工 (7)5.1 一般规定 (7)5.2 施工准备 (7)5.3 客土喷播施工 (7)6 质量检查与验收 (12)6.1 一般规定 (12)6.2 质量检查与验收 (12)附录A 边坡调查表 (14)附录B 山东省边坡生态防护工程应用植物品种推荐表 (15)本规范用词说明 (17)引用标准名录 (18)附条文说明 (19)Contents1 General provisions (1)2 Terms (2)3 Basic requirements (3)4 Design (4)4.1 General provisions (4)4.2 Slope protection design (4)4.3 V egetation design requirements (6)5 Slope ecological protection construction (7)5.1 General provisions (7)5.2 Construction preparation (7)5.3 Spraying and sowing construction of external-soil (7)6 Quality inspection and acceptance (12)6.1 General Provisions (12)6.2 Quality inspection and acceptance (12)Appendix A Slope investigation form (14)Appendix B Recommended plant species for slope (15)Explanation of Wording in This Code (17)Lists of Quoted Standards (18)Explanation of Provision (19)1 总则1.0.1 为了促使边坡生态防护的设计、施工和维护管理更加规范化、标准化,便于科学管理,结合山东省实际情况,特制定本规范。
高速公路边坡生态防护施工技术肇庆市未来世纪园林工程有限公司黄庭华摘要:文中介绍了广惠高速公路边坡环境特点、气候与土壤、地质环境,并以路基标A、B合同段为例,阐述了广惠高速公路边坡生态防护的对策及重点工程三维网植草施工技术。
关键词:路堑边坡;生态防护;三维网植草广惠高速公路是交通部规划的国家重点公路第十五横汕尾至云南清水河公路的重要路段,也是广东省规划的干线公路中的重要组成部分。
广惠高速公路的建成,使广州、惠州、汕头、粤东地区联成一体,对完善珠三角东部地区的干线公路网,加强广州对粤东地区的辐射力度,促进粤东山区的经济发展具有重要意义。
广惠高速公路全长153.2公里,起点位于广州市萝岗区,途经增城市、博罗县、惠州市惠城区、惠阳区,终点位于惠东县凌坑。
沿线与广州北二环高速公路、北三环高速公路、增从高速公路、惠河高速公路、深汕高速公路、常(平)惠(东)高速公路(规划)及G324国道等连接成网,是广东省规划的干线公路网的重要组成部分。
沿线路面相当平直,双向六车道,部分四车道。
2003年12月20日建成通车。
它绕行于崇山峻岭之中,地质地形复杂,加上该地区气候多变,施工难、风险高,被世行专家称为“中国最具挑战性的公路项目之一”。
山区高速公路由于高填深挖,会导致原生植被破坏、动物栖息地破坏、水土侵蚀等一系列生态环境问题,因此恢复和重建高速公路边坡的自然生态植被势在必行。
广惠高速公路基标分八个合同段(A~H),本文以A、B合同段为例,简介广惠高速公路的边坡生态防护对策及施工技术。
1 广惠高速公路段边坡环境特点1.1 地形险峻广惠高速公路山谷丘陵多,地形极为险峻,自然环境恶劣,地质情况复杂,从海拔140~620m,群山缠绵起伏,峡谷纵横交错,区域内地形总的趋势是中间高,两端低,层峦叠嶂,起伏变化。
间隔有一些小盆地、沿河及山间台地,沟谷纵横,沟壁陡峻。
属青山向斜西翼,岩性多变,岩溶、滑坡、断层带等不良地质现象分布广泛,被专家称为“地质博物馆”。
高速公路边坡生态恢复施工标准化指南高速公路边坡生态恢复施工标准化指南前言近十年来,我国和我省(福建省)高速公路建设迅猛发展,人们在高速公路边坡生态防护建设方面开发出了多种既能起到良好边坡防护作用,又能改善工程环境、体现自然环境美的边坡植物防护新技术,与传统的坡面工程防护措施共同形成了边坡工程植物防护体系。
但施工期间暴露的质量问题仍然不少,质量通病也未得到有效遏制。
实践表明,亟须推行标准化施工,以促进高速公路边坡生态防护工程质量的全面和稳步提高,使防护工程的植被与四周环境融为一体,达到四季常绿并充分体现当地植被景观特色的效果。
为此,我部特组织编制了本指南。
福建省高速公路边坡生态防护工程施工指南是在现行高速公路边坡防护工程设计、施工、验收等相关标准、规范基础上,总结我省多年来边坡防护工程建设实践经验编制而成的。
该指南着重从工序、技术、工艺和管理的角度对现行标准、规范做进一步补充,旨在消除质量通病,提高施工管理水平,实现边坡防护工程施工标准化,确保高速公路边坡生态防护工程质量。
为使其更符合高速公路建设实际和更有利于保证工程质量,我省高速公路各参建单位必须认真执行本指南。
希望各单位在实践中注意积累资料,总结经验,及时将发现的问题和修改意见反馈我部,以便修订时参考。
福建省高速公路建设总指挥部二00九年十一月目录1 生态恢复的意义和基本原则 (1)2 生态恢复工程分类 (2)3 生态恢复设计 (4)3.1 边坡调查 (4)3.1.1 植物资源调查 (4)3.1.2 地形、地质及水文调查 (4)3.1.3 气象资料调查 (4)3.1.4 填写调查表......................................................................43.2 确定生态恢复类型 (5)3.2.1 确定生态恢复目标...........................................................53.2.3 工法选择 (6)4 工法指南 (8)4.1 液压喷草/液压喷草植灌工法指南 (8)4.1.1 定义 (8)4.1.2 适用范围 (8)4.1.3 材料参考配比 (8)4.1.4 材料说明及要求...............................................................84.1.5 主要施工机具 (10)4.1.6 工艺流程图....................................................................114.1.7 工法要点........................................................................114.1.8 验收标准 (13)4.2 客土喷草/客土喷草植灌工法指南 (14)4.2.2 适用范围 (14)4.2.3 材料参考配比.............................................................144.2.4 材料说明及要求.............................................................154.2.5主要施工机具 (18)4.2.6 施工工艺流程图.............................................................194.2.7工法要点 (19)4.2.8 中间检验评价表.............................................................234.2.9 验收标准 (24)4.3 CF网喷灌工法指南 (25)4.3.1 定义 (25)4.3.2 适用范围 (25)4.3.3 材料参考配比 (25)4.3.4 材料说明及要求 (26)4.3.5 主要施工机具 (28)4.3.6 施工工艺流程 (29)4.3.7 工法要点 (29)4.3.8 中间检验评价表 (34)4.3.9 验收标准 (35)4.4 TBS喷草灌工法指南 (36)4.4.1 定义 (36)4.4.2 适用范围: (36)4.4.3 材料参考配比 (36)4.4.4 材料要求 (38)4.4.5 主要施工机具 (39)4.4.6 施工工艺流程 (40)4.4.7 工法要点 (41)4.4.8 中间检验评价表 (47)4.4.9 验收标准 (47)4.5 CS混合纤维喷灌工法指南 (48)4.5.1 定义 (48)4.5.2 适用范围: (48)4.5.3 材料参考配比 (48)4.5.4 材料要求 (49)4.5.5 主要施工机具 (51)4.5.6 施工工艺流程 (51)4.5.7 工法要点 (52)4.5.8 中间检验评价表.............................................................574.5.9 验收标准(竣工验收前) (58)5 生态恢复工程施工要求 (59)5.1 施工前 (59)5.1.1控制性材料进场按规定报验,符合设计要求才允许使用。