最新网络信息部绩效考核量表模板(标准范本
- 格式:doc
- 大小:63.02 KB
- 文档页数:3
最新整理20xx网络业绩绩效考核表
工作目标(权重=100 % )
目标与行动计划权重考核标准与完成时间完成情况自评管理者评价评价
依据/
关键事件
每天拨打有效xxxxxxxx个。
26%以日考核额为准,没有完成扣取1% 本月
着重考核名单,如面谈如没空,可借助客服。
下周超额不弥补上周空缺xxxx
每周完成拜访客户4位24%以月考核为准,少一个客户扣取1%
10%
下周超额不弥补上周空缺
每月至少挖掘xxxx意向客户26% 一周一考核,少一意向客户扣取0.2%
卫生考核8% 一周一考核,达不到卫生标准扣取2%
仪容仪表(包括着装、言行举止)4% 一周一考核,达不到标准扣取1 %
完成公司的培训计划以及培训考核4% 一月考核为准,不过关扣取3%
遵守公司规章制度8%违章公司的规章制度扣取6%
合计分值
根据绩效考评与薪酬挂钩的原则,工资发放有以下几种标准
1、当绩效考核分值在80分以上(包括80分),发放工资为1000*分值%提成+奖金
2、当绩效考核分值在60-80分之间,发放的工资1000*80%砒成+奖金
3、当绩效考核分值在60分以下,发放工资为1000*60%魄成+奖金
4、当绩效考核分值连续二个月在60分以下,作除名处理
制订人/日期:
主管批准/日期: 负责人确认/日期:。
网络营销推广部绩效考核办法(附表格)为了调动部门员工的工作积极性,激发员工的工作热情,提升工作业绩,增强公司竞争力,保证项目目标的顺利达成,特制定本绩效考核办法。
一、考核对象网络营销推广部所有员工(主管除外)。
二、考核内容和方式①考核时间:每月1日至31日②考核内容:员工本人当月工作完成情况及综合表现③工资构成:底薪+个人绩效+团队佣金底薪:衡量一名员工对本职工作内容的完成质量与完成速度而应得的基础收入;个人绩效:衡量员工在本职工作范围内取得的成绩或创造的价值而应得的收入;团队佣金:衡量一个员工对团队与业绩的价值和贡献而应得的奖励;④考核标准:底薪标准:按员工工作能力与担任职位而定;绩效标准:考查员工的工作状态与工作价值;佣金标准:考查员工的日常表现与团队贡献;其中,团队佣金是公司拿出部门每月创造净利润的一小部分比例,作为部门整体当月奖励,其中留50%作为部门年底分红使用。
⑤考核方式:每月5~10号,部门数据分析员统计上月的部门业绩及投入产出比,并汇总所有员工月报加以整理,提交给主管以作为绩效及佣金的发放与奖惩实施的依据。
三、考核流程由制定工作计划、执行工作计划及工作考核三部分组成,详见下页图表1。
四、考核结果及奖惩1.对员工的考核①考核结果考核结果以数据确定,与业绩直接相关岗位按业绩完成量计算,其他岗位按本职工作进度及数量进行考核,具体标准详见各岗位图表。
②奖惩办法当月考核结果直接与员工当月绩效工资的发放挂钩:●迟到、早退每次扣10元;病事假需提前30分钟致电部门负责人请假,上班后补假不予批准,按旷工处理;病假需提供就诊证明;月迟到、早退累计达五次者,当月不发放个人绩效与团队佣金;●考核过程中,本职工作中出现重大错误的,部门月度例会进行通报批评;月累计达到三次的,给予解聘或辞退。
自然年度工作中出现重大错误超过三次的,扣除个人80%年底分红;此外,员工月度工作绩效考核结果,将作为年度优秀员工评选、年终考核和奖惩的重要参考依据。
网络信息部绩效考核量表模板网络信息部绩效考核量表模板 18(2(1 网络信息部经理绩效考核量表模板被考核人姓名所属部门考核时间被考核人姓名所属部门指标考核量化指标权重绩效目标值考核频率数据来源维度得分15% 财务网络系统维护费用预算内季度/年度财务部、网信部10% 网络运行完好率高于____% 季度/年度网络信息部10% 信息系统建设完成率达到____% 季度/年度网络信息部10% 信息更新及时率达到____% 月度/季度/年度网络信息部内部运营 10% 网络设备完好率高于____% 季度/年度网络信息部10% 故障处理及时率达到____% 月度/季度/年度网络信息部10% 网络安全事故发生次数控制在___次月度/季度/年度网络信息部15% 客户用户满意度评分达到____分季度/年度用户、网信部10% 发展培训计划完成率达到____% 季度/年度人力部、网信部量化考核得分合计考核期内网络正常运行时数指标说明 1(网络运行完好率= ,100%考核期内网络标准运行总时数故障及时处理的次数2(故障处理及时率=×100% 故障的总次数对于网络信息部经理而言,做好信息管理、网络建设与维护是其工作的重中之重,因权重说明此整个考核体系中赋予了内部运营共计60%的较高权重考核结果核算说明由于网络信息部的工作不容易量化,因此对网络信息部经理的量化指标的设计和选取考核关键问题说明中,应本着既能有效评估其工作绩效,又可节约时间和成本的原则进行被考核人签字: 考核人签字:日期: 日期:18(2(4 网络管理员绩效考核量表模板姓名部门网络信息部岗位网络管理员直接考核阶段 ____年____月____日,____年____月____日上级序号量化项目考核指标权重评分标准得分目标值:____小时;每减少____小时,20% 网络正常运行时间减____分 1 网络运行管理15% 网络故障处理及时率目标值:___%;每降低__%,减___分目标值:____小时;每减少____小时,15% 服务器安全运行时间减____分 2 网络设备管理10% 网络关键设备完好率目标值:___%;每降低___%,减__分10% 用户有效投诉次数目标值:0次;每发生1次,减____分因不合理的权限设置3 网络用户管理造成网络安全隐患项10% 目标值:0项;每存在1项,减____分数受网络安全威胁次数 10% 目标值:0次;每发生1次,减____分 4 网络安全管理10% 重大泄密事件次数目标值:0次;每发生1次,减____分量化考核得分受网络安全威胁次数是考核期内因网络安全威胁,并对网络正常运行造成影响的指标说明事故发生次数对于网络管理员而言,最重要的工作是确保网络的正常运行,因此本表中赋予了网权重说明络正常运行时间较高的20%的权重考核结果核算说明在对网络管理员进行考核时,应当考虑到导致指标无效的不同情况,避免一刀切影考核关键响绩效考核的公正性;如果在考核中遇到不可抗力因素导致网络无法运行,在进问题说明行网络正常运行时间计算时就应包含该段时间,否则会影响考核的客观性考核人签字: 审核人签字: 考核日期: 审核日期: 18(3 网络信息部量化考核方案模板18(3(1 网络信息部量化考核方案模板部门负责人所属部门网络信息部评估时间段 ____年____月____日,____年____月____日绩效目标值权考核考核项目量化指标得分绩优考核实际重频率目标目标达成100% 95% ____% 10% 信息系统建设完成率季/年度信息管理95% ____% 5% 信息更新及时率 ?98% 月/季/年90% ____% 15% 网络运行完好率 ?95% 季/年度网络管理100% 100% ____% 5% 网络故障处理及时率月/季/年100% 95% ____% 10% 设备管理网络设备完好率季/年度100% 95% ____% 15% 软件管理软件运行正常率季/年度10% 网络系统安全事故发生次数 0次 2次内 ___次月/季/年安全管理10% 泄密事件发生次数 0次 0次 ___次月/季/年100% 95% ____% 10% 费用管理部门费用预算达成率季/年度100% 100% ____% 10% 人员管理培训计划完成率季/年度量化考核得分合计指标说明信息管理、网络管理、设备管理、软件管理是网络信息部四项重点工作,因此在考核中权重说明赋予其60%的权重,有效突出了考核重点对网络信息部的考核,除了上述量化考核外,还应加强部门制度建设、系统操作规范及考核结果核算说明流程、网络系统的优化等方面的定性考核,所占权重比例为20%左右考核关键问题说明18(3(4 网络信息专员量化考核方案模板编制部门方案名称网络信息专员量化考核方案执行部门一、考核目的为了客观公正地衡量网络信息专员的工作绩效,为网络信息专员的工作奖惩提供依据,依据公司绩效考核制度,特制定本考核方案。
电脑部关键绩效考核指标序号 12 3 4 5 6 7KPI 指标办公自动化建 设目标达成率电脑系统 运行完好率 电脑设备维护 保养及时率故障处理及时率信息档案完整率电脑采购 计划完成率电脑培训 计划完成率考核周期指标定义/公式季/年度办公自动化建设目标达成数 ×100%办公自动化建设目标总数季/年度 季/年度 季/年度 季/年度 季/年度 季/年度电脑系统正常运行时数 电脑系统标准运行总时数 ×100%电脑设备维护保养及时次数 电脑设备计划维护保养总次数 ×100% 故障处理及时数量×100% 故障总数 信息档案完整数 信息档案总数 ×100% 按时完成的采购数量 电脑采购计划总量 ×100% 电脑培训完成总课时数 电脑培训计划课时数 ×100%资料来源 电脑部电脑部 电脑部 电脑部 电脑部 电脑部 电脑部序号 1 2 3 4 5 6 7网络部关键绩效考核指标KPI 指标 信息化建设 目标达成率 网站开发建设 计划完成率 网络维护及时率系统运行完好率网络安全性网站用户满意度 系统和网络故 障处理及时率考核周期 季/年度指标定义/公式 信息化建设目标达成数 ×100% 信息化建设目标总数季/年度网站开发建设计划完成量 ×100% 网站开发建设计划总任务量季/年度网络维护及时的次数 ×100% 网络维护总次数季/年度 季/年度 季/年度 季/年度网络系统正常运行的总时数 ×100%网络系统标准运行总时数考核期内发生网络系统受到安全威胁,并 对企业造成一定影响的次数 对客户进行随机调查的网站满意度评分 的算术平均值 故障处理及时的次数故障的总次数 ×100%资料来源 网络部 网络部 网络部 网络部 网络部 网络部 网络部电脑部经理绩效考核指标量表被考核人姓名 考核人姓名职位 职位电脑部经理 总经理部门 部门电脑部序号 12345 6 7 8 910KPI 指标 部门工作 计划完成率 办公自动化建 设目标达成率 电脑系统 运行完好率 部门管理 费用控制 电脑采购 计划完成率 故障处理及时率 电脑设备完好率 信息档案完整率部门协作满意度员工管理电脑设备完好率权重绩效目标值考核得分15% 考核期内部门工作计划完成率达 100%考核期内办公自动化建设目标达成率在 % 15%以上15% 考核期内电脑系统运行完好率在 %以上15% 考核期内部门管理费用控制在预算范围之内10% 考核期内电脑采购计划完成率在 %以上10% 考核期内故障处理及时率达到 %以上 5% 考核期内电脑设备完好率达到 %以上 5% 考核期内信息档案完整率达到 %以上考核期内相关协作部门的满意度评分达到 5%分以上 考核期内部门员工绩效考核平均得分达到 5% 分以上 本次考核总得分电脑设备完好数电脑设备完好率=×100%电脑设备总数考核 指标 说明被考核人签字:日期:考核人签字:日期:复核人签字:日期:方案名称信息网络人员绩效考核方案受控状态 编号一、考核目的为了加强对信息网络人员绩效考核工作的指导、监督与管理,保证绩效考核工作能顺利、有效地进行;提高员工队伍素质,优化人员结构,保持活力和竞争力,特制定本方案。
《网络部工作人员每月绩效考核表》优质资料(可以直接使用,可编辑优质资料,欢迎下载)网络推广专员月绩效考核表部门:岗位:姓名:日期:得分:网络技术月绩效考核表部门:岗位:姓名:日期:得分:网络编辑月绩效考核表部门:岗位:姓名:日期:得分:工作人员评价表姓名: 部门:岗位:评价日期:工作人员绩效考核办法为推进全局效能建设,强化量化考核,充分调动全局人员的工作积极性和创造性,确保高效、优质完成各项工作,特制定绩效考核办法。
一、组织领导成立绩效考核领导小组,长任组长,其他领导任副组长,各处室主要负责人为领导小组成员。
领导小组下设办公室,负责考核的组织实施、审核及对部分条款的修订完善及解释。
二、考核对象全局工作人员。
三、考核内容考核分为遵纪守法、勤奋敬业、目标完成、工作成效四个部分。
(一)遵纪守法1、认真执行党纪法规。
因违法违纪造成重大损失或者恶劣社会影响的,绩效考核先进“一票否决”,并按照《公务员法》相关条例严肃处理。
2、严格遵守劳动纪律。
规范执行《工作人员请假制度》,无故迟到或早退一次扣1分;无故旷工一天扣3分;其他违反劳动纪律的,酌情扣分处理。
3、严格遵守文明办公工作守则,强化道德自律,积极参与文明单位创建活动。
对违反守则规定,给造成恶劣影响的个人,取消其绩效考核先进评选资格。
(二)勤奋敬业1、加强业务学习。
认真落实公务员知识更新规定,按照要求完成相关学习任务,未达到要求的取消绩效考核“先进”评选资格。
积极参加本和相关部门组织的业务学习,不按规定参加学习活动的每缺一次扣1分,考试不合格的每次扣2分。
2、在地方年度考评中被评定为不合格的专业,其处室主要负责人、专业主要负责人绩效考核先进“一票否决”。
3、加强政治理论学习。
认真参加各级组织的各项政治理论学习,不按要求参加的,每缺席一次扣1分,迟到一次扣0.5分。
没按规定完成学习笔记、心得体会、小结等相关任务的,每缺1篇扣1分。
4、积极参加、会计、经济等各类专业技术资格自学,通过专业考试并获得资格证书的,初级加1分,中级加2分,高级加3分。
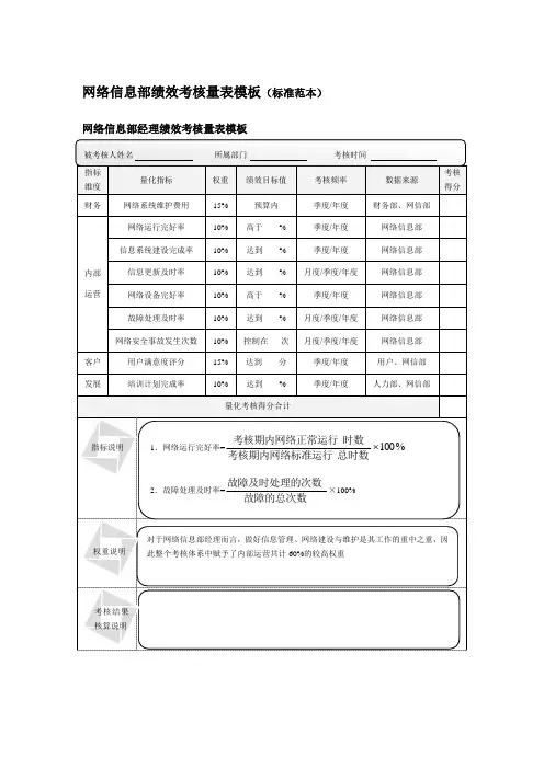
网络信息部绩效考核量表模板(标准范本)
网络信息部经理绩效考核量表模板
被考核人姓名 所属部门
指标维度 量化指标 权重 绩效目标值 考核频率 数据来源 考核得分 财务
网络系统维护费用
15%
预算内
季度/年度
财务部、网信部
内部运营
网络运行完好率
10%
高于____%
季度/年度
网络信息部
信息系统建设完成率
10%
达到____%
季度/年度
网络信息部
信息更新及时率
10%
达到____%
月度/季度/年度
网络信息部
网络设备完好率 10%
高于____%
季度/年度 网络信息部
故障处理及时率 10% 达到____% 月度/季度/年度 网络信息部 网络安全事故发生次数
10% 控制在___次 月度/季度/年度 网络信息部 客户 用户满意度评分 15% 达到____分 季度/年度 用户、网信部 发展
培训计划完成率
10%
达到____% 季度/年度
人力部、网信部
量化考核得分合计
被考核人姓名 所属部门 考核时间 1.网络运行完好率=
%100 总时数考核期内网络标准运行时数
考核期内网络正常运行
2.故障处理及时率=
故障的总次数
故障及时处理的次数
×100%
对于网络信息部经理而言,做好信息管理、网络建设与维护是其工作的重中之重,因
此整个考核体系中赋予了内部运营共计60%的较高权重
指标说明
权重说明
被考核人签字: 日期:
考核人签字: 日期:
网络管理员绩效考核量表模板
姓名 部门 网络信息部
岗位
网络管理员
直接 上级
考核阶段
____年____月____日~____年____月____日
序号
量化项目
考核指标 权重 评分标准
得分
1
网络运行管理
网络正常运行时间
20%
目标值:____小时;每减少____小时,减____分
网络故障处理及时率 15% 目标值:___%;每降低__%,减___分 2
网络设备管理
服务器安全运行时间
15% 目标值:____小时;每减少____小时,减____分
网络关键设备完好率 10% 目标值:___%;每降低___%,减__分 3
网络用户管理
用户有效投诉次数
10% 目标值:0次;每发生1次,减____分
因不合理的权限设置造成网络安全隐患项数
10%
目标值:0项;每存在1项,减____分
4
网络安全管理
受网络安全威胁次数
10%
目标值:0次;每发生1次,减____分
重大泄密事件次数
10%
目标值:0次;每发生1次,减____分
量化考核得分
由于网络信息部的工作不容易量化,因此对网络信息部经理的量化指标的设计和选取
中,应本着既能有效评估其工作绩效,又可节约时间和成本的原则进行
考核结果核算说明
考核关键问题说明
指标说明
受网络安全威胁次数是考核期内因网络安全威胁,并对网络正常运行造成影响的 事故发生次数
考核人签字: 考核日期:
审核人签字: 审核日期:
权重说明
考核关键问题说明
考核结果核算说明
对于网络管理员而言,最重要的工作是确保网络的正常运行,因此本表中赋予了网络正常运行时间较高的20%的权重
在对网络管理员进行考核时,应当考虑到导致指标无效的不同情况,避免一刀切影响绩效考核的公正性;如果在考核中遇到不可抗力因素导致网络无法运行,在进行网络正常运行时间计算时就应包含该段时间,否则会影响考核的客观性。