齿轮加工工艺说明书
- 格式:doc
- 大小:11.96 MB
- 文档页数:23
摘要齿轮轴零件的主要作用是支撑回转零件、实现回转运动并传递转矩和动力。
齿轮轴具备传动效率高、结构紧凑和使用寿命长等一系列优点,是通用机械特别是工程机械传动中的重要零件之一。
齿轮轴加工材料、热处理方式、机械加工工艺过程的优化,将对提高齿轮轴的加工质量及寿命有着重要借鉴意义。
本设计首先分析了齿轮轴零件的作用和零件的材料,之后把加工传动齿轮轴所用的材料和生产类型确定下来。
然后确定毛坯的种类,绘制铸件零件图。
接下来设计零件的加工工艺性,包括零件表面的加工方法及热处理方法等。
最后进行工艺规程设计,选定加工所用的机床,刀具,夹具等。
齿轮轴零件的机械综合性能要求较高,一般选择锻件作为毛坯。
合理安排工艺路线,划分加工阶段对保证零件加工质量至关重要.关键词: 齿轮轴;工艺分析;工艺规程设计AbstractThe main function of the gear shaft is to support rotating parts, achieve rotary mo tion and transfer torque and power. Gear shaft has a series of advantages, such as high transmission efficiency, compact structure, long service life and so on. It is one of the important parts in the general machinery, particularly the engineering machinery tran smission. The optimization of the gear shaft’s machining materials, thermal treatmen t method and machining process will have great significance on the machining quality of the gear shaft and the service life.The first design of the gear shaft parts and parts of the material, then fix the processing gear shaft of the materials used and the type of production. And then determine the blank type, drawing casting parts diagram. The processing of the next design of parts, including the components surface processing method and heat treatment method. Finally, technological process design ,selection of the machine tool, cutting tool, fixture etc…Comprehensive mechanical performance requirements higher gear shaft parts, as general forging blank. Reasonable arrangements for the process, dividing the processing stage is very important to ensure the machining quality of parts.Keywords gear shaft; process analysis; process planning design目录摘要 (I)ABSTRACT (II)第1章绪论............................................................................................................. - 1 -第2章零件的分析 (2)2.1零件的作用 (2)2.1.1零件的作用 (2)2.1.2零件的结构特点及技术要求 (2)2.2零件材料分析 (3)2.3确定生产类型 (3)2.4毛坯的确定 (4)2.5绘制铸件零件图 (4)2.6本章小节 (5)第3章加工工艺过程分析 (5)3.1加工工艺过程的组成 (6)3.2定位基准的选择原则 (6)3.2.1基准的概念 (6)3.2.2 定位基准的选择 (7)3.2.3 定位基准的确定 (8)3.3零件表面加工方法的选择 (10)3.4加工工序安排 (10)3.5热处理工序的安排 (11)3.6工序的划分 (11)3.7加工余量及工序尺寸的确定 (12)3.7.1 加工余量的概念 (12)3.7.2 加工余量的确定方法 (12)3.8本章小结 (13)第4章选择加工设备及工艺设备 (14)4.1各机床的作用 (14)4.1.1车床的作用 (14)4.1.2铣床的作用 (15)4.1.3 磨床的作用 (16)4.1.4 零件加工中各机床的确定 (17)4.2刀具的选择 (17)4.2.1 刀具材料的确定 (17)4.2.2 刀具的分类 (17)4.2.3 常用车刀刀具的用途 (18)4.2.4 铣刀 (19)4.2.5 磨削 (20)4.2.6 加工零件刀具的确定 (20)4.3夹具的确定 (20)4.3.1 夹具的组成及作用 (20)4.3.2 夹具的分类 (21)4.3.3 选择夹具 (22)4.4量具的选择 (22)4.5本章小结 (23)第5章齿轮轴的工艺卡拟定 (24)5.1工艺卡的拟定 (24)5.2问题的提出 (28)5.3本章小结 (29)总结 (30)参考文献 (31)致谢 (32)第1章绪论本文设计的主要是齿轮轴的加工工艺,通过总结零件的的加工,提高所加工工件的质量,完善产品,满足要求,提高经济效益和劳动生产率。
1.适用范围该标准规定了齿轮加工应遵守的基本规则,适用于各企业的齿轮加工。
齿轮加工还应遵守JB/Z307.1(切削加工通用工艺守则总则) 2.一般要求(1)齿坯装夹前应检查其编号和实际尺寸是否与工艺规程要求相符合。
(2)装夹齿坯时应注意查看其基面标记,不得将定位基面装错。
(3)计算齿轮加工机床滚比挂轮时,一定要计算到小数点后有效数字第五位。
3.滚齿工艺守则 (1)本守则适用于用滚动切法加工GB10095-88中规定的7、8、9级精度渐开线圆柱齿轮。
(2)滚齿前的准备。
①加工斜齿或人字齿轮时,必须验算差动挂轮的误差,一般差动挂轮应计算到小数点后有效数字第五位。
差动挂轮误差应按下式计算。
式中:δ——差动挂轮误差; m ——齿轮模数; N ——滚刀头数; B ——齿轮齿宽;K ——齿轮精度系数;对7级齿轮,K 为0.001;对8级齿轮,K 为0.002;对9级齿轮,K 为0.003;C ——滚齿机差动定数。
②加工有偏重的齿轮时,应在相应处安置适当的配重。
(3)齿坯的装夹。
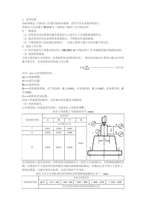
①在滚齿机上安装滚齿夹具时,应按表Ⅱ-1的要求调整。
表Ⅱ-1滚齿机上安装滚齿夹具 (mm)②在滚齿机上装夹齿坯时,应将有标记的基面向下,使其与支承面贴合,不得垫纸或铜皮等物。
压紧前用千分表检查齿坯外圆径向跳动和基准端面跳动,其跳动公差不得大于表Ⅱ-2所规定数值。
压紧后需再次检查,以防压紧时产生变形。
表Ⅱ-2用千分表检查齿坯外圆径向和基准端面跳动公差1)(mm )1)当三个公差组的精度等级不同时,按最高的精度等级确定公差值;当以顶圆作基准时,表中的数值就指顶圆的径向跳动。
(4)齿轮轴的装夹①在滚齿机上装夹齿轮轴时,应用千分表检查其两基准轴颈(或一个基准轴颈及顶圆)的径向跳动,基跳动公差应按下式计算:式中:t ——跳动公差,mm ; L ——两测量点间的距离,mm ; B ——齿轮轴的齿宽,mm ;K ——精度系数:对7级和8级精度齿轮轴,K 值取0.008~0.01,对9级精度齿轮轴,K 值取0.011~0.013。
《机械加工工艺与夹具》课程设计说明书题目:双联齿轮工艺设计目录一、设计要求及参考………………………………………………………二、零件的分析……………………………………………………………三、工艺规程的设计………………………………………………………(一)确定毛坯的制作形式………………………………………………(二)基准的选择…………………………………………………………(三)工艺路线的拟定及工艺方案的分析………………………………(四)机械加工余量、工序尺寸及毛坯尺寸的确定……………………(五)各工序的定位夹紧方案及切削用量的选择………………………(六)各工序的基本工时…………………………………………………四、总结……………………………………………………………………五、主要参考文献…………………………………………………………六、设计总结………………………………………………………………………一.编制零件的工艺规程及设计夹具:双联齿轮如下图所示,成批生产(每批100件),材料为40Cr钢。
编制此双联齿轮的工艺规程并为加工花键设计夹具。
要求:零件毛坯图夹具装配图(A0或A1)设计说明书(附有工艺卡和工序卡)二、零件分析(一)零件的作用与结构特点双联齿轮主要用于一些机械设备变速箱中,通过与操作机构的结合,滑动齿轮从而实现变速。
圆柱齿轮一般分为齿圈和轮体两部分,根据齿轮轮体的结构形状来划分可知上图中的双联齿轮为盘类齿轮,有两个齿圈,在齿圈上切出直齿齿形,在轮体上带有花键孔。
(二)零件的工艺分析该零件属于齿轮类零件,形状规则,尺寸精度和形位精度要求均较高,零件的主要技术分析如下:(1)齿轮端面对准A的圆跳动公差不超过0.05mm,主要是保证端面平整光滑,双联是利用花键轴和花键孔进行配合定位,因此必须保证花键孔的尺寸精度。
双联齿轮之间啮合要求严格,要保证双联齿轮的齿形准确及同轴度较高。
(2)由于零件是双联齿轮,轴向距离较小,根据生产纲领是选择合理的加工工艺。
1.齿轮轴零件的机械制造工艺规程1.1 零件工艺分析和确定生产类型1.1.1拟定工艺路线由给定的零件图可以看出,该零件图的是齿轮轴类零件,部分加工表面的精度等级达到5级,粗糙度达到0.4μm,因此先大致拟定如下工艺路线:①锻造毛坯,正火②对整个毛坯件进行粗车③对整个毛坯件进行半精车④热处理⑤精车⑥滚齿⑦钻孔,攻丝⑧调质处理⑨对50mm处进行磨削1.1.2确定零件的生产类型根据下式计算--------(1-1) 式中N----零件的生产纲领Q----产品的年产量m----每台(辆)产品中该零件的数量a%----备品率,一般取2%-4%b%----废品率,一般取0.3%-0.7%根据上式就可以计算求得该零件的年生产纲领,在通过查表,就能确定该零件的生产类型。
本设计中,Q=5000,m=1件/台,备品率和废品率为3%和0.5%,将数据代入上式得N=5176件/年,查表可知该零件为轻型零件,本设计中齿轮轴零件的生产类型为大批量生产。
1.2毛坯的选择,绘制毛坯图1.2.1选用锻件为毛坯,采用模锻成型的方法制造毛坯。
1.2.2确定毛坯尺寸及机械加工余量本锻件采用普通级,根据零件图的基本尺寸查表可初步得粗车,半精车,粗磨和精磨外圆的单边加工余量分别为6mm,1.1mm,0.4mm 和0.1mm。
又粗精加工分开时,对于粗车外圆的余量允许小于原表中余量的70%,故可取粗车余量为4.8mm,总的的余量为6.4mm。
再根据手册即可得锻件机械加工余量和公差为:单边加工余量半径a=6r=5±2。
于是,可初步得锻件图的尺寸,如图1-1所±2,长度方向aL示(图中粗实线表示锻件的外形,双点划线表示零件轮廓)。
1.3毛坯图的确定1.3.1计算毛坯加工余量和尺寸公差⑴根据图1-1和计算式---------------(1-2)设锻件最大直径为100mm,长为230mm,则图1-1 齿轮轴零件的锻件图根据上述计算数据,查表可确定零件的形状复杂系数为s,属于简单级别。
齿轮磨削加工工艺
一、前期准备
1.确定齿轮的材质和规格。
2.根据齿轮的参数计算出齿轮的模数、齿数和压力角等参数。
3.选择合适的磨削机床和磨削工具。
二、磨削前处理
1.清洗齿轮表面,去除表面油污和铁锈等杂质。
2.检查齿轮的硬度和精度是否符合要求,如不符合要求则进行退火或其他处理。
3.在磨削前对齿轮进行测量,确定其实际尺寸和形状。
三、粗磨加工
1.安装好磨削机床和磨削工具,调整好刀具位置和切入角度等参数。
2.将齿轮安装到机床上,并进行对中调整,使其与刀具保持一定的距离。
3.开始进行粗磨加工,采用分段式进给方式进行加工,每段进给深度不宜过大。
四、半精密磨削
1.在完成粗磨后,对齿轮进行半精密磨削,采用同样的分段式进给方式进行加工。
2.为了保证加工质量,需要对磨削机床和磨削工具进行定期检查和维护。
3.在半精密磨削过程中,需要注意控制切削速度、进给速度和切削深度等参数,以确保加工精度。
五、精密磨削
1.在完成半精密磨削后,进行最后的精密磨削。
此时需要采用更加细致的进给方式和切入角度等参数。
2.为了保证加工质量,需要对磨削机床和磨削工具进行更加细致的检查和维护。
3.在精密磨削过程中,需要采用更加严格的控制方法来控制切割参数,以确保齿轮的最终形态、尺寸和表面质量。
六、后处理
1.完成齿轮的精密磨削后,需要对其表面进行清洗,并去除可能存在的毛刺和其他杂质。
2.对齿轮进行测量,并与原始设计要求进行比较,以确保其符合要求。
3.最后将齿轮包装好,并妥善保存。
齿轮加工工艺齿轮加工工艺1.锻造制坯热模锻仍然是汽车齿轮件广泛使用的毛坯锻造工艺。
近年来,楔横轧技术在轴类加工上得到了大范围推广。
这项技术非凡适合为比较复杂的阶梯轴类制坯,它不仅精度较高、后序加工余量小,而且生产效率高。
2.正火这一工艺的目的是获得适合后序齿轮切削加工的硬度和为最终热处理做组织预备,以有效减少热处理变形。
所用齿轮钢的材料通常为20CrMnTi,一般的正火由于受人员、设备和环境的影响比较大,使得工件冷却速度和冷却的均匀性难以控制,造成硬度散差大,金相组织不均匀,直接影响金属切削加工和最终热处理,使得热变形大而无规律,零件质量无法控制。
为此,采用等温正火工艺。
实践证实,采用等温正火有效改变了一般正火的弊端,产品质量稳定可靠。
3.车削加工为了满足高精度齿轮加工的定位要求,齿坯的加工全部采用数控车床,使用机械夹紧不重磨车刀,实现了在一次装夹下孔径、端面及外径加工同步完成,既保证了内孔与端面的垂直度要求,又保证了大批量齿坯生产的尺寸离散小。
从而提高了齿坯精度,确保了后序齿轮的加工质量。
另外,数控车床加工的高效率还大大减少了设备数量,经济性好。
4.滚、插齿加工齿部所用设备仍大量采用普通滚齿机和插齿机,虽然调整维护方便,但生产效率较低,若完成较大产能需要多机同时生产。
随着涂层技术的发展,滚刀、插刀刃磨后的再次涂镀非常方便地进行,经过涂镀的刀具能够明显地提高使用寿命,一般能提高90%以上,有效地减少了换刀次数和刃磨时间,效益显着。
5.剃齿径向剃齿技术以其效率高,设计齿形、齿向的修形要求易于实现等优势被广泛应用于大批量汽车齿轮生产中。
公司自1995年技术改造购进意大利公司专用径向剃齿机以来,在这项技术上已经应用成熟,加工质量稳定可靠。
6.热处理汽车齿轮要求渗碳淬火,以保证其良好的力学性能。
对于热后不再进行磨齿加工的产品,稳定可靠的热处理设备是必不可少的。
公司引进的是德国劳易公司的连续渗碳淬火生产线,获得了满足的热处理效果。
第一章 零件的分析1.1零件的工作状态及工作条件汽车行驶时,齿轮始终在重载荷、高转速中工作。
在换挡时,还承受冲击载荷,所以要求齿轮具有较高的耐磨性和抗冲击性。
在齿轮加工中,为保证齿轮能满足以上要求,应对齿轮在滚齿之后采取磨齿,对齿轮的热处理应采用渗碳淬火,在最终加工中还应采取磷化处理以提高齿轮的防腐性能。
第五速齿轮从结构上来分析属于多联齿轮,由结合齿和传动齿组成。
为使润滑用能充分的起到润滑作用,在齿轮钻出3个油孔。
换挡时为减少齿轮的冲击,在齿轮大端加工出四个止口。
1.2零件的技术条件分析齿轮加工分为齿坯和齿轮轮齿加工。
齿轮的加工部位有轮缘、轮辐、轮毂和内孔。
齿坯的加工精度对齿轮的加工、检验和装配精度影响很大,所以其加工精度应满足GB10095-88的要求。
齿轮轮齿的加工部位有齿形和倒角,同时还要进行热处理,以提高承载能力和使用寿命。
热处理后还要进行内孔、内孔端面的磨削加工和齿形的精整加工。
综上所述,零件的技术条件主要分以下两种: 1.零件的表面粗糙度和加工精度如零件图所示:齿面的粗糙度Ra 0.8,加工精度IT5~IT6; 齿轮内孔尺寸ø025.0030+,由于齿轮与第二轴上的轴承有配合要求,故其不仅加工经济公差等级比较高而且其表面粗糙度为Ra 0.4。
一般载货汽车变速器和拖拉机变速箱齿轮的精度一般是6到7级精度,表面粗糙度不大于Ra 3.2. 2.各表面间的位置精度如零件图所示,零件的D 、E 、F 面三处具有形位公差要求;D 面对于定位基面φ029.001.070++的定位基准垂直度为0.015,平面度为0.01;E 面对于内孔的定位基准的垂直度为0.05,端面的平面度为0.01;F 面对于内孔的定位基准的垂直度为0.03;1.3零件的其它技术要求1.未注明倒角1X45○2.应除去加工时产生的毛刺,夹角平滑。
3.强力喷丸处理(磨齿后)。
4.热处理:渗碳淬火表面硬度650~800HV;以大端齿根部为准,渗碳层厚度为0.4~1.0mm;心部硬度513HV。
齿轮轴的机械加工工艺规程设计一、设计方案1.加工方法选择:齿轮轴的加工可以采用车削、铣削、磨削等多种方法。
根据齿轮轴的材质、加工量、加工难度和成本等因素进行综合选择。
2.切削刃具选择:齿轮轴采用头尾杆式加工,初粗磨、精磨采用相应的车刀、铣刀和磨料磨具。
3.工艺方案设计:根据齿轮轴加工的需要,设计出完整的工艺流程和必要的加工治具,确定加工路线和操作方法,保证加工的质量和效率。
二、工艺操作1.准备工作:选用符合要求的加工设备,清理加工平台和工具,检查加工刀具和夹具的状况。
2.粗加工:车削加工和铣削加工顺序应根据具体要求进行调整。
采用小进给、较大切削深度进行粗加工。
保证尺寸精度和表面质量。
3.精加工:根据加工要求,选择合适的切削条件和加工方式,采用多道次、小进给进行精加工操作,以保证加工精度和表面质量。
4.磨削:在完成精加工后,进行磨削操作。
采用磨料磨具进行外圆和内孔的磨削,保证加工精度和表面光洁度。
三、工艺参数1.精度保证:齿轮轴加工过程中要注意加工的精度,车削和铣削一般精度等级不低于IT8,磨削精度等级不低于IT6。
2.表面光洁度:齿轮轴加工表面要求光洁,表面粗糙度应满足加工要求,一般粗糙度Ra不高于1.6μm。
3.切削条件:根据齿轮轴的材质、硬度和加工要求,选择合适的切削速度、进给速度和切削深度。
4.加工液:选择合适的加工液,提高加工效率和工件质量。
如冷却液等,有助于降低加工热量和保持加工表面光洁度。
四、加工设备1.车床和铣床:齿轮轴的加工可以采用车床和铣床两种设备。
车床主要用于齿轮轴的轴身加工,铣床主要用于齿轮轴的端面加工。
2.磨床:齿轮轴磨削可以采用内圆磨床、外圆磨床和中心磨床。
内圆磨床主要用于齿轮轴的内孔磨削,外圆磨床主要用于齿轮轴的外圆磨削,中心磨床主要用于齿轮轴的中心孔磨削。
五、工装设计1.夹具设计:齿轮轴加工中,为了保证工件的安全固定,需要设计制作专门的夹具。
夹具的选择与设计应根据加工要求和工件的形状进行综合考虑。
南通职业大学毕业设计(说明书)内容摘要:在生产过程中,使生产对象(原材料,毛坯,零件或总成等)的质和量的状态发生直接变化的过程叫工艺过程,如毛坯制造,机械加工,热处理,装配等都称之为工艺过程。
在制定工艺过程中,要确定各工序的安装工位和该工序需要的工步,加工该工序的机车及机床的进给量,切削深度,主轴转速和切削速度,该工序的夹具,刀具及量具,还有走刀次数和走刀长度,最后计算该工序的基本时间,辅助时间和工作地服务时间。
关键词:工序,工位,工步,加工余量,定位方案,夹紧力Abstract :Enable producing the target in process of production (raw materials, theblank , state of quality and quantity on part become always ) take place directcourse of change ask craft course, if the blank is made, machining, heat treatment , assemble etc. and call it the craft course. In the course of making the craft , is itconfirm every erector location and worker step that process need this of process to want, the locomotive of processing , this process , and the entering the givingamount of the lathe, cut depth , the rotational speed of the main shaft and speed of cutting, the jig of this process, the cutter and measuring tool, a one hundred sheetsof number of times still leaves and a one hundred sheets of length leaves, calculatebasic time of this process , auxiliary time and service time of place of workingfinally.Keyword:The process, worker one, worker's step , the surplus of processing, orient the scheme , clamp strength目录摘要Abstract第一章绪论----------------------------------------------------------------------------------3 第二章零件的工艺分析-----------------------------------------32.1零件的工艺分析----------------------------------------------32.2确定毛坯的制造形式-------------------------------------------32.3箱体零件的工艺性---------------------------------------------3第三章拟定箱体加工的工艺路线--------------------------------43.1 定位基准的选择-----------------------------------------------4 3.2 加工路线的拟定-----------------------------------------------5第四章加工余量,工序尺寸及毛坯尺寸的确定------------------74.1 确定毛坯----------------------------------------------------------------------------------74.2 机体----------------------------------------------------------------------------------------8 4.3 箱体----------------------------------------------------------------------------------------8第五章确定切削用量及基本工时-------------------------------------------------95.1 机座----------------------------------------------------------------------------------------9 5.2机体---------------------------------------------------------------------------------------18 第五章夹具设计-----------------------------------------------------------------------346.1 研究原始资料--------------------------------------------------276.2 定位装置的设计------------------------------------------------------------------------276.3 夹紧装置的设计------------------------------------------------------------------------29 6.4 夹具体的设计---------------------------------------------------------------------------33参考文献----------------------------------------------------------------------------------------35 结论-------------------------------------------------------------------------------------- 36外文资料及译文---------------------------------------------------------------------- 37附件零件图和夹具图及加工工艺卡南通职业大学毕业设计(说明书)第一章:绪论箱体零件是机器或部件的基础零件,它把有关零件联结成一个整体,使这些零件保持正确的相对位置,彼此能协调地工作.因此,箱体零件的制造精度将直接影响机器或部件的装配质量,进而影响机器的使用性能和寿命.因而箱体一般具有较高的技术要求.由于机器的结构特点和箱体在机器中的不同功用,箱体零件具有多种不同的结构型式,其共同特点是:结构形状复杂,箱壁薄而不均匀,内部呈腔型;有若干精度要求较高的平面和孔系,还有较多的紧固螺纹孔等.箱体零件的毛坯通常采用铸铁件.因为灰铸铁具有较好的耐磨性,减震性以及良好的铸造性能和切削性能,价格也比较便宜.有时为了减轻重量,用有色金属合金铸造箱体毛坯(如航空发动机上的箱体等).在单件小批生产中,为了缩短生产周期有时也采用焊接毛坯.毛坯的铸造方法,取决于生产类型和毛坯尺寸.在单件小批生产中,多采用木模手工造型;在大批量生产中广泛采用金属模机器造型,毛坯的精度较高.箱体上大于30—50mm的孔,一般都铸造出顶孔,以减少加工余量.第二章:零件工艺的分析2.1零件的工艺分析2.1.1要加工孔的孔轴配合度为H7,表面粗糙度为Ra小于1.6um,圆度为0.03mm,垂直度为0.1mm,同轴度为0.03mm。
齿轮制造工艺手册—滚、插、磨、剃、刨(一)第1章常用基础知识1.2 极限与配合 (8)1.2.1极限与配合基础 (8)1.2.2公差与配合的选择 (10)1.4.3表面粗糙度的选择 (81)(二)1.5.6渐开线齿轮新旧公差精度对照精度组合与选择 (98)(三)1.5.11齿条公差 (176)1.5.12齿轮简易画法及示例 (179)(四)第2章齿轮材料和热处理2.1常用调质、表面淬火齿轮用钢选择 (183)2.2渗氮齿轮用钢 (183)2.3各国常用渗碳、淬火钢种选择及其应用范围 (184)2.4齿轮的预先热处理工艺 (186)2.5调质齿轮的热处理工艺 (187)2.6齿轮火焰淬火 (188)2.7齿轮感应淬火 (190)2.8常用齿轮钢的气体渗氮工艺 (191)(五)第3章齿轮的几何尺寸计算3.1渐开线直齿圆柱齿轮几何尺寸计算 (193) 3.2渐开线斜齿圆柱齿轮几何尺寸计算 (196) 3.4齿条几何尺寸计算 (201)3.5变位直齿圆柱齿轮几何尺寸计算 (201)(六)第4章滚齿加工4.4.2齿坯的安装要求 (244)4.5滚刀的选择及使用 (245)4.8.6短齿齿轮的滚切 (271)4.8.7对角滚齿法 (273)4.9.7滚齿加工时的注意事项 (296)4.9.8粗滚齿余量 (296)4.12.3圆弧齿轮齿形切削误差 (337)4.13滚齿加工常见缺陷和解决方法 (337)(七)第7章磨齿机精加工齿轮 (442)7.5.2齿轮精度指标 (442)7.5.3磨齿精度等级 (443)7.6磨齿用夹具 (444)(八)第11章齿轮刀具的选择11.2.1渐开线齿轮滚刀 (552)11.2.2直尺插齿刀 (554)第12章齿轮的检测与量仪12.7齿厚和公法线长度测量 (593) 12.8接触线误差的检验 (599)第13章齿轮加工的夹具及简易的工艺路线13.6齿轮加工余量 (616)13.7齿轮的简易工艺路线 (621)。
第一章绪论机械制造业是国民经济的的基础和支柱,是向其它各部门提供工具、仪器和各种机械技术的装备部。
一个国家的的机械制造业的发展水平是衡量一个国家经济实力的和科学技术水平的重要标志之一,在科技飞速发展的今天,机械产品和机械制造技术的内涵正在不断的发生变化,工程技术人员不仅要学习和掌握计算机技术等多方面的新知识、新技术、而且要对机械制造和机床夹具等必备的基础理论知识、运用全新的观点重新优化组合。
“工欲善其事,必先利其器。
”工具是人类文明进步的标志。
自20世纪末期以来,现代制造技术与机械制造工艺自动化都有了长足的发展。
但工具(含夹具、刀具、量具与辅具等)在不断的革新中,其功能仍然十分显著。
机床夹具对零件加工的质量、生产率和产品成本都有着直接的影响。
因此,无论在传统制造还是现代制造系统中,夹具都是重要的工艺装备。
轴承座是各种机械设备中常见的部件,它的主要作用是支撑轴承,目前常用轴座已经标准化,通常在机械产品设计时只要选取即可,但在许多场合,因为结构和条件的需要,需要非标轴承座,对于轴承座生产厂家,则是要尽力降低生产成本,提高产品质量。
齿轮是各种机器机械产品中常用的传动件,由于它传动效率高,传动稳定性好,噪音低,定比传动,广泛应用于各种机械设备中,随着机械生产制造技术的发展,齿轮应用越来越广,对齿轮的精度要求越来越高.1 基本概念工艺过程:改变生产对象的的形状、尺寸、相对位置和性质等,使其成为成品或半成品的过程。
生产纲领:企业在计划期内应该生产的产品产量和进度计划。
基准:基准是指用以确定生产对象几何要素间的几何关系所依据的点、线、面。
对一个机械零件而言,基准就是确定该零件上的其它点、线、面所依据的点线、面。
六点定位原理:任何一个自由刚体,在空间都有六个自由度(自由度是完全确定物体在空间几何位置所需要的独立坐标数目),即沿坐标轴的x、y、z 移动和绕此三坐标的转动。
限制了刚体的六个自由度,就确定了刚体的位置。
课程设计说明书齿轮锻造工艺设计2010年6 月8 日摘要:本次课程设计说明了齿轮的锻造工艺,同时论述了齿轮零件的锻造工艺设计是一个涉及诸多综合性因素的问题,它与所选的制造机械零件材料的性能、制造的工艺过程、生产的现场条件、生产批量及经济性等因素有密不可分的关系。
只有了解了锻造的工艺要求和热处理的规范,以及选择合适的设备,才能完成齿轮的锻造。
一.绘制锻件图. ................................................. - 1 -1. ..................................................................... 确定锻件形状- 1 -2. ..................................................................... 确定加工余量- 1 -3. 确定锻造公差 ........................ - 1 -4. ..................................................................... 绘制锻件图- 2 -二. 确定锻造工艺......................... - 3 -1. 锻件分类及工序 ........................ - 3 -2. ......................................................................... 制定变形工艺方案- 3 -3. ......................................................................... 确定合适的锻比- 4 -三.确定毛坯的质量和尺寸.................... - 5 -1. 毛坯质量计算 ........................ - 5 -2. ..................................................................... 毛坯尺寸确定- 6 -四.选定锻造设备及吨位..................... - 7 -1.查表选定法 ........................... - 7 -五.确定锻造温度及规范..................... - 8 -1.确定锻造温度范围 ....................... - 8 -2.确定加热规范及火次 ...................... - 8 -3. ..................................................................... 确定冷却方法- 9 -4. ..................................................................... 确定冷却规范- 9 -5. ......................................................................... 确定热处理规范- 9 -六. 设计总结.......................... - 10 -致谢............................... - 11 -参考文献............................ - 12 -工艺卡............................... - 13 -,.绘制锻件图绘制锻件图是拟定锻造工艺规程、选择工具、指导生产和验收锻件的主要依据。
用通用五轴加工中心加工大磨数高精度螺旋伞齿轮加工大模数、硬齿面、宽齿面及高精度的螺伞一直是困扰工业齿轮行业多年的问题。
在通用加工中心没有出现以前,加工这种齿轮惟一的办法就是用专用螺伞加工机床加工,而由于这种大模数高精度的齿轮含有较高的利润,因此专用机床厂家并不对外销售这种齿轮的加工机床,而只是卖齿轮,这就使得用户无法自己进行加工这种齿轮而只能依靠进口。
随着机械行业越来越向重型化发展,加工大模数高精度螺伞齿轮带来的制造瓶颈也越来越突出,就迫使人们不得不考虑新型的加工方法,于是,采用通用5轴加工中心加工大模数高精度的螺伞的这种方法就应运而生了。
在2009年4月6~11日举办的北京国际机床展览会上,瑞士GF阿奇夏米尔集团的展台上就出现了一对用米克朗五轴通用加工中心加工的螺旋伞齿轮,吸引了众多齿轮用户的注意。
这对齿轮为硬齿面齿轮,滚检后接触区理想,在21.5m/s的线速度下,齿轮的噪声低于67db,说明齿轮具有良好的啮合特性和精度。
众所周知,在加工中心上加工高精度的工件需要一系列的相关技术,其中最关键、最核心的就是机床制造技术和CAM软件技术,只有在高精度的机床和高质量的CAM软件的支持下,才能高效率地加工高精度的零件。
一直以来,瑞士GF阿奇夏米尔集团都是国际上以生产高精度高刚性的米克朗五轴机床而著称的机床生产商,其生产的米克朗HPM1850U五轴加工中心采用了诸多机床业先进的技术。
这种五轴加工中心在其摆动轴(B轴)及回转轴(C轴)都应用了直接驱动技术,其中B轴的摆动速度可达到20r/min;C轴则达到30r/min。
不仅如此,在B/C轴上都采用了液压夹紧,使得B/C轴能在加工过程中获得极大的刚性,这在齿轮的加工中尤其重要。
另外,由于齿轮的加工时间长,机床的热稳性更为关键,米克朗HPM1850U机床配备了APS(高级工艺控制系统)及ITC(智能热补偿系统),使得这种机床具备了极佳的热稳定性,从而可以确保齿轮的加工精度,使其在通用五轴加工中心上加工高精度大模数螺旋伞齿轮成为可能。
第一章 零件的分析1.1零件的工作状态及工作条件汽车行驶时,齿轮始终在重载荷、高转速中工作。
在换挡时,还承受冲击载荷,所以要求齿轮具有较高的耐磨性和抗冲击性。
在齿轮加工中,为保证齿轮能满足以上要求,应对齿轮在滚齿之后采取磨齿,对齿轮的热处理应采用渗碳淬火,在最终加工中还应采取磷化处理以提高齿轮的防腐性能。
第五速齿轮从结构上来分析属于多联齿轮,由结合齿和传动齿组成。
为使润滑用能充分的起到润滑作用,在齿轮钻出3个油孔。
换挡时为减少齿轮的冲击,在齿轮大端加工出四个止口。
1.2零件的技术条件分析齿轮加工分为齿坯和齿轮轮齿加工。
齿轮的加工部位有轮缘、轮辐、轮毂和内孔。
齿坯的加工精度对齿轮的加工、检验和装配精度影响很大,所以其加工精度应满足GB10095-88的要求。
齿轮轮齿的加工部位有齿形和倒角,同时还要进行热处理,以提高承载能力和使用寿命。
热处理后还要进行内孔、内孔端面的磨削加工和齿形的精整加工。
综上所述,零件的技术条件主要分以下两种: 1.零件的表面粗糙度和加工精度如零件图所示:齿面的粗糙度Ra 0.8,加工精度IT5~IT6; 齿轮内孔尺寸ø025.0030+,由于齿轮与第二轴上的轴承有配合要求,故其不仅加工经济公差等级比较高而且其表面粗糙度为Ra 0.4。
一般载货汽车变速器和拖拉机变速箱齿轮的精度一般是6到7级精度,表面粗糙度不大于Ra 3.2. 2.各表面间的位置精度如零件图所示,零件的D 、E 、F 面三处具有形位公差要求;D 面对于定位基面φ029.001.070++的定位基准垂直度为0.015,平面度为0.01;E 面对于内孔的定位基准的垂直度为0.05,端面的平面度为0.01;F 面对于内孔的定位基准的垂直度为0.03;1.3零件的其它技术要求1.未注明倒角1X45○2.应除去加工时产生的毛刺,夹角平滑。
3.强力喷丸处理(磨齿后)。
4.热处理:渗碳淬火表面硬度650~800HV;以大端齿根部为准,渗碳层厚度为0.4~1.0mm;心部硬度513HV。
5.表面电镀磷化处理。
1.4零件的材料及其加工性20CrMnTi是应用广泛,用量很大的一种合金结构钢,用于制造汽车中载或重载、冲击耐磨且高速的各种重要零件,如齿轮轴、齿圈、齿轮、十字轴、滑动轴承支撑的主轴、蜗杆、爪牙离合器。
20CrMnTi是渗碳钢,渗碳钢通常为含碳量为0.17%-0.24%的低碳钢。
汽车上多用其制造传动齿轮。
是中淬透性渗碳钢中Cr Mn Ti 钢,其淬透性较高,在保证淬透情况下,具有较高的强度和韧性,特别是具有较高的低温冲击韧性。
20CrMnTi表面渗碳硬化处理用钢。
良好的加工性,加工变形微小,抗疲劳性能相当好。
用途:用于齿轮,轴类,活塞类零配件等。
用于汽车,飞机各种特殊零件部位。
对于汽车变速箱第五速齿轮而言其毛坯可以采用20CrMnTi, 其力学性能如下:抗拉强度σb (MPa):≥1080(110)屈服强度σs (MPa):≥835(85)伸长率δ 5 (%):≥10断面收缩率ψ (%):≥45冲击功Akv (J):≥55冲击韧性值αkv (J/cm2):≥69(7)硬度:≤217HV加工性综合所述,第五速齿轮的毛坯选择20CrMnTi的锻造件。
1.5零件尺寸标注分析齿坯的加工部位有轮缘、轮辐、轮毂、内孔,齿轮的轮齿加工部位有齿形及倒角。
尺寸链的建立主要依靠内孔的轴线和大小端端面。
以钻油孔为例,其工序基准是小端端面,工序尺寸是13.5mm;以精车小端外圆为例,其应保证的工序尺寸是Φ1.03.05.94--,其工序基面是内孔,工序基准是齿轮的轴线; 1.6检验说明在第五速齿轮的加工过程中,要进行如下的检验:齿坯加工后的检验,热处理后的检验和最终检验。
前两项为中间检验,是针对各加工项目进行的;最终检验是作全面的检查。
为了保证检验准确,检验前工件要清洗干净。
齿坯的检验:齿坯的加工质量,在很大程度上影响齿轮的加工质量,尤其是对定位基准,要仔细的检查齿轮加工完后的精度和表面粗糙度。
不合格的齿坯不能流到下一道工序。
成批生产时,一般要全部检查,大量生产时,齿坯质量稳定时可做部分抽检。
齿轮热处理后的检验:对于有些齿轮热处理后要进行检查以便找出热处理时齿面的变形规律,以确定热处理前切齿的技术要求。
齿轮的最终检验:齿轮精度的验收可根据齿轮副的使用要求和生产规模,按GB10095中的规定在各公差组中,任选一个检验组来检验。
1.7零件工艺分析由于齿轮用途的特殊性,零件的部分加工面精度要求较高,所以从齿轮的尺寸和形状位置要求来看主要保证工件的表面粗糙度和各表面的位置关系。
对于齿轮的端面、外圆,内孔的粗加工及半精加工可采用数控车床进行加工。
对于粗糙度要求较高的内孔和端面一般采用精磨便可达到设计要求。
在最终加工时采用强力喷丸机及电镀磷化处理以提高齿轮的强度和使用寿命。
第二章 齿轮毛坯的设计2.1毛坯种类的确定毛坯的种类决定零件的材料、形状、生产性质及生产中获得的可能性。
对于汽车传力齿轮的毛坯而言其结构相对而言比较简单,故一般采用模锻件,当孔径大于25mm ,长度不大于孔径的两倍,内孔一般直接锻出。
另外作为变速器齿轮在工作过程中要求承受的作用,所以要使毛坯内部纤维对称于轴线,以提高材料的强度,故采用胎锻毛坯,则工件中的止口可以在锻造过程中直接锻造成型。
2.2毛坯的工艺要求2.2.1毛坯加工余量与公差参考《金属机械加工工艺人员手册》第五章加工余量中的毛坯的机械加工余量的相关信息,对于此次第五速齿轮的轴向加工余量选取如下:查表2.2-11胎膜锻件加工余量与公差(JB4250.3-86)a=5.10.10.4+-mm b=0.20.10.4+-mm c=0.25.10.6+-mm止口的余量为 5.10.10.4+- 特殊要求:1.错差不大于1.00mm ; 2. 表面缺陷不大于1.00mm ; 3.残余飞刺不大于1.00mm ;技术要求:1.未注明拔模角为3;2.未注明圆角为R2;3.尺寸按交点注;2.2.2拔模斜度2.2.3圆角半径为了便于金属在型槽内流动和考虑模锻强度,在模锻件的转角处,应该带有适当的圆角,生产上把锻件的凸圆角半径称为外圆角半径R,凹圆角半径称为内圆角半径R。
经查表外圆角半径选取R1,内圆角半径选取R2。
第三章工艺规程设计3.1工艺路线的制定3.1.1加工方法的选择齿轮的加工工艺路线的选择应考虑到零件材料的可加工性、工件结构形状和尺寸以及各种加工方法所能达到的经济精度等级。
加工表面技术要求是决定表面加工方法最重要的因素。
这些技术要求零件设计图样上所规定以外,还包括基准不重合而提高对某些表面加工要求,以及选择作为精基准而可能对其提出更高加工要求。
主要加工表面的工艺路线可安排如下:内孔:粗车→半精车→精车→磨削小齿:粗车→精车→插齿大齿: 粗车→精车→滚齿→磨齿→垳齿3.1.2 加工工艺路线在对齿轮零件图各种加工要求分析之后,决定采用以下工艺路线对齿轮毛坯进行加工:下料→锻造毛坯→正火→检查→粗车小端外圆、端面,粗车内孔、倒角→粗车大端外圆、端面,粗车止口,半精车内孔、倒角→精车小端外圆、端面,车端面空刀槽,倒角→精车大端外圆、端面,精车止口、内孔,车止口环槽、倒角→插齿→滚齿→齿端倒角→铣油槽→钻油孔→检查→热处理→挤光→磨孔→磨内孔及大端端面→磨小端端面→磨齿→垳齿→对齿面进行强力喷丸→磷化处理→检查3.1.3加工阶段划分对于第五速齿轮的加工阶段可以分为:齿坯加工、齿面加工和热处理后的精加工。
工艺路线如上所示大体分为以下阶段:粗加工阶段:主要任务是切除各表面上的不部分余量,包括粗车小端外圆到粗车止口半精加工阶段:完成次要表面的加工,并为主要表面的精加工做准备,包括半精车内孔精加工阶段:保证各主要表面达到图样要求,包括精车小端外圆到精车大端端面光整阶段:对于表面粗糙度和尺寸精度要求都很高的表面需进行光整加工阶段,包括磨内孔及大端端面、磨小端端面、磨齿最终加工阶段:根据变速器的工作状态和环境,需增加齿轮的强度和耐腐蚀性,所以在光整阶段后还要对齿轮进行最终处理,包括对齿面进行强力喷丸、电镀磷化处理。
3.1.4工序的分散与集中工序集中:把加工内容集中在一个工序,一台设备上进行,工序集中便于提高生产率,减少装夹次数,便于保证各加工表面之间的形状位置公差,有利于组织生产和计划工作。
为保证每一道工序所保证的工序尺寸,有时需将一个大的工序拆分成几个小工序。
在上述工艺路线中,粗车可以归为一类在数控车床S3-242上加工,精车可以归为一起在数控车床S3-242上加工。
总之,对于第五速齿轮的加工可以分以上几个阶段进行不同工位的加工。
3.1.5基准的选择在第五速齿轮加工中的定位基准有粗基准和精基准。
粗基准的选择有两个出发点:一是保证各表面有足够且均匀的加工余量;二是保证不加工表面与加工表面间的尺寸和位置符合设计要求。
精基准的选择主要考虑以下几个方面:一是尽可能选择用设计基准或工序基准作为定位基准:二是尽可能选用同一组定位基准加工各个表面,即遵守“基准统一”原则:三是应保证工件的装夹稳定可靠,机床夹具结构简单,工件装夹操作方便。
根据上述基准的选择原则,粗基准用未加工过的毛坯表面做基准,精基准用以加工过的表面做基准。
具体基准的选择如下:粗车小端面以大端外圆轴线作为基准加紧,以大端端面作为轴向的定位基准粗车大端面以大端外圆轴线作为基准加紧,以小端端面作为轴向的定位基准粗车内孔时以大端外圆轴线作为基准加紧,以大端外圆轴线作为定位基准精车与粗车的基准选择一致滚齿和插齿时以内孔轴线作为定位基准,小端端面作为基准加紧磨削内孔及端面止口时以大齿分度圆圆心作为定位基准,大端面做基准夹紧3.1.6热处理工序及辅助工序的安排1.为了使后续的加工工序能保证了所需的加工精度,需提高了材料的硬度,因此热处理工序安排在下料之后以及粗加工之后。
2.辅助工序安排在精加工阶段即保证各个尺寸不破坏主加工表面,包括检验工序、磷化处理、清洗工序。
3.20CrMnTi为低碳合金,采用正火处理,有利于提高机械加工性能,可以减小工件内的残余应力。
正火处理要安排在毛皮锻造完成之后,粗加工之前。
该工件在工作过程中受力要求外部较硬而芯部铰韧,因此采用渗碳淬火,为保证渗碳深度的均匀,将渗碳安排在磨削加工之前。
3.1.7 加工工序的设计齿轮加工工艺路线: 1 锻造毛坯 2 正火 3 检查 4 车序(1)粗车小端外圆、端面、内孔、倒角粗车小端外圆至φ25.039.0899.49--mm ,表面粗糙度Ra =6.3粗车端端面端面至16.006.35mm ,表面粗糙度Ra =6.3粗车内孔至φ28.00899.49mm车倒角2×45°(2)粗车大端外圆、端面、止口、半精车内孔、倒角粗车大端外圆至φ45.030.0455.60--mm ,表面粗糙度Ra =6.3粗车大端端面至2.002.34mm ,表面粗糙度Ra =6.3粗车止口至φ34.004.31,表面粗糙度Ra =3.2 半精车内孔至φ12.002.29mm ,表面粗糙度Ra =3.2车倒角,2×45°(3)精车小端外圆、端面、车端面空刀槽、倒角精车小端外圆至0016.0599.47-mm ,表面粗糙度Ra =3.2 精车小端端面至07.0006.33mm,表面粗糙度Ra= 3.2 精车车止口至25.0037mm,表面粗糙度Ra=1.6 车倒角,1×45°、2×45°5 精车大端外圆、端面、端面止口、内孔、倒角 精车大端外圆至010.0755.58-mm,表面粗糙度Ra =3.2 精车大端端面至27.0342.033--mm,表面粗糙度Ra =3.2精车止口端面至φ0021.028-mm,表面粗糙度Ra =1.6 精车内孔至φ025.0030mm,表面粗糙度Ra =1.6车倒角,2×45° 6J 中间检查7 插齿 插接合齿z=18 8 滚齿 滚斜齿z=189 倒棱 倒z=18 斜齿两端锐角 10 铣油槽 铣油槽宽R8 深1.45mm 11 钻孔 钻油孔均布3-φ2.5 12 检查13 热处理(渗碳淬火) 14 检查15 挤光 挤斜齿Z=1814 磨内孔 磨内孔至φ021.0030mm,表面粗糙度Ra=0.415 磨端面磨端面至H=021.0063.32+mm ,表面粗糙度Ra=0.816 磨齿磨Z=18斜齿,表面粗糙度Ra=0.8mm 磨齿端面 磨齿端面保证 H=1.0010+mm17 垳齿 桁Z=18斜齿 18 检查 19 磷化处理 20J 最终检查注:精车削加工外圆的加工余量的选择根据《机械加工工艺设计实用手册》表8-10;磨削端面的加工余量的选择根据《机械加工工艺设计实用手册》表8-20;磨齿加工齿厚留磨余量2mm 由《机械加工工艺设计实用手册》表8-48查的;各种加工方式的经济精度和表面粗糙度的选择根据《机械加工工艺设计实用手册》第四章列表;标准公差数值的选取根据《机械加工工艺设计实用手册》表3-2。