机械加速澄清池设备技术规范书
- 格式:docx
- 大小:134.79 KB
- 文档页数:14
机械加速澄清池机械搅拌澄清池属于泥渣循环型澄清池。
其池体主要由第一絮凝室、第二絮凝室及分离室三部分组成。
这种澄清池的工作过程 (见图3-14)为:加过混凝剂的原水由进水管1,通过环形配水三角槽2的缝隙流入第一絮凝室,与数倍于原水的回流活性泥渣在叶片的搅动下,进行充分地混合和初步絮凝。
然后经叶轮5提升至第二絮凝室继续絮凝,结成良好的矾花。
再经导流室III进入分离室IV,由于过水断面突然扩大,流速急速降低,泥渣依靠重力下沉与清水分离。
清水经集水槽7引出。
下沉泥渣大部分回流到第一絮凝室,循环流动形成回流泥渣,另一小部分泥渣进入泥渣浓缩室V排出。
机械搅拌澄清池的设计要点与参数汇列于下。
♦池数一般不少于两个。
♦回流量与设计水量的比为(3:1)-(5:1),即第二絮凝室提升水量为进水流量的3-5倍。
♦水在池中的总停留时间为1.2-1.5h。
第二絮凝室停留时间为0.5-1.Omin,导流室停留时间为2.5-5.Omin(均按第二絮凝室提升水量计)。
♦第二絮凝室、第一絮凝室、分离室的容积比=1:2:7。
为使进水分配均匀,现多采用配水三角槽(缝隙或孔眼出流)。
配水三角槽上应设排气管,以排除槽中积气。
♦加药点一般设于原水进水管处或三角配水槽中。
♦清水区高度为1.5-2.0m。
池下部圆台坡角一般为45°。
池底以大于5%的坡度坡向池中心。
♦集水方式宜用可调整的淹没孔环形集水槽,孔径20-3Omm。
当单池出水量大于400m3/h 时,应另加辐射槽,其条数可按:池径小于6m时用4-6条;直径为6~1Om时用6-8条。
♦根据池子大小设泥渣浓缩斗1-3个,小型池子可直接经池底放空管排泥。
浓缩室总容积约为池子容积的1%~4%。
排泥周期一般为0.5-1.Oh,排泥历时为5-60s。
排泥管流速按不淤流速计算,其直径不小于1OOmm。
♦机械搅拌的叶轮直径,一般按第二絮凝室径的70%-80%设计。
其提升水头约为0.05-0.lOm.♦搅拌叶片总面积,一般为第一絮凝室平均纵剖面积的10%-15%。
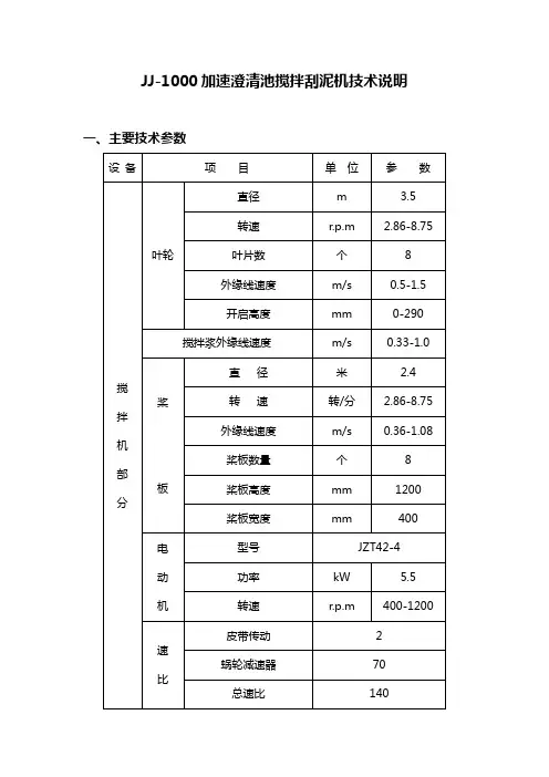
JJ-1000加速澄清池搅拌刮泥机技术说明一、主要技术参数二、主要结构及工作原理加速澄清池搅拌机主要由搅拌机部份,刮泥机部份、信号发讯器等部件组成。
1、搅拌机部份主要由驱动装置、搅拌轴、搅拌提升叶轮、调节拉杆等部件组成。
(1) 驱动装置主要由蜗轮减速箱、电机减速机及机座组成,由电机减速机出轴皮带轮带动四根三角带来驱动蜗轮减速箱,并由蜗轮减速箱出轴通过夹壳联轴器来带动搅拌轴及搅拌桨旋转,其核心部件蜗轮减速箱为我公司按国家有关部门设计制造,箱体材质HT200铸铁、轮缘材质ZQAL9-4青铜、蜗杆材质45#碳钢,调质处理后精加工,与轮缘啮合准确,本结构合理、外形美观、运行可靠、使用寿命长。
(2) 机座由型钢拼焊组成,结构牢固,并进一步作内应力消退处理,长期使用不变形。
(3) 搅拌轴由45#优质碳钢调质处理精加工而成,其外圆同轴度误差不大于0.05mm。
(4) 搅拌提升叶轮主要由上下提升叶片、搅拌桨板及联接筋板拼装组焊而成,组装后的叶轮均进行静平衡和动平衡检测,检测合格后方可进入下道工序。
2、刮泥部份主要由传动装置、中心枢轴、针齿盘、刮泥臂、上下拉紧装置等部件组成。
⑴传动装置主要由行星摆线针轮减速机、传动主轴、套筒、上下轴套、驱动齿轮等组成,并设有安全剪切销过扭矩保护装置,该装置传递扭矩大,运行平稳,无异常噪音,运行可靠。
⑵中心驱轴主要由管栓、上盖、轴座、轴套、轴瓦等部件组成,由于中心枢轴是刮泥装置的定心传动装置,同时又是刮泥臂及刮板的承重部件,因此对其的强度及传动件可耐磨性要求较高,其轴座、轴套采用QT45-15高强度球铁铸造而成,上下轴瓦采用ZQAL9-4青铜精加工并作磨削处理,精度高、耐磨性好。
⑶三个刮泥臂相交成120°布置由水平拉杆拉紧,结构牢固,刮泥臂采用φ4”无缝钢管与刮板焊接。
⑷针齿盘是刮泥装置的重要部件之一,对传动强度及传动精度要求较高,其传动齿圈是采用[16槽钢用卷板机卷成,外圈上钻有240个销眼穿上销轴,销轴孔距误差不大于0.2mm,销轴采用1Cr13不锈钢精加工而成,并作调质处理,为了能与Z16”小齿轮啮合准确,通过调节齿圈内拉杆来调整啮圈的外圆度不大于0.5mm.。
JJ600加速澄清池搅拌刮泥机技术说明一、主要技术参数·池径:D=10.9m·旋转直径:d=10.5m·耙臂数量:4个·外缘线速度:V=3.37m/分·驱动功率:N=0.75kw·搅拌机功率:N=4.0KW·叶轮直径:φ2.5m·转速:V=3.8转/分·外缘线速度:V=0.5-1.5m/秒·开启高度:H=0-245mm·防护等级:IP54·绝缘等级:F级·工作制:24小时/天连续运行或间歇运行二、主要结构及工作原理加速澄清池搅拌机主要由驱动装置、传动装置、搅拌提升装置、刮泥装置等部件组成。
1、主要结构(1) 驱动装置:搅拌机由JCTG180-4A型调速电机通过三角带驱动,电机功率4kw,转速120-1200转/分。
刮泥机由XWD08-4-59型行星齿轮减速机通过链条驱动,电机功率0.75kw。
该两套驱动装置运转平稳,无异常噪音,运行可靠。
(2) 传动部分:主要由搅拌机蜗轮箱和刮泥机蜗轮箱组成,两套蜗轮箱上下叠置,上部为刮泥机蜗轮箱,下部为搅拌机蜗轮箱,蜗轮箱为我公司按国家有关标准设计制造,箱体材质为HT200铸铁,蜗轮轮毂材质HT200铸铁,轮缘材质ZQAL9-4青铜,蜗杆材质为45#优质碳素结构钢,粗加工后经调质处理。
本结构合理、外形美观、运转可靠。
(3) 搅拌提升部分:主要由搅拌主轴、提升叶轮、搅拌浆等部件组成。
搅拌主轴由Φ159×12厚壁无缝钢管两端焊接法兰精加工而成,其垂直度<1mm/L(L轴的长度)。
叶轮主要由上下圆板与其它附件焊成,板厚δ=6mm。
组装后的叶轮进行静平衡检测,检测符合标准方可进入下道工序。
(4) 刮泥部分:该装置主要由传动主轴、2根长刮泥架、2根短刮泥架、固定盘、底轴承架、拉杆等部分组成,驱动主轴用圆钢精加工而成。
刮泥干净彻底,无污泥堆积现象。
1设计任务1.1设计题目机械加速搅拌澄清池工艺设计1.2设计要求设计规模为1600m³/h, 水厂自用水量为5 %,净产水能力为1600m³/d×1.05= 1680m³/d =0.4667m³/s1.3设计内容完成机械加速搅拌澄清池工艺设计说明书一份,手绘1号图纸一张2设计说明2.1机械搅拌澄清池的工作原理机械搅拌澄清池是利用转动的叶轮使泥渣在池内循环流动,完成接触絮凝和澄清的过程。
该型澄清池由第一絮凝室、第二絮凝室和分离室组成。
在第一和第二絮凝室内,原水中胶体和回流泥渣进行接触絮凝,结成大的絮体后,在分离室中分离。
清水向上集水槽排出。
下沉的泥渣一部分进入泥渣浓缩室经排泥管排除,另一部分沿回流缝在进入第一絮凝室进行絮凝。
2.2机械搅拌澄清池的工作特点机械搅拌(原称机械加速)澄清池属泥渣循环型澄清池,其特点是利用机械搅拌的提升作用来完成泥渣回流和接触反应。
加药混合后的原水进水进入第一反应室,与几倍于原水的循环泥渣在叶片的搅动下进行接触反应。
然后经叶轮提升至第一反应室继续反应,以结成较大的絮粒。
再通过导流室进入分离室进行沉淀分离。
这种水池不仅适用于一般的澄清也适用于石灰软化的澄清。
2.3机械搅拌澄清池设计要点及数据(1)二反应室计算流量(考虑回流因素在内)一般为出水量的3~5倍;(2)清水区上升流速一般采用0.8~1.1mm/s,当处理低温低浊水时可采用0.7~0.9mm/s;(3)水在池中的总停留时间为 1.2~1.5h,第一絮凝室和第二絮凝室的停留时间一般控制在20~30min,第二反应室按计算流量计的停留时间为0.5~1min(4)为使进水分配均匀,可采用三角配水槽缝隙或孔口出流以及穿孔管配水等;为防止堵塞,也可采用底部进水方式。
(5)加药点一般设于池外,在池外完成快速混合。
一反应室可设辅助加药管以备投加助凝剂。
软化时应将石灰投加在以反应室内,以防止堵塞进水管道。
****************************************************************** 嘉峪关宏晟电热有限责任公司二期工程机械加速搅拌澄清池加药装置技术规范书******************************************************************目录1.概述2.技术要求及设备规范3.供货范围4.技术服务5.质量保证和试验6.技术文件和图纸7.包装、运输和储存8.其它1.概述1.1.需方在本协议中提出了最低限度的技术要求,并未对全部技术细节做出详细规定,也未充分引用有关标准和规范的条文,供方应提供符合本规范书和工业标准的优质产品,对国家有关安全、环保等强制性标准,必须满足其要求。
1.2.供方在执行本协议所列标准与其它标准或规范有矛盾时,按较高标准执行。
1.3.本期工程简介嘉峪关宏晟电热有限责任公司二期工程位于甘肃省河西走廊西部的嘉峪关市。
嘉峪关市东接酒泉市,南靠甘南县,北与金塔县接壤。
酒泉钢铁公司位于嘉峪关市的东部及东北部。
电厂位于酒泉钢铁公司厂区的东南角围墙外以东的戈壁滩上,距市中心约3.5Km,距嘉峪关城楼约8.5 Km。
本期新建2X300MW燃煤凝汽式汽轮发电机组,配2X1025t/h锅炉。
1.4.设计和运行环境1.4.1.厂址条件及设备安装环境1.4.1.1.厂址区地震基本烈度为7类。
1.4.1.2.累年平均气温8.1℃,累年极端最高气温38.4℃,累年极端最低气温-31.6℃。
1.4.2.系统有关参数锅炉补给水处理系统:运行压力:≤0.6Mpa。
1.4.3.化学药品及种类供方提供的设备分别应用于凝聚剂(聚合铝或聚合铁)、助凝剂的储存、计量和输送。
1.4.4.运行环境:设备布置于室内。
2.技术要求及设备规范2.1.设计制造标准2.1.1.国外供货设备的制造工艺和材料应符合美国机械工程协会(ASME)和美国材料试验协会(ATM)所涉及的标准。
机械加速澄清池技术规范书2、工程概况2.2 气象特征各项气象特征值统计如下:2.2.1 气候分类根据Koppen分类标准,该地区属于Af和Am型,定义为高温型气候。
2.2.2 相对空气湿度最小月:83%平均月:86%最大月:91%2.2.3 气压平均压力101.3kPa2.2.4 环境温度最小月平均:22℃月平均:26℃最大月平均:32℃全年平均:27℃2.2.5 降雨量累年最大降雨量:4000mm累年平均降雨量:2200mm最大月降雨量:350mm月平均降雨量:190mm暴雨期:12月至7月 降雨量最大的月份:3月 干旱期:8月至11月 2.2.6 风主导风向:在Belem 机场纪录的一系列气象分析数据表明东北方向是主导方向,东向也是比较重点的方向,有25%频率。
平均风速:2.6m/s 最大风速:5.5m/s 2.2.7 地震当地没有地震的纪录。
2.2.8 暴雨强度公式:778.015.0)2.12(9.1175+⨯=t Tr i ,其中重现期Tr=5年,降雨历时t=20min ,降雨强度i 的单位为mm/h ,则暴雨强度为100.5mm/h 。
2.3 燃料煤质及灰渣成分分析参见下表:2.4 水质原水采用PARA河水,河水水质如表2.4-1所示:表2.4-1 原水水质表3、主要技术规范JJ型机械搅拌澄清池搅拌机、刮泥机利用机械搅拌作用来完成水和药剂混合、反应以及泥渣的循环和接触凝聚过程。
结成的较大絮凝体,由分离室进行沉淀分离,剩余污泥通过刮泥机刮集至排泥斗由静水压力排出JJ型澄清池搅拌刮泥机按标准生产,具有单位面积处理量大;对水量、水质、水温变化适应性强的特点,采用的无级电磁调速电动机,可随水量、浊度、投药量的变化来调节电机转速,使叶轮速度合适。
※适用条件➢适用于生活饮用水和工业用水的澄清处理。
➢进水悬浮物含量。
(1)无机械刮泥:一般不超过1000 mg/L,短时间内不超过3000mg/L。
机械加速澄淸池专项施工方案一、工程概况水处理共有三个机械加速澄淸池,机械加逨澄清池埋深3.70m,1.10~-1.35以下为3.00m~0.55m厚的Φ25.80m的C20素混凝土基础,1.10~-1.35以上是Φ29m圆形钢筋混凝土澄淸池,底板厚500㎜,呈锅底型,池内有斜撑,环板,预制混凝土伞板和导流板。
上部有Φ9.10m圆形,高3.93m的机械间。
断面示意见下图:二、施工方案1、机械加速澄清池施工工艺流程:2、锅底钢筋混凝土施工方案:锅底钢筋混凝土属于锅底形状、大面积薄壁防水钢筋混凝土结构,为保证其防水效果,提高混凝土的施工质量,锅底混凝土浇筑采取从中心开始由里圈向外圈依次推进的螺旋状环绕浇筑方案。
浇筑宽度以施工时的气温条件、混凝土初凝时间和浇筑强度来确定。
3、钢筋混凝土支撑施工方案:采用一次支模分组对称现浇方案。
1)施工顺序:放线→搭设排架→支撑底模→支撑侧模板→钢筋笼安装→支撑上侧模→加固调正→支撑砼浇注。
2)排架支撑方案:排架支撑由计算确定。
一般采用普通钢管扣件脚手架支撑系统,径向立杆不少于5根,环向立杆间距@800,水平杆间距@1200,支撑设有竖向支撑和水平剪刀撑。
3)模板方案:支撑为方形,结构尺寸300×550×6070mm,采用标准木模板。
4)钢筋工程:支撑钢筋采取在钢筋场下料,焊接绑扎安装。
5)砼浇灌方案:支撑砼采用泵车分组对称浇灌的方案。
每两根支撑(相应对称)为一组,同速度同高度浇灌。
浇完一对称组后再转90度方向浇另一对称组。
砼振捣采用插入式振捣器振捣方式。
4、砼外立柱施工方案:砼外立柱采取一次浇筑到顶的施工方案。
1)钢筋工程采取加工场加工,现场绑扎的施工方案。
2)板工程采用标准组合钢模板。
3) 混凝土浇筑采用混凝土泵车浇筑,振捣采用插入式振捣器振捣。
砼吊板及园环施工方案:采取砼吊板和园环整体浇筑方案。
浇筑时待柱子浇筑到梁底时,采取由一侧向另一侧全面推进的施工方案。
一、概述:机械搅拌澄清池搅拌机、刮泥机是将混合、絮凝反应及沉淀工艺综合在一个池内。
池中心有个叶轮,将原水加入药剂同澄清区沉降下来的回流泥浆混合,促进较大絮凝体的形成,泥浆回流量可通过叶轮开启度来控制。
由分离室进行沉淀分离,剩余污泥通过刮泥机刮集至排泥斗排出。
该池的优点是效率高且比较稳定,对原水水质和处理水量的变化适应性强等优点。
采用的无级电磁调速电机,可随水量、浊度、投药量的变化来调节电机转速,使叶轮速度合适。
广泛行应用于污水处理厂中的二次沉淀池,对活性污泥进行沉淀、收集和排除。
二、设备清单三、主要技术参数:进水浊度: 1000-5000毫克/升出水浊度: ≤10毫克/升停留时间 1.5小时刮吸泥机直径:φ13M驱动方式:中心驱动刮泥机电机减速机功率: 1.5KW搅拌机无级电磁调速电动机减速机 5 .5KW (120-1200rpm)叶轮直径: 3.5M叶轮外缘线速度: 0.5-1.5m/s提升水头: 0.05 m搅拌浆外缘线速度: 0.3-1.0 m/s刮板外缘线速度: 1.5 m/s-3.5 m/s-平台载荷≥1.2T电机防腐等级: IP55绝缘等级: F级四、结构特点本机由刮泥机变速驱动装置、调流装置、搅拌机变速驱动装置、夹壳联轴器、搅拌机空心转轴、提升叶轮、搅拌浆叶、刮泥机主轴、刮泥机组件、出水堰板等部分组成。
刮泥机、搅拌机以中心支座为回转中心,与刮泥机变速驱动装置相连的刮泥机主轴,带动刮板沿池底转动。
与搅拌机变速驱动装置相连的搅拌机空心转轴带动搅拌浆叶转动。
为了安装、检修方便,各部件之间的联接,大部分采用螺栓联接,水下紧固件材质用不锈钢。
五、工作原理:该机的工作主要由回转、供电、搅拌、刮泥、排泥等主要部来完成,其工作原理如下:1、传动装置驱动装置一台1.5KW三相异步电机经过蜗轮蜗杆减速机带动刮泥机主轴,从而带动刮板沿池底转动,且设有过载保报护装置。
和另一台采用无级电磁调速电动机带动搅拌机空心转轴,从而带动搅拌浆叶转动。
机械加速澄清池运行操作规程宜兴市华达水处理设备有限公司地址:宜兴市和桥镇新建新村333号电话:0510-******* 7801576机械加速澄清池运行操作规程一、运行前的准备工作1.检查减速机是否加注指定的润滑油(按双级蜗轮减速机产品说明书操作)。
2.检查池内机械设备的空池运行情况。
3.电气控制系统应操作安全,动作灵活。
4.进行原水的烧杯实验,取得最佳混凝剂和最佳投药量.5.机械搅拌澄清池搅拌机、刮泥机运转方向按顺时针方向运行,禁止逆向运行操作.6.停水后,关掉调速电机开关,刮泥机继续运转30分钟,关掉刮泥机电机开关,关闭排泥阀。
二、初次运行1.应尽快形成所需泥渣浓度,可先减少进水量,增加投药量,一般调整进水量为设计流量的2/3—1/2.适当加大投药量(一般为正常加药量的1~2倍),并减少叶轮提升量。
2.逐步提高转速,加强搅拌.如泥渣松散,絮粒较小或水温、进水浊度低时,可适当投加粘土或石灰以促进泥渣的形成,也可将正在运行的机械搅拌澄清池的泥渣加入新运行的机械搅拌澄清池中,以缩短泥渣形成的时间。
3.在泥渣形成过程中,进行转速和开启度的调整,在不扰动澄清区的情况下尽量加大转速和开启度,找出开启度和转速的最佳组合。
4.在泥渣形成过程中,应经常取样测定池内各部分的泥渣沉降比,若第一反应室及池子底部泥渣沉降比开始逐步提高,则表明泥渣在形成(一般2-3h后泥渣即可形成),此时运行已趋于正常。
泥渣形成后,出水浊度达到设计要求(<5NTU)时,可逐步减少药量至正常加注量,然后逐步增大进水量。
每次增加水量不宜超过设计水量的20%。
水量增加间隔不小于1h,待水量增至设计负荷后,应稳定运行不小于48h。
5.当泥渣面高度接近导流室出口时开始排泥,用排泥来控制泥渣面在导流室出口以下。
一般二反应室5min泥渣沉降比在10%~20%左右。
按不同进水浊度确定排泥周期和历时,用以保持泥渣面的高度。
三、停池后重新运行池停止运转8~24h后,泥渣成压实状态,重新运转时,宜先开启底部放空管阀门,排出池底少量泥渣,并控制较大的进水量和适当加大投药量,使底部泥渣松动,然后调整到正常水量的三分之二左右运转,待出水水质稳定后,再逐渐降低加药量,增大进水量。
机械加速澄清池搅拌刮泥机一、用途及简介澄清池搅拌刮泥机是全国通用图机械搅拌澄清池的主要配套设备。
常用于生活饮用水,工业用水的原水处理,工业废水三级处理,及水质软化处理等给排水处理过程中的澄清阶段。
本设备具有安装、维护、管理方便;运行平稳、安全可靠;可调整回流量等特点。
搅拌机在机械加速澄清池中,起着搅拌和提升作用。
刮拌机在机械加速澄清池中,起着刮集污泥的作用。
我公司有多年的生产经验并被编入《机械搅拌澄清池》“定点生产厂厂名录”。
该产品已通过了省级鉴定。
二、供货数量及范围1330 m3/h机械加速澄清池搅拌刮泥机 3套1、机械加速澄清池搅拌刮泥机主要由搅拌机部分、刮泥机部分、信号发讯器等部件组成。
²搅拌机:驱动装置(包括电动机、减速机、变频器)、搅拌轴、搅拌提升叶轮、调节拉杆等部件组成。
²刮泥机:传动装置(包括电动机、减速机)、中心枢轴、针齿盘、刮泥臂、上下拉紧装置等部件组成。
2、与机械加速澄清池配套使用的斜管及相应的服务。
3、安装紧固设备的材料,如地脚螺栓等。
4、安装检修用的专用工具。
5、备品备件(满足六年内一次大修的需要)。
三、技术参数1、设备运行环境条件7.1 厂址条件设备安装地点:江苏省淮安市以西5km杨庄镇的东北面。
厂址海拔标高:16.0~18.0m(1956年黄海高程系)地震烈度7度7.2 气象条件7.3 气候类型厂址位于北亚热带湿润季风气候区,受太平洋气候的调节和季风环流的影响,具有四季分明、气候湿润、光照充足、雨量充沛、无霜期长的特点。
一般春季气温回升缓慢、天气多变,夏季炎热多雨,秋季天高气爽,冬季天气晴朗、寒冷干燥。
7.4 设备使用条件安装地点:机械加速澄清池露天布置水质:地表水,PH=6.5~9.5水温:5~40℃悬浮物含量:≤10000 ppm机械排泥浓度:50 kg/m3,含水率95%7.5 电源:三相四线制,380V/220V,50HZ四、结构及工作原理1、搅拌机主要由驱动装置(电动机、减速装置、变频器)、搅拌机主轴、提升叶轮及搅拌桨部件组成;刮泥机主要由驱动装置、减速装置、传动轴及刮泥耙等部件组成。
机械加速澄清池刮泥机直径φ19.5m 工艺计算书已知:机械加速澄清池刮泥机直径φ19.5m ,单池平均流量Q单=350m 3/h =0.097m 3/s ,总高度12m 。
Q 进=Q 单×(3~5)设计计算1、抽吸管计算单池设计流量Q 单=0.097m 3/s ,抽吸管内流速v1=0.04~0.07m/s(1)抽吸管计算流量Q 进=Q 单×3=0.097×3=0.291m 3/s抽吸管进水截面A1= Q 进 / v1=0.485/0.04=12.125m 2抽吸管径D=93.3125.12*41*4==ππA =1.4m 已知故进水流速V 进=Q 进/A==⨯⨯=⨯224.14302.144.1302.1ππ 0.845m/s 符合规范要求(2)沉淀池池径φA=Q/q ’=3125/1.2=2604.1m 2φ=5.571.260444=⨯=ππAm沉淀池池径φ=56m ≈φ符合要求2、进水管设计进水竖井井径D=2000mm (结构已知)按结构需要D 2=2800mm ,出水口尺寸取0.5*1.0m 2共6个沿井壁均匀分布。
出水口流速V2=Q 进/(6*0.5*1.0)=1.302/3.0=0.434m/s符合规范要求0.3~0.5m/s3、稳流筒计算按设计规范筒中流速(普通幅流沉淀池)V 3<0.1m/s稳流筒过流面积f=Q 进/V 3=1.302/0.1=13.02m 2稳流筒计算直径D 3==+⨯=+2228.202.1344ππD f 4.94m取稳流筒直径为D 3=5000mm二、出水部分计算1、单池设计流量Q 单=0.868m 3/s2、环形集水槽计算采用单侧集水环形集水槽与双侧进水环形集水槽集水组合形成,设两集水槽出水流量相等。
(1)采用单侧集水环形集水槽(土建)环形集水槽中流量q 集1=Q 单/2=0.868/2=0.434m 3/s集水槽宽度(K 安全系数取1.2)b=0.9×(K* q 集1)0.4=0.9*(1.2*0.434)0.4=0.693m取b=0.7m集水槽起点水深h 起=0.75b=0.525m集水槽终点水深h 终=1.25b=0.875m槽深取850mm(2)采用双侧集水环形集水槽(钢制)自然沉淀池中出水槽流速1.2~1.5m/s (见规范)环形集水槽中流速q 集2=Q 单/2=0.868/2=0.434m 3/s初设槽中流速V2=1.2m/s ,出水槽宽b 2=0.5m槽内终点水深h 4’=362.05.02.12/434.02/22=⨯=b v q 集m 槽内临界水深h k ’=3222)2/(gb q 集α a=动能修正系数取1h k ’=3225.08.9)2/434.0(1⨯⨯=0.268m 槽内起点水深h 3’==+⨯=+3233443362.0362.0268.02'''2h h h k 0.62m 校核当水流增加一倍时,q 集=0.434m/s ,槽内流速V 2’=1.5m/s 槽中终水深h 4=q 集/(V 2b 2)=0.434/(1.5*0.5)=0.579m槽内临界水深h k =32232225.08.9434.01)(⨯⨯=gb q 集α =0.425m 槽内起点水深 h3==+⨯=+3233443579.0579.0425.022h h h k 0.844m 综合(1)(2),槽深均取850mm3、出水溢流堰设计(1)单侧集水环形集水槽,采用土建结构,设出水槽堰墙宽150mm ,则堰板离池边距离L1=b+150=700+150=850mm则单堰直径φ1=φ-2L 1=56000-2*850=54300mm取堰口宽度B1=100,堰口间距t1=50mm ,过堰水深取h1=38mm=0.038m则单堰堰口个数 n1=11375010054300111=+⨯=+ππφt b 个单个堰口流量q1当过堰水深h=0.021~0.2m 时,过堰流量按下式Q=1.4h 5/2则q1=1.4×h 15/2=1.4×0.0385/2=0.0003941m 3/s单侧堰过堰流量Q1Q 1=n 1q 1=1137*0.0003941=0.448m 3/sQ 1=0.448m 3/s 略大于q 集0.434 m 3/s 符合设计要求单侧堰出水堰负荷q 1=Q 1 /(πφ)=0.448/(3.14*54.3)= 2.62L/s ·m符合设计规范要求初淀池出水堰负荷不大于2.9L/(s ·m)(2)双侧集水环形集水槽采用钢制结构,设内侧堰离池边距离2750mm 则内侧堰口直径φ2=56000-2750*2=50500mm ,设堰口宽度B 2=100mm ,堰口间距t 2=50mm ,过堰水深取h 2=30mm=0.03m则内堰堰口个数n 2= 10585010050500222=+⨯=+ππφt b 个单个堰口过堰流量q 2=1.4×h 15/2=1.4×0.035/2=0.0002182m 3/s则内堰过堰流量Q2Q 2=n 2q 2=1058*0.0002182=0.231m 3/s同理,外侧堰口直径φ3=56000-2750*2-500*2=51500mm堰口宽B 3=100mm ,堰口间距t 3=50mm ,过堰水深取h 3=30mm=0.03m 则外侧堰口个数n 3=5010051500333+⨯=+ππφt b =1079个则外堰过堰流量Q 3=n 3q 3=1079*0.0002182=0.235m 3/s综上双侧集水环形集水槽,总过堰流量Q 2+Q 3=0.231+0.235=0.466>q 集=0.434符合设计要求外堰堰口出水负荷q 3==⨯=5.51235.033ππφQ 1.46 L/(s ·m)内堰堰口出水负荷q 2==⨯=5.50231.022ππφQ 1.46 L/(s ·m)符合设计规范要求初淀池出水堰负荷不大于2.9L/(s ·m)三、排泥斗设计已知沉淀池径D=56m ,池底坡度1:12,进水悬浮物SS=300mg/L ,出水SS=30 mg/L ,池深5.5m ,进水污水流量Q=75000m 3/d 。
机械加速澄清池搅拌刮泥机一、用途及简介澄清池搅拌刮泥机是全国通用图机械搅拌澄清池的主要配套设备。
常用于生活饮用水,工业用水的原水处理,工业废水三级处理,及水质软化处理等给排水处理过程中的澄清阶段。
本设备具有安装、维护、管理方便;运行平稳、安全可靠;可调整回流量等特点。
搅拌机在机械加速澄清池中,起着搅拌和提升作用。
刮拌机在机械加速澄清池中,起着刮集污泥的作用。
我公司有多年的生产经验并被编入《机械搅拌澄清池》“定点生产厂厂名录”。
该产品已通过了省级鉴定。
二、供货数量及范围1330 m3/h机械加速澄清池搅拌刮泥机 3套1、机械加速澄清池搅拌刮泥机主要由搅拌机部分、刮泥机部分、信号发讯器等部件组成。
²搅拌机:驱动装置(包括电动机、减速机、变频器)、搅拌轴、搅拌提升叶轮、调节拉杆等部件组成。
²刮泥机:传动装置(包括电动机、减速机)、中心枢轴、针齿盘、刮泥臂、上下拉紧装置等部件组成。
2、与机械加速澄清池配套使用的斜管及相应的服务。
3、安装紧固设备的材料,如地脚螺栓等。
4、安装检修用的专用工具。
5、备品备件(满足六年内一次大修的需要)。
三、技术参数1、设备运行环境条件7.1 厂址条件设备安装地点:江苏省淮安市以西5km杨庄镇的东北面。
厂址海拔标高:16.0~18.0m(1956年黄海高程系)地震烈度7度7.2 气象条件7.3 气候类型厂址位于北亚热带湿润季风气候区,受太平洋气候的调节和季风环流的影响,具有四季分明、气候湿润、光照充足、雨量充沛、无霜期长的特点。
一般春季气温回升缓慢、天气多变,夏季炎热多雨,秋季天高气爽,冬季天气晴朗、寒冷干燥。
7.4 设备使用条件安装地点:机械加速澄清池露天布置水质:地表水,PH=6.5~9.5水温:5~40℃悬浮物含量:≤10000 ppm机械排泥浓度:50 kg/m3,含水率95%7.5 电源:三相四线制,380V/220V,50HZ四、结构及工作原理1、搅拌机主要由驱动装置(电动机、减速装置、变频器)、搅拌机主轴、提升叶轮及搅拌桨部件组成;刮泥机主要由驱动装置、减速装置、传动轴及刮泥耙等部件组成。
机械加速澄清池设备技术规范书文件编码(GHTU-UITID-GGBKT-POIU-WUUI-8968)机械加速澄清池技术规范书2、工程概况气象特征各项气象特征值统计如下:气候分类根据Koppen分类标准,该地区属于Af和Am型,定义为高温型气候。
相对空气湿度最小月:83%平均月:86%最大月:91%气压平均压力环境温度最小月平均:22℃月平均:26℃最大月平均:32℃全年平均:27℃降雨量累年最大降雨量:4000mm累年平均降雨量:2200mm最大月降雨量:350mm月平均降雨量:190mm 暴雨期:12月至7月 降雨量最大的月份:3月 干旱期:8月至11月 风主导风向:在Belem 机场纪录的一系列气象分析数据表明东北方向是主导方向,东向也是比较重点的方向,有25%频率。
平均风速:s 最大风速:s 地震当地没有地震的纪录。
暴雨强度公式:778.015.0)2.12(9.1175+⨯=t Tr i ,其中重现期Tr=5年,降雨历时t=20min ,降雨强度i 的单位为mm/h ,则暴雨强度为h 。
燃料煤质及灰渣成分分析参见下表:水质原水采用PARA河水,河水水质如表所示:表原水水质表溶解氧mg/L ~化学需氧量mg/L ~生物需氧量mg/L ~-2 ~硫酸盐mg/L SO4~可溶硅酸mg/L SiO2悬浮物mg/L1220溶解固体mg/L4050温度oC–3、主要技术规范JJ型机械搅拌澄清池搅拌机、刮泥机利用机械搅拌作用来完成水和药剂混合、反应以及泥渣的循环和接触凝聚过程。
结成的较大絮凝体,由分离室进行沉淀分离,剩余污泥通过刮泥机刮集至排泥斗由静水压力排出JJ型澄清池搅拌刮泥机按标准生产,具有单位面积处理量大;对水量、水质、水温变化适应性强的特点,采用的无级电磁调速电动机,可随水量、浊度、投药量的变化来调节电机转速,使叶轮速度合适。
※适用条件适用于生活饮用水和工业用水的澄清处理。
进水悬浮物含量。
(1)无机械刮泥:一般不超过1000 mg/L,短时间内不超过3000mg/L。
(2)有机械刮泥:1000-5000mg/L,短时间内不超过10000mg/L,当悬浮物经常超过5000mg/L时应加预沉池。
出水浊度,一般不大于10mg/L,短时间不大于50mg/L。
进水温度变化每小时不大于2℃。
主要参数机械加速澄清池搅拌机、刮泥机、自动排泥装置各2套,澄清池池体为半地下式混凝土结构,需方负责。
搅拌机功率:N=电压:V=380V叶轮直径:D=叶轮高度:刮泥机功率:N=电压:V=380V刮臂直径:15m自动排泥装置:泥水界面仪,扫描测量点数: 2点,数量:2套组合式成套自动加药装置(包括混凝剂配药及投加装置和助凝剂配药及投加装置)1套。
设计和运行条件净水处理工艺流程为:PARA河来水→管道混合器(加药设备)→机械加速澄清池→提升水泵→清水水箱→公用水泵房→厂区各用水点。
机械加速澄清池出水水质:浊度不大于10mg/l机械加速澄清池单台设备处理能力不低于1300m3/h。
性能要求机械加速澄清池搅拌机提升叶轮与搅拌叶片为一体,搅拌机驱动装置:电磁调速电机驱动搅拌机以三角皮带轮和蜗轮减速机两级减速叶轮和搅拌浆设计数据(1)叶轮转速~,叶轮外缘线速度~s(2)叶轮直径(3)叶轮调节高度0~300mm(4)提升流量5倍处理水量(5)计算叶轮宽度采用和系数K=(6)计算搅拌浆转动消耗功率采用的阻力系数C=(7)水力效率η=(8)液体容重γ=1010kg/m3(9)浆叶周边线速度~s(10)搅拌浆叶8片(11)提升水头h=叶轮分块组装,叶片为直叶片辐射布置,叶轮升降靠搅拌轴上的调节螺母。
提升叶轮拼装后平整且与轴垂直,叶轮与吊板的间隙。
机械加速澄清池刮泥机(2)刮臂直径:15m;刮臂数:3(3)周边线速度:~s(4)刮泥机采用水下销齿轮传动传动比i=15销齿直径D=25mm (5)销齿轮传动(刮泥机工作)由电信号发讯器显示(6)刮泥机中心固定及旋转支座为HT200-400(7)刮泥机负荷:以进水浊度5000mg/l设计(8)过力矩保护采用机械、电气两级保护(9)刮泥机驱动装置:电磁无级调速异步电动机(10)刮泥机减速装置:行星摆线针轮减速机及齿轮针齿盘减速澄清池自动排泥装置以澄清池内泥渣层的高度为信号,能适应原水浊度、设备出力等各种因素的变化,根据泥渣层高度的变化自动进行排泥,以保持澄清池运行时的最佳泥渣层高度,确保澄清池出力浊度最低、出力最大。
该装置配自动保护系统,并输出信号。
组合式成套自动加药装置(包括混凝剂配药及投加装置和助凝剂配药及投加装置)混凝剂加药装置、助凝剂加药装置组合成套机械加速澄清池出水水质:浊度不大于10mg/l混凝剂、助凝剂及各自的投加装置包括以下设备:1)溶药搅拌罐(包括搅拌器、减速器和电机);容积:药剂:混凝剂:Al2 (SO4)助凝剂:PAM材料:Q235B钢衬胶,衬胶层厚度为5mm,搅拌轴与搅拌桨叶材质为不锈钢2)贮药搅拌箱(包括搅拌器、减速器和电机);容积:材料:Q235B钢衬胶,衬胶层厚度为5mm,搅拌轴与搅拌桨叶材质为不锈钢SS304;3)计量泵(配电机):采用进口液压隔膜计量泵,变频调节控制流量,泵头为SS316。
计量泵数量:3台(2用1备),流量调节范围0~100%。
每台计量泵配套原厂提供的过滤器、均流器、安全阀、止回阀、压力表等,材质均为防腐。
4)磁翻板液位计:贮药箱配套用,每箱1台。
5) 电控柜本工程混凝及助凝各设1台电控柜,用于控制投加药剂。
需方仅提供电源。
电控柜设有溶解罐、溶液箱搅拌电机、计量泵电机的手动操作开关,溶液箱低液位报警,低液自动停泵保护以及加药泵事故声光报警,各信号均具有向外远传的接口。
溶液箱高位时,搅拌电机运行一定时间(15~20min)后,自动停止。
6)管道混合器DN800×4400,2台7)配件:包括框架、平台、爬梯及系统管路、阀门、管件、表计、控制和信号电缆、电线等。
管道为防腐管道,阀门为衬胶隔膜阀。
系统所需安全阀、压力表、液位计均为防腐。
每套加药装置都单独地组装在各自组合架上,使加药泵、溶液箱、缓冲器、过滤器、管道、阀门等构成一个独立的整体。
制造要求水质参数详细列出主要部件所采用的具体材质如下:叶轮:Q235A桨叶: Q235A刮臂:Q235A刮板:Q235A主轴:45#减速箱连接座架:HT18-33机械加速澄清池搅拌机刮泥机防腐要求不锈钢及非金属材料不涂防腐涂料。
所有碳钢件进行喷砂除锈处理,除锈等级符合GB-8923-88中规定的Sa21/2级标准。
水下部件涂环氧富锌底漆,外罩面漆,漆膜总厚200~250μm,水上部件涂环氧铁红防锈漆,外罩面漆,漆膜总厚150~200μm。
涂层均匀、光亮完整,没有粗糙不平,漏漆等现象。
漆膜牢固,无剥落、裂纹等缺陷。
混凝剂、助凝剂加药装置防腐要求搅拌箱、贮液箱衬胶处理,衬胶厚度5mm。
箱体外部二底二面油漆防腐,漆膜总厚150~200μm。
主要技术参数※机械澄清池处理设备※搅拌机技术要求:一、设备安装1、以减速器机座加工面为安装基准,其水平允差1000。
2、减速器输出轴应在池中心,允差5mm。
3、三角皮带轮以轮边缘为基准要求如下:(1)两轮的轮宽中央平面应在同一平面上,偏移允差1mm。
(2)两轮轴的不平行度允差1000。
4、安装叶轮应在池内按定位编号组装。
(1)叶轮径向跳动允差6mm。
(2)叶轮端面跳动允差5mm。
5、调叶轮开启高度机构应动作灵活。
6、为保证安全,蜗轮轴上端面不得低于标尺的下停止线。
也不得高标尺的上停止线。
7、安装后进行防腐处理,水上部分涂调合漆,水下部分涂过氯乙烯漆,详见总说明。
二、试运行1、减速器注润滑油,油位要准确。
各压注油杯注钙钠基润滑脂。
2、在额定转速下进行空负荷试车,时间不少于2小时,检查内容如下:(1)电流应无异常波动。
(2)运转应平稳,无异常振动和噪音。
(3)减速器油温温升不超过30℃(4)各密封处,不得有明显渗漏油现象。
3、带负荷度车,须在空负荷试车合格后进行。
时间不少于24小时。
检查项目同上。
三、运行1、要严格控制油位,注油不得超过最高油位线,也不得低于最低油位线。
2、减油温温升不超过30℃。
3、各压注油标每班注油一次,采用钙钠基润滑脂。
4、调叶轮开启高度时,严格控制在标尺上下停止线范围内。
调后锁紧母必须锁紧。
※刮泥机技术要求:一、安装1、蜗轮减速器中心轴要与搅拌机空心轴同心。
2、行星减速机滑板应找水平,允差1000。
3、蜗轮轴与中心轴Ⅰ连接,中心轴Ⅰ与中心轴Ⅱ连接,要保证轴端平面相接触,不得有间隙。
4、刮泥耙安装要求如下:(1)刮板与池底距离允差 %%p 10mm,耙架倾斜角允差20′。
(2)刮泥耙在长度方向的允差6mm。
(3)耙架在长度方向的翘曲度允差4mm。
5、减速器注油应在油标指示的范围内。
6、链轮装配应达到下列要求:(1)两轮的齿厚中心线应在同一平面上,其偏移允差1mm。
(2)两轴的不平行度允差1000。
(3)链条从动边的驰垂度,为链轮中心距的1~%,即9~13mm。
二、试运行1、空负荷试车,时间不少于2小时,并符合下列要求:(1)电流无异常波动(2)轴承油温不超过65℃。
(3)运转各部分不得有干涉现象,不正常的声响和跳动现象。
2、带负荷运行,须在空负运行合格后方可进行。
时间不少于24小时,检查项目同上。
三、运行1、开车前应先通入润滑水,运行中润滑水不许间断。
2、池底无积泥时,方可允许开动刮泥机。
3、停止运行时,应先停止池子进水,刮泥机继续运转20分种后允许停车。
配供的辅助设备要求电动机电动机基本要求绝缘等级:F级。
防护等级:IP55W。
电机工作条件:380V/60Hz/3P。