举例:预应力混凝土空心板桥计算示例
- 格式:doc
- 大小:2.44 MB
- 文档页数:53
16m预应力混凝土空心板计算书预应力混凝土空心板结构计算书S303桐梓马鬃至新桥公路改扩建工程新桥中桥空心板上、下部结构计算书1 工程概况S303桐梓马鬃至新桥公路改扩建工程项目位置位于贵州省桐梓县,新桥中桥为路线主线上跨越河流而设。
桥梁为3-16m预制空心板梁,桥梁斜交角度为30度,桥面宽1*。
桥梁起点桩号为东北K12+896,终点桩号为南K12+958,桥梁第一跨位于直线线上,第二跨第三跨位于缓和曲线上,缓和曲线长度L=50m。
桥梁通过调整边梁悬臂长度以适应曲线变化。
技术标准1. 设计荷载:公路-Ⅰ级。
2. 设计速度:40公里/小时。
3. 桥面宽度:++++=。
4. 设计洪水频率:中桥 1/100,小桥、涵洞1/50。
5. 地震烈度:地震动根据《中国地震动参数区划图》、《公路桥梁抗震设计细则》,桥位区地震动峰值加速度小于,地震动反应谱特征周期小于,设计地震分组为第一组,相应抗震设防烈度小于Ⅵ度。
桥位区属相对稳定地块,只作简易抗震设计。
上部构造上部结构均采用装配式预应力混凝土简支空心板。
梁上设置8cm厚C50混凝土现浇调平层,调平层顶面设置防水层,调平层内铺设直径10mm的带肋钢筋网。
下部构造桥台均采用重力式U型桥台,基础采用桩基接承台。
2 计算采用的技术规范及软件1. 《公路工程技术标准》;2. 《公路桥涵设计通用规范》;1预应力混凝土空心板结构计算书3. 《公路钢筋混凝土及预应力混凝土桥涵设计规范》;4. 《公路桥涵地基与基础设计规范》;5. 《公路桥涵施工技术规范》;6. 《公路桥梁抗震设计细则》;7. 《公路圬工桥涵设计规范》;8. 《公路沥青路面设计规范》;9. 《公路沥青路面施工技术规范》。
10.《公路排水设计规范》(JTG/T D33-20XX)。
11.《砼结构耐久性设计规范》。
12.《公路工程砼结构防腐技术规范》。
采用桥梁博士进行混凝土梁验算。
3 计算采用的基本资料一、钢筋混凝土梁单孔最大跨径为16m,总长度小于100m,属中桥,按连续梁进行计算,安全等级为二级。
装配式预应力混凝土空心板桥计算第Ⅰ部分上部构造计算一、设计资料及构造布置(一)设计资料1.跨径:标准跨径20.0m,计算跨径l=19.6 m,预制板全长19.96 m。
2.荷载:汽车—20级,挂车—100,人群荷载3.5KN/m2。
3.桥面净宽:行车道7.00 m,人行道每测0.75 m。
4.主要材料:混凝土:预制行车道板40号混凝土,桥面铺装及接缝亦用40号混凝土,其余均为25号混凝土。
预应力筋采用φ15.24(7φ5)钢绞线,R b y =1860Mpa,普通筋直径d≥12mm者采用Ⅱ级钢筋,直径d<12mm者采用Ⅰ级钢筋(但吊环必须用Ⅰ级钢筋)。
5.施工要点:预制块件在台座上用先张法施加预应力,张拉台座长度假定为70m。
设计时要求预制板混凝土强度达到80%时才允许放松预应力筋。
计算预应力损失时计入加热养护温差20℃所引起的损失。
预应力钢绞线应进行持荷时间不少于5min的超张拉。
安装时,应待接缝及现浇层混凝土与预制板结合成整体后再敷设铺装层及安装人行道板等。
6.技术标准及设计规范:(1).《公路工程技术标准》(JTT01—88);(2).《公路桥涵设计通用规范》(JTJ021—89);(3).《公路钢筋混凝土及预应力混凝土桥涵设计规范》(JTJ023—85),以下简称《预桥规》。
(4).《桥梁工程》2001,范立础主编,人民交通出版社出版。
(5).《公路桥涵设计手册》〈梁桥·上册〉(1996),徐光辉、胡明义主编,人民交通出版社出版。
(二)、构造及设计要点1.主梁片数:每孔8片。
2.预制板厚85cm,每块宽100cm。
3.桥面横坡1.5%,由8~13.75cm厚40号水泥防水耐磨混凝土层(加膨胀剂),无磨损,故考虑部分参与梁板受力。
4.在预制人行道板时,应预留泄水管孔洞。
5.其它未尽事项,参见各设计图。
6.主梁预制尺寸,梁长等详见设计图。
二、横截面布置横截面布置见图1—2,行车道部分的预制板厚85cm,每块底宽100cm。
桥梁课程设计计算书Ⅰ,设计资料江苏境内某一级公路k15+022处建公路桥一座,上部结构采用了三跨先张法预应力混凝土空心板,标准跨径18m,桥面净空12+215.24钢铰线,其标准强空心板,铰缝及桥面铺装混凝土采用C40,其余采用C30,预应力钢筋用j度为1860Mpa,非预应力钢筋采用Ⅰ,Ⅱ级钢筋。
空心板构造如图1所示:图1 空心板截面构造(尺寸单位cm)Ⅱ,设计依据及参考书1.桥涵设计通用规范(JTJ D60—2004);2.公路钢筋混凝土及预应力混凝土桥涵设计规范(JTJ D62—2004);3. 公路桥涵施工技术规范(JTJ041—2000);4. 公路工程抗震设计规范(JTJ004—89);5. 公路桥涵设计手册:梁桥(上册),人民交通出版社;6. 桥梁工程(上册):范立础,人民交通出版社;7. 桥梁工程:姚玲森,人民交通出版社;8. 结构设计原理:叶见曙,人民交通出版社;9. 桥梁计算示例集:易建国,梁桥,人民交通出版社;Ⅲ,设计过程全桥宽采用13块预制预应力混凝土空心板,每块空心板宽99cm ,全长17.96m ,计算跨径17.56m ,用先张法施工工艺,预应力钢筋采用 15.24钢铰线,沿跨长直线配筋。
一.毛截面几何特性计算(参见图1) 1. 毛截面面积Ah=99×90—2×36×30—2×3.14× 2182×[1/2×(5+3)×8+1/2×5×7]=4616cm 22.毛截面重心位置 ( 如图取1—1截面)对该截面求静矩:对称部分均消法 即只计算铰及下部结构静矩 S=2×[3×8+(15+14+7+8/2)+2×8×1/2×(29+7+8/3) +5×7×1/2×(29+2/3×7)]+2×99×(15+18+12) =12627cm3毛截面中心对该线的距离 d=Ah S =461612627=2.7cm 铰截面中心对该线的距离A 铰=2×[(3+5×8/2)+1/2×5×7]=99cm 2D 铰=绞铰A s =993717=37.5cm (三)毛截面对重心的惯矩每个挖空的半圆面积A 1=1/2×3.14×182=509cm 2重心y=4×18/(3×3.14)=7.6cm 半圆对自身的惯性矩I 1 =I 1—1—A 1y 2 =3.14/8×184 —509×7.62 =11803cm 3由此得截面的惯矩:I h =1/12×99×903+99×90×172 —2×(36×303 /12+36×30×2.72)—4×1.803—2×509×[(2.7+15+7.6)2 +(5—2.7+7.6)2 ]—99×(37.5+2.7)2 =4600304cm 4二、内力计算(一)恒载计算1,桥面系(护栏):单侧为(6.25+0.53+0.31)/2.5=2.5KN/m桥面铺装为10cm厚的C40混凝土每块板每延米的荷载为0.1×1×1×25=2.5KN/m则以上重量均分给8块板g1=2.5×2/13+2.5=2.69KN/m2、铰和接缝:g2=(99+1×99)×104-×25=0.47KM/m3、行车道板:g3=A h×r=4616×104-×25=11.54KM/m 恒载总重:g=g1+g2+g3=2.69+0.47+11.5=14.7KM/m荷载内力计算见下表(二),活载作用下1.荷载横向分配系数跨中和四分点的横向分配系数按铰接板法计算,支点按杠杆法计算荷载横向分配系数,支点到四分点间按直线内插法求得。
预应力空心板梁张拉控制力、伸长值计 算 书一、 说明:(1)、本工程有20m 空心板梁264片和13m 空心板梁189片。
(2)、 空心板梁采用后张法,两端对称张拉,张拉程序为:0→初应力(10%×σk )初应力→(20%×σk )→103%σk (持荷2分钟)→σk →锚固;(3)、张拉机具:千斤顶采用YDC-1100EB 型,锚具采用YM1500-3、4、5,钢铰线孔道采用金属波纹管制孔,(千斤顶标定报告附后)。
二、 计算:根据实际检测:预应力钢铰线公称直径为15.24mm/根,平均伸长率δ(%)为5.67%,平均弹性模量E p =1.953×105Mpa ,截面积A p (mm 2)为140mm 2,极限抗拉强度标准值(RY )平均1953.3Mpa ,极限荷截273.7KN ,后张法预应力筋理论伸长值及预应力筋平均张拉力计算取:张拉控制力20m 中板采用设计值781.2KN ;20m 边板采用设计值976.5KN ,13m 中板采用设计值为585.9KN ;13m 边板采用设计值781.2KN 。
弹性模量1.953×105Mpa ,截面积140mm 。
计算公式取自人民交通出版社2000年出版《公路桥涵施工技术规范》的P 129、P 339。
理论伸长值计算公式:EpAp LPp L ⋅⋅=∆平均张拉力计算公式:μθμθ+-+-=kx e P p kx p ]1[)(式中:ΔL ——预应力筋理论伸长值(mm )P p ——预应力筋平均张拉力(N ) L ——预应力筋的长度(mm ) A p ——预应力筋的截面积(mm 2) E p ——预应力筋的弹性模量(N/mm 2) P ——预应力筋张拉端的张拉力(N ) X ——从张拉端至计算截面的孔道长度(m )θ——从张拉端至计算截面曲线孔道部分切线的夹角之和(rad )K ——孔道每米局部偏差对摩擦的影响系数(取0.0015)μ——预应力筋与孔道壁的摩擦系数(取0.225)1、 20m 空心板理论伸长值计算:<1> 20m 中板(根据设计图纸已知L 1=9.882+0.55=10.432m L 2=9.83+0.55=10.38m )(N 1):781.2x[1-e ]-(0.0015x10.432+0.225x x )π121800.0015x10.432+0.225x x π12180P(N 2):781.2x[1-e ]-(0.0015x10.38+0.225x x )π 21800.0015x10.38+0.225x x π2180P理论伸长值:(N 1):△L =1= 72.3 mm(N2):△L == 73.3 mm<2> 20m边板(根据设计图纸已知L1=9.882+0.55=10.432m L2=9.83+0.55=10.38m)(N1):976.5x[1-e ]-(0.0015x10.432+0.225x x)π121800.0015x10.432+0.225x xπ12180P(N2):976.5x[1-e ]-(0.0015x10.38+0.225x x)π21800.0015x10.38+0.225x xπ2180P理论伸长值:(N1):△L =1= 72.3 mm(N2):△L == 73.3 mm2、13m空心板理论伸长值计算:<1>13m中板(根据设计图纸已知L1=6.350+0.55=6.90mL2=6.360+0.55=6.91m)(N1):585.9x[1-e ]-(0.0015 x6.9 + 0.225 x x)π61800.0015 x 6.9 + 0.225 x xπ6180P(N2):585.9x[1-e ]-(0.0015x 6.91 +0.225x x)π2.51800.0015 x 6.91 +0.225x xπ2.5180P理论伸长值:(N1):△L =1= 48.5 mm(N2):△L == 48.9 mm<2> 13M边板(根据设计图纸已知L1=6.350+0.55=6.90m L2=6.360+0.55=6.91m)(N1):781.2x[1-e ]-( 0.0015 x 6.9 + 0.225 x x)π61800.0015 x 6.9 + 0.225 x xπ6180P(N2):781.2x[1-e ]-(0.0015x 6.91 +0.225x x)π2.51800.0015 x 6.91 +0.225x xπ2.5180P理论伸长值:(N1):△L =1= 48.5 mm(N2):△L == 48.9 mm三、张拉控制应力与压力表对称读数:千斤顶及油压表校验后的线性公式为:05#顶:Y=0.055494x-0.6706#顶:Y=0.055374x-0.26张拉控制数据见下表:下面是赠送的合同范本,不需要的可以编辑删除!!!!!!教育机构劳动合同范本为大家整理提供,希望对大家有一定帮助。
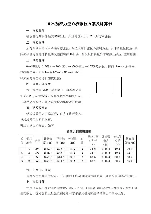
16米预应力空心板张拉方案及计算书一、张拉条件砼强度达到设计强度95%以上,并且浇筑不少于7天后方可张拉。
二、张拉方法所有钢绞线均采用两端对称张拉,张拉采用以张拉力控制为主,以伸长量做校验,实际伸长量与理论伸长量的误差控制在6%以内。
如发现伸长量异常应停止张拉,查明原因。
三、张拉程序0→初应力(10%)→20%应力→100%应力→105%超张拉(持荷2min)后锚固,张拉顺序为:左N1→右N2→右N1→左N2,钢束应对称交错逐步加载张拉;四、锚具、钢绞线本工程采用YM15系列锚具。
钢绞线采用1×7Φ15.2mm钢绞线。
锚具和钢绞线均有厂家出具产品检验书,并送有关检测单位进行校验。
五、钢绞线穿束钢绞线采用人工编束后,由人工进行穿入,钢绞线采用切断机切断。
预应力钢束明细表,如下:预应力钢束明细表六、千斤顶、油表均经有关检测单位标定,千斤顶的工作架由钢管焊接而成,升降采用倒链进行抬升。
七、张拉操作千斤顶张拉进油升压必须缓慢、均匀、平缓,回油降压时应缓慢松开油阀,并使油缸回程到底。
梁端张拉工每张拉到整数时举手示意保持两端千斤顶力争同步工作。
八、预应力钢绞线张拉力(P值)的计算P=δi×Ay式中δi.......i状态下张拉力(mpa)1、初应力状态单根δi=δ0=10%×1395=139.5mpaP0=139.5×140=19530N中板N1 ΣP0=4×19530=78120 N=78.12 KNN2 ΣP0=3×19530=58590N=58.59 KN边板N1 ΣP0=4×19530=78120 N=78.12 KNN2 ΣP0=4×19530=78120 N=78.12 KN2、控制张拉状态单根δk=100%δk=100%×1395=1395mpaPk=1395×140=195300N=195.30KN中板N1 ΣPk=4×195300=781200 N=781.20 KNN2 ΣPk=3×195300=585900 N=585.90 KN边板N1 ΣPk=4×195300=781200 N=781.20 KNN2 ΣPk=4×195300=781200 N=781.20 KN3、锚固状态单根δm=100%δk=100%×1395=1395mpaPm=1395×140=195300N=195.30KN中板N1 ΣPm=4×195300=781200 N=781.20 KNN2 ΣPm=3×195300=585900 N=585.90 KN边板N1 ΣPm=4×195300=781200 N=781.20 KNN2 ΣPm=4×195300=781200 N=781.20 KN九、实际伸长量的计算和测量初应力数值到达后,应在预应力钢束的两端精确的标以记号,预应力钢束的伸长量从记号起量,张拉力和伸长量的读数应在张拉过程中分段读出。
16m 预应力混凝土空心板计算书1 计算依据与基础资料1.1 标准及规范1.1.1 标准∙跨径:桥梁标准跨径16m ;计算跨径(斜交25°、简支)15.30m ;预制板长15.96m∙设计荷载:城-A 级,人群荷载3.5kN/m 2∙桥面宽度:全宽50.5m桥梁半幅宽度:3.75m (人行道)+5.0m (非机动车道)+3.5m (行车道)+12m (机动车道)+1m (中央分隔带)=25.25m 。
∙桥梁安全等级为二级,环境条件Ⅱ类1.1.2 规范∙《公路工程技术标准》JTG B01-2003∙《公路桥梁设计通用规范》JTG D60-2004(简称《通规》)∙《公路钢筋混凝土及预应力混凝土桥涵设计规范》JTG D62-2004(简称《预规》)1.1.3 参考资料∙《公路桥涵设计手册》桥梁上册(人民交通出版社2004.3)1.2 主要材料1) 混凝土:预制板及铰缝为C50,10cm C50防水混凝土铺装层,9cm 沥青混凝土。
2) 预应力钢绞线:采用钢绞线15.2s φ,1860pk f Mpa =,51.9510p E Mpa =⨯3)普通钢筋:采用HRB335,335sk f Mpa =,52.0104S E Mpa =⨯1.3 设计要点1)本桥按后张法部分预应力混凝土A 类构件设计,桥面10cm C50防水混凝土铺装层和9cm 沥青混凝土不考虑参与截面组合作用;2)预应力张拉控制应力值0.75con pk f σ=,混凝土强度达到90%时才允许张拉预应力钢筋;3)按《预规》计算混凝土收缩、徐变效应;4)计算混凝土收缩、徐变引起的预应力损失时传力锚固龄期为10d;5)环境平均相对湿度RH=75%;6)存梁时间为90d 。
2 横断面布置2.1 横断面布置图(半幅桥面 单位:cm )2.2 预制板截面尺寸 (未含10cm C50防水混凝土铺装层)单位:mm3 汽车荷载横向分布系数、冲击系数的计算3.1 汽车荷载、人群荷载横向分布系数计算3.1.1 跨中横向分布系数本桥基本结构是横向铰接受力,因此,汽车荷载横向分布系数按横断面空心板铰接计算。
S303桐梓马鬃至新桥公路改扩建工程新桥中桥空心板上、下部结构计算书1 工程概况S303桐梓马鬃至新桥公路改扩建工程项目位置位于贵州省桐梓县,新桥中桥为路线主线上跨越河流而设。
桥梁为3-16m预制空心板梁,桥梁斜交角度为30度,桥面宽1*10.5m。
桥梁起点桩号为东北K12+896,终点桩号为南K12+958,桥梁第一跨位于直线线上,第二跨第三跨位于缓和曲线上,缓和曲线长度L=50m。
桥梁通过调整边梁悬臂长度以适应曲线变化。
1.1 技术标准1. 设计荷载:公路-Ⅰ级。
2. 设计速度:40公里/小时。
3. 桥面宽度:0.25m(人行道护栏)+1.0m(人行道)+8.0m(车行道)+1.0m(人行道)+0.25m(人行道护栏)=10.5m。
4. 设计洪水频率:中桥 1/100,小桥、涵洞1/50。
5. 地震烈度:地震动根据《中国地震动参数区划图》(GB 18306-2001,1:400万)、《公路桥梁抗震设计细则》(JTG/T B02-01-2008),桥位区地震动峰值加速度小于0.05g,地震动反应谱特征周期小于0.35s,设计地震分组为第一组,相应抗震设防烈度小于Ⅵ度。
桥位区属相对稳定地块,只作简易抗震设计。
1.2 上部构造上部结构均采用装配式预应力混凝土简支空心板。
梁上设置8cm厚C50混凝土现浇调平层,调平层顶面设置防水层,调平层内铺设直径10mm的带肋钢筋网。
1.3 下部构造桥台均采用重力式U型桥台,基础采用桩基接承台。
2 计算采用的技术规范及软件1. 《公路工程技术标准》(JTGB01—2003);2. 《公路桥涵设计通用规范》(JTG D60-2004);3. 《公路钢筋混凝土及预应力混凝土桥涵设计规范》(JTG D62-2004);4. 《公路桥涵地基与基础设计规范》(JTG D63—2007);5. 《公路桥涵施工技术规范》(JTJ F50—2011);6. 《公路桥梁抗震设计细则》(JTG/T B02-01-2008);7. 《公路圬工桥涵设计规范》(JTG D61-2005);8. 《公路沥青路面设计规范》(JTG D50-2006);9. 《公路沥青路面施工技术规范》(JTG F40-2004)。
S303桐梓马鬃至新桥公路改扩建工程新桥中桥空心板上、下部结构计算书1 工程概况S303桐梓马鬃至新桥公路改扩建工程项目位置位于贵州省桐梓县,新桥中桥为路线主线上跨越河流而设。
桥梁为3-16m预制空心板梁,桥梁斜交角度为30度,桥面宽1*10.5m。
桥梁起点桩号为东北K12+896,终点桩号为南K12+958,桥梁第一跨位于直线线上,第二跨第三跨位于缓和曲线上,缓和曲线长度L=50m。
桥梁通过调整边梁悬臂长度以适应曲线变化。
1.1 技术标准1. 设计荷载:公路-Ⅰ级。
2. 设计速度:40公里/小时。
3. 桥面宽度:0.25m(人行道护栏)+1.0m(人行道)+8.0m(车行道)+1.0m(人行道)+0.25m(人行道护栏)=10.5m。
4. 设计洪水频率:中桥 1/100,小桥、涵洞1/50。
5. 地震烈度:地震动根据《中国地震动参数区划图》(GB 18306-2001,1:400万)、《公路桥梁抗震设计细则》(JTG/T B02-01-2008),桥位区地震动峰值加速度小于0.05g,地震动反应谱特征周期小于0.35s,设计地震分组为第一组,相应抗震设防烈度小于Ⅵ度。
桥位区属相对稳定地块,只作简易抗震设计。
1.2 上部构造上部结构均采用装配式预应力混凝土简支空心板。
梁上设置8cm厚C50混凝土现浇调平层,调平层顶面设置防水层,调平层内铺设直径10mm的带肋钢筋网。
1.3 下部构造桥台均采用重力式U型桥台,基础采用桩基接承台。
2 计算采用的技术规范及软件1. 《公路工程技术标准》(JTGB01—2003);2. 《公路桥涵设计通用规范》(JTG D60-2004);3. 《公路钢筋混凝土及预应力混凝土桥涵设计规范》(JTG D62-2004);4. 《公路桥涵地基与基础设计规范》(JTG D63—2007);5. 《公路桥涵施工技术规范》(JTJ F50—2011);6. 《公路桥梁抗震设计细则》(JTG/T B02-01-2008);7. 《公路圬工桥涵设计规范》(JTG D61-2005);8. 《公路沥青路面设计规范》(JTG D50-2006);9. 《公路沥青路面施工技术规范》(JTG F40-2004)。
1 设计资料及构造布置1.1 设计资料1 . 桥梁跨径及桥宽标准跨径:20m(墩中心距);主桥全长:19.96m;计算跨径:19.60m;桥面净宽:2×净—11.25m见桥梁总体布置图护栏座宽:内侧为0.75米,外侧为0.5米。
桥面铺装:上层为9厘米沥青混凝土,下层跨中为10厘米厚混凝土,支点为12厘米钢筋混凝土。
2 . 设计荷载采用公路—I级汽车荷载。
3. 材料混凝土:强度等级为C50,主要指标为如下:预应力钢筋选用1×7(七股)φS15.2mm钢绞线,其强度指标如下普通钢筋及箍筋及构造钢筋采用HRB335钢筋,其强度指标如下4 . 设计依据交通部颁《公路桥涵设计通用规范》(JTG D60—2004),简称《桥规》;交通部颁《公路钢筋混凝土及预应力混凝土桥涵设计规范》(JTG D62—2004),简称《公预规》。
《公路工程技术标准》(JTG —2004)《〈公路钢筋混凝土及预应力混凝土桥涵设计规范〉(JTG D60—2004)条文应用算例》《钢筋混凝土及预应力混凝土桥梁结构设计原理》(按新颁JTG D60—2004编写) 《公路桥涵设计手册—梁桥(上册)》1.2 构造形式及尺寸选定全桥空心板横断面布置如图,每块空心板截面及构造尺寸见图图3-1跨中边板断面图图3-2 中板断面图图3-3 绞缝钢筋施工大样图图3-4 矩形换算截面(上面的为另外的资料内容,其为添加)目录1 设计资料 11.1 主要技术指标 11.2 材料规格 11.3 采用的技术规范 12 构造形式及尺寸选定 23 空心板毛截面几何特性计算 33.1 边跨空心板毛截面几何特性计算 33.1.1 毛截面面积A 33.1.2 毛截面重心位置 33.1.3 空心板毛截面对其重心轴的惯距I 43.2 中跨空心板毛截面几何特性计算 43.2.1 毛截面面积A 43.2.2 毛截面重心位置 53.2.3 空心板毛截面对其重心轴的惯距I 53.3 边、中跨空心板毛截面几何特性汇总 64 作用效应计算 74.1 永久作用效应计算 74.1.1 边跨板作用效应计算 74.1.2 中跨板作用效应计算 84.1.3 横隔板重 84.2 可变作用效应计算 94.3 利用桥梁结构电算程序计算 94.3.1 汽车荷载横向分布系数计算 94.3.2 汽车荷载冲击系数计算 124.3.3 结构重力作用以及影响线计算 134.4 作用效应组合汇总 175 预应力钢筋数量估算及布置 195.1预应力钢筋数量的估算 195.2 预应力钢筋的布置 205.3 普通钢筋数量的估算及布置 216 换算截面几何特性计算 226.1 换算截面面积 226.2 换算截面重心的位置 236.3 换算截面惯性矩 236.4 换算截面的弹性抵抗矩 247 承载能力极限状态计算 247.1 跨中截面正截面抗弯承载力计算 247.2 斜截面抗弯承载力计算 257.2.1 截面抗剪强度上、下限的复核 257.2.2 斜截面抗剪承载力计算 278 预应力损失计算 298.1 锚具变形、回缩引起的应力损失 298.2 钢筋与台座间的温差引起的应力损失 298.3 混凝土弹性压缩引起的预应力损失 308.4 预应力钢绞线由于应力松弛引起的预应力损失 308.5 混凝土的收缩和徐变引起的应力损失 318.6 预应力损失组合 339 正常使用极限状态计算 349.1 正截面抗裂性验算 349.2 斜截面抗裂性验算 389.2.1 正温差应力 389.2.2 反温差应力(为正温差应力乘以) 399.2.3 主拉应力 3910 变形计算 4210.1 正常使用阶段的挠度计算 4210.2 预加力引起的反拱度计算及预拱度的设置 4310.2.1 预加力引起的反拱度计算 4310.2.2 预拱度的设置 4511 持久状态应力验算 4511.1 跨中截面混凝土的法向压应力验算 4511.2 跨中预应力钢绞线的拉应力验算 4611.3 斜截面主应力验算 4612 短暂状态应力验算 4812.1 跨中截面 4912.1.1 由预加力产生的混凝土法向应力 4912.1.2 由板自重产生的板截面上、下缘应力 5012.2 截面 5012.3 支点截面 5113 最小配筋率复核 5220m预应力混凝土空心板桥设计计算书1 设计资料1.1 主要技术指标桥跨布置: 16×20.0 m,桥梁全长340 m。
预应力空心板桥midas计算示例本算例参照《混凝土简支梁桥》易见国第一个算例进行midas建模。
设计资料:如图一、材料材料有C40,预应力钢筋1*7钢绞线,直径12.7m。
二、截面采用cad导入,将autocad文件另存为dxf文件。
在工具中选择截面特性计算器,得到***.sec文件。
在通过设计截面导入midas当中。
验算扭转最小厚度:腹板厚度三、建立节点考虑对于预应力简支梁,跨中、1/4截面特性十分重要,采用16份划分截面。
空心板板长12.96m,计算跨径为12.60,根据计算跨径计算得到12.60/16=0.7875m。
采用扩展单元如图。
交叉分割仅适用于线单元。
如果选择交叉分割且现有节点在生成的线单元上,则在现有节点处分割单元。
如果选择交叉分割且生成的线单元与现有单元相交,则在交点处自动生成节点并分割单元。
复制单元将全部单元复制19份。
桥面板横向由20个空心板组成。
预应力空心板的横向连接横向连接需要设定单元,四、边界条件将横连的连接设定为铰接。
五、荷载1.选择荷载规范:china。
2.对于单梁体系,采用车道单元布载。
对于具有横隔梁的桥梁采用横向联系梁布载。
3.车道荷载的偏心,当车道作用于梁单元是可能不是正好作用在节点位置的中心上,而是节点中心偏心一段距离(如图)。
因此,在基准单元(梁单元)+号为沿行车方向的右侧,-号为行车方向的左侧。
图中(从右向左)车道作用在第5节点的右0.125m。
第9节点的右0.375,同样,左侧车道作用在第5节点的右0.125m。
第9节点的右0.375。
12.537.537.512.515874车道布载图如下图所示。
移动荷载工况,组合移动荷载。
桥面系自重(二期恒载)人行道板12kN/m铺装是0.1*15.23=34.5 kN/m平均每块板分担(12*2+34.5)/20=2.935 kN/m铰缝重(87.5+1*62)*10-4*24=0.359 kN/m每块空心板每米分担总量2.935+0.359=3.284 kN/m。
目录1 设计资料 (1)1.1 主要技术指标 (1)1.2 材料规格 (1)1.3 采用的技术规范 (1)2 构造形式及尺寸选定 (2)3 空心板毛截面几何特性计算 (3)3.1 边跨空心板毛截面几何特性计算 (3)3.1.1 毛截面面积A (3)3.1.2 毛截面重心位置 (3)3.1.3 空心板毛截面对其重心轴的惯距I (4)3.2 中跨空心板毛截面几何特性计算 (4)3.2.1 毛截面面积A (4)3.2.2 毛截面重心位置 (5)3.2.3 空心板毛截面对其重心轴的惯距I (5)3.3 边、中跨空心板毛截面几何特性汇总 (6)4 作用效应计算 (7)4.1 永久作用效应计算 (7)4.1.1 边跨板作用效应计算 (7)4.1.2 中跨板作用效应计算 (8)4.1.3 横隔板重 (8)4.2 可变作用效应计算 (9)4.3 利用桥梁结构电算程序计算 (9)4.3.1 汽车荷载横向分布系数计算 (9)4.3.2 汽车荷载冲击系数计算 (12)4.3.3 结构重力作用以及影响线计算 (13)4.4 作用效应组合汇总 (17)5 预应力钢筋数量估算及布置 (19)5.1 预应力钢筋数量的估算 (19)5.2 预应力钢筋的布置 (20)5.3 普通钢筋数量的估算及布置 (21)6 换算截面几何特性计算 (22)6.1 换算截面面积A (23)6.2 换算截面重心的位置 (23)6.3 换算截面惯性矩I (23)6.4 换算截面的弹性抵抗矩 (24)7 承载能力极限状态计算 (24)7.1 跨中截面正截面抗弯承载力计算 (24)7.2 斜截面抗弯承载力计算 (25)7.2.1 截面抗剪强度上、下限的复核 (25)7.2.2 斜截面抗剪承载力计算 (27)8 预应力损失计算 (29)σ (29)8.1 锚具变形、回缩引起的应力损失2lσ (29)8.2 钢筋与台座间的温差引起的应力损失3lσ (30)8.3 混凝土弹性压缩引起的预应力损失4lσ (31)8.4 预应力钢绞线由于应力松弛引起的预应力损失5lσ (31)8.5 混凝土的收缩和徐变引起的应力损失6l8.6 预应力损失组合 (33)9 正常使用极限状态计算 (34)9.1 正截面抗裂性验算 (34)9.2 斜截面抗裂性验算 (38)9.2.1 正温差应力 (38)9.2.2 反温差应力(为正温差应力乘以0.5) (39)9.2.3 主拉应力 (39)tp10 变形计算 (42)10.1 正常使用阶段的挠度计算 (42)10.2 预加力引起的反拱度计算及预拱度的设置 (43)10.2.1 预加力引起的反拱度计算 (43)10.2.2 预拱度的设置 (45)11 持久状态应力验算 (45)σ验算 (45)11.1 跨中截面混凝土的法向压应力kcσ验算 (46)11.2 跨中预应力钢绞线的拉应力p11.3 斜截面主应力验算 (46)12 短暂状态应力验算 (49)12.1 跨中截面 (49)12.1.1 由预加力产生的混凝土法向应力 (49)12.1.2 由板自重产生的板截面上、下缘应力 (50)l截面 (50)12.2412.3 支点截面 (51)13 最小配筋率复核 (53)14 铰缝计算 (54)14.1 铰缝剪力计算 (54)14.1.1 铰缝剪力影响线 (54)14.1.2 铰缝剪力 (55)14.2 铰缝抗剪强度验算 (56)15 预制空心板吊杯计算 (58)16 支座计算 (58)16.1 选定支座的平面尺寸 (58)16.2 确定支座的厚度 (59)16.3 验算支座的偏转 (60)16.4 验算支座的稳定性 (60)17 下部结构计算 (62)17.1 盖梁计算 (62)17.1.1 设计资料 (62)17.1.2 盖梁计算 (62)17.1.3 内力计算 (71)17.1.4 截面配筋设计与承载力校核 (74)17.2 桥墩墩柱设计 (75)17.2.1 作用效用计算 (76)17.2.2 截面配筋计算及应力验算 (78)参考文献 (81)致谢 (82)20m预应力混凝土空心板桥设计计算书1 设计资料1.1 主要技术指标桥跨布置: 16×20.0 m,桥梁全长340 m。
18m预应力简支空心板梁桥设计计算18m预应力简支空心板梁桥设计计算Ⅰ、设计资料河北境内某一级公路k15+022处建公路桥一座,上部结构采用了三跨先张法预应力混凝土空心板,先简支后桥面连续,下部结构采用单排桩柱式桥墩和桩式桥台。
桥梁设计荷载为公j15.24钢铰线,其标准强度为1860Mpa,非预应力钢筋采用Ⅰ,Ⅱ级钢筋。
空心板构造如图1所示:图1 空心板截面构造(尺寸单位cm)Ⅱ、设计依据及参考书1. 桥涵设计通用规范(JTJ D60—2004);2. 公路钢筋混凝土及预应力混凝土桥涵设计规范(JTJ D62—2004);3. 公路桥涵施工技术规范(JTJ041—2000);4. 公路工程抗震设计规范(JTJ004—89);5. 公路桥涵设计手册:梁桥(上册),人民交通出版社;6. 桥梁工程(上册):范立础,人民交通出版社;7. 桥梁工程:姚玲森,人民交通出版社;8. 结构设计原理:叶见曙,人民交通出版社;9. 桥梁计算示例集:易建国,梁桥,人民交通出版社;Ⅲ、设计过程全桥宽采用12块预制预应力混凝土空心板,每块空心板宽99cm ,全长17.96m ,计算跨径17.56m ,用先张法施工工艺,预应力钢筋采用 15.24钢铰线,沿跨长直线配筋。
一.毛截面几何特性计算(参见图1) 1. 毛截面面积Ah=99×90—2×36×30—2×3.14× 2182×[1/2×(5+3)×8+1/2×5×7]=4616cm 2 2.毛截面重心位置 ( 如图取1—1截面)对该截面求静矩:对称部分均消法 即只计算铰及下部结构静矩 S=2×[3×8+(15+14+7+8/2)+2×8×1/2×(29+7+8/3) +5×7×1/2×(29+2/3×7)]+2×99×(15+18+12) =12627cm 3毛截面中心对该线的距离d=Ah S =461612627=2.7cm 铰截面中心对该线的距离A 铰=2×[(3+5×8/2)+1/2×5×7]=99cm 2 D 铰=绞铰A s =993717=37.5cm 3.毛截面对重心的惯矩 每个挖空的半圆面积A 1=1/2×3.14×182=509cm 2 重心y=4×18/(3×3.14)=7.6cm 半圆对自身的惯性矩I 1 =I 1—1—A 1y 2 =3.14/8×184 —509×7.62 =11803cm 3 由此得截面的惯矩:I h =1/12×99×903+99×90×172 —2×(36×303 /12+36×30×2.72 )—4×1.803—2×509×[(2.7+15+7.6)2 +(5—2.7+7.6)2 ]—99×(37.5+2.7)2 =4600304cm 4二、内力计算 (一)恒载计算1.桥面系(护栏):单侧为(6.25+0.53+0.31)/2.5=2.5KN/m 桥面铺装为10cm 厚的C 40混凝土每块板每延米的荷载为 0.1×1×1×25=2.5KN/m 则以上重量均分给8块板 g 1=2.5×2/13+2.5=2.69KN/m 2.铰和接缝:g 2=(99+1×99)×104 ×25=0.47KM/m3.行车道板:g3=Ah×r=4616×104-×25=11.54KM/m恒载总重:g=g1+g2+g3=2.69+0.47+11.5=14.7KM/m 荷载内力计算见下表(二),活载作用下1.荷载横向分配系数跨中和四分点的横向分配系数按铰接板法计算,支点按杠杆法计算荷载横向分配系数,支点到四分点间按直线内插法求得。
第三章预应力空心板上部结构计算3.1 设计资料1、跨径:标准跨径16.00=;k l m计算跨径15.60=。
l m2、桥面净空:m+。
7⨯20.13、设计荷载:汽车荷载:公路-Ⅱ级;人群荷载:20.3mkN。
/4、材料:预应力钢筋71⨯股钢绞线,直径15.2mm;非预应力钢筋采用HRB335钢筋,R235钢筋;空心板块混凝土采用C50;铰缝为C30细集料混凝土;桥面铺装采用10cm C50混凝土+SBS改性沥青涂膜防水层+10cm沥青混凝土。
3.2 构造形式及尺寸选定本桥桥面净空为净m7⨯+,采用9块C50的预制预应力混凝土空心20.1板,每块空心板宽99cm,高70cm,空心板全长15.96m。
采用先张法施工工艺,预应力钢绞线采用1×7股钢绞线,直径15.2mm,截面面积98.72mm。
预应力钢绞线沿板跨长直线布置。
全桥空心板横断面布置如图3-1,每块空心板截面及构造尺寸见图3-2。
图3-1 桥梁横断面(尺寸单位:cm)图3-2 空心板截面构造及尺寸(尺寸单位:cm )3.3 空心板毛截面几何特性计算(一)毛截面面积A22(2.55)775997023816219223359.4()22A cm π+⨯⨯=⨯-⨯⨯-⨯-⨯-⨯= (二)毛截面重心位置全截面对21板高处的静矩: 1231211157721277287728232322531s⎡⎤⨯⨯⨯⨯⨯+⨯⨯⨯⨯+⨯⨯⨯+⎢⎥⎣⎦=板高=2()+()+2()(cm ).5.5.7 铰缝的面积(如右图所示):2=112( 2.55757)87.5()22A cm ⨯⨯+⨯+⨯⨯=铰()则毛截面重心离21板高的距离为:122531.70.754()0.757.5()()3359.4S d cm cm mm A ===≈=板高向下移 铰缝重心对21板高处的距离为:2531.728.9()87.5d cm ==铰(三)空心板毛截面对其重心轴的惯矩I如图3-3,设每个挖空的半圆面积为'A :2211' 3.1438567.188A d π==⨯⨯=2()cm半圆重心轴:44388.0666 3.14d y π⨯===⨯()80.6()cm mm = 半圆对其自身重心轴O-O 的惯矩为I ':'440.006860.006863814304I d ==⨯=4()cm则空心板毛截面对其重心轴的惯矩I 为:332222241049970381699700.752[38160.75]41430412122567.1[(8.0640.75)(8.0640.75)]87.5(28.930.75)2341527.588() 2.341510()I cm mm ⨯⨯=+⨯⨯-⨯+⨯⨯-⨯-⨯⨯++++--⨯+==⨯ (忽略了铰缝对自身重心轴的惯矩)图3-3 挖空半圆构造(尺寸单位:cm )空心板截面的抗扭刚度可简化为下图的单箱截面来近似计算:图3-4 计算抗扭刚度的空心板截面简化图(尺寸单位:cm )2222641041244(998)(908) 3.32910() 3.32910()222(908)2(998)88T b h I cm mm h b t t ⨯-⨯-===⨯=⨯⨯-⨯-++3.4 作用效应计算 3.4.1 永久作用效应计算1.预制板的自重(第一期恒载)1g中板:413359.410258.399(/)g A kN m γ-=⋅=⨯⨯= 边板:413403.1510258.508(/)g A kN m γ-=⋅=⨯⨯= 2.栏杆、人行道、桥面铺装(第三期恒载)2g人行道及栏杆重力参照其他桥梁设计资料,单侧按12.0kN/m 计算。
目录1 设计资料 (1)1.1 主要技术指标 (1)1.2 材料规格 (1)1.3 采用的技术规 (1)2 构造形式及尺寸选定 (2)3 空心板毛截面几何特性计算 (3)3.1 边跨空心板毛截面几何特性计算 (3)3.1.1 毛截面面积A (4)3.1.2 毛截面重心位置 (4)3.1.3 空心板毛截面对其重心轴的惯距I (4)3.2 中跨空心板毛截面几何特性计算 (5)3.2.1 毛截面面积A (5)3.2.2 毛截面重心位置 (5)3.2.3 空心板毛截面对其重心轴的惯距I (6)3.3 边、中跨空心板毛截面几何特性汇总 (6)4 作用效应计算 (7)4.1 永久作用效应计算 (8)4.1.1 边跨板作用效应计算 (8)4.1.2 中跨板作用效应计算 (8)4.1.3 横隔板重 (9)4.2 可变作用效应计算 (10)4.3 利用桥梁结构电算程序计算 (10)4.3.1 汽车荷载横向分布系数计算 (10)4.3.2 汽车荷载冲击系数计算 (14)4.3.3 结构重力作用以及影响线计算 (14)4.4 作用效应组合汇总 (19)5 预应力钢筋数量估算及布置 (21)5.1 预应力钢筋数量的估算 (21)5.2 预应力钢筋的布置 (23)5.3 普通钢筋数量的估算及布置 (23)6 换算截面几何特性计算 (25)A (25)6.1 换算截面面积6.2 换算截面重心的位置 (25)I (26)6.3 换算截面惯性矩6.4 换算截面的弹性抵抗矩 (26)7 承载能力极限状态计算 (26)7.1 跨中截面正截面抗弯承载力计算 (26)7.2 斜截面抗弯承载力计算 (28)7.2.1 截面抗剪强度上、下限的复核 (28)7.2.2 斜截面抗剪承载力计算 (30)8 预应力损失计算 (32)σ (32)8.1 锚具变形、回缩引起的应力损失2lσ (32)8.2 钢筋与台座间的温差引起的应力损失3lσ (33)8.3 混凝土弹性压缩引起的预应力损失4lσ (34)8.4 预应力钢绞线由于应力松弛引起的预应力损失5lσ (34)8.5 混凝土的收缩和徐变引起的应力损失6l8.6 预应力损失组合 (36)9 正常使用极限状态计算 (37)9.1 正截面抗裂性验算 (37)9.2 斜截面抗裂性验算 (42)9.2.1 正温差应力 (42)9.2.2 反温差应力(为正温差应力乘以0.5-) (42)s (43)9.2.3 主拉应力tp10 变形计算 (46)10.1 正常使用阶段的挠度计算 (46)10.2 预加力引起的反拱度计算及预拱度的设置 (47)10.2.1 预加力引起的反拱度计算 (47)10.2.2 预拱度的设置 (49)11 持久状态应力验算 (49)σ验算 (49)11.1 跨中截面混凝土的法向压应力kcσ验算 (50)11.2 跨中预应力钢绞线的拉应力p11.3 斜截面主应力验算 (50)12 短暂状态应力验算 (53)12.1 跨中截面 (53)12.1.1 由预加力产生的混凝土法向应力 (53)12.1.2 由板自重产生的板截面上、下缘应力 (54)12.2 4l截面 (55)12.3 支点截面 (56)13 最小配筋率复核 (57)14 铰缝计算 (58)14.1 铰缝剪力计算 (59)14.1.1 铰缝剪力影响线 (59)14.1.2 铰缝剪力 (60)14.2 铰缝抗剪强度验算 (60)15 预制空心板吊杯计算 (63)16 支座计算 (63)16.1 选定支座的平面尺寸 (63)16.2 确定支座的厚度 (64)16.3 验算支座的偏转 (65)16.4 验算支座的稳定性 (66)17 下部结构计算 (67)17.1 盖梁计算 (67)17.1.1 设计资料 (67)17.1.2 盖梁计算 (68)17.1.3 力计算 (78)17.1.4 截面配筋设计与承载力校核 (81)17.2 桥墩墩柱设计 (83)17.2.1 作用效用计算 (84)17.2.2 截面配筋计算及应力验算 (86)参考文献 (89)致 (90)20m预应力混凝土空心板桥设计计算书1 设计资料1.1 主要技术指标桥跨布置: 16×20.0 m,桥梁全长340 m。
目录1 设计资料 (1)1.1 主要技术指标 (1)1.2 材料规格 (1)1.3 采用的技术规范 (1)2 构造形式及尺寸选定 (2)3 空心板毛截面几何特性计算 (3)3.1 边跨空心板毛截面几何特性计算 (3)3.1.1 毛截面面积A (3)3.1.2 毛截面重心位置 (3)3.1.3 空心板毛截面对其重心轴的惯距I (4)3.2 中跨空心板毛截面几何特性计算 (4)3.2.1 毛截面面积A (4)3.2.2 毛截面重心位置 (5)3.2.3 空心板毛截面对其重心轴的惯距I (5)3.3 边、中跨空心板毛截面几何特性汇总 (6)4 作用效应计算 (7)4.1 永久作用效应计算 (7)4.1.1 边跨板作用效应计算 (7)4.1.2 中跨板作用效应计算 (8)4.1.3 横隔板重 (8)4.2 可变作用效应计算 (9)4.3 利用桥梁结构电算程序计算 (9)4.3.1 汽车荷载横向分布系数计算 (9)4.3.2 汽车荷载冲击系数计算 (12)4.3.3 结构重力作用以及影响线计算 (13)4.4 作用效应组合汇总 (17)5 预应力钢筋数量估算及布置 (19)5.1 预应力钢筋数量的估算 (19)5.2 预应力钢筋的布置 (20)5.3 普通钢筋数量的估算及布置 (21)6 换算截面几何特性计算 (22)A (22)6.1 换算截面面积6.2 换算截面重心的位置 (23)I (23)6.3 换算截面惯性矩6.4 换算截面的弹性抵抗矩 (24)7 承载能力极限状态计算 (24)7.1 跨中截面正截面抗弯承载力计算 (24)7.2 斜截面抗弯承载力计算 (25)7.2.1 截面抗剪强度上、下限的复核 (25)7.2.2 斜截面抗剪承载力计算 (27)8 预应力损失计算 (29)σ (29)8.1 锚具变形、回缩引起的应力损失2lσ (29)8.2 钢筋与台座间的温差引起的应力损失3lσ (29)8.3 混凝土弹性压缩引起的预应力损失4lσ (30)8.4 预应力钢绞线由于应力松弛引起的预应力损失5lσ (30)8.5 混凝土的收缩和徐变引起的应力损失6l8.6 预应力损失组合 (33)9 正常使用极限状态计算 (33)9.1 正截面抗裂性验算 (34)9.2 斜截面抗裂性验算 (38)9.2.1 正温差应力 (38)9.2.2 反温差应力(为正温差应力乘以0.5-) (38)s (39)9.2.3 主拉应力tp10 变形计算 (42)10.2 预加力引起的反拱度计算及预拱度的设置 (42)10.2.1 预加力引起的反拱度计算 (42)10.2.2 预拱度的设置 (44)11 持久状态应力验算 (45)σ验算 (45)11.1 跨中截面混凝土的法向压应力kcσ验算 (45)11.2 跨中预应力钢绞线的拉应力p11.3 斜截面主应力验算 (46)12 短暂状态应力验算 (48)12.1 跨中截面 (48)12.1.1 由预加力产生的混凝土法向应力 (48)12.1.2 由板自重产生的板截面上、下缘应力 (49)12.2 4l截面 (50)12.3 支点截面 (50)13 最小配筋率复核 (52)14 铰缝计算 (53)14.1 铰缝剪力计算 (53)14.1.1 铰缝剪力影响线 (53)14.1.2 铰缝剪力 (54)14.2 铰缝抗剪强度验算 (55)15 预制空心板吊杯计算 (57)16 支座计算 (57)16.1 选定支座的平面尺寸 (57)16.2 确定支座的厚度 (58)16.3 验算支座的偏转 (59)16.4 验算支座的稳定性 (59)17 下部结构计算 (61)17.1 盖梁计算 (61)17.1.1 设计资料 (61)17.1.2 盖梁计算 (61)17.1.3 内力计算 (69)17.1.4 截面配筋设计与承载力校核 (71)17.2 桥墩墩柱设计 (73)17.2.1 作用效用计算 (74)17.2.2 截面配筋计算及应力验算 (76)参考文献 (79)致谢 (80)附件1:开题报告(文献综述)附件2:译文及原文影印件20m预应力混凝土空心板桥设计计算书1 设计资料1.1 主要技术指标桥跨布置: 16×20.0 m,桥梁全长340 m。
16m 空心板作用效应计算一、设计资料1、 桥跨布置:1x16m2、 跨径:标准跨径:16.00m ;净跨径:16-0.04-2x0.2=15.56m 计算跨径:15.56+0.2=15.76m3、 桥梁宽度:20.50m ;(1.50m 边板2块+14块1.25m 中板)横向布置:0.25m (栏杆)+4.00m (人行道)+12.00m (机非混合车道)+4.00m (人行道)+0.25m (栏杆) 4、设计荷载:汽车荷载:公路—II 级;人群荷载:3.5kN/m 2 ------------------------------------------------------------------------ 二、截面几何特性计算 (一)、毛截面面积:A h =5112cm 2 铰缝面积:A j =640 cm 2毛截面对重心轴的惯性矩:Ⅰh =3987.775x103cm 4空心板截面抗扭刚度:12)23124(223)1280(2)1280()23124(4224222122-⨯+-⨯-⨯-⨯=+=t b t h h b I T =8294.846x103cm 4三、作用效应计算(一)永久作用效应计算1.空心板自重g 1(第一阶段结构自重) g 1=A h •γ=5112x10-4x25=12.78kN/m2.桥面系自重g 2(第二阶段结构自重) 人行道、栏杆近似:2x4x0.25x25=50kN/m桥面铺装10cmC40防水砼,每延米重力:0.1x20.5x25=51.25kN/m 近似按各板分摊考虑,g 2=(50+51.25)/20.5= 4.939kN/m3.铰缝自重g 3(第二阶段结构自重) g 3=(640+1x80)x10-4x25=1.8kN/m由此得空心板每延米总重力g 为:m kN g g /78.121==Ⅰ(第一阶段结构自重)m kN g g /739.68.1939.4g 32=+=+=Ⅱ(第二阶段结构自重)m kN g g g i /519.19739.678.12g =+=+==∑ⅡⅠ4.永久作用效应计算(二)可变作用效应计算汽车荷载:公路—II 级,由车道荷载及车辆荷载组成。
例一 预应力混凝土空心板桥计算示例 一、设计资料1.跨径:标准跨径k l =13.00m ;计算跨径l =12.60m2.桥面净空:2.5m+4×3.75m+2.5m3.设计荷载:公路-Ⅱ极荷载;人群荷载:3.0kN /2m4.材料:预应力钢筋:采用1×7钢绞线,公称直径12.7mm ;公称截面积98.72mm ,pk f =1860Mpa ,pd f =1260Mpa ,p E =1.95×510Mpa, 预应力钢绞线沿板跨长直线布置;非预应力钢筋:采用HRB335,sk f =335Mpa,sd f =280Mpa;R235,sk f =235Mpa,sd f =195Mpa; 混凝土:空心板块混凝土采用C40, ck f =26.8MPa ,cd f =18.4Mpa ,tk f =2.4Mpa ,td f =1.65Mpa 。
绞缝为C30细集料混凝土;桥面铺装采用C30沥青混凝土;栏杆及人行道为C25混凝土。
5、设计要求:根据《公路钢筋混凝土及预应力混凝土桥涵设计规范(JTG D62-2004)》要求,按A 类预应力混凝土构件设计此梁。
6、施工方法:采用先张法施工。
二、空心板尺寸:本示例桥面净空为净2.5m+4×3.75m+2.5m ,全桥宽采用20块C40的预制预应力混凝土空心板,每块空心板宽99cm ,高62cm ,空心板全长12.96m 。
全桥空心板横断面布置如图1-1,每块空心板截面及构造尺寸见图1-2。
图1-1 桥梁横断面(尺寸单位:cm )图1-2 空心板截面构造及尺寸(尺寸单位:cm ) 三、空心板毛截面几何特性计算 (一)毛截面面积A (参见图1-2)A=99×62 - 2×38×8 - 4×2192⨯π-2×(21×7×2.5+7×2.5+21×7×5)=3174.3(2cm ) (二)毛截面重心位置 全截面对1/2板高处的静矩:板高21S =2×[21×2.5×7 ×(24+37)+7×2.5×(24+27)+21×7×5×(24-37)]=2181.7(cm 3) 绞缝的面积:A 绞=2×(21×2.5×7+2.5×7+21×5×7)=87.5(cm 2) 则毛截面重心离1/2板高的距离为:d=AS 板高21=3.31747.2181=0.687(cm )≈0.7(cm )=7(mm )(向下移)绞缝重心对1/2板高处的距离为: 绞d =5.877.2181=24.9(cm ) (三)空心板毛截面对其重心的惯矩I 由图1-3,设每个挖空的半圆面积为A ':A '=81πd 2= 81π×382=567.1(cm 2) 半圆重心轴: y =π64d =π⨯⨯6384=8.06(cm )=80.6(mm ) 半圆对其自身重心轴O-O 的惯矩为I ':I '=0.00686d 4=0.00686×384=14304(cm 4) 则空心板毛截面对其重心轴的惯矩I 为:I=1262993⨯+99×62×0.72-2×[128383⨯+38×8×0.72]-4×14304-2×567.1×[(8.06+4+0.7)2+(8.06+4-0.7)2]-87.5×(24.9+0.7)2 =1520077.25(cm 4)=1.5201×106(mm 4) (忽略了绞缝对其自身重心轴的惯矩)空心板截面的抗扭刚度可简化为图1-4的单箱截面来近似计算:图1-3挖空半园构造(尺寸单位:cm )图1-4计算IT 的空心板截面简化图(尺寸单位:cm )I T =2122224t b t h h b +=8)899(28)862(2)862()899(422-⨯+-⨯-⨯-⨯=2.6645×106(cm 4)=2.6645×1010(mm 4) 三、作用效应组合按《桥规》公路桥涵结构设计应按承载能力极限状态和正常使用极限状态进行效应组合,并用于不同的计算项目。
按承载能力极限状态设计时的基本组合表达式为:γ0S ud =γ0(1.2S Gk +1.4S k Q 1+0.8×1.4S Qjk ) 式中:γ0——结构重要系数,本桥属小桥γ0=0.9; S ud ——效应组合设计值; S Gk ——永久作用效应标准值;S k Q 1——汽车荷载效应(含汽车冲击力)的标准值; S Qjk ——人群荷载效应的标准值。
按正常使用极限状态设计时,应根据不同的设计要求,采用以下两种效应组合;作用短期效应组合表达式;Ssd = SGk+0.7×S'kQ1+1.0×SQjk式中:Ssd——作用短期效应组合设计值;SGk——永久作用效应标准值;S'kQ1——不计算冲击的汽车荷载效应标准值;SQjk——人群荷载效应的标准值。
作用长期效应组合表达式:Sld = SGk+0.4×S'kQ1+0.4×SQjk式中:各符号意义见上面说明。
《桥规》还规定结构构件当需进行弹性阶段截面应力计算时,应采用标准值效应组合,即此时效应组合表达式为:S= SGk + SkQ1+ SQjk式中: S——标准值效应组合设计值;SGk ,SkQ1,SQjk——永久作用效应、汽车荷载效应(计入汽车冲击力)、人群荷载效应的标准值。
根据计算得到的作用效应,按《桥规》各种组合表达式可求得各效应组合设计值,现将计算汇总于表1-1中。
空心板作用效应组合计算汇总表表1-1四、预应力钢筋数量估算及布置(一)预应力钢筋数量的估算本示例采用先张法预应力混凝土空心板构造形式。
设计时它应满足不同设计状况下规范规定的控制条件要求,例如承载力、抗裂性、裂缝宽度、变形及应力等要求。
在这些控制条件中,最重要的是满足结构在正常使用极限状态下的使用性能要求和保证结构在达到承载能力极限状态时具有一定的安全储备。
应此,预应力混凝土桥梁设计时,一般情况下,首先根据结构在正常使用极限状态正截面抗裂行或裂缝宽度限值确定预应力钢筋的数量,再由构件的承载能力极限状态要求确定普通钢筋的数量。
本示例以部分预应力A 类构件设计,首先按正常使用极限状态正截面抗裂性确定有效预加力N pe 。
按《公预规》6.3.1条,A 类预应力混凝土构件正截面抗裂性是控制混凝土的法向拉应力,并符合以下条件:在作用短期效应组合下,应满足st σ- pc σ≤0.70tk f 要求。
式中:st σ——在作用短期效应组合sd M 作用下,构件抗裂验算边缘混凝土的法向拉应力。
pc σ——构件抗裂验算边缘混凝土的有效预压应力。
在初步设计时,st σ和pc σ可按下列公式近似计算: sdst M W σ= pc pc P pc N N e A Wσ=+式中:A ,W ——构件毛截面面积及对毛截面受拉边缘的弹性抵抗矩;P e ——预应力钢筋重心对毛截面重心轴的偏心矩,p p e y a =-,p a 可预先假定。
代入st σ- pc σ≤0.70tk f 即可求得满足部分预应力A 类构件正截面抗裂性要求所需的有效预加力为:0.701sdtk pcp M f W N e A W-=+ 式中:tk f ——混凝土抗拉强度标准值。
本示例,预应力空心板桥采用C40,tk f =2.4,由表1-1得,sd M =327.98kN.m =327.98×106N.mm,空心板毛截面换算面积A=3174.32cm =3174.3×2102mm ,W=I y 下=341520.110(310.70)cm cm⨯-=3350.1710cm ⨯=6350.1710mm ⨯ 假设p a =4cm ,则p e =y 下-p a =31-0.7-3=26.3(cm)=263(mm) 代入得:6626327.98100.7 2.450.1710578777()12633174.31050.1710pe N N ⨯-⨯⨯==+⨯⨯则所需预应力钢筋截面面积 p A 为: pep con lN A σσ=-∑式中:con σ——预应力钢筋的张拉控制应力;l σ∑——全部预应力损失值,按张拉控制应力的20%估算。
本示例采用1×7股钢绞线作为预应力钢筋,直径12.7mm ,公称截面面积98.72mm ,pk f =1860MPa ,pd f =1260MPa ,p E =1.95×510MPa 。
按《公预规》con σ≤0.75pk f ,现取con σ=0.70pk f ,预应力损失总和近似假定为20%张拉控制应力来估算,则 2578777555.66()0.20.80.701860pepep con concon lN N A mm σσσσ====-⨯⨯-∑采用7根1×7股钢绞线,即s φ12.7钢绞线,单根钢绞线公称面积98.72mm ,则p A =7×98.7=690.9(2mm )满足要求。
(二) 预应力钢筋的布置预应力空心板选用7根1×7股钢绞线布置在空心板下缘,p a =40mm ,沿空心板跨长直线布置,即沿跨长p a =40mm 保持不变,见图1-5。
预应力钢筋布置应满足《公预规》要求,钢绞线净距不小于25mm ,端部设置长度不小于150mm , 得螺旋钢筋等。
(三)普通钢筋数量的估算及布置在预应力钢筋数量已经确定的情况下,可由正截面承载能力极限状态要求的条件确定普通钢筋数量,暂不考虑在受压区配置预应力钢筋,也暂不考虑普通钢筋的影响。
空心板截面可换算成等效工字形截面来考虑:由22388381438.115()4k k b h cm π=⨯+⨯=得21438.115k kcm b h =33424138820.00686382567.1(8.064)195191.53()1212k k b h cm ⨯=+⨯⨯+⨯⨯+= 把21438.114k k cm b h =代入3112k k b h =4195191.53()cm ,求得k h =40.4cm,k b =21438.11435.6()40.4cm cm =。
则得等效工字形截面的上翼缘板厚度'f h :'40.43110.8()22k f h h y cm =-=-=上 等效工字形截面的下翼缘板厚度f h : 40.43110.8()22k f h h y cm =-=-=下 等效工字形截面的肋板厚度:'299235.627.8()f k b b b cm =-=-⨯= 等效工字形截面尺寸见图1-6。