塑料老化检测国家标准ISOASTM
- 格式:docx
- 大小:75.39 KB
- 文档页数:10
塑胶件老化测试标准塑胶件是我们日常生活中不可或缺的材料,广泛用于电子产品、家具、汽车及其他领域。
然而,随着时间的推移,塑胶件会经历老化,导致性能下降甚至发生破裂、变形等问题。
为了确保塑胶件的质量和耐用性,进行老化测试是至关重要的一步。
1. 老化测试的意义老化测试是通过模拟塑胶件在长期使用过程中所受到的自然环境条件,如光照、温度、湿度等因素,加速材料的老化过程,以评估塑胶件的耐久性和性能表现。
通过老化测试,我们可以更准确地预测塑胶件在实际使用中的表现,为产品设计和改进提供重要参考依据。
2. 常见的老化测试方法2.1 热老化测试:将塑胶件置于高温环境下,模拟在高温条件下的使用情况。
通过观察塑胶件在高温下的表现,如硬度变化、颜色变化等,来评估其耐热性能。
2.2 紫外光老化测试:利用紫外光模拟日光照射,测试塑胶件在长时间紫外光曝晒下的耐候性能,如是否会发生褪色、表面粗糙等情况。
2.3 湿热老化测试:将塑胶件置于高温高湿环境下,模拟潮湿环境中的使用条件。
通过观察塑胶件在湿热条件下的性能变化,评估其耐候性和耐腐蚀性。
3. 塑胶件老化测试标准为了保证老化测试的可靠性和准确性,国际上制定了一系列的塑胶件老化测试标准,以指导对塑胶件进行老化测试的实施和评价。
常见的标准包括:3.1 ASTM D3895:用于评估塑胶薄膜和薄片在紫外光辐照下的老化性能。
3.2 ISO 188:针对在湿热条件下进行老化测试的标准,评估材料的耐水性能和稳定性。
3.3 GB/T 14522:我国制定的塑料制品老化性能评定方法标准,包括热老化、紫外光老化、湿热老化等多个测试方法。
4. 测试结果的评估在进行老化测试后,需要对测试结果进行准确的评估和分析。
通常通过比对塑胶件在老化前后的性能指标,如物理性能、化学性能、外观等方面的变化情况,来判断塑胶件的老化程度和耐久性能。
5. 结语塑胶件的老化测试是保证产品质量和使用寿命的重要环节。
通过严格按照标准进行老化测试,可以帮助制造商提前发现塑胶件可能存在的问题,进一步优化产品设计和生产工艺,提高产品的品质和竞争力。
塑料件老化测试标准摘要塑料件在使用过程中会受到各种外界因素的影响,其中最主要的因素之一就是老化。
塑料件的老化会导致其性能下降,甚至造成产品失效。
因此,为了确保塑料件的质量和可靠性,对其进行老化测试变得至关重要。
本文将介绍塑料件老化测试的标准以及相关重要性和方法。
引言塑料件在汽车、电子产品、医疗器械等许多行业中被广泛应用,其质量直接影响到产品的整体性能和寿命。
然而,随着时间的推移和外部环境的作用,塑料件会出现老化现象。
塑料件老化不仅导致外观变化,还会造成尺寸稳定性、力学性能、耐热性等方面的下降,进而影响产品的可靠性和使用寿命。
因此,制定科学的塑料件老化测试标准,对于保证产品质量和性能具有重要意义。
塑料件老化测试标准ASTM D1435ASTM D1435是美国材料与试验协会发布的针对塑料件老化测试的标准。
该标准主要涵盖了塑料材料耐候老化性能的测试方法,其中包括暴露老化测试、湿热老化测试等。
通过该标准可以对塑料件在户外环境和高温湿热环境下的抗老化性能进行评估,从而为产品设计和材料选择提供参考依据。
ISO 4892ISO 4892是国际标准化组织制定的关于塑料件老化测试的标准。
该标准包括了模拟日光暴露、模拟紫外光照、模拟湿热环境等多种测试方法,旨在评估塑料件在不同环境条件下的老化特性。
借助ISO 4892标准,制造商可以更准确地评估塑料件的使用寿命和性能衰减情况,为产品质量控制提供技术支持。
GB/T 16259GB/T 16259是中国国家标准化管理委员会发布的关于塑料件老化测试的标准。
该标准主要涉及了塑料件对光照、热氧老化等多种老化因素的抵抗能力测试方法,旨在评估塑料件在不同老化环境下的性能变化情况。
遵循GB/T 16259标准可以帮助企业更好地掌握塑料件老化特性,提高产品的可靠性和稳定性。
老化测试的重要性塑料件的设计和生产周期通常较长,而产品使用环境的复杂性使得塑料件在使用过程中会受到各种老化因素的影响。
塑料老化测试国家标准在当今社会,塑料制品被广泛应用于各个领域,如家电、汽车、建筑等,其中塑料制品的老化是一个极为重要的问题。
为了确保塑料制品的使用安全和可靠性,制定了相应的塑料老化测试国家标准。
这些标准帮助生产商和消费者了解塑料制品在不同环境和条件下的耐久性和稳定性,从而作出更加明智的选择。
塑料老化测试国家标准涵盖了多个方面,其中包括老化测试的方法、试样的准备、测试条件、样品的评估标准等。
通过这些标准化的测试方法,可以客观地评估塑料制品的老化程度,为生产和质量控制提供依据。
在塑料老化测试中,常用的测试方法包括热老化试验、紫外老化试验、湿热老化试验等。
这些测试方法可以模拟塑料制品在不同环境条件下的使用情况,检测塑料制品在长期使用中可能出现的老化问题,如颜色变化、表面开裂、强度下降等。
塑料老化测试国家标准的制定不仅有利于保障塑料制品的质量,还有助于促进塑料工业的发展。
通过遵循标准化的测试方法,生产商可以提高产品质量,减少产品缺陷率,提升市场竞争力。
同时,消费者也可以更加放心地选择符合标准的塑料制品,确保所购买的产品具有一定的耐久性和稳定性。
除了以上提到的常用老化测试方法,一些新型的老化测试方法也在不断发展和完善。
例如,一些国家已经开始引入气候变化老化测试,模拟气候变化对塑料制品的影响,以进一步提高塑料制品的耐候性和稳定性。
总的来说,塑料老化测试国家标准的制定和实施对于塑料制品行业的发展具有重要意义。
通过遵循这些标准,可以提高塑料制品的质量和安全性,促进行业技术的进步,为消费者提供更加可靠的塑料制品。
希望在未来,塑料老化测试国家标准能够更加完善和细化,为塑料制品行业的可持续发展贡献更多力量。
1。
塑料老化检测标准规范塑料是一种广泛应用于各行各业的材料,但随着时间的推移,塑料制品会受到环境等因素的影响而发生老化,进而降低其性能和可靠性。
为了确保塑料制品的质量和使用寿命,进行有效的塑料老化检测至关重要。
本文将介绍塑料老化检测的标准规范,包括检测对象、方法和标准等内容。
1. 检测对象塑料老化检测的对象主要包括各类塑料制品,如塑料容器、管道、包装材料等。
这些塑料制品在使用过程中会暴露在不同的环境条件下,例如高温、紫外线、湿度等,从而导致老化现象的发生。
因此,对这些塑料制品进行定期的老化检测至关重要,以保证其性能和可靠性。
2. 检测方法塑料老化检测的方法多种多样,常用的方法包括:•热老化试验:将塑料材料置于高温环境下,模拟长时间高温暴露的情况,检测其在高温条件下的性能变化。
•紫外老化试验:使用紫外灯照射塑料样品,模拟紫外线照射环境,检测塑料的耐光老化性能。
•湿热老化试验:将塑料样品暴露在高温高湿的环境中,模拟湿热气候条件,检测塑料的耐候性能。
这些方法可以单独使用或结合使用,以更全面地评估塑料材料的老化情况。
在进行老化检测时,需要根据塑料制品的具体用途和环境条件选择合适的检测方法,确保检测结果的准确性和可靠性。
3. 检测标准针对塑料老化检测,国际上有多项相关的标准规范,常用的包括:•ISO 4892-3:塑料试样的紫外辐射老化试验•ASTM D4329:使用紫外灯进行塑料材料的紫外老化试验方法•GB/T 16422.3:塑料老化试验第3部分:使用紫外辐射这些标准规范详细规定了老化试验的具体实施方法、参数设定和评定标准,是进行塑料老化检测时的重要参考依据。
遵循这些标准规范可以确保老化检测的科学性、可比性和可靠性,同时也有利于塑料制品生产和质量管理的规范化。
综上所述,塑料老化检测标准规范对于确保塑料制品的质量和可靠性具有重要意义。
通过正确选择检测对象、方法和遵循相关标准规范,可以及时发现塑料材料的老化情况,采取有效措施延长其使用寿命,为各行各业的应用提供可靠保障。
塑料件老化测试标准规范在塑料制品生产领域中,塑料件的老化测试是一个至关重要的环节。
通过对塑料件进行老化测试,可以评估其在长期使用过程中所承受的环境影响和质量稳定性。
为了确保塑料制品的质量和可靠性,相关标准和规范被广泛采用。
本文将介绍塑料件老化测试的标准规范及其重要性。
塑料件老化测试的意义塑料制品在实际应用中会受到各种外部环境因素的影响,如光照、氧气、湿气、高温、低温等。
这些因素可能会导致塑料件的物理性能、化学性能和外观发生变化,从而影响产品的使用寿命和安全性。
通过进行老化测试,可以模拟这些环境影响,及早发现潜在的问题,提前做出调整和改进,确保塑料件在实际使用中的性能稳定性。
塑料件老化测试标准规范1. 老化测试条件老化测试条件是指在测试过程中模拟塑料件所处环境的各项参数及操作流程。
一般包括温度、湿度、光照强度、时间等因素。
不同类型的塑料对于老化条件的要求可能不同,因此需要根据具体情况来选择适合的测试条件。
2. 测试方法常见的塑料件老化测试方法包括氙灯老化测试、紫外老化测试、热老化测试等。
这些方法可以模拟不同的环境因素对塑料件的影响,从而评估其老化性能。
选择合适的测试方法可以有效减少测试时间和成本,同时提高测试结果的准确性。
3. 老化测试标准在进行塑料件老化测试时,应当遵循相应的标准规范,以确保测试结果的可靠性和可比性。
国际上常用的标准包括ISO、ASTM、GB等,这些标准规定了老化测试的具体步骤、测试装备、数据处理方法等,为塑料件老化测试提供了统一的依据。
4. 结果分析完成老化测试后,需要对测试结果进行详细的分析和评估。
主要包括塑料件的物理性能、化学性能、外观变化等方面的数据统计和比较。
通过对结果的分析,可以评估塑料件的老化程度和性能变化情况,为产品设计和生产提供参考依据。
总结塑料件老化测试标准规范对于保障塑料制品的质量和可靠性具有重要意义。
只有通过科学有效的老化测试方法和规范标准,才能及早发现潜在问题,保证产品在实际使用中的性能稳定和安全可靠。
塑料材料测试国标大全塑料材料是一种在工业、建筑、消费品等各个领域中广泛使用的材料。
为了确保塑料产品的质量和安全性,各国都制定了一系列的国家标准来对塑料材料进行测试和评估。
本文将介绍一些常见的塑料材料测试国标。
1.力学性能测试力学性能测试是评估塑料材料强度和刚度的重要测试。
国际上常用的标准有ASTMD638、ISO527和GB/T1040等。
这些测试方法通常包括拉伸试验、抗弯试验和冲击试验等,通过这些试验可以测量塑料材料的弹性模量、屈服强度、断裂强度、冲击韧性等力学性能参数。
2.热性能测试热性能测试是评估塑料材料耐热性和热变形行为的重要指标。
国际上常用的测试方法有ASTMD648、ISO75和GB/T1634等。
这些测试方法通常包括热变形试验和热失重试验,通过这些试验可以测量塑料材料的热变形温度、热传导性、热膨胀系数和燃烧性能等指标。
3.密度和吸水性测试密度和吸水性是评估塑料材料质量和稳定性的重要指标。
国际上常用的测试方法有ASTMD792和ISO1183等。
这些测试方法通常包括密度测量和吸水性试验,通过这些试验可以测量塑料材料的密度、吸水率和水分吸收率等指标。
4.电性能测试5.化学性能测试化学性能测试是评估塑料材料耐化学腐蚀性和稳定性的重要指标。
常见的测试方法有ASTMD543和ISO175等。
这些测试方法通常包括耐化学腐蚀性测试和耐溶剂性测试,通过这些试验可以评估塑料材料在各种化学环境下的耐受能力和稳定性。
总结起来,塑料材料测试国标主要包括力学性能测试、热性能测试、密度和吸水性测试、电性能测试和化学性能测试等。
这些国标的制定旨在确保塑料材料的质量和安全性,为相关领域的塑料制品提供参考和保障。
同时,这些测试方法也有助于塑料行业的技术发展和创新。
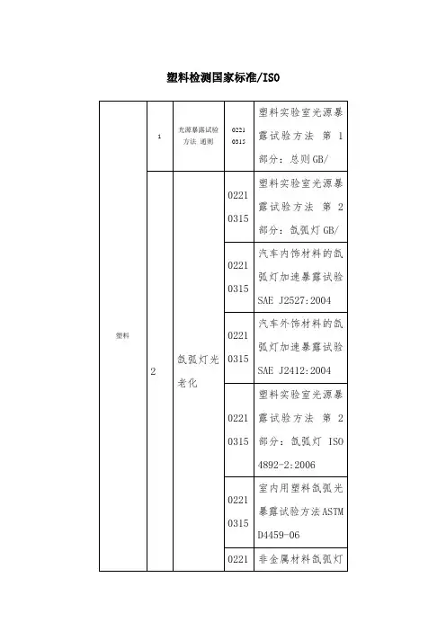
塑料老化检测国家标准、ISO、ASTM塑料检测国家标准/ISO塑料1光源暴露试验方法通则02210315塑料实验室光源暴露试验方法第1部分:总则GB/T16422.1-20062 氙弧灯光老化02210315塑料实验室光源暴露试验方法第2部分:氙弧灯GB/T16422.2-199902210315汽车内饰材料的氙弧灯加速暴露试验SAE J2527:200402210315汽车外饰材料的氙弧灯加速暴露试验SAE J2412:200402210315塑料实验室光源暴露试验方法第2部分:氙弧灯ISO4892-2:20060315室内用塑料氙弧光暴露试验方法ASTM D4459-06 02210315非金属材料氙弧灯老化的仪器操作方法ASTM G155-05a 02210315塑料暴露试验用有水或无水氙弧型曝光装置的操作ASTM D2565-99(2008)3荧光紫外灯老化02210315塑料实验室光源暴露试验方法第3部分:荧光紫外灯GB/T16422.3-199702210315塑料实验室光源暴露试验方法第3部分:荧光紫外灯ISO 4892-3:200602210315汽车外饰材料UV快速老化测试SAE J2020:20030315塑料紫外光暴露试验方法ASTM D4329-0502210315非金属材料UV老化的仪器操作方法ASTM G154-064 碳弧灯老化02210315塑料实验室光源曝露试验方法第4部分:开放式碳弧灯GB/T16422.4-19964 碳弧灯老化02210315塑料实验室光源暴露试验方法第4部分:开放式碳弧灯ISO 4892-4:20045 荧光紫外灯老化02210315机械工业产品用塑料、涂料、橡胶材料人工气候老化试验方法荧光紫外灯GB/T14522-20086 热老化02210315塑料热老化试验方法GB/T7141-2008 02210315无负荷塑料制品的热老化ASTM D3045-92(2003)7 湿热老化02210315塑料暴露于湿热、水喷雾和盐雾中影响的测定GB/T12000-2003 02210315塑料湿热、水溅和盐雾效应的测定ISO4611:20088 拉伸性能02210315塑料拉伸性能的测定第1部分:总则GB/T1040.1-2006 0221 0315塑料拉伸性能的测定第2部分:模塑和挤塑塑料的试验条件GB/T1040.2-2006 0221 0315塑料拉伸性能的测定第3部分:薄膜和薄片的试验条件GB/T1040.3-200602210315塑料拉伸性能的测定第4部分:各向同性和正交各向异性纤维增强复合材料的试验条件GB/T1040.4-200602210315塑料拉伸性能的测定第5部分:单项纤维增强复合材料的试验条件GB/T1040.5-2008 02210315塑料拉伸性能的试验方法ASTM D638-0802210315塑料拉伸性能的测定第1部分:一般原则 ISO 527-1:199602210315塑料拉伸性能的测定第2部分:模压和挤压塑料试验条件ISO 527-2:199602210315塑料拉伸性能的测定第3部分:薄膜和薄板材试验条件ISO 527-3:19960221 0315 塑料拉伸性能的测定第4部分: 各向同性和正交各向异性纤维增强复合材料的试验条件ISO 527-4:19970221 0315 塑料拉伸性能的测定第5部分: 单项纤维增强复合材料的试验条件ISO 527-5:19979 弯曲性能02210315塑料弯曲性能的测定GB/T9341-200802210315塑料和电绝缘材料弯曲性能试验方法ASTM D790-10 0221 0315塑料.弯曲性能测定BS EN ISO 178–200310 简支梁冲击性能02210315塑料简支梁冲击性能的测定第一部分:非仪器化冲击试验GB/T1043.1-200802210315塑料缺口试样的CHARPY 冲击强度的试验方法ASTM D6110 –0802210315塑料摆锤式CHARPY冲击特性的测定第1部分:非仪器冲击试验ISO 179–1:2000(E)11 悬臂梁冲击性能02210315塑料悬臂梁冲击强度的测定GB/T1843-200802210315塑料IZOD冲击强度的试验方法ASTM D256-1002210315塑料 IZOD冲击强度的测定ISO 180:200012 硬度02210315塑料硬度测定第二部分:洛氏硬度GB/T3398.2-200813 热变形温度02210315塑料负荷变形温度的测定第1部分:通用试验方法GB/T1634.1-2004 02210315在挠曲负荷下塑料的挠曲温度的试验方法ASTM D648-070221 0315 塑料载荷下挠曲温度的测定第1部分:一般试验方法ISO75-1:20040221 0315 塑料载荷下挠曲温度的测定第2部分:塑料和硬橡胶ISO75-2:200414 维卡软化温度02210315热塑性塑料维卡软化温度(VST)的测定GB/T1633-200002210315塑料维卡(Vicat)软化温度的测试方法ASTM D1525-09 0221 0315塑料热塑材料维卡软化温度的测定ISO 306:200415 压缩性能02210315塑料压缩性能的测定GB/T1041-200802210315塑料压缩性能试验方法ISO 604:200202210315硬塑料的压缩特性试验方法ASTM D695-1016 撕裂性能02210315塑料直角撕裂性能试验方法QB/T1130-199117 体积电阻率/表面电阻率02210315固体绝缘材料体积电阻率和表面电阻率试验方法GB/T1410-200602210315绝缘材料表面电阻和体积电阻试验方法IEC 60093:198002210315绝缘材料直流电阻或电导试验方法ASTM D257-0718 大气暴露02210315塑料大气暴露试验方法GB/T3681-2000 02210315塑料暴露于太阳辐射的方法第一部分:通则ISO877-1:200919 时间—温度极限02210315塑料长期热暴露后时间—温度极限测定GB/T7142-20020221 0315 聚合物长期性能评价简介UL746B-1997 20 塑料老化评价02210315塑料在玻璃下日光、自然气候或实验室光源暴露后颜色和性能变化的测定GB/T15596-2009 0221 0315塑料暴露于玻璃下日光或自然气候或人工光后颜色和性能变化的测定ISO4582:2007 21 变色评定02210315纺织品色牢度试验评定变色用灰色样卡GB/T250-2008 22 熔融指数02210315热塑性塑料熔体质量流动速率和熔体体积流动速率的测定GB/T3682-200023 击穿电压02210315绝缘材料电气强度试验方法第一部分:工频下试验GB/T1408.1-200624 热应力开裂02210315电线电缆用黑色聚乙烯塑料GB/T15065-2009附录A25 环境应力开裂02210315聚乙烯环境应力开裂试验方法GB/T1842-2008 02210315聚乙烯环境应力开裂试验方法ASTM D1693-0526 垂直与水平燃烧02210315设备和器具部件用塑料材料易燃性的试验UL94-1996REV.9:200902210315燃烧性能的测定水平法和垂直法GB/T2408-200827 氧指数02210315用氧指数法测定燃烧行为第1部分:导则GB/T2406.1-2008 02210315用氧指数法测定燃烧行为第2部分:室温试验GB/T2406.2-200927 氧指数02210315用氧指数法测定燃烧行为第1部分:导则ISO4589-1:1996 0221 0315用氧指数法测定燃烧行为第2部分:室温试验ISO4589-2:1996。