B-15_金属与石材幕墙安装质量记录表
- 格式:xls
- 大小:114.00 KB
- 文档页数:4
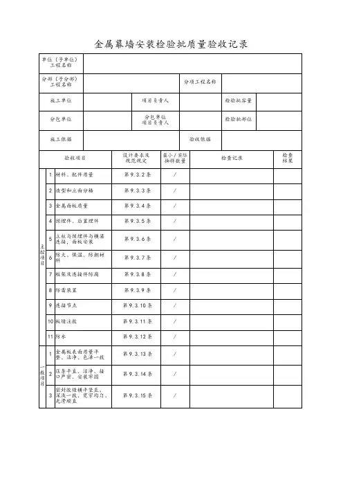
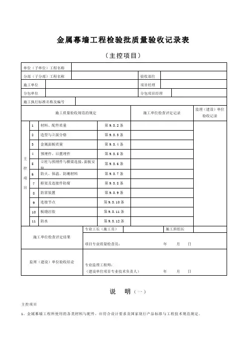
金属幕墙工程检验批质量验收记录表
(主控项目)
说明(一)
主控项目
1、金属幕墙工程所使用的各类材料与配件,应符合设计要求及国家现行产品标准与工程技术规范规定。
检查产品合格证书、性能检测报告、材料进场验收记录与复验报告。
2、金属幕墙的造型与立面分格应符合设计要求。
观察与尺量检查。
3、金属面板的品种、规格、颜色、光泽及安装方向应符合设计要求。
观察与检查进场验收记录。
4、金属幕墙主体结构上的预埋件、后置埋件的数量、位置及后置埋件的拉拔力务必符合设计要求。
检查拉拔力检测报告与隐蔽工程验收记录。
5、金属幕墙的金属框架立柱与主体结构预埋件的连接、立柱与横梁的连接、金属面板的安装务必符合设计要求,安装务必牢固。
手扳检查;检查隐蔽工程验收记录。
6、金属幕墙的防火、保温、防潮材料的设置应符合设计要求,并应密实、均匀。
厚度一致。
检查隐蔽工程验收记录。
7、金属框架及连接件的防腐处理应符合设计要求。
检查隐蔽工程验收记录与施工记录。
8、金属幕墙的防雷装置务必与主体结构的防雷装置可靠连接。
检查隐蔽工程验收记录。
9、各类变形缝、墙角的连接节点应符合设计要求与技术标准的规定。
观察与检查隐蔽工程验收记录。
10、金属幕墙的板缝注胶应饱满、密实、连续、均匀、无气泡,宽度与厚度应符合设计要求与技术标准的规定。
观察与尺量检查;检查施工记录。
11、金属幕墙应无渗漏。
在易渗漏部位进行淋水检查。
石材幕墙工程检验批质量验收记录表说明主控项目1、石材幕墙工程所用资料的种类、规格、功用和等级,应契合设计要求及国度现行产品规范和工程技术规范的规则。
石材的弯曲强度度不应小于8.0MPa;吸水率应小于0.8%。
石材幕墙的铝合金挂件厚度不应小于4.0mm。
不诱钢挂件厚度不应小于3.0mm。
观察和尺量反省;反省产品合格证书、功用检测报告、资料进场验收记载和复验报告。
2、石材幕墙的外型、立面分格、颜色、光泽、花纹和图案应契合设计要求。
观察反省。
3、石材孔、槽的数量、深度、位置、尺寸应契合设计要求。
反省进场验收记载或施工记载。
4、石材幕墙主体结构上的预埋件和后置埋件的位置、数量及后置埋件的拉拔力必需契合设计要求。
反省拉拔力检测报告和隐蔽工程验收记载。
5、石材幕墙的金属框架立柱与主体结构预埋件的衔接、立柱与横粱的衔接、衔接件与金属框架的衔接、衔接件与石材面板的衔接必需契合设计要求,装置必需结实。
手扳反省;反省隐蔽工程验收记载。
6、金属框架和衔接件的防腐处置应契合设计要求。
检验方法:反省隐蔽工程验收记载。
7、石材幕墙的防雷装置必需与主体结构防雷装置牢靠衔接。
观察和反省隐蔽工程验收记载和施工记载。
8、石材幕墙的防火、保温、防潮资料的设置应契合设计要求,填充应密实、平均、厚度分歧。
反省隐蔽工程验收记载。
9、各种结构变形缝、墙角的衔接节点应契合设计要求和技术规范的规则。
反省隐蔽工程验收记载和施工记载。
10、石材外表和板缝的处置应契合设计要求。
观察反省。
11、石材幕墙的板缝注胶应丰满、密实、延续、平均、无气泡,板缝宽度和厚度应契合设计要求和技术规范的规则。
观察和尺量反省;反省施工记载。
12、石材幕墙应无渗漏。
在易渗漏部位停止淋水反省。
石材幕墙工程查验批质量查收记录表(n )一般项目
MQ-027.2 单位(子单位)工程名称
分部(子分部)工程名称查收部位施工单位项目经理分包单位分包项目经理施工履行标准名称及编号
施工质量查收规范的规定1表面质量
2压条
3细部质量
4密封胶缝
5滴水线
6石材表面质量
幕墙高度<30m
幕墙 30m <幕墙高度< 60m
高度 60m <幕墙高度< 90m 般项
安幕墙高度>90m
目
幕墙水平度
装
允幕墙表面平坦度
7 许板材立面垂直度
偏
板材上沿水平度
差
相邻板材角错位
( mm
阳角方正
接缝直线度
接缝高低差接缝宽度施工单位检查评定记录第
9
4
1
4
条
第
9
.
4
.
1
5
条
第
9.4.16 条第9417 条第9.4.18 条第
监理(建设)单位查收记录
9.4.19 条
10
15
20
25
3
光 2 麻 4
3
2
1
光 2 麻 4
光 3 麻 4
光1麻-
光1麻2
专业工长(施工员)施工班组长
施工单位检查评定结果
项目专业质量检查员:年月日
监理(建设)单位查收结论
专业监理工程师:
(建设单位项目专业技术负责人):年月日。
日期:2014年4月9日
金属与石材幕墙安装质量记录表
单位工程名称:
周浦镇41号地块(暂名)一期工程(一区)
部位:
6#东立面1-3层石材幕墙工程负责人:
甄伍豪
填表人:
陈荣平
金属与石材幕墙安装质量记录表
单位工程名称:周浦镇41号地块(暂名)一期工程(一区)部位:6#西立面1-3层石材幕墙
工程负责人:甄伍豪填表人:陈荣平日期:2014年4月14日
日期:2014年4月27日
部位:
6#南立面1-3层石材幕墙金属与石材幕墙安装质量记录表
单位工程名称:
周浦镇41号地块(暂名)一期工程(一区)
幕墙B-15
工程负责人:
甄伍豪
填表人:
陈荣平
日期:2014年4月29日
6#北立面1-3层石材幕墙金属与石材幕墙安装质量记录表
单位工程名称:
周浦镇41号地块(暂名)一期工程(一区)
部位:
填表人:
陈荣平
工程负责人:
甄伍豪。