小型燃气锅炉价格
- 格式:doc
- 大小:156.00 KB
- 文档页数:2
真空热水锅炉主要用于供暖、洗浴、生活用水方面,广泛使用在宾馆、洗浴中心、小区住宅、大棚温室等单位中。
可放置楼顶、地下室。
燃气真空热水锅炉容量在0.35MW-4.2MW,价格在几万到几十万之间,不同功率的锅炉价格不同,其次还有辅机设备价格的差异,详细的价格可以咨询专业的锅炉厂家。
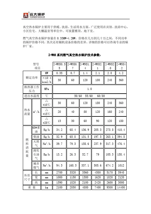
Z-WNS系列燃气真空热水锅炉技术参数:
真空热水锅炉原理:
真空热水锅炉是利用水在低压下低温沸腾产生蒸汽,通过汽水凝结换热方式将热量输出的原理工作的,机组内部是密闭的真空腔,燃烧使热媒水在真空腔中沸腾汽化产生负压水蒸汽,蒸汽在换热器管外凝结,将管内冷水加热升温并通至用户,水蒸汽凝结后形成水滴流回热媒水重新被加热汽化,完成整个循环。
Z-WNS系列燃气真空锅炉产品特点:
1、负压运行,并设有多重保护功能,安全可靠,永不爆炸;
2、采用SU304不锈钢管热交换器,传热效率高,散热损失小,排烟温度低;
3、配置多路换热器,可同时实现多路供热;
4、外观精巧,安装方便,维保方便,无需监检。
ZWNS系列燃气真空热水锅炉案例现场:
北京小学3台2.8MW燃气真空热水锅炉。
随着科技水平的发展,燃气锅炉生产厂家也是多种多样,且不同的生产厂家具有不同的生产技术、不同的材质,所以锅炉价格参差不齐。
而运行费用,无论是燃气锅炉运行费用的计算,还是燃煤锅炉、生物质锅炉等运行成本计算,都是以燃料费用的计算为主,因为锅炉燃料成本可以占到锅炉运行总费用的近90%,而其它的运行投入则为电费(锅炉燃烧机、水泵及照明的电耗量)、水费(锅炉的耗水量)、人工费用(人员工资)、锅炉的维修保养费用等。
所以不同型号的锅炉,所需燃料不同,运行费用也会不同。
如天然气型燃气锅炉,按蒸汽锅炉每天需要蒸汽量,热水锅炉按天运行时间,以上都折合成满负荷运行时间,与单位吨位锅炉耗气量(每吨锅炉每小时按70立方算)及天然气单价即可计算出大致运行费用。
以1吨燃气蒸汽锅炉为例:1、其额定蒸发量为1吨/每小时,消耗天然气燃料为70立方,天然气价格按照3.5元/立方计算(各地价格会有略微差别),那么燃气成本为:70*3.5=245元;2、烧气锅炉正常使用过程中,用电功率是满负荷功率的0.65倍,那么锅炉的用电功率为(1.5kw+2.2kw+2kw)*0.65=3.7kw ,若电费是1元/度,那么锅炉每小时电费是3.7kw*1=3.7元;3、1吨燃气蒸汽锅炉一个小时能使1吨的水变成1吨的蒸汽,中间由于排污和软化水处理等原因,正常使用过程中出1吨蒸汽需要1.1吨的水,水按照3元/吨计算,那么燃气锅炉每小时用水费用是:1.1*3=3.3元;4、由于燃气锅炉为自动化非常高的锅炉,不需要多人轮流操作,一名司炉工即可,若按照每月2000元的工资来计算,一天工作8小时,锅炉人工成本是每小时2000/30/8=8.3元;5、由于燃气锅炉的故障率较低,相应地,维护成本也低,所以如果是一台1吨的燃气蒸汽锅炉,一年2000的维护成本费用就可以了。
按照一年365天,一天8小时,锅炉每小时的维护成本是2000/365/8=0.68元;依照以上计算,可以总计1吨天然气锅炉每小时的运行费用是245+3.7+3.3+8.3+0.68==252.6元。
燃煤锅炉和燃气锅炉运行费用比较
基础数据:
煤炭的热值(原煤):5000kcal/kg,天然气热值为:9500kcal/kg;
一般小型煤炭新锅炉(75吨以下)热效率在70%-80%,因此煤炭蒸汽锅炉(新)热效率为70%,运行时间较长后锅炉热效率将降低,则取煤炭锅炉(旧)热效率取值为60%;
天然气锅炉热效率一般可以达到90%以上,取热效率为95%;
锅炉运行时间按照每天10小时,全年运行300天,年总运行时间为3000小时;
煤炭价格:1100元/吨,1.1元/kg
天然气价格:3.5元/Nm3
用电价格:1元/KW.h
各个型号燃煤和燃气锅炉的比较如下所示:
2t/h燃煤锅炉(旧)和2t/h燃气锅炉运行费用比较
4t/h燃煤锅炉(旧)和4t/h燃气锅炉运行费用比较。
4吨燃气锅炉特点、价格、运行费用燃料、介质等均是用来形容工业锅炉的,如4吨燃气锅炉,燃气是指锅炉的燃料是气,4吨燃气锅炉根据介质的不同可分为4吨燃气蒸汽锅炉,4吨燃气热水锅炉和4吨燃气导热油锅炉。
化工厂的燃气蒸汽锅炉我们简单介绍一下各炉型的特点一、卧式三回程燃气锅炉的特点1.外包装工业质感足采用304镜面不锈钢外包装,并以科技蓝锤纹漆涂装,外表美观大方,工业质感足,视觉效果好;2.保温效果好采用双重保温,二级防漏气设计,密封严实,避免漏气,热损小,气密性佳;3、受热面布置合理,热效率高锅炉的对流受热面和辐射受热面经过了严密的计算和设计,受热面布置合理,热效率高;4、低氮、超低氮技术设计,政策前瞻性佳环保政策愈发严格,低氮,超低氮要求在各地逐渐展开,我司生产的低氮锅炉可满足环保要求,高于环保要求,政策前瞻性好5、智能化设计,锅炉控制性能好采用PLC触摸屏控制,实时监测锅炉的水位,压力和温度,实现自动化控制;二、燃油气导热油锅炉的特点1、外形工业质感足外形采用304不锈钢包装,结构设计合理,美观,大方,工业质感足;1、大开门设计,方便检修维护2、三盘管,三回程,油包火结构通过三盘管,三回程设计,烟气和导热油进行了充分的接触换热,热利用率高,热损失小;3、独特尾部受热面设计实现锅炉转烟室湿被式结构存在,锅炉热损小,避免端部面板过烧导致的过热现象,热效率调高2-3%。
4、集成接线装置让线控连接更方便,检修更简单,安装后美观大方。
三、燃气冷凝锅炉的特点1、出力足、热负荷高采用了超5-10%的设计,配置合理,将锅炉的运行控制在最佳的运行负荷范围内,降低设备疲劳度,出力足,使用寿命长;2、强化水位保护功能除了正常的四个水位保护,增设了第五水位检测,当该检测执行时,锅炉将出现停机、报警等;3、双重的节能装置设计,热效率高;在普通燃气锅炉配置的一个节能装置基础上又增设了节能装置,双重节能装置,共同作用,实现锅炉的节能,省料的特点。
燃煤锅炉、燃气锅炉、燃油锅炉、电锅炉运行费用比较分析
锅炉的主要燃料有几大类,主要有燃煤、燃气、燃油、电热等锅炉,目前随着环保的要求越来越高,小型的燃煤锅炉由于具有较大的污染,已经越来越不能适应社会的发展,但燃气,燃油,电热锅炉等新型能源的锅炉,须用燃料费用较高的问题也不容忽视,如何选择一台既经济又实用又环保的锅炉,是摆在锅炉使用单位面前一个课题。
为此,以下就运行费用等技术经济指标作一比较分析,以供参考。
燃煤锅炉、燃气锅炉、燃油锅炉与电热锅炉比较:
计算公式:运行费用=【(锅炉燃料消耗量×燃料单价+锅炉电耗量×电单价+药品耗量×药品单价)×运行时间】×锅炉负荷率
结论,锅炉额定蒸发量相同的情况下,运行费用比较,燃气锅炉运行费用最低,电热锅炉运行费用最高。
注:以上计算仅供参考。
15吨燃气蒸汽锅炉一小时出15吨蒸汽,多用在大型企业生产中,例如:医药行业、食品行业、化工行业、造纸行业、建材行业、纺织行业等。
15吨燃气蒸汽锅炉价格是在百万以上,锅炉的吨位越大,价格越高,另外锅炉的压力、排放要求、辅机配置等都会影响锅炉的价格,我们会结合客户的需求和锅炉的配置标准,给您选择性价比最高的锅炉产品。
远大锅炉15吨燃气锅炉报价包括以下内容:
1、锅炉主机的技术要求和辅机的详细配置情况
2、合作协议包括哪些的服务项目,以及费用多少
3、安装以及运输等情况
4、售后服务情况说明
湖北管桩厂15吨燃气蒸汽锅炉
15吨燃气蒸汽锅炉技术参数:
锅炉型号:WNS15-1.25-Q
额定蒸发量:15t/h
额定工作压力:1.25Mpa(1.0-2.5Mpa)
额定蒸汽温度:194℃
给水温度:20℃
锅炉热效率:>95%
氮氧化物排放:<30mg
燃料:天然气、液化气、沼气、城市煤气等
燃料消耗量:1075m³/h
备注:锅炉设计不断创新中,详细的锅炉参数以图纸为主。
2台15吨燃气蒸汽锅炉运行现场
WNS型燃油燃气锅炉是我公司与德国技术合作开发的锅炉产品,该炉型所有产品均为整装出厂,确保锅炉能够在用户现场快速安装,除需供水、供气和电气连接附件外,不要其他任何建筑结构和特殊的安装工序,在锅炉出厂前都进行了一系列的检测和调试工作,保证了锅炉出厂质量。
远大锅炉研发团队不断探索与实践,将超低氮燃烧技术与WNS型锅炉制造技术相结合,在分级燃烧和FGR烟气再循环两大核心技术上实现关键性突破,从而研制出了经典的卧式内燃型低氮锅炉,NOX排放可达到26mg/m³,满足并高于国家环保要求。
12吨燃气锅炉(热水)价格和技术参数原文出自于豫鑫锅炉:12吨燃气锅炉(热水)部分技术参数如下:型号WNS8.4额定蒸发量MW8.4额定工作压力Mpa0.7、1.0、1.25等等额定进水温度℃70额定出口水温℃90、115、130传热面积M3306适用燃料轻油、重油、燃气、煤气等轻油耗量kg/h730重油耗量kg/h686天然气耗量Nm3/h784城市煤气Nm3/h1793天然气供气压力mbar150-300城市煤气供气压力mbar150-300燃重油总电功率三相电KW67.5燃轻油总电功率三相电KW45燃气总电功率三相电KW28锅炉最大运输重量T25.8锅炉满水容积M323.1燃气热水锅炉的选型原则:1.通常宜选用卧式燃气锅炉。
如果锅炉房面积有限,可选用立式锅炉。
立式锅炉热效率比卧式低。
2.根据生产工艺的需要,考虑管网和锅炉房内部阻力损失,需留有一定余量。
WNS8.4-1.25/130/70-YQ整体型号详解:WNS:燃烧方式室燃锅炉结构形式:卧式内燃8.4:额定功率8.4MW也就是12吨的燃气热水锅炉1.25:额定出水压力Mpa130:额定出水口温度70:额定进口水温度YQ:指燃料为油或气俩用12吨燃气热水锅炉价格:请向在线经理或电话联系说明您所需锅炉的部分参数,这样方便我们给您报出准确价格!另外,关于豫鑫锅炉的燃油气热水锅炉的详情介绍请点击:燃油气常压热水锅炉——CWNS系列:/article/1671.html关于12吨燃气锅炉(热水)外形接口尺寸:型号WNS8.4底架mm6400*2000最大外形尺寸(L*W*H)mm8970*3600*4500进水阀口径DN mm200出水阀口径DN mm200安全阀口径DN mm2*80和2*100排污阀口径DN mm2*50供油口进油 mm25供油口回油 mm25供气口DN mm根据供气压力而定烟囱口径Φ mm900更多豫鑫锅炉燃气锅炉现场图片:。
热水锅炉的大小一般使用MW表示,也就是锅炉额定功率,0.7MW=1吨,1.4MW
燃气热水锅炉,也就是我们平时说的2吨锅炉。
1.4MW燃气热水锅炉可以供暖15000平米左右,可以带120个淋浴头;这个数值是大概数据,在锅炉选型的时候,也要考虑建筑物的结构、高度、保温效果及地域的情况。
1.4mw燃气热水锅炉技术参数:
1.4MW燃气热水锅炉价格:
2吨燃气热水锅炉价格主要10-30万左右,价格浮动比较大,主要原因在于辅机配置的选择,热水锅炉系统复杂,涉及的辅机设备比较多,如补水泵,循环水泵,定压补水装置,换热机组,分水器,节能器,锅炉本体,燃烧器,控制系统等。
尤其是循环水泵,在系统中,需要多台循环水泵,带动不同的水系统的水循环。
除了这些大件的设备,还需要配置多种功能不同的阀门,如截止阀,止回阀,球阀等。
河北邯郸2台1.4MW燃气热水锅炉运行现场
远大锅炉,专业燃气热水锅炉生产厂家,64年只做锅炉,WNS系列燃气热水锅炉采用先进的大波纹炉胆、螺纹烟管、强化传热、按需供热等技术,锅炉热效率95%以上。
配置国际一线品牌燃烧机及阀组,自主研发高匹配度PLC控制系统,多重联锁保护功能,全方位保护设备运行安全可靠。
远大锅炉客户来访。
燃气真空热水锅炉是热水锅炉的一种,热水锅炉主要有两种用途:采暖和洗浴。
我们通常说的1吨真空锅炉,用功率表示为700KW=0.7MW,ZWNS系列燃气真空热水锅炉容量为0.35MW-7MW,锅炉价格在几万到几十万不等,主要区别在于锅炉的辅机配置,例如燃烧器的配置,普通排放和低氮排放的燃烧器价格相差很多。
1吨燃气真空热水锅炉技术参数
2吨燃气真空热水锅炉技术参数
3吨燃气真空热水锅炉技术参数
4吨燃气真空热水锅炉技术参数
远大锅炉,真空锅炉生产厂家,公司始创于1956年,60多年来技术沉淀,拥有A级锅炉、D级压力容器制造许可证以及二级锅炉安装、改造、维修资质。
产品远销海内外86个国家和地区,每个订单都有专人负责.。
燃气锅炉包括燃气蒸汽锅炉和燃气热水锅炉,因此很多客户在询燃气价格时,需要告知锅炉的用途及需求,详细的数据包括:锅炉供暖还是生产用、锅炉的容量大小、锅炉的压力及蒸汽温度等。
此外,燃气锅炉的辅机配置及安装运输情况也会影响的锅炉价格,结合以上各个需求,再做详细的报价。
燃气锅炉报价包括以下几个方面:1.锅炉主机的技术要求和辅机的详细配置情况2.合作协议包括哪些的服务项目,以及费用多少3.燃气锅炉的安装以及运输等情况4.售后服务情况说明在这里建议大家,在选购锅炉时,不要只看重锅炉的价格,一份价钱一分货,还是要从多方面来考量锅炉厂家:●锅炉品牌:一个锅炉品牌是靠口碑日积月累的,要选择一些有实力的品牌,可以实地考察一下。
●锅炉的质量:锅炉是一种压力设备,安全是首要保障的,其次是锅炉性能:排烟温度、热效率等。
●锅炉的辅机配置:锅炉是一整套设备,其辅机配置比较多,包括燃烧器、控制柜、水泵等,这些辅机配置也是要注意生产厂家。
●售后服务情况:相信很多客户都碰到过,售后找不到人的情况,所以,售后这方面还是要了解清楚的。
WNS系列燃气锅炉技术参数:容量:1-40t/h工作压力:0.7-2.5Mpa额定蒸汽温度:184-226℃给水温度:20/104℃氮氧化物排放:120/80/30mg适用燃料:天然气、液化气、焦炉煤气、沼气、甲醇应用行业:化工、食品、烟草、纺织、印染、饲料、医药、建材、酿酒、橡胶、医院等需要蒸汽的企业。
WNS系列燃气锅炉采用大炉膛波纹炉胆技术,增大辐射受热面,提高锅炉热效率。
应用“哈工大之光所”传热、阻流技术,采用高效传热螺纹烟管和优化烟速设计,使锅炉的出力于热效率不随运行时间延长而有所下降,从而实现了结构紧凑且具有10%超负荷能力。
远大锅炉,1956年建厂,60余年生产技工经验,WNS系列燃气锅炉结合低氮燃烧技术,在分级燃烧和FGR烟气再循环两大核心技术上实现关键性突破,从而研制出了经典的卧式内燃型低氮锅炉,NOX排放可达到26mg/m³。
由于西气东输,天然气作为一种清洁能源被广泛使用,天然气锅炉也是广受用户的青睐。
5吨天然气锅炉有蒸汽锅炉和热水锅炉,工业生产用蒸汽锅炉,供暖及生活用水用热水锅炉,两种锅炉的辅机配置不同,其通用的辅机设备有:锅炉本机、燃烧器、控制柜、水泵、水处理设备、烟囱烟道等。
5吨燃气锅炉的价格主要受辅机配置的影响,其次,锅炉的压力、蒸汽温度以及安装运输问题也对价格有一定的影响。
5吨燃气锅炉价格在几十万上下,详细的价格可以咨询专业的锅炉厂家。
北京2台燃气蒸汽锅炉运行现场5吨燃气蒸汽锅炉技术参数:锅炉型号:WNS5-1.25-Q(Y)锅炉形式:卧式额定蒸发量:5T/h额定工作压力:1.0、1.25、1.6Mpa额定蒸汽温度:184、194、204℃额定进水温度:20℃锅炉热效率:95%耗气量:375m³/h适用燃料:天然气、液化气、沼气、煤气等。
WNS系列燃气锅炉锅炉,采用大炉膛、波纹炉胆、强化换热三大技术,提高锅炉辐射受热面积,热效率高达96%!1.大炉膛设计技术:在原有的传统设计上增大炉膛的直径,增加炉膛的辐射换热面积,使锅炉的换热以辐射换热为主,既减少二、三回程的换热负担,同时让燃料得充分燃烧,减少有害气体的生成量2.波纹炉胆技术:既增加了炉胆整体的强度,又能自动补偿炉胆的热伸缩应力,避免了管板因热应力变化而引起焊缝开裂等缺陷。
因此,对不同燃料都有较强的适应性。
3.强化换热技术:应用“哈工大之光所”传热、阻流技术,采用高效传热螺纹烟管和优化烟速设计,使锅炉的出力于热效率不随运行时间延长而有所下降,从而实现了结构紧凑且具有10%超负荷能力河南远大锅炉有限公司,专业燃气锅炉制造企业,公司成立于1956年,60余年的技术沉淀,拥有成熟的生产技工团队,工艺熟练,质量稳定。
远大一直以技术创新、科技研发为基石,不断改进提高锅炉热效率和安全性,致力于为客户提供高效、节能、安全的锅炉产品。
15吨燃气锅炉价格受到多种因素的影响,考虑到辅机配置,锅炉型号等的不同,15吨燃气锅炉价格区间:80万-180万
该数据只是简单的介绍,如需详细了解,欢迎致电联系!
管桩厂15吨燃气蒸汽锅炉运行现场
远大制造
河南远大锅炉:专业生产工业燃气锅炉
精工、美观、工业质感足
15吨燃气锅炉根据配置、质量的不同,价格差别非常大,尤其是现在环保部门要求使用低氮锅炉,低氮燃气锅炉的价格与普通燃气锅炉的价格也有差别,一般要高于普通燃气锅炉。
以上只是15吨燃气锅炉的简单价格区间,如果需要详细了解锅炉价格,可致电我公司,远大锅炉与很多行业都有过合作,对各行业的生产工艺要求都比较熟悉,我们的销售经理也都非常专业,销售经理会根据您的具体要求和需要,为您定制燃气锅炉选型报价方案。
15吨燃气锅炉辅机设备:燃烧器,控制柜,水泵,水处理设备,节能器,烟囱冷凝器,炉水取样器,锅炉仪表阀门等。
建材厂15吨超低氮燃气蒸汽锅炉运行现场
化工厂两台15吨燃气锅炉发
选择了远大,就等于选择了放心和安心,河南远大锅炉欢迎您的莅临!。
燃煤锅炉与燃气锅炉费用比较
随着天然气普遍应用,及环镜保护要求逐渐加大,燃气锅炉将逐步成为燃煤锅炉的替代品。
目前,煤炭仍是比较廉价的能源,但在实际能源利用效率上,煤炭远没有天然气的利用率高,煤炭燃烧的产物是环境污染的最大源头,随着节能环保政策的实施,政府加大了环境保护的力度,燃煤锅炉是政府治理的首当其冲的项目,而燃气锅炉无论从热效率或环保方面,均能达到甚至超过国家的要求。
现简单的以6吨锅炉做比较,其费用明细如下:
一、DZL6-1.25-AII费用明细
二、WNS6-1.25-Q费用明细
虽然燃气锅炉的费用有点高,但在实际运行当中,费用会低一些。
比如一天只运行20个小时,另外4个小时内燃煤锅炉仍在消耗燃料,燃气锅炉则不同,直接切断气源,不耗燃料。
从而能节约不少费用。
城市供暖工程报价单热力站与供暖设备价格分析尊敬的客户,感谢您选择我们的城市供暖工程服务。
为了更好地为您提供参考和服务,我们编制了以下热力站与供暖设备的价格分析报价单。
请详细阅读,并知悉相关内容。
一、热力站报价1. 主机设备费用:- 热水锅炉:500,000元/台- 蒸汽锅炉:800,000元/台- 电锅炉:400,000元/台2. 辅助设备费用:- 热力泵:300,000元/台- 换热器:200,000元/台- 控制系统:100,000元/套3. 输配系统费用:- 管道(包括材料与施工):500元/m- 阀门与附件:100,000元/套- 调节阀:10,000元/台二、供暖设备报价1. 采暖锅炉费用:- 燃煤锅炉:200,000元/台- 燃气锅炉:300,000元/台- 生物质锅炉:400,000元/台2. 辅助设备费用:- 暖通设备(风机盘管、新风系统等):150,000元/套- 循环水泵:50,000元/台3. 供暖系统费用:- 管道(包括材料与施工):600元/m- 采暖片:300元/㎡- 阀门与附件:80,000元/套请注意,以上价格仅供参考,实际报价可能会根据具体项目的规模和要求而有所变动。
如需详细的报价信息和工程安排,请与我们的工作人员联系,我们将为您提供专业的咨询和服务。
另外,请您在选择供应商时,务必考虑到供暖设备的质量、性能和售后服务,并与供应商充分沟通,以确保项目的顺利进行和长期运行。
感谢您的关注和支持,我们期待能为您提供满意的城市供暖工程服务。
谢谢。
此为随机生成的文章,供参考使用。
锅炉房配套附属设备清单锅炉房配套附属设备清锅炉房配套附属设备清单WNS0.7MW-1.0MPa-95/70-YQ燃气热水锅炉技术参数表WNS10.5MW-1.0MPa-95/70-YQ燃气热水锅炉技术参数表WNS14MW-1.0MPa-95/70-YQ燃气热水锅炉技术参数表SZS系列燃油(气)承压热水锅炉1、产品概述:本公司生产的SZS系列燃油(气)锅炉为典型的“D”型布置双锅筒纵置式水管锅炉,按锅炉容量大小,有快装型和组装型二种,额定蒸发量20t/h以下为快装型,20t/h以上为组装型。
本系列锅炉由上、下锅筒、炉膛、水冷壁、对流管束及省煤器组成,燃烧机布置在前墙,燃烧后烟气经对流管束及省煤器排入烟囱。
本系列锅炉水冷壁采用秘排布置,烟气隔墙采用膜式壁及鳍片管布置,内护板采用全封闭焊接结构,锅炉设有防爆门及其它安全装置。
2、产品特点:●锅炉全水管结构,便于参数大型化,并满足过热蒸汽要求。
●本锅炉采用双锅筒“D”型布置,结构紧凑,占地面积小,火焰充满度好。
●炉膛采用下支承方式,能自由向上膨胀。
●炉膛水冷壁采用密排膜式壁结构,有效降低耐火砖使用及维修工作量。
●本锅炉采用气密性内护板,炉体密封性好,外层采用凹凸压制护板,外型美观,漂亮。
●本锅炉的对流管膜式壁墙上设有检查孔,为使用维修提供了极大方便。
●本锅炉采用组装和半组装结构,能有效缩短安装周期。
●锅炉采用高热阻材料作为绝热层,保温性能良好。
●采用翅片管钢管省煤器,有效控制排烟温度,锅炉热效率高。
●整台锅炉座在刚性很强的底座上,安装运输方便。
●锅炉具有富裕的受热面,及足够大的汽水空间保证锅炉参数稳定。
●锅炉选用进口燃烧机,燃烧效率高并具有点火程序控制及超压熄火保护功能。
●锅炉给水采用连续自动调节,并具有高低水位报警,保护连锁功能。
SZS21-1.0-115/70-YQ燃气热水锅炉技术参数表SZS25-1.0-130/70-YQ燃气热水锅炉技术参数表SZS29-1.25-130/70-YQ燃气热水锅炉技术参数表SZS35-1.25-130/70-YQ燃气热水锅炉技术参数表新疆天山股份有限公司煤改气锅炉采购投标报价书投标报价单位:衡阳云天锅炉有限公司地址:湖南衡阳西渡经济开发区电话: 6791999 传真:网址: 邮编:421216新疆销售售后服务单位:新疆伟成暖通锅炉设备有限公司地址:乌市解放北路339号南门酒花大厦2208室电话: 2315389 传真:联系人:张伟新疆大学煤改气锅炉采购2—8吨技术参数汇总表投标报价单位:衡阳云天锅炉有限公司地址:湖南衡阳西渡经济开发区电话: 6791999 传真:网址: 邮编:421216新疆销售售后服务单位:新疆伟成暖通锅炉设备有限公司地址:乌市解放北路339号南门酒花大厦2208室电话: 2315389 传真:联系人:王文忠目录8、报价清单 (1)9、授权委托书用户意见反馈.........................................2-310、营业执照复印件 (4)11、A级锅炉制造许可证复印件 (5)12、锅炉安装、维修、改造许可证复印件 (6)13、压力容器设计许可证复印件 (7)14、压力容器制造许可证复印件 (8)15、压力管道安装许可证复印件 (9)16、组织机构代码证复印件 (10)17、国、地税证复印件.............................................11-1218、AAA级企业等级证书复印件 (13)19、湖南省省级重合同守信用单位证书复印件 (14)20、AAA级银行资信证明书复印件 (15)21、省级先进企业证书复印件 (16)22、科技先导性企业证书复印件 (17)23、新型专利证书复印件..........................................18-1924、技术创新基金立项证书 (20)25、对外贸易经营证书 (21)26、自治区环保产业协会会员证书 (22)27、自治区环保产品登记证书 (23)28、环境管理体系认证证书........................................24-2529、质量认证证书 (26)30、售后服务授权委托书用户意见反馈 (27)31、乌市服务机构营业执照复印件 (28)32、乌市服务机构组织机构代码证复印件 (29)33、乌市服务机构开户许可证复印件 (30)34、乌市服务机构国、地税复印件...................................31-3235、燃气热水锅炉技术参数表…………………………………………………33-3436、投资人基本情况 (35)37、投入的主要机械设备表........................................36-3827、供货计划安排实施说明 (39)28、售后服务人员配置表 (40)29、售后服务承诺.................................................41-4228、国内业绩表(2009-2011年)....................................43-4729、用户意见反馈................................... .............48-50。
4吨、6吨、8吨、10吨燃气锅炉参数和价格随着近年来科技的发展和国家环保政策越来越严格,4吨、6吨、8吨、10吨燃气锅炉进入了人们的视线中,逐渐走进了各行业的生产车间。
社会的发展带来的不仅是科技的进步,更是人们需求的提升。
在以前,一台燃煤锅炉就可以满足人们对工业锅炉的需求;而现在,燃煤锅炉远远不够,人们对智能化设备的需求,对高科技的需要使得燃气锅炉的地位在用户的心目中日益日升。
与传统的燃煤锅炉,燃气锅炉的优势非常明显,具体介绍如下:1、智能化控制可通过控制系统对锅炉的各辅机设备一键控制,同时实现了温度,压力,水位,运行负荷等控制的自动化;2、劳动强度小燃煤锅炉运行时,需要人工处理燃料以及灰渣事宜,燃气锅炉则相对简单,只需要控制燃烧器即可实现对燃料的控制,无需过多投入人力;3、保温效果好,热效率高锅炉的受热面布置合理,辐射受热面积和对流受热面积的处理与分配非常到位,减少了热损失,提高了热利用率,从而提高了锅炉的热效率4、锅炉房干净整洁锅炉房内无需堆积燃料以及灰渣等,各设备摆放合理,锅炉房内干净整洁5、燃烧效率高,热损小锅炉采用先进的燃烧技术,燃料燃烧充分彻底,减少了因燃料燃烧不充分造成的热量损失说了这么多,下面小编简答介绍一下4吨、6吨、8吨、10吨燃气锅炉的参数序号名称单位数值备注1额定蒸发量t/h42额定蒸汽压力Mpa 1.253额定蒸汽温度℃1944给水温度℃205水压试验压力Mpa 1.66锅炉水容积(水压试验)m39.77锅炉水容积(运行)m38.58辐射受热面积㎡13.39对流受热面积㎡82.310冷凝器受热面积㎡53.6811排烟温度℃70天燃气12燃料消耗量Nm3/h320天燃气13锅炉最大运输重量t9.714锅炉最大运输尺寸mm5050×2260×2600根据辅机配置以及服务情况不同,4吨燃气锅炉的采购价格区间:16-30万;6吨燃气锅炉的型号WNS6-1.25-Q,其参数介绍如下序号名称单位数值备注1额定蒸发量t/h62额定蒸汽压力Mpa 1.253额定蒸汽温度℃1944给水温度℃205水压试验压力Mpa 1.656锅炉水容积(水压试验)m3137锅炉水容积(运行)m311.18辐射受热面积㎡21.019对流受热面积㎡135.910冷凝器受热面积㎡65.311排烟温度℃70天燃气12燃料消耗量Nm3/h420天燃气13锅炉最大运输重量t16.214锅炉最大运输尺寸mm6550×2500×25208吨燃气锅炉型号WNS8-1.25-Q,其参数介绍如下10吨燃气锅炉型号WNS10-1.25-Q,其参数介绍如下10吨燃气锅炉的采购价格区间:40-60万;8 排烟温度(气) ℃ 70 9 锅炉设计效率(气) % 93.2 10 理论耗气量 N m 3 /h700 11 炉膛辐射受热面积 ㎡ 30.2 12 对流管束受热面积 ㎡187.4 13 冷凝器受热面积 ㎡126.86 14 满负荷烟尘初始排放浓度 mg/m 3(标态) <200 15 烟气黑度 林格曼黑度<116 设计燃料天然气(油)17 锅炉最大件运输尺寸 mm 7100×2800×317018 锅炉最大件运输重量T 22.5。
2.8MW燃气真空热水锅炉,也是我们平时说的4吨锅炉,主要用住宅小区、办公楼、商业场所、酒店宾馆、工厂等供暖及生活用水。
4吨燃气真空热水锅炉价格几十万不等,价格主要区别在辅机配置及安装运输方面。
燃气真空热水锅炉全套设备包括:锅炉本体、燃烧器、控制柜、水泵、水处理设备、阀门仪表等,不同的锅炉需求,锅炉价格不同。
在采购锅炉时,除了锅炉的价格,还要考虑锅炉的质量、热效率、厂家的资质、规模、售后服务等方面。
多方面考量,以免后期问题多多,费时费力。
Z-WNS系列燃气真空热水锅炉产品优势:
1、安全可靠,永不爆炸
负压运行不存在膨胀,爆炸,破裂危险;
2、使用寿命长
采用热媒水换热系统,不存在结垢和腐蚀现象,大大增加锅炉的使用寿命;
3、免检产品
负压运行产品,国家相关部门免检监;
4、体积小,安装方便
可放地下室及楼顶,更有利于锅炉房配置,可实现模块化并联,按需供热;
5、环保
实测NOX最低排放量为20mg/m³,符合国家最严环保标准。
北京学校采暖用3台燃气真空热水锅炉
远大锅炉,1956年建厂,60多年生产经验,拥有A级锅炉、D级压力容器制造许可证以及二级锅炉安装、改造、维修资质。
Z-WNS系列燃气真空热水锅炉,采用SU304不锈钢管热交换器,传热效率高,可同时实现多路供热;外观精巧,安装方便,维保方便,无需监检。
小型燃气锅炉价格
小型燃气锅炉价格多指蒸发量在1吨以下的燃气锅炉。
我公司生产的小型燃气锅炉包括0.5吨燃气蒸汽锅炉、1吨燃气蒸汽锅炉,0.35mw热水锅炉,及0.7mw 热水锅炉等。
随着我国经济的发展,人们生活水平的提高,小型燃气锅炉被广泛应用到工业生产和生活的各个领域,推动工业生产的发展,改善生活品质。
应用领域
小型蒸汽锅炉主要用于酒店、宾馆、饭店、学校、医院、机关单位、科研院所、中小企业的生产用气、洗衣房用气、消毒用气、供热、供暖、洗浴使用等。
小型燃气锅炉体积小,无污染、噪音低,可以在城市狭小的空间内、楼顶等使用。
小型燃气锅炉是能够进入城市中心的唯一压力容器特种设备。
性能特点
1、体积小、占地面积小。
小型燃气锅炉体积紧凑、结构轻巧,能够在空间狭小的地下室、楼顶等使用,安装、维修方便简单,较小的占地面积,良好的适应性,决定了其能够适应城市内部空间的发展。
2、噪音小。
小型燃气锅炉几乎没有噪音,这个优势在于城市中心人口拥挤,建筑间距小,无噪音运行,有效防止扰民情况发生,给使用者减少了不必要的麻烦。
3、排放产物是水和二氧化碳,无粉尘污染。
小型燃气锅炉排放产物没有任何异味、没有颜色、没有粉尘,不会对大气造成污染,更不会对周边环境造成短期或
长期污染,不至于招来纵生非议。
4、一次安装完毕,自动化运行。
小型燃气锅炉自动化控制运行,无需人为值守,操作人员只需在运行期间定期排污、冲洗水位计即可,省时、省力。
如此,企业或单位不必配备专职操作人员,只需人兼职即可。
小型燃气锅炉分类
一、小型燃气热水锅炉
0.5吨燃气热水锅炉型号参数
型号:Wns0.35-95/70-q
功率:0.35MW
出水温度:95度
回水温度:70度
热效率:93%
耗气量:35m³³
李经理咨询热线:151
1吨燃气热水锅炉型号参数
型号:wns0.7-95/70-q
功率:0.7MW
出水温度:95度
回水温度:70度
热效率:93%
耗气量:70立方
二、小型燃气蒸汽锅炉型号参数
0.5吨燃气蒸汽锅炉型号参数
型号:wns0.5-0.7-q
蒸发量:0.5吨
蒸汽压力:0.7
蒸汽温度:170度
热效率:94%
耗气量:35立方
1吨燃气蒸汽锅炉型号参数
型号:wns1-1.0-q
蒸发量:1吨
蒸汽压力:1.0
蒸汽温度:184度
热效率:94%
耗气量:70立方
小型燃气锅炉选型
小型燃气锅炉体积小,结构紧凑、重量轻,占地面积小,安装方便快捷,维护、挪动方便,耗气量低,属于节能环保型锅炉。
如果单纯用于洗浴、供暖、供热,建议使用热水锅炉,安装方便、不需办理锅炉使用相关手续,省去每年定期检验的费用。
如果需要蒸汽,只能选择蒸汽锅炉。
蒸汽锅炉的优势在于能够生产、供暖、供热、洗浴同时进行。