《行车设备施工登记簿》填记要求、填记格式附件15
- 格式:doc
- 大小:133.50 KB
- 文档页数:16
包神铁路公司《行车设备检查(施工)登记簿》登销记管理包神铁路公司行车设备检查(施工)登记簿登销记治理方法第一章总则第一条为规范行车设备检查登记簿及行车设备施工登记簿(以下简称“运统-46”)的使用和治理,按照《技规》《行规》《铁路营业线施工及安全治理方法》(铁运〔2012〕280号)和《包神铁路公司营业线施工安全治理方法》(神华包神运〔2012〕76号)的有关规定,制定本方法。
第二条“运统-46”是行车设备施工、修理、检查、处理故障和复原时办理有关登、销记的原始记录,是确认行车设备使用条件的重要依据,同时也是加大行车设备养护,提升设备质量,明确责任划分,确保行车安全的一项重要内容。
第三条本方法适用于包神铁路管内各站、段、调度指挥中心、物业治理公司。
各单位在组织有关行车设备的施工、修理、检查、处理故障时,应严格按本方法规定,正确填记“运统-46”。
第四条“运统—46”的登记、签认、销记时刻,以行车室(调度指挥中心)时钟时刻为准(设有TDCS、CTC设备的车站以运算机系统时刻为准)。
第五条“运统—46”的登记、销记要严肃认真,做到内容准确,用语规范,字迹工整清晰。
填记时不得使用红色笔墨,书写字迹不得越格。
登记的作业所需时刻、作业地点、作业项目、封锁线路名称及区间别(双线区间的上、下行别)、停用设备名称及阻碍范畴等内容要准确、完整,不得涂改、撕页、刮贴。
书写过程中显现错误时,对错误的内容(字迹)画直线抹消后,重新填写。
第六条施工、修理单位施工完成在“运统—46”办理销记手续前,必须确认防护信号、接触网接地线已撤除,作业车辆返回站内、工具摆放、路料堆码不侵入机车车辆限界,作业人员撤至安全地点,确认已具备开通条件后,方可登记。
车站值班员再次确认施工、修理单位登记的销记内容正确,确认区间闲暇后,方可向列车调度员报请开通。
第七条车站值班员与施工单位、设备治理单位交接调度命令时,接收命令人员须在车站留存的调度命令的空白处签名。
{设备管理}上铁运〔某某某〕号行车设备检查施工登记簿使用管理上铁运〔2015〕263号上海铁路局关于重新公布《行车设备检查(施工)登记簿使用管理办法》的通知各运输站段,各房产建筑段,各直属非运输企业,各建筑、给水公司,各工程指挥部,电化局上海维管处,电化局京沪高铁蚌埠、苏州维管段:为规范《行车设备检查登记簿》及《行车设备施工登记簿》的使用和管理,根据《铁路技术管理规程》、《铁路营业线施工安全管理办法》、《行车组织规则》、《高速铁路行车组织细则》等有关规定,结合路局管内实际,现将《行车设备检查(施工)登记簿使用管理办法》(技术规章编号:SHG/YS127-2015)重新公布如下,请认真组织学习,遵照执行。
上海铁路局2015年5月18日SHG/YS127-2015行车设备检查(施工)登记簿使用管理办法第一章总则第1条为规范《行车设备检查登记簿》及《行车设备施工登记簿》(以下简称“登记簿”)的使用和管理,根据《铁路技术管理规程》、《铁路营业线施工安全管理办法》、《行车组织规则》、《高速铁路行车组织细则》等有关规定,特制定本办法。
第2条本办法适用于路局管辖各区段。
下列区段及范围在路局调度所调度台(以下简称调度台)办理登销记,其他区段在车站、线路所、动车运用所等处所办理登销记。
1.高速铁路行车组织细则规定在调度台办理登销记的区段(以下简称驻所登销记区段)。
2.调度台行车设备施工、维修、检查、故障处理时应在调度台办理登销记。
第3条“登记簿”是行车设备施工、维修、检查、故障处理办理有关登销记的原始记录,是确认行车设备使用条件的重要依据,同时也是加强行车设备养护,提高设备质量,明确责任划分,确保行车安全的一项重要内容。
第4条各单位在组织有关行车设备的施工、维修、检查、故障处理时,应严格按本办法规定,正确使用“登记簿”。
有关人员在“登记簿”办理登销记时,均以北京时间为准。
第二章设置与保管第5条车站(含线路所、动车运用所,下同)行车室应设置《行车设备施工登记簿》、《行车设备检查登记簿》(分检修及故障处理、轨道电路分路不良两种);路局调度所行车调度台以及相关的专业调度台应设置《行车设备施工登记簿》、《行车设备检查登记簿》;《行车设备检查登记簿》封面上应注明使用用途。
附件1:《行车设备施工登记簿》填记样(斜体为车站值班员填写) 1.《行车设备施工登记簿》施工作业样(含配合、停电、封锁、盯岗)(房建)2.《行车设备施工登记簿》开行轨道车样(供电开行轨道车)3. 《行车设备施工登记簿》申请施工作业延点填记样4.《行车设备施工登记簿》维修作业样(电务、需要操动道岔试验)5.《行车设备施工登记簿》维修作业样(工务)(含停电单元)6.《行车设备施工登记簿》(作业容打印粘贴样)(通信)7. 《行车设备施工登记簿》(容修改样)(通信)8. 《行车设备施工登记簿》登记后取消样(通信)附件2:《行车设备检查登记簿》填记样(斜体为车站值班员填写)1.《行车设备检查登记簿》填记样2.附件1-1-1:车站启封填记样(不需要调度命令)3.车站启封填记样(需调度命令)4.车站启封填记样(轨道电路不能正常解锁)5.电务启封填记样6.电务使用手摇把填记样7.道岔无表示故障——定位和反位无表示(电务原因造成时,不需上道作业)成,原因待查”)及设备恢复正常、交付使用后,列车调度员(车站值班员)根据电务登记通知工务不再进行检查处理,可恢复正常行车。
(行细第59条)。
8.道岔无表示故障——定位和反位无表示(不能立即恢复,需上道处理)9.道岔无表示故障——定位或反位无表示(电务原因造成时,不需上道作业)10.道岔无表示故障——定位或反位无表示(不能立即恢复,需上道处理)11.红光带故障——站红光带(电务原因造成时,电务不需上道,工务需上道作业)12.红光带故障——站红光带(不能立即恢复,需上道处理)13.红光带故障——区间红光带(电务原因造成时,电务不需上道,工务需上道作业)14.红光带故障——区间红光带(不能立即恢复,需上道处理)15.红光带故障——全站(场)红光带时,工务可不上线检查,按电务销记的原因销记。
(行细第六十一条)16.红光带故障——站三个及以上轨道电路及自动闭塞区间三个及以上闭塞分区同时闪现红光带登记单位(部门):××站 2016年12月1日8时30分运统-46时,工务可不上线检查,按电务销记的原因销记。
目录一、站长室主要台帐簿册设置保管及填写式样 (1)(一)会议记录簿设置要求: (1)(二)会议记录簿填写式样: (1)⑴站务会 (1)⑵职工大会 (2)⑶安全分析例会 (2)⑷安全专题会 (3)⑹专(特)运小组会 (5)⑺施工协调会 (5)⑻施工准备会 (6)⑼施工总结会 (7)⑽综合维修作业周协调会 (7)⑾综合维修作业前准备会 (8)(三)事故苗子及违章违纪登记簿(可微机管理) (9)(四)车站统计台帐(可微机管理) (9)(五)班组综合管理台帐,不得使用微机填记。
(9)(六)行车设备检查登记簿: (12)(七)行车技术设备台帐 (13)(八)铁路交通事故登记簿 (15)(九)安全生产问题库(安全风险点数据库) (17)二、运转室(信号楼)主要台帐簿册 (18)1.行车设备检查登记簿 (18)2.车站值班员交接班簿 (22)3.调度命令登记簿 (24)4.车站值班员记事簿 (24)5.车机联控输出信息登记簿: (25)6.行车设备施工登记簿 (26)7.综合维修登记簿登销记及综合维修作业联系记录格式: (44)8.点外作业、监管施工相关台账填写要求 (45)9.干部巡视检查登记簿: (46)10.道岔清扫登记簿: (47)11.隔离开关操作登记簿: (48)12.手推调车登记簿: (48)13.脱轨器使用登记簿(运转用) (48)14.非正常情况下接发列车程序卡: (49)15.CTC控制模式转化登记簿: (50)16.列尾设备回送单 (51)三、调车台帐簿册 (54)⒈车辆防溜巡视检查登记簿 (54)⒉调车组交接班簿 (55)附件2:行车主要台帐簿册设置及填写式样一、站长室主要台帐簿册设置保管及填写式样(一)会议记录簿设置要求:二、三等车站:站务会及职工大会共用一本;安全分析例会、安全专题会共用一本;专(特)运一本;防洪工作会议记录在《防洪工作记录簿》内。
以上簿册由站长填记、保管。
四、五等车站:专(特)运一本;防洪工作会议记录在《防洪工作记录簿》内。
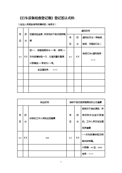
《行车设备检查登记簿》登记签认式样: 1.车站人员破封使用故障按钮(电务本)2.车站人员破封使用总人工解锁及区段人工解锁、引导、引导总锁闭等按钮(电务本)注:按钮未设计数器时,不填记计数器变更情况。
注:按钮未设计数器时,不填记计数器变更情况。
3.车站人员破封使用总人工解锁按钮解锁进路(电务本)注:按钮未设计数器时,不填记计数器变更情况。
注:按钮未设计数器时,不填记计数器变更情况。
4.车站人员破封使用手摇把(电务本)注:车站设有信号工区时,电务人员签认;未设信号工区时,站长(副站长)签认。
5.电务人员破封使用手摇把(速动扳手)(电务本)6.铅封、计数器检查(电务本)注:按钮名称可使用控制台盘面设定的代码名称,按钮计数器号码按相邻车站名区分并分上下行。
7.电务人员在施工(维修)期间,破封使用故障、总人工解锁、引导、引导总锁闭等按钮,施工(维修)完毕(电务本)注:按钮名称可使用控制台盘面设定的代码名称,按钮计数器号码按相邻车站名区分并分上下行。
8.天窗点外上线维修作业(设备所属单位本)注:(单位)指工务、电务、供电等设备单位,以下式样同。
9.I、II路电源转换、灯丝、熔丝报警处理、TDCS(CTC)系统其中一套故障切换、碾压、施工换轨(道岔)后及发现轨面生锈需要临时轨道电路感度试验在纳入天窗作业时间来不及时,以及电务人员道岔转换试验、滑床板异物清理及注油(电务本)10.设备故障不能判明设备管理单位(电务本)注:此项根据设备单位的检查情况,分部门单独销记。
11.设备故障能判明设备管理单位(电务本或设备所属单位本)注:需停用信号设备比照式样10登记。
12.设备管理部门发现行车设备发生故障(电务本或设备所属单位本)13.处理设备故障(工务本或设备所属单位本)(1)需临时封锁(停用)要点:(2)需立即抢修:注:设备单位登记要点时,应包含其它单位的配合时间及影响范围。
无需申请调度命令的,调度命令一项不填。
无配合单位时,配合单位不填。
铁路行车设备检查(施工)登记簿使用管理办法第一章总则第一条为规范《行车设备检查登记簿》及《行车设备施工登记簿》(以下简称“登记簿”)的使用和管理,根据《铁路技术管理规程》、《铁路营业线施工安全管理办法》等有关规定,特制定本办法。
第二条除调度所调度台(以下简称“调度台”)行车设备施工、维修、检查、故障处理以及RBC、CTC/TDCS调度中心、GSM-R 核心网、数调主系统、临时限速服务器等中心设备施工(维修)、同时影响两站以上的通信施工时在调度台办理登销记外,其他情况均应在车站、线路所、动车运用所等处所办理登销记。
第三条开通启用施工维修登销记信息系统(以下简称“系统”)的车站,应使用该系统进行施工(维修)登销记,遇系统故障时,应使用纸质《行车设备施工登记簿》办理登销记;使用纸质《行车设备施工登记簿》办理登销记时,施工作业可采用粘贴登销记。
使用系统登销记时,车站值班员、车务应急值守人员、车站规定人员(以下简称“车站行车人员”)、列车调度员(车站调度员或规定的人员)、登销记人员应登陆系统,并按照操作说明书规1定的方法和作业流程使用。
第四条“登记簿”是行车设备施工、维修、检查、故障处理办理有关登销记的原始记录,是确认行车设备使用条件的重要依据,同时也是加强行车设备养护,提高设备质量,明确责任划分,确保行车安全的一项重要内容。
第五条各单位在组织有关行车设备的施工、维修、检查、故障处理时,应严格按本办法规定,正确使用“登记簿”。
有关人员在“登记簿”办理登销记时,均以北京时间为准。
第二章设置与保管第六条车站(含线路所、动车运用所,下同)行车室应设置《行车设备施工登记簿》、《行车设备检查登记簿》(分检修及故障处理、轨道电路分路不良两种);路局调度所行车调度台以及相关的专业调度台应设置《行车设备施工登记簿》、《行车设备检查登记簿》;《行车设备检查登记簿》封面上应注明使用用途。
驼峰、编尾、货场作业区、机务(折返)段等其它处所需设置时,由运输站段规定。
高速铁路行车设备施工登记簿样式运统-46行车设备施工登记簿自 200 起(年月日)至 20 止站《行车设备施工登记簿》(运统-46施工)填记要求各部门登记时要统一使用蓝油笔,一行不足的可接续在下格内填写,每项施工登记间隔一行,字迹要工整、清楚。
施工部门人员填记此簿时,车站值班员要进行监督并指导,书写错误需修改时须由修改人在修改处划单实线,并加盖个人名章。
填写要求如下:1.该簿是行车设备施工作业的原始记录。
凡月度施工计划、施工电报、施工(维修)计划调度命令确定的施工和维修作业计划,以及车务段管理的施工和维修作业,均在车站《行车设备施工登记簿》内执行左登右销及双方签字的登、销记制度。
施工单位负责人不能亲自到车站办理登销记时,按《技规》第314条规定,由驻站联络员代其办理。
2.“请求施工(慢行及封锁)登记”栏:⑴“本月施工编号”:由施工单位负责人填写当月施工计划类别和序号、施工电报号、维修计划调度命令,如“线桥15号”、“运技电?2021?136号”、“维修调度命令94608号”等。
⑵“施工项目”:由施工单位负责人按月度施工计划、施工电报或维修计划调度命令限定的项目填写,如“更换直、曲尖轨、道岔整修”、“工务维修”等。
⑶“月日时分”:由施工单位负责人按实际填记的日期和时分填写。
⑷“影响使用范围(需要的慢行或封锁条件)”、“施工负责人签名”、“设备单位检查人签名”、“车站值班员签名”:由施工单位负责人和施工配合单位负责人根据确定的施工(维修)作业计划内容,按“施工主体单位”、“施工配合单位”、“设备管理单位”的先后顺序将请求施工(维修)内容登记在一起;各单位负责人相互确认登记内容无误后,在内容的下方按登记的顺序依次签写本单位简称和本人姓名,“施工配合单位”、“设备管理单位”为同一单位时,按“设备管理单位”填写;车站值班员确认施工单位和配合施工单位登记内容无误,施工负责人、配合施工负责人及设备管理单位检查人签认后方可在其签名下方填写本人姓名。
《行车设备施工登记簿》填记要求、填记格式一、基本要求1.施工登记前,由施工单位指定的驻站联络员负责登销记时,应向车站值班员提交《施工登销记委托书》,综合维修、紧急修和故障修时无须提交。
持《施工登销记委托书》履行登销记职责的驻站联络员在《行车设备施工登记簿》“施工负责人”项目栏签认时,均填记“施工负责人”单位及姓名,并在“备注”栏内注明(一次)“驻站联络员”单位及姓名。
2.施工登记前,施工负责人(驻站联络员)应先预拟草稿,经车站值班员确认无误后,方可正式登记。
登销记过程中出现错误时,一律画圈以示抹消,重新填写,禁止随意涂改、撕页、粘贴。
3.综合型施工及综合维修中,涉及其他施工(维修)单位时,由施工(维修)主体单位负责统一登销记(根据现场临时请求且与施工不同步进行的配合项目由配合单位自行登销记)。
其他单位及设备管理单位负责人确认本单位登销记内容正确无误后,分别在《行车设备施工登记簿》上签认本单位及姓名。
4.车站必须认真审核《行车设备施工登记簿》上所有登销记内容,发现与施工计划不符、超出计划范围、施工配合单位签认不齐全时,不得办理登销记手续。
5.现场实际施工负责人与施工日计划公布的施工负责人不一致时,不准施工。
确需变更施工负责人时,施工单位必须在施工协调会或会前提出,按规定填写《施工负责人变更通知书》,报相关业务部门审核后,交调度所施工室备案,并提交登记站,调度所施工室审核后交相关台列车调度员。
列车调度员根据登记站的汇报及审核后的《施工负责人变更通知书》,发布相关调度命令。
6.《施工登销记委托书》和《施工负责人变更通知书》由登记站留存备查(格式附后)。
二、填记格式说明(一)请求施工(慢行及封锁)登记1.第1栏:“本月施工编号”应填记“施工日计划号或综合维修计划号”。
2.第2栏:“施工项目”,按施工日计划中的“施工项目”内容填写;综合维修时,按主体维修单位专业填写,例如:“供电综合维修”、“电务综合维修”、“工务综合维修”。
《行车设备检查登记簿》填记样式一、设备联合检查(季度、节日)(2)设备联合检查(专运)(3)专用线联合检查1、由站长(值班干部)负责填写,按《技规》第19条对车站(包括担当取送车任务的专用线)行车设备定期联合检查和重点运输、重要节日前,以及按上级要求对行车设备进行联合检查时,均须在该项内分开进行登、销记录。
定期进行的行车设备联合检查工作须在每月下旬(季度为末月下旬)进行,车务段规定在每月(季度为末月)末最后5天内进行。
重要节日的行车设备联合检查工作应在节日前5日内进行;定期进行的与重要节日前进行的行车设备联合检查均在当月同旬时可合并。
在登销记内容结尾处至本行末空格内划单横线以示填写内容结束。
2、车站首先填写如“×月×日季度(或×节前、重点运输、×专用线)设备联合检查”的标题后,由各单位分别对应所分管的设备内容登记设备现状,对存在的问题要重点填记清楚,并注明完成整治的时限,无问题时填写“正常”。
二、计数器按钮(左页)(右页)1、由车站值班员负责填写左页。
2、计算机联锁设备的车站使用上述按钮进行登记时,须注明使用的“A”机或“B”机;3、操作台A、B机区分方法:信号显示器屏幕下方中间位置标有“操作机、绿色、黄色方块”,当左侧为绿色方块、右侧为黄色方块时(以操作人员面对方向为准),表示使用“A”机;当左侧为黄色方块、右侧为绿色方块时,表示使用“B”机,如遇其中有一个方块显示红色时,车站值班员必需立即通知电务人员进行处理。
4、在登销记内容结尾处至本行末空格内划单横线以示填写内容结束。
二、计数器按钮(计数器号码转记)(左页)(右页)电务确认人员在车站值班员下方签署单位及姓名。
转记时只需当班值班员签字,其他值班员、车站干部不需签字。
三、使用手摇把(转辙机钥匙)。
(左页)(右页)2、左页“月日、时分”栏:填写破封取出手摇把、电动转辙机钥匙的实际时间。
3、“使用原因及数量”栏:填写使用原因及使用的工具(手摇把、电转机钥匙)名称与数量。
附件1:电务部门《行车设备检查登记簿》登销记样式
注:维修作业或处理故障时,设备管理单位如有破除加封按钮或使用计数器情况,作业或处理故障完毕的销记还须注明:××加封加锁齐全,××计数器号码××。
附件2:工务部门《行车设备检查登记簿》登销记样式
注:多线区间对作业地点须注明线别。
附件3:供电部门《行车设备检查登记簿》登销记样式
注:多线区间对作业地点须注明线别。
附件4:车辆部门《行车设备检查登记簿》登销记样式
注:多线区间对作业地点须注明线别。
附件5:车站《行车设备检查登记簿》登销记样式
附件6:电务部门《行车设备施工登记簿》登销记样式
附件7:工务部门《行车设备施工登记簿》登销记样式
注:多线区间对作业地点须注明线别。
附件8:供电部门《行车设备施工登记簿》登销记样式
注:多线区间对作业地点须注明线别。
附件9:车辆部门《行车设备施工登记簿》登销记样式
注:多线区间对作业地点须注明线别。
包神铁路公司《行车设备检查(施工)登记簿》登销记管理附件:包神铁路公司行车设备检查(施工)登记簿登销记管理办法第一章总则第一条为规范行车设备检查登记簿及行车设备施工登记簿(以下简称“运统-46”)的使用和管理,根据《技规》《行规》《铁路营业线施工及安全管理办法》(铁运〔2012〕280号)和《包神铁路公司营业线施工安全管理办法》(神华包神运〔2012〕76号)的有关规定,制定本办法。
第二条“运统-46”是行车设备施工、维修、检查、处理故障和恢复时办理有关登、销记的原始记录,是确认行车设备使用条件的重要依据,同时也是加强行车设备养护,提高设备质量,明确责任划分,确保行车安全的一项重要内容。
第三条本办法适用于包神铁路管内各站、段、调度指挥中心、物业管理公司。
各单位在组织有关行车设备的施工、维修、检查、处理故障时,应严格按本办法规定,正确填记“运统-46”。
第四条“运统—46”的登记、签认、销记时间,以行车室(调度指挥中心)时钟时间为准(设有TDCS、CTC设备的车站以计算机系统时间为准)。
第五条“运统—46”的登记、销记要严肃认真,做到内容准确,用语规范,字迹工整清晰。
填记时不得使用红色笔墨,书写字迹不得越格。
登记的作业所需时间、作业地点、作业项目、封锁线路名称及区间别(双线区间的上、下行别)、停用设备名称及影响范围等内容要准确、完整,不得涂改、撕页、刮贴。
书写过程中出现错误时,对错误的内容(字迹)画直线抹消后,重新填写。
第六条施工、维修单位施工完成在“运统—46”办理销记手续前,必须确认防护信号、接触网接地线已撤除,作业车辆返回站内、工具摆放、路料堆码不侵入机车车辆限界,作业人员撤至安全地点,确认已具备开通条件后,方可登记。
车站值班员再次确认施工、维修单位登记的销记内容正确,确认区间空闲后,方可向列车调度员报请开通。
第七条车站值班员与施工单位、设备管理单位交接调度命令时,接收命令人员须在车站留存的调度命令的空白处签名。
《行车设备检查登记簿》填记样式一、设备联合检查(季度、节日)1 / 1(2)设备联合检查(专运)(3)专用线联合检查1、由站长(值班干部)负责填写,按《技规》第19条对车站(包括担当取送车任务的专用线)行车设备定期联合检查和重点运输、重要节日前,以及按上级要求对行车设备进行联合检查时,均须在该项内分开进行登、销记录。
定期进行的行车设备联合检查工作须在每月下旬(季度为末月下旬)进行,车务段规定在每月(季度为末月)末最后5天内进行。
重要节日的行车设备联合检查工作应在节日前5日内进行;定期进行的与重要节日前进行的行车设备联合检查均在当月同旬时可合并。
在登销记内容结尾处至本行末空格内划单横线以示填写内容结束。
2、车站首先填写如“×月×日季度(或×节前、重点运输、×专用线)设备联合检查”的标题后,由各单位分别对应所分管的设备内容登记设备现状,对存在的问题要重点填记清楚,并注明完成整治的时限,无问题时填写“正常”。
二、计数器按钮(左页) (右页)1、由车站值班员负责填写左页。
2、计算机联锁设备的车站使用上述按钮进行登记时,须注明使用的“A”机或“B”机;3、操作台A、B机区分方法:信号显示器屏幕下方中间位置标有“操作机、绿色、黄色方块”,当左侧为绿色方块、右侧为黄色方块时(以操作人员面对方向为准),表示使用“A”机;当左侧为黄色方块、右侧为绿色方块时,表示使用“B”机,如遇其中有一个方块显示红色时,车站值班员必需立即通知电务人员进行处理。
4、在登销记内容结尾处至本行末空格内划单横线以示填写内容结束。
二、计数器按钮(计数器号码转记)(左页) (右页)电务确认人员在车站值班员下方签署单位及姓名。
转记时只需当班值班员签字,其他值班员、车站干部不需签字。
三、使用手摇把(转辙机钥匙)。
(左页)(右页)2、左页“月日、时分”栏:填写破封取出手摇把、电动转辙机钥匙的实际时间。
3、“使用原因及数量”栏:填写使用原因及使用的工具(手摇把、电转机钥匙)名称与数量。
附件1:《行车设备检查登记簿》登销记参照样式一、设备故障处理1.设备单位发现设备故障:2.“影响××”指对行车的影响,如影响××处接发列车及调车作业。
12.车站发现设备故障:2.设备单位在签认时要明确影响行车的范围,如车站值班员登记的影响行车的范围与设备单位签认的影响行车的范围不一致时,以设备单位签认的为准。
如需停用设备时须明确停用设备的范围。
3.“影响××”指对行车的影响,如影响××处接发列车及调车作业。
23.设备单位电话通知车站设备故障4.车站发现列车占用丢失35.无电务人员值守站设备故障:2.设备单位在电话签认时要明确影响行车的范围,如车站值班员登记的影响行车的范围与设备单位电话签认的影响行车的范围不一致时,以设备单位签认的为准;如需停用设备或需采取措施时,须登记清楚停用设备的范围或须采取的措施。
46.工务登记运行限制条件:2. 不需要其他单位配合时,其他单位不需签认。
填记配合单位名称时应写出具体单位名称,如××信号工区。
57.工务封锁区间、线路(不需要五位一体检查时):2.“封锁(开通)××至××”指封锁(开通)××站至××站间[上/下行线]或站内×道[××km××m至××km××m]。
3.销记有限制、限速条件时应注明。
4.工务登记的封锁原因可能影响供电、电务、通信等其他设备时,车站值班员还应通知其他设备管理单位共同检查、登记、处理。
68.控制台停电:2.在电务签认注明“请车站使用发电机供电”时,车站须确认信号设备一路和二路电源均停电后,方可使用备用发电机供电。
3.电务确认一路或二路电源恢复供电后,按相应参考样式登记进行电源倒换,倒换完毕后方准关闭发电机。
铁路行车登销记格式(模板)
一、施工登销记填记格式
1.供电施工登销记填记格式
- 1 -
- 2 -
4.施工延点登销记格式
- 3 -
2、销记时施工以延点施工结束后的调度命令销记开通。
5.由车站安排进行的施工登销记格式
- 4 -
二、综合维修登销记填记格式(1.由列车调度员安排时)
1.由行调安排的综合维修登销记填记格式
- 5 -
2.由车站安排的综合维修登销记填记格式
- 6 -
- 7 -
三、工电段施工、维修登销记填记格式
1.工电段内部多专业均作业
2.工电段工务作业需要其他段和本工电段其他专业配合
- 8 -
3.工电段综合维修
- 9 -
- 10 -
四、新线及设备开通
注:1.新线开通注意涉及的设备单位检查人必须签认齐全,车站站长必须到岗确认。
2.不同施工单位新线及设备开通在不同销记栏进行。
11
五、《行车设备检查登记薄》填记格式
12
13
3.突发性设备故障和灾害的紧急抢修及轨道状态超过临时补修标准和重伤设备处置等需停止设备正常使用(限速运行)、不需封
14
15。
《行车设备检查登记簿》填记样式一、设备联合检查(季度、节日)(2)设备联合检查(专运)(3)专用线联合检查1、由站长(值班干部)负责填写,按《技规》第19条对车站(包括担当取送车任务的专用线)行车设备定期联合检查和重点运输、重要节日前,以及按上级要求对行车设备进行联合检查时,均须在该项内分开进行登、销记录。
定期进行的行车设备联合检查工作须在每月下旬(季度为末月下旬)进行,车务段规定在每月(季度为末月)末最后5天内进行。
重要节日的行车设备联合检查工作应在节日前5日内进行;定期进行的与重要节日前进行的行车设备联合检查均在当月同旬时可合并。
在登销记内容结尾处至本行末空格内划单横线以示填写内容结束。
2、车站首先填写如“×月×日季度(或×节前、重点运输、×专用线)设备联合检查”的标题后,由各单位分别对应所分管的设备内容登记设备现状,对存在的问题要重点填记清楚,并注明完成整治的时限,无问题时填写“正常”。
二、计数器按钮(左页)(右页)1、由车站值班员负责填写左页。
2、计算机联锁设备的车站使用上述按钮进行登记时,须注明使用的“A”机或“B”机;3、操作台A、B机区分方法:信号显示器屏幕下方中间位置标有“操作机、绿色、黄色方块”,当左侧为绿色方块、右侧为黄色方块时(以操作人员面对方向为准),表示使用“A”机;当左侧为黄色方块、右侧为绿色方块时,表示使用“B”机,如遇其中有一个方块显示红色时,车站值班员必需立即通知电务人员进行处理。
4、在登销记内容结尾处至本行末空格内划单横线以示填写内容结束。
二、计数器按钮(计数器号码转记)(左页)(右页)电务确认人员在车站值班员下方签署单位及姓名。
转记时只需当班值班员签字,其他值班员、车站干部不需签字。
三、使用手摇把(转辙机钥匙)。
(左页)(右页)2、左页“月日、时分”栏:填写破封取出手摇把、电动转辙机钥匙的实际时间。
3、“使用原因及数量”栏:填写使用原因及使用的工具(手摇把、电转机钥匙)名称与数量。
附件15
《行车设备施工登记簿》填记要求、填记格式
一、基本要求
1.施工登记前,由施工单位指定的驻站联络员负责登销记时,应向车站值班员提交《施工登销记委托书》,综合维修、紧急修和故障修时无须提交。
持《施工登销记委托书》履行登销记职责的驻站联络员在《行车设备施工登记簿》“施工负责人”项目栏签认时,均填记“施工负责人”单位及姓名,并在“备注”栏内注明(一次)“驻站联络员”单位及姓名。
2.施工登记前,施工负责人(驻站联络员)应先预拟草稿,经车站值班员确认无误后,方可正式登记。
登销记过程中出现错误时,一律画圈以示抹消,重新填写,禁止随意涂改、撕页、粘贴。
3.综合型施工及综合维修中,涉及其他施工(维修)单位时,由施工(维修)主体单位负责统一登销记(根据现场临时请求且与施工不同步进行的配合项目由配合单位自行登销记)。
其他单位及设备管理单位负责人确认本单位登销记内容正确无误后,分别在《行车设备施工登记簿》上签认本单位及姓名。
4.车站必须认真审核《行车设备施工登记簿》上所有登销记内容,发现与施工计划不符、超出计划范围、施工配合单位签认不齐全时,不得办理登销记手续。
5.现场实际施工负责人与施工日计划公布的施工负责人不一致时,不准施工。
确需变更施工负责人时,施工单位必须在施工协调会或会前提出,按规定填写《施工负责人变更通知书》,报相关业务部门审核后,交调度所施工室备案,并提交登记站,调度所施工室审核后交相关台列车调度员。
列车调度员根据登记站的汇报及审核后的《施工负责人变更通知书》,发布相关调度命令。
6.《施工登销记委托书》和《施工负责人变更通知书》由登记站留存备查(格式附后)。
二、填记格式说明
(一)请求施工(慢行及封锁)登记
1.第1栏:“本月施工编号”应填记“施工日计划号或综合维修计划号”。
2.第2栏:“施工项目”,按施工日计划中的“施工项目”内容填写;综合维修时,按主体维修单位专业填写,例如:“供电综合维修”、“电务综合维修”、“工务综合维修”。
3.第3栏:“月日时分”按实际到站联系时间填写。
4.第4栏:涉及影响有关行车设备使用的施工,相关设
备管理单位均应在“设备单位检查人”栏签认单位及姓名。
5.第5栏:“所需时分”按施工日计划批准的时间填写。
因施工组织调整“所需时分”不能超过批准时间。
(二)承认施工
第6栏:命令号及发令时间、慢行及封锁起止时间,由车站值班员根据列车调度员下达的同意施工命令逐项填记。
(三)施工后开通检查确认、销记
1.第7栏:“月日时分”按实际申请开通时间填写。
2.第8栏:恢复使用范围和条件(开通后恢复常速确认),由施工负责人(持书面委托书的驻站联络员)根据施工放行列车的条件如实填记恢复的范围及行车速度。
综合维修结束,在调度命令规定的时间内完成,无设备变化,登记站确认所有维修单位按时开通、设备恢复正常使用、维修销记的签认正确齐全,立即向请点站汇报后,方可签字确认开通。
请点站确认所有登记站维修作业结束,再向列车调度员汇报开通情况。
(四)施工开通
第9栏:车站值班员根据施工单位在施工后开通检查、销记项填记的恢复使用范围和条件及设备单位检查人的签名,向列车调度员请求开通,并将开通的调度命令号码及时间填记后即可签字确认开通。
(五)备注
第10栏:“备注”,填写各种备注情况,如:驻站联络员持有《施工登销记委托书》到车站登销记时,备注栏中注明:“驻站联络员:XXX单位XXX”。
三、其他
1.取消施工前慢行的组织模式,所有施工前慢行全部纳入施工点内。
2.工务逐级提速的施工,施工后达不到应有的提速条件。
施工单位以实际限速条件销记,车站值班员应报告列车调度员,按重新下达的限速调度命令执行。
列车调度员重新下达限速调度命令并废止运行揭示命令,其后无论限速条件是否与运行揭示命令相符,施工单位均须销记确认限速条件,由列车调度员下达限速调度命令。
3.水电设备施工、维修作业不影响行车设备使用、作业地点远离车站和铁路,对不停止信号、通信、客车上水等行车设备使用的水电设备施工及维修作业不需到车站办理登销记手续。
施工登销记委托书
车站:
段车间(工区)将于年月日时分至日时分,在线区间(站)km m至km m处,进行施工。
施工负责人职务特指派驻站联络员
代替施工登销记和签名。
段(公章)
年月日
施工负责人变更通知书
一、施工单位:
二、施工项目:
三、施工等级:
四、施工地点:
五、施工日期及时间:
六、原定施工负责人:
姓名:职务:
七、现定施工负责人:
姓名:职务:
段(公章)
年月日
一、施工登销记填记格式
1.供电施工登销记填记格式
.
2.工务施工登销记填记格式(供电配合、逐级提速)
行车设备施工登记簿运统—46(施工)
.
.
3.电务施工登销记填记格式
行车设备施工登记簿运统—46(施工)
.
4.施工延点登销记格式
行车设备施工登记簿运统—46(施工)
.
2、销记时施工以延点施工结束后的调度命令销记开通。
5.由车站安排进行的施工登销记格式
行车设备施工登记簿运统—46(施工)
.
二、综合维修登销记填记格式(1.由列车调度员安排时)
.
行车设备施工登记簿运统—46(施工)
.
2.由车站安排的综合维修登销记填记格式
行车设备施工登记簿运统—46(施工)
.
.。